ac n je ostr; pi kontaktu s noem me dojt k vnmu porann.
Pi manipulaci se acm noem pouvejte rukavice.
Vypnte motor apokejte, dokud se vechny pohybliv sousti nezastav.
Odpojte kabel zapalovac svky od zapalovac svky a demontujte tlatko elektrickho startru (je-li ptomno).
Naklote stroj ke stran tak, aby vzduchov filtr smoval nahoru.
K zajitn acho noe pouijte devn palek (Figure 1).
Demontujte ac n a ulote si veker upevovac soustky (Figure 1).

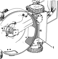
Povolte 5 roub, je upevuj zadn usmrova v poloze.

Demontujte a uschovejte spodn zadn kryt emenu a pslun rouby (Figure 3).

Sejmte oba emeny z pohonu acho noe a pot demontujte a uchovejte pohon acho noe (Figure 4).

Demontujte a zlikvidujte ocelov vodtko emenu a 2 pslun rouby (Figure 5).

Demontujte a zlikvidujte pedn kryt emene a pslun rouby uchovejte (Figure 6).

V ppad poteby pouijte dlk a pot vyvrtejte do ploiny 2 otvory (7 mm) pro mont kryt emene.
Note: Sprvnou polohu otvor urete pomoc ablony na zadn stran tto pruky.
Díly potřebné k provedení tohoto kroku:
| Horn kryt emenu | 1 |
| Spodn kryt emenu | 1 |
| roub ( x 1,33") | 2 |
| Montn roub motoru ( x 1") | 2 |
Namontujte 2 montn rouby motoru ( x 1") a uthnte je na utahovac moment 400 in-lb (Figure 7).

Namontujte horn pedn kryt emenu z tto soupravy pouitm dve demontovanch roub.

Namontujte pohon acho noe a navlknte kolem nj oba emeny, viz Figure 8.
Note: Uvnit pohonu acch no mus zstat rozprn krouek acho noe.

Namontujte spodn pedn kryt emenu tak, e prostrte 2 rouby ( x 1,33") spodnm krytem emenu, vyvrtanmi otvory (je-li to mon) a hornm krytem emenu.

Uthnte 5 roub, je upevuj zadn usmrova v poloze (Figure 10).

Namontujte spodn zadn kryt pomoc pslunch, dve demontovanch roub. Vlote zadn st krytu do zadnho deflektoru a pot snite pedn st do poadovan polohy (Figure 12).
Note: Pesvdte se, zda pi monti spodnho zadnho krytu emenu nedolo k seven zadnho emenu mezi bon stnu a rouby.

Important: Pro sprvn namontovn acho noe budete potebovat momentov kl. Pokud nemte momentov kl nebo si provedenm monte nejste jist, kontaktujte autorizovan servisn stedisko.
Namontujte nov ac n a vechny upevovac soustky (Figure 13).

Important: Zakiven konce acho noe mus smovat ke krytu stroje.
Momentovm klem uthnte upevovac roub acho noe na utahovac moment 82Nm.
Important: Pi pouit momentu 82Nm je roub pevn utaen. Zajistte ac n devnm palkem a utahovkem nebo klem roub pevn uthnte. Pethnout roub je velmi obtn.
Important: Pokud tisknete ablonu ze webovch strnek www.Toro.com, pesvdte se, e
je ve 100% mtku a vzdlenost mezi A
a B je 25,4 mm:
.
