Kniven er skarp. Berring af kniven kan medfre alvorlig personskade.
Br handsker, nr du udfrer service p kniven.
Stop motoren, og vent, til alle bevgelige dele er standset.
Frakobl tndrrskablet fra tndrret, og afmonter den elektriske startknap (hvis sdan en findes).
Tip maskinen over p siden med luftfilteret opad.
Brug en trklods til at holde kniven fast (Figure 1).
Afmonter kniven, men gem alle monteringsbolte og -mtrikker (Figure 1).

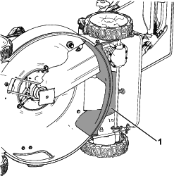
Lsn de 5 bolte, der holder den bageste afskrmning p plads.

Afmonter og gem den nederste, bageste remskrm og tilhrende bolte (Figure 3).

Fjern begge remme fra skresknivdrevet, og fjern og gem knivdrevet (Figure 4).

Afmonter og kasser metalremstyret og de 2 tilhrende bolte (Figure 5).

Fjern og kasser den forreste remskrm, og behold de tilsvarende bolte (Figure 6).

Hvis det er ndvendigt, kan du bruge en stansemaskine og derefter bore 2 huller (9/32 tomme) igennem skjoldet til montering af remskrmene.
Note: Brug skabelonen p bagsiden af denne vejledning for at placere hullerne korrekt.
Dele, der skal bruges til dette trin:
| verste remskrm | 1 |
| Nederste remskrm | 1 |
| Bolt (1/4x 1,33tommer) | 2 |
| Motormonteringsbolt (3/8x 1tomme) | 2 |
Monter de 2 motormonteringsbolte (3/8 x 1 tomme) og tilspnd dem til 45Nm (Figure 7).

Monter den verste, forreste remskrm, der flger med dette st med de bolte, du fjernede tidligere.

Monter skreknivsdrevet, og fr begge remme rundt om det som vist i Figure 8.
Note: Skreknivens afstandsbsning skal holdes indeni skreknivsdrevet.

Monter den nederste, forreste remskrm ved at skrue 2 bolte (1/4 x 1,33 tomme) igennem den nederste remskrm, ved at bruge de tidligere borede huller (hvis relevant), og ind i den verste remskrm.

Stram de 5 bolte, der holder den bageste afskrmning p plads (Figure 10).

Monter den nederste, bageste remskrm med de tilsvarende bolte, du fjernede tidligere. St skrmens bagside ind i den bageste udblsningsslisk, og snk derefter forsiden p plads (Figure 12).
Note: Srg for, at den bageste rem ikke kommer i klemme mellem sidevggen og boltene, nr du monterer den nederste, bageste remskrm.

Important: Du skal bruge en momentngle for at kunne montere kniven korrekt. Hvis du ikke har en momentngle eller ikke fler dig tryg ved at udfre dette arbejde, kan du kontakte en autoriseret serviceforhandler.
Monter den nye kniv og alle monteringsboltene og -mtrikkerne (Figure 13).

Important: Placer skreknivens krumme ender, s de peger opad mod maskinens hus.
Brug en momentngle til at tilspnde skreknivsbolten til 82Nm.
Important: En bolt, der er spndt til 82Nm, sidder meget stramt. Mens du holder skrekniven fast med en trklods, skal du lgge al din vgt bag skralde- eller momentnglen og spnde bolten godt fast. Denne bolt er meget vanskelig at overspnde.
Important: Hvis du udskriver dette fra www.Toro.com, skal du
srge for, at det er trykt i en skala p 100 %, og at
afstanden fra A til B er 24,4 mm:
.
