Das Messer ist scharf; ein Kontakt kann zu schweren Verletzungen fhren.
Tragen Sie Handschuhe, wenn Sie das Messer warten.
Stellen Sie den Motor ab und warten Sie, bis alle beweglichen Teile zum Stillstand gekommen sind.
Schlieen Sie den Zndkerzenstecker von der Zndkerze ab und ziehen Sie die Elektrostarttaste ab (falls vorhanden).
Kippen Sie die Maschine auf die Seite, sodass der Luftfilter nach oben zeigt.
Stabilisieren Sie das Messer mit einem Holzblock (Figure 1).
Nehmen Sie das Messer ab und bewahren Sie alle Befestigungsschrauben auf (Figure 1).

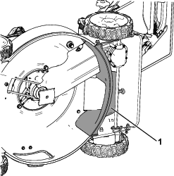
Lsen Sie die fnf Schrauben, mit denen das Hinteres Ablenkblech befestigt ist.

Entfernen und bewahren Sie die untere Riemenabdeckung hinten und die entsprechenden Schrauben auf (Figure 3).

Nehmen Sie beide Riemen vom Messerantrieb ab und entfernen Sie dann den Messerantrieb; bewahren Sie ihn auf (Figure 4).

Entfernen Sie die Metallriemenfhrung und die zwei entsprechenden Schrauben und werfen sie weg (Figure 5).

Entfernen Sie die vordere Riemenabdeckung und werfen sie weg; bewahren Sie die entsprechenden Schrauben auf (Figure 6).

Stanzen Sie ggf. und bohren Sie dann zwei Lcher (9/32") durch das Mhwerk, um die Riemenabdeckungen zu befestigen.
Note: Verwenden Sie die Schablone auf der Rckseite dieser Anweisungen fr die richtige Lochausrichtung.
Für diesen Arbeitsschritt erforderliche Teile:
| Obere Riemenabdeckung | 1 |
| Untere Riemenabdeckung | 1 |
| Schraube (" x 1,33") | 2 |
| Motorbefestigungsschraube (" x 1") | 2 |
Setzen Sie die zwei Motorbefestigungsschrauben (" x 1") ein und ziehen sie mit 45,2 Nm an (Figure 7).

Befestigen Sie die obere, vordere Riemenabdeckung aus dem Kit mit den vorher entfernten Schrauben.

Montieren Sie den Messermitnehmer und verlegen Sie beide Riemen um ihn, wie in Figure 8 abgebildet.
Note: Das Messerdistanzstck muss an der Innenseite des Messermitnehmers bleiben.

Schrauben Sie zum Montieren der unteren Riemenabdeckung vorne zwei Schrauben (" x 1,33") durch die untere Riemenabdeckung, durch die Bohrlcher (falls vorhanden) und in die obere Riemenabdeckung.

Ziehen Sie die fnf Schrauben an, mit denen das hintere Ablenkblech befestigt ist (Figure 10).

Befestigen Sie die untere Riemenabdeckung hinten mit den vorher entfernten entsprechenden Schrauben. Setzen Sie die Rckseite der Abdeckung in den hinteren Auswurfkanal ein und senken Sie dann die Vorderseite ab (Figure 12).
Note: Stellen Sie sicher, dass der hintere Riemen nicht zwischen der Seitenwand und den Schrauben eingeklemmt ist, wenn Sie die untere, hintere Riemenabdeckung befestigen.

Important: Sie bentigen fr den richtigen Einbau des Messers einen Drehmomentschlssel. Wenn Sie keinen Drehmomentschlssel haben oder diese Arbeit nicht ausfhren mchten, wenden Sie sich an einen offiziellen Vertragshndler.
Setzen Sie das neue Messer und alle Schrauben auf (Figure 13).

Important: Das gebogene Ende des Messers sollte zum Mhwerkgehuse zeigen.
Ziehen Sie die Messerschraube mit einem Drehmomentschlssel mit 81 Nm an.
Important: Eine mit 81Nm angezogene Schraube sitzt sehr fest. Arretieren Sie das Messer mit einem Holzstck und verlagern Sie gleichzeitig das Gewicht auf den Schlssel und ziehen Sie die Schraube fest. Diese Schraube kann fast nicht zu fest angezogen werden.
Important: Wenn Sie dies von www.Toro.com ausdrucken, stellen
Sie sicher, dass Sie es im Mastab von 100% ausdrucken
und dass der Abstand von A bis B 2,5 cm betrgt:
.
