La cuchilla est muy afilada; cualquier contacto con la cuchilla puede causar lesiones personales graves.
Lleve guantes al realizar el mantenimiento de la cuchilla.
Pare el motor y espere a que se detengan todas las piezas en movimiento.
Desconecte el cable de la buja y retire el botn de arranque elctrico (si la hay).
Coloque la mquina de lado con el filtro de aire hacia arriba.
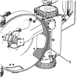
Utilice un bloque de madera para inmovilizar la cuchilla (Figure 1).
Retire la cuchilla, conservando todos los herrajes de montaje (Figure 1).

Afloje los 5 pernos que sujetan el deflector trasero.

Retire y guarde la cubierta de correa inferior trasera y los pernos correspondientes (Figure 3).

Retire ambas correas del impulsor de la cuchilla, y retire y guarde el impulsor de la cuchilla (Figure 4).

Retire y deseche la gua metlica de la correa y los 2 pernos correspondientes (Figure 5).

Retire y deseche la cubierta de correa delantera; guarde los pernos correspondientes (Figure 6).

Si es necesario, marque con un punzn y luego perfore 2 taladros (7,14 mm [9/32"]) a travs de la carcasa para la instalacin de las cubiertas de las correas.
Note: Utilice la plantilla incluida al final de estas instrucciones para localizar la posicin de los taladros.
Piezas necesarias en este paso:
| Cubierta de correa superior | 1 |
| Cubierta de correa inferior | 1 |
| Perno ("x1,33") | 2 |
| Perno de montaje del motor (" x 1") | 2 |
Instale los 2 pernos de montaje del motor (" x 1") y apritelos a 45 Nm (Figure 7).

Instale la cubierta de correa superior delantera suministrada en este kit con los pernos que retir anteriormente.

Instale el impulsor de la cuchilla y pase ambas correas alrededor de l, segn se muestra en Figure 8.
Note: El espaciador de la cuchilla debe permanecer en el interior del impulsor de la cuchilla.

Instale el cubierta de correa inferior delantera enroscando 2 pernos (" x 1,33") a travs de la cubierta de correa inferior, usando los taladros perforados (en su caso) y de la cubierta de correa superior.

Apriete los 5 pernos que sujetan el deflector trasero (Figure 10).

Instale la cubierta de correa inferior trasera con los pernos correspondientes que retir anteriormente. Introduzca la parte trasera de la cubierta en el conducto de descarga trasera, y luego baje la parte delantera (Figure 12).
Note: Asegrese de que la correa trasera no queda atrapada entre la pared lateral y los pernos al instalar la cubierta de correa inferior trasera.

Important: Usted necesitar una llave dinamomtrica para instalar la cuchilla correctamente. Si no dispone de una llave dinamomtrica o prefiere no realizar este procedimiento, pngase en contacto con el Servicio Tcnico Autorizado.
Instale la cuchilla nueva y todos los herrajes de montaje (Figure 13).

Important: Coloque la cuchilla con los extremos curvos hacia la carcasa de la mquina.
Utilice una llave dinamomtrica para apretar el perno de la cuchilla a 82Nm.
Important: Un perno apretado a 82Nm queda muy firme. Mientras sujeta la cuchilla con un bloque de madera, aplique toda su fuerza a la llave y apriete el perno firmemente. Ser muy difcil apretar este perno demasiado.
Important: Si imprime esta plantilla desde www.Toro.com, asegrese
de imprimirla a escala 100%; la distancia de A a B debe ser de 2,54
cm:
.
