Ter on terv, ja sen koskettaminen voi aiheuttaa vakavia henkilvahinkoja.
Kyt ksineit, kun huollat ter.
Sammuta moottori ja odota, kunnes kaikki liikkuvat osat ovat pyshtyneet.
Irrota johto sytytystulpasta ja irrota shkkynnistyspainike (jos laitteessa on sellainen).
Kallista laite kyljelleen siten, ett ilmansuodatin osoittaa ylspin.
Tue ter puun kappaleella (Figure 1).
Irrota ter ja sst kaikki kiinnitystarvikkeet (Figure 1).

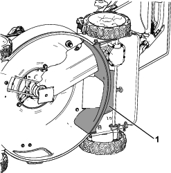
Irrota viisi pulttia, joilla takalevitin on kiinnitetty paikalleen.

Irrota takahihnan alempi suojus pultteineen ja silyt ne (Figure 3).

Irrota molemmat hihnat tern ohjaimesta. Irrota tern ohjain ja silyt se (Figure 4).

Irrota ja hvit metallinen hihnanohjain ja sen kaksi pulttia (Figure 5).

Irrota ja poista kytst etuhihnan suojus ja silyt sen pultit (Figure 6).

Merkitse tarvittaessa pistepuikolla ja poraa leikkuupytn kaksi reik (7,1mm) hihnasuojusten asennusta varten.
Note: Katso reikien oikea asettelu niden ohjeiden loppuosasta.
Vaiheeseen tarvittavat osat:
| Ylhihnasuojus | 1 |
| Alahihnasuojus | 1 |
| Pultti (1/41-1/3tuumaa) | 2 |
| Moottorin kiinnityspultti (3/81tuumaa) | 2 |
Asenna kaksi moottorin kiinnityspulttia (3/81tuumaa) ja kirist ne momenttiin 45,2Nm (Figure 7).

Asenna thn sarjaan kuuluva etuhihnan ylempi suojus aiemmin irrottamillasi pulteilla.

Asenna tern ohjain ja kierr molemmat hihnat sen ympri kuvan mukaisesti (Figure 8).
Note: Tern vlikappaleen tulee jd tern ohjaimen sisn.

Asenna etuhihnan alempi suojus kiertmll kaksi pulttia (1/4x1-1/3tuumaa) alahihnasuojuksen ja mahdollisten porattujen reikien lpi ylhihnasuojukseen.

Kirist viisi pulttia, joilla takalevitin on kiinnitetty paikalleen (Figure 10).

Asenna takahihnan alempi suojus kahdella aikaisemmin irrotetulla pultilla. Liit suojuksen takaosa takaheittosuppiloon ja laske sen etuosa sitten paikoilleen (Figure 12).
Note: Varmista takahihnan alempaa suojusta asentaessasi, ettei takahihna j puristuksiin sivuseinmn ja pulttien vliin.

Important: Tern asentamiseen tarvitaan momenttiavain. Jos sinulla ei ole momenttiavainta tai et halua suorittaa toimenpidett itse, ota yhteys valtuutettuun huoltoliikkeeseen.
Asenna uusi ter ja kaikki kiinnitystarvikkeet (Figure 13).

Important: Suuntaa tern kyrt pt koneen koteloa kohti.
Kirist terpultti momenttiavaimella momenttiin 82Nm.
Important: 82Nm:n momenttiin kiristetty pultti on erittin tiukalla. Pid ter paikoillaan puun kappaleella, aseta painosi rikn tai vnttykalun taakse ja kirist pultti hyvin. Tt pulttia on hyvin vaikea kirist liian kirelle.
Important: Jos tulostat tt osoitteesta www.Toro.com, varmista, ett se tulostetaan 100%:n koossa ja A:n ja
B:n vlinen etisyys on 2,54cm:
.
