La lame est tranchante et vous pouvez vous blesser gravement son contact.
Portez des gants pour effectuer l'entretien de la lame.
Coupez le moteur et attendez l'arrt complet de toutes les pices mobiles.
Dbranchez le fil de la bougie et retirez le bouton de dmarrage lectrique (le cas chant).
Basculez la machine sur le ct (filtre air en haut).
Immobilisez la lame avec un morceau de bois (Figure 1).
Dposez la lame mais ne jetez pas les fixations (Figure 1).

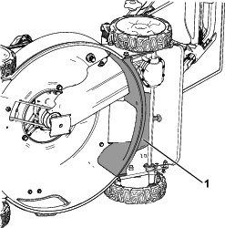
Desserrez les 5boulons qui fixent le dflecteur arrire en place.

Retirez et conservez le couvercle de courroie infrieur arrire ainsi que les boulons correspondants (Figure 3).

Retirez les deux boulons de l'entranement de la lame, puis dposez et conservez l'entranement (Figure 4).

Retirez et mettez au rebut le guide-courroie en mtal ainsi que les 2 boulons correspondants (Figure 5).

Retirez et mettez au rebut le couvercle de courroie avant; conservez les boulons correspondants (Figure 6).

Au besoin, marquez au pointeau et percez 2 trous (9/32") dans le plateau pour monter les couvercles de courroie.
Note: Utilisez le gabarit au dos de ces instructions pour orienter correctement les trous.
Pièces nécessaires pour cette opération:
| Couvercle de courroie suprieur | 1 |
| Couvercle de courroie infrieur | 1 |
| Boulon ("x1,33") | 2 |
| Boulon de fixation du moteur (3/8"x1") | 2 |
Montez les 2 boulons de fixation du moteur (3/8"x1") et serrez-les 45Nm (Figure 7).

Fixez le couvercle de courroie suprieur avant compris dans ce kit au moyen des boulons retirs prcdemment.

Montez le systme d'entranement de la lame et acheminez les deux courroies autour, comme montr la Figure 8.
Note: L'entretoise de le lame doit rester l'intrieur du systme d'entranement.

Montez le couvercle infrieur de courroie avant en insrant 2 boulons ("x1,33") dans les trous du couvercle, puis en vissant les boulons dans les trous percs (le cas chant) et dans le couvercle de courroie suprieur.

Serrez les 5 boulons qui fixent le dflecteur arrire en place (Figure 10).

Fixez le couvercle infrieur de courroie arrire avec les boulons correspondants retirs prcdemment. Insrez l'arrire du couvercle dans la goulotte d'jection arrire puis abaissez l'avant en place (Figure 12).
Note: Vrifiez que la courroie arrire n'est pas pince entre la paroi latrale et les boulons quand vous installez le couvercle infrieur arrire.

Important: Vous aurez besoin d'une cl dynamomtrique pour monter la lame correctement. Si vous n'en possdez pas ou si vous ne vous sentez pas capable d'effectuer cette procdure, adressez-vous un concessionnaire-rparateur agr.
Montez la nouvelle lame et toutes les fixations (Figure 13).

Important: Les extrmits releves de la lame doivent tre diriges vers la tondeuse.
l'aide d'une cl dynamomtrique, serrez le boulon de la lame 82Nm.
Important: Un boulon viss 82Nm est trs serr. Bloquez la lame avec une cale en bois, appuyez de tout votre poids sur le rochet ou la cl, et serrez le boulon solidement. Il est pratiquement impossible de trop serrer ce boulon.
Important: Si vous imprimez ceci partir de www.Toro.com, utilisez l'chelle de 100% pour que la distance
de A B soit gale 25,4mm :
.
