La lama affilata, e pu causare gravi ferite.
Indossate i guanti per eseguire la manutenzione della lama.
Spegnete il motore e attendete che tutte le parti in movimento si siano fermate.
Scollegate il cappellotto dalla candela e rimuovete il pulsante di avviamento elettrico (se presente).
Inclinate la macchina sul fianco, con il filtro dell'aria in alto.
Usate un blocco di legno per tenere ferma la lama (Figure 1).
Togliete la lama e conservate la bulloneria di montaggio (Figure 1).

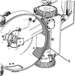
Allentate i 5 bulloni che fissano in posizione il deflettore posteriore.

Rimuovete e conservate il copricinghia posteriore inferiore e i bulloni corrispondenti (Figure 3).

Rimuovete entrambe le cinghie dalla trasmissione della lama e poi rimuovete e conservate la trasmissione della lama (Figure 4).

Rimuovete ed eliminate il guidacinghia in metallo e i 2 bulloni corrispondenti (Figure 5).

Rimuovete ed eliminate il copricinghia anteriore; conservate i bulloni corrispondenti (Figure 6).

Se necessario, punzonate e poi praticate 2 fori (9/32") attraverso il piatto per l'installazione dei copricinghia.
Note: Utilizzate il modello sul retro di queste istruzioni per l'orientamento corretto dei fori.
Parti necessarie per questa operazione:
| Copricinghia superiore | 1 |
| Copricinghia inferiore | 1 |
| Bullone (" x 1,33") | 2 |
| Bullone di montaggio del motore (3/8" x 1") | 2 |
Montate i 2 bulloni di montaggio del motore (3/8" x 1") e serrateli a 45,2N∙m (Figure 7).

Montate il copricinghia anteriore superiore in dotazione con questo kit con i bulloni rimossi in precedenza.

Montate la trasmissione della lama e disponete entrambe le cinghie attorno ad essa, come illustrato nella Figure 8.
Note: Il distanziale della lama deve rimanere all'interno della trasmissione della lama.

Montate il copricinghia anteriore inferiore avvitando 2 bulloni (" x 1,33") attraverso il copricinghia inferiore, attraverso i fori praticati (se applicabile) e nel copricinghia superiore.

Serrate i 5 bulloni che fissano in posizione il deflettore posteriore (Figure 10).

Montate il copricinghia posteriore inferiore con i bulloni corrispondenti rimossi in precedenza. Inserite la parte posteriore del copricinghia nella guida di scarico e poi abbassate la parte anteriore in posizione (Figure 12).
Note: Assicuratevi che la cinghia posteriore non venga schiacciata tra la parete laterale e i bulloni quando montate il copricinghia posteriore inferiore.

Important: Per il corretto montaggio della lama dovete usare una chiave torsiometrica. Se non disponete di una chiave torsiometrica o avete dubbi sull'esecuzione di questa operazione, contattate un Centro Assistenza autorizzato.
Montate la nuova lama usando la bulloneria di montaggio (Figure 13).

Important: Le estremit curve della lama devono essere rivolte verso la scocca del tosaerba.
Utilizzate una chiave torsiometrica per serrare il bullone della lama a 82N∙m.
Important: Un bullone serrato a 82N∙m molto stretto. Trattenete la lama con un blocco di legno e serrate saldamente il bullone facendo forza col vostro corpo sul cricco o sulla chiave torsiometrica. molto difficile serrare eccessivamente questo bullone.
Important: Se desiderate stampare questo documento dal sito www.Toro.com, assicuratevi che venga stampato in scala 100% e che la distanza
tra A e B sia pari a 2,54cm:
.
