ブレードは大変鋭利である;ブレードに触れると大けがをする危険がある。
ブレードの整備を行う場合には手袋をはめる。
エンジンを止め、各部が完全に停止するのを待つ。
点火プラグからコードを外し、エンジンスタータ(搭載機では)のボタンを外す。
機体を傾けるときには、エアフィルタが上になるように傾ける。
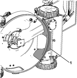
角材などを使ってブレードをしっかり保持する(Figure 1)。
ブレードを取り外す。外したボルト類はすべて保管する(Figure 1)。

後バッフルを機体に固定しているボルト(5本)をゆるめる。

後下ベルトカバーを止めているボルトを外し、カバーとボルトを外して保管する(Figure 3)。

ブレードドライブからベルトを両方とも外し、ドライブも外してベルトとドライブを保管する(Figure 4)。

ベルトガイド(金属製)を止めているボルト(2本)を外して、このベルトガイドとボルトを廃棄する(Figure 5)。

前ベルトカバーを外して廃棄する。ボルトは保管する(Figure 6)。

必要に応じ、デッキにベルトカバー取り付け穴を作成する(7mm)のドリルビットを使って穴を 2 つ開ける)
Note: この説明書の最後についている必要な型紙を切り離す。
この作業に必要なパーツ
| 上ベルトカバー | 1 |
| 下ベルトカバー | 1 |
| ボルト(1/4 x 1.33 インチ) | 2 |
| エンジン取り付けボルト(3/8 x 1 インチ) | 2 |
エンジン取り付けボルト(3/8 x 1 インチ)2本を取り付けて 4.6kg.m(400in-lb)にトルク締めする(Figure 7)。

キットに入っている上前ベルトカバーを、先ほど取り外したボルトで取りつける。

Figure 8 のように、ブレードドライブと2本のベルトを取り付ける。
Note: ブレードスペーサはブレードドライブの内側においた状態にしてください。

前下ベルトカバーを取り付ける;ボルト(1/4 x 1.33 インチ)2本をカバーとドリル穴(開けた場合は)と、上ベルトカバーに通す。

後バッフルを機体に固定しているボルト(5本)を締め付ける(Figure 10)。

後下ベルトカバーを取り付ける;先ほど外したボルトを使う。カバーの後ろ部分を後ディスチャージシュートに嵌めてから、前部分を所定位置まで下げる。Figure 12
Note: 後下ベルトカバーを取り付けるとき、後ベルトが、側壁とボルトとの間に挟まれないように注意してください。

Important: ブレードを適切に取り付けるにはトルクレンチが必要です。トルクレンチをお持ちでない場合や、この整備に不安がある場合には、弊社の正規サービスディーラにご相談ください。
新しいブレードを取り付ける。外したボルト類を使用する(Figure 13)。

Important: ブレードの立っている側(セール部)がハウジングを向くのが正しい取り付け方です。
トルクレンチを使って、ブレードを82Nm(8.3 kg.m = 60 ft-lb)に締め付ける。
Important: 82Nm(60ft-lb)のトルク締めは非常に強い力を必要とします。ブレードを角材などでしっかり保持し、トルクレンチに自分の体重をしっかり掛けてボルトを確実に締め付けてください。このボルトは相当に強く締め付けても、締め付けすぎになることはまずありません。
Important: この文書が www.Toro.com から印刷されたものである場合には、印刷時の縮尺が 100%
であったことを確認してください。A~B 間の距離は 1 インチ(24.5 ㎜)です:
