Het maaimes is scherp, contact met het maaimes kan ernstig lichamelijk letsel veroorzaken.
Gebruik handschoenen als u het mes monteert.
Zet de motor uit en wacht totdat alle bewegende onderdelen tot stilstand gekomen zijn.
Trek de bougiekabel los van de bougie en verwijder de elektrische startknop (indien aanwezig).
Kantel de maaimachine op zijn zij met het luchtfilter naar boven.
Gebruik een blok hout om het mes stil te houden (Figure 1).
Verwijder het mes en bewaar alle bevestigingselementen (Figure 1).

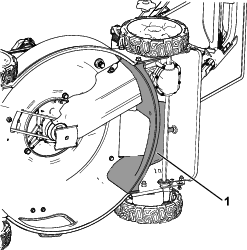
Maak de 5 bouten los waarmee het achterste schot is bevestigd.

Verwijder de onderste riemkap achter alsook de bijbehorende bouten; bewaar deze onderdelen (Figure 3).

Neem beide riemen van de mesaandrijving, verwijder de aandrijving dan en bewaar deze (Figure 4).

Verwijder de metalen riemgeleider en de 2 bijbehorende bouten; gooi deze onderdelen weg (Figure 5).

Verwijder de voorste riemkap en gooi deze weg; bewaar de bijbehorende bouten (Figure 6).

Indien nodig: boor twee gaten van 7,5 mm door het dek om de riemkappen te monteren. Markeer de gaten eerst met een centerpons.
Note: Gebruik het sjabloon op het eind van deze instructies om na te gaan waar de gaten zich moeten bevinden.
Benodigde onderdelen voor deze stap:
| Bovenste riemkap | 1 |
| Onderste riemkap | 1 |
| Bout ("x1,33") | 2 |
| Motorbevestigingsbout ("x1") | 2 |
Monteer de 2 motorbevestigingsbouten ("x1") en draai ze vast met 45,2Nm (Figure 7).

Monteer de bijgeleverde bovenste riemkap met de bouten die u eerder verwijderd hebt.

Monteer de mesaandrijving en leid de beide riemen eromheen zoals afgebeeld in Figure 8.
Note: Laat het mesafstandsstuk in de mesaandrijving zitten.

Monteer de onderste riemkap voor door 2 bouten ("x1,33 inch) aan te brengen door de onderste riemkap, door de boorgaten (indien van toepassing) en in de bovenste riemkap.

Draai de 5 bouten van het achterste schot vast (Figure 10).

Monteer de onderste riemkap achter met de bijbehorende bouten die u eerder verwijderd hebt. Breng de achterzijde van de kap aan in het achteruitworpkanaal en laat vervolgens de voorzijde op zijn plaats zakken (Figure 12).
Note: Zorg dat de achterste riem niet bekneld raakt tussen de zijwand en de bouten bij het monteren van de onderste riemkap achter monteert.

Important: U hebt een momentsleutel nodig om het mes op correcte wijze te monteren. Als u geen momentsleutel hebt of niet goed weet hoe u de montage moet uitvoeren, kunt u contact opnemen met een erkende servicedealer.
Monteer het nieuwe mes en alle bevestigingselementen (Figure 13).

Important: De gebogen uiteinden van het mes moeten naar de machine wijzen.
Gebruik een momentsleutel om de mesbout vast te draaien met 82Nm.
Important: Een bout die is aangetrokken tot 82Nm zit erg vast. Zet het mes vast met een stuk hout en plaats uw volle gewicht achter de (dop)sleutel om de bout goed vast te draaien. Het is erg moeilijk om deze bout te vast te draaien.
Important: Als u deze afdruk maakt vanaf www.Toro.com, zorg
dan dat de afdruk een schaal van 100% heeft en dat de afstand tussen
A en B 1" = 25,4 mm bedraagt:
.
