Kniven er skarp, kontakt med kniven kan fre til personskader.
Bruk hansker nr du utfrer service p kniven.
Sl av motoren, og vent til alle bevegelige deler har stanset.
Koble tennpluggledningen fra tennpluggen, og fjern elektrisk start-knappen (hvis relevant).
Vend maskinen over p siden med luftfilteret opp.
Bruk en treblokk til holde kniven fast (Figure 1).
Fjern kniven, behold alle monteringsdeler (Figure 1).

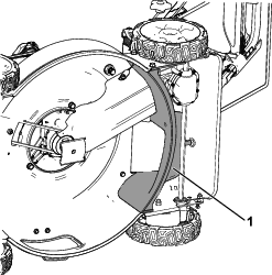
Lsne de fem boltene som holder den bakre skjermen p plass.

Fjern og ta vare p det nedre, bakre remdekslet og de tilhrende boltene (Figure 3).

Fjern begge remmene fra knivdrivverket, og fjern og ta vare p knivdrivverket (Figure 4).

Fjern og kast remfreren av metall og de to tilhrende boltene (Figure 5).

Fjern og kast det fremre remdekslet, men ta vare p tilhrende bolter (Figure 6).

Hvis ndvendig, bruk en kjrner og bor to hull (9/32 tommer) gjennom klippeenheten for montering av remdekslene.
Note: Bruk malen p baksiden av disse instruksjonene for riktig plassering av hull.
Deler som er nødvendige for dette trinnet:
| vre remdeksel | 1 |
| Nedre remdeksel | 1 |
| Bolt (1/4x 11/3tomme) | 2 |
| Motorfestebolt (3/8x 1tomme) | 2 |
Monter de to motorfesteboltene (3/8x 1tomme), og stram dem til 45Nm (Figure 7).

Monter det vre, fremre remdekslet fra settet med boltene du fjernet tidligere.

Monter knivdrivverket og fr begge remmene rundt det, som vist i Figure 8.
Note: Knivavstandsstykket m vre p innsiden av knivdrivverket.

Monter det nedre, fremre remdekslet ved skru to bolter (1/4x 11/3tomme) gjennom det nedre remdekslet, gjennom de borede hullene (hvis aktuelt) og inn i det vre remdekselet.

Stram de fem boltene som holder den bakre skjermen p plass (Figure 10).

Monter det nedre, bakre remdekslet med de tilhrende boltene du fjernet tidligere. Sett bakdelen av dekslet inn i den bakre utlpssjakten, og senk deretter fremdelen p plass (Figure 12).
Note: Pse at den bakre remmen ikke blir klemt mellom sideveggen og boltene nr du monterer det nedre, bakre remdekslet.

Important: Du trenger en momentnkkel for montere kniven korrekt. Hvis du ikke har en momentnkkel, eller ikke fler deg kompetent til utfre prosedyren, kontakt en autorisert serviceforhandler.
Monter den nye kniven og alle monteringsdeler (Figure 13).

Important: Plasser knivens bueformede ender slik at de peker mot maskinhuset.
Stram knivbolten med en momentnkkel til 82Nm.
Important: En bolt med dreiemoment p 82Nm er veldig godt tilstrammet. Hold fast kniven med en trekloss og legg vekten p skrallen eller momentnkkelen og stram bolten godt til. Det er nesten umulig stramme denne bolten for mye.
Important: Hvis du skriver ut dette fra www.Toro.com, pse
at du skriver ut ved 100% og at avstanden fra A til B er n
tomme:
.
