Ostrze jest ostre; kontakt z nim moe doprowadzi do powanych obrae ciaa.
Podczas serwisowania ostrza, naley stosowa rkawice ochronne.
Wycz silnik i zaczekaj, a wszystkie ruchome czci si zatrzymaj.
Odcz przewd wiecy zaponowej od wiecy i wyjmij przycisk rozrusznika elektrycznego (jeeli wystpuje).
Przechyl maszyn w bok tak, aby filtr powietrza by skierowany w gr.
Aby unieruchomi ostrze, naley uy kawaka drewna (Figure 1).
Zdemontuj ostrze, zachowujc cay osprzt mocujcy (Figure 1).

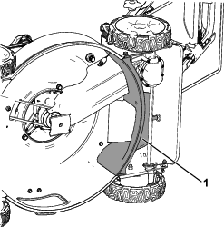
Poluzuj 5 rub przytrzymujcych tyln przegrod.

Zdemontuj i zachowaj doln, tyln pokryw paska oraz odpowiadajce jej ruby (Figure 3).

Zdejmij oba paski z napdu ostrza, a nastpnie zdejmij i zachowaj mocowanie napdowe ostrza (Figure 4).

Zdemontuj i wyrzu metalow prowadnic paska i 2 odpowiadajce ruby (Figure 5).

Zdejmij i wyrzu przedni pokryw paska, zachowaj odpowiadajce jej ruby (Figure 6).

W razie potrzeby napunktuj, a nastpnie wywier w podwoziu tncym 2 otwory (o rednicy 9/32 cala, ok. 7,1 mm) do montau pokryw paska.
Note: Dla dokadnego zlokalizowania otworw uyj szablonu na kocu tej instrukcji.
Części potrzebne do tej procedury:
| Grna pokrywa pasa | 1 |
| Dolna pokrywa pasa | 1 |
| ruba ( x 1,33 cala) | 2 |
| ruba mocujca silnik ( x 1cal) | 2 |
Wkr 2 ruby mocujce silnik ( cala x 1 cal) i dokr je z momentem 45,2 Nm (Figure 7).

Za grn, przedni pokryw pasa wchodzc w skad tego zestawu uywajc odkrconych wczeniej rub.

Zamontuj mocowanie napdowe ostrza i poprowad wok niego obydwa paski w sposb pokazany na Figure 8.
Note: Element dystansowy ostrza musi pozosta wewntrz mocowania napdowego ostrza.

Zamontuj przedni, doln pokryw paska wkrcajc 2 ruby ( x 1,33 cala) przez doln pokryw paska, przez wywiercone otwory (jeeli dotyczy) w grna pokryw paska.

Dokr 5 rub przytrzymujcych tyln przegrod (Figure 10).

Zamontuj tyln, doln pokryw paska za pomoc odpowiadajcych, wczeniej odkrconych rub. Wsu tyln cz pokrywy w tylny kana wyrzutowy, a nastpnie opu jej przedni cz na swoje miejsce (Figure 12).
Note: Upewnij si, e podczas montau dolnej, tylnej pokrywy paska tylny pasek nie zosta uwiziony midzy ciank boczn a rubami.

Important: Aby prawidowo zainstalowa ostrze, naley uy klucza dynamometrycznego. Jeeli nie posiadasz klucza dynamometrycznego lub nie jeste pewny swoich dziaa, skontaktuj si z autoryzowanym serwisem.
Zamontuj nowe ostrze i cay osprzt mocujcy (Figure 13).

Important: Ustaw zakrzywione koce ostrza w kierunku obudowy maszyny.
Za pomoc klucza dynamometrycznego dokr rub ostrza z momentem 82 Nm.
Important: ruba dokrcona momentem 82N∙m jest dokrcona bardzo mocno. Przy zablokowanym ostrzu za pomoc kawaka drewna, uyj swojego ciaru ciaa, aby prawidowo dokrci rub. Pamitaj, e t rub bardzo trudno przekrci.
Important: Drukujc ten szablon po pobraniu z witryny www.Toro.com upewnij si, e jest on drukowany w powikszeniu
100% i sprawd, czy odlego midzy
punktami A a B wynosi dokadnie 25,4 mm (1 cal):
.
