Сборка

Предупреждение

.

.

  1. .

  2. ( ).

  3. , .

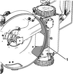
  4. (Figure 1).

  5. , (Figure 1).

    g206911
  6. 5 , .

    g212126
  7. (Figure 3).

    g212208
  8. (Figure 4).

    g211698
  9. 2 (Figure 5).

    g212112
  10. ; (Figure 6).

    g212113
  11. , 2 (9/32 ) .

    Note: , .

Close section

Детали, требуемые для этой процедуры:

1
1
(1/4 x 1,33 )2
(3/8 x 1 )2
  1. (3/8 x 1 ) 400- (Figure 7).

    g212119
  2. , , .

    g212120
  3. , Figure 8.

    Note: .

    g211698
  4. , 2 (1/4 x 1,33 ) , ( ) .

    g212121
  5. 5 , (Figure 10).

    g212127
  6. , . (Figure 12).

    Note: , .

    g212123
Close section

Important: . , .

  1. , (Figure 13).

    g024443

    Important: , .

  2. 82∙.

    Important: 82 – . , , . .

Close section

Important: - www.Toro.com, , 100% A B 25,4:Graphic

g206972
Close section
Close section