Kniven r skarp – kontakt med kniven kan orsaka allvarliga personskador.
Anvnd handskar d du handskas med kniven.
Stng av motorn och vnta tills alla rrliga delar har stannat.
Lossa tndkabeln frn tndstiftet och avlgsna knappen till den elektriska startmotorn (om sdan finns).
Lgg klipparen p sidan med luftfiltret uppt.
Hll kniven stilla med hjlp av en trkloss (Figure 1).
Ta bort kniven och spara alla monteringsdelar (Figure 1).

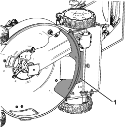
Lossa de 5 skruvarna som fster bakskrmen p plats.

Ta bort den nedre, bakre remkpan och tillhrande skruvar och lgg dem t sidan (Figure 3).

Ta bort bda remmarna frn knivdriften och lyft sedan upp och spara knivdriften (Figure 4).

Ta bort och kassera remstyrningen i metall och de 2 tillhrande skruvarna (Figure 5).

Ta loss och kasta den frmre remkpan. Spara motsvarande skruvar (Figure 6).

Gr eventuellt en markering med en krnare och borra drefter 2 hl (7 mm) i dcket fr installation av remkporna.
Note: Anvnd mallen p baksidan av dessa anvisningar fr information om var det r lmpligt att gra hl.
Delar som behövs till detta steg:
| vre remkpa | 1 |
| Nedre remkpa | 1 |
| Skruv (1/4x1 1/3tum) | 2 |
| Motorfstskruv (3/8x1tum) | 2 |
Montera 2 motorfstskruvar (3/8x1tum) och dra t dem till 45Nm (Figure 7).

Montera den vre, frmre remkpan i denna sats med skruvarna som tidigare togs bort.

Montera knivdrivaren och dra bda remmarna runt den enligt Figure 8.
Note: Knivdistansbrickan mste vara kvar inuti knivdrivaren.

Montera den nedre, frmre remkpan genom att skruva i 2 skruvar (1/4x1 1/3tum) genom den nedre remkpan, via de borrade hlen (om tillmpligt) och in i den vre remkpan.

Dra t de 5 skruvarna som fster bakskrmen p plats. (Figure 10).

Montera den nedre, bakre remkpan med de tillhrande skruvarna som du tog bort tidigare. Fr in kpans bakdel i den bakre utkastaren och snk drefter ned framdelen p plats (Figure 12).
Note: Kontrollera att den bakre remmen inte hamnar i klm mellan sidovggen och skruvarna nr du monterar den nedre, bakre remkpan.

Important: Fr att montera kniven korrekt behver du en skiftnyckel. Om du inte har ngon skiftnyckel eller inte vill utfra den hr proceduren kontaktar du en auktoriserad terfrsljare.
Stt fast den nya kniven och alla monteringsdelar (Figure 13).

Important: Lt knivens bjda del peka mot klipparkpan.
Anvnd en momentnyckel fr att dra t knivskruven till 82Nm.
Important: En skruv tdragen till ett moment p 82Nm r mycket hrt tdragen. Lgg din tyngd p sprrhaken eller skiftnyckeln och dra t skruven ordentligt, samtidigt som du hller fast kniven med en trkloss. Det r mycket svrt att dra t skruven fr mycket.
Important: Om du skriver ut det hr frn www.Toro.com ska du se till att utskriften r i full storlek och att avstndet
mellan A till B r 1 tum:
.
