| Underhållsintervall | Underhållsförfarande |
|---|---|
| Varje användning eller dagligen |
|
Maskinen är en åkgräsklippare med roterande knivar som är avsedd att användas av yrkesförare som har anlitats för kommersiellt arbete. Den är primärt konstruerad för att klippa gräs på väl underhållna parkgräsmattor, sportanläggningar och kommersiella anläggningar. Det är inte avsett för att klippa snår, gräs och annat längs med motorvägen eller för jordbruksändamål.
Läs den här informationen noga så att du lär dig att använda och underhålla produkten på rätt sätt och för att undvika person- och produktskador. Du är ansvarig för att produkten används på ett korrekt och säkert sätt.
Om du behöver utbildningsmaterial för säkerhet och drift, information om tillbehör, hjälp med att hitta en återförsäljare eller om du vill registrera din produkt kan du kontakta Toro via www.toro.com.
Kontakta en auktoriserad återförsäljare eller Toros kundservice och ha produktens modell- och artikelnummer till hands om du har behov av service, Toro-originaldelar eller ytterligare information. Figur 1 visar var på produkten modell- och serienumren sitter. Skriv numren i det tomma utrymmet.

I den här bruksanvisningen anges potentiella risker och alla säkerhetsmeddelanden har markerats med en varningssymbol (Figur 2), som anger fara som kan leda till allvarliga personskador eller dödsfall om föreskrifterna inte följs.

Två ord används också i den här bruksanvisningen för att markera information. Viktigt anger speciell teknisk information och Observera anger allmän information som bör ges särskild uppmärksamhet.
KALIFORNIEN
Proposition 65 Varning
Avgaserna från dieselmotorer och vissa avgaskomponenter innehåller ämnen som av den amerikanska delstaten Kalifornien anses orsaka cancer, fosterskador och andra fortplantningsskador.
I vissa regioner måste maskinens motor vara utrustad med en gnistsläckare på grund av lokala eller nationella bestämmelser. Därför finns det gnistsläckare som tillbehör. Kontakta en auktoriserad Toro-återförsäljare om du behöver en gnistsläckare.
Toros originalgnistsläckare har godkänts av USDA Forestry Service.
Important: Det är ett brott mot avsnitt 4442 i Kaliforniens Public Resource Code att använda eller köra motorn på skogs-, busk- eller grästäckt mark utan en gnistsläckare som är i fullgott skick, eller utan att motorn är begränsad, utrustad och underhållen för att förhindra brand. Andra stater eller federala områden kan ha liknande lagar.
De här maskinerna uppfyller eller överträffar specifikationerna i ANSI-standarden B71.4-2004 som gällde då maskinen tillverkades.
Felaktig användning eller felaktigt underhåll från förarens eller ägarens sida kan leda till personskador. För att minska risken för skador ska du alltid följa dessa säkerhetsanvisningar och uppmärksamma varningssymbolen. Symbolen betyder var försiktig, varning eller fara – anvisning för personsäkerhet. Om inte anvisningarna följs kan detta leda till personskador eller dödsfall.
De anvisningar som följer härrör från CEN-standarden EN 836:1997 och ANSI B71.4-2004.
Maskinen kan slita av händer och fötter och slunga omkring föremål. Följ alltid alla säkerhetsanvisningar för att förhindra allvarliga skador eller dödsfall.
Läs bruksanvisningen och annat utbildningsmaterial noga. Bekanta dig med reglagen och säkerhetsskyltarna och lär dig hur maskinen ska användas.
Låt aldrig barn eller personer som inte känner till anvisningarna köra gräsklipparen. Lokala föreskrifter kan begränsa förarens ålder.
Klipp aldrig om människor, särskilt barn, eller husdjur befinner sig i närheten.
Kom ihåg att föraren är ansvarig för olyckor och risker som andra människor och deras ägodelar utsätts för.
Skjutsa inte passagerare.
Alla förare måste få praktisk utbildning av en yrkesutbildad. Utbildningen ska särskilt framhålla:
vikten av omsorg och koncentration vid arbete med åkmaskiner
att man inte kan återfå kontrollen över en åkmaskin som glider på en slänt med hjälp av reglagehandtagen. Huvudanledningarna till att man förlorar kontrollen är:
otillräckligt däckgrepp, speciellt på vått gräs
för hög hastighet
otillräcklig inbromsning
att maskintypen är olämplig för uppgiften
dålig kännedom om markförhållandenas betydelse, särskilt i sluttningar
Felaktig lastfördelning.
Bär alltid långbyxor och kraftiga, halkfria skor. Kör inte maskinen barfota eller i sandaler.
Undersök noga det område där maskinen ska köras och avlägsna alla föremål som kan slungas omkring av maskinen.
Varning – bränsle är mycket brandfarligt.
Förvara bränsle i dunkar avsedda för ändamålet.
Fyll endast på maskinen med bensin utomhus och rök inte under påfyllning.
Fyll på bränsle innan du startar motorn. Ta aldrig av bränsletankens lock och fyll inte på bränsle medan motorn är igång eller när motorn är varm.
Om du spiller ut bränsle ska du inte försöka starta motorn utan flytta maskinen bort från spillet och undvika att skapa några gnistor tills bensinångorna har skingrats.
Sätt tillbaka locken på tankar och dunkar ordentligt.
Byt ut trasiga ljuddämpare.
Före körning bör du kontrollera att inga knivar, knivbultar eller klippaggregat är slitna eller skadade. Byt ut slitna eller skadade knivar och skruvar i satser så att balanseringen bibehålls.
Var uppmärksam, sänk farten och var försiktig när du svänger. Titta bakåt och åt sidan innan du ändrar körriktning.
Kör inte motorn i slutna utrymmen där farlig koloxid kan ansamlas.
Klipp endast i dagsljus eller i bra belysning.
Koppla ur klippaggregatet och lägg i neutralläget innan du startar motorn.
Kom ihåg att det inte finns några säkra sluttningar. Vid körning på grässlänter krävs särskild försiktighet. Undvik att välta genom att
inte starta och stanna tvärt vid körning i uppåt- och nedförslut
köra långsamt på sluttningar och vid snäva svängar
se upp för gupp, gropar och andra dolda faror.
Se upp för trafik när du kör nära vägar eller korsar vägar.
Stanna knivarnas rotation innan du korsar ytor som ej är gräsbevuxna.
Rikta aldrig utkastet mot kringstående när redskap anslutits och låt ingen komma i närheten av maskinen när den är igång.
Kör aldrig maskinen med skadade skydd eller skärmar eller om skyddsanordningarna inte sitter på plats.
Ändra inte inställningarna för motorns varvtalshållare och övervarva inte motorn. Om motorn körs vid för hög hastighet kan risken för personskador öka.
Gör följande innan du lämnar förarsätet:
Koppla ur kraftuttaget och sänk ned redskapen.
Lägg i neutralläget och dra åt parkeringsbromsen.
Stäng av motorn och ta ut nyckeln.
Koppla bort drivningen till redskapen, stanna motorn och ta ut tändningsnyckeln:
innan utkastaren rensas
före kontroll, rengöring och arbete på klipparen
om du har kört på något föremål. Kontrollera noga om gräsklipparen har skadats och reparera skadorna innan du startar och kör den igen,
om maskinen börjar vibrera onormalt (kontrollera omedelbart).
Kör inte gräsklipparen om du är påverkad av alkohol, läkemedel eller andra droger.
Blixtnedslag kan leda till allvarliga personskador eller dödsfall. Om det blixtrar eller åskar i området ska maskinen inte användas. Sök skydd.
Koppla bort redskapsdrivningen under transport och när maskinen inte används.
Stäng av motorn och koppla ur redskapsdrivningen innan du fyller på nytt bränsle.
Håll samtliga muttrar, bultar och skruvar åtdragna så att maskinen är i säkert bruksskick.
Förvara aldrig maskinen med bränsle i tanken i en byggnad där bensinångor kan antändas av en öppen låga eller gnista.
Låt motorn svalna innan maskinen ställs undan i ett slutet utrymme.
Håll motorn, ljuddämparen, batterifacket och förvaringsutrymmet för bränsle fria från gräs, löv eller överflödigt smörjmedel för att minska brandrisken.
Byt ut slitna och skadade delar så att maskinen är säker att använda.
Om bränsletanken måste tömmas ska detta göras utomhus.
Var försiktig vid hantering av klippare med flera knivar, eftersom en kniv som roteras manuellt kan få andra knivar att rotera med.
Sänk ned klippdäcket när maskinen ska parkeras, ställas undan eller lämnas utan uppsikt.
Nedan finns säkerhetsinformation som gäller specifikt för Toro-produkter samt annan säkerhetsinformation som du bör känna till och som inte täcks av CEN-standarden.
Motoravgaser innehåller koloxid som är ett luktfritt och dödligt gift. Kör inte motorn inomhus eller i ett slutet utrymme.
Håll händer, fötter, hår och löst sittande kläder borta från området kring utkastaren, klipparens undersida och alla rörliga delar när motorn är igång.
Rör inte de delar av utrustningen eller redskapen som kan vara heta efter att ha varit igång under arbetet. Låt dem svalna innan du försöker utföra underhåll, justering eller service.
Batterisyra är giftigt och kan orsaka brännskador. Undvik kontakt med hud, ögon och kläder. Skydda ansikte, ögon och kläder när du arbetar med ett batteri.
Maskinen är inte utformad eller utrustad för körning på allmän väg och är ett ”långsamtgående fordon”. Om du måste korsa eller köra på allmän väg bör du känna till och följa lokala föreskrifter, som t.ex. vilka lampor som krävs, skylt för långsamtgående fordon och reflexer.
Batterigaser kan explodera. Håll cigarretter, gnistor och eld borta från batteriet.
Använd endast originalreservdelar från Toro för att upprätthålla originalstandarden.
Använd endast redskap godkända av Toro. Garantin kan upphöra att gälla om redskap som ej har godkänts används.
Klipp inte nära stup, diken, branta flodbäddar eller vattendrag. Hjul som glider över en kant kan orsaka vältolyckor vilket kan resultera i allvarliga skador, dödsfall eller drunkning.
Klipp inte på sluttningar om gräset är blött. Hala förhållanden minskar drivkraften och kan orsaka slirning och förlust av kontrollen.
Gör inga plötsliga svängar eller hastighetsändringar.
Använd en motorgräsklippare och/eller en handtrimmer nära stup, diken, branta flodbäddar och vattendrag.
Minska hastigheten och var ytterst försiktig på sluttningar.
Ta bort eller märk ut hinder som t.ex. stenar och grenar i klippområdet. Det kan finnas dolda hinder i högt gräs.
Se upp för diken, hål, stenar, gropar och andra ojämnheter som ändrar drivvinkeln eftersom ojämn terräng kan få maskinen att välta.
Undvik plötsliga starter vid klippning i motlut eftersom klipparen kan välta bakåt.
Tänk på att drivkraften kan förloras vid klippning i nedförslutning. Om tyngdpunkten förskjuts till framhjulen kan det medföra att drivhjulen slirar och att det inte går att bromsa och styra.
Undvik alltid plötsliga starter och stopp på lutande underlag. Om däcken förlorar drivkraften kopplar du ur knivarna och fortsätter långsamt bort från sluttningen.
Följ tillverkarens rekommendationer för hjulvikter eller motvikter för att förbättra stabiliteten.
Var extra försiktig med redskap. Dessa kan ändra maskinens stabilitet och orsaka förlust av kontrollen.
Håll vältskyddet i upprätt låst läge och använd säkerhetsbältet när du kör maskinen.
Försäkra dig om att säkerhetsbältet snabbt kan lossas i en nödfallssituation.
Var medveten om att det inte finns något vältskydd när störtbågen är nere.
Kontrollera området som ska klippas och vik aldrig ned vältskyddet i närheten av sluttningar, stup eller vattendrag.
Fäll inte ner störtbågen om det inte är absolut nödvändigt. Använd inte säkerhetsbältet om störtbågen är nedfälld.
Se till att det finns tillräckligt utrymme ovanför dig innan du kör under föremål (t.ex. grenar, dörrar, elledningar) och vidrör dem inte.
Maskinens motor uppfyller kraven i EPA Tier 4 Final och stage 3b.

![]() |
Säkerhetsdekalerna och anvisningarna är fullt synliga för föraren och finns nära alla potentiella farozoner. Dekaler som har skadats eller ramlat bort ska bytas ut eller ersättas. |
























Fäll upp och fäst störtbågen innan du använder produkten; se Använda vältskyddet (störtbågen) för detaljerade anvisningar och mer information om vältskyddet.
Däcken levereras med förhöjt tryck. Lufta därför däcken en aning för att minska trycket. Rätt lufttryck är 1,24 bar i bakdäcken och 1,72 bar i svänghjulen.
Kontrollera hydraulvätskenivån innan du startar motorn; se Kontrollera hydraulsystemet.
Kontrollera oljenivån innan och efter att motorn startas. Se Kontrollera oljenivån i motorn.
Kontrollera kylsystemet innan du startar motorn. Se Kontrollera kylsystemet .

Bekanta dig med alla reglage innan du startar motorn och kör maskinen (Figur 4 och Figur 6).
Med rörelsereglagen styr du maskinens rörelse framåt och bakåt samt svänger den. Mer information finns i Köra maskinen.
Lägg i parkeringsbromsen för att undvika tillfällig maskinrörelse när motorn är avstängd. Lägg i parkeringsbromsen genom att dra spaken bakåt och uppåt (Figur 5). Släpp upp parkeringsbromsen genom att föra spaken framåt och nedåt.

Parkera inte traktorenheten i en sluttning.
Tändningslåset har tre lägen: Av, På/förvärmning och Start.

Med gasreglaget styr du motorns hastighet. För gasreglaget framåt mot det SNABBA läget om du vill öka motorhastigheten. För det bakåt mot det LåNGSAMMA läget om du vill sänka motorhastigheten. Gasreglaget reglerar knivarnas hastighet och, tillsammans med rörelsereglagen, maskinens hastighet. Kör alltid maskinen med gasreglaget i det SNABBA läget då du klipper gräs.
Med kraftuttagsbrytaren startar och stannar du klipparknivarna.
LCD-skärmen InfoCenter visar information om din maskin, t.ex. driftsstatus, diagnostik och övrig information om maskinen (Figur 7). InfoCenter har en startskärm och en huvudinformationsskärm. Du kan växla mellan startskärmen och huvudinformationsskärmen närsomhelst genom att trycka på någon av InfoCenter-knapparna och sedan välja lämplig riktningspil.

Vänster knapp, menyåtkomst-/tillbakaknapp – tryck på den här knappen för att öppna InfoCenter-menyerna. Du kan använda den för att gå ut ur menyn som du använder.
Mittenknapp – använd den här knappen för att bläddra nedåt i menyerna.
Högerknapp – använd den här knappen för att öppna en meny där en högerpil visar att det finns mer innehåll.
Note: Varje knapps funktion kan ändras beroende på vad tillfället kräver. Vid varje knapp visas en ikon som förklarar den aktuella funktionen.
| SERVICE DUE | Anger när schemalagd service bör utföras |
| RPM | Motorvarvtal/-status – visar motorns varvtal |
![]() | Timmätare |
![]() | Infoikon |
![]() | Stationär regenerering krävs |
![]() | Glödstiften har aktiverats |
![]() | Föraren måste sitta på stolen |
![]() | Parkeringsbromsindikator – anger när parkeringsbromsen är PÅ |
![]() | Kylvätsketemperatur – visar temperaturen på motorns kylvätska i antingen °C eller °F |
![]() | Temperatur (hög) |
![]() | Nekas eller ej tillåtet |
![]() | Motor, start |
![]() | Stopp eller avstängning |
![]() | Motor |
![]() | Tändningslås |
![]() | PIN-kod |
![]() | Hydrauloljans temperatur anger hydrauloljans temperatur |
![]() | CAN-buss |
![]() | InfoCenter |
![]() | Ogiltig eller misslyckad |
![]() | Lampa |
![]() | Utmatning från TEC-styrenheten eller styrkabel i kablage |
![]() | Högt: över det tillåtna området |
![]() | Lågt: under det tillåtna området |
/![]() | Utanför området |
![]() | Brytare |
![]() | Föraren måste frisläppa brytaren |
![]() | Föraren ska ändra till det angivna läget |
| Symbolerna kombineras ofta och skapar meningar. Vissa av exemplen visas nedan. | |
![]() | Motorstart nekad |
![]() | Motorn stängs av |
![]() | Motorns kylvätska är för varm |
![]() | Sitt ned eller lägg i parkeringsbromsen |
Tryck på menyåtkomstknappen i huvudskärmen för att få åtkomst till InfoCenters menysystem. Då kommer du till huvudmenyn. Se följande tabeller för en sammanfattning av vilka alternativ som finns tillgängliga från menyerna:
| Huvudmeny | |
| Menyobjekt | Beskrivning |
| Fel | Felmenyn innehåller en lista med de senaste maskinfelen som uppstått. Läs servicehandboken eller kontakta din auktoriserade Toro-återförsäljare för mer information om felmenyn och informationen som finns där. |
| Service | Servicemenyn innehåller information om maskinen som t.ex. antal brukstimmar och andra liknande siffror. |
| Inställningar | Med hjälp av inställningsmenyn kan du anpassa och ändra konfigurationsvariabler på InfoCenter-skärmen. |
| Om | I menyn Om står maskinens modellnummer, artikelnummer och programvaruversion. |
| Service | |
| Menyobjekt | Beskrivning |
| Hours | Anger det totala antal timmar som maskinen, motorn och fläkten har varit på samt antalet timmar som maskinen har transporterats och har överhettats. |
| Inställningar | |
| Menyobjekt | Beskrivning |
| Enheter | Styr enheterna som används på InfoCenter. Menyalternativen är brittiska standardenheter eller metriska |
| Språk | Styr språken som används på InfoCenter*. |
| Bakgrundsbelysning | Styr LCD-skärmens ljusstyrka. |
| Kontrast | Styr LCD-skärmens kontrast. |
| Låsta menyer | Med en PIN-kod kan en person som har godkänts av företaget få åtkomst till låsta menyer. |
* Endast text som är riktad mot föraren är översatt. Skärmarna Fel, Service och Diagnostik visas vid service. Rubrikerna visas på det valda språket men menyobjekten är på engelska.
| Om | |
| Menyobjekt | Beskrivning |
| Modell | Visar maskinens modellnummer. |
| Art.nr | Visar maskinens artikelnummer. |
| Maskinstyrenhetens versionsnummer | Visar versionsnumret för masterstyrenheten. |
| InfoCenter-versionsnummer | Visar versionsnumret för InfoCenter. |
| CAN-buss | Visar status för maskinens kommunikationsbuss. |
Det finns en inställning för driftskonfigurering som kan justeras på servicemenyn i InfoCenter: Regenereringsförfrågan. Denna inställning finns i den låsta menyn.
Note: Den fabriksinställda PIN-koden för maskinen är antingen 0000 eller 1234.Om du har ändrat PIN-koden och därefter glömt den nya koden kan du kontakta din Toro-auktoriserade återförsäljare för att få hjälp.
På HUVUDMENYN bläddrar du ned till INSTäLLNINGSMENYN med hjälp av mittknappen och trycker därefter på den högra knappen (Figur 8).

På INSTäLLNINGSMENYN bläddrar du ned till den LåSTA MENYN med hjälp av mittknappen och trycker därefter på den högra knappen (Figur 9A).

Ange PIN-koden genom att trycka på mittknappen tills rätt första siffra visas. Tryck sedan på högerknappen för att gå till nästa siffra (Figur 9B och Figur 9C). Upprepa detta steg tills den sista siffran har skrivits in och tryck på högerknappen igen.
Tryck på mittknappen för att ange PIN-koden (Figur 9D).
Vänta tills den röda indikatorlampan på InfoCenter tänds.
Note: Om InfoCenter bekräftar PIN-koden och den låsta menyn blir tillgänglig visas ordet ”PIN” i skärmens övre högra hörn.
Note: Spärra den låsta menyn genom att vrida tändningslåset till läget AV och sedan till läget På.
Du kan visa och ändra inställningarna i den låsta menyn. När du har fått åtkomst till den låsta menyn bläddrar du ned till alternativet Lås inställn. Tryck på högerknappen för att ändra inställningen. Om du ställer in Lås inställn. på AV kan du se och ändra inställningarna i den låsta menyn utan att ange PIN-koden. Om du ställer in Lås inställn. på På döljs de låsta alternativen och du måste ange PIN-koden för att ändra inställningarna i den låsta menyn. När du har angivit PIN-koden vrider du tändningslåset till läget AV och tillbaka till läget På för att aktivera och spara funktionen.
Note: Specifikationer och utformning kan ändras utan föregående meddelande.
| Längd | 254 cm |
| Bredd (bakhjul) | 198 cm |
| Höjd (när störtbågen är uppfälld) | 183 cm |
| Höjd (när störtbågen är nedfälld) | 122 cm |
| Vikt | 1 012 kg |
| Längd | 254 cm |
| Bredd (bakhjul) | 191 cm |
| Höjd (när störtbågen är uppfälld) | 183 cm |
| Höjd (när störtbågen är nedfälld) | 122 cm |
| Vikt, modell 30618 | 1 052 kg |
Det finns ett urval av godkända Toro-redskap och -tillbehör som du kan använda för att förbättra och utöka maskinens kapacitet. Kontakta en auktoriserad serviceverkstad eller återförsäljare eller gå till www.Toro.com för att se en lista över alla godkända redskap och tillbehör.
Note: Vänster och höger sida på maskinen är lika med förarens vänstra respektive högra sida vid normal körning.
Läs alla säkerhetsanvisningar och symboler i avsnittet om säkerhet noga. Att känna till den här informationen kan hjälpa dig och kringstående att undvika skador.
Körning på vått gräs eller i branta sluttningar kan orsaka slirning eller förlust av kontrollen.
Hjul som glider över en kant kan orsaka vältolyckor vilket kan resultera i allvarliga skador, dödsfall eller drunkning.
Det finns inget vältskydd när störtbågen är nedfälld.
Håll alltid störtbågen låst i helt upprätt läge och använd säkerhetsbältet.
Läs och följ anvisningarna och varningarna som rör vältning.
Följ anvisningarna nedan för att undvika att förlora kontrollen och välta klipparen.
Använd inte maskinen nära stup eller vattendrag.
Kör inte i backar vars lutning överstiger 20 grader.
Minska hastigheten och var ytterst försiktig vid arbete i sluttningar.
Undvik att svänga plötsligt eller snabbt ändra hastighet.
Denna maskin ger ljudnivåer som kan orsaka hörselskador vid längre arbetspass.
Använd hörselskydd när du kör denna maskin.
Vi rekommenderar att du använder skyddsglasögon, hörselskydd, handskar, skyddsskor och hjälm.

Bränsle är skadligt eller dödligt om det förtärs. Längre exponering för bränsleångor kan orsaka allvarliga skador och sjukdom.
Undvik att andas in bränsleångor under en längre tid.
Håll ansiktet borta från munstycket och bränsletanken eller stabilisatoröppningen.
Håll bränsle borta från ögon och hud.
Under vissa förhållanden är bränsle extremt brandfarligt och mycket explosivt. Brand eller explosion i bränsle kan orsaka brännskador och materiella skador.
Fyll tanken på en öppen plats, utomhus, när motorn är kall. Torka upp utspillt bränsle.
Fyll aldrig på bränsletanken i en sluten släpvagn.
Rök aldrig när du handskas med bensin och håll dig borta från öppen eld eller platser där bensinångor kan antändas av gnistor.
Förvara bränslet i en godkänd dunk och håll den utom räckhåll från barn. Köp aldrig mer bränsle än vad som går åt inom 180 dagar.
Kör inte maskinen utan att ha hela avgassystemet på plats och i gott fungerande skick.
Under vissa förhållanden kan statisk elektricitet frigöras vid tankning och orsaka gnistor som kan antända bensinångorna. Brand eller explosion i bränsle kan orsaka brännskador och materiella skador.
Ställ alltid bränsledunkar på marken en bit bort från ditt fordon före påfyllning.
Fyll inte på bränsledunkar inne i ett fordon eller på lastbilsflak eller släp, eftersom plastmattor och liknande kan isolera dunken och förlänga urladdningstiden för statisk elektricitet.
Lasta av maskinen från lastbilen eller släpet om så är praktiskt möjligt och fyll på bränsle när maskinen står på marken.
Fyll på maskinen från en dunk hellre än med munstycket på en bränslepump om det inte är möjligt att lasta av maskinen från lastbilen eller släpet.
Om tankning måste ske från bensinpump ska du hela tiden ha kontakt mellan munstycket på bensinpumpen och kanten på tank- eller dunköppningen tills tankningen är klar.
Important: Använd endast dieselbränsle med mycket låg svavelhalt. Bränsle med högre svavelhalt försämrar dieseloxideringskatalysatorn (DOC), vilket orsakar funktionsproblem och förkortar livslängden på motorkomponenterna.Underlåtenhet att följa nedanstående försiktighetsåtgärder kan skada motorn.
Använd aldrig fotogen eller bensin istället för dieselbränsle.
Blanda aldrig fotogen eller använd motorolja med dieselbränslet.
Förvara aldrig bränsle i behållare med zinkplätering på insidan.
Använd inte bränsletillsatser.
Cetantal: 45 eller högre
Svavelhalt: mycket låg svavelhalt (< 15 ppm)
| Specifikationer för dieselbränsle | Plats |
| ASTM D975 | USA |
| Nr 1-D S15 | |
| Nr 2-D S15 | |
| EN 590 | EU |
| ISO 8217 DMX | Internationell |
| JIS K2204 klass nr 2 | Japan |
| KSM-2610 | Korea |
Använd endast ren, färsk diesel eller biogasbränslen.
Köp inte mer bränsle än vad som går åt inom 180 dagar så att det garanterat är färskt.
Använd diesel för sommarbruk (nr 2-D) vid temperaturer över −7 °C och bränsle för vinterbruk (nr 1-D eller en blandning av nr 1-D/2-D) under −7 °C.
Note: Användning av bränsle för vinterbruk vid lägre temperaturer ger lägre flampunkts- och flytpunktsegenskaper, vilket gör att maskinen startar lättare och att inte bränslefiltret sätts igen i lika hög grad.Om diesel för sommarbruk används vid temperaturer över −7 °C bidrar det till att pumpen håller längre och har större effekt jämfört med bränsle för vinterbruk.
Maskinen kan också använda ett biodieselbränsle, upp till B20 (20 % biodiesel, 80 % petroleumdiesel).
Svavelhalt: mycket låg svavelhalt (< 15 ppm)
Specifikation för biodieselbränsle: ASTM D6751 eller SS-EN 14214
Specifikation för blandat bränsle: ASTM D975, SS-EN 590 eller JIS K2204
Important: Petroleumdieselandelens svavelhalt måste vara mycket låg.
Vidta följande säkerhetsåtgärder:
Biodieselblandningar kan skada målade ytor.
Använd B5 (andel biodiesel är 5 %) eller blandningar med mindre biodieselandel vid kallt väder.
Kontrollera tätningar, slangar, packningar som kommer i kontakt med bränsle, eftersom de kan försämras över tiden.
Vid byte till biodiesel kan bränslefiltret sättas igen efter en tid.
Kontakta din auktoriserade Toro-återförsäljare om du vill ha mer information om biodiesel.
43,5 liter
Important: Bränsletankarna är anslutna till varandra, men bränslet överförs inte fort från en tank till en annan. Det är viktig att du parkerar på en jämn yta när du ska fylla på bränsle. Om du parkerar på en kulle kanske du oavsiktligt fyller på för mycket i tankarna.
Important: Fyll inte på bränsletankarna för mycket.
Important: Öppna inte bränsletankarna då du står parkerad på en kulle. Du kan spilla ut bränsle.
Parkera maskinen på en plan yta.
Important: Bränsletankarna är anslutna till varandra, men bränslet överförs inte fort från en tank till en annan. Det är viktig att du parkerar på en jämn yta när du ska fylla på bränsle. Om du parkerar på en kulle kanske du oavsiktligt fyller på för mycket i tankarna.
Stäng av motorn och dra åt parkeringsbromsen.
Gör rent omkring tanklocken och ta bort dem.
Important: Öppna inte bränsletankarna då du står parkerad på en kulle. Du kan spilla ut bränsle.
Fyll bägge bränsletankarna med bränsle tills nivån ligger vid påfyllningsrörets nedersta del (Figur 11). Överfyll inte bränsletankarna.

Skruva på locken till bränsletankarna ordentligt. Torka upp eventuellt utspillt bränsle.
Note: Fyll om möjligt på tankarna varje gång maskinen har använts. Detta minskar eventuell ansamling av kondens i bränsletanken.
Innan du startar motorn och använder maskinen ska du kontrollera oljenivån i motorns vevhus. Se Serva motoroljan.
Innan du startar motorn och börjar använda maskinen bör du kontrollera kylsystemet; se Kontrollera kylsystemet .
Innan du startar motorn och börjar använda maskinen bör du kontrollera hydraulsystemet; se Kontrollera hydraulsystemet.
Undvik personskador och dödsfall p.g.a. vältning: håll störtbågen i upprätt låst läge och använd säkerhetsbältet.
Kontrollera att sätets bakre del är låst med sätesspärren.
Det finns inget vältskydd om störtbågen är nedfälld.
Fäll inte ned störtbågen om det inte är absolut nödvändigt.
Använd inte säkerhetsbältet om störtbågen är nedfälld.
Kör långsamt och försiktigt.
Fäll upp störtbågen så snart som det finns tillräckligt med utrymme.
Se till att det finns tillräckligt utrymme ovanför dig innan du kör under föremål (t.ex. grenar, dörrar, elledningar) och vidrör dem inte.
Important: Fäll inte ned störtbågen om det inte är absolut nödvändigt.
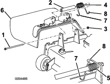
Fäll ned störtbågen genom att lossa hårnålssprintarna, föra störtbågen framåt mot fjädrarna och lossa de två tapparna (Figur 12).

Sänk ned störtbågen till nedfällt läge (Figur 13).

Montera de två tapparna och säkra dem med hårnålssprintarna (Figur 12).
Important: Kontrollera att sätets bakre del är låst med sätesspärren.
Fäll upp vältskyddet genom att lossa hårnålssprintarna och ta bort de två tapparna (Figur 12).
Fäll upp vältskyddet till upprätt läge, montera de två tapparna och fäst dem med hårnålssprintarna (Figur 12).
Important: Använd alltid säkerhetsbältet när störtbågen är i det uppfällda och låsta läget. Använd inte säkerhetsbälte när störtbågen är nedsänkt.
Dra alltid åt parkeringsbromsen när du stannar maskinen eller lämnar den utan uppsikt.
För rörelsereglagen till det NEUTRALA LåSLäGET (Figur 18).
För parkeringsbromsspaken bakåt och uppåt för att dra åt parkeringsbromsen (Figur 14).
Note: Parkeringsbromsspaken bör ligga stadigt i det inkopplade läget.

Parkeringsbromsen kanske inte kan hålla maskinen parkerad på lutande underlag. Detta kan orsaka personskador eller skador på egendom.
Parkera inte på sluttningar om inte hjulen är blockerade.
För parkeringsbromsspaken framåt och nedåt för att frigöra parkeringsbromsen (Figur 15).

Fäll upp störtbågen och lås den på plats, sätt dig i sätet och fäst säkerhetsbältet.
Kontrollera att rörelsereglagen är i det NEUTRALA LåSLäGET.
Dra åt parkeringsbromsen. Se Dra åt parkeringsbromsen.
För kraftuttagsbrytaren till det URKOPPLADE läget (Figur 16).

Vrid tändningsnyckeln medsols till KöRLäGET (Figur 17).

När glödstiftslampan släcks vrider du nyckeln till STARTLäGET. Släpp nyckeln när motorn startar.
Important: De startcykler du använder får inte överstiga 15 sekunder per minut, för då kan startmotorn överhettas.
Note: Ytterligare startcykler kan behövas när motorn startas för första gången efter att bränslesystemet har tömts helt.
Important: När motorn startas för första gången eller efter det att motorns olja har bytts ut eller motorn, transmissionen eller hjulmotorn har genomgått översyn, ska du köra framåt och backa med gasreglaget i det LåNGSAMMA läget i en eller två minuter. Prova också lyftspaken och kraftuttaget tills du är säker på att allting fungerar som det ska. Stäng sedan av motorn och kontrollera vätskenivåerna samt undersök om det finns några oljeläckor, lösa delar eller andra märkbara funktionsfel på maskinen.
Stäng av motorn och vänta tills samtliga rörliga delar stannar innan maskinen undersöks för oljeläckor, lösa delar eller andra problem.
Koppla ur kraftuttaget, för rörelsereglagespakarna till det NEUTRALA LåSLäGET, dra åt parkeringsbromsen och för gasreglaget till det LåNGSAMMA läget.
Vrid tändningsnyckeln till det AVSTäNGDA läget (Figur 17). Vänta tills alla rörliga delar har stannat innan du lämnar förarplatsen.
Ta ut nyckeln vid transport och förvaring.
Important: Kontrollera att du tagit ur nyckeln eftersom bränslepumpen eller redskapen annars kan gå igång och göra att batteriet laddas ur.
Barn eller kringstående kan skadas om de flyttar eller försöker köra traktorn när den är lämnad utan uppsikt.
Ta alltid ur tändningsnyckeln och dra åt parkeringsbromsen när du lämnar maskinen utan tillsyn, även om det bara är för några minuter.
Med gasreglaget styrs motorns varvtal mätt i rpm (varv per minut). Sätt gasreglaget i det SNABBA läget för bästa prestanda. Kör alltid med gasen i det SNABBA läget vid klippning.
Maskinen kan vända väldigt snabbt. Du kan förlora kontrollen över maskinen och orsaka personskador eller skador på maskinen.
Var försiktig i svängar.
Sakta ned innan du gör skarpa svängar.
Frigör parkeringsbromsen; se Frigör parkeringsbromsen.
Note: Motorn stängs av om rörelsereglagen flyttas när parkeringsbromsen är åtdragen.
För reglagen till mittläget, olåst läge.
Kör så här:
Om du vill köra framåt för du långsamt rörelsereglagen framåt (Figur 18).
Om du vill backa drar du försiktigt rörelsereglagen bakåt (Figur 18).
Sakta ned maskinen för att vända genom att dra båda reglagen bakåt och sedan föra spaken på motsatt sida som du vill svänga åt framåt (Figur 18).
Dra rörelsereglagespakarna till NEUTRALLäGET för att stanna.
Note: Ju längre du för rörelsereglagen i endera riktningen, desto snabbare kommer maskinen att förflytta sig i denna riktning.

Om du vill stanna maskinen flyttar du rörelsereglagen till det NEUTRALA LåSLäGET, kopplar ur kraftuttaget, för gasen till det LåNGSAMMA läget och stänger av motorn.
Ansätt parkeringsbromsen varje gång du lämnar maskinen, se Dra åt parkeringsbromsen. Glöm inte bort att ta ut nyckeln ur tändningslåset.
Barn eller kringstående kan skadas om de försöker flytta eller köra traktorn när den är lämnad utan uppsikt.
Ta alltid ur tändningsnyckeln och dra åt parkeringsbromsen när du lämnar maskinen utan tillsyn, även om det bara är för några minuter.
Med brytaren för däcklyft höjer och sänker du klippdäcket (Figur 19).
Note: Motorn måste vara igång för att du ska kunna använda denna spak.

Sänk gräsklippardäcket genom att föra däcklyftsbrytaren framåt (Figur 19).
Note: När du sänker klippdäcket sätts det i ett flytande/oanvänt läge.
Höj gräsklippardäcket genom att trycka däcklyftsbrytaren uppåt (Figur 19).
Important: Släpp brytaren när gräsklipparen är helt höjd eller sänkt. Annars skadas hydraulsystemet.
Note: Lås klippdäcket i höjt läge genom att höja däcket över läget 15 cm, lossa stopptappen för klipphöjd (se Justera klipphöjden) och sätta tappen i klipphöjdsläget 15 cm (Figur 43).
Med kraftuttagsbrytaren startar och stannar du klipparens knivar och vissa motordrivna redskap.
Låt maskinen värmas upp i 5–10 minuter om motorn är kall, innan du kopplar in kraftuttaget.
Släpp trycket på rörelsereglagen och lägg i neutralläget medan du sitter på sätet.
Dra upp kraftuttagsbrytaren för att koppla in den (Figur 20).

Tryck in kraftuttagsbrytaren för att STäNGA AV kraftuttaget.
Note: Att klippa gräs med en hastighet som utsätter motorn för belastning förbättrar DPF-regenereringen.
Flytta maskinen till arbetsområdet.
Sätt om möjligt motorhastighetsomkopplaren till hög tomgång.
Aktivera drivbrytaren.
Tryck gradvis gaspedalen framåt och kör långsamt maskinen över klippområdet.
Sänk klippenheterna när de främre klippenheterna befinner sig ovanför klippområdet.
Klipp gräset så att knivarna kan klippa och mata ut klippet med hög hastighet och samtidigt ge en god klippkvalitet.
Note: Om klipphastigheten är för hög kan klippkvaliteten försämras. Sänk maskinens körhastighet eller minska klippbredden för att återfå ett högt tomgångsvarvtal.
När klippenheterna sitter över kanten längst ut på klippområdet ska du höja klippenheterna.
Genomför en tårformad sväng för att snabbt komma i läge för nästa klippsträcka.
Dieselpartikelfiltret (DPF) ingår i avgassystemet. Katalysatorn för dieseloxidering i dieselpartikelfiltret minskar mängden skadliga gaser och tar bort sot från motorns avgasrör.
Dieselpartikelfiltrets regenereringsprocess använder värme från avgasröret till att förbränna sot som ansamlats på sotfiltret, vilket omvandlar sotet till aska och rensar kanalerna i sotfiltret så att filtrerade avgaser från motorn flödar ut ur dieselpartikelfiltret.
Motorns dator övervakar mängden sot genom att mäta baktrycket i dieselpartikelfiltret. Om baktrycket är för högt kan sotet inte förbrännas i sotfiltret då motorn går normalt. Tänk på följande för att hålla dieselpartikelfiltret fritt från sot:
Passiv regenerering förekommer kontinuerligt medan motorn är igång. Kör motorn på fullt motorvarvtal när det är möjligt för att främja DPF-regenerering.
Om baktrycket är för högt talar motorns dator om via InfoCenter när ytterligare processer (stöd- och återställningsregenerering) är igång.
Låt processen för stöd- och återställningsregenerering slutföras innan du stänger av motorn.
Använd och underhåll maskinen med dieselpartikelfiltrets funktioner i åtanke. Motorbelastning på tomgång med högt motorvarvtal producerar i allmänhet tillräcklig avgastemperatur för DPF-regenereringen.
Important: Minimera tiden som motorn går på tomgång eller kör motorn på ett lägre varvtal för att minska ansamlingen av sot i sotfiltret.
Avgastemperaturen är mycket hög (ca 600 °C) under den parkerade regenereringen eller återställningsregenereringen av dieselpartikelfiltret. Heta avgaser kan skada dig eller andra människor.
Kör aldrig motorn i ett slutet utrymme.
Se till att det inte finns något brännbart material runt avgassystemet.
Rör aldrig vid en het avgassystemskomponent.
Stå aldrig vid eller i närheten av maskinens avgasrör.
Med tiden samlas sot i dieselpartikelfiltrets sotfilter. Motorns dator övervakar sotnivån i dieselpartikelfiltret.
När tillräckligt med sot har ansamlats meddelar datorn dig att det är dags att regenerera dieselpartikelfiltret.
DPF-regenerering är en process som värmer upp dieselpartikelfiltret, vilket omvandlar sotet till aska.
Förutom att ge varningsmeddelanden minskar datorn även motorns effekt vid olika nivåer av sotansamling.
| Indikeringsnivå | Felkod | Motoreffekt | Rekommenderad åtgärd |
| Nivå 1: Motorvarning |
![]() | Datorn minskar motoreffekten till 85 % | Utför en parkerad regenerering så snart som möjligt. Se Parkerad regenerering. |
| Nivå 2: Motorvarning |
![]() | Datorn minskar motoreffekten till 50 % | Utför en återställningsregenerering så snart som möjligt. Se Återställningsregenerering. |
Lättare aska töms ut genom avgassystemet. Tyngre aska ansamlas i sotfiltret.
Aska är en biprodukt av regenereringsprocessen. Med tiden ansamlas aska i dieselpartikelfiltret, som inte töms ut genom motorns avgasrör.
Motorns dator beräknar mängden aska som har ansamlats i dieselpartikelfiltret.
När tillräckligt med aska ansamlats skickar motorns dator information till InfoCenter i form av ett systemmeddelande eller motorfel för att ange ansamling av aska i dieselpartikelfiltret.
Systemmeddelandet och felen är tecken på att dieselpartikelfiltret behöver servas.
Förutom att ge varningsmeddelanden minskar datorn även motorns effekt vid olika nivåer av askansamling.
| Indikeringsnivå | Meddelande eller felkod | Minskning av motorvarvtal | Motoreffekt | Rekommenderad åtgärd |
|---|---|---|---|---|
| Nivå 1: Systemmeddelande |
![]() | Ingen | 100 % | Meddela serviceavdelningen att meddelande nr 179 visas i InfoCenter. |
| Nivå 2: Motorvarning |
![]() | Ingen | Datorn minskar motoreffekten till 85 % | Utför service på dieselpartikelfiltret. Se Serva dieseloxideringskatalysatorn (DOC) och sotfiltret |
| Nivå 3: Motorvarning |
![]() | Ingen | Datorn minskar motoreffekten till 50 % | Utför service på dieselpartikelfiltret. Se Serva dieseloxideringskatalysatorn (DOC) och sotfiltret |
| Nivå 4: Motorvarning |
![]() | Motorvarvtal vid högsta åtdragning + 200 varv/minut | Datorn minskar motoreffekten till 50 % | Utför service på dieselpartikelfiltret. Se Serva dieseloxideringskatalysatorn (DOC) och sotfiltret |
| Typ av regenerering | Förutsättningar för DPF-regenerering | Beskrivning av DPF-drift |
|---|---|---|
| Passiv | Inträffar under normal användning av maskinen vid högt motorvarvtal eller hög motorbelastning | InfoCenter visar inte en symbol som anger passiv regenerering. |
| Under passiv regenerering utsänder dieselpartikelfiltret mycket varma avgaser, oxiderar skadliga utsläpp och bränner sot till aska. | ||
| Se Passiv DPF-regenerering. | ||
| Stöd | Inträffar som ett resultat av lågt motorvarvtal, låg motorbelastning eller när datorn upptäcker baktryck i dieselpartikelfiltret | När symbolen för stöd-/återställningsregenerering
( ) visas
i InfoCenter pågår en stödregenerering. |
| Under stödregenerering styr datorn insugningsreglaget för att öka avgastemperaturen, vilket aktiverar stödregenereringen. | ||
| Se DPF-stödregenerering. | ||
| Återställning | Inträffar endast efter stödregenereringen om datorn upptäcker att stödregenereringen inte minskade sotnivån tillräckligt | När symbolen för stöd-/återställningsregenerering
( ) visas
i InfoCenter pågår en regenerering. |
| Det sker även var 100:e timme för att återställa de grundläggande sensoravläsningarna | ||
| Under återställningsregenereringar styr datorn insugningsreglage och bränsleinsprutare för att öka avgastemperaturen under regenereringen. | ||
| Se Återställningsregenerering. |
| Typ av regenerering | Förutsättningar för DPF-regenerering | Beskrivning av DPF-drift |
|---|---|---|
| Parkerad | Sot ansamlas till följd av långvarig drift vid låga motorvarvtal eller låg motorbelastning. Detta kan också inträffa som följd av felaktig användning av bränsle eller olja | När symbolen för parkerad
regenerering ( ) visas i InfoCenter har en regenerering begärts. |
| Datorn upptäcker baktryck på grund av att sot har ansamlats och begär en parkerad regenerering | ||
| • Genomför en parkerad regenerering så snart som möjligt så att du slipper behöva genomföra en återställningsregenerering. | ||
| • En parkerad regenerering tar 30–60 minuter. | ||
| • Tanken måste vara minst ¼ full. | ||
| • Du måste parkera maskinen för att kunna genomföra en återställningsregenerering. | ||
| Se Parkerad regenerering. | ||
| Återställning | Inträffar om du har ignorerat begäran om parkerad regenerering och fortsatt köra enheten, vilket orsakar en ännu större ansamling av sot när dieselpartikelfiltret redan är i behov av en parkerad regenerering | När symbolen för återställningsregenerering
( ) visas
i InfoCenter har en återställningsregenerering begärts. |
| Kontakta en auktoriserad Toro-återförsäljare för att få hjälp av en servicetekniker, som utför återställningsregenereringen. | ||
| • En återställningsregenerering tar upp till fyra timmar att slutföra. | ||
| • Tanken måste vara minst halvfull. | ||
| • Du måste parkera maskinen för att kunna genomföra en återställningsregenerering. | ||
| Se Återställningsregenerering. |
Passiv regenerering genomförs som en del av motorns vanliga drift.
När du använder maskinen ska du köra motorn på fullt motorvarvtal så ofta du kan för att främja DPF-regenereringen.

Symbolen för stöd-/återställningsregenerering visas i InfoCenter (Figur 27).
Datorn övertar kontrollen av insugsreglaget för att höja temperaturen på motorns avgaser.
När du använder maskinen ska du köra motorn på fullt motorvarvtal så ofta du kan för att främja DPF-regenerering.
Symbolen
visas i InfoCenter medan stödregenereringen
pågår.
Om möjligt, stäng inte av motorn eller minska motorns varvtal medan stödregenereringen pågår.
Important: Låt maskinen slutföra stödregenereringsprocessen innan du stänger av motorn.
Note: Stödregenereringen är slutförd när symbolen
försvinner från
InfoCenter.

Symbolen för stöd-/återställningsregenerering visas i InfoCenter (Figur 28).
Datorn övertar kontrollen av insugsreglaget och ändrar processen för bränsleinsprutning för att höja temperaturen på motorns avgaser.
Important: Symbolen för stöd-/återställningsregenerering visar att maskinens avgastemperatur kan vara varmare än under regelbunden drift.
När du använder maskinen ska du köra motorn på fullt motorvarvtal så ofta du kan för att främja DPF-regenerering.
Symbolen
visas i InfoCenter medan återställningsregenereringen
pågår.
Om möjligt, stäng inte av motorn eller minska motorns varvtal medan återställningsregenereringen pågår.
Important: Låt maskinen slutföra återställningsregenereringsprocessen innan du stänger av motorn.
Note: Återställningsregenereringen är slutförd
när symbolen
försvinner från InfoCenter.

Symbolen för begäran om parkerad regenerering visas i InfoCenter (Figur 29).
Om en parkerad regenerering krävs visar InfoCenter motorvarning SPN 3719, FMI 16 (Figur 30) och motorns dator minskar motoreffekten till 85 %.

Important: Om du inte genomför en parkerad regenerering inom två timmar minskar motorns dator motoreffekten till 50 %.
En parkerad regenerering tar 30–60 minuter.
Om du är auktoriserad av ditt företag måste du ange PIN-koden för att genomföra en parkerad regenerering.
Kontrollera att maskinens tank är minst ¼ full.
Flytta maskinen utomhus till ett område utan brandfarligt material.
Ställ maskinen på ett plant underlag.
Kontrollera att gaspedalerna eller rörelsereglagespakarna är i NEUTRALLäGET.
Sänk ned klippenheterna och stäng av dem (om tillämpligt).
Koppla in parkeringsbromsen.
Ställ in gasreglaget på LåG TOMGåNG.
Note: Anvisningar om hur du låser upp låsta menyer finns i avsnittet Åtkomst till låsta menyer.
Gå till den låsta menyn och lås upp undermenyn med låsta inställningar (Figur 31). Se Åtkomst till låsta menyer.

Gå till HUVUDMENYN, tryck på mittknappen för att bläddra ned till SERVICEMENYN och tryck sedan på högerknappen för att välja alternativet SERVICE (Figur 32).
Note: PIN-symbolen bör nu visas i skärmens övre högra hörn i InfoCenter.

I SERVICEMENYN ska du trycka på mittknappen tills alternativet DPF REGENERATION (DPF-regenerering) visas, och sedan trycker du på högerknappen för att välja alternativet DPF REGENERATION (DPF-regenerering) (Figur 33).

När ”Initiate DPF Regen. Are you sure?” (”Påbörja DPF-regen. Är du säker?”) visas trycker du på mittknappen (Figur 34).

Om kylvätsketemperaturen understiger 60 °C visas meddelandet
”Insure
is running and above 60C/140F” (”Kontrollera att är
igång och är över 60 °C”) (Figur 35).
Övervaka temperaturen på displayen och kör motorn på full gas tills temperaturen når 60 °C, och tryck därefter på mittknappen.
Note: Om kylvätsketemperaturen överstiger 60 °C hoppas denna skärm över.

För gasreglaget till LåG TOMGåNG och tryck på mittknappen (Figur 36).

Följande meddelanden visas när den parkerade regenereringen inleds:
Meddelandet ”Initiating DPF Regen.” (”Startar DPF-regen.”) visas (Figur 37).

Meddelandet ”Waiting on
” (”Väntar
på ”) visas (Figur 38).

Datorn känner av huruvida regenereringen pågår. Ett av följande meddelanden visas i InfoCenter:
Om regenereringen är tillåten visas meddelandet ”Regen Initiated. Allow up to 30 minutes for completion” (”Regen. har startats. Det kan ta upp till 30 minuter innan den är klar”) i InfoCenter. Vänta tills den parkerade regenereringsprocessen har slutförts (Figur 39).

Om regenereringsprocessen inte tillåts av motorns dator visas meddelandet ”DPF Regen Not Allowed” (”DPF-regen. tillåts inte”) i InfoCenter (Figur 40). Tryck på vänsterknappen för att gå tillbaka till huvudskärmen.
Important: Om inte alla krav för regenereringen uppfylls, eller om mindre än 50 timmar har gått sedan den senaste regenereringen, visas meddelandet ”DPF Regen Not Allowed” (”DPF-regen. tillåts inte”).

När regenereringen är igång återgår InfoCenter till startskärmen och visar följande symboler:
![]() | Motorn är kall – vänta. | |
![]() | Motorn är varm – vänta. | |
![]() | Motorn varm – regenerering pågår (procentandel slutförd). |
Den parkerade regenereringen är genomförd när meddelandet ”Regen Complete” (”Regen. slutförd”) visas på InfoCenter. Tryck på vänsterknappen för att gå tillbaka till huvudskärmen (Figur 41).

Om du ignorerar begäran om en parkerad regenerering (visas i InfoCenter) och fortsätter att använda maskinen kan en kritisk mängd sot byggs upp i dieselpartikelfiltret.
Om en återställningsregenerering krävs visar InfoCenter motorvarning SPN 3719, FMI 16 (Figur 42) och motorns dator minskar motoreffekten till 85 %.

Important: Om du inte genomför en återställningsregenerering inom 15 minuter sänker motorns dator motoreffekten till 50 %.
Utför en återställningsregenerering när ett motorstopp inträffar och en parkerad regenerering inte effektivt kan rengöra dieselpartikelfiltret från sot.
En återställningsregenerering tar upp till fyra timmar att slutföra.
En tekniker från en återförsäljare måste utföra återställningsregenereringen. Kontakta en auktoriserad Toro-distributör.
Klipphöjden kan justeras från 2,5 till 15,8 cm i steg om 6 mm genom att stopptappen flyttas till olika hål.
För tillbaka brytaren för däcklyft medan motorn är igång tills klippdäcket är helt upphöjt och släpp omedelbart brytaren (Figur 19).
Justera klipphöjden genom att rotera stopptappen tills rulltappen inuti är i linje med springorna i hålen i klipphöjdsfästet och ta bort den (Figur 43).
Sätt i tappen i det hål i klipphöjdsfästet som motsvarar den önskade klipphöjden och rotera tappen för att låsa den på plats (Figur 43).
Note: Det finns fyra rader med hål (Figur 43). Den översta raden ger den klipphöjd som visas ovanför tappen. Den andra raden ger angiven höjd plus 6 mm. Den tredje raden ger angiven höjd plus 12 mm. Den nedersta raden ger angiven höjd plus 18 mm. För läget 15,8 cm finns bara ett hål, på den andra raden. Här läggs inte 6 mm till 15,8 cm-läget.

Justera antiskalvalsarna och medarna om det behövs.
Montera medarna i det nedre läget när du klipper i klipphöjder som är högre än 64 mm och i det övre läget när du klipper i klipphöjder som är lägre än 64 mm.
Note: När medarna har slitits ned på Guardian®-klippare kan du byta sida på medarna och vända på dem. På så sätt kan du använda medarna längre innan du byter ut dem.
Koppla ur kraftuttaget, för rörelsereglagen till det NEUTRALA LåSLäGET och dra åt parkeringsbromsen.
För gasreglaget till det LåNGSAMMA läget, stanna motorn, ta ut nyckeln och vänta tills alla rörliga delar har stannat innan du lämnar förarsätet.
Lossa skruven längst fram på varje med (två medar på Guardian-däck och en med på sidoutkastardäck) enligt Figur 44.

Lossa flänsskruvarna och muttrarna från medarna.
Flytta medarna till önskat läge och fäst dem med flänsskruvarna och muttrarna.
Note: Använd endast de övre hålen eller mittenhålen för att justera medarna. De nedersta hålen används när du byter sida på ett Guardian-klippdäck, då de blir de översta hålen på den andra sidan av klipparen.
Dra åt skruven längst fram på varje med till ett moment på 9–11 N·m.
Varje gång du ändrar klipphöjd bör du även justera de bakre antiskalrullarnas höjdinställning.
Koppla ur kraftuttaget, för rörelsereglagen till det NEUTRALA LåSLäGET och dra åt parkeringsbromsen.
För gasreglaget till det LåNGSAMMA läget, stanna motorn, ta ur nyckeln och vänta tills alla rörliga delar har stannat innan du lämnar förarsätet.
När du har ställt in klipphöjden ska du justera valsarna genom att ta bort flänsmuttern, bussningen, distansbrickan och bulten (Figur 45).

Välj ett hål så att antiskalvalsen befinner sig så nära den önskade klipphöjden som möjligt (Figur 46).

Montera flänsmuttern, bussningen, distansbrickan och bulten (Figur 45).
Note: Dra åt till ett moment på 54–61 Nm.
Montera valsarna i det nedre läget när du klipper i klipphöjder som är högre än 64 mm och i det övre läget när du klipper i klipphöjder som är lägre än 64 mm.
Koppla ur kraftuttaget, för rörelsereglagen till det NEUTRALA LåSLäGET och dra åt parkeringsbromsen.
För gasreglaget till det LåNGSAMMA läget, stanna motorn, ta ut nyckeln och vänta tills alla rörliga delar har stannat innan du lämnar förarsätet.
Lyft upp maskinens framdel och stöd den med domkrafter.
Lossa de fästelement som fäster valsarna på klippdäcket och flytta valsarna uppåt eller nedåt så som önskas; se Figur 47 t.o.m. Figur 51, det avsnitt som är tillämpligt för din klippare.





Om säkerhetsbrytarna är frånkopplade eller skadade kan maskinen plötsligt gå igång, vilket i sin tur kan leda till personskador.
Gör inga otillåtna ändringar på säkerhetsbrytarna.
Kontrollera säkerhetsbrytarnas funktion dagligen och byt ut eventuella skadade brytare innan du kör maskinen.
Säkerhetssystemet är konstruerat så att motorn inte kan startas om inte
Du sitter på sätet eller parkeringsbromsen ligger i
Kraftuttaget är urkopplat
Rörelsereglagen är i det NEUTRALA LåSLäGET
Motortemperaturen är under maximal driftstemperatur.
Säkerhetssystemet är även konstruerat till att stanna motorn när rörelsereglagen förs från det NEUTRALA LåSLäGET med parkeringsbromsen åtdragen. Om du reser dig upp från sätet när kraftuttaget är inkopplat stannar motorn efter en sekunds fördröjning.
| Underhållsintervall | Underhållsförfarande |
|---|---|
| Varje användning eller dagligen |
|
Testa säkerhetssystemet före varje användningstillfälle. Låt en auktoriserad serviceverkstad reparera systemet omedelbart om det inte fungerar enligt nedanstående beskrivning.
Sitt på sätet, lägg i parkeringsbromsen och sätt kraftuttaget i det påslagna läget. Prova sedan att starta motorn.
Note: Motorn ska inte gå runt.
Sitt på sätet, lägg i parkeringsbromsen och sätt kraftuttaget i det avslagna läget. För något av rörelsereglagen från det NEUTRALA LåSLäGET och prova sedan att starta motorn.
Note: Motorn ska inte gå runt. Upprepa samma sak med det andra reglaget.
Sitt på sätet, lägg i parkeringsbromsen, sätt kraftuttaget i det avslagna läget, för rörelsereglagen till det NEUTRALA LåSLäGET och starta motorn. Släpp upp parkeringsbromsen, koppla in kraftuttaget och res dig något från sätet medan motorn är igång.
Note: Motorn bör stanna inom två sekunder.
Lägg i parkeringsbromsen, sätt kraftuttaget i det avslagna läget, för rörelsereglagen till det NEUTRALA LåSLäGET och starta motorn utan att någon sitter på sätet. För ett av rörelsereglagen mot mitten medan motorn är igång.
Note: Motorn bör stanna inom två sekunder. Gör likadant med det andra rörelsereglaget.
Lossa parkeringsbromsen, sätt kraftuttaget i det avslagna läget, för rörelsereglagen till det NEUTRALA LåSLäGET och starta motorn utan att någon sitter på sätet.
Note: Motorn ska inte gå runt.
Maskinen är utrustad med övervakningssystemet SCM (Standard Control Module) som övervakar olika funktioner i huvudsystemen. SCM-modulen är placerad under den högra kontrollpanelen. Du når den via sidopanelkåpan (Figur 52). Öppna sidopanelkåpan genom att lossa de två hakarna och dra utåt.

På SCM-modulens framsida finns 11 lampor som lyser på olika sätt för att visa på olika systemförhållanden. Du kan använda sju av dessa lampor för systemdiagnos. Se Figur 53 för en beskrivning av vad alla lampor betyder. Mer information om hur du använder övriga SCM-funktioner finns i servicehandboken som du kan få via din auktoriserade Toro-återförsäljare.

Sätet kan flyttas framåt och bakåt. Ställ in sätet så att du har bäst kontroll över maskinen och sitter bekvämt.
För spaken i sidled för att låsa upp sätet och justera det (Figur 54).

Flytta sätet till önskat läge och släpp spaken för att låsa sätet på plats.
Kontrollera att sätet sitter på plats genom att försöka röra det fram och tillbaka.
Du kan ställa in sätet så att körningen blir mjuk och bekväm. Ställ in sätet i det läge som du tycker är mest bekvämt.
Justera genom att vrida ratten framför i endera riktningen när du inte sitter på sätet för att uppnå bästa bekvämlighet (Figur 54).

Du kan ställa in sätets ryggstöd så att du sitter bekvämt. Ställ in sätets ryggstöd i det läge som du tycker är mest bekvämt.
Justera genom att vrida ratten under det högra armstödet i endera riktningen för att uppnå bästa bekvämlighet (Figur 54).
Du kan justera sätets ryggstöd för att anpassa korsryggsstödet efter din rygg.
Justera genom att vrida vredet under det vänstra armstödet i endera riktningen för att uppnå bästa bekvämlighet (Figur 54).
För att komma åt hydraulsystemet och andra system under sätet måste du lossa sätet och fälla det framåt.
Använd sätesjusteringsspaken för att skjuta sätet så långt fram som möjligt.
Dra sätesspärren framåt och lyft uppåt för att lossa sätet (Figur 56).

Important: Bogsera aldrig maskinen eftersom hydrauliken då kan skadas.
Koppla ur kraftuttaget (PTO) och vrid tändningsnyckeln till det avstängda läget. För reglagen till det NEUTRALA LåSLäGET och dra åt parkeringsbromsen. Ta ur nyckeln.
Lyft sätet.
Rotera alla överströmningsventiler ett varv motsols (Figur 57).
Note: Hydrauloljan kan då passera förbi pumpen så att hjulen kan rotera.
Important: Vrid inte överströmningsventilerna mer än ett varv. Detta förhindrar att ventilerna kommer ut ur huset varvid vätskan kan rinna ut.

Frigör parkeringsbromsen innan du skjuter på maskinen.
Rotera varje överströmningsventil ett varv medsols och dra åt dem manuellt (till ett vridmoment på cirka 8 Nm).
Note: Dra inte åt överströmningsventilerna för hårt.
Maskinen går inte att köra förrän överströmningsventilerna har vridits inåt.
Var ytterst försiktig när du lastar maskiner på lastbilar eller släp. Använd en fullbreddsramp som är tillräckligt bred för att gå utanför bakdäcken, i stället för separata ramper för varje sida av maskinen (Figur 58). Traktorramens nedre, bakre del sträcker sig bakåt mellan bakhjulen och fungerar som ett stopp vid tippning bakåt. En fullbreddsramp ger en yta som ramen kan gå emot om maskinen börjar tippa bakåt. Om det inte är möjligt att använda en fullbreddsramp ska tillräckligt många enkelramper användas för att simulera en fullbreddsramp.
Rampen ska vara tillräckligt lång så att lutningsvinklarna inte överstiger 15 grader (Figur 58). En brantare vinkel kan medföra att vissa gräsklipparkomponenter fastnar när maskinen flyttas från rampen till släpet eller lastbilen. Brantare lutningar kan också medföra att maskinen tippar bakåt. Vid lastning på eller i närheten av en sluttning ska släpet eller lastbilen placeras så att det/den riktas nedför sluttningen, och så att rampen är riktad uppför. På så vis minimeras rampens lutningsvinkel. Släpet eller lastbilen ska stå så plant som möjligt.
Important: Försök inte svänga gräsklipparen medan den är på rampen; du kan förlora kontrollen och köra av rampens sida.
Undvik plötslig acceleration vid körning uppför en ramp, och gör heller inga häftiga inbromsningar medan du backar nedför en ramp. Båda dessa manövrer kan få maskinen att tippa bakåt.
Om man lastar på en maskin på ett släp eller en lastbil ökar risken för att den ska välta bakåt, vilket kan orsaka allvarliga personskador eller dödsfall.
Var särskilt försiktig vid körning på en ramp.
Använd endast en enda fullbreddsramp; använd inte en ramp för varje sida av maskinen.
Om det är nödvändigt att använda åtskilda ramper måste tillräckligt många ramper användas så att man får en hel yta som är bredare än hela maskinen.
Låt inte lutningsvinkeln mellan rampen och marken, eller mellan rampen och släpet eller lastbilen, vara större än 15 grader.
Undvik plötslig acceleration vid körning uppför rampen – maskinen kan annars välta bakåt.
Undvik plötslig inbromsning vid backning nedför en ramp – maskinen kan annars välta bakåt.

Det är farligt att köra på gator eller vägar utan blinkers, strålkastare och reflexer, eller utan en skylt med ”långsamtgående fordon”, och det kan orsaka olyckor med personskador som följd.
Kör aldrig maskinen på allmän väg utan de skyltar, lampor och/eller markeringar som krävs enligt lokala föreskrifter.
Använd en släpvagn eller lastbil för tung last för att transportera maskinen. Se till att alla lampor och markeringar som krävs enligt lag finns på släpvagnen eller lastbilen. Läs alla säkerhetsanvisningarna noga. Att känna till informationen kan hjälpa dig och kringstående att undvika skada.
Gör så här för att transportera maskinen:
Se till att fordonet, dragkroken, säkerhetskedjorna och släpet passar för den last du drar och att de uppfyller alla lokala trafikföreskrifter där du är.
Lås bromsen och blockera hjulen.
Fäst maskinen ordentlig till släpet eller lastbilen med remmar, kedjor, kablar eller rep så som krävs enligt lokala trafikföreskrifter där du är (Figur 59).

Kör med motorn i det SNABBA gasläget och anpassa hastigheten efter omgivningen för att erhålla tillräcklig kraft till maskinen och däcket medan du klipper. En bra regel att följa är: sänk hastigheten allteftersom belastningen på klippbladen ökar och öka hastigheten allteftersom belastningen minskar.
Växla klippriktningen för att undvika att göra hjulspår i gräset över tiden. Det underlättar också fördelningen av det klippta gräset vilket förbättrar nedbrytning och gödning.
Kör saktare för att få ett bättre klippresultat i vissa omgivningar.
Höj klipphöjden om klipparens klippbredd är bredare än den du använt tidigare, så att en ojämn gräsmatta inte klipps för kort.
Klipp av cirka 25 mm eller högst 1/3 av grässtrået. Om du klipper ovanligt frodigt och tätt gräs kan du behöva sänka farten och/eller höja klipphöjdsinställningen ytterligare ett steg.
Important: Om du klipper mer än 1/3 av grässtrået, klipper långt och glest gräs eller arbetar i torra förhållanden rekommenderar vi att du använder knivar med plant segel för att minska mängden luftburet skräp samt belastningen på däckdrivningskomponenterna.
Klipp med en högre klipphöjdsinställning än vanligt om gräset tillåts växa högre än normalt eller om det är väldigt fuktigt. Klipp sedan på nytt med den normala, lägre inställningen.
Rensa bort gräsklipp och smuts från undersidan av klipparen efter varje klippning. Om gräs och smuts ansamlas inuti klipparen blir klippresultatet till slut inte tillfredsställande.
Håll motorn, ljuddämparen, batterifacket, parkeringsbromsen, klippenheterna och förvaringsutrymmet för bränsle fria från gräs, löv och överflödigt smörjmedel för att minska brandrisken. Torka upp eventuellt olje- eller bränslespill.
Se till att hålla kniven vass under klippsäsongen, eftersom en vass kniv klipper rent utan att slita och rycka av grässtråna. Om gräset slits och rycks av gulnar det i ändarna, vilket minskar tillväxten och ökar risken för sjukdomar. Kontrollera knivarna varje dag för att se till att de inte är slöa, slitna eller skadade. Slipa knivarna om så behövs. Om en kniv är skadad eller sliten ska den bytas ut omedelbart mot en originalkniv från Toro. Se Serva knivarna.
Note: Vänster och höger sida på maskinen är lika med förarens vänstra respektive högra sida vid normal körning.
| Underhållsintervall | Underhållsförfarande |
|---|---|
| Efter de första 10 timmarna |
|
| Efter de första 50 timmarna |
|
| Efter de första 200 timmarna |
|
| Varje användning eller dagligen |
|
| Var 50:e timme |
|
| Var 100:e timme |
|
| Var 150:e timme |
|
| Var 200:e timme |
|
| Var 250:e timme |
|
| Var 400:e timme |
|
| Var 800:e timme |
|
| Var 1500:e timme |
|
| Var 6000:e timme |
|
| Vartannat år |
|
Important: Mer information om underhållsförfaranden finns i bruksanvisningen till motorn. Du kan också köpa en utförlig servicehandbok hos din auktoriserade Toro-återförsäljare.
Kopiera sidan och använd den regelbundet.
| Kontrollpunkt | Vecka: | ||||||
|---|---|---|---|---|---|---|---|
| Mån. | Tis. | Ons. | Tors. | Fre. | Lör. | Sön. | |
| Kontrollera att säkerhetssystemet fungerar | |||||||
| Kontrollera gräsriktaren i nedfällt läge (om tillämpligt) | |||||||
| Kontrollera att parkeringsbromsen fungerar | |||||||
| Kontrollera bränslenivån | |||||||
| Kontrollera hydrauloljenivån | |||||||
| Kontrollera oljenivån i motorn | |||||||
| Kontrollera vätskenivån i kylsystemet | |||||||
| Kontrollera vatten/bränsleseparator | |||||||
| Kontrollera luftfiltrets igensättningsindikator3 | |||||||
| Kontrollera om det finns skräp i kylaren eller filtret | |||||||
| Kontrollera ovanliga motorljud1 | |||||||
| Kontrollera ovanliga driftljud | |||||||
| Kontrollera om det finns skador på hydraulslangarna | |||||||
| Kontrollera eventuella vätskeläckor | |||||||
| Kontrollera däcktrycket | |||||||
| Kontrollera att instrumenten fungerar. | |||||||
| Kontrollera skicket på knivarna | |||||||
| Smörj alla smörjnipplar2 | |||||||
| Bättra på skadad lack. | |||||||
|
1. Undersök glödstift och insprutarmunstycken om motorn är trögstartad eller om överdrivet mycket rök eller ojämn gång uppmärksammas. 2. Omedelbart efter varje tvätt, oavsett intervallet i listan. 3. Om indikatorn är röd. |
|||||||
| Anteckningar om särskilda problem | ||
| Kontrollen utförd av: | ||
| Artikel | Datum | Information |
Om du lämnar nyckeln i tändningslåset kan någon råka starta motorn av misstag och skada dig eller någon annan person allvarligt.
Ta ut nyckeln ur tändningslåset innan du utför något underhåll.

Important: Beslagen på maskinens skyddsplåtar är konstruerade så att de ska sitta kvar på plåten efter att de har lossats. Lossa alla fästdon på varje plåt något så att plåten sitter löst, men inte är helt loss. Gå sedan tillbaka och lossa dem helt så att plåten kan tas bort. Då lossar du inte bultarna från hållarna av misstag.
| Underhållsintervall | Underhållsförfarande |
|---|---|
| Var 50:e timme |
|
Maskinen har smörjnipplar som måste smörjas regelbundet med universalfett nr 2 på litiumbas. Om maskinen används under normala förhållanden ska samtliga lager och bussningar smörjas var 50:e körtimma. Smörj lager och bussningar dagligen om maskinens används under dammiga och smutsiga förhållanden. Dammiga och smutsiga arbetsförhållanden kan göra att smuts letar sig in i lager och bussningar vilket leder till ökat slitage. Smörj alla smörjnipplar omedelbart efter att maskinen har tvättats, oavsett vilket intervall som angetts i underhållsschemat.
Torka av smörjnipplarna så att okända partiklar inte kan leta sig in i lagren eller bussningarna.
Pumpa in fett i nipplarna.
Torka av överflödigt fett.
Figur 61 och Figur 62 visar var smörjnipplarna finns.
Important: Nipplarna på svänghjulens axlar visas inte. Kom ihåg att smörja de nipplarna också.


Note: Lagrens livslängd kan påverkas negativt av olämpliga tvättprocedurer. Tvätta inte enheten när den fortfarande är varm och undvik att rikta högtrycks- eller högvolymsstrålar mot lagren och packningarna.
Växellådan är konstruerad för att användas med olja av typen SAE 80-90. Även om växellådan levereras med olja från fabriken bör du kontrollera nivån första gången du använder klippenheten och enligt rekommendationen i Kontrollista för dagligt underhåll.
| Underhållsintervall | Underhållsförfarande |
|---|---|
| Var 150:e timme |
|
Placera maskinen och klippenheten på en plan yta.
Sänk ned klippdäcket till en klipphöjd på 2,5 cm.
Koppla ur kraftuttaget, för rörelsereglagen till det NEUTRALA LåSLäGET och dra åt parkeringsbromsen.
För gasreglaget till det LåNGSAMMA läget, stanna motorn, ta ut nyckeln och vänta tills alla rörliga delar har stannat innan du lämnar förarsätet.
Lyft på fotstödet för att visa övre delen av klippdäcket.
Ta ut oljestickan/påfyllningspluggen från ovansidan av växellådan (Figur 63) och kontrollera att oljenivån ligger mellan markeringarna på oljestickan.

Om oljenivån är låg fyller du på så mycket olja att nivån ligger mellan markeringarna på oljestickan.
Note: Fyll inte på för mycket eftersom det kan skada växellådan.
| Underhållsintervall | Underhållsförfarande |
|---|---|
| Efter de första 50 timmarna |
|
| Var 400:e timme |
|
Placera maskinen och klippenheten på en plan yta.
Sänk ned klippdäcket till en klipphöjd på 2,5 cm.
Koppla ur kraftuttaget, för rörelsereglagen till det NEUTRALA LåSLäGET och dra åt parkeringsbromsen.
För gasreglaget till det LåNGSAMMA läget, stanna motorn, ta ut nyckeln och vänta tills alla rörliga delar har stannat innan du lämnar förarsätet.
Lyft på fotstödet för att visa övre delen av klippdäcket.
Ta ut oljestickan/påfyllningspluggen från ovansidan av växellådan (Figur 63).
Placera en tratt och ett avtappningskärl under avtappningspluggen som finns under växellådans främre del, ta ut pluggen och tappa ur oljan i kärlet.
Sätt tillbaka avtappningspluggen.
Fyll på cirka 283 ml olja, tills nivån ligger mellan markeringarna på oljestickan.
Note: Fyll inte på för mycket eftersom det kan skada växellådan.
Undersök om luftrenarhuset har skador som skulle kunna orsaka en luftläcka. Ett skadat luftrenarhus måste bytas ut.
Kontrollera hela luftintagssystemet efter läckor, skador eller lösa slangklämmor.
Utför service på luftrenarfiltren när luftrenarindikatorn (Figur 64) är röd eller var 400:e timme (oftare i mycket dammiga eller smutsiga förhållanden).
Important: För mycket underhåll får inte utföras på luftfiltret.

Kontrollera att kåpan sitter som den ska och sluter tätt runt luftrenarhuset.
| Underhållsintervall | Underhållsförfarande |
|---|---|
| Var 400:e timme |
|
Dra ut spärren och vrid luftrenarkåpan motsols (Figur 64).
Ta bort kåpan från luftrenaren (Figur 64).
Använd lågtrycksluft (2,76 bar, ren och torr) innan du avlägsnar filtret för att ta bort stora ansamlingar skräp som packats mellan huvudfiltrets utsida och skålen.
Note: Rengöringsprocessen förhindrar att det kommer in skräp i luftintaget när huvudfiltret tas bort.
Important: Undvik att använda högtrycksluft eftersom denna kan tvinga smutsen genom filtret och in i luftintagsröret.
Ta bort och byt ut huvudfiltret (Figur 64).
Important: Rengör inte det använda elementet, för att undvika skador på filtermediet.
Undersök om det nya filtret har några transportskador genom att kontrollera filtrets förseglade ände och själva filtret.
Important: Använd inte ett skadat filter.
Kontrollera att skumpackningen sitter på plats i kåpan och att den inte är sliten eller skadad (Figur 64).
Note: Byt ut den om den är skadad.
Sätt i det nya filtret genom att trycka på dess yttre kant för att fästa det i skålen.
Important: Tryck inte mitt på filtret där det är böjligt.
Rengör smutsutblåsningens öppning (i den avtagbara kåpan) enligt följande:
Ta bort gummiutloppsventilen från kåpan (Figur 64).
Rengör håligheten.
Byt ut utloppsventilen.
Montera kåpan och placera gummiutloppsventilen i nedåtläge – mellan ca klockan 5 till klockan 7 sett från änden.
Nollställ indikatorn (Figur 64) om den är röd.
Använd högkvalitativ motorolja med låg askhalt som uppfyller eller överträffar följande specifikationer:
API-servicekategori CJ-4 eller högre
ACEA-servicekategori E6
JASO-servicekategori DH-2
Important: Om motorolja av annan typ än API CJ-4 eller högre, ACEA E6 eller JASO DH-2 används kan detta orsaka att dieselpartikelfiltret täpps igen eller att motorn skadas.
Använd motorolja med följande viskositetsgrad:
Rekommenderad olja: SAE 15W-40 (över -17,8 °C)
Alternativ olja: SAE 10W-30 eller 5W-30 (alla temperaturer)
Toro Premium-motorolja med oljeviskositet på 15W-40 eller 10W-30 kan köpas hos din auktoriserade Toro-återförsäljare. Se reservdelskatalogen för artikelnummer.
| Underhållsintervall | Underhållsförfarande |
|---|---|
| Varje användning eller dagligen |
|
Motorn levereras med olja i vevhuset. Oljenivån måste dock kontrolleras innan och efter motorn startas första gången.
Important: Kontrollera motoroljan dagligen. Om oljenivån är ovanför markeringen Full på oljestickan kan motoroljan vara utspädd med bränsle.Om oljenivån är ovanför markeringen Full ska du byta motoroljan.
Det är bäst att kontrollera motoroljan när motorn är kall, innan den har startats för dagen. Om motorn redan har varit igång, ska du låta oljan rinna tillbaka ned till sumpen i minst 10 minuter innan du kontrollerar den. Fyll på olja tills nivån når upp till markeringen ”Full” på oljestickan om nivån ligger på eller under markeringen ”Add”.Fyll inte på för mycket olja i motorn.
Important: Motoroljenivån ska ligga mellan den övre och den nedre markeringen på oljestickan. Motorn kan gå sönder om du kör den med för mycket eller för lite olja.
Parkera maskinen på en plan yta. Lås upp motorhuvens spärrhakar.
Öppna motorhuven.
Ta ut oljestickan, torka av den, sätt tillbaka den i röret och dra ut den igen. Oljenivån ska ligga mellan fullmarkeringen och påfyllningsmärket (Figur 65).

Om oljenivån är låg ska du ta bort påfyllningslocket (Figur 65) och fylla på med olja tills nivån ligger mellan fullmarkeringen och påfyllningsmärket. Fyll inte på för mycket.
Sätt tillbaka påfyllningslocket och oljestickan.
Stäng motorhuven och lås den med spärrhakarna.
5,2 liter med filtret.
| Underhållsintervall | Underhållsförfarande |
|---|---|
| Var 250:e timme |
|
Byt oljan och filtret var 250:e körtimme.
Ta bort avtappningspluggen (Figur 66) och låt oljan rinna ner i ett avtappningskärl. Sätt tillbaka avtappningspluggen när oljan har tappats ur.

Avlägsna oljefiltret (Figur 66). Stryk på ett tunt lager ren olja på den nya filterpackningen innan den skruvas på. Dra inte åt för hårt.
Fyll på olja i vevhuset, se Serva motoroljan.
| Underhållsintervall | Underhållsförfarande |
|---|---|
| Var 6000:e timme |
|
Om systemmeddelande visas i InfoCenter är det nästan dags för service av dieseloxideringskatalysatorn och sotfiltret i dieselpartikelfiltret.

Om motorfel (Kontrollera motor), (Kontrollera motor) eller (Kontrollera motor) visas i InfoCenter (Figur 68) ska du rengöra sotfiltret genom att följa stegen nedan:



I avsnittet om motorn i servicehandboken finns information om demontering och montering av dieseloxideringskatalysatorn och sotfiltret i dieselpartikelfiltret.
Kontakta din auktoriserade Toro-återförsäljare om du behöver reservdelar eller service för dieseloxideringskatalysatorn och sotfiltret.
Kontakta din auktoriserade Toro-återförsäljare så att de kan återställa motorns styrenhet när du har monterar ett rent dieselpartikelfilter.
Note: Se Bränslespecifikation för lämpliga bränslerekommendationer.
Under vissa omständigheter är dieselbränsle och bränsleångor mycket brandfarliga och explosiva. Bränslebrand eller explosion kan skada dig själv och andra och orsaka materiella skador.
Använd en tratt och fyll på tanken utomhus på en öppen plats när motorn är avstängd och kall. Torka upp utspillt bränsle.
Fyll inte tanken helt full. Fyll bränsletanken med bränsle tills nivån ligger vid påfyllningsrörets nedersta del.
Rök aldrig när du handskas med bensin och håll dig borta från öppen eld eller platser där bensinångor kan antändas av gnistor.
Förvara bränsle i en ren, säkerhetsgodkänd behållare och se till att locket sitter på.
| Underhållsintervall | Underhållsförfarande |
|---|---|
| Var 400:e timme |
|
Töm ut vatten eller andra föroreningar från vattenseparatorn (Figur 69) dagligen.
Sätt en ren behållare under bränslefiltret.
Lossa avtappningspluggen längst ned på filterskålen och öppna ventilationsöppningen överst på behållaren.

Rengör området där filterskålen ska monteras.
Avlägsna filterskålen och rengör fästytan.
Smörj packningen på filterskålen med ren olja.
Montera filterskålen för hand tills packningen vidrör fästytan och vrid sedan ytterligare ett halvt varv.
Dra åt avtappningspluggen längst ned på filterskålen och stäng ventilationsöppningen överst på behållaren.
| Underhållsintervall | Underhållsförfarande |
|---|---|
| Var 400:e timme |
|
Gör rent området kring bränslefilterhuvudet (Figur 70).

Avlägsna filtret och rengör filterhuvudets monteringsyta (Figur 70).
Smörj filterpackningen med ren motorsmörjolja. Mer information finns i den bruksanvisning till motorn som levererades med maskinen.
Montera den torra filterskålen för hand tills packningen kommer i kontakt med filterhuvudet, och vrid den sedan ytterligare ett halvt varv.
Starta motorn och kontrollera om det finns bränsleläckor kring filterhuvudet.
| Underhållsintervall | Underhållsförfarande |
|---|---|
| Vartannat år |
|
Töm och rengör bränsletanken vartannat år. Demontera och rengör även de inbyggda filtren när du har tömt tanken. Använd ren diesel för att spola ur tanken.
Important: Töm och rengör tanken om bränslesystemet har förorenats eller om maskinen ska ställas i förvar under en längre period.
| Underhållsintervall | Underhållsförfarande |
|---|---|
| Var 400:e timme |
|
Kontrollera bränsleledningar och anslutningar. Undersök om de har skador, lösa anslutningar, innehåller skräp eller om de försämrats på annat sätt.
Important: När du arbetar med elsystemet ska du alltid koppla loss den negativa (–) batterikabeln först för att undvika att ledningarna skadas genom kortslutning.
| Underhållsintervall | Underhållsförfarande |
|---|---|
| Var 50:e timme |
|
Batteripoler, kabelanslutningar och tillbehör till dessa innehåller bly och blykomponenter: kemikalier som staten Kalifornien anser orsaka cancer och fortplantningsskador. Tvätta händerna när du har hanterat batteriet.
Håll batteriets ovansida ren. Om maskinen förvaras på en plats med extremt hög temperatur, kommer batterierna att laddas ur snabbare än om maskinen förvaras på en sval plats.
Håll batteriets ovansida ren genom att tvätta den med jämna mellanrum med en borste som doppats i ammoniak eller en bikarbonatlösning. Spola batteriets ovansida med vatten efter rengöring. Ta inte bort påfyllningspropparna under rengöring av batteriet.
Batteriets kablar måste vara ordentligt åtdragna på kabelanslutningarna för att ge god elektrisk kontakt.
Om kabelanslutningarna har utsatts för korrosion lossar du kablarna. Minuskabeln (-) lossas först. Skrapa sedan klämmorna och kabelanslutningarna separat. Anslut kablarna. Pluskabeln (+) ansluts först. Bestryk sedan kabelanslutningarna med vaselin.
Batteripolerna eller verktyg av metall kan kortslutas mot maskinkomponenter i metall och orsaka gnistor. Gnistor kan få batterigaserna att explodera, vilket kan leda till personskador.
Vid avlägsnande eller installation av batteriet får du inte låta batterianslutningarna komma i kontakt med några av maskinens metalldelar.
Låt inte metallverktyg kortslutas mellan batterianslutningarna och maskinens metalldelar.
Felaktig dragning av batterikablarna kan skada maskinen och kablarna samt orsaka gnistor. Gnistor kan få batterigaserna att explodera, vilket kan leda till personskador.
Lossa alltid batteriets minuskabel (svart) innan du lossar pluskabeln (röd).
Anslut alltid pluskabeln (röd) innan minuskabeln (svart) ansluts.
Om maskinen ska förvaras i mer än 30 dagar ska batteriet demonteras och laddas helt. Förvara det antingen på en hylla eller på maskinen. Låt kablarna vara urkopplade om batteriet förvaras på maskinen. Förvara batteriet på en sval plats för att förhindra att batteriet laddas ur snabbt. Se till att batteriet är fulladdat för att förhindra att det fryser. Ett fullständigt laddat batteri har en specifik vikt på 1,265–1,299.
Säkringarna sitter under kontrollpanelen. Du når dem via sidopanelkåpan (Figur 71). Öppna sidopanelkåpan genom att lossa de två hakarna och dra ut den.
Kontrollera säkringarna om maskinen stannar eller om det är något annat elektriskt problem. Lossa varje säkring i tur och ordning och kontrollera om de gått.
Important: Om du behöver byta en säkring ska du alltid använda en säkring av samma typ och med samma strömstyrka som den du ersätter, annars kan det elektriska systemet skadas. Se dekalen bredvid säkringarna för ett schema över alla säkringar och respektive strömstyrka (Figur 72).
Note: Om säkringarna ofta går är det troligen en kortslutning i det elektriska systemet, och du bör då låta en behörig servicetekniker undersöka klipparen.


| Underhållsintervall | Underhållsförfarande |
|---|---|
| Var 50:e timme |
|
Håll lufttrycket i fram- och bakdäcken. Rätt lufttryck är 1,24 bar i bakdäcken och 1,72 bar i svänghjulen. Ojämnt lufttryck i däcken kan orsaka ojämn klippning. Mät trycket när däcken är kalla för att få en så exakt avläsning som möjligt.

Du kan erhålla nya klippenhetshjul, konlager och lagerpackningar från din auktoriserade Toro-återförsäljare.
Lossa låsmuttern från skruven som håller fast svänghjulet i hjulgaffeln (Figur 74).

Ta tag i svänghjulet och skjut ut bulten ur gaffeln eller svängarmen.
Släng det gamla svänghjulet och lagren.
Montera svänghjulet genom att föra in konlagren och packningarna, tätade med fett, i hjulnavet, så som visas i Figur 74.
För in distansbrickan i hjulnavet via lagren, och lås på så sätt fast distansbrickan inuti hjulnavet med två distansbrickor för lager.
Important: Kontrollera att packningens kanter inte viks in.
Sätt svänghjulet i hjulgaffeln och fäst det med bulten och låsmuttern.
Dra åt muttern tills hjulet inte längre snurrar fritt och vrid då tillbaka något så att hjulet precis snurrar fritt.
Fäst en fettspruta på smörjnippeln på svänghjulet och smörj med universalfett nr 2 på litiumbas.
Het kylvätska som sprutas ut under tryck kan orsaka allvarliga brännskador, och detsamma gäller om man vidrör den heta kylaren eller närliggande delar.
Ta inte bort kylarlocket när motorn är varm. Låt alltid motorn svalna i minst 15 minuter eller tills kylarlocket har svalnat så mycket att man kan ta i det utan att bränna handen innan det tas bort.
Vidrör inte kylaren och närliggande heta delar.
Den roterande fläkten och drivremmen kan ge upphov till personskador.
Kör inte maskinen om inte kåporna sitter på plats.
Håll fingrar, händer och kläder borta från den roterande fläkten och drivremmen.
Stäng av motorn och ta ur tändningsnyckeln innan du utför något underhåll.
Motorns kylvätska kan orsaka förgiftning vid förtäring.
Svälj inte kylvätskan.
Förvara den utom räckhåll för barn och husdjur.
| Underhållsintervall | Underhållsförfarande |
|---|---|
| Varje användning eller dagligen |
|
Kylsystemet fylls med en 50/50-blandning av vatten och permanent frostskyddsmedel med etylenglykol. Kontrollera kylvätskenivån i expansionstanken varje dag innan motorn startas. Kylsystemets kapacitet är 7,5 liter.
Kontrollera kylvätskenivån i expansionstanken (Figur 75).
Note: Nivån bör ligga mellan markeringarna på sidan av tanken.

Ta bort locket på expansionstanken och fyll på kylvätska i systemet om kylvätskenivån är låg.
Important: Fyll inte på för mycket
Sätt tillbaka locket på expansionstanken.
| Underhållsintervall | Underhållsförfarande |
|---|---|
| Varje användning eller dagligen |
|
| Var 200:e timme |
|
| Var 1500:e timme |
|
| Vartannat år |
|
För att undvika att motorn överhettas måste kylaren hållas ren. Under mycket dammiga och smutsiga förhållanden kan det dock vara nödvändigt att undersöka och rengöra kylaren oftare.
Note: Om klippdäcket eller motorn stannar på grund av överhettning kontrollerar du först om det samlats mycket skräp i kylaren.
Rengör kylaren på följande sätt:
Öppna motorhuven.
Börja från fläktsidan av kylaren och blås den ren med tryckluft med lågt tryck (3,45 bar). Upprepa steget från kylarens framsida och sedan igen från fläktsidan.
Important: Rengör inte kylaren med vatten.
När kylaren är noggrant rengjord ska du avlägsna allt skräp som kan ha samlats i kanalen vid kylarens nedre del.
Stäng motorhuven.
Stanna maskinen, flytta däcklyftarbrytaren till det NEUTRALA LåSLäGET, dra åt parkeringsbromsen och ta ut tändningsnyckeln.
Lossa bultarna som fäster den främre panelen och ta bort den (Figur 76).

Lossa de två kontramuttrarna som håller fast parkeringsbromsens säkerhetsbrytare på monteringsfästet.

För säkerhetsbrytaren upp och ned på fästet tills avståndet mellan bromsaxelsensorn och brytarkolven är 3,9 mm. SeFigur 77.
Note: Kontrollera att bromsaxelsensorn inte kommer i kontakt med brytarkolven.
Dra åt brytarens kontramuttrar.
Prova justeringen på följande sätt:
Kontrollera att parkeringsbromsen ligger i och sitt inte på sätet. Starta sedan motorn.
För rörelsereglagen från det NEUTRALA LåSLäGET.
Note: Motorn ska stanna. Kontrollera justeringen av brytaren igen om den inte gör det.
Sätt tillbaka den främre panelen.
| Underhållsintervall | Underhållsförfarande |
|---|---|
| Var 100:e timme |
|
Om remmen är korrekt spänd kan den böjas ned 10 mm med en kraft på 44 N mitt emellan remskivorna.
Om nedböjningen inte är 10 mm gör du följande:
Lossa generatorns fästbultar (Figur 78).

Öka eller minska generatorremmens spänning och dra åt bultarna.
Kontrollera remmens nedböjning igen för att säkerställa att spännkraften är korrekt.
| Underhållsintervall | Underhållsförfarande |
|---|---|
| Var 50:e timme |
|
Knivdrivremmarna, som spänns av de fjäderbelastade mellanremsskivorna, är mycket hållbara. Efter många timmars användning kan dock remmarna visa tecken på slitage. Tecken på slitage är: tjut när remmen roterar, slirande knivar vid gräsklippning, fransiga remkanter, brännmärken och sprickor. Byt ut remmarna om något av dessa tillstånd uppkommer.
Sänk klippenheten till klipphöjdsinställningen för 2,5 cm, för gasreglaget till det LåNGSAMMA läget, stanna motorn, ansätt parkeringsbromsen och ta ut nyckeln ur tändningslåset.
Ta bort remkåporna från klippenhetens ovansida och ställ dem åt sidan.
Använd en stång eller ett liknande verktyg för att flytta den översta remmens mellanremsskiva bort från den översta remmen för att släppa på remspänningen så att du kan dra av remmen från skivorna (Figur 79).

Använd en stång eller ett liknande verktyg för att flytta den nedersta remmens mellanremsskiva bort från den nedre remmen för att släppa på remspänningen så att du kan dra av remmen från skivorna (Figur 79)
Dra en ny rem runt växellådsskivan, de nedre spindelskivorna och mellanremsskivorna enligt Figur 79.
Dra en ny rem runt de övre spindelskivorna och mellanremsskivorna enligt Figur 79.
Montera remkåporna.
Stanna maskinen, flytta däcklyftarbrytaren till det NEUTRALA LåSLäGET, dra åt parkeringsbromsen och ta ut tändningsnyckeln.
Lossa bultarna som fäster den främre panelen och ta bort den (Figur 80).

Lossa de två skruvarna som fäster säkerhetsbrytaren (Figur 81).

Håll rörelsereglaget mot ramen och flytta brytaren mot reglaget tills avståndet mellan reglaget och brytaren är 0,4–1 mm. Se Figur 81.
Fäst brytaren.
Upprepa steg 3 t.o.m. 5 för det andra reglaget.
Sätt tillbaka den främre panelen.
Rörelsereglagen ska justeras om de inte åker tillbaka i ett läge som är i linje med neutrallägesspåren då du släpper dem från backningsläget. Justera varje reglage, fjäder och stav separat.
Koppla ur kraftuttaget, för rörelsereglaget till det NEUTRALA LåSLäGET och dra åt parkeringsbromsen.
För gasreglaget till det LåNGSAMMA läget, stanna motorn, ta ut nyckeln och vänta tills alla rörliga delar har stannat innan du lämnar förarsätet.
Lossa bultarna som fäster den främre panelen och ta bort den (Figur 82).

Flytta reglaget till NEUTRALLäGET, men lås inte fast det (Figur 84).
Dra reglaget bakåt tills sprintbulten (på armen ovanför den vridbara axeln) kommer i kontakt med spårets ände (så att det precis börjar tryckbelasta fjädern) enligt (Figur 83).

Kontrollera var rörelsereglaget står i relation till spåret i konsolen (Figur 84).
Note: Reglaget ska vara centrerat så att det kan vridas utåt mot det NEUTRALA LåSLäGET.

Lossa muttern och kontramuttern mot oket om justering krävs (Figur 83).
Dra rörelsereglaget något bakåt och vrid huvudet på justerskruven i lämplig riktning tills rörelsereglaget är centrerat i det NEUTRALA LåSLäGET (Figur 83).
Note: Fortsätt dra spaken bakåt – detta håller sprintbulten i änden på spåret varvid justerskruven kan flytta reglaget till rätt position.
Dra åt muttern och kontramuttern (Figur 83).
Upprepa steg 4 t.o.m. 9 för det andra rörelsereglaget.
Sätt tillbaka den främre panelen.
Justeringen måste göras medan drivhjulen snurrar.
Mekaniska eller hydrauliska domkrafter kan eventuellt inte stötta maskinen, vilket kan resultera i allvarliga personskador.
Använd domkraft för att stötta maskinen.
Använd inte hydrauliska domkrafter.
Motorn måste vara igång för att justeringen ska kunna utföras. Kontakt med rörliga delar eller varma ytor kan leda till personskador.
Håll händer, fötter, ansikte, kläder samt andra kroppsdelar borta från de roterande delarna, ljuddämparen och andra heta ytor.
Lyft upp ramen med stabila domkrafter så att drivhjulen kan rotera fritt.
Skjut sätet framåt, lossa spärren och fäll upp det framåt.
Lossa elkontakten från sätets säkerhetsbrytare.
Montera tillfälligt en bygel över anslutningarna i kablagekontakten.
Starta motorn, kontrollera att gasreglaget är mitt emellan det LåNGSAMMA och det SNABBA läget och lossa parkeringsbromsen.
Note: Rörelsereglagen måste vara i det NEUTRALA LäGET medan du gör eventuella justeringar.
Ställ in pumpstavslängden på en sida genom att vrida sexkantsaxeln i lämplig riktning tills motsvarande hjul står stilla eller långsamt roterar bakåt (Figur 85).

För rörelsereglaget framåt och bakåt, och sedan tillbaka till neutralläget.
Note: Hjulet måste sluta snurra eller rotera långsamt bakåt.
För gasreglaget till det SNABBA läget.
Note: Kontrollera att hjulet fortfarande står stilla eller att det långsamt kryper bakåt. Justera vid behov.
Upprepa steg 6 till 8 på klipparens andra sida.
Dra åt kontramuttrarna vid kullederna (Figur 83).
För gasreglaget till det LåNGSAMMA läget och stäng av motorn.
Ta bort bygeln från kablagekontakten och anslut kontakten till sätesomkopplaren.
Elsystemet stängs inte av korrekt när bygeln är monterad.
Ta bort bygeln från kablagekontakten och anslut kontakten till sätesomkopplaren när justeringen är klar.
Kör aldrig maskinen med bygeln monterad och sätesomkopplaren förbikopplad.
Sänk ned sätet.
Ta bort domkrafterna.
Koppla ur kraftuttaget, för rörelsereglagen till det NEUTRALA LåSLäGET och dra åt parkeringsbromsen.
För gasreglaget till det LåNGSAMMA läget, stanna motorn, ta ut nyckeln och vänta tills alla rörliga delar har stannat innan du lämnar förarsätet.
Lossa bultarna som fäster den främre panelen och ta bort den (Figur 86).

Lossa kontramuttern på stoppbulten för ett av rörelsereglagen (Figur 87).

Skruva in stoppbulten hela vägen (bort från rörelsereglaget).
För rörelsereglaget så långt det går framåt tills det säger stopp och håll kvar där.
Skruva ut stoppbulten (mot rörelsereglaget) tills det finns ett glapp på 1,5 mm mellan stoppbultens huvud och rörelsereglaget.
Dra åt kontramuttern för att hålla stoppbulten på plats.
Upprepa steg 4 t.o.m. 8 för det andra rörelsereglaget.
Sätt tillbaka den främre panelen.
Note: Om du vill minska maskinens maxhastighet ställer du in hastigheten för båda rörelsereglagen enligt ovan och skruvar sedan ut varje stoppbult lika mycket, i riktning mot rörelsereglaget, tills du når önskad maxhastighet (du får troligen testa justeringarna flera gånger). Kontrollera att maskinen kör rakt och inte drar åt sidan då bägge rörelsereglagen är helt framskjutna. Om maskinen drar åt sidan är stoppbultarna inte likadant inställda och du måste justera dem ytterligare.
Koppla ur kraftuttaget, för rörelsereglagen till det NEUTRALA LåSLäGET och dra åt parkeringsbromsen.
För gasreglaget till det LåNGSAMMA läget, stanna motorn, ta ur nyckeln och vänta tills alla rörliga delar har stannat innan du lämnar förarsätet.
Lossa bultarna som fäster rörelsereglagen (Figur 88)

Låt någon annan trycka rörelsereglagestolparna (ej rörelsereglagen) så långt fram som möjligt till maxhastighetsläget och hålla dem kvar där.
Justera rörelsereglagen så att de är i linje med varandra och dra åt skruvarna så att reglagen fästs vid stolparna (Figur 89).

Tanken fylls på fabriken med ca 4,7 liter högkvalitativ transmissions-/hydraulvätska. Rekommenderad utbytesvätska:
| Toro Premium Transmission/Hydraulic Tractor Fluid (Finns i hinkar om 19 liter eller fat om 208 liter. Se reservdelskatalogen eller en Toro-återförsäljare för artikelnummer.) |
Alternativa vätskor: Om Toro-vätska inte finns tillgängligt kan du använda Mobil® 424-hydraulvätska.
Note: Toro tar inget ansvar för skador som orsakas av olämpliga ersättningsvätskor.
Note: Många hydraulvätskor är nästintill färglösa vilket gör det svårt att upptäcka läckor. Det finns en rödfärgstillsats till hydrauloljan i flaskor om 20 ml. En flaska räcker till 15–22 liter hydraulolja. Beställ artikelnummer 44-2500 från din auktoriserade Toro-återförsäljare.
| Underhållsintervall | Underhållsförfarande |
|---|---|
| Varje användning eller dagligen |
|
Kontrollera hydraulvätskenivån innan motorn startas för första gången och därefter dagligen.
Ställ maskinen på en plan yta.
Sätt reglagen i det NEUTRALA LåSLäGET och starta motorn.
Note: Kör motorn på lägsta möjliga varvtal för att lufta systemet. .
Important: Koppla inte in kraftuttaget.
Lyft däcket för att sträcka lyftcylindrarna, stäng av motorn och ta ut nyckeln.
Lyft sätet för att komma åt hydraultanken.
Lossa hydraultankens påfyllningslock från påfyllningsröret (Figur 90).

Ta ut oljestickan och torka av den med en ren trasa (Figur 90).
För in oljestickan i påfyllningsröret, och ta sedan ut den igen och kontrollera oljenivån (Figur 90).
Note: Om vätskenivån är lägre än markeringen på oljestickan, fyller du på tillräckligt med högkvalitativ hydraulolja för att höja nivån till markeringen. Fyll inte på för mycket.
Sätt tillbaka oljestickan och vrid på locket på påfyllningsröret manuellt.
Kontrollera att slangar och nipplar inte läcker.
| Underhållsintervall | Underhållsförfarande |
|---|---|
| Efter de första 200 timmarna |
|
| Var 800:e timme |
|
Koppla ur kraftuttaget, för rörelsereglagen till det NEUTRALA LåSLäGET och dra åt parkeringsbromsen.
För gasreglaget till det LåNGSAMMA läget, stanna motorn, ta ut nyckeln och vänta tills alla rörliga delar har stannat innan du lämnar förarsätet.
Ställ ett stort kärl under hydraultanken och transmissionslådan, lossa pluggarna och tappa ur all hydraulolja (Figur 91).

Rengör området runt hydrauloljefiltret och ta loss filtret (Figur 91).
Sätt omedelbart dit ett nytt hydrauliskt oljefilter.
Sätt tillbaka avtappningspluggarna för hydraultanken och transmissionslådan.
Fyll tanken till korrekt nivå. Se Kontrollera hydraulsystemet.
Starta motorn och undersök om det finns oljeläckor.
Låt motorn gå i cirka fem minuter och slå sedan av den.
Kontrollera hydrauloljenivån efter två minuter, se Kontrollera hydraulsystemet.
Om du bara använder en domkraft för att lyfta upp maskinen när du ska arbeta under klippdäcket kan domkraften ramla och klippdäcket falla ned och krossa dig eller kringstående.
Säkra alltid maskinen med åtminstone två domkrafter när du lyfter upp klippdäcket.
Ovanpå klippdäcket finns två länkar som ansluter däcket till ramen. I anslutning till länkarna finns torsionsfjädrar som är spända (Figur 92). Om du lossar på länken kommer den samlade energin i torsionsfjädern att utlösas och det kan göra att länkarna rör sig och dina händer och fingrar kan skadas.
Lossa klippdäcket försiktigt från ramen och säkra länkarna innan du lossar dem från ramen.

Håll knivarna vassa under klippningssäsongen eftersom vassa knivar klipper rent utan att slita och rycka av grässtråna. Om gräset slits och rycks av gulnar det i ändarna, vilket minskar tillväxten och ökar risken för sjukdomar.
Kontrollera knivarna varje dag för att se till att de inte är slöa, slitna eller skadade. Slipa knivarna om så behövs. Om en kniv är skadad eller sliten ska den bytas ut omedelbart mot en originalkniv från Toro.
En sliten eller skadad kniv kan gå sönder och en bit av kniven kan slungas ut mot dig eller någon kringstående, vilket kan innebära livsfara eller leda till allvarliga personskador.
Kontrollera om kniven är sliten eller skadad med jämna mellanrum.
Byt ut slitna och skadade knivar.
Inspektera knivarna var 8:nde körtimme.
Koppla ur kraftuttaget, för rörelsereglagen till det NEUTRALA LåSLäGET och dra åt parkeringsbromsen.
För gasreglaget till det LåNGSAMMA läget, stanna motorn, ta ut nyckeln och vänta tills alla rörliga delar har stannat innan du lämnar förarsätet.
| Underhållsintervall | Underhållsförfarande |
|---|---|
| Varje användning eller dagligen |
|
Kontrollera eggarna (Figur 93).
Note: Om eggarna är slöa eller har hack ska knivarna tas bort och slipas. Se Demontera knivarna och Slipa knivarna.
Kontrollera knivarna, särskilt den böjda delen (Figur 93).
Note: Montera omedelbart en ny kniv om du upptäcker skador, slitage eller spårbildning i detta område (Figur 93).

Om du låter en kniv bli sliten bildas ett spår mellan seglet och knivens flata del. Till slut kan en bit av kniven gå av och slungas ut från maskinen vilket allvarligt kan skada dig eller kringstående.
Kontrollera om kniven är sliten eller skadad med jämna mellanrum.
Försök aldrig räta ut ett knivblad om det är böjt eller svetsa en kniv som gått av eller är sprucken.
Byt ut en sliten eller skadad kniv.
Koppla ur kraftuttaget, för rörelsereglagen till det NEUTRALA LåSLäGET och dra åt parkeringsbromsen.
För gasreglaget till det LåNGSAMMA läget, stanna motorn, ta ut nyckeln och vänta tills alla rörliga delar har stannat innan du lämnar förarsätet.
Rotera knivarna tills ändarna vetter framåt och bakåt (Figur 94).
Note: Mät från ett jämnt underlag till knivens egg vid punkt A på knivarna (Figur 94). Anteckna detta mått.

Rotera knivarnas motsatta ändar framåt.
Mät från ett jämnt underlag till knivarnas egg vid samma punkt som i steg 3 ovan.
Note: Skillnaden mellan måtten i steg 3 och 4 får inte överstiga 3 mm. Om detta mått överstiger 3 mm är kniven böjd och måste bytas ut; se Demontera knivarna och Montera knivarna.
En kniv som är böjd eller skadad kan brytas av och orsaka allvarlig personskador eller dödsfall.
Byt alltid ut en böjd eller skadad kniv mot en ny kniv.
Fila aldrig på en knivs egg eller yta, och skapa aldrig vassa spår på dem.
Om du kör på ett hårt föremål eller om knivarna är i obalans eller böjda, måste knivarna bytas ut. Använd alltid Toros originalknivar för att försäkra bästa möjliga prestanda och även fortsättningsvis hålla maskinen säker. Om du använder ersättningsknivar från andra tillverkare kan det resultera i att maskinen inte uppfyller gällande säkerhetsstandarder.
Kontakt med en vass kniv kan orsaka allvarliga personskador.
Använd handskar eller linda in knivens vassa egg i en trasa.
Håll knivänden med en trasa eller en tjockt vadderad handske.
Ta bort knivbulten, antiskalplåten och kniven från spindelaxeln (Figur 97).
När knivarna slipas kan knivbitar slungas iväg och orsaka allvarliga personskador.
Bär ordentliga ögonskydd när du slipar knivar.
Slipa eggen i båda ändarna av kniven (Figur 95).
Note: Behåll ursprungsvinkeln. Kniven behåller balanseringen om samma mängd material avlägsnas från båda eggarna.

Kontrollera knivens balans med en knivbalanserare (Figur 96).
Note: Om kniven stannar kvar i ett horisontellt läge är den i balans och kan användas. Om kniven inte är balanserad kan du fila bort lite metall från knivens segeldel (Figur 97). Upprepa proceduren tills kniven är balanserad.

Om klippningen är ojämn mellan olika klippbredder rättar du till det så här:
Ställ maskinen på en plan yta.
Sänk klippenheten till önskad klipphöjdsinställning, för gasreglaget till det LåNGSAMMA läget, stäng av motorn, dra åt parkeringsbromsen och ta ut nyckeln ur tändningslåset.
Kontrollera och justera trycket i de främre och bakre däcken. Se Kontrollera däcktrycket.
Kontrollera om det finns böjda knivar.
Ta bort kåporna ovanpå klippenheterna.
Rotera kniven på varje spindel tills ändarna vetter framåt/bakåt.
Mät från golvet till längst fram på skäreggen.
Justera kontramuttrarna som fäster däckoken/-kedjorna i klippdäcket tills klippdäcket är i nivå.

Knivlutning är skillnaden i klipphöjd mellan knivplanets främre del och knivplanets bakre del. Använd en knivlutning på cirka 8 mm. Knivbladets bakre del ska vara 8 mm högre än dess främre del.
Ställ maskinen på en plan yta.
Sänk klippenheten till önskad klipphöjdsinställning, för gasreglaget till det LåNGSAMMA läget, stäng av motorn, dra åt parkeringsbromsen och ta ut nyckeln ur tändningslåset.
Rotera mittkniven så att den pekar rakt framåt.
Använd en kort linjal och mät från golvet till längst fram på knivbladet.
Rotera samma kniv så att den pekar rakt bakåt och mät från golvet till längst fram på knivbladet.
Subtrahera frammåtten med bakmåtten för att räkna ut knivens lutning.
Justera kontramuttrarna som fäster däckoken/-kedjorna för att höja däckets bakre del så att knivlutningen ställs in på 8 mm (Figur 99).

Om utkastaröppningen inte är täckt kan gräsklipparen slunga ut föremål i riktning mot föraren eller kringstående och därmed orsaka allvarliga skador. Det skulle också kunna medföra kontakt med knivarna.
Använd aldrig maskinen utan en lövsamlare eller gräsriktare.
Se till att gräsriktaren är i nedfällt läge.
Sänk klippenheten till verkstadsgolvet, för gasreglaget till det LåNGSAMMAläget, stäng av motorn, dra åt parkeringsbromsen och ta ut nyckeln ur tändningslåset.
Ta bort låsmuttern, skruven, fjädern och distansbrickan som håller fast gräsriktaren på tappfästena (Figur 100).
Note: Ta bort den skadade eller slitna gräsriktaren.

Sätt distansbrickan och fjädern mellan den nya gräsriktarens fästen (Figur 100).
Note: Sätt fjäderns vänstra J-formade ände bakom däckkanten.
Note: Se till att fjäderns vänstra J-formade ände sitter bakom däckkanten innan du fäster bulten i enlighet med Figur 100.
Montera bulten och muttern.
Note: Placera fjäderns högra J-formade ände runt gräsriktaren (Figur 100).
Important: Det måste gå att sänka ned gräsriktaren i sitt läge. Lyft upp riktaren för att kontrollera att den går ned helt.
| Underhållsintervall | Underhållsförfarande |
|---|---|
| Varje användning eller dagligen |
|
Ta dagligen bort allt gräs som har ansamlats under klipparen.
Koppla ur kraftuttaget, för rörelsereglagen till det NEUTRALA LåSLäGET och dra åt parkeringsbromsen.
För gasreglaget till det LåNGSAMMA läget, stanna motorn, ta ut nyckeln och vänta tills alla rörliga delar har stannat innan du lämnar förarsätet.
Lyft upp klipparen till TRANSPORTLäGET.
Höj upp den främre delen av maskinen med hjälp av domkrafter.
Rengör gräsklipparens undersida noga med vatten.
Motorolja, batterier, hydraulolja och kylarvätska är föroreningar. Kassera dessa produkter i enlighet med gällande statliga och lokala föreskrifter.
Rengör maskinen, klippdäcket och motorn noga och var särskilt uppmärksam på följande områden:
Kylaren och kylargallret
Under däcket
Under däckremmens kåpor
Motviktsfjädrarna
Kraftuttagsaxel
Samtliga smörjnipplar och upphängningspunkter
Ta bort kontrollpanelen och rengör insidan av styrlådan
Under sätesplattan och transmissionens ovansida
Kontrollera och justera trycket i traktorns fram- respektive bakdäck, se Kontrollera däcktrycket.
Ta loss, slipa och balansera klipparknivarna. Montera knivarna och dra åt knivarnas fästelement till ett moment på 115–149 N·m.
Kontrollera alla fästelement och dra åt dem om de är lösa. Dra särskilt åt de sex skruvarna som fäster klippdäcksramen på traktorenheten (Figur 101) till ett moment på 359 N·m.

Smörj alla smörjnipplar, upphängningspunkter och transmissionens förbikopplingsventilsprintar. Torka av överflödigt fett.
Sandpappra lätt och måla i områden där färgen har skrapats av, flagat eller rostat. Reparera eventuella bucklor i metallchassit.
Serva batteriet och kablarna på följande sätt:
Ta bort batteriets kabelanslutningar från batteripolerna.
Rengör batteriet, kabelanslutningarna och polerna med en stålborste och bakpulverlösning.
Fetta in kabelanslutningarna och batteriposterna med smörjfett av typen Grafo 112X (skin-over) (Toro-artikelnr 505-47) eller vaselin för att förhindra korrosion.
Ladda långsamt batteriet var 24 timmar i 60:e dag för att förhindra att det blysulfateras.
Töm motoroljan från kärlet och sätt tillbaka avtappningspluggen.
Byt ut oljefiltret.
Fyll på motorn med rekommenderad motorolja.
Starta motorn och låt den gå på tomgång i 2 minuter.
Tappa av bränslet från bränsletanken, bränsleledningarna, pumpen, filtret och separatorn. Spola bränsletanken med ren diesel och anslut alla bränsleledningar.
Rengör och serva luftrenaren ordentligt.
Täta luftrenarens inlopp och avgasutloppet med väderbeständig maskeringstejp.
Kontrollera oljepåfyllningslocket och bränslepåfyllningslocket för att se till att de är ordentligt ditsatta.
