| Vedlikeholdsintervall | Vedlikeholdsprosedyre |
|---|---|
| For hver bruk eller daglig |
|
Maskinen er en plentraktor med roterende kniver som er beregnet for bruk av profesjonelle, innleide operatører i kommersielle applikasjoner. Den er hovedsakelig beregnet på å klippe gress på allerede godt vedlikeholde parkplener, idrettsbaner og plener i kommersielle områder. Den er ikke beregnet på å klippe kratt, høyt gress og andre vekster langs motorveier eller for landbruksbrukere.
Les denne håndboken nøye, slik at du lærer å bruke og vedlikeholde produktet på riktig måte og unngår person- eller produktskade. Du har ansvar for å bruke produktet på en riktig og sikker måte.
Du kan kontakte Toro direkte på www.Toro.com for materialer for produktsikkerhet og opplæring i bruk, og informasjon om tilbehør, hjelp til å finne en forhandler eller for å registrere produktet ditt.
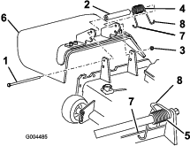
Hvis maskinen må repareres eller du trenger originale Toro-deler eller mer informasjon, kan du kontakte et autorisert forhandlerverksted eller Toros kundeserviceavdeling. Ha modell- og serienummer for hånden når du tar kontakt. Figur 1 identifiserer plasseringen av modell- og serienummer på produktet. Skriv inn numrene i tilhørende felt.

Denne brukerhåndboken identifiserer mulige farer og identifiserer sikkerhetsbeskjeder gjennom sikkerhetsvarslingssymbolet (Figur 2), som varsler om en fare som kan føre til alvorlige skader eller dødsfall hvis man ikke tar de anbefalte forholdsreglene.

I tillegg brukes to ord for å utheve informasjon. Viktig gjør oppmerksom på spesiell mekanisk informasjon og Obs henviser til generell informasjon som er verdt å huske.
CALIFORNIA
Proposition 65-advarsel
Staten California kjenner til at motoreksosen fra dette produktet inneholder kjemikalier som kan forårsake kreft, fosterskader og skade forplantningsevnen på andre måter.
Fordi det i noen områder finnes lokal, statlig eller føderalt regelverk som krever at man bruker en gnistfanger på motoren i denne maskinen, er gnistfanger tilgjengelig som ekstrautstyr for lyddemperen. Hvis du trenger en gnistfanger, kontakt din autoriserte Toro-serviceforhandler.
Originale Toro-gnistfangere er godkjent av amerikanske skogbruksmyndigheter.
Important: Det er i strid med Californias Public Resource Code, avsnitt 4442, å bruke denne motoren i skogs-, busk- eller gressområder uten en fungerende gnistfangerdemper, eller en motor som er begrenset, utstyrt og vedlikeholdt for å unngå brann. Andre stater eller føderale områder kan ha lignende lover.
Disse maskinene oppfylte eller overgikk spesifikasjonene ANSI B71.4-2004 da de ble produsert.
Hvis føreren eller eieren bruker maskinen på feil måte eller utfører feil vedlikeholdsarbeid, kan det føre til personskader. Følg alltid disse sikkerhetsreglene for å unngå at det skjer en ulykke, og ta alltid hensyn til sikkerhetsvarselsymbolet som betyr Forsiktig, Advarsel eller Fare – personlige sikkerhetsinstruksjoner. Hvis ikke disse instruksjonene tas hensyn til, kan dette føre til at noen blir alvorlig skadet eller drept.
Instruksene som følger, er tatt fra CEN-standard EN 836:1997 og ANSI B71.4-2004.
Dette produktet kan amputere hender og føtter og slenge gjenstander opp i luften. Følg alltid alle sikkerhetsinstruksjoner for å unngå alvorlige skader eller dødsulykker.
Les brukerhåndboken og annet opplæringsmateriale nøye. Gjør deg godt kjent med alle kontroller, sikkerhetssignaler og riktig bruk av utstyret.
Barn eller personer som ikke er kjent med disse instruksjonene må ikke bruke gressklipperen. Undersøk ev. aldersgrense for bruk av dette utstyret.
Du må aldri klippe hvis andre personer, spesielt barn, eller dyr befinner seg i nærheten.
Husk at føreren eller brukeren har ansvaret hvis andre personer eller deres eiendom utsettes for ulykker eller farer.
Ta aldri med passasjerer.
Alle førere bør selv sørge for at de får profesjonell opplæring. En slik opplæring bør legge vekt på:
Hvor nødvendig forsiktighet og konsentrasjon er når man kjører en plentraktor
At man ikke får kontroll over en gressklipper som sklir i en bakke ved å bremse. De vanligste årsakene til at man mister kontroll over maskinen er:
for dårlig bakkegrep, spesielt på vått gress,
for høy hastighet,
utilstrekkelig bremsing,
at denne spesielle maskintypen ikke passer til arbeidet,
at det ikke er tatt hensyn til bakkeforhold, spesielt skråninger eller
feil fordeling av belastning.
Når du klipper, må du alltid ha på deg kraftig, sklisikkert fottøy og langbukser. Ikke bruk maskinen uten sko eller med åpne sandaler.
Foreta en grundig inspeksjon der maskinen skal brukes og fjern alle gjenstander som kan slenges opp i luften.
Advarsel – drivstoff er meget brannfarlig.
Drivstoff må lagres på kanner som er spesiallaget for dette formålet.
Bare fyll bensin utendørs, og ikke røyk mens du fyller.
Fyll på drivstoff før du starter motoren. Ta aldri lokket av drivstofftanken eller fyll drivstoff mens motoren går eller er varm.
Hvis du søler drivstoff, må du ikke prøve å starte motoren. Flytt maskinen bort fra området hvor du sølte drivstoffet og unngå alt som kan antennes til all drivstoffdamp er forsvunnet.
Sett lokket godt på alle drivstofftanker og -kanner.
Skift ut defekte lyddempere.
Før bruk må du alltid sjekke at knivene, knivboltene og klippeenheten er i orden, og fri for skader og slitasje. Skadde eller slitte knivblader og bolter må skiftes ut i sett for å opprettholde balansen.
Vær oppmerksom, sett ned farten og vær forsiktig når du svinger. Se bakover og til siden før du skifter retning.
Motoren må ikke brukes på et lukket sted der giftig kullos kan samle seg.
Gressklipperen må bare brukes i dagslys eller der det er god kunstig belysning.
Før du forsøker å starte motoren, må du koble ut alle knivkoblinger og sette motoren i fri.
Husk at ingen skråninger er trygge. Vær ekstra forsiktig når du kjører i skråninger med gress. Slik unngår du at maskinen velter:
Unngå å stanse eller starte plutselig i en skråning.
Kjør med lav hastighet i skråninger og når du svinger.
Vær oppmerksom på ujevnheter, hull og andre skjulte farer i terrenget.
Se opp for trafikk når du krysser eller er i nærheten av veier.
Stopp knivene før du kjører på flater uten gress.
Pass alltid på at materialet ikke blåses ut mot personer i nærheten når utstyret brukes. La heller aldri noen oppholde seg i nærheten mens maskinen er i gang.
Maskinen må ikke brukes hvis verneplatene er defekte eller uten at sikkerhetsanordningene sitter på plass.
Innstillingen av motorregulatoren må ikke forandres og motoren må ikke ruses. Hvis motoren går på for høyt turtall, øker faren for personskader.
Før du forlater førerens plass:
Koble ut kraftoverføringen, og senk utstyret.
Skift til fri og sett på parkeringsbremsen.
Stopp motoren og ta ut nøkkelen.
Koble ut drivkraften til alt utstyr, stopp motoren og ta ut tenningsnøkkelen:
før du fjerner blokkeringer eller rensker utløpssjakten,
før du kontrollerer, rengjør eller utfører arbeid på gressklipperen,
etter at maskinen har kjørt på en gjenstand. Undersøk om gressklipperen ble skadet, og reparer den før du starter den og bruker utstyret igjen.
Eller hvis maskinen vibrerer unormalt mye. Den bør da undersøkes øyeblikkelig.
Ikke bruk gressklipperen når du er påvirket av alkohol eller medisiner.
Lynnedslag kan forårsake alvorlige skader eller dødsfall. Hvis du ser/hører at lyn og tordenvær nærmer seg der du er, må du ikke bruke maskinen. Søk tilflukt!
Koble ut drivkraften til utstyret under transport eller når maskinen ikke er i bruk.
Stopp motoren og koble ut drivkraften til utstyret før du fyller drivstoff.
Sørg for at alle mutre, bolter og skruer er stramme, for å være sikker på at utstyret er i god stand og trygt å bruke.
En maskin med drivstoff på tanken må aldri oppbevares innendørs der drivstoffdamp kan komme i kontakt med en åpen flamme eller gnister.
La motoren bli kald før maskinen settes på et lukket sted.
Unngå brannfare ved å holde motoren, lyddemperen, batterirommet og området der drivstoff oppbevares fritt for gress, løv og mye fett.
Skift alltid ut deler med skader eller slitasje for sikkerhets skyld.
Hvis du må tømme drivstofftanken, skal dette gjøres utendørs.
Vær forsiktig hvis gressklipperen har flere kniver, da resten av knivene kan begynne å rotere hvis én av knivene roteres manuelt.
Når maskinen skal parkeres, settes bort eller stå uten tilsyn, må klippeenheten senkes.
Listen nedenfor inneholder sikkerhetsinformasjon som er beregnet for Toro-produkter, eller annen sikkerhetsinformasjon som du bør være klar over at ikke er inkludert i CEN-standarden.
Motoreksos inneholder karbonmonoksid, som er en dødelig gift uten lukt. Ikke kjør motoren innendørs eller på et innestengt område.
Hold hender, føtter, hår og løstsittende klær borte fra utløpsområdet, undersiden av gressklipperen og alle bevegelige deler mens motoren går.
Ikke rør deler som kan være varme etter at du har brukt gressklipperen. La delene bli kalde før du foretar vedlikehold, justering eller reparasjon.
Batterisyre er giftig og kan forårsake brannskader. Pass på at du ikke får batterisyre på huden, i øynene eller på klærne. Beskytt ansiktet, øynene og klærne når du håndterer et batteri.
Denne maskinen er ikke beregnet eller utstyrt for kjøring på veier, og er et saktekjørende kjøretøy. Hvis du må krysse eller ferdes på en offentlig vei, bør du kjenne og overholde lokalt regelverk, som krav om lys, skilting av saktekjørende kjøretøy og reflekser.
Batterigasser kan eksplodere. Hold sigaretter, gnister og flammer borte fra batteriet.
Bare bruk originale reservedeler fra Toro for å sørge for at den opprinnelige standarden opprettholdes.
Bruk kun tilbehør godkjent av Toro. Garantien kan bli ugyldig hvis du bruker utstyr som ikke er godkjent.
Ikke bruk gressklipperen i nærheten av kanter, grøfter eller voller. Hvis hjulene kjører over en kant kan det føre til velt, som igjen kan resultere i alvorlig skade, dødsfall eller drukning.
Unngå å klippe i skråninger når gresset er vått. Glatte forhold reduserer trekkraften og kan føre til at kjøretøyet sklir samt tap av kontroll.
Ikke foreta brå endringer i hastighet eller retning.
Bruk en gressklipper av skyvemodell og/eller en håndtrimmer nær kanter, grøfter, voller eller vann.
Reduser hastigheten og vær svært forsiktig i skråninger.
Fjern gjenstander, for eksempel steiner, greiner osv., fra klippeområdet, eller marker hvor de er. Gjenstander kan ligge skjult i høyt gress.
Se opp for kanter, hull, steiner og ujevnheter som kan endre driftsvinkelen, da ujevnt terreng kan føre til at kjøretøyet velter.
Unngå å starte brått i oppoverbakker, da gressklipperen kan velte bakover.
Vær oppmerksom på at trekkraften kan reduseres i nedoverbakker. Vektoverføring til fremhjulene kan føre til at hjulene sklir og at bremsingen og styringen reduseres.
Unngå å starte eller stoppe plutselig i en bakke. Hvis dekkene mister grepet, kobler du ut knivene og fortsetter sakte rett nedover bakken.
Følg anbefalingene til produsenten om hjulvekter eller motvekter for å forbedre stabiliteten.
Vær svært forsiktig ved bruk av utstyret. Disse kan endre maskinens stabilitet og føre til tap av kontroll.
Hold veltebøylen i hevet og låst stilling og bruk sikkerhetsbelte når du bruker maskinen.
Kontroller at du raskt kan løsne sikkerhetsbeltet i nødtilfeller.
Det finnes ingen veltebøylebeskyttelse når veltebøylen er nede.
Kontroller området du skal klippe gress i, og ta aldri ned veltebøylen i områder med skråninger, kanter eller vann.
Senk veltebøylen kun når det er helt nødvendig. Ikke bruk sikkerhetsbelte når veltebøylen er nede.
Kontroller nøye at du har klaring hvis du skal kjøre under objekter (for eksempel greiner, døråpninger, elektriske ledninger osv.), slik at du ikke kommer i kontakt med dem.
Motoren i denne maskinen er i samsvar med trinn EPA Tier 4 Final og 3b.

![]() |
Sikkerhetsmerker og instruksjoner er lett synlige for føreren og er plassert i nærheten av alle områder som representerer en potensiell fare. Bytt ut alle merker som er ødelagte eller mangler. |
























Hev og sikre veltebøylen før bruk av produktet. Se Bruke veltebeskyttelsessystemet (ROPS) for detaljerte instruksjoner og informasjon om veltebeskyttelsessystemet.
Det ble pumpet ekstra mye luft i dekkene på fabrikken. Derfor må du slippe ut litt luft for å redusere trykket. Det korrekte lufttrykket er 1,24 bar i bakhjulene og 1,72 bar i styrehjulene.
Kontroller nivået på hydraulisk væske før du starter motoren, se Kontrollere det hydrauliske systemet.
Kontroller motoroljenivået før og etter du starter motoren. Se Kontrollere motoroljenivået.
Sjekk kjølesystemet før du starter motoren. Se Kontrollere kjølesystemet .

Gjør deg kjent med alle kontroller før du starter motoren og bruker maskinen (Figur 4 og Figur 6).
Bevegelseskontrollspakene kontrollerer kjøring fremover og revers, i tillegg til svinging av maskinen. Se Kjøre maskinen.
Når motoren er slått av, sett parkeringsbremsen på for å forhindre at kjøretøyet skal bevege seg ved et uhell. Når du vil sette på parkeringsbremsen, drar du parkeringsbremsespaken bakover og opp (Figur 5). Skyv parkeringsbremsespaken fremover og ned for å frigjøre parkeringsbremsen.

Ikke parker trekkeenheten i en bakke.
Tenningsbryteren har tre stillinger: av, på/oppvarming og start.

Gasspaken kontrollerer motorhastigheten. Skyv gasspaken fremover mot HURTIG-stillingen hvis du vil øke motorhastigheten. Skyv gassen bakover til SAKTE-stillingen hvis du vil redusere motorhastigheten. Gassen brukes til å regulere hastigheten til knivene og, sammen med bevegelseskontrollspakene, maskinens kjørehastighet. Kjør alltid maskinen med gassen i HURTIG-stillingen når du klipper gress.
Bryteren for kraftuttaket (PTO) starter og stanser gressklipperens kniver.
InfoCenter LCD-displayet viser informasjon om maskinen, for eksempel driftsstatus og annen diagnostikk (Figur 7) InfoCenter har også et oppstartsskjermbilde og en hovedskjermbildet for informasjon. Du kan når som helst bytte mellom oppstartsskjermbildet og hovedskjermbildet for informasjon ved å trykke på en InfoCenter-knapp og velge en pil.

Venstre-knapp, Meny-/Tilbake-knapp – trykk på denne knappen for å få tilgang til InfoCenter-menyen. Du kan også bruke knappen til å gå ut av en meny du befinner deg i.
Midten-knapp – bruk denne knappen til å rulle ned i menyer.
Høyre-knapp – bruk denne knappen til å åpne en meny der en høyrepil angir at det finnes mer innhold.
Note: Hver enkelt knapp kan ha ulike formål avhengig av hva situasjonen krever. Hver knapp vil også være merket med et ikon som viser dens gjeldende funksjon.
| SERVICE DUE | Angir når planlagt vedlikehold skal utføres |
| O/MIN | Motorturtall/-status – angir motorturtallet |
![]() | Timeteller |
![]() | Informasjonsikon |
![]() | Stasjonær gjenoppbygging påkrevd |
![]() | Glødepluggene er aktive |
![]() | Føreren må sitte i setet |
![]() | Parkeringsbremseindikator – angir at parkeringsbremsen er på |
![]() | Kjølemiddeltemperatur – Angir motorens kjølemiddeltemperatur i °C eller °F |
![]() | Temperatur (varm) |
![]() | Avslått eller ikke tillatt |
![]() | Starte motoren |
![]() | Stopp eller nedstengning |
![]() | Motor |
![]() | Nøkkelbryter |
![]() | PIN-kode |
![]() | Temperatur for hydraulisk olje – Angir temperaturen til den hydrauliske oljen |
![]() | CAN-bus |
![]() | InfoCenter |
![]() | Feil eller mislykket |
![]() | Lyspære |
![]() | Uttak for TEC-kontroller eller kontrollkabelen i nettet |
![]() | Høy: over tillatt hastighet |
![]() | Lav: under tillatt hastighet |
/![]() | Utenfor rekkevidde |
![]() | Bryter |
![]() | Føreren må slippe bryteren |
![]() | Føreren må endre til angitt tilstand |
| Symboler brukes ofte til å forme setninger. Noen eksempler er vist nedenfor | |
![]() | Motorstart avslått |
![]() | Motoren stanses |
![]() | Motorkjølevæske for varm |
![]() | Sitt ned eller koble inn parkeringsbremse |
Trykk på knappen for menytilgang mens du er i hovedskjermbildet for å få tilgang til InfoCenter-menysystemet. Du vil da komme til hovedmenyen. Se følgende tabeller for en oversikt over alternativene som er tilgjengelige fra menyene:
| Hovedmeny | |
| Menyelement | Beskrivelse |
| Feil | Menyen Feil inneholder en liste over de siste maskinfeilene. Se servicehåndboken eller ta kontakt med din autoriserte Toro-forhandler for mer informasjon om menyen Feil og informasjonen den inneholder. |
| Tjeneste | Menyen Service inneholder informasjon om maskinen som for eksempel antall brukstimer, samt batteribruk og -status. |
| Innstillinger | Menyen Innstillinger gjør at du kan tilpasse og endre konfigurasjonsfaktorer på InfoCenter-skjermen. |
| Om | Menyen Om viser modellnummeret, serienummeret og programvareversjonen til maskinen din. |
| Tjeneste | |
| Menyelement | Beskrivelse |
| Hours | Oppgir samlet antall timer som maskinen, motoren, og viften har vært på, samt antall timer som maskinen har blitt transportert og overopphetet. |
| Innstillinger | |
| Menyelement | Beskrivelse |
| Enheter | Kontrollerer enhetene som brukes i InfoCenter. Menyvalgene er Britisk og Metrisk |
| Språk | Kontrollerer språkene som brukes i InfoCenter*. |
| Bakgrunn | Kontrollerer lysstyrken til LCD-skjermen. |
| Kontrast | Kontrollerer kontrasten til LCD-skjermen. |
| Beskyttede menyer | Gir en person som er autorisert av selskapet med PIN-koden, tilgang til beskyttede menyer. |
* Kun tekst som vises for føreren er oversatt. Skjermbilder for feil, tjeneste og diagnostikk vises ved vedlikehold. Titlene vil være på valgt språk, men menyelementene vil være på engelsk.
| Om | |
| Menyelement | Beskrivelse |
| Modell | Viser maskinens modellnummer. |
| SN | Viser maskinens serienummer. |
| Revisjon av maskinkontroller | Viser programvarerevisjonen til hovedkontrolleren. |
| InfoCenter-revisjon | Viser programvarerevisjonen til InfoCenter. |
| CAN-bus | Viser bus-status for maskinkommunikasjon. |
Det finnes én innstilling for konfigurasjonsinnstillinger som kan justeres i menyen Service i InfoCenter: Gjenoppbyggingsforespørsel. Denne innstillingen finnes i den beskyttede menyen.
Note: PIN-koden for maskinen din fra fabrikken er enten 0000 eller 1234.Hvis du har endret PIN-koden og glemt koden, kontakt din autoriserte Toro-forhandler.
Fra HOVEDMENYEN bruker du midtknappen for å rulle ned til INNSTILLINGER-MENYEN og trykker på knappen til høyre (Figur 8).

I INNSTILLINGER-MENYEN bruker du midtknappen for å rulle ned til BESKYTTET MENY og trykker på knappen til høyre (Figur 9A).

Tast inn PIN-koden ved å trykke på midtknappen til det korrekte første sifferet vises, og trykk deretter på høyre knapp for å gå videre til neste siffer (Figur 9B og Figur 9C). Gjenta dette trinnet til det siste sifferet er angitt, og trykk på høyre knapp igjen.
Trykk på den midtre knappen for å taste inn PIN-koden (Figur 9D).
Vent til den røde indikatorlampen på InfoCenter lyser.
Note: Hvis InfoCenter godtar PIN-koden og den beskyttede menyen er åpen, vises ordet "PIN" i øvre høyre hjørne av skjermen.
Note: Drei nøkkelbryteren til AV-stillingen og deretter til På-stillingen for å låse den beskyttede menyen.
Du har evnen til å vise og endre innstillingene i den beskyttede menyen. Bla ned til alternativet for beskyttede innstillinger etter du har gått inn på den beskyttede menyen. Bruk den høyre knappen til å endre innstillingen. Angi de beskyttede innstillingene til AV. Dette vil gjøre det mulig å vise og endre innstillingene i den beskyttede menyen uten å taste inn PIN-koden. Ved å angi beskyttede innstillinger til På vil de beskyttede alternativene skjules, og de vil bare kunne endres ved å oppgi en PIN-kode for å endre innstillingen i den beskyttede menyen. Etter at du har angitt PIN-koden, vrir du nøkkelbryteren AV og tilbake til På-stillingen for å aktivere og lagre denne funksjonen.
Note: Spesifikasjoner og konstruksjon kan forandres uten varsel.
| Lengde | 254 cm |
| Bredde (bakhjul) | 198 cm |
| Høyde (når veltebøylen er hevet) | 183 cm |
| Høyde (når veltebøylen er nede) | 122 cm |
| Vekt | 1012 kg |
| Lengde | 254 cm |
| Bredde (bakhjul) | 191 cm |
| Høyde (når veltebøylen er hevet) | 183 cm |
| Høyde (når veltebøylen er nede) | 122 cm |
| Vekt, modell 30618 | 1052 kg |
Et utvalg av Toro-godkjent tilbehør som kan brukes sammen med maskinen for å forbedre og utvide dens funksjoner er tilgjengelig. Ta kontakt med din autoriserte serviceforhandler, eller gå til www.Toro.com for å få en liste over godkjent tilbehør og utstyr.
Note: Angi hva som er høyre og venstre side på maskinen ved å stå i normal arbeidsstilling.
Vi ber deg om å se nøye på alle sikkerhetsinstruksjoner og symboler i avsnittet om sikkerhet. Kunnskap om dette kan forhindre personskader.
Hvis du klipper på vått gress eller i bratte skråninger kan det føre til at maskinen sklir og at du mister kontrollen.
Hvis hjulene kjører over en kant kan det føre til velt, som igjen kan resultere i alvorlig skade, dødsfall eller drukning.
Advarsel – det finnes ingen veltebøylebeskyttelse når veltebøylen er nede.
Hold alltid veltebøylen i fullt hevet og låst stilling og bruk sikkerhetsbelte.
Les og følg instruksjonene og advarslene for veltebøylebeskyttelsen.
Hvordan unngå at kjøretøyet sklir samt tap av kontroll:
Ikke bruk gressklipperen i nærheten av kanter eller vann.
Kjøretøyet må ikke brukes i bakker som har en skråning på mer enn 20 grader.
Reduser hastigheten og vær svært forsiktig i skråninger.
Ikke start eller skift hastighet plutselig.
Denne maskinen har en lydstyrke som kan føre til hørselsskade hvis du utsettes for denne lydstyrken i lengre perioder.
Bruk hørselsvern når du bruker denne maskinen.
Det anbefales at du bruker beskyttelsesutstyr til øynene, ørene, hendene, føttene og hodet.

Drivstoff kan føre til skader eller dødsfall hvis det svelges. Hvis du utsettes for damp fra drivstoff over lengre tid, kan dette føre til alvorlig skade og sykdom.
Unngå innånding av damp fra drivstoff over lengre tid.
Hold ansiktet unna dyse og drivstofftank og åpningen til kondisjonsmiddelet.
Hold drivstoffet unna øyne og hud.
Under visse forhold er drivstoff er meget brannfarlig og svært eksplosivt. Brann eller eksplosjon forårsaket av drivstoff kan påføre deg og andre brannskader samt ødelegge eiendom.
Fyll opp drivstofftanken utendørs på et åpent område når motoren er nedkjølt. Tørk opp eventuelt drivstoffsøl.
Fyll aldri på drivstofftanken inni en lukket tilhenger.
Røyk aldri når du håndterer drivstoff, og hold deg borte fra åpen ild eller steder der drivstoffgass kan antennes av gnister.
Drivstoff må oppbevares på en godkjent kanne, utenfor barns rekkevidde. Kjøp aldri mer drivstoff enn til 180 dagers forbruk.
Ikke bruk maskinen uten at hele eksossystemet er på plass og i korrekt arbeidstilstand.
Under enkelte forhold ved fylling av drivstoff kan statisk elektrisitet utløses og føre til at gnister antenner drivstoffdamp. Brann eller eksplosjon forårsaket av drivstoff kan påføre deg og andre brannskader samt ødelegge eiendom.
Plasser alltid drivstoffbeholderne på bakken i god avstand fra sprederen før du fyller drivstoff.
Ikke fyll opp drivstoffkannen inne i et kjøretøy eller på en lastebil eller tilhenger, fordi tepper eller presenninger kan isolere kannen og hemme utladning av eventuell statisk elektrisitet.
Når dette lar seg gjøre, skal utstyr tas ut av lastebilen eller tilhengeren og fylles med bensin mens hjulene står på bakken.
Hvis dette ikke lar seg gjøre, og maskinen må fylles med drivstoff mens den står på en lastebil eller tilhenger, bør du bruke en kanne til å fylle drivstoff i stedet for å fylle direkte fra pumpen.
Hvis du må fylle drivstoff direkte fra dysen på en drivstoffpumpe, skal dysen hele tiden være i kontakt med kanten på drivstofftanken eller kannens åpning, helt til påfyllingen er fullført.
Important: Bruk kun diesel med ultralavt svovelinnhold. Drivstoff med høyere innhold av svovel forringer dieseloksideringskatalysatoren (DOC), noe som forårsaker driftsproblemer og forkorter levetiden til motorkomponenter.Dersom du unnlater å følge følgende advarsler, kan det skade motoren.
Bruk aldri parafin eller bensin i stedet for dieseldrivstoff.
Bland aldri parafin eller brukt motorolje med dieseldrivstoffet.
Oppbevar aldri drivstoff i beholdere med sinkbelegg på innsiden.
Ikke bruk drivstofftilsetninger.
Cetaninnhold: 45 eller høyere
Svovelinnhold: Ultralavt svovelinnhold (<15 ppm)
| Spesifikasjon for dieseldrivstoff | Sted |
| ASTM D975 | USA |
| Nr. 1-D S15 | |
| Nr. 2-D S15 | |
| EN 590 | EU |
| ISO 8217 DMX | Internasjonalt |
| JIS K2204 klasse nr. 2 | Japan |
| KSM-2610 | Korea |
Bruk kun rent, ferskt dieseldrivstoff eller biodieseldrivstoff.
Ikke kjøp mer drivstoff enn det som kan brukes opp i løpet av 180 dager, dette for å sikre at drivstoffet er ferskt.
Bruk dieseldrivstoff av sommertype (nr. 2-D) ved temperaturer over -7 °C og drivstoff av vintertype (nr. 1-D eller nr. 1-D/2-D) under den temperaturen.
Note: Når du bruker drivstoff av vintertype ved lavere temperaturer, medfører det et lavere flammepunkt og kaldflytkarakteristika som gjør det lettere å starte, og som reduserer tetting av drivstoffilteret.Bruk av drivstoff av sommertype over -7 °C medfører lengre levetid for drivstoffpumpen, og gir økt effekt sammenlignet med drivstoff av vintertype.
Denne maskinen kan også bruke biodieselblandet drivstoff opptil B20 (20 % biodiesel, 80 % petroleumdiesel).
Svovelinnhold: Ultralavt svovelinnhold (<15 ppm)
Spesifikasjon for biodieseldrivstoff: AASTM D6751 eller EN 14214
Spesifikasjon for blandet drivstoff: AASTM D975, EN 590 eller JIS K2204
Important: Petroleumdieselandelen må ha ultralavt svovelinnhold.
Ta følgende forholdsregler:
Biodieselblandinger kan skade lakkerte overflater.
Bruk B5 (biodieselinnhold på 5 %) eller lavere blandinger i kaldt vær.
Hold øye med forseglinger, slanger og pakninger som kommer i kontakt med drivstoffet, da de kan forringes over tid.
Man kan forvente å oppleve tett drivstoffilter en tid etter å ha konvertert til biodieselblandinger.
Ta kontakt med din autoriserte Toro-forhandler hvis du ønsker mer informasjon om biodiesel.
43,5 liter
Important: Drivstofftankene er koblet sammen, men drivstoffet overføres ikke raskt fra en tank til en annen. Det er viktig å parkere på en jevn flate når du fyller på tanken. Hvis du parkerer i en skråning kan du ved et uhell overfylle tankene.
Important: Ikke fyll for mye i drivstofftankene.
Important: Drivstofftankene må ikke åpnes når du er parkert i en bakke. Du kan komme til å søle drivstoff.
Parker maskinen på en jevn flate.
Important: Drivstofftankene er koblet sammen, men drivstoffet overføres ikke raskt fra en tank til en annen. Det er viktig å parkere på en jevn flate når du fyller på tanken. Hvis du parkerer i en skråning kan du ved et uhell overfylle tankene.
Stans motoren, og sett på parkeringsbremsen.
Rengjør området rundt drivstofflokket og ta av lokket.
Important: Drivstofftankene må ikke åpnes når du er parkert i en bakke. Du kan komme til å søle drivstoff.
Fyll drivstoff på begge tankene helt til nivået er ved bunnen av påfyllingshalsen (Figur 11). Drivstofftankene må ikke overfylles.

Skru bensinlokkene godt på igjen. Tørk opp eventuelt drivstoffsøl.
Note: Fyll på drivstofftankene etter hver bruk, hvis det er mulig. Dette vil minimere mulig oppsamling av kondensasjon inne i drivstofftanken.
Før du starter motoren og bruker maskinen, må du sjekke oljenivået i veivhuset. Se Kontrollere motoroljen.
Før du starter motoren og bruker maskinen, sjekk kjølesystemet. Se Kontrollere kjølesystemet .
Før du starter motoren og bruker maskinen, sjekk hydraulikksystemet. Se Kontrollere det hydrauliske systemet.
For å unngå skader eller dødsfall ved velting: Hold veltebøylen i hevet og låst stilling og bruk sikkerhetsbelte.
Påse at den bakre delen av setet er festet med setelåsen.
Det finnes ingen veltebøylebeskyttelse når veltebøylen er nede.
Senk veltebøylen kun når det er helt nødvendig.
Ikke bruk sikkerhetsbelte når veltebøylen er nede.
Kjør sakte og forsiktig.
Hev veltebøylen så fort klaringen tillater dette.
Kontroller nøye at du har klaring hvis du skal kjøre under objekter (for eksempel greiner, døråpninger, elektriske ledninger osv.), slik at du ikke kommer i kontakt med dem.
Important: Senk veltebøylen kun når det er helt nødvendig.
For å senke veltebøylen, fjern hårnålssplintene, skyv veltebøylen bakover mot fjærene og fjern de to pinnene (Figur 12).

Senk veltebøylen til nedre stilling (Figur 13).

Monter de to pinnene og fest dem med hårnålssplintene (Figur 12).
Important: Påse at den bakre delen av setet er festet med setelåsen.
Fjern hårnålssplintene og de to pinnene for å heve veltebøylen (Figur 12).
Hev veltebøylen til oppreist stilling, monter de to pinnene og fest dem med hårnålssplintene (Figur 12).
Important: Bruk alltid sikkerhetsbelte når veltebøylen er i hevet og låst stilling. Bruk ikke sikkerhetsbelte når veltebøylen er i senket stilling.
Parkeringsbremsen må alltid settes på når du stopper eller forlater maskinen.
Flytt bevegelseskontrollspakene ut av den NøYTRALE LåSESTILLINGEN (Figur 18).
Trekk parkeringsbremsespaken tilbake og opp for å sette på parkeringsbremsen (Figur 14).
Note: Parkeringsbremsespaken skal stå godt fast i tilkoblet stilling.

Parkeringsbremsen holder kanskje ikke maskinen parkert i en skråning og kan føre til personskader eller skade på eiendom.
Ikke parker i skråninger, bortsett fra hvis hjulene kiles fast eller blokkeres.
Skyv parkeringsbremsespaken fremover og ned for å frigjøre parkeringsbremsen (Figur 15).

Hev veltebøylen opp og lås den på plass, sitt i setet og fest sikkerhetsbeltet.
Sørg for at bevegelseskontrollspakene står i den NøYTRALE LåSESTILLINGEN.
Sett på parkeringsbremsen. Se Sette på parkeringsbremsen.
Skyv bryteren for kraftuttaket (PTO) til AV-stillingen (Figur 16).

Vri tenningsnøkkelen med klokken til KJøRESTILLINGEN (Figur 17).

Etter at glødepluggindikatoren dempes, vri tenningsnøkkelen til START-stillingen. Slipp nøkkelen straks motoren starter.
Important: Ikke bruk startsykluser i mer enn 15 sekunder per minutt for å unngå å overopphete motoren.
Note: Ekstra oppstartssykluser kan være nødvendig når du starter motoren for første gang etter at drivstoffsystemet har blitt helt tømt for drivstoff.
Important: Når du starter motoren for første gang, eller etter at du har skiftet motorolje eller overhalt motoren, drivverket eller hjulmotoren, kjører du maskinen med gasspaken i SAKTE-stillingen forover og i revers i ett eller to minutter. Bruk også løftespaken og spaken for kraftuttaket til å kontrollere at alle delene virker som de skal. Slå deretter av motoren, og kontroller oljenivåene. Kontroller om det er oljelekkasje, løse deler eller andre merkbare feil.
Slå av motoren, og vent til alle bevegelige deler har stoppet før du kontrollerer om maskinen har oljelekkasjer, løse deler eller andre feil.
Koble fra kraftuttaket, flytt bevegelseskontrollspakene til den NøYTRALE LåSESTILLINGEN, bruk parkeringsbremsen og flytt gasspaken til SAKTE-stillingen.
Vri tenningsnøkkelen til AV-stillingen (Figur 17). Vent til alle bevegelige deler stanser før du forlater førerstillingen.
Fjern nøkkelen før du transporterer eller setter maskinen til oppbevaring.
Important: Pass på å ta ut nøkkelen ettersom drivstoffpumpen eller tilbehør kan være i gang og føre til at batteriet utlades.
Barn og andre personer kan skades hvis de flytter på seg eller prøver å kjøre plentraktoren uten oppsyn.
Ta alltid ut tenningsnøkkelen og sett på parkeringsbremsen når du forlater maskinen, selv om det gjelder bare noen få minutter.
Gasskontrollen regulerer omdreiningstallet (o/min – omdreininger per minutt). Sett gasskontrollen i HURTIG-stillingen for best ytelse. Sett alltid gasspaken i HURTIG-stillingen når du klipper gress.
Maskinen kan svinge svært hurtig. Du kan miste kontroll over den og forårsake personskade eller skade på maskinen.
Vær forsiktig når du svinger.
Reduser hastigheten før du foretar skarpe svinger.
Frigjør parkeringsbremsen, se Frigjøre parkeringsbremsen.
Note: Motoren stanser dersom bevegelseskontrollspakene beveges når parkeringsbremsen er på.
Flytt spakene til den midtre, frie stillingen.
Kjør maskinen på følgende måte:
Skyv kontrollspakene forsiktig forover for å kjøre rett fremover (Figur 18).
Skyv bevegelseskontrollspakene forsiktig bakover for å kjøre rett bakover (Figur 18).
Sving ved å dra begge spakene tilbake og skyv så fremover den spaken som er på motsatt side av den veien du vil svinge (Figur 18).
Sett bevegelseskontrollspakene i den NøYTRALE stillingen for å stanse.
Note: Jo lengre du beveger trekkontrollspakene i en av retningene, desto raskere beveger maskinen seg i den retningen.

Når du vil stoppe maskinen, flytter du bevegelseskontrollspakene til NøYTRAL LåSESTILLING, kobler ut kraftuttaket (PTO), flytter gasspaken til SAKTE-stillingen og stopper motoren.
Sett alltid på parkeringsbremsen når du forlater maskinen. Se Sette på parkeringsbremsen. Husk å ta nøkkelen ut av tenningen.
Barn og andre personer kan skade seg hvis de prøver å flytte på eller kjøre traktoren uten oppsyn.
Ta alltid ut tenningsnøkkelen og sett på parkeringsbremsen når du forlater maskinen, selv om det gjelder bare noen få minutter.
Løftebryteren for klippeenheten hever og senker klippeenheten (Figur 19).
Note: Motoren må gå for at du skal kunne bruke denne spaken.

For å senke klippeenheten, skyver du løftebryteren ned (Figur 19).
Note: Når du senker klippeenheten, setter den seg i en flytende stilling / tomgangsstilling.
For å heve klippeenheten, skyver du løftebryteren opp (Figur 19).
Important: Ikke fortsett å holde bryteren opp eller ned etter at klippeenheten har blitt fullstendig hevet eller senket. Dette skader det hydrauliske systemet.
Note: Hvis du vil låse klippeenheten i hevet posisjon, hev klippeenheten over posisjonen for 15 cm, fjern stoppebolten for klippehøyde (se Justere klippehøyden), og plasser bolten på klippehøydeposisjonen for 15 cm (Figur 43).
Kraftuttaksbryteren starter og stanser gressklipperens kniver og noe strømdrevet tilbehør.
Hvis motoren er kald, må den varmes opp i 5–10 minutter før du kobler inn kraftuttaket.
Mens du sitter i setet, frigjør trykket i trekkontrollspakene og sett dem i fri.
Trekk kraftuttaksbryteren opp for å aktivere den (Figur 20).

Skyv bryteren for kraftuttaket til stillingen AV.
Note: Å klippe gresset ved en hastighet som øker belastningen på motoren, bidrar til DPF-regenerering.
Flytt maskinen til arbeidsstedet.
Når det er mulig, sett motorhastighetsbryteren til høy tomgang.
Koble inn kraftuttaksbryteren.
Flytt trekkpedalen gradvis fremover, og kjør maskinen sakte over området som skal klippes.
Så snart fronten av klippeenhetene er på området som skal klippes, senker du dem.
Klipp gresset slik at knivene kan kutte og slippe gressrester ved høy hastighet, og samtidig gir et klipperesultat av god kvalitet.
Note: Hvis klippehastigheten er for høy, kan kvaliteten på klippingen bli dårligere. Senk maskinens bakkehastighet eller reduser klippebredden for å gjenopprette høy tomgangshastighet.
Når klippeenhetene er over ytterkanten av området som skal klippes, løfter du dem.
Foreta en dråpeformet sving for å komme hurtig på plass til neste lengde.
Dieselpartikkelfilteret (DPF) er del av eksossystemet. Dieseloksideringskatalysatoren av DPF reduserer skadelige gasser, og sotfilteret fjerner sot fra motoreksosen.
DPF-regenereringsprosessen bruker varme fra motoreksosen til å brenne soten som har samlet seg på sotfilteret, slik at soten konverteres til aske, og tømmer kanalene til sotfilteret, slik at filtrert motoreksos strømmer ut av DPF.
Motorens datamaskin overvåker oppsamlingen av sot ved å måle mottrykk i DPF. Hvis mottrykket er for høyt, brennes ikke soten i sotfilteret gjennom normal motordrift. For å holde DPF tom for sot, husk følgende:
Passiv regenerering skjer kontinuerlig mens motoren går – kjør motoren ved full motorhastighet, når det er mulig, for å fremme DPF-regenerering.
Hvis mottrykket er for høyt, signaliserer motorens datamaskin til deg gjennom InfoCenter når ytterligere prosesser (hjelp- og tilbakestill-regenerering) kjører.
La prosessen for hjelp- og tilbakestill-regenerering fullføres før du slår av motoren.
Bruk og vedlikehold maskinen med funksjonen til DPF i tankene. Motorbelastning ved høy tomgangshastighet gir generelt tilstrekkelig eksostemperatur for DPF-regenerering.
Important: Begrens hvor mye tid som motoren går på tomgang eller kjøres på lav hastighet, for å redusere oppsamlingen av sot i sotfilteret.
Eksostemperaturen er varm (ca. 600°C) under parkert regenerering eller gjenopprettende regenerering av DPF. Varm eksos kan skade deg eller andre personer.
Bruk aldri motoren på et innestengt område.
Pass på at det ikke er brennbare materialer rundt eksossystemet.
Rør aldri en varm eksossystemkomponent.
Stå aldri nær eller rundt eksosrøret til maskinen.
Med tiden samler DPF opp sot i sotfilteret. Datamaskinen for motoren overvåker sotnivået i DPF.
Når nok sot er samlet opp, informerer datamaskinen deg om at det er tid for å regenerere dieselpartikkelfilteret.
DPF-regenerering er en prosess som varmer opp DPF for å konvertere sot til aske.
I tillegg til advarselsmeldinger reduserer datamaskinen kraften produsert av motoren ved forskjellige sotoppsamlingsnivåer.
| Indikasjonsnivå | Feilkode | Motoreffekt | Anbefalt tiltak |
| Nivå 1: Motoradvarsel |
![]() | Datamaskinen reduserer motorkraften til 85 % | Utfør en parkert regenerering så snart som mulig. Se Parkert regenerering. |
| Nivå 2: Motoradvarsel |
![]() | Datamaskinen reduserer motorkraften til 50 % | Utfør en gjenopprettende regenerering så snart som mulig. Se Gjenopprettende regenerering. |
Den lettere asken slippes ut gjennom eksossystemet, mens den tyngre asken samles i sotfilteret.
Aske er rester av regenereringsprosessen. Med tiden samler dieselpartikkelfilteret opp aske som ikke slippes ut med eksosen.
Datamaskinen for motoren beregner hvor mye aske som er samlet opp i DPF.
Når nok aske er samlet opp, sender motorens datamaskin informasjon til InfoCenter i form av et systemvarsel eller en motorfeil for å angi oppsamlingen av aske i DPF.
Varselet og feilen er indikasjoner på at det er tid for å utføre service på DPF.
I tillegg til advarslene reduserer datamaskinen kraften produsert av motoren ved forskjellige askeoppsamlingsnivåer.
| Indikasjonsnivå | Varsel eller feilkode | Motorhastighetsreduksjon | Motoreffekt | Anbefalt tiltak |
|---|---|---|---|---|
| Nivå 1: Systemvarsel |
![]() | Ingen | 100 % | Informer serviceavdelingen din at varsel nr. 179 vises i InfoCenter. |
| Nivå 2: Motoradvarsel |
![]() | Ingen | Datamaskinen reduserer motorkraften til 85 % | Vedlikehold DPF. Se Vedlikeholde dieseloksideringskatalysatoren (DOC) og sotfilteret |
| Nivå 3: Motoradvarsel |
![]() | Ingen | Datamaskinen reduserer motorkraften til 50 % | Vedlikehold DPF. Se Vedlikeholde dieseloksideringskatalysatoren (DOC) og sotfilteret |
| Nivå 4: Motoradvarsel |
![]() | Motorhastighet ved maks. moment over 200 o/min | Datamaskinen reduserer motorkraften til 50 % | Vedlikehold DPF. Se Vedlikeholde dieseloksideringskatalysatoren (DOC) og sotfilteret |
| Type regenerering | Betingelser for DPF-regenerering | DPF-beskrivelse av drift |
|---|---|---|
| Passiv | Oppstår under normal drift av maskinen ved høy motorhastighet eller høy motorbelastning | InfoCenter viser ikke et ikon som viser passiv regenerering. |
| Under passiv regenerering behandler DPF eksosgasser med høy varme, oksiderer skadelige utslipp og forbrenner sot til aske. | ||
| Se Passiv DPF-regenerering. | ||
| Hjelp | Oppstår som et resultat av lav motorhastighet, lav motorbelastning eller etter at datamaskinen registrerer mottrykk i DPF | Når ikonet for hjelp-/tilbakestill-regenerering vises i InfoCenter, pågår
en hjelp-regenerering. |
| Under hjelp-regenerering kontrollerer datamaskinen inntaksgassen for å øke eksostemperaturen, slik at hjelp-regenereringen kan utføres. | ||
| Se Hjelp-DPF-regenerering. | ||
| Tilbakestill | Oppstår etter hjelp-regenerering kun hvis datamaskinen oppdager at hjelp-regenerering ikke tilstrekkelig reduserte sotnivået | Når ikonet for hjelp-/tilbakestill-regenerering vises i InfoCenter, pågår
en regenerering. |
| Oppstår også hver 100. driftstime for å tilbakestille grunnsensoravlesningene | ||
| Under tilbakestill-regenerering kontrollerer datamaskinen inntaksgassen og drivstoffinjektorene for å øke eksostemperaturen under regenerering. | ||
| Se Tilbakestill-regenerering. |
| Type regenerering | Betingelser for DPF-regenerering | DPF-beskrivelse av drift |
|---|---|---|
| Parkert | Sotopphopning forekommer som et resultat av langvarig drift ved lav motorhastighet eller lav motorbelastning. Kan også oppstå som følge av bruk av feil drivstoff eller olje | Når ikonet for parkert regenerering vises i InfoCenter, er
en regenerering forespurt. |
| Datamaskinen registrerer mottrykk på grunn av sotopphopning og ber om en parkert regenerering | ||
| • Utfør parkert regenerering så snart som mulig for å unngå å måtte trenge en gjenopprettende gjenoppbygging. | ||
| • En parkert regenerering krever 30 til 60 minutter for å fullføres. | ||
| • Du må ha minst en ¼ tank med drivstoff i maskinen. | ||
| • Du må parkere maskinen for å utføre en gjenopprettende regenerering. | ||
| Se Parkert regenerering. | ||
| Gjenopprettende | Oppstår som et resultat av å ignorere forespørsler om parkert regenerering og la driften fortsette, slik at mer sot legges til når DPF allerede trenger en parkert regenerering | Når ikonet for gjenopprettende regenerering vises i InfoCenter, er
en gjenopprettende regenerering forespurt. |
| Ta kontakt med en autorisert Toro-forhandler for å få en servicetekniker til å utføre den gjenopprettende regenereringen. | ||
| • En gjenopprettende regenerering krever opptil 4 timer for å fullføres. | ||
| • Du må ha minst en ½ tank med drivstoff i maskinen. | ||
| • Du må parkere maskinen for å utføre en gjenopprettende regenerering. | ||
| Se Gjenopprettende regenerering. |
Passiv regenerering oppstår som en del av normal motorbruk.
Når du bruker maskinen, kjør motoren ved full motorhastighet, når det er mulig, for å fremme DPF-regenerering.

Ikonet for hjelp-/tilbakestill-regenerering vises i InfoCenter (Figur 27).
Datamaskinen tar kontroll over inntaksgassen for å øke temperaturen til motoreksosen.
Når du bruker maskinen, kjør motoren ved full motorhastighet, når det er mulig, for å fremme DPF-regenerering.
Ikonet
vises i InfoCenter mens hjelp-regenereringen
pågår.
Når det er mulig, ikke slå av motoren eller reduser motorhastigheten mens hjelp-regenerering pågår.
Important: La maskinen fullføre prosessen for hjelp-regenerering før motoren slås av.
Note: Hjelp-regenereringen er ferdig behandlet når ikonet
forsvinner fra InfoCenter.

Ikonet for hjelp-/tilbakestill-regenerering vises i InfoCenter (Figur 28).
Datamaskinen tar kontroll over inntaksgassen og endrer drivstoffinnsprøytingen for å øke temperaturen til motoreksosen.
Important: Ikonet for hjelp-/tilbakestill-regenerering viser at temperaturen på eksosen som slippes ut av maskinen, kan være varmere enn under vanlig drift.
Når du bruker maskinen, kjør motoren ved full motorhastighet, når det er mulig, for å fremme DPF-regenerering.
Ikonet
vises i InfoCenter mens tilbakestill-regenereringen
pågår.
Når det er mulig, ikke slå av motoren eller reduser motorhastigheten mens tilbakestill-regenerering pågår.
Important: La maskinen fullføre prosessen for tilbakestill-regenerering før motoren slås av.
Note: Tilbakestill-regenereringen er ferdig behandlet når ikonet
forsvinner fra InfoCenter.

Ikonet for forespørsel om parkert regenerering vises i InfoCenter (Figur 29).
Hvis en parkert regenerering er nødvendig, viser InfoCenter motoradvarsel SPN 3719, FMI 16 (Figur 30), og motorens datamaskin reduserer motorkraften til 85 %.

Important: Hvis du ikke fullfører en parkert regenerering innen 2 timer, reduserer motorens datamaskin motorkraften til 50 %.
En parkert regenerering krever 30 til 60 minutter for å fullføres.
Hvis du er autorisert av selskapet ditt, trenger du PIN-koden for å utføre prosessen for parkert regenerering.
Påse at maskinen har minst en ¼ tank med drivstoff.
Flytt maskinen ut til et område unna brennbare materialer.
Parker maskinen på en jevn flate.
Sørg for at trekkontroll- eller bevegelseskontrollspakene er i NøYTRAL stilling.
Hvis aktuelt, senk klippeenhetene og slå dem av.
Sett på parkeringsbremsen.
Sett gassen til lav TOMGANG-stilling.
Note: For instruksjoner om opplåsing av beskyttede menyer, se Få tilgang til beskyttede menyer.
Få tilgang til den beskyttede menyen, og lås opp undermenyen for de beskyttede innstillingene (Figur 31). Se Få tilgang til beskyttede menyer.

Naviger til HOVEDMENYEN, trykk på midtknappen for å rulle ned til SERVICEMENYEN, og trykk på knappen til høyre for å velge SERVICE-alternativet (Figur 32).
Note: InfoCenter skal vise PIN-indikatoren i øvre høyre hjørne av displayet.

I SERVICEMENYEN trykker du på den midtre knappen til alternativet DPF REGENERATION (DPF-regenerering) vises og trykker på knappen til høyre for å velge alternativet DPF REGENERATION (Figur 33).

Når meldingen "Initiate DPF Regen. Are you sure?" (Start DPF-regen. Er du sikker?) vises, trykker du på midtknappen (Figur 34).

Hvis kjølevæsketemperaturen er under
60 °C, vises
meldingen «Insure
is running and above 60C/140F» (Sørg
for at X er i gang med en temperatur over 60 °C / 140 °F»
(Figur 35).
Observer temperaturen på skjermen, og kjør maskinen ved full hastighet til temperaturen når 60 °C, og trykk deretter på midtknappen.
Note: Hvis kjølevæsketemperaturen er over 60 °C, hoppes det over denne skjermen.

Flytt gasskontrollen til LAV TOMGANG og trykk på midtknappen (Figur 36).

Følgende meldinger vises når prosessen for parkert regenerering begynner:
Meldingen "Initiating DPF Regen." (Starter DPF-regen.) vises (Figur 37).

Meldingen «Waiting on
» (Venter på
X) vises (Figur 38).

Datamaskinen avgjør om regenereringen kjører. Én av følgende meldinger vises i InfoCenter:
Hvis regenerering er tillatt, vises meldingen "Regen Initiated. Allow up to 30 minutes for completion" (Regenerering startet. Fullføringen kan ta opptil 30 minutter) i InfoCenter. Vent til maskinen har fullført prosessen for parkert regenerering (Figur 39).

Hvis regenereringsprosessen ikke er tillatt av motorens datamaskin, vises meldingen "DPF Regen Not Allowed" (DPF-regenerering ikke tillatt) i InfoCenter (Figur 40). Trykk på knappen til venstre for å avslutte og gå tilbake til startskjermen
Important: Hvis du ikke oppfyller alle kravene for regenerering, eller hvis mindre enn 50 timer har passert siden forrige regenerering, vises meldingen "DPF Regen Not Allowed" (DPF-regenerering ikke tillatt).

Når regenereringen er i gang, går InfoCenter tilbake til startskjermen og viser følgende ikoner:
![]() | Motoren er kald – vent. | |
![]() | Motoren er varm – vent. | |
![]() | Motoren er varm – regenerering pågår (prosent fullført). |
Parkert regenerering er fullført når meldingen "Regen Complete" (Regenerering fullført) vises i InfoCenter. Trykk på knappen til venstre for å avslutte og gå tilbake til startskjermen (Figur 41).

Hvis du ignorerer forespørselen om en parkert regenerering (vist i InfoCenter) og fortsetter å bruke maskinen, opphopes en kritisk mengde sot i DPF.
Hvis en gjenopprettende regenerering er nødvendig, viser InfoCenter motoradvarsel SPN 3719, FMI 16 (Figur 42), og motorens datamaskin reduserer motorkraften til 85 %.

Important: Hvis du ikke fullfører en gjenopprettende regenerering innen 15 minutter, reduserer motorens datamaskin motorkraften til 50 %.
Utfør en gjenopprettende regenerering når det er et tap av motorkraft og en parkert regenerering ikke effektivt kan rengjøre DPF for sot.
En gjenopprettende regenerering krever opptil 4 timer for å fullføres.
Du trenger en forhandlertekniker til å utføre prosessen for gjenopprettende regenerering. Kontakt en autorisert Toro-forhandler.
Du kan justere klippehøyden i trinn på 6 mm, fra 2,5 til 15,8 cm, ved å flytte stoppebolten til forskjellige hull.
Mens motoren er i gang, skyv løftebryteren for klippeenheten opp til klippeenheten er hevet helt opp, og slipp bryteren umiddelbart (Figur 19).
Hvis du vil justere klippehøyden, roter stoppebolten til valsetappen inni den er på linje med sporene i hullene i klippehøydebraketten og fjern den (Figur 43).
Velg det hullet i klippehøydebraketten som svarer til ønsket klippehøyde, sett inn bolten og vri den ned for å låse den på plass (Figur 43).
Note: Det er fire rader med hullposisjoner (Figur 43). Den øverste raden gir deg klippehøyden oppgitt over bolten. Den andre raden gir deg oppgitt høyde pluss 6 mm. Den tredje raden gir deg oppgitt høyde pluss 12 mm. Den nederste raden gir deg oppgitt høyde pluss 18 mm. For posisjonen for 15,8 cm er det bare ett hull, på andre rad. Dette legger ikke til 6 mm til posisjonen for 15,8 cm.

Juster høyden på antiskalperingsvalsene og støtteplatene etter behov.
Monter støtteplatene i lavere stilling når du arbeider med klippehøyder høyere enn 64 mm og i høyere stilling når du arbeider med klippehøyder lavere enn 64 mm.
Note: Når støtteplatene blir slitte på Guardian®-gressklippere, kan du bytte støtteplater over til den andre siden av gressklipperen ved å snu dem. Dette lar deg bruke støtteplatene lenger før du må bytte dem ut.
Koble fra kraftuttaket, flytt bevegelseskontrollspakene til den NøYTRALE LåSESTILLINGEN og sett parkeringsbremsen på.
Flytt gasspaken til SAKTE-stillingen, stopp motoren, ta ut nøkkelen og vent til alle bevegelige deler har stanset før du reiser deg.
Løsne skruen på framsiden av hver støtteplate (to støtteplater på Guardian-klippeenheter og én støtteplate på klippeenheter med sideutslipp) som vist i Figur 44.

Fjern flenshodeboltene og mutterne fra hver støtteplate.
Sett hver støtteplate til den ønskede posisjon og fest dem med flenshodeboltene og mutterne.
Note: Bruk kun de øverste og midterste hullene for justering av støtteplatene. De nederste hullene brukes når du bytter side på en Guardian-klippeenhet, de blir da de øverste hullene på den andre siden av gressklipperen.
Stram skruen på framsiden av hver støtteplate med et moment på 9 til 11 N·m.
Når du endrer på klippehøyden, justere høyden på de bakre antiskalperingsvalsene.
Koble fra kraftuttaket, flytt bevegelseskontrollspakene til NøYTRAL LåSESTILLING og bruk parkeringsbremsen.
Flytt gasspaken til SAKTE-stillingen, stopp motoren, ta ut nøkkelen og vent til alle bevegelige deler har stanset før du reiser deg.
Etter å ha justert klippehøyden, juster valsene ved å fjerne flensmutteren, hylsen, avstandsstykket og bolten (Figur 45).

Velg et hull slik at antiskalperingsvalsen befinner seg i nærmeste ønskede tilsvarende klippehøyde (Figur 46).

Monter flensmutteren, hylsen, avstandsstykket og bolten (Figur 45).
Note: Stram til med et moment på 54–61 Nm.
Monter valsene i lavere stilling når du arbeider med klippehøyder høyere enn 64 mm og i høyere stilling når du arbeider med klippehøyder lavere enn 64 mm.
Koble fra kraftuttaket, flytt bevegelseskontrollspakene til den NøYTRALE LåSESTILLINGEN og sett parkeringsbremsen på.
Flytt gasspaken til SAKTE-stillingen, stopp motoren, ta ut nøkkelen og vent til alle bevegelige deler har stanset før du reiser deg.
Hev den fremre enden av maskinen og støtt den på jekkstøtter.
Fjern festene som holder fast hver valse på klippeenheten, og beveg valsene opp og ned etter ønske. Se Figur 47 til og med Figur 51 etter hva som gjelder for din klippeenhet.





Hvis sikkerhetssperrebryterne kobles ut eller ødelegges, kan maskinen fungere uventet og forårsake personskader.
Ikke rør sperrebryterne.
Sjekk sperrebryterne daglig, og bytt ut ødelagte brytere før du bruker maskinen.
Sikkerhetssperresystemet er konstruert slik at det hindrer motoren i å starte, med mindre:
Du sitter på setet eller parkeringsbremsen er aktivert.
Kraftuttaket er deaktivert.
Kontrollspakene står i den NøYTRALE LåSESTILLINGEN.
Motortemperaturen er under den maksimale driftstemperaturen.
Sikkerhetssperresystemet er også utformet for å stanse motoren når trekkontrollene flyttes fra den NøYTRALE LåSESTILLINGEN med parkeringsbremsen på. Hvis du reiser deg fra setet og kraftuttaket er tilkoblet, er det en tidsforsinkelse på ett sekund før motoren stopper.
| Vedlikeholdsintervall | Vedlikeholdsprosedyre |
|---|---|
| For hver bruk eller daglig |
|
Sikkerhetssperresystemet må testes hver gang maskinen skal brukes. Hvis systemet ikke fungerer slik som beskrevet nedenfor, må du be et autorisert forhandlerverksted om å reparere det omgående.
Mens du sitter på setet, setter du på parkeringsbremsen og flytter kraftuttaket til på-stillingen.
Note: Startmotoren skal ikke gå rundt.
Mens du sitter på setet, setter du på parkeringsbremsen, flytter kraftuttaket til av, flytter en av bevegelseskontrollspakene ut av den NøYTRALE LåSESTILLINGEN og prøver å starte motoren.
Note: Startmotoren skal ikke gå rundt. Gjenta for den andre kontrollspaken.
Mens du sitter på setet, setter du på parkeringsbremsen, flytter bryteren for kraftuttaket til av, flytter bevegelseskontrollspakene til NøYTRAL LåSESTILLING og starter motoren. Mens motoren går, frigjør du parkeringsbremsen, kobler inn kraftuttaket og løfter deg litt opp fra setet.
Note: Motoren skal stoppe innen to sekunder.
Mens du ikke sitter på setet, setter du på parkeringsbremsen, flytter bryteren for kraftuttaket til av, flytter bevegelseskontrollspakene til den NøYTRALE LåSESTILLINGEN og starter motoren. Flytt en av bevegelseskontrollspakene til den midtre, frie stillingen mens motoren går.
Note: Motoren skal stoppe innen to sekunder. Gjenta for den andre bevegelseskontrollspaken.
Mens du ikke sitter på setet, setter du på parkeringsbremsen, flytter bryteren for kraftuttaket til av, flytter bevegelseskontrollspakene til den NøYTRALE LåSESTILLINGEN og prøver å starte motoren.
Note: Startmotoren skal ikke gå rundt.
Maskinen er utstyrt med et overvåkningssystem med en standard kontrollmodul (SCM – standard control module) som sporer funksjonene av forskjellige nøkkelsystemer. SCM-en er plassert under det høyre kontrollpanelet. Tilgang gjennom sidepaneldekselet (Figur 52). Du åpner sidepaneldekselet ved å frigjøre de to låsene og dra det ut.

På framsiden av SCM-en er det elleve LED-lamper som indikerer ulike systemtilstander. Du kan bruke sju av disse lampene til systemdiagnostikk. Se Figur 53 for beskrivelse av hva hvert lys betyr. For opplysninger om bruk av resten av SCM-funksjonene, se servicehåndboken, tilgjengelig fra din autoriserte Toro-distributør.

Setet kan beveges både forover og bakover. Juster setet til en stilling som er behagelig for deg, og som gir deg best mulig kontroll over maskinen.
Flytt spaken sidelengs for å låse opp setet for justering (Figur 54).

Når du har flyttet setet til ønsket posisjon, slipper du spaken for å låse setet på plass.
Kontroller at setet er låst på plass ved å prøve å bevege det fram og tilbake.
Du kan justere setet for å sitte mer stabilt og komfortabelt ved kjøring. Still inn setet i den stillingen som gjør deg mest mulig komfortabel.
Drei den fremre knotten enten til høyre eller venstre for å gi best mulig komfort (Figur 54).

Du kan justere seteryggen for mer komfortabel kjøring. Still seteryggen i den stillingen som er mest komfortabel.
Drei knotten under det høyre armlenet i begge retninger for å gi best mulig komfort (Figur 54).
Seteryggen kan justeres for å gi en tilpasset støtte for korsryggen.
For å justere, drei knotten under det venstre armlenet i begge retninger for å gi best mulig komfort (Figur 54).
For å få tilgang til hydraulikken og andre system under setet må du frigjøre setet og vippe det fremover.
Bruk justeringsspaken for setestillingen til å føre setet helt fram.
Dra låsehåndtakene til setet forover og løft opp for å frigjøre setelåsen (Figur 56).

Important: Tau aldri maskinen, da dette kan føre til skade.
Koble ut kraftuttaket (PTO) og vri tenningsnøkkelen til av. Flytt spakene til NøYTRAL LåSESTILLING, og koble inn parkeringsbremsen. Ta ut nøkkelen.
Løfte setet.
Drei hver omløpsventil mot klokken én omdreining (Figur 57).
Note: Dette gjør at hydraulikkvæsken kan gå utenom pumpen, og at hjulene kan rulle.
Important: Ikke drei omløpsventilene mer enn én omdreining. Dette hindrer at ventilene kommer ut av enheten, og fører til at væsken renner ut.

Koble fra parkeringsbremsen før du dytter maskinen.
Drei hver omløpsventil med urviseren én omdreining, og fest dem for hånd (stram med et moment på omtrent 8 Nm).
Note: Ikke stram omløpsventilene for mye.
Maskinen kjører ikke med mindre omløpsventilene er vendt innover.
Vær svært forsiktig når du skal laste enheter på tilhengere eller lastebiler. Bruk en rampe som er bred nok til å dekke bakhjulene i stedet for individuelle ramper for hver side av enheten (Figur 58). Den nedre, bakre delen av maskinrammen strekker seg bakover mellom bakhjulene og fungerer som en stopper for å velte bakover. En rampe med full bredde gir en overflate for rammedelene å støtte seg til hvis enheten skulle begynne å tippe bakover. Hvis det ikke er mulig å bruke en rampe med full bredde, kan du bruke flere enkeltramper for å simulere en kontinuerlig rampe med full bredde.
Rampen må være lang nok til at vinklene ikke overskrider 15 grader (Figur 58). En brattere vinkel kan forårsake at deler på maskinen setter seg fast mens enheten beveges fra rampen til tilhengeren eller lastebilen. Brattere vinkler kan også forårsake at enheten tipper bakover. Hvis du laster i nærheten av en skråning, plasser tilhengeren eller lastebilen nedover skråningen og rampen oppover. På denne måten minimeres rampevinkelen. Tilhengeren eller lastebilen skal være så jevn som mulig.
Important: Ikke forsøk å dreie enheten mens den er på rampen. Du kan miste kontrollen og kjøre av på siden.
Unngå plutselig akselerasjon når du kjører opp en rampe, og plutselig bremsing når du rygger ned en rampe. Begge manøvrene kan føre til at enheten tipper bakover.
Lasting av enheten på en tilhenger eller lastebil øker muligheten for at den velter bakover og kan føre til alvorlig skader eller dødsulykker.
Vær svært forsiktig når du kjører enheten på en rampe.
Bruk en enkelt rampe med full bredde. Ikke bruk individuelle ramper for hver side av enheten.
Hvis du må bruke individuelle ramper må du bruke nok rampe til å skape en hel rampeoverflate som er bredere enn enheten.
Ikke overstig en 15 graders vinkel mellom rampen og bakken eller mellom rampen og tilhengeren eller lastebilen.
Unngå å akselerere plutselig mens du kjører enheten opp en rampe for å unngå å velte bakover.
Unngå å bremse plutselig mens du rygger ned enheten på en rampe for å unngå å velte bakover.

Det å kjøre i trafikken uten blinklys, lys, reflekser eller merking for saktegående kjøretøy er farlig og kan føre til ulykker som igjen forårsaker personskader.
Ikke bruk maskinen på offentlige gater eller veier uten skilter, lys og/eller merking påkrevd av lokalt regelverk.
Bruk en kraftig tilhenger eller lastebil for å transportere maskinen. Sikre at tilhengeren eller lastebilen har all nødvendig opplysning og markering som kreves ved lov. Les alle sikkerhetsinstruksjonene nøye. Kunnskap om dette kan forhindre personskader.
For å transportere maskinen:
Forsikre deg om at ditt kjøretøy, kobling, sikkerhetskjettinger og tilhenger er passende for mengden du drar og at alt imøtekommer alle lokale trafikkregelverk i ditt område.
Aktiver parkeringsbremsen og blokker hjulene.
Fest maskinen godt til tilhengeren eller lastebilen med stropper, kjetting, kabel eller tau i samsvar med lokale trafikkregelverk i ditt område (Figur 59).

Hvis du vil opprettholde tilstrekkelig kraft til maskinen og klippeenheten når du klipper, kjør motoren på den HURTIGE gassinnstillingen og juster bakkehastigheten etter forholdene. En god regel å følge, er å redusere hastigheten når belastningen på knivene øker, og øke hastigheten når belastningen reduseres.
Veksle klipperetning for å unngå å lage hjulspor i gresset over tid. Dette bidrar også til å spre det klipte gresset, noe som gir bedre nedbryting og gjødsling.
Hvis du ønsker forbedret klippekvalitet, kan du redusere bakkehastigheten.
Hvis gressklipperen har en klippebredde som er bredere enn klipperen du brukte tidligere, må du øke klippehøyden et hakk for å sikre at ujevnheter i plenen ikke klippes for kort.
Klipp omtrent 25 mm eller ikke mer enn en tredjedel av gresstrået når du klipper. I svært frodig og tett gress kan det hende at du må redusere hastigheten og/eller heve klippehøyden enda et hakk.
Important: Hvis du klipper mer enn 1/3 av gresstrået, i spredt langt gress eller under tørre forhold, anbefales det at man bruker kniver med flate vinger for å redusere luftbåret rusk og gressrester samt redusere belastningen på drivkomponentene i klippeenheten.
Hvis gresset har vokst litt mer enn normalt, eller hvis det er veldig fuktig, må klippehøyden justeres høyere enn vanlig før gresset klippes. Klipp deretter gresset på nytt med den vanlige klippehøyden.
Fjern gressrester og skitt fra gressklipperens underside etter hver bruk. Hvis det er et tykt belegg av gress og smuss under gressklipperen, vil klipperesultatet bli dårlig.
Unngå brannfare ved å holde motoren, lyddemperen, batterirommet, parkeringsbremsen, klippeenheter, drivenheter og området der drivstoff oppbevares fritt for gress, løv og overflødig fett. Tørk opp eventuelt olje- eller drivstoffsøl.
Sørg for å holde kniven skarp hele klippesesongen, fordi en skarp kniv klipper gresset uten å slite av eller frynse gresstråene. Gress som er blitt slitt av eller frynset, vil bli brunt i kantene, noe som vil sinke veksten og øke sykdomsfaren. Kontroller daglig at knivbladene er skarpe og ikke slitte eller ødelagte. Slip knivene ved behov. Hvis en kniv er ødelagt eller slitt, må du straks bytte den ut med en original Toro-kniv. Se Overhale gressklipperknivene.
Note: Fastslå hva som er venstre og høyre side på maskinen ut fra normal arbeidsstilling.
| Vedlikeholdsintervall | Vedlikeholdsprosedyre |
|---|---|
| Etter de 10 første timene |
|
| Etter de 50 første timene |
|
| Etter de 200 første timene |
|
| For hver bruk eller daglig |
|
| Hver 50. driftstime |
|
| Hver 100. driftstime |
|
| Hver 150. driftstime |
|
| Hver 200. driftstime |
|
| Hver 250. driftstime |
|
| Hver 400. driftstime |
|
| Hver 800. driftstime |
|
| Hver 1500. driftstime |
|
| Hver 6000. driftstime |
|
| Annet hvert år |
|
Important: Hvis du vil ha mer informasjon om vedlikeholdsprosedyrer, ser du i brukerhåndboken for motoren. Det er også mulig å få kjøpt en detaljert sevicehåndbok fra din autoriserte Toro-distributør.
Ta kopi av denne siden for rutinemessig bruk.
| Vedlikeholdskontrollpunkt | For uke: | ||||||
|---|---|---|---|---|---|---|---|
| Ma. | Ti. | On. | To. | Fr. | Lø. | Sø. | |
| Kontroller at sikkerhetssperren virker. | |||||||
| Kontroller gressavlederen i senket stilling (hvis det er aktuelt). | |||||||
| Kontroller at parkeringsbremsen virker. | |||||||
| Kontroller drivstoffnivået. | |||||||
| Kontroller hydraulikkoljenivået. | |||||||
| Kontroller motoroljenivået. | |||||||
| Kontroller kjølesystemets væskenivå. | |||||||
| Kontroller drivstoffilteret/vannutskilleren. | |||||||
| Kontroller indikatoren for luftfilterbegrensning3. | |||||||
| Kontroller radiatoren og skjermen for rusk. | |||||||
| Kontroller uvanlige motorlyder1 | |||||||
| Kontroller uvanlige driftslyder | |||||||
| Kontroller eventuelle skader på hydraulikkslangene | |||||||
| Kontroller lekkasjer | |||||||
| Kontroller trykket i dekkene | |||||||
| Kontroller at instrumentene virker som de skal | |||||||
| Kontroller knivenes tilstand | |||||||
| Smør alle smøreniplene2 | |||||||
| Lakkere over skadet lakk | |||||||
|
1. Kontroller glødepluggene og injektormunnstykkene hvis maskinen er vanskelig å starte, hvis det kommer ut mye røyk, eller hvis motoren går ujevnt. 2. Straks etter hver vask, uansett hva som står oppført. 3. Hvis indikatoren er rød. |
|||||||
| Bemerkninger om spesielle områder | ||
| Kontroll utført av: | ||
| Punkt | Dato | Informasjon |
Dersom du lar nøkkelen stå i tenningsbryteren, kan noen utilsiktet starte motoren, noe som kan påføre deg eller andre personer alvorlige skader.
Fjern nøkkelen fra tenningen før du begynner med vedlikeholdsarbeid.

Important: Festene på maskinens deksler er utformet for å sitte på dekselet når dekselet er fjernet. Løsne alle festene på hvert deksel noen omdreininger, slik at dekselet sitter løsere, men ikke er helt løst, og gå så tilbake og løsne dem helt slik at dekselet løsner. Dette forhindrer at du stripper boltene fra holderne.
| Vedlikeholdsintervall | Vedlikeholdsprosedyre |
|---|---|
| Hver 50. driftstime |
|
Maskinen har smørenipler som må smøres regelmessig med litiumbasert smørefett nr. 2 til vanlig bruk. Hvis du bruker maskinen under vanlige forhold, smører du alle lagrene og hylsene etter hver 50. driftstime. Smør lagrene og hylsene daglig når du bruker maskinen i svært støvete og skitne driftsforhold. Støvete og skitne forhold kan føre til at det kommer skitt inn i lagrene og hylsene, noe som igjen kan resultere i økt slitasje. Smør alle smøreniplene umiddelbart etter hver gang du vasker maskinen, uavhengig av de oppførte intervallene.
Tørk av smøreniplene slik at fremmedmateriale ikke kan komme inn i lagrene eller hylsene.
Pump smørefett inn i smøreniplene.
Tørk av overflødig fett.
Figur 61 og Figur 62 illustrerer hvor smøreniplene er plassert.
Important: Niplene på akslene av styrehjulene er ikke illustrert. Forsikre deg om å smøre disse niplene også.


Note: Lagrenes levetid kan påvirkes i negativ retning av feil rengjøringsprosedyrer. Ikke rengjør enheten når den fortsatt er varm, og unngå å rette inn høytrykks- eller høyvolumsspray mot lagrene eller pakningene.
Girkassen er lagd for å brukes med SAE 80-90-girolje. Selv om girkassen leveres med olje fra fabrikken, må du kontrollere oljenivået før du tar klippeenheten i bruk og som anbefalt i Kontrolliste for daglig vedlikehold.
| Vedlikeholdsintervall | Vedlikeholdsprosedyre |
|---|---|
| Hver 150. driftstime |
|
Sett maskinen og klippeenheten på en jevn flate.
Senk klippeenheten til en klippehøyde på 2,5 cm.
Koble fra kraftuttaket, flytt bevegelseskontrollspakene til den NøYTRALE LåSESTILLINGEN og sett parkeringsbremsen på.
Flytt gasspaken til SAKTE-stillingen, stopp motoren, ta ut nøkkelen og vent til alle bevegelige deler har stanset før du reiser deg.
Løft fotstøtten for å eksponere toppen av klippeenheten.
Ta ut peilestaven/fyllpluggen fra toppen av girkassen (Figur 63), og kontroller at oljenivået er mellom merkene på peilestaven.

Hvis oljenivået er lavt, fyll på nok olje til at nivået er mellom merkene på peilestaven.
Note: Girkassen må ikke overfylles, den kan ta skade av det.
| Vedlikeholdsintervall | Vedlikeholdsprosedyre |
|---|---|
| Etter de 50 første timene |
|
| Hver 400. driftstime |
|
Sett maskinen og klippeenheten på en jevn flate.
Senk klippeenheten til en klippehøyde på 2,5 cm.
Koble fra kraftuttaket, flytt bevegelseskontrollspakene til den NøYTRALE LåSESTILLINGEN og sett parkeringsbremsen på.
Flytt gasspaken til SAKTE-stillingen, stopp motoren, ta ut nøkkelen og vent til alle bevegelige deler har stanset før du reiser deg.
Løft fotstøtten for å eksponere toppen av klippeenheten.
Fjern peilestaven/fyllpluggen fra toppen av girkassen (Figur 63).
Plasser en trakt og et tappefat under tappepluggen som sitter under framsiden av girkassen. Fjern pluggen og tapp oljen ned i fatet.
Sett tappepluggen tilbake.
Fyll på nok olje, omtrent 283 ml, til nivået er mellom merkene på peilestaven.
Note: Girkassen må ikke overfylles, den kan ta skade av det.
Kontroller om luftrenserhuset er skadet, noe som kan forårsake en luftlekkasje. Skift luftrenserhuset hvis det er ødelagt.
Kontroller hele luftinntakssystemet for lekkasje, skade eller løse slangeklemmer.
Overhal filtrene i luftrenseren når luftrenserindikatoren (Figur 64) viser rødt, eller hver 400. time (oftere under ekstremt støvete eller skitne forhold).
Important: Ikke overhal luftfilteret for ofte.

Pass på at dekselet sitter korrekt på og er forseglet rundt luftrenserhuset.
| Vedlikeholdsintervall | Vedlikeholdsprosedyre |
|---|---|
| Hver 400. driftstime |
|
Trekk låsen utover, og drei luftrenserdekslet mot urviseren (Figur 64).
Fjern dekslet fra luftrenserens kropp (Figur 64).
Før du tar av filteret bruker du luft under lavt trykk (2,76 bar, ren og tørr) til å fjerne store oppsamlinger av smuss mellom utsiden av det primære filteret og boksen.
Note: Denne rengjøringsprosessen hindrer at smuss flyttes til inntaket når hovedfilteret fjernes.
Important: Unngå bruk av luft under høyt trykk, som kan presse smuss gjennom filteret og inn i inntakstrakten.
Ta ut og skift det primære filteret (Figur 64).
Important: Rengjør ikke det brukte elementet, da filtermediet kan bli skadet.
Inspiser det nye filteret for transportskade, kontroller forseglingsenden av filteret og huset.
Important: Ikke bruk et ødelagt filter.
Påse at skumpakningen er på plass i dekselet og at den ikke har rifter eller andre skader (Figur 64).
Note: Bytt ut hvis den er skadet.
Sett inn det nye filteret ved å påføre trykk på den utvendige kanten av elementet for å sette det på plass i boksen.
Important: Ikke trykk på det elastiske midtpunktet til filteret.
Rengjør smussutstøtningsporten i det avtakbare dekselet slik:
Fjern gummiuttaksventilen fra dekslet (Figur 64).
Rengjør hulrommet.
Rengjør uttaksventilen.
Monter dekselet med uttaksventilen i gummi vendt nedover – mellom ca. kl. 5:00 til 7:00 sett fra enden.
Tilbakestill indikatoren (Figur 64) hvis den viser rødt.
Bruk motorolje av høy kvalitet med lavt askeinnhold som overholder eller overskrider følgende spesifikasjoner:
API-servicekategori CJ-4 eller høyere
ACEA-servicekategori E6
JASO-servicekategori DH-2
Important: Bruk av en annen motorolje enn API CJ-4 eller høyere, ACEA E6 eller JASO DH-2 kan føre til at dieselpartikkelfilteret tilstoppes eller forårsaker motorskade.
Bruk følgende viskositetsklasse for motorolje:
Anbefalt olje: SAE 15W-40 (over -17,8 °C)
Alternativ olje: SAE 10W-30 eller 5W-30 (alle temperaturer)
Toro Premium-motorolje er tilgjengelig fra din autoriserte Toro-forhandler med viskositetsklasse på enten 15W-40 eller 10W-30. Se delekatalogen for delenumre.
| Vedlikeholdsintervall | Vedlikeholdsprosedyre |
|---|---|
| For hver bruk eller daglig |
|
Motoren leveres med olje i veivhuset. Oljenivået må imidlertid sjekkes før og etter at motoren startes for første gang.
Important: Kontroller motoroljenivået daglig. Hvis motoroljenivået er over Full-merket på peilestaven, kan motoroljen være fortynnet med drivstoff.Hvis motoroljenivået er over Full-merket, skift motorolje.
Den beste tiden for å sjekke motoroljen er når motoren er kald før den har blitt startet for dagen. Hvis den allerede har blitt kjørt, la oljen flyte tilbake ned i bunnpannen i minst ti minutter før du sjekker oljen. Hvis oljenivået er på eller under ”add”-merket på peilestaven, tilfør mer olje til oljenivået når ”full”-merket. Ikke overfyll motoren med olje.
Important: Hold motoroljenivået mellom øvre og nedre grense på peilestaven. Motoren kan svikte hvis du kjører den med for mye eller for lite olje.
Parker maskinen på en jevn flate. Åpne panserlåsene.
Åpne panseret.
Ta ut peilestaven, tørk av den, sett den ned igjen i røret, og ta den deretter ut igjen. Oljenivået skal være mellom Full- og Add-merket (Figur 65).

Hvis oljenivået er lavt, ta av oljelokket (Figur 65) og fyll på olje til nivået er mellom Full- og Add-merket. Ikke fyll på for mye.
Sett peilestaven på plass, og skru på oljelokket.
Lukk panseret, og fest det med låsene.
5,2 liter med filter.
| Vedlikeholdsintervall | Vedlikeholdsprosedyre |
|---|---|
| Hver 250. driftstime |
|
Skift olje og filter etter hver 250. driftstime.
Fjern tappepluggen (Figur 66) og la oljen renne ut i et tappefat. Når all oljen er tappet ut, setter du tappepluggen på igjen.

Ta av oljefilteret (Figur 66). Stryk et tynt lag med ren olje på den nye filterforseglingen før du skrur den på. Ikke stram for mye.
Tilsett olje til veivhuset, se Kontrollere motoroljen.
| Vedlikeholdsintervall | Vedlikeholdsprosedyre |
|---|---|
| Hver 6000. driftstime |
|
Hvis varselmeldingen vises i InfoCenter, nærmer DPF seg det anbefalte punktet for vedlikehold av dieseloksideringskatalysatoren og sotfilteret.

Hvis motorfeilene , eller vises i InfoCenter (Figur 68), rengjør sotfilteret med følgende trinn:



Se delen om motoren i servicehåndboken for informasjon om demontering og montering av dieseloksideringskatalysatoren og sotfilteret til DPF.
Kontakt din autoriserte Toro-forhandler for reservedeler eller service av dieseloksideringskatalysatoren og sotfilteret.
Kontakt din autoriserte Toro-forhandler for å få dem til å tilbakestille motorens elektriske kontrollenhet etter at du monterer et rent DPF.
Note: Se Drivstoffspesifikasjon hvis du vil ha anbefalinger om drivstoff.
Under visse forhold er diesel og dampen fra drivstoff svært brannfarlig og eksplosivt. En brann eller eksplosjon forårsaket av drivstoff, kan påføre deg og andre brannskader og forårsake skade på eiendom.
Bruk en trakt når du fyller tanken, og fyll den utendørs på et åpent sted når motoren er slått av og kald. Tørk opp eventuelt drivstoffsøl.
Tanken må ikke fylles helt opp. Fyll drivstoff på tanken helt til nivået er ved bunnen av påfyllingshalsen.
Røyk aldri når du håndterer drivstoff, og hold deg borte fra åpen ild eller steder der drivstoffgass kan antennes av gnister.
Oppbevar drivstoffet i en ren, godkjent beholder, og pass på at lokket er skrudd på.
| Vedlikeholdsintervall | Vedlikeholdsprosedyre |
|---|---|
| Hver 400. driftstime |
|
Tapp daglig vann og andre urenheter fra vannutskilleren (Figur 69).
Plasser en ren beholder under drivstoffilteret.
Løsne tappepluggen på bunnen av filterboksen, og åpne ventilen på toppen av boksmonteringen.

Rengjør området der filterboksen skal festes.
Fjern filterboksen og rengjør monteringsoverflaten.
Smør pakningen på filterboksen med ren olje.
Monter filterboksen for hånd til pakningen kommer i berøring med monteringsoverflaten, og drei den deretter en halv omdreining til.
Stram til tappepluggen på bunnen av filterboksen, og lukk ventilen på toppen av boksmonteringen.
| Vedlikeholdsintervall | Vedlikeholdsprosedyre |
|---|---|
| Hver 400. driftstime |
|
Rengjør området rundt motordrivstoff-filteret (Figur 70).

Fjern filteret og rengjør hodemonteringsoverflaten (Figur 70).
Smør filterpakningen med ren motorsmøreolje. Se motorens brukerhåndbok, som følger med maskinen, for mer informasjon.
Monter den tørre filterboksen for hånd til pakningen kommer i kontakt med filterhodet, og drei den deretter en halv omdreining til.
Start motoren, og se etter drivstofflekkasjer rundt filterhodet.
| Vedlikeholdsintervall | Vedlikeholdsprosedyre |
|---|---|
| Annet hvert år |
|
Tøm og rengjør drivstofftanken hvert 2. år. Også, fjern og rengjør sugefiltrene i ledningene etter at tanken er tømt. Bruk ren diesel til å spyle tanken.
Important: Tøm og rengjør også tanken hvis drivstoffsystemet blir forurenset, eller hvis du har tenkt å oppbevare maskinen i en lengre periode.
| Vedlikeholdsintervall | Vedlikeholdsprosedyre |
|---|---|
| Hver 400. driftstime |
|
Kontroller drivstoffslangene og -koblingene. Kontroller om koblingene er slitte, ødelagte, tilsmusset eller løse.
Important: Når du vedlikeholder det elektriske systemet, må du alltid koble fra batteriledninger, negative (-) kabler først, for å forhindre at kortslutninger skal forårsake skader på ledningene.
| Vedlikeholdsintervall | Vedlikeholdsprosedyre |
|---|---|
| Hver 50. driftstime |
|
Batteripoler, klemmer og tilknyttet tilbehør inneholder bly og blyforbindelser: kjemikalier som er kjente i staten California for å føre til kreft og forplantningsskader. Vask hendene etter at du har håndtert et batteri.
Hold batteriets overside ren. Dersom maskinen oppbevares på et sted der temperaturen er ekstremt høy, tappes batteriet raskere enn dersom den oppbevares på et kjølig sted.
Hold toppen av batteriet ren ved å vaske den regelmessig med en børste dyppet i ammoniakk eller en oppløsning med natriumbikarbonat. Skyll overflaten med vann etter rengjøring. Ikke ta av påfyllingslokkene mens du rengjør batteriet.
For å oppnå god elektrisk kontakt, må batterikablene sitte fast på batteripolene.
Hvis det er rust på polene, kobler du fra kablene, den negative (-) kabelen først, og skraper av klemmene og polene hver for seg. Koble kablene til igjen, den positive (+) kabelen først, og smør deretter vaselin på polene.
Batteripolene eller metallverktøy kan kortslutte mot metallkomponenter og forårsake gnister. Gnistene kan føre til at batterigassene eksploderer, noe som kan forårsake personskade.
Når du fjerner eller monterer batteriet, må du passe på at batteripolene ikke berører metalldeler på maskinen.
La ikke metallverktøy kortslutte mellom batteripolene og metalldeler på maskinen.
Feilaktig ruting av batterikabler kan skade maskinen og kablene, og forårsake gnister. Gnistene kan føre til at batterigassene eksploderer, noe som kan forårsake personskade.
Koble alltid fra den negative (svarte) batterikabelen før du kobler fra den positive (røde) kabelen.
Koble alltid til den positive (røde) batterikabelen før du setter på den negative (svarte) kabelen.
Hvis maskinen lagres i mer enn 30 dager, skal batteriet fjernes og fullades. Lagre det enten på en hylle eller på maskinen. La kablene være frakoblet hvis det lagres på maskinen. Oppbevar batteriet på et kjølig sted for å unngå at det tappes raskt. Pass på at batteriet er fulladet for å forhindre at det fryser. Egenvekten til et fulladet batteri er mellom 1,265 og 1,299.
Sikringene er plassert under kontrollpanelet. Tilgang gjennom sidepaneldekselet (Figur 71). For å åpne sidepaneldekselet, åpne de to låsene og dra det ut.
Hvis maskinen stopper eller har andre problemer med det elektriske systemet, sjekk sikringene. Sjekk hver sikring etter tur og fjern dem én om gangen for å se om noen av dem er gått.
Important: Hvis du må erstatte en sikring, bruk alltid samme type og av samme strømstyrke som den du skal erstatte, ellers kan du skade det elektriske systemet. Se merket plassert ved siden av sikringene for et diagram over hver sikring og tilhørende strømstyrke (Figur 72).
Note: Hvis en sikring går ofte, har du antageligvis en kortslutning i det elektriske systemet og burde få en kvalifisert servicetekniker til å utføre service på den.


| Vedlikeholdsintervall | Vedlikeholdsprosedyre |
|---|---|
| Hver 50. driftstime |
|
Oppretthold lufttrykket i for- og bakhjulene. Det korrekte lufttrykket er 1,24 bar i bakhjulene og 1,72 bar i styrehjulene. Forskjellig trykk i hjulene kan føre til ujevn klipping. Sjekk dekkene når de er kalde for å få en mest mulig nøyaktig avlesning av trykket.

Skaff nye styrehjul, konuslager og lagerpakninger fra din autoriserte Toro-distributør.
Fjern låsemutteren fra bolten som holder fast styrehjulet til styregaffelen (Figur 74).

Ta tak i styrehjulet og skyv bolten ut av gaffelen eller svingarmen.
Kast det gamle styrehjulet og lagrene.
Sett på plass styrehjulet ved å skyve konuslagrene og pakningene, fylt med smøringsfett, inn i hjulnavet, plassert som vist i Figur 74.
Skyv avstandsstykket inn i hjulnavet gjennom lagrene, slik at avstandsstykket inni hjulnavet har to lageravstandsstykker.
Important: Kontroller at pakningskantene ikke er brettet innover.
Sett på plass styringshjulet i styregaffelen, og fest det med bolten og låsemutteren.
Stram mutteren til hjulet ikke lenger ruller fritt, skru så forsiktig opp til punktet hvor hjulet begynner å rulle fritt.
Fest en fettsprøyte til smøreniplene på styrehjulet, og fyll den med litiumbasert smørefett nr. 2 til vanlig bruk.
Utslipp av varmt kjølemiddel under trykk eller å ta på en varm radiator og omsluttende deler, kan føre til alvorlige brannsår.
Ikke åpne radiatorlokket mens motoren er varm. La motoren nedkjøles i minst 15 minutter, eller helt til radiatorlokket er så kaldt at du kan ta på det uten å brenne deg, før du fjerner radiatorlokket.
Ikke ta på radiatoren og omsluttende deler som er varme.
Den roterende viften og drivremmer kan forårsake personskader.
Ikke bruk maskinen uten at dekslene er på plass.
Hold fingre, hender og bekledning unna roterende vifter og drivremmer.
Stans motoren og ta ut tenningsnøkkelen før du utfører vedlikehold.
Du kan bli forgiftet av å svelge motorkjølemiddel.
Ikke svelg kjølemiddel.
Oppbevares utilgjengelig for barn og kjæledyr.
| Vedlikeholdsintervall | Vedlikeholdsprosedyre |
|---|---|
| For hver bruk eller daglig |
|
Kjølesystemet er fylt med en oppløsning som er halvt om halvt med vann og frostvæske med etylenglykol. Kontroller kjølemiddelnivået i ekspansjonstanken hver dag før du starter motoren. Kjølesystemets kapasitet er 7,5 l.
Kontroller kjølemiddelnivået i ekspansjonstanken (Figur 75).
Note: Kjølevæskenivået skal være mellom merkene på siden av tanken.

Hvis kjølevæskenivået er lavt, tar du av lokket på ekspansjonstanken og etterfyller systemet.
Important: Ikke fyll på for mye
Sett på ekspansjonstanklokket.
| Vedlikeholdsintervall | Vedlikeholdsprosedyre |
|---|---|
| For hver bruk eller daglig |
|
| Hver 200. driftstime |
|
| Hver 1500. driftstime |
|
| Annet hvert år |
|
Du må rengjøre radiatoren for å unngå at motoren overopphetes. Det er nødvendig å kontrollere og rengjøre radiatoren oftere hvis forholdene er svært støvete eller skitne.
Note: Hvis klippeenheten eller motoren slår seg av på grunn av overoppheting, kontrollerer du først om det er mye rusk på radiatoren.
Rengjør radiatorene på følgende måte:
Åpne panseret.
Start fra viftesiden av radiatoren og blås ut rusk med luft med et lavt trykk på 3,45 bar. Gjenta trinnet fra forsiden av radiatoren og ytterligere én gang fra viftesiden.
Important: Ikke bruk vann til å rengjøre radiatoren.
Når radiatoren er grundig rengjort, fjerner du rusk som kan ha samlet seg i kanalen ved foten av radiatoren.
Lukk panseret.
Stopp maskinen, flytt løftebryteren for klippeenheten til den NøYTRALE LåSESTILLINGEN, sett parkeringsbremsen på og ta nøkkelen ut av tenningen.
Fjern boltene til frontpanelet og fjern panelet (Figur 76).

Løsne de to låsemutrene som fester sperrebryteren for parkeringsbremsen til monteringsbraketten.

Flytt bryteren opp eller ned på braketten til avstanden mellom bremseakselsensoren og brytertappen er 3,9 mm som vist i Figur 77.
Note: Kontroller at bremseakselsensoren ikke er i kontakt med brytertappen.
Stram bryterens låsemutre.
Test justeringen på følgende måte:
Påse at parkeringsbremsen er på og at du ikke sitter på setet. Start deretter motoren.
Flytt kontrollspakene ut av NøYTRAL LåSESTILLING.
Note: Motoren skal nå stoppe. Hvis den ikke stopper, sjekk justeringene du foretok av bryteren på nytt.
Monter frontpanelet.
| Vedlikeholdsintervall | Vedlikeholdsprosedyre |
|---|---|
| Hver 100. driftstime |
|
Remmen har riktig spenning når du kan trykke den ned 10 mm midt mellom remskivene med en kraft på 44 N.
Utfører følgende prosedyre hvis du ikke kan trykke den ned 10 mm:
Løsne generatormonteringsboltene (Figur 78).

Øk eller reduser spenningen til generatorremmen, og stram til boltene.
Kontroller hvor langt ned du kan trykke beltet, for å kontrollere at spenningen er riktig.
| Vedlikeholdsintervall | Vedlikeholdsprosedyre |
|---|---|
| Hver 50. driftstime |
|
Drivremmene til knivene, strammet av de fjærbelastede lederullene, er veldig slitesterke. Etter mange timers bruk vil likevel remmene vise tegn til slitasje. Tegn på en slitt rem er: hvining når remmen roterer, knivene glipper når du klipper gresset, frynsete kanter, brennmerker og sprekker. Skift remmene hvis noen av disse problemene oppstår.
Senk klippeenheten til en klippehøyde på 2,54 cm, flytt gassen til SAKTE-stillingen, stopp motoren, sett på parkeringsbremsen og ta nøkkelen ut av tenningen.
Fjern remdekslene fra toppen av klippeenheten og sett dekslene til sides.
Ved å bruke et brekkjern eller lignende verktøy, flytt lederullen på den øverste remmen vekk fra den øvre drivremmen for å lette på remspenningen og la remmen skli av lederullene (Figur 79).

Ved å bruke et brekkjern eller lignende verktøy, flytt lederullen på den nedre remmen vekk fra den nedre drivremmen for å lette på remspenningen og la remmen skli av lederullene (Figur 79).
Trekk en ny rem rundt girkasseremskiven, nederste spindelruller og lederullen som vist i Figur 79.
Trekk en ny rem rundt de øverste spindelrullene og lederullen som vist i Figur 79.
Monter remdekslene.
Stopp maskinen, flytt løftebryteren for klippeenheten til den NøYTRALE LåSESTILLINGEN, sett parkeringsbremsen på og ta nøkkelen ut av tenningen.
Fjern boltene til frontpanelet og fjern panelet (Figur 80).

Løsne de to skruene som fester sperrebryteren (Figur 81).

Mens du holder kontrollspaken mot rammen, flytt bryteren mot spaken til avstanden mellom spaken og bryterhuset er 0,4 til 1 mm som vist i Figur 81.
Fest bryteren.
Gjenta trinn 3 til 5 for den andre spaken.
Monter frontpanelet.
Bevegelseskontrollspakene må justeres hvis de ikke er innrettet med de nøytrale sporene når de slippes fra reversdrivstillingen. Juster hver spak, fjær og stang separat.
Koble fra kraftuttaket, flytt kontrollspakene til den NøYTRALE LåSESTILLINGEN, og bruk parkeringsbremsen.
Flytt gasspaken til SAKTE-stillingen, stopp motoren, ta ut nøkkelen og vent til alle bevegelige deler har stanset før du reiser deg.
Fjern boltene til frontpanelet og fjern panelet (Figur 82).

Flytt kontrollspaken til den NøYTRALE, men ikke den låste stillingen (Figur 84).
Trekk spaken tilbake inntil ringstiften (på armen over svingakselen) er i kontakt med endene på sporet (begynner så vidt å legge press på fjæren) som vist i Figur 83.

Kontroller hvor det er mulig at kontrollspaken treffer hakket i konsollen (Figur 84).
Note: Den bør sentreres for å gi spaken mulighet til å svinge utover til den NøYTRALE LåSESTILLINGEN.

Hvis det er nødvendig med justering, må du løsne på mutteren og låsemutteren mot stangen (Figur 83).
Legg på lett trykk bakover på bevegelseskontrollspakene, vri hodet på justeringsbolten i korrekt retning inntil kontrollspaken er sentrert i den NøYTRALE LåSESTILLINGEN (Figur 83).
Note: Ved å opprettholde trykket bakover på spaken holder du pinnen på enden av slissen og gjør det mulig for justeringsbolten å flytte spaken til korrekt stilling.
Stram mutteren og låsemutteren (Figur 83).
Gjenta trinn 4 til og med 9 for den andre spaken.
Monter frontpanelet.
Justeringen må gjøres mens kjørehjulene er i bevegelse.
Mekaniske eller hydrauliske jekker kan kanskje ikke støtte maskinen og dermed føre til alvorlige skader.
Bruk jekkstøtter når du støtter maskinen.
Ikke bruk hydrauliske jekker.
Motoren må gå for at du skal kunne utføre denne justeringen. Kontakt med bevegelige deler eller varme overflater kan føre til personskade.
Hold klær, hender, føtter, ansikt og andre kroppsdeler borte fra knivbladene, roterende deler, lyddemperen og andre varme overflater.
Hev rammen opp på jekkstøtter slik at kjørehjulene kan rulle seg fritt.
Flytt setet fremover, frigjør det og sving det opp og fremover.
Koble fra den elektriske konnektoren fra setets sikkerhetsbryter.
Installer midlertidig en kaldstartledning over terminalene i ledningssatskonnektoren.
Start motoren, sørg for at gasspaken er midt mellom HURTIG- og SAKTE-stillingen og frigjør parkeringsbremsen.
Note: Bevegelseskontrollspakene må være i den NøYTRALE LåSESTILLINGEN når justeringer blir gjort.
Juster lengden på pumpestangen på én side ved å dreie på sekskantakselen i korrekt retning inntil det aktuelle hjulet ikke beveger seg eller kryper noe i revers (Figur 85).

Flytt kontrollspaken fremover og i revers, deretter tilbake til nøytral stilling.
Note: Hjulet må ikke bevege seg eller krype noe i revers.
Flytt gasspaken til HURTIG-stillingen.
Note: Pass på at hjulet fortsatt ikke beveger seg eller kryper lett i revers. Juster ved behov.
Gjenta trinn 6 til 8 på motsatt side av maskinen.
Stram til låsemutrene ved kuleleddene (Figur 83).
Flytt gasspaken til SAKTE-stillingen og stopp motoren.
Fjern kaldstartledningen fra ledningsnettkonnektoren og koble konnektoren inn i setebryteren.
Det elektriske systemet vil ikke utføre korrekt sikkerhetsavstengning hvis kaldstartledningen er montert.
Fjern kaldstartledningen fra ledningsnettkonnektoren og koble konnektoren inn i setebryteren etter justering.
Bruk aldri denne enheten med kaldstartledningen montert og setebryteren forbikoblet.
Senk setet på plass.
Ta bort jekkstøttene.
Koble fra kraftuttaket, flytt bevegelseskontrollspakene til den NøYTRALE LåSESTILLINGEN og sett parkeringsbremsen på.
Flytt gasspaken til SAKTE-stillingen, stopp motoren, ta ut nøkkelen og vent til alle bevegelige deler har stanset før du reiser deg.
Fjern boltene til frontpanelet og fjern panelet (Figur 86).

Løsne låsemutteren på stoppebolten for en av kontrollspakene (Figur 87).

Tre stoppebolten helt inn (vekk fra kontrollspaken).
Skyv kontrollspaken helt frem til den stopper, og hold den der.
Tre stoppebolten ut (mot kontrollspaken) til det er en avstand på 1,5 mm mellom hodet på stoppebolten og kontrollspaken.
Trekk til låsemutteren for å feste stoppebolten på plass.
Gjenta trinn 4 til og med 8 for den andre spaken.
Monter frontpanelet.
Note: Hvis du ønsker å redusere maksimal hastighet for maskinen, still inn begge kontrollspakene som forklart ovenfor, sett så hver stoppebolt tilbake en lik mengde mot kontrollspaken helt til du når den maksimale hastigheten du ønsker (du må trolig teste justeringene dine flere ganger). Påse at maskinen kjører rett fremover og ikke svinger når begge kontrollspakene skyves helt frem. Hvis maskinen svinger, har du ikke satt stoppeboltene jevnt og du må justere dem mer nøyaktig.
Koble fra kraftuttaket, flytt bevegelseskontrollspakene til NøYTRAL LåSESTILLING og bruk parkeringsbremsen.
Flytt gasspaken til SAKTE-stillingen, stopp motoren, ta ut nøkkelen og vent til alle bevegelige deler har stanset før du reiser deg.
Løsne boltene som fester kontrollspakene (Figur 88)

Få noen til å skyve kontrollspakstengene (ikke kontrollspakene) helt frem til maksimal hastighet-posisjonen og holde dem der.
Juster kontrollspakene slik at de står på linje og stram til boltene for å sikre spakene til stengene (Figur 89).

Beholderen fylles på fabrikken med omtrent 4,7 l girolje / hydraulisk olje av høy kvalitet. Anbefalte erstatningsvæsker er:
| Toro Premium Transmission/Hydraulic Tractor Fluid (Tilgjengelig i spann på 19 liter eller fat på 208 liter. Se delekatalogen eller kontakt Toro-distributør for å få oppgitt delenumre.) |
Alternative oljer: Hvis Toro-oljen ikke er tilgjengelig, kan man bruke Mobil® 424 hydraulisk olje.
Note: Toro tar ikke ansvar for skade skjedd på grunn av uegnede erstatninger.
Note: Mange hydraulikkvæsker er nesten fargeløse, noe som gjør det vanskelig å oppdage lekkasjer. Et rødt fargestoff for hydraulikkolje er tilgjengelig i flasker på 20 ml. Én flaske er nok til 15–22 liter med hydraulisk olje. Bestill delenr. 44-2500 fra en autorisert Toro-forhandler.
| Vedlikeholdsintervall | Vedlikeholdsprosedyre |
|---|---|
| For hver bruk eller daglig |
|
Kontroller den hydrauliske væsken før du starter maskinen for første gang, og deretter hver dag.
Sett maskinen på en jevn flate.
Plasser kontrollene i den NøYTRALE LåSESTILLINGEN og start motoren.
Note: Kjør motoren på lavest mulig turtall for å blåse ut luft av systemet.
Important: Koble ikke til kraftuttaket.
Hev klippeenheten for å trekke ut løftesylindrene, stopp motoren og ta ut nøkkelen.
Hev setet for å få tilgang til hydraulikkvæsketanken.
Fjern det hydrauliske oljelokket fra påfyllingshalsen (Figur 90).

Ta ut peilestaven og tørk den med en ren fille (Figur 90).
Før peilestaven ned i påfyllingshalsen før du tar den ut og kontroller oljenivået (Figur 90).
Note: Hvis nivået ikke er innen det merkede området på peilestaven, fyller du på mer hydraulikkvæske av høy kvalitet til nivået når opp til det merkede området. Ikke fyll på for mye.
Sett tilbake peilestaven og tre påfyllingslokket fast på påfyllingshalsen med fingrene.
Kontroller om det er lekkasjer i slangene og beslagene.
| Vedlikeholdsintervall | Vedlikeholdsprosedyre |
|---|---|
| Etter de 200 første timene |
|
| Hver 800. driftstime |
|
Koble fra kraftuttaket, flytt bevegelseskontrollspakene til den NøYTRALE LåSESTILLINGEN og sett parkeringsbremsen på.
Flytt gasspaken til SAKTE-stillingen, stopp motoren, ta ut nøkkelen og vent til alle bevegelige deler har stanset før du reiser deg.
Plasser et stort tappefat under den hydrauliske beholderen og girkassen og fjern pluggene, all hydraulikkvæske blir da tappet (Figur 91).

Rengjør rundt det hydrauliske oljefilteret, og fjern filteret (Figur 91).
Sett inn et nytt oljefilter umiddelbart.
Sett inn tappepluggene for den hydrauliske beholderen og girkassen.
Fyll beholderen opp til riktig nivå. Se Kontrollere det hydrauliske systemet.
Start motoren og se etter oljelekkasjer.
La motoren gå i ca. fem minutter, og slå den deretter av.
Etter to minutter kan du kontrollere hydraulikkvæskenivået. Se Kontrollere det hydrauliske systemet.
Hvis du hever maskinen ved kun å bruke en jekkstøtte til å holde den oppe mens du jobber under gressklipperen, kan jekkstøtten komme til å velte og klippeenheten kan falle ned og knuse deg eller andre i nærheten.
Sikre alltid maskinen med minst to jekkstøtter når du hever klippeenheten.
På toppen av klippeenheten er det to koblinger som kobler dem til rammen. Spente torsjonsfjærer (Figur 92) er koblet til disse koblingene. Hvis du kobler fra koblingen, frigjøres den lagrede energien i torsjonsfjæren, noe som kan få koblingene til å bevege seg og skade hendene eller fingrene dine.
Fjern forsiktig klippeenheten fra rammen og fest koblingene før du kobler dem fra rammen.

Sørg for å holde kniven skarp hele klippesesongen. En skarp kniv klipper gresset uten å slite av eller frynse gresstråene. Gress som er blitt slitt av eller frynset, vil bli brunt i kantene, noe som vil sinke veksten og øke sykdomsfaren.
Kontroller daglig at knivbladene er skarpe og ikke slitte eller ødelagte. Slip knivene ved behov. Hvis en kniv er ødelagt eller slitt må du straks bytte den ut med en original Toro-kniv.
En slitt eller skadet kniv kan brekke, og en del av kniven kan slynges ut mot deg eller andre og føre til alvorlige personskader eller en dødsulykke.
Undersøk kniven regelmessig for slitasje eller skade.
Skift ut en slitt eller skadet kniv.
Kontroller alle kniver hver 8. driftstime.
Koble fra kraftuttaket, flytt bevegelseskontrollspakene til den NøYTRALE LåSESTILLINGEN og sett parkeringsbremsen på.
Flytt gasspaken til SAKTE-stillingen, stopp motoren, ta ut nøkkelen og vent til alle bevegelige deler har stanset før du reiser deg.
| Vedlikeholdsintervall | Vedlikeholdsprosedyre |
|---|---|
| For hver bruk eller daglig |
|
Undersøk kniveggene (Figur 93).
Note: Hvis kniven er sløv eller hvis det er hakk i den, må den tas av og knivene slipes. Se Demontere knivene og Slipe knivene.
Undersøk knivene, spesielt buen (Figur 93).
Note: Monter en ny kniv umiddelbart hvis du finner skader, slitasje eller ser at det begynner å dannes spor i denne delen av kniven (Figur 93).

Hvis du ikke gjør noe med slitasje på kniven, vil det dannes et spor mellom vingedelen og den flate delen av bladet. Til slutt kan en del av bladet knekke av og bli kastet ut fra maskinen og trolig resultere i alvorlig personskade.
Undersøk kniven regelmessig for slitasje eller skade.
Prøv aldri å rette ut en kniv som er bøyd eller sveis en ødelagt eller sprukket kniv.
Skift ut en slitt eller skadet kniv.
Koble fra kraftuttaket, flytt bevegelseskontrollspakene til den NøYTRALE LåSESTILLINGEN og sett parkeringsbremsen på.
Flytt gasspaken til SAKTE-stillingen, stopp motoren, ta ut nøkkelen og vent til alle bevegelige deler har stanset før du reiser deg.
Roter knivene til endene vender fremover og bakover (Figur 94).
Note: Mål fra en jevn overflate til kniveggen, posisjon A, på kniven (Figur 94). Merk deg dette målet.

Roter den motsatte enden av kniven fremover.
Mål fra en jevn overflate til kniveggen i samme posisjon som i trinn 3 ovenfor.
Note: Forskjellen mellom avstanden i trinn 3 og 4 må ikke være over 3 mm. Hvis dette målet overskrider 3 mm, er kniven bøyd og må byttes ut, se Demontere knivene og Montere knivbladene.
En kniv som er bøyd eller ødelagt kan brekke og forårsake alvorlig skade eller drepe deg eller andre i nærheten.
Bytt alltid ut bøyde eller ødelagte kniver.
Du må aldri file eller lage skarpe hakk i kanten eller overflaten på kniven.
Knivene må skiftes ut hvis de treffer en hard gjenstand, hvis de ikke er i balanse eller hvis de er bøyd. For å oppnå optimal ytelse og holde maskinen i sikkerhetsgodkjent stand bruker du bare ekte Toro-reservedeler og -tilbehør. Hvis du bruker reservedeler fra andre produsenter, kan det være i uoverensstemmelse med sikkerhetsstandardene.
Hvis du kommer i kontakt med de roterende spolene, kan du bli alvorlig skadet.
Bruk hansker, eller legg en fille rundt de skarpe kantene på kniven.
Hold knivenden ved hjelp av en fille eller en tykk hanske.
Fjern knivbolten, antiskalperingsplaten, og kniven fra spindelakselen (Figur 97).
Når du sliper en kniv, kan deler av kniven slynges ut og føre til alvorlige personskade.
Bruk korrekt øyebeskyttelse når du sliper knivene.
Slip eggen i begge ender av kniven (Figur 95).
Note: Oppretthold den originale vinkelen. Kniven opprettholder balansen hvis like mye materiale fjernes fra begge kniveggene.

Sjekk knivens balanse ved å legge den på en balanseringsinnretning (Figur 96).
Note: Hvis kniven holder seg i horisontal stilling, har den riktig balanse og kan brukes. Hvis kniven ikke er i balanse, files litt av metallet på enden av vingeområdet bort (Figur 97). Fortsett med dette helt til kniven er balansert.

Hvis maskinen klipper ujevn skårgang, juster på følgende måte:
Sett maskinen på en jevn flate.
Sett klippeenheten til en ønsket klippehøyde, flytt gasspaken til SAKTE-stillingen, stopp motoren, sett på parkeringsbremsen og ta nøkkelen ut av tenningen.
Kontroller og juster trykket i for- og bakhjulene. Se Kontrollere trykket i dekkene.
Kontrollere om knivene er bøyde.
Fjern dekslene fra toppen av klippeenhetene.
Roter kniven på hver spindel til endene vender fremover og bakover.
Mål fra gulvet til fremre tupp av kniveggen.
Juster låsemutterne som fester klippeenhetsstangen/kjeder til klippeenheten helt til klippeenheten er rettet opp.

Knivstigningen er forskjellen i klippehøyde mellom forkanten og bakkanten av knivplanet. Bruk en knivstigning på omtrent 8 mm. Den bakre delen av knivplanet skal være 8 mm høyere enn den fremre.
Sett maskinen på en jevn flate.
Sett klippeenheten til en ønsket klippehøyde, flytt gasspaken til SAKTE-stillingen, stopp motoren, sett på parkeringsbremsen og ta nøkkelen ut av tenningen.
Roter den midtre kniven slik at den peker rett fremover.
Bruk en kort linjal og mål fra gulvet til fremre tupp av kniven.
Roter den samme knivtuppen til den bakre delen og mål fra gulvet til tuppen av kniven bak på klippeenheten.
Trekk avstanden for forkanten fra avstanden for bakkanten for å regne ut knivstigningen.
Juster låsemutterne som fester klippeenhetsstangen/kjeder for å heve bakre delen av klippeenheten slik at knivstigningen er satt til 8 mm (Figur 99).

En utildekket utslippsåpning kan føre til at gressklipperen slynger objekter mot deg eller andre i nærheten, noe som kan resultere i alvorlig skade. Det kan også oppstå kontakt med kniven.
Bruk aldri maskinen uten at løvkvernesett eller gressavleder er installert.
Påse at gressavlederen er i den nedre stillingen.
Senk klippeenheten til verkstedgulvet, flytt gasspaken til SAKTE-stillingen, stopp motoren, sett på parkeringsbremsen og ta nøkkelen ut av tenningen.
Fjern låsemutteren, bolten, fjæren og avstandsstykket som holder avlederen festet til svingbrakettene (Figur 100).
Note: Fjern den skadde eller slitte gressavlederen.

Plasser avstandsstykket og fjæren mellom reservegressavlederbrakettene (Figur 100).
Note: Plasser høyre J-krokende av fjæren bak klippeenhetskanten.
Note: Påse at venstre J-krokende av fjæren er montert bak kanten på klippeenheten før du monterer bolten som vist i Figur 100.
Monter bolt og mutter.
Note: Plasser høyre J-krokende av fjæren rundt gressavlederen (Figur 100).
Important: Gressavlederen må kunne bli senket ned i den nedre stillingen. Løft avlederen for å teste at den kan senkes ned til den nederste stillingen.
| Vedlikeholdsintervall | Vedlikeholdsprosedyre |
|---|---|
| For hver bruk eller daglig |
|
Fjern oppsamling av gress under enhetens underside hver dag.
Koble fra kraftuttaket, flytt bevegelseskontrollspakene til den NøYTRALE LåSESTILLINGEN og sett parkeringsbremsen på.
Flytt gasspaken til SAKTE-stillingen, stopp motoren, ta ut nøkkelen og vent til alle bevegelige deler har stanset før du reiser deg.
Hev klippeenheten til TRANSPORTSTILLINGEN.
Hev den fremre delen av maskinen ved hjelp av jekkstøtter.
Rengjør grundig gressklipperens underside med vann.
Motorolje, batterier, hydraulisk olje og motorkjølemiddel er forurensende. Avhend disse i henhold til nasjonale eller lokale regelverk.
Rengjør maskinen, klippeenheten og motoren grundig, og vær spesielt oppmerksom på disse områdene:
Radiator og radiatorskjerm
Under klippeenheten
Under klippeenhetens remdeksler
Motvektsfjærene
PTO-akselenhet
Alle smørepunkt og omdreiningspunkt
Fjern kontrollpanelet og rengjør inni kontrollboksen
Under seteplaten og oppå drivverket
Kontroller og juster trykket i for- og bakdekkene, se Kontrollere trykket i dekkene.
Ta av, slip og balanser klippeknivene. Monter knivene og trekk dem til med knivfestene til et moment på 115–149 N·m.
Kontroller alle festene. Stram dem om nødvendig. Stram særlig de seks boltene som fester klippeenhetsrammen til trekkenheten (Figur 101) med et moment på 359 N·m.

Smør alle smørenipler og omdreiningspunkt, og drivverkets omløpspinne. Tørk opp overflødig smøremiddel.
Bruk litt sandpapir på og mal malte områder som har fått riper eller rust. Reparer alle hakk i metallet.
Overhal batteriet og kablene:
Ta batteriklemmene av batteripolene.
Rengjør batteriet, klemmene og polene med en stålbørste og en oppløsning av natron.
Smør batteripolene og kabelklemmene med Grafo 112X (Toro-delenummer 505-47) eller vaselin for å forhindre korrosjon.
Lad batteriet sakte opp i 24 timer hver 60. dag for å forhindre blysulfatering av batteriet.
Tøm motoroljen fra bunnpannen, og sett tappepluggen tilbake.
Skift ut oljefilteret.
Fyll motoren med den anbefalte motoroljen.
Start motoren, og la den gå på tomgang i to minutter.
Tøm drivstofftanken, drivstoffslangene, pumpen, filteret og utskilleren fullstendig for alt drivstoff. Spyl drivstofftanken med rent, ferskt dieseldrivstoff, og kople sammen alle drivstoffslangene.
Rengjør og overhal luftrenseren grundig.
Forsegl inntaket til luftrenseren og eksosåpningen med værbestandig maskeringstape.
Kontroller at oljelokket og drivstofftanklokket er godt skrudd til.
