| Cadenza di manutenzione | Procedura di manutenzione |
|---|---|
| Prima di ogni utilizzo o quotidianamente |
|
Questo è un tosaerba dotato di postazione per l'operatore e lame rotanti, pensato per essere utilizzato da professionisti e operatori del verde in applicazioni commerciali. Il suo scopo principale è quello di tagliare l'erba di parchi, campi sportivi e aree verdi commerciali dopo un taglio accurato. Non è stato progettato per tagliare aree cespugliose, erba e altre piante ai bordi delle strade, né per impieghi in agricoltura.
Leggete attentamente il presente manuale al fine di utilizzare e mantenere correttamente il prodotto ed evitare infortuni e danni. Voi siete responsabili del corretto utilizzo del prodotto, all'insegna della sicurezza.
Per ricevere materiale di addestramento sulla sicurezza e il funzionamento dei prodotti, informazioni sugli accessori, ottenere assistenza nella ricerca di un rivenditore o registrare il vostro prodotto potete contattare direttamente Toro all'indirizzo www.Toro.com.
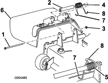
Per assistenza, ricambi originali Toro o ulteriori informazioni, rivolgetevi a un Distributore Toro autorizzato o ad un Centro Assistenza Toro ed abbiate sempre a portata di mano il numero del modello ed il numero di serie del prodotto. Figura 1 indica la posizione del numero del modello e del numero di serie sul prodotto. Scrivete i numeri negli spazi previsti.

Il sistema di avvertimento adottato dal presente manuale identifica i pericoli potenziali e riporta messaggi di sicurezza, identificati dal simbolo di avvertimento (Figura 2), che segnala un pericolo in grado di provocare infortuni gravi o la morte se non si osservano le precauzioni raccomandate.

Per evidenziare le informazioni vengono utilizzate due parole. Importante indica informazioni meccaniche di particolare importanza e Nota evidenzia informazioni generali di particolare rilevanza.
CALIFORNIA
Avvertenza norma "Proposition 65"
I gas di scarico dei motori Diesel e alcuni dei loro elementi costitutivi sono noti allo Stato della California come cancerogeni e responsabili di difetti congeniti ed altri problemi riproduttivi.
Il parascintille è disponibile come optional, poiché in alcune zone esistono normative locali, statali o federali che ne prevedono l'uso. Se desiderate ricevere un parascintille, contattate un Centro Assistenza autorizzato Toro.
I parascintille originali Toro sono approvati dall'USDA Forestry Service.
Important: Costituisce una trasgressione al Codice delle Risorse Pubbliche della California, Sezione 4442, utilizzare o azionare questo motore su terreno forestale, sottobosco o prateria senza una marmitta parascintille montata in stato di marcia, o senza che il motore sia realizzato o attrezzato per la prevenzione di incendi. Altri stati o zone federali possono avere leggi simili.
Queste macchine soddisfano o superano la norma ANSI B71.4-2004 in vigore al tempo della produzione
L'errato utilizzo o manutenzione da parte dell'operatore o del proprietario possono provocare incidenti. Per ridurre il rischio di incidenti, rispettate le seguenti norme di sicurezza e fate sempre attenzione al simbolo di allarme che indica Attenzione, Avvertenza o Pericolo – norme di sicurezza personali. Il mancato rispetto delle istruzioni può provocare infortuni o la morte.
Le seguenti istruzioni sono conformi alle norme CEN EN 836:1997 e ANSI B71.4-2004.
Questo prodotto è in grado di amputare mani e piedi e di scagliare oggetti. Rispettate sempre tutte le norme di sicurezza per evitare gravi infortuni o la morte.
Leggete attentamente il Manuale dell'operatore e gli altri stampati relativi all'addestramento. Acquisite dimestichezza con i comandi, gli adesivi di sicurezza e il corretto utilizzo della macchina.
Non consentite mai l'uso del tosaerba a bambini o a persone che non abbiano perfetta conoscenza delle presenti istruzioni. Le normative locali possono imporre limiti all'età dell'operatore.
Non tosate in prossimità di altre persone, soprattutto bambini, o di animali da compagnia.
Ricordate sempre che l'operatore o utilizzatore è responsabile di incidenti o pericoli occorsi ad altre persone o alla loro proprietà.
Non trasportate passeggeri.
Tutti i conducenti devono mirare a ottenere una formazione professionale e pratica. Tale formazione dovrà evidenziare:
la necessità di attenzione e concentrazione quando si lavora su rider
il controllo del rider che scivola su un terreno in pendenza non verrà recuperato azionando le leve di controllo. I motivi principali della perdita di controllo sono:
presa insufficiente delle ruote, specialmente su erba bagnata;
velocità troppo elevata;
azione frenante inadeguata;
tipo di macchina inadatto al compito da eseguire;
mancanza di consapevolezza degli effetti delle condizioni del terreno, soprattutto dei pendii;
errata distribuzione del carico.
Indossate pantaloni lunghi e calzature robuste e antiscivolo quando tosate. Non usate mai l'attrezzatura a piedi nudi o indossando sandali aperti.
Ispezionate attentamente l'area in cui deve essere utilizzata l'attrezzatura e sgombratela da oggetti che possano venire raccolti e scagliati dalla macchina.
Avvertenza – Il carburante è altamente infiammabile.
Conservate il carburante in apposite taniche.
Eseguite i rifornimenti all'aperto e non fumate durante l'operazione.
Aggiungete il carburante prima di avviare il motore. Non togliete mai il tappo del serbatoio, né aggiungete il carburante, a motore acceso o caldo.
Se viene inavvertitamente versato del carburante, non avviate il motore, ma allontanate la macchina dall'area interessata evitando di generare una fonte di accensione, finché i vapori del carburante non si saranno dissipati.
Montate saldamente i tappi del serbatoio del carburante e della tanica.
Sostituite le marmitte di scarico e i silenziatori difettosi.
Prima dell'uso, controllate sempre a vista che le lame, i bulloni delle lame e il gruppo di taglio non siano usurati o danneggiati. Sostituite in serie lame e bulloni usurati o danneggiati, per mantenere il bilanciamento.
Siate vigili, rallentate e procedete con cautela quando svoltate. Prima di cambiare direzione guardate indietro e ai lati.
Non azionate il motore in un locale chiuso in cui possano raccogliersi i fumi tossici dell'ossido di carbonio.
Tosate solamente alla luce del giorno o con illuminazione artificiale adeguata.
Prima di cercare di avviare il motore, disinserite tutte le frizioni dell'accessorio con lame e mettete il cambio in folle.
Ricordate che non esistono pendenze sicure. L'utilizzo su pendii erbosi richiede un'attenzione particolare. Per cautelarvi dal ribaltamento:
non fermate né avviate improvvisamente la macchina sui pendii;
rallentate sui pendii e prima di affrontare brusche curve;
prestate attenzione a protuberanze del terreno, buche e altri ostacoli nascosti.
Prestate attenzione al traffico quando attraversate o procedete nei pressi di una strada.
Arrestate la rotazione delle lame prima di attraversare superfici non erbose.
Quando utilizzate degli accessori, non dirigete mai lo scarico del materiale verso terzi e non consentite ad alcuno di avvicinarsi alla macchina durante il lavoro.
Non azionate mai la macchina con schermi o ripari difettosi, o senza i dispositivi di protezione montati.
Non modificate la taratura del regolatore del motore e non fate superare al motore i regimi previsti. Il motore che funziona a velocità eccessiva può aumentare il rischio di infortuni.
Prima di scendere dalla postazione di guida:
disinnestate la presa di forza e abbassate al suolo l'attrezzatura;
mettete il cambio in folle e inserite il freno di stazionamento;
spegnete il motore e togliete la chiave di accensione.
Disinnestate la trasmissione agli accessori, spegnete il motore e togliete la chiave di accensione:
prima di pulire gli intasamenti o di rimuovere ostruzioni dal condotto di scarico;
prima di controllare, pulire o eseguire interventi sul tosaerba;
dopo aver colpito un corpo estraneo; Ispezionate il tosaerba per rilevare eventuali danni, ed effettuate le riparazioni necessarie prima di riavviare l'accessorio;
se la macchina inizia a vibrare in modo anomalo (controllate immediatamente).
Non utilizzate il tosaerba se siete sotto l'effetto di alcol o droga.
I lampi possono causare lesioni gravi o morte. Se, mentre vi trovate sull'area di lavoro, vedete lampi o udite tuoni, non utilizzate la macchina; cercate invece un riparo.
Disinserite la trasmissione agli accessori durante i trasferimenti e quando la macchina non viene utilizzata.
Spegnete il motore e disinserite la trasmissione all'accessorio prima di fare rifornimento di carburante.
Mantenete adeguatamente serrati tutti i dadi, i bulloni e le viti, per assicurarvi che le apparecchiature funzionino nelle migliori condizioni di sicurezza.
Non tenete la macchina con carburante nel serbatoio all'interno di edifici, dove i vapori della benzina possano raggiungere fiamme libere o scintille.
Lasciate raffreddare il motore prima del rimessaggio al chiuso.
Per ridurre il rischio d'incendio, mantenete motore, silenziatore/marmitta di scarico, vano batteria e zona di conservazione del carburante esenti da erba, foglie ed eccessi di grasso.
Sostituite le parti usurate o danneggiate, per motivi di sicurezza.
Dovendo scaricare il serbatoio del carburante, eseguite l'operazione all'aperto.
Su tosaerba multilama, ricordate che la rotazione manuale di una lama può provocare la rotazione anche di altre lame.
Se la macchina deve essere parcheggiata, posta in rimessa o lasciata incustodita, abbassate il piatto di taglio.
La seguente lista contiene informazioni sulla sicurezza mirate ai prodotti Toro, od altre informazioni sulla sicurezza non comprese nella normativa CEN.
Lo scarico del motore contiene ossido di carbonio, gas velenoso inodore che può uccidere. Non fate funzionare il motore in interni o in ambienti cintati.
Mentre il motore è in funzione, tenete mani, piedi, capelli ed abiti svolazzanti a distanza dall'area di scarico degli attrezzi, dalla parte inferiore del tosaerba e da qualsiasi parte mobile.
Non toccate attrezzature o parti degli attrezzi che possano essere calde a causa del funzionamento. Lasciate che si raffreddino prima di eseguire interventi di manutenzione, regolazione o revisione.
L'acido della batteria è velenoso e può ustionare. Evitate che entri in contatto con la pelle, gli occhi e gli abiti. Quando lavorate su una batteria, proteggete il viso, gli occhi e gli abiti.
La presente macchina non è stata concepita né equipaggiata per l'impiego su strada ed è un “veicolo lento”. Se è necessario attraversare o viaggiare su una strada pubblica, l'operatore deve conoscere e attenersi alle normative locali, ad esempio in materia di luci necessarie, segnali di veicolo lento e catarifrangenti.
I gas della batteria possono esplodere; tenete lontano dalla batteria sigarette, scintille e fiamme.
Usate soltanto ricambi originali Toro per garantire il mantenimento degli standard iniziali.
Utilizzate soltanto attrezzi approvati da Toro. L'utilizzo di accessori non approvati può rendere nulla la garanzia.
Non tosate nelle adiacenze di scarpate, fossati, sponde ripide o acqua. Se le ruote cadono oltre i bordi dell'area di lavoro, possono provocare il ribaltamento della macchina e causare gravi infortuni, la morte o l'annegamento.
Non tosate in pendenza se l'erba è bagnata. L'erba bagnata riduce la trazione e può causare lo slittamento, con perdita di controllo.
Non effettuate improvvisi cambiamenti di velocità o di direzione.
Nelle adiacenze di scarpate, fossati, sponde ripide o acqua usate un tosaerba con operatore a piedi e/o un decespugliatore a mano.
Rallentate sui pendii, ed usate la massima cautela.
Rimuovete ostacoli come pietre, rami di alberi, ecc. dall'area di lavoro. L'erba alta può nascondere degli ostacoli.
Fate attenzione a fossati, buche, pietre, declivi e rialzi che modificano l'inclinazione del suolo, perché il terreno accidentato può fare ribaltare la macchina.
Evitate avviamenti e sobbalzi improvvisi in salita, perché il tosaerba può ribaltarsi all'indietro.
In discesa, tenete presente che la macchina potrebbe perdere aderenza. Il peso si trasferisce sulle ruote anteriori e può fare slittare le ruote motrici, impedendovi di controllare la frenata e lo sterzo.
Evitate sempre di eseguire partenze o fermate improvvise su una pendenza. Se le ruote perdono aderenza, disinserite le lame e scendete lentamente dalla pendenza.
Per aumentare la stabilità, seguite le raccomandazioni del produttore sulla zavorra o sui contrappesi delle ruote.
Prestate la massima attenzione con gli attrezzi, che possono influire sulla stabilità della macchina e farvi perdere il controllo.
Mantenete il roll bar sollevato e bloccato, ed usate la cintura di sicurezza quando usate la macchina.
Verificate che la cintura di sicurezza possa essere rilasciata rapidamente in caso di emergenza.
Tenete presente che quando il roll bar è abbassato siete privi di protezione antiribaltamento.
Controllate la zona da tosare, e non piegate mai il sistema di protezione antiribaltamento nelle adiacenze di pendii, scarpate o acqua.
Abbassate il roll bar solo quando è strettamente necessario. Non allacciate la cintura di sicurezza se il roll bar è piegato.
Controllate attentamente lo spazio libero superiore prima di passare con la macchina sotto qualsiasi oggetto (rami, vani porta, fili elettrici) e impeditene il contatto.
Il motore di questa macchina è conforme a EPA Tier 4 Finale e stage 3b.

![]() |
Gli adesivi di sicurezza e di istruzione sono chiaramente visibili e sono affissi accanto a zone particolarmente pericolose. Sostituite gli adesivi danneggiati o smarriti. |
























Sollevate e fissate il roll bar prima di utilizzare il prodotto; fate riferimento a Uso del sistema di protezione antiribaltamento ROPS per istruzioni e informazioni dettagliate sul sistema di protezione antiribaltamento.
Gli pneumatici vengono sovragonfiati per la spedizione. quindi occorre eliminare dell’aria per ridurre la pressione. La pressione esatta è di 1,24 bar negli pneumatici posteriori e 1,72 bar nelle ruote orientabili.
Controllate il livello del fluido idraulico prima di avviare il motore; vedere Verifica dell'impianto idraulico.
Controllate il livello dell'olio motore prima e dopo l'avviamento del motore; vedere Controllo del livello dell'olio motore.
Controllate l'impianto di raffreddamento prima di avviare il motore; vedere Verifica dell'impianto di raffreddamento .

Prima di avviare il motore e di utilizzare la macchina, familiarizzate con tutti i comandi (Figura 4 e Figura 6).
Le leve di controllo del movimento regolano il moto avanti e indietro e permettono di effettuare svolte con la macchina. Vedere Guida della macchina.
Ogni volta che spegnete il motore, inserite il freno di stazionamento per evitare lo spostamento involontario della macchina. Per inserire il freno di stazionamento tirate indietro la relativa leva e alzatela (Figura 5). Per rilasciare il freno di stazionamento, spingete in avanti la relativa leva e abbassatela.

Non parcheggiate il trattore in pendenza.
L'interruttore di accensione ha 3 posizioni: spento (Off), marcia (On)/preriscaldamento e avvio.

La leva dell'acceleratore controlla la velocità del motore. Spostate in avanti la leva dell'acceleratore verso la posizione Massima (FAST) per aumentare il regime del motore. Spostatela indietro verso la posizione Minima (SLOW) per ridurre il regime del motore. L’acceleratore controlla la velocità delle lame e in combinazione con le leve di controllo del movimento controlla la velocità di trasferimento della macchina. Durante la falciatura dell'erba, tenete sempre l'acceleratore in posizione Massima (FAST).
L'interruttore della presa di forza avvia ed arresta le lame del tosaerba.
Il display LCD InfoCenter mostra le informazioni relative alla macchina, quali lo stato di funzionamento, diagnostica e altre informazioni pertinenti (Figura 7) Sono presenti una schermata di caricamento e una schermata principale dell'InfoCenter. In qualsiasi momento potete passare dalla schermata di caricamento alla schermata principale e viceversa premendo uno dei pulsanti InfoCenter e selezionando la freccia di direzione appropriata.

Pulsante sinistro, pulsante indietro/accesso menu – premete il pulsante per accedere ai menu InfoCenter e per tornare indietro da qualsiasi menu in uso al momento.
Pulsante centrale – utilizzate il pulsante per scorrere i menu.
Pulsante destro – utilizzate il pulsante per aprire un menu in cui una freccia a destra indica un contenuto supplementare.
Note: Lo scopo di ogni pulsante può variare a seconda della necessità del momento. Ogni pulsante è contrassegnato con un'icona che ne visualizza la funzione corrente.
| SERVICE DUE | Indica quando occorre effettuare la manutenzione programmata |
| giri/min | Regime/stato motore – indica i giri/min del motore |
![]() | Contaore |
![]() | Icona informazioni |
![]() | Rigenerazione stabile necessaria |
![]() | Le candele sono attive |
![]() | L'operatore deve essere seduto alla guida |
![]() | Indicatore del freno di stazionamento – indica quando il freno di stazionamento è inserito |
![]() | Temperatura del refrigerante – Indica la temperatura del refrigerante del motore in °C o °F |
![]() | Temperatura (calda) |
![]() | Rifiutato o non permesso |
![]() | Avviamento del motore |
![]() | Arresto o spegnimento |
![]() | Motore |
![]() | Interruttore a chiave |
![]() | Codice PIN |
![]() | Temperatura dell'olio idraulico - indica la temperatura dell'olio idraulico |
![]() | Bus CAN |
![]() | InfoCenter |
![]() | Cattivo stato o non funzionante |
![]() | Lampada |
![]() | Uscita del controller TEC o cavo di controllo preassemblato |
![]() | Alta: oltre la velocità consentita |
![]() | Bassa: al di sotto della velocità consentita |
/![]() | Fuori velocità |
![]() | Interruttore |
![]() | L'operatore deve rilasciare l'interruttore |
![]() | L'operatore deve passare allo stato indicato |
| Spesso i simboli sono combinati per formare frasi. Alcuni esempi sono mostrati sotto | |
![]() | Avviamento del motore negato |
![]() | Spegnimento del motore |
![]() | Refrigerante del motore troppo caldo |
![]() | Sedersi o azionare il freno di stazionamento |
Per accedere al sistema di menu InfoCenter, premete il pulsante di accesso ai menu dalla schermata principale. Si passa così al menu principale. Consultate le tabelle seguenti per un riepilogo delle opzioni disponibili nei menu:
| Menu principale | |
| Voce menu | Descrizione |
| Guasti | Il menu Guasti contiene un elenco dei guasti recenti della macchina. Consultate il Manuale di manutenzione o il distributore Toro autorizzato per maggiori informazioni sul menu Guasti e sulle informazioni in esso contenute. |
| Servizio | Il menu Servizio contiene informazioni sulla macchina, come le ore di utilizzo e altri dati simili. |
| Impostazioni | Il menu Impostazioni consente di personalizzare e modificare le opzioni di configurazione sul display InfoCenter. |
| Informazioni | Il menu Informazioni elenca il numero del modello, il numero di serie e la versione software della macchina. |
| Service (Servizio) | |
| Voce menu | Descrizione |
| Hours | Elenca il numero totale delle ore di funzionamento della macchina, del motore e della ventola, così come il numero di ore durante le quali la macchina è stata trasferita e si è surriscaldata. |
| Impostazioni | |
| Voce menu | Descrizione |
| Unità | Imposta le unità di misura usate nell'InfoCenter. Le opzioni del menu sono Inglese o Metrico |
| Lingua | Imposta la lingua usata nell'InfoCenter*. |
| Retroilluminazione LCD | Imposta la luminosità del display LCD. |
| Contrasto LCD | Imposta il contrasto del display LCD. |
| Menu protetti | Consente a una persona autorizzata dalla vostra azienda e in possesso del codice PIN di accedere ai menu protetti. |
* Solo il testo “rivolto all'operatore” è tradotto. Le schermate Guasti, Servizio e Diagnostica sono "rivolte alla manutenzione." I titoli saranno disponibili nella lingua selezionate mentre le voci di menu in inglese.
| Informazioni | |
| Voce menu | Descrizione |
| Modello | Elenca il numero di modello della macchina. |
| NS | Elenca il numero di serie della macchina. |
| Machine Controller Revision | Elenca la revisione software del controller master. |
| Revisione InfoCenter | Elenca la versione software dell'InfoCenter. |
| CAN Bus | Elenca lo stato del bus di comunicazione della macchina. |
È presente 1 impostazione di configurazione che è regolabile nel menu Service (Manutenzione) dell'InfoCenter: richiesta di rigenerazione. Questa impostazione è presente nel menu Protected (menu protetto).
Note: Il codice PIN predefinito per la vostra macchina è 0000 o 1234.Se avete modificato il codice PIN e lo avete dimenticato, rivolgetevi a un Centro assistenza Toro autorizzato.
Dal MENU PRINCIPALE, premete il pulsante centrale per scorrere fino al MENU IMPOSTAZIONI, poi premete il pulsante destro (Figura 8).

Nel MENU PRINCIPALE, premete il pulsante centrale per scorrere fino al MENU PROTETTO, poi premete il pulsante destro (Figura 9A).

Per inserire il codice di PIN, premete il pulsante centrale finché non compare la prima cifra del numero corretto, quindi premete il pulsante destro per passare alla cifra successiva (Figura 9B e Figura 9C). Ripetete l’operazione per tutte le cifre sino all’ultima e premete nuovamente il pulsante destro.
Premete il pulsante centrale per inserire il codice PIN (Figura 9D).
Attendete fino a quando la spia di indicazione rossa dell'InfoCenter non si illumina.
Note: Se l'InfoCenter ha accettato il codice PIN e il menu protetto è stato sbloccato, viene visualizzata la parola "PIN" nell'angolo in alto a destra della schermata.
Note: Girate l'interruttore a chiave in posizione di SPEGNIMENTO e poi in posizione di ACCENSIONE per bloccare il menu protetto.
Potete visualizzare e modificare le impostazioni nel Menu Protetto. Una volta effettuato l'accesso al Menu Protetto, scorrete in basso all'opzione Protezione impostazioni. Utilizzate il pulsante destro per modificare le impostazioni. Selezionando OFF in Protect Settings (Protezione impostazioni), potrete visualizzare e modificare le impostazioni del menu protetto senza inserire il codice PIN. Impostando la voce Protezione impostazioni su ACCENSIONE nasconderà le opzioni protette richiedendo perciò l'inserimento del codice di accesso per modificare le impostazioni nel Menu Protetto. Dopo avere impostato il codice PIN, girate l'interruttore a chiave in posizione di SPEGNIMENTO e poi di nuovo in posizione di ACCENSIONE per abilitare e salvare questa impostazione.
Note: Specifiche e disegno sono soggetti a variazione senza preavviso.
| Lunghezza | 254 cm |
| Larghezza (ruote posteriori) | 198 cm |
| Altezza (quando il roll bar è alzato) | 183 cm |
| Altezza (quando il roll bar è abbassato) | 122 cm |
| Peso | 1012 kg |
| Lunghezza | 254 cm |
| Larghezza (ruote posteriori) | 191 cm |
| Altezza (quando il roll bar è alzato) | 183 cm |
| Altezza (quando il roll bar è abbassato) | 122 cm |
| Peso, modello 30618 | 1052 kg |
È disponibile una gamma di attrezzi ed accessori approvati da Toro per l'impiego con la macchina, per ottimizzare ed ampliare le sue applicazioni. Richiedete la lista degli attrezzi ed accessori approvati ad un Centro Assistenza Toro o ad un Distributore, oppure visitate www.Toro.com.
Note: Stabilite i lati sinistro e destro della macchina dalla normale posizione di guida.
Leggete attentamente tutte le istruzioni e i simboli contenuti nella sezione sulla sicurezza. Queste informazioni contribuiranno alla protezione vostra e di altre persone.
L'erba bagnata e pendenze ripide possono causare scivolate e la perdita di controllo del tosaerba.
Se le ruote cadono oltre i bordi dell'area di lavoro, possono provocare il ribaltamento della macchina e causare gravi infortuni, la morte o l'annegamento.
Quando il roll bar è abbassato non vi sono altre protezioni antiribaltamento.
Tenete sempre il roll bar completamente alzato e bloccato in tale posizione, ed allacciate la cintura di sicurezza.
Leggete le istruzioni e le avvertenze relative alla protezione antiribaltamento, ed osservatele.
Per non perdere controllo ed evitare il rischio di ribaltamento:
non tosate nelle adiacenze di scarpate o acqua;
non utilizzate su pendenze superiori ai 20 gradi;
rallentate sui pendii, ed usate la massima cautela;
evitate curve brusche e rapidi cambiamenti di velocità.
Questa macchina produce livelli acustici che possono causare la perdita dell'udito in caso di lunghi periodi di esposizione al rumore.
Quando utilizzate questa macchina usate la protezione per l'udito.
Si consiglia di usare apparecchiature di protezione per occhi, orecchie, mani, piedi e capo.

Se ingerito, il carburante è nocivo o micidiale. L'esposizione a lungo termine ai vapori di carburante può causare gravi danni e malattie.
Evitate di respirare a lungo i vapori.
Tenete il viso lontano dall'ugello e dall'apertura del serbatoio di carburante o del condizionatore.
Tenete il carburante lontano dagli occhi e dalla pelle.
In talune condizioni, il carburante è estremamente infiammabile ed altamente esplosivo. Un incendio o un'esplosione causati dal carburante possono ustionare voi ed altre persone, e provocare danni.
Fate il pieno di carburante all'aria aperta, a motore freddo, e tergete il carburante versato.
Non riempite mai il serbatoio del carburante all'interno di un rimorchio cintato.
Non fumate mai quando maneggiate il carburante, e state lontani da fiamme libere o dove i fumi di carburante possano essere accesi da una scintilla.
Conservate il carburante in taniche approvate, e tenetelo lontano dalla portata dei bambini. Acquistate carburante in modo da utilizzarla entro 180 giorni.
Non utilizzate la macchina senza l'impianto di scarico completo, o se quest'ultimo non è in perfette condizioni d'impiego.
Durante il rifornimento di carburante, in alcune condizioni vengono rilasciate cariche elettrostatiche che possono sprigionare scintille e incendiare i vapori di carburante. Un incendio o un'esplosione causati dal carburante possono ustionare voi ed altre persone, e provocare danni.
Prima del rabbocco, posizionate sempre le taniche di carburante sul pavimento, lontano dal veicolo.
Non riempite le taniche di carburante all'interno di un veicolo oppure su un camion o rimorchio, in quanto il tappetino del rimorchio o le pareti di plastica del camion possono isolare la tanica e rallentare la dispersione delle cariche elettrostatiche.
Se possibile, scaricate la macchina dal camion o dal rimorchio ed effettuate il rifornimento con le ruote al suolo.
Qualora ciò non sia possibile, rabboccate l'apparecchiatura sul camion o sul rimorchio mediante una tanica portatile, anziché con un normale ugello di pompa del carburante.
Qualora fosse indispensabile utilizzare una pompa del carburante, tenete sempre l'ugello a contatto con il bordo del serbatoio del carburante o con il foro della tanica finché non sia stato completato il rifornimento.
Important: Utilizzate solamente gasolio con un contenuto di zolfo molto bassa. Il carburante con valori superiori di zolfo degrada il catalizzatore dell'ossidazione del diesel (DOC), causando problemi operativi e abbreviando la durata operativa dei componenti del motore.La mancata osservanza delle seguenti precauzioni può danneggiare il motore.
Non utilizzate mai kerosene o benzina al posto di carburante diesel.
Non miscelate mai kerosene o olio motore già usato con il gasolio.
Non conservate mail il carburante in contenitori con rivestimento interno in zinco.
Non utilizzate additivi per il carburante.
Valore nominale di cetano: 45 o superiore
Contenuto di zolfo: zolfo ultra basso (<15 ppm)
| Specifiche del carburante diesel | Posizione |
| ASTM D975 | USA |
| N. 1-D S15 | |
| N. 2-D S15 | |
| EN 590 | Unione europea |
| ISO 8217 DMX | Internazionale |
| JIS K2204 grado n. 2 | Giappone |
| KSM-2610 | Corea |
Utilizzate solo carburante diesel o carburanti biodiesel freschi e puliti.
Acquistate il carburante in quantità tali che ne consentano il consumo entro 180 giorni in modo da garantirne la freschezza.
Utilizzate gasolio per uso estivo (n. 2-D) a temperature superiori a -7 °C e gasolio per uso invernale (n. 1-D o miscela n. 1-D/2-D) a temperature inferiori a -7 °C.
Note: L'uso di carburante per uso invernale a basse temperature assicura un punto di infiammabilità inferiore e caratteristiche di flusso a freddo che agevolano l'avvio e riducono la chiusura del filtro del carburante.L'uso del carburante per uso estivo a temperature superiori a -7 °C contribuisce a una più lunga durata della pompa del carburante e a una maggiore potenza rispetto al carburante per uso invernale.
Questa macchina può anche utilizzare una miscela di carburante biodiesel fino a B20 (20% di biodiesel, 80% di diesel).
Contenuto di zolfo: zolfo ultra basso (<15 ppm)
Specifiche del carburante biodiesel: ASTM D6751 o EN 14214
Specifiche della miscela di carburante: ASTM D975, EN 590 o JIS K2204
Important: La porzione di diesel deve avere un contenuto ultra basso di zolfo.
Prendete le seguenti precauzioni:
Le miscele di biodiesel possono danneggiare le superfici verniciate.
In caso di condizioni atmosferiche fredde utilizzate miscele B5 (contenuto di biodiesel pari al 5%) o inferiori.
Monitorate le guarnizioni di tenuta, i flessibili e le guarnizioni a contatto con il carburante, poiché con il tempo potrebbero degradarsi.
Dopo la conversione a miscele di biodiesel può verificarsi una chiusura del filtro del carburante.
Contattate il vostro distributore Toro autorizzato se desiderate ulteriori informazioni sul biodiesel.
43.5 litri (11.5 galloni USA)
Important: I serbatoi del carburante sono collegati, tuttavia il carburante non si trasferisce velocemente da un serbatoio all'altro. Importante: prima del rifornimento parcheggiate su una superficie pianeggiante. Se parcheggiate in pendenza potreste inavvertitamente riempire troppo i serbatoi.
Important: Non riempite troppo i serbatoi del carburante.
Important: Non aprite i serbatoi del carburante quando siete parcheggiati su un pendio. Il carburante potrebbe fuoriuscire.
Parcheggiate la macchina su terreno pianeggiante.
Important: I serbatoi del carburante sono collegati, tuttavia il carburante non si trasferisce velocemente da un serbatoio all'altro. Importante: prima del rifornimento parcheggiate su una superficie pianeggiante. Se parcheggiate in pendenza potreste inavvertitamente riempire troppo i serbatoi.
Spegnete il motore ed inserite il freno di stazionamento.
Pulite l'area intorno al tappo di ogni serbatoio e togliete il tappo.
Important: Non aprite i serbatoi del carburante quando siete parcheggiati su un pendio. Il carburante potrebbe fuoriuscire.
Aggiungete carburante in entrambi i serbatoi fin quando non è a livello con la base del collo del bocchettone (Figura 11). Non riempite troppo i serbatoi.

Montate saldamente i tappi sui serbatoi, Tergete il carburante versato.
Note: Se possibile, rabboccate sempre i serbatoi del carburante dopo l'uso. In tal modo ridurrete al minimo l'accumulo di condensa all'interno del serbatoio.
Prima di avviare il motore e di utilizzare la macchina, controllate il livello dell'olio nella coppa; vedere Cambio dell’olio motore.
Prima di avviare il motore e di utilizzare la macchina, controllate l'impianto di raffreddamento; vedere Verifica dell'impianto di raffreddamento .
Prima di avviare il motore e di utilizzare la macchina, controllate l'impianto idraulico; vedere Verifica dell'impianto idraulico.
Per evitare ferite ed anche la morte, tenete il roll bar alzato ed allacciate la cintura di sicurezza.
Verificate che la parte posteriore del sedile sia ancorata con l'apposito fermo.
Quando il roll bar è abbassato non vi è altra protezione antiribaltamento.
Abbassate il roll bar soltanto se assolutamente necessario.
Non allacciate la cintura di sicurezza quando il roll bar è abbassato.
Guidate lentamente e con prudenza.
Alzate il roll bar non appena l'altezza lo consente.
Controllate attentamente lo spazio libero superiore prima di passare con la macchina sotto qualsiasi oggetto (rami, vani porta, fili elettrici) e impeditene il contatto.
Important: Abbassate il roll bar soltanto se assolutamente necessario.
Per abbassare il roll bar, togliete le coppiglie, spingete in avanti il roll bar contro le molle e togliete le 2 spine (Figura 12).

Abbassate il roll bar (Figura 13).

Montate le 2 spine e fissatele con le coppiglie (Figura 12).
Important: Verificate che la parte posteriore del sedile sia ancorata con l'apposito fermo.
Per alzare il roll bar rimuovete le coppiglie e le 2 spine (Figura 12).
Alzate completamente il roll bar e montate le 2 spine, quindi fissatele con le coppiglie (Figura 12).
Important: Tenete sempre la cintura di sicurezza allacciata quando il roll bar è alzato e bloccato. Non allacciate la cintura di sicurezza se il roll bar è abbassato.
Innestate sempre il freno di stazionamento prima di spegnere o lasciare incustodita la macchina.
Spostate le leve di controllo del movimento togliendole dalla posizione di blocco in folle NEUTRAL-LOCKED (Figura 18).
Tirate in fuori ed alzate la leva del freno di stazionamento per inserire il freno (Figura 14).
Note: La leva del freno di stazionamento deve rimanere saldamente innestata.

Il freno di stazionamento potrebbe non trattenere la macchina se questa è parcheggiata su una pendenza, e potrebbe causare infortuni o danni.
Non parcheggiate la macchina su pendenze, a meno che le ruote non siano bloccate da zeppe o blocchi.
Spingete in avanti ed abbassate la leva del freno di stazionamento per rilasciare il freno (Figura 15).

Alzate il roll bar e bloccatelo, sedetevi al posto di guida e allacciate la cintura di sicurezza.
Verificate che le leve di controllo del movimento siano in posizione di blocco in folle NEUTRAL-LOCKED.
Inserite il freno di stazionamento; vedere Innesto del freno di stazionamento.
Disinserite la presa di forza (posizione OFF) (Figura 16).

Girate la chiave di accensione in senso orario, in posizione di marcia RUN (Figura 17).

Quando la spia luminosa della candela a incandescenza si affievolisce, girate la chiave in posizione START. Rilasciatela quando il motore si accende.
Important: Per non surriscaldare il motorino di avviamento non usate cicli di avviamento per più di 15 secondi ogni minuto.
Note: La prima volta che avviate il motore, dopo avere lasciato il sistema di alimentazione completamente vuoto, occorreranno probabilmente altri cicli di avviamento.
Important: Quando avviate il motore per la prima volta, o dopo il cambio dell'olio motore o un intervento di revisione del motore, della trasmissione o del motore delle ruote, guidate la macchina con la leva dell'acceleratore sulla minima SLOW, in marcia avanti e in retromarcia, per 1 o 2 minuti. Azionate anche la leva di sollevamento e quella della PDF per verificare che tutte le parti funzionino correttamente. Spegnete quindi il motore e controllate il livello dei fluidi, verificate che non vi siano perdite d'olio, parti allentate o altri ovvi problemi.
Prima di controllare che non vi siano perdite d'olio, parti allentate o altri problemi, spegnete il motore e attendete che tutte le parti in movimento si siano fermate.
Disinnestate la PDF, spostate le leve di controllo del movimento in posizione di blocco in folle NEUTRAL-LOCKED, inserite il freno di stazionamento e spostate la leva dell'acceleratore alla minima SLOW.
Girate la chiave di accensione in posizione OFF (Figura 17). Attendete che tutte le parti in movimento si siano fermate, prima di lasciare il posto di guida.
Togliete la chiave prima di trasferire la macchina o del rimessaggio.
Important: Non dimenticate di togliere la chiave, in quanto la pompa del carburante e gli accessori possono funzionare e fare scaricare la batteria.
Bambini ed altre persone potrebbero ferirsi se dovessero spostare o cercare di azionare il trattore quando è incustodito.
Togliete sempre la chiave di accensione ed inserite il freno di stazionamento prima di lasciare incustodita la macchina, anche per pochi minuti.
Il comando dell'acceleratore regola il regime del motore, misurato in giri al minuto. Posizionate il comando dell'acceleratore in posizione FAST per ottenere prestazioni ottimali. Tosate sempre con l'acceleratore sulla massima FAST.
La macchina può girare molto rapidamente. Potreste perdere il controllo della macchina ed infortunarvi o danneggiare la macchina.
Prestate molta attenzione quando sterzate.
Rallentate prima di prendere curve strette.
Rilasciate il freno di stazionamento; vedere Rilascio del freno di stazionamento.
Note: Il motore si spegne se spostate le leve di comando della trazione quando è innestato il freno di stazionamento.
Sbloccate le leve portandole al centro.
Guidate la macchina come segue:
Per fare marcia avanti spingete lentamente in avanti le leve di controllo del movimento (Figura 18).
Per fare marcia indietro tirate lentamente indietro le leve di controllo del movimento (Figura 18).
per svoltare, rallentate tirando indietro entrambe le leve, poi spingete in avanti la leva sul lato opposto a quello da cui volete svoltare (Figura 18).
Per fermarvi tirate in folle (NEUTRAL) le leve di controllo del movimento.
Note: Più spostate le leve di comando della trazione in una direzione o nell'altra, più velocemente si sposterà la macchina in tale direzione.

Per fermare la macchina, mettete in folle le leve di controllo della trazione e mettetele in posizione di blocco NEUTRAL-LOCKED, disinnestate la presa di forza (PDF), mettete l'acceleratore al minimo (SLOW) e spegnete il motore.
Innestate il freno di stazionamento quando vi allontanate dalla macchina; vedere Innesto del freno di stazionamento. Non dimenticate di togliere la chiave di accensione.
Bambini ed altre persone potrebbero ferirsi se dovessero cercare di spostare o cercare di azionare il trattore quando è incustodito.
Togliete sempre la chiave di accensione ed inserite il freno di stazionamento prima di lasciare incustodita la macchina, anche per pochi minuti.
L'interruttore di sollevamento del piatto di taglio alza e abbassa il piatto di taglio (Figura 19).
Note: Il motore deve girare per potere utilizzare questa leva.

Per abbassare il piatto di taglio, spingete in basso l'interruttore del piatto di taglio (Figura 19).
Note: Quando abbassate il piatto di taglio del tosaerba, sarà in posizione di galleggiamento/minimo.
Per sollevare il piatto di taglio, spingete in alto l'interruttore del piatto di taglio (Figura 19).
Important: Una volta sollevato o abbassato completamente il piatto di taglio, non trattenete l'interruttore in alto o in baso, perché danneggereste l'impianto idraulico.
Note: Per bloccare il piatto di taglio in posizione sollevata, sollevatelo oltre la posizione di 15 cm, togliete la spina di fermo dell'altezza di taglio (vedere Regolazione dell'altezza di taglio) e inseritela nella posizione dell'altezza di taglio di 15 cm (Figura 43).
L'interruttore della presa di forza (PDF) avvia e arresta le lame del tosaerba e alcuni accessori elettrici.
A motore freddo, lasciate riscaldare il motore per 5 o 10 minuti prima di inserire la PDF.
Sedetevi al posto di guida, rilasciate la pressione delle leve di comando della trazione e mettetele in folle.
Innestate il interruttore della PDF alzandolo (Figura 20).

Per disinserire la PDF spingete il relativo comando in posizione OFF.
Note: Tagliare l’erba a un ritmo che carica il motore favorisce la rigenerazione del DPF.
Spostate la macchina sul luogo di lavoro.
Tutte le volte che è possibile, impostate l’interruttore della velocità del motore sul massimo alto.
Innestate l’interruttore della PDF.
Spostate gradualmente il pedale della trazione in avanti e guidate lentamente la macchina portandola sull’area da tosare.
Quando gli apparati di taglio anteriori si trovano sull'area da tosare, abbassate gli apparati di taglio.
Fate in modo che le lame possano tagliare e scaricare lo sfalcio a ritmi sostenuti senza rinunciare alla qualità di taglio.
Note: Ritmi troppo elevati possono compromettere la qualità di taglio. Riducete la velocità di trasferimento della macchina o la larghezza di taglio per tornare a un regime di minimo alto.
Quando gli apparati di taglio si trovano sul limite estremo dell’area da tosare, sollevateli.
Curvate seguendo una traiettoria approssimativamente a forma di goccia per allinearvi per la passata successiva.
Il filtro antiparticolato (FAP) fa parte del sistema di scarico. Il catalizzatore dell'ossidazione diesel del FAP riduce i gas nocivi e il filtro antifuliggine rimuove la fuliggine dallo scarico del motore.
Il processo di rigenerazione FAP utilizza il calore dello scarico del motore per incenerire la fuliggine accumulata nel filtro antifuliggine, convertendo la fuliggine in cenere e pulisce i canali del filtro antifuliggine in modo che dal FAP fluisca uno scarico motore filtrato.
Il computer del motore monitora l'accumulo di fuliggine misurando la contropressione nel FAP. Se la contropressione è troppo elevata, la fuliggine non viene incenerita nel filtro antifuliggine attraverso il normale funzionamento del motore. Per mantenere il FAP privo di fuliggine, ricordate quanto segue:
La rigenerazione passiva si verifica continuamente quando il motore è in funzione: lasciate il motore in funzione a pieno regime quando possibile per promuovere la rigenerazione FAP.
Se la contropressione è troppo elevata, il computer del motore ve lo segnala attraverso l'InfoCenter quando sono in funzione processi aggiuntivi (rigenerazione assistita e di ripristino).
Attendete la fine del processo di rigenerazione assistita o di ripristino prima di spegnere il motore.
Azionate e mantenete la vostra macchina con in mente la funzione del FAP. Il carico del motore alla velocità minima superiore del motore generalmente produce una temperatura di scarico adeguata per la rigenerazione FAP.
Important: Riducete al minimo la quantità di tempo con il motore al minimo, oppure azionate il motore a una bassa velocità del motore per aiutare a ridurre l'accumulo di fuliggine nel filtro antifuliggine.
La temperatura di scarico è molto calda (circa 600°C (1112°F) durante la rigenerazione parcheggiata o la rigenerazione di recupero del FAP. Il gas di scarico caldo può causare danni a voi o ad altre persone.
Non azionate mai il motore in un'area chiusa.
Assicuratevi che non vi siano materiali infiammabili attorno al sistema di scarico.
Non toccate mai un componente del sistema di scarico caldo.
Non sostate mai vicino o attorno al tubo di scarico della macchina.
Nel corso del tempo, il DPF accumula particolato nel filtro. Il computer del motore monitora il livello di fuliggine nel FAP.
Quando si accumula fuliggine sufficiente, il computer vi informa che è il momento di rigenerare il filtro antiparticolato.
La rigenerazione FAP è un processo che riscalda il FAP per convertire la fuliggine in cenere.
Oltre ai messaggi di avvertenza, il computer riduce l'alimentazione prodotta dal motore a diversi livelli di accumulo della fuliggine.
| Livello indicazione | Codice di guasto | Potenza nominale del motore | Azione raccomandata |
| Livello 1: avvertenza motore |
![]() | Il computer riduce la potenza del motore all'85% | Effettuate una rigenerazione parcheggiata appena possibile; fate riferimento a Rigenerazione parcheggiata. |
| Livello 2: avvertenza motore |
![]() | Il computer riduce la potenza del motore al 50% | Effettuate una rigenerazione di recupero appena possibile; fate riferimento a Rigenerazione di recupero. |
La cenere più leggera viene scaricata attraverso il sistema di scarico; la cenere più pesante si raccoglie nel filtro antifuliggine.
La cenere è un residuo del processo di rigenerazione. Nel corso del tempo, il filtro antiparticolato accumula cenere che non si scarica con lo scarico del motore.
Il computer del motore calcola la quantità di cenere accumulata nel FAP.
Quando si accumula cenere sufficiente, il computer del motore invia l'informazione all'InfoCenter sotto forma di un avviso di sistema o un guasto motore per indicare l'accumulo di cenere nel FAP.
L'avviso e i guasti sono indici che è il momento di effettuare la manutenzione del FAP.
Oltre alle avvertenze, il computer riduce l'alimentazione prodotta dal motore a diversi livelli di accumulo della cenere.
| Livello indicazione | Codice di avviso o di guasto | Riduzione della velocità del motore | Potenza nominale del motore | Azione raccomandata |
|---|---|---|---|---|
| Livello 1: avviso di sistema |
![]() | Nessuna | 100% | Notificate il vostro reparto manutenzione che nell'InfoCenter viene visualizzato l'avviso n.179. |
| Livello 2: avvertenza motore |
![]() | Nessuna | Il computer riduce la potenza del motore all'85% | Effettuate la manutenzione del FAP; fate riferimento a Manutenzione del catalizzatore di ossidazione diesel (DOC) e del filtro antifuliggine. |
| Livello 3: avvertenza motore |
![]() | Nessuna | Il computer riduce la potenza del motore al 50% | Effettuate la manutenzione del FAP; fate riferimento a Manutenzione del catalizzatore di ossidazione diesel (DOC) e del filtro antifuliggine. |
| Livello 4: avvertenza motore |
![]() | Velocità del motore alla coppia max + 200 giri/min | Il computer riduce la potenza del motore al 50% | Effettuate la manutenzione del FAP; fate riferimento a Manutenzione del catalizzatore di ossidazione diesel (DOC) e del filtro antifuliggine. |
| Tipo di rigenerazione | Condizioni per la rigenerazione del FAP | Descrizione del funzionamento del FAP |
|---|---|---|
| Passivo | Si verifica durante il normale funzionamento della macchina ad alta velocità del motore o ad alto carico del motore | L'InfoCenter non visualizza un'icona indicante la rigenerazione passiva. |
| Durante la rigenerazione passiva, il FAP elabora gas di scarico ad elevato calore, ossidando le emissioni nocive e bruciando la fuliggine in cenere. | ||
| Vedere Rigenerazione FAP passiva. | ||
| Assistito | Si verifica a seguito di bassa velocità del motore, basso carico del motore o quando il computer rileva una contropressione nel FAP. | Quando l'icona rigenerazione assistita/ripristino viene visualizzata nell'InfoCenter,
è in corso una rigenerazione assistita. |
| Durante la rigenerazione assistita, il computer controlla la farfalla di aspirazione per aumentare la temperatura di scarico, facendo sì che possa avere luogo la rigenerazione assistita. | ||
| Vedere Rigenerazione FAP assistita. | ||
| Ripristino | Si verifica dopo la rigenerazione assistita, solo se il computer rileva che la rigenerazione assistita non ha ridotto a sufficienza il livello di fuliggine. | Quando nell'InfoCenter viene visualizzata
l'icona rigenerazione assistita/ripristino , è in corso una
rigenerazione. |
| Si verifica anche ogni 100 ore, per ripristinare le letture del sensore di riferimento | ||
| Durante la rigenerazione di ripristino, il computer controlla la farfalla di aspirazione e gli iniettori del carburante per aumentare la temperatura di scarico durante la rigenerazione. | ||
| Vedere Rigenerazione di ripristino. |
| Tipo di rigenerazione | Condizioni per la rigenerazione del FAP | Descrizione del funzionamento del FAP |
|---|---|---|
| Parcheggiato | Si verifica un accumulo di fuliggine a causa del funzionamento prolungato a bassa velocità del motore o basso carico del motore. Può anche verificarsi a causa dell'utilizzo di carburante od olio non corretti | Quando nell'InfoCenter viene visualizzata
l'icona rigenerazione parcheggiata , viene richiesta una rigenerazione. |
| Il computer rileva una contropressione dovuta ad accumulo di fuliggine e richiede una rigenerazione parcheggiata. | ||
| • Effettuate la rigenerazione parcheggiata appena possibile per evitare la necessità di una rigenerazione di recupero. | ||
| • Il completamento di una rigenerazione parcheggiata richiede da 30 a 60 minuti. | ||
| • Il serbatoio deve contenere almeno ¼ di carburante. | ||
| • Dovete parcheggiare la macchina per effettuare una rigenerazione di recupero. | ||
| Vedere Rigenerazione parcheggiata. | ||
| Recupero | Si verifica quando vengono ignorate le richieste di rigenerazione parcheggiata e viene proseguito l'utilizzo, aggiungendo ulteriore fuliggine quando il FAP richiede già una rigenerazione parcheggiata. | Quando nell'InfoCenter viene visualizzata l'icona
rigenerazione di recupero , viene richiesta una rigenerazione di recupero. |
| Contattate il vostro Centro assistenza Toro autorizzato perché un tecnico della manutenzione esegua la rigenerazione di recupero. | ||
| • Il completamento di una rigenerazione di recupero richiede fino a 4 ore. | ||
| • La macchina deve avere almeno ½ serbatoio di carburante. | ||
| • Dovete parcheggiare la macchina per effettuare una rigenerazione di recupero. | ||
| Vedere Rigenerazione di recupero. |
La rigenerazione passiva avviene nell'ambito del normale funzionamento del motore.
Durante l'utilizzo della macchina, lasciate il motore in funzione a pieno regime quando possibile per promuovere la rigenerazione FAP.

Nell'InfoCenter viene visualizzata l'icona di rigenerazione assistita/ripristino (Figura 27).
Il computer assume il controllo della farfalla di aspirazione per aumentare la temperatura di scarico del motore.
Durante l'utilizzo della macchina, lasciate il motore in funzione a pieno regime quando possibile per promuovere la rigenerazione FAP.
L'icona
viene visualizzata nell'InfoCenter quando
è in corso la rigenerazione assistita.
Quando possibile, non spegnete il motore né riducete la velocità del motore mentre la rigenerazione assistita è in corso.
Important: Attendete il completamento del processo di rigenerazione assistita da parte della macchina prima di spegnere il motore.
Note: La rigenerazione assistita è terminata quando l'icona
scompare dall'InfoCenter.

Nell'InfoCenter viene visualizzata l'icona di rigenerazione assistita/ripristino (Figura 28).
Il computer assume il controllo della farfalla di aspirazione e modifica il funzionamento dell'iniezione di carburante per aumentare la temperatura di scarico del motore.
Important: L'icona di rigenerazione assistita/ripristino indica che la temperatura di scarico in uscita dalla vostra macchina potrebbe essere più calda rispetto al normale funzionamento.
Durante l'utilizzo della macchina, lasciate il motore in funzione a pieno regime quando possibile per promuovere la rigenerazione FAP.
L'icona
viene visualizzata nell'InfoCenter quando
è in corso la rigenerazione di ripristino.
Quando possibile, non spegnete il motore né riducete la velocità del motore mentre la rigenerazione di ripristino è in corso.
Important: Attendete il completamento del processo di rigenerazione di ripristino da parte della macchina prima di spegnere il motore.
Note: La rigenerazione di ripristino è terminata quando l'icona
scompare dall'InfoCenter.

Nell'InfoCenter viene visualizzata l'icona di richiesta rigenerazione parcheggiata (Figura 29).
Se è necessaria una rigenerazione parcheggiata, viene visualizzata un'avvertenza motore nell'InfoCenter SPN 3719, FMI 16 (Figura 30) e il computer riduce la potenza del motore all'85%.

Important: Se non completate una rigenerazione parcheggiata entro 2 ore, il computer riduce la potenza del motore al 50%.
Il completamento di una rigenerazione parcheggiata richiede da 30 a 60 minuti.
Se siete autorizzati dalla vostra azienda, avrete bisogno del codice PIN per effettuare il processo di rigenerazione parcheggiata.
Assicuratevi che la macchina abbia almeno ¼ di carburante nel serbatoio.
Portate la macchina all'aperto, lontano da materiali combustibili.
Parcheggiate la macchina su terreno pianeggiante.
Assicuratevi che le leve di comando della trazione e di controllo del movimento siano in posizione di FOLLE.
Se del caso, abbassate gli apparati di taglio e spegneteli.
Inserite il freno di stazionamento.
Impostate l'acceleratore in posizione di MINIMA inferiore.
Note: Per le istruzioni sullo sbloccaggio dei menu protetti, fate riferimento a Accesso ai menu protetti.
Accedete al menu protetto e sbloccate il sottomenu delle impostazioni protette (Figura 31); fate riferimento a Accesso ai menu protetti.

Navigate al MENU PRINCIPALE, premete il pulsante centrale per scorrere fino all'opzione MENU MANUTENZIONE, poi premete il pulsante destro per selezionare l'opzione MANUTENZIONE (Figura 32).
Note: L'InfoCenter deve visualizzare l'indicatore PIN nell'angolo in alto a destra del display.

Nel MENU MANUTENZIONE, premete il pulsante centrale fino a visualizzare l'opzione RIGENERAZIONE FAP, poi premete il pulsante destro per selezionare l'opzione RIGENERAZIONE FAP (Figura 33).

Quando viene visualizzato il messaggio "Inizializzare Rigen. FAP?" premete il pulsante centrale (Figura 34).

Se la temperatura del refrigerante è inferiore
a 60°C,
viene visualizzato il messaggio “Insure
is running and above 60C/140F”
(Assicurarsi che sia in funzione e sopra 60 °C). (Figura 35).
Osservate la temperatura sul display e lasciate in funzione la macchina a pieno regime fino a quando la temperatura non raggiunge 60°C, poi premete il pulsante centrale.
Note: Se la temperatura del refrigerante è superiore a 60°C, questa schermata viene saltata.

Spostate il comando dell'acceleratore in posizione di MINIMA INFERIORE e premete il pulsante centrale (Figura 36).

Vengono visualizzati i seguenti messaggi quando ha inizio il processo di rigenerazione parcheggiata:
Viene visualizzato il messaggio "Inizializzare Rigen. FAP" (Figura 37).

Viene visualizzato il messaggio "In attesa di
" (Figura 38).

Il computer determina se la rigenerazione è in funzione. Nell'InfoCenter viene visualizzato uno dei seguenti messaggi:
Se la rigenerazione è consentita, nell'InfoCenter viene visualizzato il messaggio "Rigen. inizializzata. Attendere fino a 30 minuti per il completamento", attendete il completamento del processo di rigenerazione parcheggiata da parte della macchina (Figura 39).

Se il processo di rigenerazione non è consentito dal computer del motore, viene visualizzato il messaggio "Rigen. FAP non consentita" nell'InfoCenter (Figura 40). Premete il pulsante sinistro per uscire e tornare alla schermata Home.
Important: Se non avete soddisfatto tutti i requisiti per la rigenerazione o se sono passate meno di 50 ore dall'ultima rigenerazione, appare il messaggio "Rigen. FAP non consentita".

Mentre la rigenerazione è in funzione, l'InfoCenter torna alla schermata Home e visualizza le seguenti icone:
![]() | Il motore è freddo - attendere. | |
![]() | Il motore è caldo - attendere. | |
![]() | Il motore è molto caldo - rigenerazione in corso (percentuale di completamento). |
La rigenerazione parcheggiata è completa quando nell'InfoCenter appare il messaggio "Rigen. completa". Premete il pulsante sinistro per uscire e tornare alla schermata Home (Figura 41).

Se ignorate la richiesta di rigenerazione parcheggiata (visualizzata nell'InfoCenter) e continuate a utilizzare la macchina, nel FAP si accumula una quantità critica di fuliggine.
Se è necessaria una rigenerazione di recupero, viene visualizzata un'avvertenza motore nell'InfoCenter SPN 3719, FMI 16 (Figura 42) e il computer riduce la potenza del motore all'85%.

Important: Se non completate una rigenerazione di recupero entro 15 minuti, il computer riduce la potenza del motore al 50%.
Effettuate una rigenerazione di recupero ogniqualvolta si verifica una perdita di potenza del motore e una rigenerazione parcheggiata non è in grado di pulire il FAP dalla fuliggine in modo efficace.
Il completamento di una rigenerazione di recupero richiede fino a 4 ore.
Per eseguire il processo di rigenerazione di recupero, è necessario un tecnico dell'assistenza; contattate il vostro Centro assistenza Toro autorizzato.
Potete regolare l'altezza di taglio da 2,5 a 15,2 cm in incrementi di 6 mm, spostando la spina di fermo in fori diversi.
A motore acceso, tirate verso l'alto l'interruttore di sollevamento del piatto di taglio fino a sollevare completamente il piatto e rilasciate immediatamente l'interruttore (Figura 19).
Per regolare l'altezza di taglio, girate la spina di arresto fin quando la spina interna non è allineata con gli intagli previsti nei fori della staffa dell'altezza di taglio, e toglietela (Figura 43).
Nella staffa dell'altezza di taglio scegliete un foro corrispondente all'altezza di taglio desiderata, inserite la spina e bloccatela per mantenere questa posizione (Figura 43).
Note: Vi sono 4 file di fori di posizionamento (Figura 43). La fila superiore fornisce l'altezza di taglio elencata sopra la spina. La seconda fila fornisce l'altezza elencata più 6 mm. La terza fila fornisce l'altezza elencata più 13 mm. La fila inferiore fornisce l'altezza elencata più 18 mm. La posizione di 15,8 cm ha un solo foro, situato nella seconda fila, che non aggiunge 6 mm alla posizione di 15,8 cm.

All'occorrenza regolate i rulli antistrappo e i pattini.
Montate i pattini nella posizione inferiore per lavori con altezze di taglio superiori a 64 mm, oppure nella posizione superiore per altezze di taglio inferiori.
Note: Quando i pattini del tosaerba Guardian® sono consumati, potete capovolgerli ed utilizzarli sui lati opposti del tosaerba. Potrete così utilizzare più a lungo i pattini prima di sostituirli.
Disinnestate la PDF, spostate le leve di controllo del movimento in posizione di BLOCCO IN FOLLE e inserite il freno di stazionamento.
Portate la leva dell'acceleratore in posizione SLOW, spegnete il motore, togliete la chiave di accensione e prima di scendere dalla postazione di guida attendete che le parti in movimento si siano fermate.
Allentate la vite davanti a ciascun pattino (due pattini sui piatti di taglio del Guardian ed uno sui piatti di taglio con scarico laterale, come illustrato nella Figura 44.

Togliete i bulloni a testa flangiata e i dadi da ciascun pattino.
Spostate i pattini nella posizione opportuna e fissateli con i bulloni a testa flangiata e i dadi.
Note: Per la regolazione dei pattini utilizzate soltanto la serie di fori superiore o centrale. I fori inferiori vengono utilizzati quando si scambiano le posizioni sui lati di un piatto di taglio del Guardian; in tal caso essi diventano i fori superiori dall'altro lato del tosaerba.
Serrate la vite davanti a ciascun pattino a un valore compreso tra 9 e 11 N·m.
Ogni volta che cambiate l'altezza di taglio, regolate anche l'altezza dei rulli antistrappo posteriori.
Disinnestate la PDF, spostate le leve di controllo del movimento in posizione di BLOCCO IN FOLLE, ed inserite il freno di stazionamento.
Portate la leva dell'acceleratore in posizione SLOW, spegnete il motore, togliete la chiave di accensione e prima di scendere dalla postazione di guida attendete che le parti in movimento si siano fermate.
Dopo avere regolato l'altezza di taglio, regolate i rulli togliendo il dado flangiato, la boccola, il distanziale ed il bullone (Figura 45).

Scegliete il foro in modo da posizionare il rullo antiscalpo all'altezza di taglio corrispondente più vicina all'altezza richiesta (Figura 46).

Montate il dado flangiato, la boccola, il distanziale e il bullone (Figura 45).
Note: Serrate a 54-61 N·m.
Montate i rulli nella posizione inferiore per lavori con altezze di taglio superiori a 64 mm, oppure nella posizione superiore per altezze di taglio inferiori.
Disinnestate la PDF, spostate le leve di controllo del movimento in posizione di BLOCCO IN FOLLE e inserite il freno di stazionamento.
Portate la leva dell'acceleratore in posizione SLOW, spegnete il motore, togliete la chiave di accensione e prima di scendere dalla postazione di guida attendete che le parti in movimento si siano fermate.
Alzate l'estremità anteriore della macchina ed appoggiatela su cavalletti metallici.
Togliete i fermi di fissaggio da ciascun rullo sul piatto di taglio, ed alzate o abbassate i rulli come opportuno; vedere da Figura 47 a Figura 51 come opportuno per il vostro tosaerba.





Montate i fermi come illustrato dalla Figura 47 alla Figura 51.
Se i microinterruttori di sicurezza sono scollegati o guasti, la macchina può muoversi improvvisamente, causando lesioni personali.
Non manomettete i microinterruttori di sicurezza.
Ogni giorno, controllate il funzionamento dei microinterruttori di sicurezza, e prima di azionare la macchina sostituite gli interruttori guasti.
Il sistema di sicurezza a interblocchi è progettato per consentire l'avviamento del motore a condizione che:
siate seduti alla postazione di guida o sia stato inserito il freno di stazionamento
la presa di forza sia disinnestata
le leve di controllo del movimento siano in posizione di blocco in folle NEUTRAL-LOCKED
la temperatura del motore sia inferiore alla temperatura massima di esercizio.
Il sistema microinterruttori di sicurezza è inoltre progettato in modo da spegnere il motore se i comandi della trazione vengono spostati dalla posizione di blocco in folle NEUTRAL-LOCKED quando è inserito il freno di stazionamento. Se vi alzate dal sedile quando è innestata la presa di forza, il motore si spegne dopo un ritardo di 1 secondo.
| Cadenza di manutenzione | Procedura di manutenzione |
|---|---|
| Prima di ogni utilizzo o quotidianamente |
|
Collaudate sempre il sistema di sicurezza a interblocchi prima di utilizzare la macchina. Qualora non funzioni come descritto di seguito, fatelo riparare immediatamente da un Centro Assistenza autorizzato.
Sedetevi sul sedile, inserite il freno di stazionamento, spostate la PDF su On e provate ad avviare il motore
Note: che non deve girare.
Sedetevi sul sedile, inserite il freno di stazionamento, spostate la PDF su Off, spostate una delle leve di controllo del movimento via dalla posizione di blocco in folle NEUTRAL-LOCKED e provate ad avviare il motore
Note: che non deve girare. Ripetete con l'altra leva di controllo del movimento.
Sedetevi sul sedile, inserite il freno di stazionamento, spostate la PDF su Off, spostate le leve di controllo del movimento nella posizione di blocco in folle NEUTRAL-LOCKED e avviate il motore. A motore acceso, rilasciate il freno di stazionamento, innestate la PDF ed alzatevi leggermente dal sedile.
Note: Dopo due secondi il motore deve spegnersi.
Senza un operatore sul sedile, inserite il freno di stazionamento, spostate la PDF su Off, spostate le leve di controllo del movimento nella posizione di blocco in folle NEUTRAL-LOCKED e avviate il motore. Mentre il motore è in funzione, centrate una leva di controllo del movimento qualsiasi.
Note: Dopo due secondi il motore deve spegnersi. Ripetete con l'altra leva di controllo del movimento.
Senza un operatore sul sedile, disinserite il freno di stazionamento, spostate la PDF su Off, spostate le leve di controllo del movimento nella posizione di blocco in folle NEUTRAL-LOCKED e provate ad avviare il motore
Note: che non deve girare.
La macchina è provvista di un pannello di controllo standard (SCM) per il monitoraggio delle funzioni di vari sistemi importanti. L'SCM si trova sotto il quadro di comando destro, e potete accedervi dal carter del pannello laterale (Figura 52). Per aprire il carter del pannello laterale rilasciate i due fermi ed estraetelo.

Gli 11 LED sul frontale dell'SCM si accendono per indicare varie condizioni dei sistemi. Potete utilizzare 7 di queste luci per la diagnostica dell'impianto. La descrizione del significato di ogni spia è riportata nella Figura 53. Per i dettagli relativi all'uso delle funzioni SCM vedere il Manuale di manutenzione, reperibile dal Distributore Toro di zona.

Il sedile può essere spostato avanti e indietro. Posizionate il sedile in modo da poter controllare la macchina con sicurezza e raggiungere comodamente i comandi.
Per regolare, spostate lateralmente la leva e sbloccate il sedile (Figura 54).

Fate scorrere il sedile nella posizione ottimale e bloccatelo rilasciando la leva.
Tentate di spostare il sedile avanti e indietro per accertare che sia bloccato.
Il sedile è regolabile al fine di ottenere un comfort di marcia uniforme e confortevole. Spostate il sedile nella posizione per voi più confortevole.
A sedile vuoto, girate la manopola anteriore nella direzione opportuna, fino ad ottenere il migliore comfort (Figura 54).

Lo schienale è regolabile al fine di ottenere un buon comfort di marcia. Spostate lo schienale nella posizione più confortevole.
Per spostarlo, girate nella direzione opportuna la manopola situata sotto il bracciolo destro, fino ad ottenere il migliore comfort (Figura 54).
Potete regolare lo schienale per meglio supportare i muscoli lombari.
Per spostarlo, girate nella direzione opportuna la manopola situata sotto il bracciolo sinistro, fino ad ottenere il migliore comfort (Figura 54).
Per accedere ai componenti idraulici e ad altri sistemi situati sotto il sedile, sbloccate il sedile e ribaltatelo.
Utilizzate la leva di regolazione della posizione del sedile per spostarlo completamente in avanti.
Per sbloccare il sedile tirate avanti l'apposito dispositivo di chiusura e sollevatelo (Figura 56).

Important: non trainatela mai, perché potreste danneggiare l'impianto idraulico.
Disinserite la presa di forza e girate la chiave di accensione in posizione Off. Spostate le leve in posizione di blocco in folle NEUTRAL-LOCKED e inserite il freno di stazionamento. Togliete la chiave.
Sollevate il sedile.
Girate ogni valvola di bypass di un giro in senso antiorario (Figura 57).
Note: Il fluido idraulico bypassa quindi la pompa, consentendo alle ruote di girare.
Important: Non girate le valvole di bypass di più di un giro. In tal modo le valvole non possono uscire dal corpo ed il fluido non fuoriesce.

Disinserite il freno di stazionamento prima di spingere.
Girate ogni valvola di bypass di 1 giro in senso orario e serratela (a una coppia di 8 N·m circa).
Note: Non serrate troppo le valvole di bypass.
Se le valvole di bypass non sono girate verso l'interno la macchina non si sposta.
Prestate la massima attenzione quando caricate le macchine su rimorchi o autocarri. Utilizzate una rampa larga abbastanza da sporgere oltre le ruote posteriori, anziché singole rampe per ciascun lato della macchina (Figura 58). La parte inferiore posteriore del telaio della macchina sporge indietro tra le ruote posteriori e serve da arresto, impedendo il ribaltamento all'indietro. La rampa larga fornisce un piano su cui i montanti del telaio possano appoggiarsi nel caso la macchina inizi a ribaltarsi all'indietro. Qualora non sia possibile usare una rampa larga, usate un numero sufficiente di singole rampe in modo da simulare una rampa larga continua.
La rampa deve essere abbastanza lunga, in modo che gli angoli non superino i 15 gradi (Figura 58). Con un'inclinazione maggiore, quando il tosaerba si sposta dalla rampa al rimorchio o all'autocarro, i componenti del tosaerba possono impigliarsi. Una maggiore inclinazione può fare ribaltare la macchina all'indietro. Se caricate su una pendenza o nelle adiacenze, posizionate il rimorchio o l'autocarro in modo che si trovino dal lato a valle della pendenza, e la rampa si estenda in salita. In tal modo ridurrete l’inclinazione della rampa. Il rimorchio o l'autocarro deve essere orizzontale per quanto possibile.
Important: Non cercate di girare la macchina mentre si trova sulla rampa; potreste perdere il controllo e farla cadere da un lato della rampa.
Evitate di accelerare all'improvviso quando guidate sulla rampa, e di rallentare improvvisamente quando fate marcia indietro sulla rampa. Entrambe le manovre possono fare ribaltare la macchina all'indietro.
Quando si carica la macchina su un trailer o un autocarro si aumenta il rischio di ribaltamento all'indietro, che può causare gravi ferite ed anche la morte.
Prestate la massima attenzione quando guidate la macchina su una rampa.
Usate una sola rampa larga, non singole rampe per ciascun lato della macchina.
Nel caso non sia possibile utilizzare un'unica rampa larga, utilizzate un numero sufficiente di rampe per creare un piano ininterrotto più largo della macchina.
Non superate un angolo di 15 gradi fra la rampa e il suolo o fra la rampa e il trailer o l'autocarro.
Non accelerate all'improvviso mentre guidate la macchina sulla rampa, perché potreste ribaltare all'indietro.
Non rallentate all'improvviso mentre fate marcia indietro sulla rampa, perché potreste ribaltare all'indietro.

Non guidate su strade o superstrade se non avete le luci di direzione, fari, catarifrangenti o un cartello di veicolo lento; ciò è pericoloso e può causare incidenti e ferite.
Non guidate la macchina su strade pubbliche o superstrade senza cartelli, fari e/o i catarifrangenti richiesti dalle normative locali.
Per trasportare la macchina usate un trailer per servizio pesante o un autocarro. Controllate che il rimorchio, o l'autocarro, sia provvisto dei fari e dei segnali richiesti per legge. Leggete attentamente tutte le istruzioni di sicurezza. La conoscenza di queste informazioni potrebbe aiutare voi e gli astanti ad evitare infortuni.
Per trasportare la macchina:
verificate che il vostro veicolo, gancio di traino, catene di sicurezza e rimorchio siano adeguati al carico trainato, e che soddisfino le norme previste dal codice della strada per la vostra zona;
bloccate il freno e le ruote;
fissate la macchina al rimorchio o all'autocarro con sicurezza per mezzo di cinghie, catene, cavi o funi, nel pieno rispetto delle norme previste dal codice della strada per la vostra zona (Figura 59).

Per mantenere una potenza sufficiente per la macchina ed il piatto di taglio durante la tosatura, portate il motore alla massima FAST e regolate la velocità di trazione in base alle condizioni di lavoro. Una buona regola da seguire è diminuire la velocità di trasferimento quando aumenta il carico sulle lame di taglio, ed aumentarla quando il carico sulle lame diminuisce.
Alternate la direzione della tosatura per non creare solchi nel tappeto erboso col tempo. In tal modo si agevola lo spargimento dello sfalcio, per una migliore decomposizione e fertilizzazione.
Per migliorare la qualità del taglio, in determinate condizioni scegliete una velocità di spostamento inferiore.
Se la larghezza di taglio del tosaerba è superiore a quella del tosaerba utilizzato in precedenza, aumentate di una tacca l'altezza di taglio per non falciare troppa erba su manti erbosi irregolari.
Falciate circa 25 mm, o comunque non più di un terzo del filo d'erba. Nel caso di tappeti erbosi lussureggianti e fitti, è talvolta necessario rallentare la velocità di avanzamento e/o alzare l'altezza di taglio alla regolazione successiva.
Important: Se falciate più di un terzo del filo d'erba o erba alta e rada o in condizioni di siccità, raccomandiamo l'uso di lame a costa piatta per evitare di sollevare pula, detriti e l'usura della trasmissione dell'apparato di taglio.
Se l’erba è leggermente più alta del normale o è particolarmente umida, aumentate l’altezza di taglio prima di tosare. Tagliate nuovamente l’erba all’altezza di taglio normale.
Eliminate l’erba falciata e la morchia dal sottoscocca del tosaerba dopo ogni utilizzo. In caso di accumulo di sfalcio e detriti all’interno del tosaerba, la qualità di taglio può risultare insoddisfacente.
Per ridurre il rischio d'incendio, mantenete motore, silenziatore, vano batteria, freno di stazionamento, apparati di taglio e zona di conservazione del carburante liberi da erba, foglie ed eccessi di grasso. Pulite l'olio o il carburante versato.
Mantenete affilata la lama per l’intera stagione di taglio, al fine di evitare lo strappo e la frammentazione dell'erba. In caso contrario i bordi dell'erba diventano marrone, di conseguenza l'erba cresce più lentamente ed è più soggetta a malattie. Ogni giorno controllate che le lame siano affilate, e che non siano usurate o danneggiate. All'occorrenza affilate le lame. Sostituite immediatamente la lama se è danneggiata o usurata, utilizzando una lama di ricambio originale Toro. Vedere Revisione delle lame da taglio.
Note: Stabilite i lati sinistro e destro della macchina dalla normale posizione di guida.
| Cadenza di manutenzione | Procedura di manutenzione |
|---|---|
| Dopo le prime 10 ore |
|
| Dopo le prime 50 ore |
|
| Dopo le prime 200 ore |
|
| Prima di ogni utilizzo o quotidianamente |
|
| Ogni 50 ore |
|
| Ogni 100 ore |
|
| Ogni 150 ore |
|
| Ogni 200 ore |
|
| Ogni 250 ore |
|
| Ogni 400 ore |
|
| Ogni 800 ore |
|
| Ogni 1500 ore |
|
| Ogni 6000 ore |
|
| Ogni 2 anni |
|
Important: Per ulteriori interventi di manutenzione si rimanda al manuale per l'uso del motore. Il Manuale di manutenzione dettagliata è reperibile dal Distributore Toro autorizzato di zona.
Fotocopiate questa pagina e utilizzatela quando opportuno.
| Punto di verifica per la manutenzione | Per la settimana di: | ||||||
|---|---|---|---|---|---|---|---|
| Lun | Mar | Mer | Gio | Ven | Sab | Dom | |
| Controllate il funzionamento dei microinterruttori di sicurezza | |||||||
| Controllate che il deflettore dell'erba sia abbassato (se pertinente) | |||||||
| Controllate il funzionamento del freno di stazionamento | |||||||
| Controllate il livello del carburante | |||||||
| Controllate il livello dell'olio idraulico | |||||||
| Controllate il livello dell'olio motore | |||||||
| Controllate il livello del fluido dell'impianto di raffreddamento | |||||||
| Controllate lo spurgo del filtro carburante/separatore di condensa | |||||||
| Controllate la spia di restrizione del filtro dell'aria3 | |||||||
| Controllate se radiatore e griglia sono intasati da frammenti | |||||||
| Controllate i rumori insoliti del motore1 | |||||||
| Controllate i rumori anomali di funzionamento | |||||||
| Verificate che i flessibili idraulici non siano danneggiati | |||||||
| Verificate che non vi siano fuoriuscite | |||||||
| Controllate la pressione dei pneumatici | |||||||
| Verificate il funzionamento degli strumenti | |||||||
| Controllate la condizione delle lame | |||||||
| Lubrificate tutti i raccordi di ingrassaggio2 | |||||||
| Ritoccate la vernice danneggiata | |||||||
|
1. Controllate la candela a incandescenza e gli ugelli dell’iniettore se notate un avviamento difficile, un eccesso di fumo o un funzionamento anomalo del motore. 2. Immediatamente dopo ogni lavaggio, a prescindere dalla cadenza indicata. 3. Se l'indicatore è rosso |
|||||||
| Nota sulle aree problematiche | ||
| Ispezione eseguita da: | ||
| Art. | Data | Informazioni |
Se lasciate la chiave nell'interruttore di accensione, qualcuno potrebbe accidentalmente avviare il motore e ferire gravemente voi od altre persone.
Togliete la chiave di accensione prima di ogni intervento di manutenzione.

Important: Gli elementi di fissaggio presenti sui coperchi di questa macchina sono progettati in modo tale che rimangano agganciati ai coperchi dopo la loro rimozione. Allentate di alcuni giri tutti gli elementi di fissaggio su ogni coperchio, così che il coperchio risulti mobile ma ancora agganciato, quindi allentate completamente gli elementi di fissaggio fino a liberare del tutto il coperchio. Questa procedura vi impedisce di staccare accidentalmente del tutto i bulloni dagli elementi di fissaggio.
| Cadenza di manutenzione | Procedura di manutenzione |
|---|---|
| Ogni 50 ore |
|
La macchina è dotata di raccordi per ingrassaggio che devono essere lubrificati ad intervalli regolari con grasso universale n. 2 al litio. Se utilizzate la macchina in condizioni normali, lubrificate tutti i cuscinetti e le boccole ogni 50 ore di servizio. In ambienti molto polverosi e sporchi, lubrificate tutti i cuscinetti e le boccole quotidianamente. In ambienti polverosi o inquinati la morchia penetra nei cuscinetti e nelle boccole, usurandoli molto più rapidamente. Lubrificate i raccordi immediatamente dopo ogni lavaggio, a prescindere dalla cadenza indicata.
Pulite i raccordi d'ingrassaggio, in modo che corpi estranei non possano essere forzati nel cuscinetto o nella boccola.
Pompate il grasso nei raccordi.
Tergete il grasso superfluo.
Figura 61 e Figura 62 illustrano la posizione dei raccordi d'ingrassaggio.
Important: I raccordi sugli assali e sulle ruote orientabili non sono illustrati. Non mancate di lubrificate bene questi raccordi.


Note: Procedure di lavaggio non corrette possono influire negativamente sulla durata dei cuscinetti. Non lavate l'apparato quando è ancora caldo, ed evitate di dirigere verso i cuscinetti o le guarnizioni di tenuta spruzzi ad alta pressione o in grandi quantità.
Gli ingranaggi funzionano con lubrificante per ingranaggi SAE 80-90. Gli ingranaggi sono stati lubrificati in fabbrica, tuttavia si consiglia di controllare il livello del lubrificante nel piatto di taglio prima di utilizzarlo, come raccomandato in Lista di controllo della manutenzione quotidiana.
| Cadenza di manutenzione | Procedura di manutenzione |
|---|---|
| Ogni 150 ore |
|
Parcheggiate la macchina e l'apparato di taglio su terreno pianeggiante.
Abbassate il piatto di taglio all'altezza di taglio minima di 25 mm.
Disinnestate la PDF, spostate le leve di controllo del movimento in posizione di BLOCCO IN FOLLE e inserite il freno di stazionamento.
Portate la leva dell'acceleratore in posizione SLOW, spegnete il motore, togliete la chiave di accensione e prima di scendere dalla postazione di guida attendete che le parti in movimento si siano fermate.
Alzate il poggiapiedi per esporre la parte superiore del piatto di taglio.
Togliete il tappo di riempimento/asta di livello da sopra gli ingranaggi (Figura 63) e verificate che il lubrificante si trovi tra i segni riportati sull'asta.

Se il lubrificante è insufficiente, rabboccate fino a raggiungere i segni di pieno sull'asta di livello.
Note: Non riempite troppo gli ingranaggi, per non danneggiarli.
| Cadenza di manutenzione | Procedura di manutenzione |
|---|---|
| Dopo le prime 50 ore |
|
| Ogni 400 ore |
|
Parcheggiate la macchina e l'apparato di taglio su terreno pianeggiante.
Abbassate il piatto di taglio all'altezza di taglio minima di 25 mm.
Disinnestate la PDF, spostate le leve di controllo del movimento in posizione di BLOCCO IN FOLLE e inserite il freno di stazionamento.
Portate la leva dell'acceleratore in posizione SLOW, spegnete il motore, togliete la chiave di accensione e prima di scendere dalla postazione di guida attendete che le parti in movimento si siano fermate.
Alzate il poggiapiedi per esporre la parte superiore del piatto di taglio.
Togliete l'asta di livello/tappo di riempimento da sopra gli ingranaggi (Figura 63).
Mettete un imbuto e una bacinella sotto il tappo di spurgo situato sotto la parte anteriore degli ingranaggi e togliete il tappo per scaricare il lubrificante nella bacinella.
Montate il tappo di spurgo.
Rabboccate con circa 283 ml di lubrificante, finché il livello non raggiunge i segni di pieno sull'asta.
Note: Non riempite troppo gli ingranaggi, per non danneggiarli.
Verificate che il corpo del filtro dell'aria sia privo di danni che possano causare una fuoriuscita d'aria. Se il corpo del filtro dell’aria è danneggiato, sostituitelo.
Verificate che l'intero sistema di presa d'aria pulita non sia danneggiato, non accusi perdite e che le fascette stringitubo non siano allentate.
Effettuate la manutenzione dell'elemento filtrante quando la spia (Figura 64) diventa rossa, oppure ogni 400 ore (più spesso in condizioni estreme di polvere o morchia).
Important: Non eccedere nella revisione del filtro dell'aria.

Verificate che il coperchio si chiuda ermeticamente intorno al corpo del filtro.
| Cadenza di manutenzione | Procedura di manutenzione |
|---|---|
| Ogni 400 ore |
|
Tirate il fermo verso l'esterno e ruotate il coperchio del filtro in senso antiorario (Figura 64).
Togliete il coperchio dal corpo del filtro dell'aria (Figura 64).
Prima di rimuovere il filtro, utilizzate aria compressa a bassa pressione (2,76 bar, pulita e asciutta) per agevolare la rimozione di grossi detriti depositati tra il filtro primario esterno e la scatola.
Note: Questa operazione di pulizia impedisce che la rimozione del filtro primario causi lo spostamento dei detriti nella zona di aspirazione.
Important: Evitate di usare aria ad alta pressione, che potrebbe spingere la morchia attraverso il filtro e nella zona di aspirazione.
Togliete il filtro primario e sostituitelo (Figura 64).
Important: Si sconsiglia la pulizia dell'elemento usato, per non danneggiare l'elemento filtrante.
Controllate il filtro nuovo e accertatevi che non sia stato danneggiato durante la spedizione, in particolare l'estremità di tenuta del filtro ed il corpo.
Important: Non usate l'elemento se è avariato.
Verificate che la guarnizione in schiuma sintetica sia stata montata nel coperchio e che non sia strappata o danneggiata (Figura 64).
Note: Se è danneggiata, sostituitela.
Montate il filtro nuovo premendo sul bordo esterno dell'elemento per inserirlo nella scatola.
Important: Non premete sulla parte centrale flessibile del filtro.
Pulite il foro di espulsione della morchia (situato nel coperchio rimovibile) come segue:
Togliete la valvola di uscita in gomma dal coperchio (Figura 64).
Pulite la cavità.
Montate la valvola di uscita.
Montate il coperchio con la valvola di uscita in gomma disposta in giù, in una posizione tra le ore 5 e le ore 7 vista dall'estremità.
Se la spia (Figura 64) è rossa, resettatela.
Utilizzate olio motore di alta qualità e basso contenuto di cenere che soddisfi o superi le seguenti specifiche:
Categoria API Service CJ-4 o superiori
Categoria ACEA Service E6
Categoria JASO Service DH-2
Important: L'utilizzo di olio motore diverso da API CJ-4 o superiori, ACEA E6 o JASO DH-2 può causare l'otturazione del filtro antiparticolato o danni al motore.
Utilizzate il seguente grado di viscosità dell'olio motore:
Olio di preferenza: SAE 15W-40 (sopra 0°F)
Olio alternativo: SAE 10W-30 o 5W-30 (tutte le temperature)
L'olio motore Toro Premium è disponibile presso il vostro Centro assistenza Toro autorizzato nei gradi di viscosità 15W-40 o 10W-30. Vedere i numeri delle parti nel catalogo ricambi.
| Cadenza di manutenzione | Procedura di manutenzione |
|---|---|
| Prima di ogni utilizzo o quotidianamente |
|
Al momento della fornitura la coppa del motore contiene dell'olio, il cui livello deve tuttavia essere controllato prima e dopo il primo avvio del motore.
Important: Controllate l'olio motore quotidianamente. Se il livello dell'olio è superiore alla tacca di pieno sull'asta di livello, l'olio motore potrebbe essere diluito con carburante;Se il livello dell'olio motore è superiore alla tacca di pieno, occorre cambiare l'olio motore.
Il momento migliore per controllare l'olio del motore è a motore freddo prima che venga avviato per la giornata. Se è già stato avviato, lasciate che l'olio ritorni nel pozzetto per almeno 10 minuti prima di controllarlo. Se il livello dell'olio è pari o sotto la tacca di aggiunta sull'asta, aggiungere olio fino a portarne il livello alla tacca di pieno. Non riempite eccessivamente il motore d'olio
Important: Tenete il livello dell'olio motore tra i limiti superiore e inferiore sull'asta di livello; il motore potrebbe subire guasti se lo lasciate in funzione con troppo o troppo poco olio.
Parcheggiate la macchina su terreno pianeggiante. Sbloccate i fermagli del coperchio del motore.
Aprite il coperchio del motore.
Togliete l'asta di livello, pulitela strofinandola, rimettetela nel tubo ed estraetela di nuovo. Il livello dell'olio deve essere tra la tacca “Full” (pieno) e quella “Add” (aggiunta) (Figura 65).

Se il livello dell'olio è basso, rimuovete il tappo di riempimento (Figura 65) e aggiungete olio fino a quando il livello non è compreso tra la tacca “Full” (pieno) e quella “Add” (aggiunta). Non riempite troppo..
Montate il tappo dell'olio e l'asta di livello.
Chiudete il coperchio del motore e fissatelo con i fermi.
5,2 litri con il filtro.
| Cadenza di manutenzione | Procedura di manutenzione |
|---|---|
| Ogni 250 ore |
|
Cambiate l'olio e il filtro ogni 250 ore.
Togliete il tappo di spurgo dell'olio motore (Figura 66) e lasciate defluire l'olio in una bacinella. Quando tutto l'olio cessa di defluire, rimontate il tappo.

Togliete il filtro dell'olio (Figura 66). Applicate un velo di olio pulito sulla tenuta del nuovo filtro prima di avvitarla. Non serrate troppo.
Rabboccate la coppa con olio adatto; vedere Cambio dell’olio motore.
| Cadenza di manutenzione | Procedura di manutenzione |
|---|---|
| Ogni 6000 ore |
|
Se viene visualizzato il messaggio di avviso nell'InfoCenter, il FAP è vicino al punto raccomandato per la manutenzione del catalizzatore di ossidazione diesel e del filtro antifuliggine.

Se gli errori motore (controllare motore spn 3251 fmi 0), (controllare motore spn 3720 fmi 0) oppure (controllare motore spn 3720 fmi 16) vengono visualizzati sull’InfoCenter (Figura 68), pulite il filtro antiparticolato come descritto di seguito:



Fate riferimento alla sezione Motore nel Manuale di manutenzione per le informazioni su smontaggio e montaggio del catalizzatore di ossidazione diesel e del filtro antifuliggine del FAP.
Fate riferimento al vostro Centro assistenza autorizzato Toro per i ricambi o la manutenzione per il catalizzatore di ossidazione diesel e il filtro antifuliggine.
Contattate il vostro Centro assistenza Toro autorizzato perché effettui il reset dell'ECU del motore dopo l'installazione di un FAP pulito.
Note: Per le indicazioni relative al carburante si rimanda a Specifiche del carburante.
In determinate condizioni il gasolio e i vapori del carburante sono estremamente infiammabili ed esplosivi. Un incendio o un'esplosione causati dal carburante possono ustionare voi o altre persone e causare danni.
Utilizzate un imbuto e rabboccate il serbatoio del carburante all'aperto, in una zona spaziosa e a motore spento e freddo, e tergete il carburante versato.
Non riempite completamente il serbatoio. Aggiungete carburante al serbatoio fin quando è alla base del collo del bocchettone.
Non fumate mai quando maneggiate il carburante, e state lontani da fiamme libere o dove i fumi di carburante possano essere accesi da una scintilla.
Conservate il carburante in una tanica pulita ed omologata ai fini di sicurezza, con il tappo chiuso.
| Cadenza di manutenzione | Procedura di manutenzione |
|---|---|
| Ogni 400 ore |
|
Spurgate l'acqua e altre sostanze contaminanti dal separatore di condensa (Figura 69).
Mettete un contenitore pulito sotto il filtro del carburante.
Allentate il tappo di spurgo sul fondo della scatola del filtro e aprite lo sfiato sulla scatola del filtro.

Pulite la superficie circostante la scatola del filtro.
Togliete la scatola del filtro e pulite la superficie di appoggio.
Lubrificate la guarnizione della scatola del filtro con olio pulito.
Montate a mano la scatola del filtro finché la guarnizione non tocca la superficie di appoggio, quindi ruotatela per un altro mezzo giro.
Serrate il tappo di spurgo sul fondo della scatola del filtro e chiudete lo sfiato sulla scatola del filtro.
| Cadenza di manutenzione | Procedura di manutenzione |
|---|---|
| Ogni 400 ore |
|
Pulite le superfici circostanti la testa del filtro del carburante (Figura 70).

Togliete il filtro e pulite la superficie di montaggio della testa del filtro (Figura 70).
Lubrificate la guarnizione del filtro con olio motore lubrificante pulito. Per ulteriori informazioni si rimanda al Manuale dell'operatore del motore fornito con la macchina.
Montate a mano la scatola del filtro asciutto finché la guarnizione non tocca la testa del filtro, poi ruotatela per un altro mezzo giro.
Avviate il motore e verificate che non ci siano fuoriuscite di carburante attorno alla testa del filtro.
| Cadenza di manutenzione | Procedura di manutenzione |
|---|---|
| Ogni 2 anni |
|
Spurgate e pulite il serbatoio del carburante ogni 2 anni. Inoltre, rimuovete e pulite i filtri in linea dopo aver spurgato il serbatoio. Per lavare il serbatoio, utilizzate gasolio pulito.
Important: Eseguite questa operazione se l'impianto di alimentazione viene contaminato o se la macchina non sarà utilizzata per un lungo periodo.
| Cadenza di manutenzione | Procedura di manutenzione |
|---|---|
| Ogni 400 ore |
|
Controllate i tubi di alimentazione e i raccordi Verificate l'assenza di deterioramenti, sfregamento, danni o allentamento dei raccordi.
Important: Prima di ogni intervento sull'impianto elettrico, scollegate sempre i cavi della batteria (prima il cavo negativo (-)) per impedire danni a causa di cortocircuiti.
| Cadenza di manutenzione | Procedura di manutenzione |
|---|---|
| Ogni 50 ore |
|
I poli della batteria, i morsetti e gli accessori attinenti contengono piombo e relativi composti, sostanze chimiche che nello Stato della California sono considerate cancerogene e causa di anomalie della riproduzione. Lavate le mani dopo avere maneggiato questi componenti.
Mantenete pulita la superficie superiore della batteria. Se la macchina viene riposta in un luogo con temperatura molto elevata, la batteria si scarica più rapidamente rispetto al rimessaggio in un luogo fresco.
Tenete pulito il lato superiore della batteria lavandolo periodicamente con un pennello bagnato in una soluzione di bicarbonato sodico o ammoniaca. Dopo la pulizia sciacquate il lato superiore con acqua. Non togliete i tappi di riempimento durante la pulizia della batteria.
Serrate i cavi della batteria nei morsetti, per ottenere un buon contatto elettrico.
Nel caso in cui i morsetti siano corrosi, scollegate i cavi, prima il cavo negativo (-), e raschiate i serrafili ed i morsetti separatamente. Collegate i cavi, cominciando dal cavo positivo (+), e spalmate della vaselina sui morsetti.
I morsetti della batteria e gli attrezzi metallici possono creare cortocircuiti contro i componenti metallici e provocare scintille. che possono fare esplodere i gas delle batterie e causare infortuni.
In sede di rimozione o montaggio della batteria, impedite ai morsetti di toccare le parti metalliche della macchina.
Non lasciate che gli attrezzi metallici creino cortocircuiti fra i morsetti della batteria e le parti metalliche della macchina.
In caso di errato percorso dei cavi della batteria, la macchina ed i cavi possono venire danneggiati e causare scintille. che possono fare esplodere i gas delle batterie e causare infortuni.
Scollegate sempre il cavo negativo (nero) della batteria prima di quello positivo (rosso).
Collegate sempre il cavo positivo (rosso) della batteria prima di quello negativo (nero).
Se prevedete di lasciare la macchina in rimessa per oltre 30 giorni, rimuovete la batteria e caricatela completamente. Conservatela o su uno scaffale o sulla macchina. Se la conservate nella macchina, lasciate scollegati i cavi. Riponete la batteria in un luogo fresco per impedire che si scarichi rapidamente. Per impedirne il congelamento, verificate che la batteria sia completamente carica. La densità relativa della batteria completamente carica è di 1,265 - 1,299.
I fusibili si trovano sotto il quadro di comando. e potete accedervi dal carter del pannello laterale (Figura 71). Per aprire il carter del pannello laterale rilasciate i due fermi ed estraetelo.
Se la macchina si ferma o accusa problemi di carattere elettrico, controllate i fusibili. Controllate se i fusibili sono saltati, togliendone uno alla volta.
Important: Dovendo sostituire un fusibile, utilizzatene sempre uno dello stesso tipo e amperaggio, diversamente potreste danneggiare l'impianto elettrico. Lo schema di ciascun fusibile e il relativo amperaggio sono riportati sull'adesivo adiacente ai fusibili (Figura 72).
Note: Se un fusibile dovesse saltare ripetutamente, è probabile che vi sia un cortocircuito nell'impianto elettrico, che dovrete fare revisionare da un tecnico qualificato addetto alla manutenzione.


| Cadenza di manutenzione | Procedura di manutenzione |
|---|---|
| Ogni 50 ore |
|
Mantenete la pressione pneumatica delle ruote anteriori e posteriori. La pressione esatta è di 1,24 bar negli pneumatici posteriori e 1,72 bar nelle ruote orientabili. La pressione irregolare degli pneumatici può causare un taglio irregolare. Per ottenere valori più attendibili, controllate gli pneumatici a freddo.

Richiedete al Distributore Toro autorizzato di zona un nuovo gruppo ruote orientabili, cuscinetti conici e degli schermi per cuscinetti.
Togliete il dado di bloccaggio dal bullone che fissa la ruota orientabile alla forcella (Figura 74).

Afferrate la ruota orientabile ed estraete la vite a testa cilindrica dalla forcella o dal braccio di rotazione.
Gettate via la ruota orientabile ed i cuscinetti usati.
Montate la ruota orientabile premendo i cuscinetti conici e gli schermi, lubrificati con grasso, nel mozzo della ruota, posizionata come illustrato nella Figura 74.
Inserite il distanziale nel mozzo della ruota attraverso i cuscinetti, trattenendo il distanziale all'interno del mozzo per mezzo di due distanziali per cuscinetti.
Important: Verificate che i bordi della guarnizione non siano piegati verso l'interno.
Montate il gruppo ruota orientabile tra le forcelle, e fissatelo in sede con il bullone e il dado di bloccaggio.
Serrate il dado fin quando la ruota non gira più liberamente, e allentatelo quanto basta per consentire alla ruota di girare senza attrito.
Collegate un ingrassatore a pressione al raccordo d'ingrassaggio sulla ruota orientabile e riempitelo con grasso universale n. 2 al litio.
Scaricando il refrigerante caldo sotto pressione o toccando il radiatore o le parti adiacenti che scottano si possono subire gravi ustioni.
Non togliete il tappo del radiatore a motore caldo. Prima di togliere il tappo del radiatore lasciate sempre raffreddare il motore almeno 15 minuti, o comunque fin quando il tappo del radiatore si è raffreddato abbastanza da poterlo toccare senza scottarsi.
Non toccate il radiatore e le parti adiacenti quando scottano.
La ventola rotante e la cinghia di trasmissione possono causare infortuni.
Non usate la macchina se i carter non sono montati.
Tenete dita, mani e abiti lontano dalla ventola e dalla cinghia di trasmissione rotanti.
Spegnete il motore e togliete la chiave di accensione prima di ogni intervento di manutenzione.
L’ingestione del refrigerante del motore può avvelenare.
Non ingerite il refrigerante del motore.
Tenete lontano dalla portata dei bambini e degli animali da compagnia.
| Cadenza di manutenzione | Procedura di manutenzione |
|---|---|
| Prima di ogni utilizzo o quotidianamente |
|
Il sistema di raffreddamento contiene una soluzione di 50% acqua e 50% antigelo glicole etilenico permanente. Controllate ogni giorno il livello di refrigerante nel serbatoio di espansione prima di avviare il motore. L'impianto di raffreddamento ha una capacità di 7,5 litri.
Controllate il livello di refrigerante nel serbatoio di espansione (Figura 75).
Note: Il livello di refrigerante deve essere compreso tra i segni previsti sul lato del serbatoio.

Se il livello del refrigerante è basso, togliete il tappo dal serbatoio di espansione e rabboccate.
Important: Non riempite troppo
Montate il tappo del serbatoio di espansione.
| Cadenza di manutenzione | Procedura di manutenzione |
|---|---|
| Prima di ogni utilizzo o quotidianamente |
|
| Ogni 200 ore |
|
| Ogni 1500 ore |
|
| Ogni 2 anni |
|
Mantenete pulito il radiatore per impedire il surriscaldamento del motore. In ambienti particolarmente polverosi e sporchi può essere necessario controllare e pulire il radiatore con maggiore frequenza.
Note: Se il motore si spegne a causa di un surriscaldamento, controllate per prima cosa il radiatore alla ricerca di un accumulo eccessivo di detriti.
Pulite il radiatore come segue.
Aprite il cofano.
Lavorando dal lato ventola del radiatore, soffiate via i detriti con aria compressa a bassa pressione (345 kPa; 50 psi). Ripetete l'operazione dalla parte anteriore del radiatore, e di nuovo dal lato ventola.
Important: Non utilizzate acqua per pulire il radiatore.
Dopo aver pulito a fondo il radiatore, eliminate i detriti che possano essersi depositati nel canale alla sua base.
Chiudete il cofano.
Fermate la macchina, mettete l'interruttore di sollevamento del piatto di taglio in posizione di blocco in folle NEUTRAL-LOCKED, inserite il freno di stazionamento e togliete la chiave di accensione.
Togliete i bulloni che fissano il pannello anteriore, e rimuovete il pannello (Figura 76).

Allentate i 2 controdadi che assicurano il microinterruttore di sicurezza del freno di stazionamento alla staffa di montaggio.

Spostate il microinterruttore verso l'alto o il basso, lungo la staffa, fino a quando la distanza tra il sensore dell'albero del freno e il pulsante del microinterruttore è di 3,9 mm, come illustrato nella Figura 77.
Note: Accertatevi che il sensore dell'albero del freno non tocchi il pulsante del microinterruttore.
Fissate i controdadi del microinterruttore.
Controllate la regolazione come segue.
Verificate che il freno di stazionamento sia inserito e non sedetevi sul sedile, quindi avviate il motore.
Spostate le leve di controllo togliendole dalla posizione di blocco in folle NEUTRAL-LOCKED.
Note: Il motore deve spegnersi. In caso contrario, controllate di nuovo la regolazione del microinterruttore.
Montate il pannello anteriore.
| Cadenza di manutenzione | Procedura di manutenzione |
|---|---|
| Ogni 100 ore |
|
La tensione è corretta quando applicando una forza di 45 kg sulla cinghia, al centro tra le pulegge si ha una flessione di 10 mm.
Se l'inflessione non è di 10 mm, effettuate la seguente procedura:
Allentate i bulloni di fissaggio dell'alternatore (Figura 78).

Aumentate o riducete la tensione della cinghia dell'alternatore e serrate i bulloni.
Controllate di nuovo l’inflessione della cinghia per accertare che sia esatta.
| Cadenza di manutenzione | Procedura di manutenzione |
|---|---|
| Ogni 50 ore |
|
Le cinghie di trasmissione delle lame, tese dalla puleggia tendicinghia a molla, hanno una lunga durata. Tuttavia, dopo molte ore di funzionamento, presenteranno segni di usura. Questi sono: stridio durante la rotazione della cinghia, slittamento delle lame durante il taglio dell'erba, bordi sfilacciati, segni di bruciatura e spaccature. Sostituite le cinghie se notate uno qualsiasi dei segni sopra riportati.
Abbassate l'apparato di taglio alla posizione dell'altezza di taglio di 2,54 cm, spostate la leva dell'acceleratore in posizione Minima SLOW, spegnete il motore, inserite il freno di stazionamento e togliete la chiave di accensione.
Togliete i paracinghia dalla parte superiore dell’apparato di taglio e metteteli da parte.
Con una barra idonea o uno strumento simile, allontanate la puleggia tendicinghia superiore dalla cinghia di trasmissione superiore, per rilasciare la tensione della cinghia e toglierla dalle pulegge (Figura 79).

Con una barra idonea o uno strumento simile, allontanate la puleggia tendicinghia inferiore dalla cinghia di trasmissione inferiore, per rilasciare la tensione della cinghia e toglierla dalle pulegge (Figura 79).
Montate la nuova cinghia attorno alla puleggia degli ingranaggi, alle pulegge del perno inferiore e alla puleggia tendicinghia, come illustrato nella Figura 79.
Montate la nuova cinghia attorno alle pulegge del perno superiore e alla puleggia tendicinghia, come illustrato nella Figura 79.
Montate i paracinghia.
Fermate la macchina, mettete l'interruttore di sollevamento del piatto di taglio in posizione di blocco in folle NEUTRAL-LOCKED, inserite il freno di stazionamento e togliete la chiave di accensione.
Togliete i bulloni che fissano il pannello anteriore, e rimuovete il pannello (Figura 80).

Allentate le due viti che fissano il microinterruttore di sicurezza (Figura 81).

Tenete la leva di controllo contro il telaio, spostate il microinterruttore verso la leva finché la distanza tra la leva ed il corpo del microinterruttore non è compresa tra 0,4 e 1 mm, come illustrato nella Figura 81.
Fissate il microinterruttore.
Ripetete le voci da 3 a 5 per l'altra leva.
Montate il pannello anteriore.
Se, quando vengono rilasciate dalla posizione di retromarcia, le leve di controllo del movimento non sono allineate con le scanalature di folle, bisogna regolarle. Regolate separatamente ciascuna leva, molla ed asta.
Disinnestate la PDF, spostate la leva di controllo in posizione di blocco in folle NEUTRAL-LOCKED e inserite il freno di stazionamento.
Portate la leva dell'acceleratore in posizione SLOW, spegnete il motore, togliete la chiave di accensione e prima di scendere dalla postazione di guida attendete che le parti in movimento si siano fermate.
Togliete i bulloni che fissano il pannello anteriore, e rimuovete il pannello (Figura 82).

Mettete la leva di controllo in posizione di FOLLEsenza bloccarla (Figura 84).
Tirate indietro la leva finché il cavallotto con testa (sul braccio sottostante l'albero di articolazione) non tocca l'estremità della scanalatura (inizia a premere sulla molla), come illustrato nella Figura 83.

Controllate dove la leva di controllo corrisponde alla tacca nella console (Figura 84).
Note: La leva di controllo dev'essere al centro e consentire lo spostamento della leva verso l'esterno, in posizione di blocco in folle NEUTRAL-LOCKED.

Se occorre regolare, allentate il dado e il controdado contro la forcella (Figura 83).
Premendo leggermente indietro la leva di controllo del movimento, girate la testa del bullone di regolazione nella direzione opportuna finché la leva di controllo non si trova al centro, in posizione di blocco in folle NEUTRAL-LOCKED (Figura 83).
Note: Tenendo premuta indietro la leva si trattiene il perno in fondo alla tacca, e si consente al bullone di regolazione di spostare la leva nella posizione appropriata.
Serrate il dado e il controdado (Figura 83).
Ripetete le voci da 4 a 9 per l'altra leva di controllo.
Montate il pannello anteriore.
Effettuate questa regolazione mentre le ruote girano.
I martinetti meccanici o idraulici non sono adatti a sostenere la macchina e possono causare gravi infortuni.
Usate cavalletti metallici per sostenere la macchina.
Non utilizzate martinetti idraulici.
Il motore deve girare per eseguire questa regolazione. Il contatto con parti in movimento o superfici calde può causare infortuni.
Tenete mani, piedi, viso, abbigliamento ed altre parti del corpo lontano da parti in movimento, marmitta ed altre superfici calde.
Sollevate il telaio su cavalletti meccanici stabili, in modo che le ruote motrici possano girare senza attrito.
Spostate il sedile in avanti, sbloccatelo e ribaltatelo.
Scollegate il connettore elettrico dall’interruttore di sicurezza del sedile.
Montate provvisoriamente un ponticello sui morsetti del connettore del cablaggio preassemblato.
Avviate il motore, verificate che la leva dell'acceleratore si trovi al centro tra le posizioni di Massima FAST e Minima SLOW e rilasciate il freno di stazionamento.
Note: Durante questo intervento di regolazione le leve di controllo del movimento devono essere in posizione di blocco in folle NEUTRAL-LOCKED.
Regolate la lunghezza dell'asta della pompa da un lato facendo girare nella direzione opportuna l'albero esagonale, finché la ruota corrispondente si ferma o si sposta leggermente indietro (Figura 85).

Spostate la leva di controllo del movimento avanti e indietro, quindi di nuovo in folle.
Note: La ruota non deve più girare o spostarsi leggermente indietro.
Spostate la leva dell'acceleratore in posizione di MASSIMA.
Note: Verificate che la ruota sia ferma o si sposti leggermente indietro; all'occorrenza regolate.
Ripetete le operazioni da 6 a 8 per l'altro lato della macchina.
Serrate i controdadi dei giunti a sfera (Figura 83).
Spostate la leva dell'acceleratore in posizione Minima SLOW e spegnete il motore.
Togliete il ponticello dal connettore del cablaggio preassemblato ed inserite il connettore nell'interruttore del sedile.
L'impianto elettrico non esegue correttamente la chiusura di sicurezza se è montato il ponticello.
Togliete il ponticello dal connettore del cablaggio preassemblato e inserite il connettore nell'interruttore del sedile dopo la regolazione.
Non azionate questo apparato quando è montato il ponticello ed avete bypassato il microinterruttore di sicurezza del sedile.
Abbassate il sedile.
Togliete i cavalletti metallici.
Disinnestate la PDF, spostate le leve di controllo del movimento in posizione di BLOCCO IN FOLLE e inserite il freno di stazionamento.
Portate la leva dell'acceleratore in posizione SLOW, spegnete il motore, togliete la chiave di accensione e prima di scendere dalla postazione di guida attendete che le parti in movimento si siano fermate.
Togliete i bulloni che fissano il pannello anteriore, e rimuovete il pannello (Figura 86).

Allentate il controdado sul bullone di fermo di una delle leve di controllo (Figura 87).

Avvitate a fondo il bullone di fermo (lontano dalla leva di controllo).
Premete la leva di controllo completamente in avanti finché non si ferma, e trattenetela in questa posizione.
Svitate il bullone di fermo (verso la leva di controllo) fino ad ottenere una luce di 1,5 mm tra la testa del bullone di fermo e la leva di controllo.
Serrate il controdado per fissare il bullone di fermo in questa posizione.
Ripetete le voci da 4 a 8 per l'altra leva di controllo.
Montate il pannello anteriore.
Note: Per ridurre la velocità massima della macchina, regolate la velocità con entrambe le leve di controllo come sopra indicato, poi allentate ciascun bullone di fermo verso la leva di controllo in modo uniforme, fino ad ottenere la velocità massima desiderata (dovete probabilmente testare più volte la messa a punto). Verificate che la macchina proceda in linea retta e non giri quando spingete completamente in avanti entrambe le leve di controllo. Se la macchina gira, i bulloni di fermo non sono state regolati in modo uniforme e devono essere regolati di nuovo.
Disinnestate la PDF, spostate le leve di controllo del movimento in posizione di BLOCCO IN FOLLE, ed inserite il freno di stazionamento.
Portate la leva dell'acceleratore in posizione SLOW, spegnete il motore, togliete la chiave di accensione e prima di scendere dalla postazione di guida attendete che le parti in movimento si siano fermate.
Allentate i bulloni di fissaggio delle leve di controllo (Figura 88).

Fatevi aiutare a spingere completamente in avanti le colonne delle leve di controllo (non le leve) in posizione di massima velocità, e fatele tenere in questa posizione.
Regolate le leve di controllo in modo che siano allineate e serrate i bulloni, fissando le leve alle colonne (Figura 89).

Il serbatoio viene riempito in fabbrica con circa 4,7 litri di fluido idraulico/per trasmissione di alta qualità. Per la sostituzione si consiglia il seguente fluido:
| Toro Premium Transmission/Hydraulic Tractor Fluid (reperibile in fustini di 19 litri o in contenitori di 208 litri. Vedere i numeri delle parti nel catalogo ricambi o rivolgersi al distributore Toro.) |
Fluidi alternativi: In mancanza di fluido Toro, utilizzate fluido idraulico Mobil® 424.
Note: Toro declina ogni responsabilità per danni causati dall'errata sostituzione.
Note: Molti fluidi idraulici sono praticamente incolori, e rendono difficile il rilevamento di fuoriuscite. Per l'olio dell'impianto idraulico è disponibile un additivo con colorante rosso in confezioni da 20 ml. Una confezione è sufficiente per 15–22 litri di olio idraulico. Ordinate il n. cat. 44-2500 al distributore Toro autorizzato di zona.
| Cadenza di manutenzione | Procedura di manutenzione |
|---|---|
| Prima di ogni utilizzo o quotidianamente |
|
Controllate il livello del fluido idraulico prima di avviare il motore per la prima volta, ed in seguito ogni giorno.
Parcheggiate la macchina su terreno pianeggiante.
Mettete i comandi in posizione di folle NEUTRAL-LOCKED e avviate il motore.
Note: Fate girare il motore alla minima per spurgare l'aria nell'impianto. .
Important: Non innestate la PDF.
Alzate la scocca per prolungare i cilindri di sollevamento, spegnete il motore e togliete la chiave.
Alzate il sedile per accedere al serbatoio del fluido idraulico.
Togliete il tappo di riempimento del fluido idraulico dal collo del bocchettone (Figura 90).

Togliete l'asta di livello ed asciugatela con un panno pulito (Figura 90).
Posizionate l'asta di livello nel collo del bocchettone, quindi estraetela e controllate il livello del fluido (Figura 90).
Note: Se il livello del fluido non raggiunge la zona della tacca sull'asta, rabboccate con fluido idraulico di alta qualità fino ad alzare il livello fino alla tacca. Non riempite troppo.
Reinserite il tappo e avvitate saldamente a mano l'asta di livello sul collo del bocchettone di riempimento.
Controllate che i raccordi idraulici e i flessibili non perdano.
| Cadenza di manutenzione | Procedura di manutenzione |
|---|---|
| Dopo le prime 200 ore |
|
| Ogni 800 ore |
|
Disinnestate la PDF, spostate le leve di controllo del movimento in posizione di BLOCCO IN FOLLE e inserite il freno di stazionamento.
Portate la leva dell'acceleratore in posizione SLOW, spegnete il motore, togliete la chiave di accensione e prima di scendere dalla postazione di guida attendete che le parti in movimento si siano fermate.
Mettete una bacinella grande sotto il serbatoio idraulico e la scatola della trasmissione, togliete i tappi e lasciate defluire tutto il fluido idraulico (Figura 91).

Pulite attorno al filtro dell'olio idraulico e rimuovete il filtro (Figura 91).
Montate immediatamente un nuovo filtro dell'olio idraulico.
Montate i tappi di spurgo del serbatoio idraulico e della scatola della trasmissione.
Riempite il serbatoio fino al giusto livello; vedere Verifica dell'impianto idraulico.
Avviate il motore e verificate che non ci siano fuoriuscite di olio.
Lasciate girare il motore per 5 minuti circa, poi spegnetelo.
Dopo 2 minuti controllate il livello del fluido idraulico; vedere Verifica dell'impianto idraulico.
Se sollevate la macchina con un cricchetto per sostenerla mentre lavorate sotto il piatto di taglio, il cricchetto potrebbe inclinarsi e far cadere il piatto di taglio, schiacciando voi o gli astanti.
Quando sollevate il piatto di taglio, sostenete sempre la macchina con un minimo di 2 cavalletti meccanici.
Sopra il piatto di taglio sono previste 2 connessioni che li collegano al telaio. A queste connessioni sono collegate delle molle di torsione sotto tensione (Figura 92). Scollegando la connessione si rilascia l'energia accumulata nella molla di torsione, che può causare il movimento della connessione e ferirvi le mani o le dita.
Prestate attenzione nel rimuovere il piatto di taglio dal telaio, e fissate le connessioni prima di scollegarle dal telaio.

Mantenete affilate le lame per tutta la stagione di taglio, perché le lame affilate eseguono un taglio netto senza strappare o frammentare l’erba. In caso contrario i bordi dell'erba diventano marrone, di conseguenza l'erba cresce più lentamente ed è più soggetta a malattie.
Ogni giorno controllate che le lame siano affilate, e che non siano usurate o danneggiate. All'occorrenza affilate le lame. Sostituite immediatamente la lama se è danneggiata o usurata, utilizzando una lama di ricambio originale Toro.
Le lame consumate o danneggiate possono spezzarsi e scagliare frammenti verso di voi o gli astanti, causando gravi ferite o anche la morte.
Controllate la lama ad intervalli regolari, per accertare che non sia consumata o danneggiata.
Se la lama è consumata o danneggiata, sostituitela.
Ispezionate le cinghie ogni 8 ore.
Disinnestate la PDF, spostate le leve di controllo del movimento in posizione di BLOCCO IN FOLLE e inserite il freno di stazionamento.
Portate la leva dell'acceleratore in posizione SLOW, spegnete il motore, togliete la chiave di accensione e prima di scendere dalla postazione di guida attendete che le parti in movimento si siano fermate.
| Cadenza di manutenzione | Procedura di manutenzione |
|---|---|
| Prima di ogni utilizzo o quotidianamente |
|
Controllate i taglienti (Figura 93).
Note: Se i taglienti non sono affilati o mostrano delle tacche, togliete le lame e affilatele. Vedere Rimozione delle lame e Affilatura delle lame.
Controllate le lame, in particolare l’area curva (Figura 93).
Note: In caso di danni, usura o scanalature nell’area, montate immediatamente una nuova lama (Figura 93).

Se continuate ad usare una lama usurata, si forma una scanalatura tra la costa e la sezione piatta della lama. Alla fine, un pezzo di lama può staccarsi e venire lanciato dal sottoscocca, con il rischio di ferire gravemente voi o gli astanti.
Controllate la lama ad intervalli regolari, per accertare che non sia consumata o danneggiata.
Non cercate di raddrizzare le lame curve, e non saldate mai le lame spezzate o incrinate.
Se la lama è consumata o danneggiata, sostituitela.
Disinnestate la PDF, spostate le leve di controllo del movimento in posizione di BLOCCO IN FOLLE e inserite il freno di stazionamento.
Portate la leva dell'acceleratore in posizione SLOW, spegnete il motore, togliete la chiave di accensione e prima di scendere dalla postazione di guida attendete che le parti in movimento si siano fermate.
Girate le lame fino a disporle in parallelo con la lunghezza della macchina (Figura 94).
Note: Misurate da un piano orizzontale fino al tagliente delle lame, posizione A, (Figura 94). Prendete nota di questa misura.

Girate in avanti le estremità opposte delle lame.
Misurate da un piano orizzontale fino al tagliente delle lame, nella medesima posizione riportata alla precedente voce 3.
Note: La differenza tra le misure rilevate alle voci 3 e 4 non deve superare i 3 mm. Se la differenza supera 3 mm, la lama è curva e dev'essere sostituita; vedere Rimozione delle lame e Montaggio delle lame.
Una lama curva o danneggiata può spezzarsi e ferire gravemente o uccidere voi o gli astanti.
Sostituite sempre con una lama nuova le lame curve o danneggiate.
Non limate mai la lama, e non create intaccature aguzze sul tagliente o sulla superficie della lama.
Sostituite le lame se colpiscono un corpo solido, e se sono sbilanciate o curve. Per ottenere prestazioni ottimali e mantenere la macchina in conformità alle norme di sicurezza, utilizzate lame di ricambio originali Toro. Le lame di ricambio di altre marche possono annullare la conformità alle norme di sicurezza.
Il contatto con una lama affilata può causare gravi ferite.
Indossate guanti di protezione o avvolgete con un cencio i taglienti affilati della lama.
Tenete l'estremità della lama con un cencio o un guanto bene imbottito.
Togliete il bullone della lama, la piastra antistrappo e la lama dall'asse del fusello (Figura 97).
Le schegge causate dall'affilatura di una lama possono causare gravi ferite.
Durante l'affilatura delle lame indossate l'opportuna protezione degli occhi.
Affilate il tagliente da entrambe le estremità della lama (Figura 95).
Note: Rispettate l'angolazione originale. La lama conserva il proprio equilibrio soltanto se viene rimossa una quantità uguale di materiale da entrambi i taglienti.

Controllate l’equilibrio della lama posizionandola su un bilanciatore (Figura 96).
Note: Se la lama rimane in posizione orizzontale, è bilanciata e può essere utilizzata. Se la lama non è bilanciata, limate del metallo soltanto dalla costa (Figura 97). Ripetete la procedura finché la lama non è perfettamente bilanciata.

Se il taglio della passata effettuata dal tosaerba è irregolare, correggetelo come segue.
Parcheggiate la macchina su terreno pianeggiante.
Regolate l'apparato di taglio all'altezza di taglio desiderata, spostate la leva dell'acceleratore in posizione Minima SLOW, spegnete il motore, inserite il freno di stazionamento e togliete la chiave di accensione.
Controllate e regolate la pressione degli pneumatici anteriori e posteriori; vedere Controllo della pressione degli pneumatici.
Controllate le lame curve
Togliete i carter dalla parte superiore degli apparati di taglio.
Girate la lama su ciascun perno fino a disporla in parallelo con la lunghezza della macchina.
Misurate dal suolo alla punta anteriore del tagliente.
Regolate i controdadi che fissano le forcelle/catene della scocca al piatto di taglio, fino a livellare il piatto di taglio.

L'angolo di inclinazione della lama corrisponde alla differenza dell'altezza di taglio tra la parte anteriore e quella posteriore del livello della lama. Utilizzate per le lame un passo di circa 8 mm. Vale a dire, il retro del piano della lama deve essere 8 mm più alto del davanti.
Parcheggiate la macchina su terreno pianeggiante.
Regolate l'apparato di taglio all'altezza di taglio desiderata, spostate la leva dell'acceleratore in posizione Minima SLOW, spegnete il motore, inserite il freno di stazionamento e togliete la chiave di accensione.
Ruotate la lama centrale in modo che sia orientata direttamente in avanti.
Con un righello, misurate la distanza tra il pavimento e l'estremità anteriore della lama.
Ruotate l'estremità della stessa lama verso la parte posteriore, e misurate la distanza tra il pavimento e la punta della lama sul retro del piatto di taglio.
Per calcolare l'angolo d'inclinazione della lama, sottraete la dimensione ottenuta per la misurazione anteriore da quella ottenuta dalla misurazione posteriore.
Regolate i controdadi che fissano le forcelle/catene posteriori del piatto in modo da sollevare la parte posteriore del piatto, finché il passo della lama non è di 8 mm (Figura 99).

Lasciando scoperta l’apertura di scarico si permette al tosaerba di scagliare oggetti in direzione dell’operatore o di astanti e causare gravi lesioni; è inoltre possibile venire a contatto con la lama.
Non utilizzate mai la macchina senza aver prima montato il kit mulching o il deflettore d'erba.
Accertatevi che il deflettore di sfalcio sia abbassato.
Abbassate a terra l'apparato di taglio, spostate la leva dell'acceleratore in posizione Minima SLOW, spegnete il motore, inserite il freno di stazionamento e togliete la chiave di accensione.
Togliete il dado di bloccaggio, il bullone, la molla e il distanziale che fissano il deflettore alle staffe orientabili del tosaerba (Figura 100).
Note: Togliete il deflettore di sfalcio se è danneggiato o consumato.

Inserite un distanziale e la molla tra le nuove staffe del deflettore di sfalcio (Figura 100).
Note: Collocate l'estremità sinistra a J della molla dietro il bordo del piatto di taglio.
Note: Prima di montare il bullone, come riportato nella Figura 100, verificate che l'estremità sinistra a J della molla sia inserita dietro il bordo del piatto di taglio.
Montate il bullone e il dado.
Note: Infilate l'estremità destra a J della molla attorno al deflettore di sfalcio (Figura 100).
Important: Il deflettore deve potersi abbassare nella posizione prevista. Alzate il deflettore e verificate che quando scatta si abbassi completamente.
| Cadenza di manutenzione | Procedura di manutenzione |
|---|---|
| Prima di ogni utilizzo o quotidianamente |
|
Togliete ogni giorno lo sfalcio accumulatosi sotto il tosaerba.
Disinnestate la PDF, spostate le leve di controllo del movimento in posizione di BLOCCO IN FOLLE e inserite il freno di stazionamento.
Portate la leva dell'acceleratore in posizione SLOW, spegnete il motore, togliete la chiave di accensione e prima di scendere dalla postazione di guida attendete che le parti in movimento si siano fermate.
Alzate il tosaerba in posizione di trasporto TRANSPORT.
Sollevate la parte anteriore della macchina usando cavalletti metallici.
Pulite accuratamente con acqua il sottoscocca del tosaerba.
L’olio motore, le batterie, l’olio idraulico ed il refrigerante del motore sono inquinanti. Smaltiteli nel pieno rispetto dei regolamenti del vostro stato e regionali.
Pulite accuratamente la macchina, il piatto di taglio e il motore, prestando particolare attenzione a queste aree:
radiatore e griglia del radiatore
sottoscocca
sotto i copricinghia dell’apparato di taglio
molle di contrappeso
Gruppo dell'albero della PDF
tutti i raccordi per ingrassaggio e i punti di rotazione
togliete il quadro di comando e pulite all’interno della scatola dei comandi
sotto la piastra del sedile e sopra la trasmissione
Controllate e regolate la pressione degli pneumatici anteriori e posteriori del trattore; vedere Controllo della pressione degli pneumatici.
Rimuovete, affilate e bilanciate le lame dell'apparato di taglio. Montate le lame e serrate i relativi dispositivi di fermo a 115–149 N·m.
Controllate tutti gli elementi di fissaggio per verificare che non siano allentati; all'occorrenza serrateli. Serrate in modo particolare i 6 bulloni che fissano il telaio del piatto di taglio al trattore (Figura 101) a 359 N·m.

Ingrassate od oliate i raccordi d'ingrassaggio, i punti di articolazione e gli spilli della valvola di bypass della trasmissione. Tergete il lubrificante superfluo.
Carteggiate leggermente e ritoccate le aree verniciate graffiate, scheggiate o arrugginite con vernice per ritocchi. Riparate ogni intaccatura nel metallo.
Revisionate la batteria e i cavi come segue:
togliete i morsetti della batteria dai poli;
pulite la batteria, i morsetti e i poli con una spazzola metallica e una soluzione di bicarbonato di sodio.
Per impedire la corrosione, ricoprite i morsetti e i poli della batteria con grasso di rivestimento Grafo 112X (n. cat. Toro 505-47) o vaselina.
Per prevenire la solfatazione di piombo della batteria, caricatela lentamente ogni 60 giorni per 24 ore.
Spurgate l'olio del motore dalla coppa e montate il tappo di spurgo.
Sostituite il filtro dell’olio.
Riempite il motore con l'olio raccomandato.
Avviate il motore e lasciatelo funzionare alla velocità minima per 2 minuti.
Spurgate il carburante dal serbatoio, dai tubi di alimentazione, dalla pompa, dal filtro e dal separatore. Lavate abbondantemente il serbatoio del carburante con gasolio pulito, e collegate tutti i tubi di alimentazione.
Pulite accuratamente il gruppo filtro dell’aria e revisionatelo.
Sigillate l'entrata del filtro dell'aria e l'uscita di scarico con del nastro resistente agli agenti atmosferici.
Controllate il tappo di riempimento dell'olio ed il tappo del serbatoio del carburante ed accertate che siano saldamente montati.
