| Huoltoväli | Huoltotoimenpide |
|---|---|
| Aina ennen käyttöä tai päivittäin |
|
Tämä kone on ajettava vaakatasoleikkuri, joka on tarkoitettu ammattimaiseen kaupalliseen käyttöön. Se on tarkoitettu pääasiassa puistojen, urheilukenttien ja kaupallisten kiinteistöjen viheralueiden ruohonleikkuuseen. Sitä ei ole tarkoitettu pensaiden leikkuuseen tai ruohon tai muun kasvuston leikkuuseen teiden varsilla eikä maatalouskäyttöön.
Lue nämä tiedot huolellisesti, jotta oppisit käyttämään ja huoltamaan laitetta asianmukaisesti sekä välttämään tapaturmia ja tuotevaurioita. Olet itse vastuussa tuotteen asianmukaisesta ja turvallisesta käytöstä.
Voit ottaa suoraan yhteyden Toroon osoitteessa www.Toro.com, jos tarvitset tuoteturvallisuuteen ja käyttökoulutukseen liittyvää materiaalia, tietoja lisävarusteista tai lähimmästä jälleenmyyjästä tai haluat rekisteröidä tuotteesi.
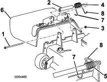
Aina kun tarvitset huoltoa, alkuperäisiä Toro-varaosia tai lisätietoja, ota yhteys valtuutettuun huoltoliikkeeseen tai Toron asiakaspalveluun. Ota tällöin tuotteen malli- ja sarjanumerot valmiiksi esiin. Kuva 1 näyttää laitteen malli ja sarjanumeron sijainnin. Kirjoita numerot annettuun tilaan.

Tässä käyttöoppaassa esiintyvä varoitusmerkintä (Kuva 2) ilmaisee vaaratilannetta, josta saattaa olla seurauksena vakava tapaturma tai jopa kuolema, jos suositellut varotoimenpiteet laiminlyödään.

Tässä käyttöoppaassa käytetään kahta termiä tietojen korostamiseksi. Tärkeää kiinnittää huomiota mekaanisiin erikoistietoihin ja Huomautus korostaa erityishuomion ansaitsevia yleistietoja.
KALIFORNIA
Lakiesityksen 65 mukainen varoitus
Dieselmoottorin tuottamat pakokaasut ja jotkin niiden aineosat sisältävät kemikaaleja, jotka Kalifornian osavaltion tietojen mukaan aiheuttavat syöpää, synnynnäisiä epämuodostumia tai muuta lisääntymiseen liittyvää haittaa.
Koska joillain alueilla on paikallisia, osavaltion tai liittovaltion säännöksiä, jotka edellyttävät kipinänsammuttimen käyttöä tämän laitteen moottorissa, kipinänsammutin on saatavana lisävarusteena. Jos tarvitset kipinänsammuttimen, ota yhteys valtuutettuun Toro-huoltoliikkeeseen.
Aidot Toro-kipinänsammuttimet ovat USDA Forestry Servicen hyväksymiä.
Important: Kalifornian laki (California Public Resource Code Section 4442) kieltää tämän moottorin käytön metsä-, pensaikko- tai ruohopeitteisillä mailla, jos siinä ei ole hyvässä käyttökunnossa pidettyä, kipinänsammuttimella varustettua äänenvaimenninta tai jos moottoria ei ole suojattu, varustettu ja huollettu palovaaran ehkäisemiseksi. Muissa osavaltioissa tai maissa voi olla vastaavia rajoituksia.
Nämä koneet täyttävät tai ylittävät valmistushetkellä voimassa olevat ANSI B71.4-2004 -spesifikaatiot.
Laitteen epäasianmukainen käyttö tai huolto voi aiheuttaa tapaturman. Vähennä loukkaantumisriskiä noudattamalla näitä turvallisuusohjeita ja huomioimalla aina varoitusmerkki, joka tarkoittaa varoitusta, vaaraa tai hengenvaaraa – henkilöturvallisuusohjeet. Ohjeiden noudattamatta jättäminen saattaa johtaa henkilövahinkoon tai kuolemaan.
Seuraavat ohjeet ovat CEN-standardista EN 836:1997 ja ANSI-standardista B71.4-2004.
Tämä tuote voi katkaista jalan tai käden sekä singota esineitä. Noudata aina kaikkia turvallisuusohjeita vakavan loukkaantumisen tai kuoleman välttämiseksi.
Lue käyttöopas ja muu koulutusmateriaali huolellisesti. Tutustu ohjauslaitteisiin, turvamerkintöihin ja laitteen oikeaoppiseen käyttöön.
Älä koskaan anna lasten tai näihin ohjeisiin perehtymättömien henkilöiden käyttää ruohonleikkuria. Paikalliset säännökset saattavat asettaa rajoituksia käyttäjän iälle.
Älä koskaan leikkaa ruohoa, kun lähistöllä on ihmisiä (varsinkin lapsia) tai lemmikkieläimiä.
Muista, että käyttäjä vastaa muille ihmisille tai heidän omaisuudelleen aiheutuneista vahingoista.
Älä kuljeta mukana matkustajia.
Kaikkien konetta ajavien tulee hankkia ammattitaitoista ja käytännöllistä opastusta. Opastuksen tulee painottaa seuraavia seikkoja:
Ajoleikkureilla on työskenneltävä huolellisesti ja keskittyneesti.
Rinteessä luisuvaa ajoleikkuria ei saada takaisin hallintaan ohjausvivuilla. Hallinnan menettämisen yleisimmät syyt ovat
pyörien riittämätön pito, varsinkin märällä ruoholla
liian suuri ajonopeus
puutteellinen jarrutus
konetyypin sopimattomuus tehtävään
piittaamattomuus maaperän ominaisuuksista, varsinkin kaltevuudesta
virheellinen kuorman jakauma.
Käytä aina ruohoa leikatessa tukevia liukastumisen estäviä kenkiä ja pitkiä housuja. Älä käytä laitetta avojaloin tai avoimissa sandaaleissa.
Tarkasta huolellisesti alue, jolla laitetta on tarkoitus käyttää, ja poista kaikki esineet, jotka se voi singota.
Vaara – polttoaine on erittäin tulenarkaa.
Säilytä polttoaine tarkoitukseen suunnitelluissa astioissa.
Täytä polttoainesäiliö aina ulkona äläkä tupakoi täyttäessäsi polttoainesäiliötä.
Lisää polttoaine ennen moottorin käynnistämistä. Älä koskaan irrota polttoainesäiliön korkkia tai lisää polttoainetta moottorin ollessa käynnissä tai lämmin.
Jos polttoainetta roiskuu, älä yritä käynnistää moottoria vaan siirrä kone pois alueelta, jolla on polttoaineroiskeita. Vältä luomasta minkäänlaisia kipinälähteitä, ennen kuin polttoainehöyryt ovat hälvenneet.
Asenna polttoainesäiliöiden ja muiden säiliöiden korkit huolellisesti.
Vaihda vialliset äänenvaimentimet.
Tarkasta aina ennen käyttöä silmämääräisesti, että terät, terien pultit ja leikkuujärjestelmä eivät ole kuluneet tai vaurioituneet. Vaihda kuluneet tai vaurioituneet terät ja pultit sarjoissa, jotta tasapaino säilyy.
Ole tarkkaavainen, hidasta ja ole varovainen kääntyessäsi. Katso taaksesi ja sivuillesi ennen kuin muutat suuntaa.
Älä käytä moottoria ahtaissa tiloissa, joihin voi kertyä vaarallista häkäkaasua.
Leikkaa ruohoa vain päivänvalossa tai hyvässä keinovalaistuksessa.
Vapauta kaikki terien kiinnikkeet ja vaihda vapaalle ennen moottorin käynnistämistä.
Muista, että turvallista rinnettä ei ole. Ruohorinteillä ajettaessa on oltava erityisen varovainen. Ehkäise kaatuminen seuraavilla tavoilla:
älä käynnistä tai pysähdy äkillisesti ajaessasi rinteessä
pidä koneen nopeus alhaisena rinteillä ja jyrkissä käännöksissä
varo töyssyjä, kuoppia ja muita piileviä vaaroja.
Varo liikennettä, kun ylität tien tai työskentelet tien lähistöllä.
Pysäytä terät, ennen kuin ylität muun kuin ruohopinnan.
Kun käytät lisälaitteita, älä koskaan ohjaa leikkuujätteen poistoa ihmisiä kohti tai päästä ketään koneen lähelle käytön aikana.
Älä koskaan käytä konetta, jonka suojukset tai suojalevyt ovat vaurioituneet tai jossa ei ole suojalaitteita.
Älä muuta moottorin kierrosnopeuden säätimen asetuksia tai käytä moottoria ylikierroksilla. Moottorin käyttäminen ylikierroksilla lisää henkilövahingon riskiä.
Ennen kuin poistut käyttäjän paikalta, tee seuraavat:
Vapauta voimanulosotto ja laske lisälaitteet alas.
Vaihda vapaalle ja kytke seisontajarru.
Pysäytä moottori ja irrota virta-avain.
Kytke lisälaitteiden käyttö pois, sammuta moottori ja irrota virta-avain:
ennen tukkeuman poistamista tai tukoksen poistamista suppilosta
ennen ruohonleikkurin tarkastamista, puhdistamista tai huoltamista
vieraaseen esineeseen osumisen jälkeen. Tarkista, onko ruohonleikkurissa vaurioita, ja korjaa ne ennen laitteen käynnistämistä ja käyttämistä
jos kone alkaa täristä epänormaalisti (tarkista heti).
Älä käytä leikkuria alkoholin tai huumausaineiden vaikutuksen alaisena.
Salamanisku voi aiheuttaa vakavan loukkaantumisen tai hengenvaaran. Jos alueella on ukonilma, konetta ei saa käyttää. Tällöin on hakeuduttava suojaan.
Kytke lisälaitteiden käyttö pois, kun konetta siirretään tai kun se ei ole käytössä.
Pysäytä moottori ja kytke lisälaitteen käyttö pois ennen polttoainesäiliön täyttämistä.
Huolehdi, että mutterit, pultit ja ruuvit ovat tiukalla, jotta laite on turvallisessa käyttökunnossa.
Konetta, jonka säiliössä on polttoainetta, ei saa säilyttää sisätiloissa, jossa kaasut voivat joutua kosketuksiin avotulen tai kipinän kanssa.
Anna moottorin jäähtyä, ennen kuin varastoit koneen suljettuun tilaan.
Puhdista moottori, äänenvaimennin, akkutila ja polttoaineen säilytysalue ruohosta, lehdistä tai liiallisesta rasvasta palovaaran vähentämiseksi.
Vaihda kuluneet tai vaurioituneet osat turvallisuuden parantamiseksi.
Tyhjennä polttoainesäiliö ulkona.
Ole varovainen käsitellessäsi moniteräisiä leikkureita, sillä yhden terän kääntäminen käsin saattaa kääntää myös muita teriä.
Jos kone on pysäköitävä, varastoitava tai jätettävä ilman valvontaa, laske leikkuupöytä alas.
Seuraavassa luettelossa on Toro-tuotteita koskevia turvaohjeita ja muita turvallisuustietoja, jotka on syytä tietää ja jotka eivät sisälly CEN-standardiin.
Moottorin pakokaasu sisältää hiilimonoksidia, joka on hajuton ja myrkyllinen kaasu ja voi aiheuttaa hengenvaaran. Älä käytä moottoria sisällä tai suljetussa tilassa.
Pidä kädet, jalat, hiukset ja löysät vaatteet poissa lisälaitteen poistoalueelta, leikkurin alapuolelta ja kaikista liikkuvista osista moottorin ollessa käynnissä.
Älä kosketa laitteen tai lisälaitteiden osia, jotka voivat olla kuumia käytön jäljiltä. Anna niiden jäähtyä ennen kuin yrität huoltaa, säätää tai korjata niitä.
Akkuhappo on myrkyllistä ja syövyttävää. Älä päästä iholle, silmiin tai vaatteille. Suojaa kasvot, silmät ja vaatteet akkua käsitellessäsi.
Tätä laitetta ei ole suunniteltu tai varustettu tieliikennekäyttöön, ja se on ns. hidas ajoneuvo. Jos ajoneuvolla joudutaan ylittämään yleinen tie tai ajamaan yleisellä tiellä, on tunnettava ja noudatettava tieliikennelain määräyksiä mm. hitaita ajoneuvoja koskevien merkintöjen ja ajovalojen osalta.
Akkukaasut voivat räjähtää. Pidä savukkeet, kipinät ja avotuli poissa akun lähettyviltä.
Käytä vain aitoja Toro-varaosia. Näin varmistat, että kone pysyy alkuperäisten standardien mukaisena.
Käytä ainoastaan Toron hyväksymiä lisälaitteita. Takuu voi raueta, jos käytetään hyväksymättömiä lisälaitteita.
Älä leikkaa ruohoa pudotusten, ojien, jyrkkien penkkojen tai veden lähettyvillä. Renkaiden lipeäminen reunojen yli saattaa kaataa koneen, mistä voi olla seurauksena vakava loukkaantuminen tai kuolema.
Älä leikkaa ruohoa rinteillä ruohon ollessa märkää. Liukkaissa olosuhteissa pito vähenee, mikä saattaa aiheuttaa luisumista ja laitteen hallinnan menetyksen.
Älä muuta nopeutta tai suuntaa äkillisesti.
Käytä pudotusten, ojien, jyrkkien penkkojen tai veden lähettyvillä työnnettävää ruohonleikkuria ja/tai käsikäyttöistä trimmeriä.
Vähennä rinteissä nopeutta ja ole äärimmäisen varovainen.
Poista leikkuualueelta kaikki esteet kuten kivet, puiden oksat jne. tai merkitse ne. Korkea ruoho voi peittää esteet.
Varo ojia, koloja, kiviä, notkoja ja nousuja, jotka muuttavat käyttökulmaa, sillä kone saattaa kaatua epätasaisessa maastossa.
Vältä äkkilähtöjä leikatessasi ruohoa ylämäkeen, koska leikkuri saattaa kaatua taaksepäin.
Huomaa, että pito saattaa kadota alamäessä. Painon siirtyminen etupyörille saattaa aiheuttaa vetopyörien luisumisen ja jarrujen ja ohjauksen menetyksen.
Vältä äkillistä käynnistämistä tai pysäyttämistä rinteessä. Jos renkaiden pito heikkenee, kytke terät pois käytöstä ja jatka hitaasti rinnettä alas.
Saat koneesta vakaamman noudattamalla valmistajan pyöräpainoista tai vastapainoista antamia suosituksia.
Ole erittäin varovainen käyttäessäsi lisälaitteita. Ne voivat vaikuttaa koneen vakauteen ja aiheuttaa hallinnan menetyksen.
Turvakaari on pidettävä nostettuna ja lukitussa asennossa ja turvavyötä on käytettävä koneen käytön aikana.
Varmista, että turvavyö on nopeasti avattavissa hätätilanteessa.
Huomaa, että kaatumissuojausta ei ole, kun turvakaari on alhaalla.
Tutki leikattava alue, äläkä koskaan poista kaatumissuojausjärjestelmää käytöstä alueilla, joilla on rinteitä, pudotuksia tai vettä.
Laske turvakaari vain silloin, kun se on täysin välttämätöntä. Älä käytä turvavyötä, kun turvakaari on alhaalla.
Tarkista vapaa alikulkukorkeus (esim. puiden oksat, porttikäytävät, sähkölinjat) ennen kuin ajat mahdollisen esteen alitse. Varo osumasta esteeseen.
Koneen moottori täyttää EPA Tier 4 Final -vaatimukset ja vaiheen IIIB vaatimukset.

![]() |
Turva- ja ohjetarrat on sijoitettu hyvin näkyville paikoille mahdollisten vaara-alueiden lähettyville. Korvaa vioittuneet tai kadonneet tarrat uusilla. |
























Nosta ja kiinnitä turvakaari ennen tuotteen käyttöä. Katso ohjeet ja lisätietoja kaatumissuojausjärjestelmästä kohdasta Kaatumissuojausjärjestelmän (ROPS) käyttö.
Renkaat on ylitäytetty kuljetusta varten. Vapauta siksi renkaista hieman ilmaa, jotta paine laskee. Takarenkaiden oikea ilmanpaine on 1,24 bar, ja kääntöpyörien oikea ilmanpaine on 1,72 bar.
Tarkista hydraulinesteen määrä ennen moottorin käynnistystä. Katso kohta Hydraulijärjestelmän tarkastus.
Tarkista moottorin öljymäärä ennen moottorin käynnistystä ja sen jälkeen. Katso kohta Moottoriöljyn määrän tarkistus.
Tarkista jäähdytysjärjestelmä ennen moottorin käynnistystä. Katso kohta Jäähdytysjärjestelmän tarkistus .

Tutustu kaikkiin ohjauslaitteisiin, ennen kuin käynnistät moottorin ja käytät konetta (Kuva 4 ja Kuva 6).
Liikkeenohjausvivuilla ohjataan sekä koneen liikettä eteen- ja taaksepäin että koneen kääntymistä. Katso kohta Koneella ajo.
Aina kun sammutat moottorin, kytke seisontajarru, jotta kone ei pääse liikkumaan vahingossa. Seisontajarru kytketään vetämällä seisontajarruvipua taaksepäin ja ylös (Kuva 5). Seisontajarru vapautetaan työntämällä seisontajarruvipua eteenpäin ja alas.

Älä pysäköi ajoyksikköä rinteeseen.
Virtalukossa on kolme asentoa: Pois, Päällä/Esilämmitys ja Käynnistys

Kaasuvivulla ohjataan moottorin kierrosnopeutta. Moottorin nopeutta lisätään siirtämällä kaasuvipu eteenpäin NOPEA-asentoon. Moottorin nopeutta lasketaan siirtämällä vipu taaksepäin HIDAS-asentoon. Kaasuvivulla säädetään terien nopeutta ja ohjataan yhdessä liikkeenohjausvipujen kanssa laitteen ajonopeutta. Käytä konetta kaasuvipu NOPEA-asennossa, kun leikkaat ruohoa.
Voimanulosoton (PTO) kytkin käynnistää ja pysäyttää leikkuuterät.
Tietokeskuksen LCD-näytössä on muun muassa tietoja koneen käyttötilasta, vianmääritystietoja ja muita koneeseen liittyviä tietoja (Kuva 7). Tietokeskuksessa on odotusnäyttö ja päätietonäyttö. Odotusnäytön ja päätietonäytön välillä voidaan siirtyä milloin tahansa painamalla jotakin tietokeskuksen painiketta ja valitsemalla sitten sopiva nuolen suunta.

Vasenta painiketta, valikon käyttöpainiketta / takaisin-painiketta painamalla voi käyttää tietokeskuksen valikoita. Sen avulla voidaan myös siirtyä taaksepäin valikoissa.
Keskimmäisellä painikkeella voi selata valikoita alaspäin.
Oikealla painikkeella voi avata lisätietoja sisältävän valikon, jos oikealle osoittava nuoli on näkyvissä.
Note: Kunkin painikkeen käynnistämä toiminto vaihtelee tilanteen mukaan. Jokaisessa painikkeessa näkyy kuvake, joka ilmaisee painikkeen sillä hetkellä käytössä olevan toiminnon.
| SERVICE DUE | Ilmoittaa, milloin on tehtävä määräaikaishuolto. |
| RPM | Moottorin käyntinopeus/tila osoittaa moottorin käyntinopeuden |
![]() | Tuntilaskuri |
![]() | Tietokuvake |
![]() | Regeneraatio paikallaan ollessa tarpeen |
![]() | Hehkutulpat ovat käytössä |
![]() | Kuljettajan on oltava istuimella. |
![]() | Seisontajarrun ilmaisin kertoo, onko seisontajarru käytössä. |
![]() | Jäähdytysnesteen lämpötila osoittaa moottorin jäähdytysnesteen lämpötilan joko celsius- tai fahrenheitasteina. |
![]() | Lämpötila (kuuma) |
![]() | Estetty tai kielletty |
![]() | Moottorin käynnistys |
![]() | Pysäytys tai sammutus |
![]() | Moottori |
![]() | Avainkytkin |
![]() | PIN-koodi |
![]() | Hydrauliöljyn lämpötila |
![]() | CAN-väylä |
![]() | Tietokeskus |
![]() | Viallinen tai epäonnistunut |
![]() | Polttimo |
![]() | TEC-ohjaimen tai johdinsarjan ohjaimen lähtöliitäntä |
![]() | Korkea: yli sallitun alueen |
![]() | Matala: alle sallitun alueen |
/![]() | Alueen ulkopuolella |
![]() | Kytkin |
![]() | Kuljettajan on vapautettava kytkin. |
![]() | Kuljettajan on vaihdettava ilmoitettuun tilaan. |
| Symboleja käytetään usein yhdistelminä, jolloin ne muodostavat lauseita. Alla on joitakin esimerkkejä. | |
![]() | Moottoria ei voida käynnistää. |
![]() | Moottori sammutetaan. |
![]() | Moottorin jäähdytysneste on liian kuumaa. |
![]() | Istuudu istuimelle tai kytke seisontajarru. |
Avaa tietokeskuksen valikko painamalla päänäytössä valikkopainiketta. Esiin tulee päävalikko. Valikkojen toiminnot on merkitty lyhyesti seuraaviin taulukoihin:
| Päävalikko | |
| Valikon kohta | Kuvaus |
| Viat | Viat-valikossa on lueteltu koneen viimeaikaiset viat. Lisätietoja Viat-valikosta ja sen sisältämistä tiedoista saa huolto-oppaasta tai valtuutetulta Toro-jälleenmyyjältä. |
| Huolto | Huolto-valikossa on koneeseen liittyviä tietoja, kuten käyttötunnit ja muita vastaavia lukuja. |
| Asetukset | Asetukset-valikossa voi muokata tietokeskuksen näyttöasetusten muuttujia. |
| Tietoja | Tietoja-valikossa on mainittu koneen mallinumero, sarjanumero ja ohjelmiston versio. |
| Huolto | |
| Valikon kohta | Kuvaus |
| Hours (tunnit) | Näyttää kokonaisajan, jonka kone, moottori ja puhallin ovat olleet käytössä, sekä ajan, jonka verran konetta on kuljetettu ja kuinka kauan se on ollut ylikuumentunut. |
| Asetukset | |
| Valikon kohta | Kuvaus |
| Yksiköt | Kontrolloi tietokeskuksen yksiköitä. Valikon vaihtoehdot ovat Englantilainen (brittiläiset mitat) tai Metrinen (metrijärjestelmä). |
| Kieli | Tietokeskuksessa käyttävien kielten hallinta* |
| Taustavalo | LCD-näytön kirkkauden säätö |
| Kontrasti | LCD-näytön kontrastin säätö |
| Suojatut valikot | Antaa käyttäjän, jolle tämän yritys on antanut PIN-koodin, käyttää suojattuja valikoita. |
* Vain kuljettajalle tarkoitetut tekstit on käännetty. Viat-, Huolto- ja Diagnostiikka-näytöt on tarkoitettu huoltohenkilöstölle. Otsikot on käännetty valitulle kielelle, mutta valikkovaihtoehdot ovat englanniksi.
| Tietoja | |
| Valikon kohta | Kuvaus |
| Malli | Näyttää koneen mallinumeron. |
| SN | Näyttää koneen sarjanumeron. |
| Koneen ohjainversio | Näyttää pääohjaimen ohjelmiston version. |
| Tietokeskuksen versio | Näyttää tietokeskuksen ohjelmiston version. |
| CAN-väylä | Näyttää koneen tietoliikenneväylän tilan. |
Tietokeskuksen Huolto-valikossa on yksi käyttökokoonpanoasetus, jota voidaan säätää: regeneraatio. Tämä asetus on suojatussa valikossa.
Note: Koneen oletus-PIN on joko 0000 tai 1234.Jos vaihdoit PIN-koodin ja unohdit uuden koodin, ota yhteys valtuutettuun Toro-jälleenmyyjään.
Siirry PääVALIKOSTAASETUKSET-valikkoon keskipainikkeella ja paina oikeanpuoleista painiketta (Kuva 8).

Siirry ASETUKSET-valikossa SUOJATTUUN VALIKKOON keskipainikkeella ja paina oikeanpuoleista painiketta (Kuva 9A).

PIN-koodi annetaan painamalla keskimmäistä painiketta, kunnes oikea ensimmäinen numero ilmestyy, ja siirtymällä sitten toiseen numeroon painamalla oikeanpuoleista painiketta (Kuva 9B ja Kuva 9C). Toista tätä vaihetta, kunnes viimeinen numero on annettu, ja paina oikeanpuoleista painiketta vielä kerran.
Vahvista PIN-koodi painamalla keskimmäistä painiketta (Kuva 9D).
Odota, kunnes tietokeskuksen punainen merkkivalo syttyy.
Note: Jos tietokeskus hyväksyy PIN-koodin ja suojattu valikko avataan, näytön oikeassa yläkulmassa näkyy sana ”PIN”.
Note: Virta-avaimen kääntäminen PYSäYTYS-asentoon ja sitten KäYNNISSä-asentoon lukitsee suojatun valikon.
Suojatun valikon asetuksia voi tarkastella ja muuttaa. Kun olet siirtynyt suojattuun valikkoon, etsi kohta Suojaa asetukset. Muuta asetusta painamalla oikeanpuoleista painiketta. Suojaa asetukset voidaan määrittää POIS-tilaan. Tällöin asetuksia voidaan tarkastella ja muuttaa suojatussa valikossa ilman PIN-koodia. Jos Suojaa asetukset on PääLLä, suojatut vaihtoehdot eivät ole näkyvissä, ja niiden vaihtamiseksi suojatussa valikossa tarvitaan PIN-koodi. Kun PIN-koodi on asetettu, toiminto otetaan käyttöön ja tallennetaan kääntämällä virta-avain PYSäYTYS-asentoon ja sitten takaisin KäYNNISSä-asentoon.
Note: Ominaisuuksia ja rakennetta voidaan muuttaa ilmoittamatta.
| Pituus | 254 cm |
| Leveys (takapyörät) | 198 cm |
| Korkeus (turvakaaren ollessa ylhäällä) | 183 cm |
| Korkeus (turvakaaren ollessa alhaalla) | 122 cm |
| Paino | 1 012 kg |
| Pituus | 254 cm |
| Leveys (takapyörät) | 191 cm |
| Korkeus (turvakaaren ollessa ylhäällä) | 183 cm |
| Korkeus (turvakaaren ollessa alhaalla) | 122 cm |
| Paino, malli 30618 | 1 052 kg |
Koneeseen on saatavana valikoima Toron hyväksymiä lisälaitteita ja -varusteita, joiden avulla voidaan parantaa ja laajentaa sen ominaisuuksia. Ota yhteys valtuutettuun huoltoliikkeeseen tai jakelijaan tai siirry osoitteeseen www.Toro.com, josta löytyy luettelo hyväksytyistä lisälaitteista ja -varusteista.
Note: Koneen vasen ja oikea puoli määritellään normaalista käyttöasennosta käsin.
Lue kaikki turvallisuusohjeet ja perehdy merkintöihin. Nämä tiedot auttavat suojaamaan sinua ja sivullisia loukkaantumiselta.
Käyttö märällä ruoholla tai jyrkillä rinteillä saattaa aiheuttaa luisumista ja koneen hallinnan menetyksen.
Renkaiden lipeäminen reunojen yli saattaa kaataa koneen, mistä voi olla seurauksena vakava loukkaantuminen, hukkumisvaara tai kuolema.
Kaatumissuojausta ei ole, kun turvakaari on alhaalla.
Pidä turvakaari aina lukittuna yläasentoon ja käytä turvavyötä.
Lue kaatumissuojausohjeet ja -varoitukset ja noudata niitä.
Noudata seuraavia ohjeita hallinnan säilyttämiseksi ja kaatumisen ehkäisemiseksi.
Älä käytä pudotusten tai veden lähellä.
Älä käytä rinteillä, joiden kaltevuus on yli 20 astetta.
Vähennä rinteissä nopeutta ja ole äärimmäisen varovainen.
Älä muuta nopeutta tai suuntaa äkillisesti.
Tämän koneen tuottama äänitaso saattaa aiheuttaa kuulovamman pitkäaikaisessa altistuksessa.
Käytä kuulosuojaimia käyttäessäsi konetta.
Silmiä, korvia, käsiä, jalkoja ja päätä suojaavien varusteiden käyttö on suositeltavaa.

Polttoaine on haitallista tai tappavaa nieltynä. Pitkäaikainen altistuminen höyryille voi aiheuttaa vakavan tapaturman ja sairauksia.
Vältä höyryjen hengittämistä.
Pidä kasvot etäällä jakelupistoolista ja polttoainesäiliöstä tai lisäaineaukosta.
Älä päästä polttoainetta silmiin tai iholle.
Tietyissä oloissa polttoaine on hyvin tulenarkaa ja räjähdysherkkää. Polttoaineen aiheuttama tulipalo tai räjähdys voi aiheuttaa palovammoja ja omaisuusvahinkoja.
Täytä polttoainesäiliö ulkona avoimessa tilassa, kun moottori on jäähtynyt. Pyyhi läikkynyt polttoaine pois.
Älä täytä polttoainesäiliötä suljetussa perävaunussa.
Älä tupakoi polttoainetta käsitellessäsi ja pysy kaukana avotulesta tai paikoista, joissa kipinä voi sytyttää polttoainehöyryt.
Polttoainetta tulee säilyttää hyväksytyssä polttoaineastiassa, joka tulee pitää poissa lasten ulottuvilta. Älä osta polttoainetta enempää kuin 180 päivän tarpeeseen.
Käytä laitetta vain, kun pakokaasujärjestelmä on kokonaisuudessaan paikallaan ja toimii oikein.
Tietyissä olosuhteissa polttoainesäiliön täytön aikana saattaa purkautua staattista sähköä, joka voi sytyttää polttoainehöyryt. Polttoaineen aiheuttama tulipalo tai räjähdys voi aiheuttaa palovammoja ja omaisuusvahinkoja.
Aseta polttoaineastiat aina maahan ja pois ajoneuvon läheltä ennen polttoaineen lisäämistä.
Polttoaineastioita ei saa täyttää ajoneuvon sisällä tai kuorma-auton tai perävaunun lavalla, sillä sisämatot tai muoviset lavan päällysteet saattavat eristää astian ja hidastaa staattisen sähkön purkautumista.
Poista laite lavalta tai perävaunusta ja tankkaa laite, kun sen pyörillä on kosketus maahan, mikäli tämä on käytännössä mahdollista.
Jos se ei ole mahdollista, tankkaa kuorma-auton tai perävaunun lavalla oleva laite mieluummin kannettavasta astiasta kuin polttoaineen jakelupistoolilla.
Jos jakelupistoolia on käytettävä, pidä pistoolia polttoainesäiliön reunaa tai astian aukkoa vasten koko tankkaamisen ajan.
Important: Käytä vain erittäin vähärikkistä dieselpolttoainetta. Suuremman rikkipitoisuuden polttoaine haurastuttaa hapetuskatalysaattoria, mikä aiheuttaa käyttöongelmia ja lyhentää moottorin osien käyttöikää.Seuraavien varoitusten laiminlyönti saattaa vaurioittaa moottoria.
Dieselpolttoaineen sijasta ei saa käyttää paloöljyä tai bensiiniä.
Dieselpolttoaineeseen ei saa sekoittaa paloöljyä tai käytettyä moottoriöljyä.
Polttoainetta ei sää säilyttää säiliöissä, joiden sisäpinta on sinkitty.
Polttoaineen lisäaineita ei saa käyttää.
Setaaniluku: 45 tai korkeampi
Rikkipitoisuus: Erittäin vähärikkinen (<15 ppm)
| Dieselpolttoaineen tiedot | Sijainti |
| ASTM D975 | Yhdysvallat |
| Nro 1-D S15 | |
| Nro 2-D S15 | |
| EN 590 | Euroopan unioni |
| ISO 8217 DMX | Kansainvälinen |
| JIS K2204, luokitus nro 2 | Japani |
| KSM-2610 | Korea |
Käytä vain puhdasta, tuoretta dieselpolttoainetta tai biodieselpolttoaineita.
Jotta polttoaine olisi tuoretta, osta sitä vain 180 päivän tarpeeseen.
Käytä kesälaatuista dieselpolttoainetta (nro 2-D) yli –7 °C:n lämpötiloissa ja talvilaatuista dieselpolttoainetta (nro 1-D tai nro 1-D / nro 2-D -seosta) alle –7 °C:n lämpötiloissa.
Note: Talvilaatuisen polttoaineen leimahduspiste on alhaisempi, ja sen kylmävirtausominaisuudet helpottavat käynnistystä ja vähentävät polttoainesuodattimen tukkeutumista.Kesälaatuisen polttoaineen käyttö lämpötilan ollessa yli –7 °C pidentää polttoainepumpun käyttöikää ja antaa talvilaatuista polttoainetta enemmän tehoa.
Tässä laitteessa voidaan käyttää myös polttoaineseosta, jossa on enintään 20 % biodieseliä ja 80 % petrodieseliä (B20).
Rikkipitoisuus: Erittäin vähärikkinen (<15 ppm)
Biodieselpolttoaineen tiedot: ASTM D6751 tai EN 14214
Polttoaineseoksen tiedot: ASTM D975, EN 590 tai JIS K2204
Important: Petrodieselosuuden rikkipitoisuuden on oltava erittäin alhainen.
Noudata seuraavia varo-ohjeita:
Biodieselseokset voivat vahingoittaa maalattuja pintoja.
Käytä kylmällä säällä korkeintaan B5-seosta (biodieselpitoisuus 5 %).
Tarkkaile polttoaineen kanssa kosketuksiin joutuvia tiivisteitä ja letkuja, sillä ne voivat haurastua ajan mittaan.
Polttoainesuodattimeen voi muodostua tukoksia jonkin aikaa biodieselseosten käytön aloittamisen jälkeen.
Lisätietoja biodieselistä saa valtuutetulta Toro-jälleenmyyjältä.
43,5 litraa
Important: Polttoainesäiliöt ovat yhteydessä toisiinsa, mutta polttoaine ei siirry nopeasti säiliöstä toiseen. On tärkeää, että ajoneuvo on pysäköity tasaiselle alustalle täytön ajaksi. Jos ajoneuvo pysäköidään rinteeseen, säiliöt voivat täyttyä liikaa.
Important: Älä täytä polttoainesäiliöitä liian täyteen.
Important: Älä avaa polttoainesäiliöitä ajoneuvon ollessa pysäköitynä rinteeseen. Polttoaine voi valua ulos.
Pysäköi kone tasaiselle alustalle.
Important: Polttoainesäiliöt ovat yhteydessä toisiinsa, mutta polttoaine ei siirry nopeasti säiliöstä toiseen. On tärkeää, että ajoneuvo on pysäköity tasaiselle alustalle täytön ajaksi. Jos ajoneuvo pysäköidään rinteeseen, säiliöt voivat täyttyä liikaa.
Sammuta moottori ja kytke seisontajarru.
Puhdista polttoainesäiliön korkkien ympäristö ja irrota korkki.
Important: Älä avaa polttoainesäiliöitä ajoneuvon ollessa pysäköitynä rinteeseen. Polttoaine voi valua ulos.
Lisää polttoainetta molempiin polttoainesäiliöihin, kunnes pinta on täyttökaulan alareunan tasalla (Kuva 11). Älä täytä polttoainesäiliöitä liikaa.

Asenna polttoainesäiliöiden korkit huolellisesti paikalleen. Pyyhi läikkynyt polttoaine pois.
Note: Täytä polttoainesäiliöt aina käytön jälkeen, jos mahdollista. Tämä estää kosteutta tiivistymästä polttoainesäiliön sisälle.
Tarkista moottorin kampikammion öljymäärä ennen moottorin käynnistämistä ja koneen käyttämistä. Katso kohta Moottoriöljyn huolto.
Ennen kuin käynnistät moottorin ja käytät konetta, tarkasta jäähdytysjärjestelmä. Katso kohta Jäähdytysjärjestelmän tarkistus .
Ennen kuin käynnistät moottorin ja käytät konetta, tarkasta hydraulijärjestelmä. Katso kohta Hydraulijärjestelmän tarkastus.
Kaatumisesta aiheutuvan loukkaantumisen tai kuoleman välttämiseksi turvakaari on pidettävä nostettuna lukitussa asennossa ja turvavyötä on käytettävä.
Varmista, että istuimen takaosa on kiinnitetty istuimen salvalla.
Kaatumissuojausta ei ole, kun turvakaari on alhaalla.
Laske turvakaari vain silloin, kun se on aivan välttämätöntä.
Älä käytä turvavyötä, kun turvakaari on alhaalla.
Aja hitaasti ja varovasti.
Nosta turvakaari ylös heti, kun tilaa on riittävästi.
Tarkista vapaa alikulkukorkeus (esim. puiden oksat, porttikäytävät, sähkölinjat) ennen kuin ajat mahdollisen esteen alitse. Varo osumasta esteeseen.
Important: Laske turvakaari vain silloin, kun se on aivan välttämätöntä.
Kun haluat laskea turvakaaren, irrota sokat, työnnä turvakaari eteenpäin jousia vasten ja irrota kaksi tappia (Kuva 12).

Laske turvakaari ala-asentoon (Kuva 13).

Asenna kaksi tappia ja kiinnitä ne sokilla (Kuva 12).
Important: Varmista, että istuimen takaosa on kiinnitetty istuimen salvalla.
Kun haluat nostaa turvakaaren, irrota sokat ja kaksi tappia (Kuva 12).
Nosta turvakaari pystyasentoon, asenna kaksi tappia ja kiinnitä ne sokilla (Kuva 12).
Important: Turvavyötä on käytettävä aina, kun turvakaari on nostettuna ja lukitussa asennossa. Älä käytä turvavyötä, kun turvakaari on ala-asennossa.
Kytke seisontajarru aina, kun pysäytät koneen tai jätät sen ilman valvontaa.
Lukitse liikkeenohjausvivut VAPAALLE (Kuva 18).
Kytke seisontajarru vetämällä vipua ylös ja taaksepäin (Kuva 14).
Note: Seisontajarrun on pysyttävä tukevasti kytkettynä.

Seisontajarru ei välttämättä pidä konetta paikallaan rinteessä, mistä voi aiheutua henkilö- tai omaisuusvahinkoja.
Pysäköi kone rinteeseen vain, jos pyörät voidaan kiilata tai tukea pukeilla.
Vapauta seisontajarru työntämällä vipua eteenpäin ja alas (Kuva 15).

Nosta turvakaari ylös ja lukitse se paikoilleen. Istu istuimelle ja kiinnitä turvavyö.
Varmista, että liikkeenohjausvivut on lukittu VAPAALLE.
Kytke seisontajarru. Katso kohta Seisontajarrun kytkentä.
Siirrä voimanulosoton (PTO) kytkin POIS-asentoon (Kuva 16).

Käännä virta-avain myötäpäivään AJO-asentoon (Kuva 17).

Kun hehkutulpan merkkivalo sammuu, käännä avain KäYNNISTYS-asentoon. Kun moottori käynnistyy, vapauta avain.
Important: Suorita käynnistysvaiheita korkeintaan 15 sekunnin ajan minuutissa, jotta käynnistysmoottori ei ylikuumene.
Note: Käynnistystä voidaan joutua yrittämään useampia kertoja, kun moottori käynnistetään ensimmäistä kertaa sen jälkeen, kun polttoainejärjestelmä on tyhjennetty kokonaan.
Important: Kun moottori käynnistetään ensimmäisen kerran, moottoriöljyn vaihdon jälkeen tai moottorin, vaihteiston tai napamoottorin huollon jälkeen, aja koneella kaasuvipu HIDAS-asennossa eteen- ja taaksepäin 1–2 minuutin ajan. Varmista kaikkien osien moitteeton toiminta käyttämällä myös nostovipua ja voimanulosoton vipua. Sammuta moottori, tarkista nesteiden määrät ja tarkista, onko öljyvuotoja, irtonaisia osia tai muita näkyviä vikoja.
Sammuta moottori ja odota, että kaikki liikkuvat osat ovat pysähtyneet ennen kuin tarkastat koneen öljyvuotojen, irtonaisten osien tai muiden vikojen varalta.
Vapauta voimanulosotto (PTO), lukitse liikkeenohjausvivut VAPAALLE, kytke seisontajarru ja siirrä kaasuvipu HIDAS-asentoon.
Käännä virta-avain PYSäYTYS-asentoon (Kuva 17). Odota, että kaikki liikkuvat osat ovat pysähtyneet, ennen kuin poistut käyttäjän paikalta.
Irrota avain ennen koneen kuljetusta tai varastoimista.
Important: Irrota avain, sillä polttoainepumppu tai lisävarusteet saattavat käydä ja kuluttaa akkua.
Lapset ja sivulliset voivat loukkaantua, jos he siirtävät tai yrittää käyttää konetta sen ollessa ilman valvontaa.
Muista irrottaa virta-avain ja kytkeä seisontajarru aina, kun jätät koneen ilman valvontaa, vaikka vain muutamaksi minuutiksi.
Kaasuvivulla säädetään moottorin pyörintänopeutta (1/min). Aseta kaasuvipu NOPEA-asentoon, jolloin suorituskyky on parhaimmillaan. Leikkaa ruoho aina kaasun ollessa NOPEA-asennossa.
Kone voi kääntyä hyvin nopeasti. Käyttäjä voi menettää koneen hallinnan ja aiheuttaa henkilö- tai omaisuusvahinkoja.
Ole varovainen kääntyessäsi.
Hidasta konetta ennen jyrkkiä käännöksiä.
Vapauta seisontajarru. Katso kohta Seisontajarrun vapautus.
Note: Moottori sammuu, jos liikkeenohjausvipuja siirretään seisontajarrun ollessa kytkettynä.
Siirrä liikkeenohjausvivut keskelle, lukitsemattomaan asentoon.
Koneella ajetaan seuraavasti:
Kun haluat ajaa suoraan eteenpäin, työnnä liikkeenohjausvipuja hitaasti eteenpäin (Kuva 18).
Kun haluat ajaa suoraan taaksepäin, vedä liikkeenohjausvipuja hitaasti taaksepäin (Kuva 18).
Kun haluat kääntyä, hidasta vauhtia vetämällä molempia vipuja taaksepäin ja työnnä sitten kääntymissuunnan suhteen päinvastaisella puolella olevaa vipua eteenpäin (Kuva 18.)
Kun haluat pysähtyä, vedä liikkeenohjausvivut VAPAALLE.
Note: Mitä enemmän liikkeenohjausvipuja siirretään, sitä nopeammin kone liikkuu kyseiseen suuntaan.

Kun haluat pysäyttää koneen, lukitse liikkeenohjausvivut VAPAALLE, vapauta voimanulosotto (PTO), siirrä kaasuvipu HIDAS-asentoon ja sammuta moottori.
Kytke seisontajarru, kun poistut koneelta. Katso kohta Seisontajarrun kytkentä. Muista irrottaa virta-avain virtalukosta.
Lapset ja sivulliset voivat loukkaantua, jos he yrittävät siirtää tai käyttää konetta sen ollessa ilman valvontaa.
Muista irrottaa virta-avain ja kytkeä seisontajarru aina, kun jätät koneen ilman valvontaa, vaikka vain muutamaksi minuutiksi.
Leikkuupöydän nostokytkimellä nostetaan ja lasketaan leikkuupöytää (Kuva 19).
Note: Moottorin on oltava käynnissä, jotta vipua voidaan käyttää.

Laske leikkuupöytä työntämällä leikkuupöydän nostokytkin alas (Kuva 19).
Note: Kun leikkuupöytä lasketaan, se asettuu kellutus-/joutokäyntiasentoon.
Nosta leikkuupöytä työntämällä leikkuupöydän nostokytkin ylös (Kuva 19).
Important: Älä pidä vipua enää ylhäällä tai alhaalla, kun leikkuupöytä on nostettu tai laskettu kokonaan. Muutoin hydraulijärjestelmä vaurioituu.
Note: Lukitse leikkuupöytä yläasentoon nostamalla lava 15 cm:n kohdan ohi, irrottamalla leikkuukorkeuden pidätystappi (katso kohta Leikkuukorkeuden säätö) ja asettamalla tappi 15 cm:n leikkuukorkeusasentoon (Kuva 43).
Voimanulosoton (PTO) kytkin käynnistää ja pysäyttää leikkuuterät ja eräät virtaa käyttävät lisälaitteet.
Jos moottori on kylmä, anna moottorin lämmetä 5–10 minuuttia ennen voimanulosoton kytkemistä.
Istu istuimella, vapauta liikkeenohjausvivut ja aseta ne vapaalle.
Kytke voimanulosotto vetämällä voimanulosoton kytkintä ylös (Kuva 20).

Vapauta voimanulosotto työntämällä voimanulosoton kytkin POIS-asentoon.
Note: Ruohon leikkaaminen moottoria kuormittavalla nopeudella edistää hiukkassuodattimen regeneraatiota.
Siirrä kone työalueelle.
Siirrä moottorin nopeuskytkin korkean joutokäyntinopeuden asentoon, kun se on mahdollista.
Kytke voimanulosoton kytkin.
Liikuta ajopoljinta hitaasti eteenpäin ja aja kone hitaasti leikkuualueen yli.
Laske leikkuuyksiköt, kun niiden etuosat ovat leikkuualueella.
Leikkaa ruohoa niin, että sitä leikataan ja poistetaan nopeasti leikkuujäljestä tinkimättä.
Note: Jos leikkuunopeus on liian suuri, leikkuujälki saattaa huonontua. Palaa korkeaan joutokäyntinopeuteen vähentämällä koneen ajonopeutta tai leikkuuleveyttä.
Nosta leikkuuyksiköt, kun ne ovat leikkuualueen reunan ulkopuolella.
Tee pisaran muotoinen käännös seuraavaa ajoa varten.
Hiukkassuodatin (DPF) on osa pakokaasujärjestelmää. Hiukkassuodattimen hapetuskatalysaattori vähentää haitallisten kaasujen määrää, ja nokisuodatin poistaa nokea moottorin pakokaasuista.
Hiukkassuodattimen regeneraatiossa käytetään moottorin pakokaasujen lämpöä nokisuodattimeen kertyneen noen polttamiseen, jolloin noki muunnetaan tuhkaksi ja nokisuodattimen kanavat puhdistetaan, jotta suodatetut moottorin pakokaasut virtaavat ulos hiukkassuodattimesta.
Moottorin tietokone valvoo noen kertymistä mittaamalla hiukkassuodattimen vastapaineen. Jos vastapaine on liian suuri, nokisuodattimen noki ei pala moottorin normaalin käytön seurauksena. Pidä seuraavat seikat mielessä, jotta hiukkasuodatin pysyy puhtaana noesta:
Passiivista regeneraatiota tehdään jatkuvasti moottorin ollessa käynnissä. Edistä hiukkassuodattimen regeneraatiota käyttämällä moottoria täydellä nopeudella mahdollisuuksien mukaan.
Jos vastapaine on liian suuri, moottorin tietokone ilmoittaa asiasta tietokeskuksen kautta lisäprosessien (apu- ja nollausregeneraatio) ollessa käynnissä.
Anna apu- ja nollausregeneraation valmistua ennen moottorin sammuttamista.
Pidä hiukkassuodattimen toiminta mielessä koneen käytön ja huollon aikana. Moottorin kuormitus korkealla joutokäyntinopeudella tuottaa yleensä riittävän pakokaasujen lämpötilan hiukkassuodattimen regeneraatioon.
Important: Noen kertymistä nokisuodattimeen voidaan vähentää käyttämällä moottoria mahdollisimman vähän joutokäynnillä tai alhaisella nopeudella.
Pakokaasujen lämpötila on korkea (noin 600 °C) hiukkassuodattimen pysäköintiregeneraation tai palautusregeneraation aikana. Kuumat pakokaasut saattavat vahingoittaa käyttäjää tai sivullisia.
Älä koskaan käytä moottoria suljetussa tilassa.
Varmista, että pakokaasujärjestelmän lähellä ei ole syttyviä materiaaleja.
Älä kosketa kuumaa pakokaasujärjestelmän osaa.
Älä seiso koneen pakoputken lähellä.
Hiukkassuodatin kerää nokea nokisuodattimeen ajan myötä. Moottorin tietokone valvoo hiukkassuodattimen nokitasoa.
Kun nokea on kertynyt tarpeeksi, tietokone ilmoittaa, että hiukkassuodatin on aika regeneroida.
Hiukkassuodattimen regeneraatiossa hiukkassuodatinta kuumennetaan, jotta noki muuttuu tuhkaksi.
Varoitusviestien lisäksi tietokone vähentää moottorin tehoa eri nokikertymätasoilla.
| Ilmoitustaso | Vikakoodi | Moottorin teholuokitus | Suositeltu toimenpide |
| Taso 1: moottorivaroitus |
![]() | Tietokone laskee moottorin tehon 85 prosenttiin | Suorita pysäköintiregeneraatio mahdollisimman pian. Katso kohta Pysäköintiregeneraatio. |
| Taso 2: moottorivaroitus |
![]() | Tietokone laskee moottorin tehon 50 prosenttiin | Suorita palautusregeneraatio mahdollisimman pian. Katso kohta Palautusregeneraatio. |
Kevyt tuhka poistetaan pakokaasujärjestelmän kautta, mutta raskas tuhka kerääntyy nokisuodattimeen.
Tuhkaa jää jäljelle regeneraation seurauksena. Ajan myötä hiukkassuodatin kerää tuhkaa, joka ei poistu moottorin pakokaasujen mukana.
Moottorin tietokone laskee hiukkassuodattimeen kertyneen tuhkan määrän.
Kun tuhkaa on kertynyt tarpeeksi, moottorin tietokone lähettää tietokeskukseen tiedon hiukkasuodattimen tuhkakertymästä järjestelmäilmoituksen tai moottorivian muodossa.
Ilmoitus ja viat ovat merkkejä siitä, että hiukkassuodatin on aika huoltaa.
Varoitusten lisäksi tietokone vähentää moottorin tehoa eri tuhkakertymätasoilla.
| Ilmoitustaso | Ilmoitus tai vikakoodi | Moottorin nopeuden vähennys | Moottorin teholuokitus | Suositeltu toimenpide |
|---|---|---|---|---|
| Taso 1: järjestelmäilmoitus |
![]() | – | 100 % | Ilmoita yrityksen huolto-osastolle, että ilmoitus #179 näkyy tietokeskuksessa. |
| Taso 2: moottorivaroitus |
![]() | – | Tietokone laskee moottorin tehon 85 prosenttiin | Huolla hiukkassuodatin. Katso kohta Hapetuskatalysaattorin ja nokisuodattimen huolto. |
| Taso 3: moottorivaroitus |
![]() | – | Tietokone laskee moottorin tehon 50 prosenttiin | Huolla hiukkassuodatin. Katso kohta Hapetuskatalysaattorin ja nokisuodattimen huolto. |
| Taso 4: moottorivaroitus |
![]() | Moottorin nopeus enimmäisvääntömomentilla + 200 kierr./min | Tietokone laskee moottorin tehon 50 prosenttiin | Huolla hiukkassuodatin. Katso kohta Hapetuskatalysaattorin ja nokisuodattimen huolto. |
| Regeneraatiotyyppi | Hiukkassuodattimen regeneraation ehdot | Hiukkassuodattimen käytön kuvaus |
|---|---|---|
| Passiivinen | Tehdään koneen normaalin käytön aikana suurella moottorin nopeudella tai kuormituksella | Tietokeskuksessa ei näy passiivisen regeneraation kuvaketta. |
| Passiivisen regeneraation aikana hiukkassuodatin käsittelee kuumia pakokaasuja, hapettaa haitallisia päästöjä ja polttaa nokea tuhkaksi. | ||
| Katso kohta Passiivinen hiukkassuodattimen regeneraatio. | ||
| Apu | Tehdään moottorin alhaisen nopeuden tai kuormituksen tuloksena tai tietokoneen havaitessa vastapainetta hiukkassuodattimessa | Kun apu-/nollausregeneraation kuvake näkyy tietokeskuksessa,
apuregeneraatio on käynnissä. |
| Apuregeneraation aikana tietokone lisää pakokaasujen lämpötilaa imuventtiiliä ohjaamalla, mikä mahdollistaa apuregeneraation. | ||
| Katso kohta Hiukkassuodattimen apuregeneraatio. | ||
| Nollaus | Tehdään apuregeneraation jälkeen vain, jos tietokone havaitsee, että apuregeneraatio ei vähentänyt noen määrää riittävästi | Kun apu-/nollausregeneraation kuvake näkyy tietokeskuksessa,
regeneraatio on käynnissä. |
| Tehdään myös 100 tunnin välein anturien lähtökohtalukemien nollausta varten | ||
| Nollausregeneraation aikana tietokone lisää pakokaasujen lämpötilaa regeneraation aikana imuventtiiliä ja polttoaineruiskuttimia ohjaamalla. | ||
| Katso kohta Nollausregeneraatio. |
| Regeneraatiotyyppi | Hiukkassuodattimen regeneraation ehdot | Hiukkassuodattimen käytön kuvaus |
|---|---|---|
| Pysäköinti | Noen kertyminen johtuu pitkäkestoisesta käytöstä alhaisella moottorin nopeudella tai kuormituksella. Nokea saattaa myös kertyä, jos käytetään vääränlaista polttoainetta tai öljyä | Kun pysäköintiregeneraation
kuvake näkyy
tietokeskuksessa, regeneraatiota pyydetään. |
| Tietokone havaitsee noen kertymisestä johtuvan vastapaineen ja pyytää pysäköintiregeneraatiota | ||
| • Suorita pysäytysregeneraatio mahdollisimman pian, jotta palautusregeneraatiota ei tarvita. | ||
| • Pysäköintiregeneraatio kestää 30–60 minuuttia. | ||
| • Polttoainesäiliössä täytyy olla vähintään neljäsosan verran polttoainetta. | ||
| • Kone on pysäköitävä palautusregeneraatiota varten. | ||
| Katso kohta Pysäköintiregeneraatio. | ||
| Palautus | Tehdään, jos pysäköintiregeneraatiopyynnöt ohitetaan ja käyttöä jatketaan, jolloin nokea kertyy lisää, kun hiukkassuodatin edellyttää jo pysäköintiregeneraatiota | Kun palautusregeneraation kuvake näkyy tietokeskuksessa,
palautusregeneraatiota pyydetään. |
| Anna huoltoteknikon suorittaa palautusregeneraatio. Ota yhteys valtuutettuun Toro-jälleenmyyjään. | ||
| • Palautusregeneraatio kestää enintään neljä tuntia. | ||
| • Polttoainesäiliön täytyy olla vähintään puoliksi täynnä. | ||
| • Kone on pysäköitävä palautusregeneraatiota varten. | ||
| Katso kohta Palautusregeneraatio. |
Passiivinen regeneraatio tehdään moottorin normaalin käytön yhteydessä.
Käytä moottoria täydellä nopeudella mahdollisuuksien mukaan hiukkassuodattimen koneen käytön aikaisen regeneraation edistämistä varten.

Apu-/nollausregeneraation kuvake näkyy tietokeskuksessa (Kuva 27).
Tietokone nostaa moottorin pakokaasujen lämpötilaa ohjaamalla imuventtiiliä.
Käytä moottoria täydellä nopeudella mahdollisuuksien mukaan hiukkassuodattimen koneen käytön aikaisen regeneraation edistämistä varten.
Kuvake
näkyy tietokeskuksessa apuregeneraation
ollessa käynnissä.
Jos mahdollista, älä sammuta moottoria tai vähennä moottorin nopeutta apuregeneraation ollessa käynnissä.
Important: Anna apuregeneraation valmistua ennen moottorin sammuttamista.
Note: Apuregeneraatio on valmis, kun kuvake
katoaa tietokeskuksesta.

Apu-/nollausregeneraation kuvake näkyy tietokeskuksessa (Kuva 28).
Tietokone nostaa moottorin pakokaasujen lämpötilaa ohjaamalla imuventtiiliä ja muuttamalla polttoaineruiskuttimien toimintaa.
Important: Apu-/nollausregeneraation kuvake osoittaa, että koneesta poistettavien pakokaasujen lämpötila saattaa olla kuumempi kuin normaalin käytön aikana.
Käytä moottoria täydellä nopeudella mahdollisuuksien mukaan hiukkassuodattimen koneen käytön aikaisen regeneraation edistämistä varten.
Kuvake
näkyy tietokeskuksessa nollausregeneraation
ollessa käynnissä.
Jos mahdollista, älä sammuta moottoria tai vähennä moottorin nopeutta nollausregeneraation ollessa käynnissä.
Important: Anna nollausregeneraation valmistua ennen moottorin sammuttamista.
Note: Nollausregeneraatio on valmis, kun kuvake
katoaa tietokeskuksesta.

Pysäköintiregeneraation pyyntökuvake näkyy tietokeskuksessa (Kuva 29).
Jos pysäköintiregeneraatiota tarvitaan, tietokeskus näyttää moottorivaroituksen SPN 3719, FMI 16 (Kuva 30) ja moottorin tietokone laskee moottorin tehon 85 prosenttiin.

Important: Jos pysäköintiregeneraatiota ei suoriteta kahden tunnin kuluessa, moottorin tietokone laskee moottorin tehon 50 prosenttiin.
Pysäköintiregeneraatio kestää 30–60 minuuttia.
Käyttäjä tarvitsee PIN-koodin pysäköintiregeneraation suorittamiseen, jos tähän on valtuutus käyttäjän yritykseltä.
Varmista, että koneen polttoainesäiliössä on vähintään neljäsosan verran polttoainetta.
Siirrä kone ulos alueelle, jossa ei ole syttyviä materiaaleja.
Pysäköi kone tasaiselle alustalle.
Varmista, että ajo- tai liikkeenohjausvivut ovat VAPAA-asennossa.
Laske leikkuuyksiköt ja pysäytä ne tarvittaessa.
Kytke seisontajarru.
Siirrä kaasu alhaiselle JOUTOKäYNTINOPEUDELLE.
Note: Ohjeita suojattujen valikoiden avaamiseen on kohdassa Suojattujen valikoiden käyttö.
Käytä suojattua valikkoa ja avaa suojattujen asetusten alavalikko (Kuva 31). Katso kohta Suojattujen valikoiden käyttö.

Siirry PääVALIKKOON, selaa HUOLTOVALIKKOON keskimmäisellä painikkeella ja valitseHUOLTO painamalla oikeanpuoleista painiketta (Kuva 32).
Note: Tietokeskuksen näytön oikeassa yläkulmassa pitäisi näkyä PIN-ilmaisin.

Paina HUOLTOVALIKOSSA keskimmäistä painiketta, kunnes DPF REGENERATION (Hiukkassuodattimen regeneraatio) -valinnat näkyvät, ja valitse DPF REGENERATION (Hiukkassuodattimen regeneraatio) painamalla oikeanpuoleista painiketta (Kuva 33).

Kun ”Initiate DPF Regen. Are you sure?” (Käynnistä hiukkassuodattimen regeneraatio. Oletko varma?) -viesti tulee näkyviin, paina keskimmäistä painiketta (Kuva 34).

Jos jäähdytysnesteen lämpötila
on alle 60 °C, ”Insure
is running and above 60C/140F” (Varmista,
että X on käynnissä ja yli 60 °C) -viesti
tulee näyttöön (Kuva 35).
Tarkkaile näytön lämpötilaa ja käytä konetta täydellä kaasulla, kunnes lämpötila on 60 °C. Paina sitten keskimmäistä painiketta.
Note: Jos jäähdytysnesteen lämpötila on yli 60 °C, tämä näyttö ohitetaan.

Siirrä kaasuvipu ALHAISELLE JOUTOKäYNTINOPEUDELLE ja paina keskimmäistä painiketta (Kuva 36).

Seuraavat viestit tulevat näyttöön, kun pysäköintiregeneraatio alkaa:
”Initiating DPF Regen.” (Käynnistetään hiukkassuodattimen regeneraatio) -viesti tulee näyttöön (Kuva 37).

”Waiting on
” (Odotetaan X) -viesti tulee näyttöön
(Kuva 38).

Tietokone määrittää, suoritetaanko regeneraatio. Yksi seuraavista viesteistä näkyy tietokeskuksessa:
Jos regeneraatio sallitaan, ”Regen Initiated. Allow up to 30 minutes for completion” (Regeneraatio käynnistetty. Tämä vaihe voi kestää 30 minuuttia) -viesti näkyy tietokeskuksessa. Odota, että kone suorittaa pysäköintiregeneraation (Kuva 39).

Jos moottorin tietokone ei salli regeneraatiota, ”DPF Regen Not Allowed” (Hiukkassuodattimen regeneraatio ei ole sallittu) -viesti näkyy tietokeskuksessa (Kuva 40). Poistu alkunäyttöön painamalla vasemmanpuoleista painiketta.
Important: Jos regeneraation kaikkia vaatimuksia ei täytetty tai jos edellisestä regeneraatiosta on alle 50 tuntia, ”DPF Regen Not Allowed” (Hiukkassuodattimen regeneraatio ei ole sallittu) -viesti tulee näyttöön.

Kun regeneraatio on käynnissä, tietokeskus palaa alkunäyttöön ja näyttää seuraavat kuvakkeet:
![]() | Moottori on kylmä: odota. | |
![]() | Moottori on lämmin: odota. | |
![]() | Moottori on kuuma: regeneraatio käynnissä (prosenttia valmista). |
Pysäköintiregeneraatio on valmis, kun ”Regen Complete” (Regeneraatio valmis) -viesti näkyy tietokeskuksessa. Poistu alkunäyttöön painamalla vasemmanpuoleista painiketta (Kuva 41).

Jos pysäköintiregeneraation pyyntö (näkyy tietokeskuksessa) ohitetaan ja koneen käyttöä jatketaan, hiukkassuodattimeen kertyy kriittinen määrä nokea.
Jos palautusregeneraatiota tarvitaan, tietokeskus näyttää moottorivaroituksen SPN 3719, FMI 16 (Kuva 42) ja moottorin tietokone laskee moottorin tehon 85 prosenttiin.

Important: Jos palautusregeneraatiota ei suoriteta 15 minuutin kuluessa, moottorin tietokone laskee moottorin tehon 50 prosenttiin.
Suorita palautusregeneraatio, kun moottorin tehoa häviää ja pysäköintiregeneraatio ei puhdista hiukkassuodatinta noesta riittävästi.
Palautusregeneraatio kestää enintään neljä tuntia.
Jakelijan teknikon on suoritettava palautusregeneraatio. Ota yhteys valtuutettuun Toro-jälleenmyyjään.
Leikkuukorkeudeksi voidaan säätää 2,5–15,8 cm (6 mm:n välein) siirtämällä pidätystappia eri reikiin.
Työnnä leikkuupöydän nostokytkintä ylös moottorin ollessa käynnissä, kunnes leikkuupöytä on kokonaan ylhäällä, ja vapauta kytkin heti (Kuva 19).
Säädä leikkuukorkeutta kääntämällä pidätystappia, kunnes siinä oleva putkisokka osuu leikkuukorkeuden kannattimen aukkoihin, ja irrota se (Kuva 43).
Valitse leikkuukorkeuden kannattimesta haluttua leikkuukorkeutta vastaava reikä, työnnä tappi reikään ja lukitse se paikalleen kääntämällä sitä alas (Kuva 43).
Note: Reikiä on neljässä rivissä (Kuva 43). Ylin rivi vastaa tapin yläpuolelle merkittyä leikkuukorkeutta. Toinen rivi alaspäin vastaa merkittyä leikkuukorkeutta plus 6 mm. Kolmas rivi alaspäin vastaa merkittyä leikkuukorkeutta plus 13 mm. Alin rivi vastaa merkittyä leikkuukorkeutta plus 18 mm. 15,8 cm:n asentoa varten on vain yksi reikä toisella rivillä. Tämä ei lisää 6 mm:iä 15,8 cm:n asentoon.

Säädä nurmisuojarullia ja jalaksia tarvittaessa.
Asenna jalakset alempaan asentoon, kun leikkuukorkeus on suurempi kuin 64 mm, ja ylempään asentoon, kun leikkuukorkeus on pienempi kuin 64 mm.
Note: Guardian®-leikkureissa jalakset voidaan kääntää ympäri leikkurin toiselle puolelle, kun ne ovat kuluneet. Näin jalaksia voidaan käyttää pitempään ennen kuin ne on tarpeen vaihtaa.
Vapauta voimanulosotto (PTO), lukitse liikkeenohjausvivut VAPAALLE ja kytke seisontajarru.
Siirrä kaasuvipu HIDAS-asentoon, sammuta moottori, irrota avain ja odota, että kaikki liikkuvat osat pysähtyvät, ennen kuin poistut käyttäjän paikalta.
Löysää kunkin jalaksen edessä olevaa ruuvia (Guardian-leikkuupöydissä kaksi jalasta ja sivuheittopöydissä yksi jalas) kuvan mukaisesti (Kuva 44).

Irrota kustakin jalaksesta laippakantapultit ja mutterit.
Siirrä kukin jalas haluttuun asentoon ja kiinnitä laippakantapulteilla ja muttereilla.
Note: Säädä jalaksia vain ylimmäisten tai keskimmäisten reikien avulla. Alimmaisia reikiä käytetään käännettäessä Guardian-leikkuupöydän puolta, jolloin niistä tulee ylimmät reiät leikkuupöydän toisella puolella.
Kiristä kunkin jalaksen edessä oleva ruuvi momenttiin 9–11 N·m.
Kun säädät leikkuukorkeutta, säädä samalla takanurmisuojarullien korkeus.
Vapauta voimanulosotto (PTO), lukitse liikkeenohjausvivut VAPAALLE ja kytke seisontajarru.
Siirrä kaasuvipu HIDAS-asentoon, sammuta moottori, irrota avain ja odota, että kaikki liikkuvat osat pysähtyvät, ennen kuin poistut käyttäjän paikalta.
Säädä rullia leikkuukorkeuden säädön jälkeen irrottamalla laippamutteri, holkki, välikappale ja pultti (Kuva 45).

Valitse reikä, jossa nurmisuojarulla on lähimpänä vastaavaa haluttua leikkuukorkeutta (Kuva 46).

Asenna laippamutteri, holkki, välikappale ja pultti (Kuva 45).
Note: Kiristä momenttiin 54–61 N·m.
Asenna rullat alempaan asentoon, kun leikkuukorkeus on suurempi kuin 64 mm, ja ylempään asentoon, kun leikkuukorkeus on pienempi kuin 64 mm.
Vapauta voimanulosotto (PTO), lukitse liikkeenohjausvivut VAPAALLE ja kytke seisontajarru.
Siirrä kaasuvipu HIDAS-asentoon, sammuta moottori, irrota avain ja odota, että kaikki liikkuvat osat pysähtyvät, ennen kuin poistut käyttäjän paikalta.
Nosta koneen etuosa ja tue se pukeilla.
Irrota kiinnittimet, joilla rullat on kiinnitetty leikkuupöytään, ja siirrä rullia tarpeen mukaan ylös- tai alaspäin. Katso Kuva 47–Kuva 51 leikkuupöydän tyypistä riippuen.





Jos turvakytkimet ovat irronneet tai vaurioituneet, kone saattaa toimia odottamattomalla tavalla ja aiheuttaa henkilövahinkoja.
Älä kajoa turvakytkimiin.
Tarkista turvakytkimien toimivuus päivittäin ja vaihda mahdolliset vaurioituneet kytkimet ennen koneen käyttämistä.
Turvajärjestelmä huolehtii siitä, että moottori käynnistyy vain, kun
istut käyttäjän paikalla tai seisontajarru on kytkettynä
voimanulosotto (PTO) on vapautettuna
liikkeenohjausvivut on lukittu VAPAALLE
moottorin lämpötila on suurinta käyttölämpötilaa alhaisempi.
Turvajärjestelmä myös sammuttaa moottorin, jos ajovivut siirretään LUKITUSTA VAPAA-ASENNOSTA seisontajarrun ollessa kytkettynä. Jos nouset käyttäjän istuimelta voimanulosoton ollessa kytkettynä, moottori sammuu yhden sekunnin viiveen jälkeen.
| Huoltoväli | Huoltotoimenpide |
|---|---|
| Aina ennen käyttöä tai päivittäin |
|
Tarkista turvajärjestelmän toimivuus aina ennen koneen käyttöä. Jos turvajärjestelmä ei toimi alla kuvatulla tavalla, se on välittömästi korjautettava valtuutetussa huoltoliikkeessä.
Istu istuimella, kytke seisontajarru, kytke voimanulosotto Päällä-asentoon ja yritä käynnistää moottori.
Note: Moottori ei saa käynnistyä.
Istu istuimella, kytke seisontajarru, kytke voimanulosotto Pois-asentoon, siirrä jompikumpi liikkeenohjausvipu pois LUKITUSTA VAPAA-ASENNOSTA ja yritä käynnistää moottori.
Note: Moottori ei saa käynnistyä. Toista toisella ohjausvivulla.
Istu istuimella, kytke seisontajarru, siirrä voimanulosoton kytkin Pois-asentoon, siirrä liikkeenohjausvivut LUKITTUUN VAPAA-ASENTOON ja käynnistä moottori. Kun moottori on käynnissä, vapauta seisontajarru, kytke voimanulosotto ja nouse hieman istuimelta.
Note: Moottorin tulee sammua 2 sekunnin kuluessa.
Pidä istuin vapaana, kytke seisontajarru, siirrä voimanulosoton kytkin Pois-asentoon, siirrä liikkeenohjausvivut LUKITTUUN VAPAA-ASENTOON ja käynnistä moottori. Kun moottori käy, aseta jompikumpi liikkeenohjausvipu keskelle.
Note: Moottorin tulee sammua 2 sekunnin kuluessa. Toista toisella liikkeenohjausvivulla.
Pidä istuin vapaana, vapauta seisontajarru, siirrä voimanulosoton kytkin Pois-asentoon, siirrä liikkeenohjausvivut LUKITTUUN VAPAA-ASENTOON ja yritä käynnistää moottori.
Note: Moottori ei saa käynnistyä.
Kone on varustettu ohjausyksiköllä, joka tarkkailee erilaisten tärkeiden järjestelmien tilaa. Ohjausyksikkö sijaitsee oikeanpuoleisen ohjauspaneelin alla. Siihen päästään käsiksi sivupaneelin kannen kautta (Kuva 52). Avaa sivupaneelin kansi vapauttamalla kaksi salpaa ja vetämällä sitä ulos.

Ohjausyksikön etupuolella on 11 merkkivaloa, jotka ilmaisevat järjestelmän tilaa. Näistä valoista seitsemää voidaan käyttää järjestelmän vianmääritykseen. Kunkin merkkivalon toiminnon kuvaus; katso Kuva 53. Lisätietoja ohjausyksikön muista toiminnoista on huolto-oppaassa, jonka saa valtuutetulta Toro-jälleenmyyjältä.

Istuin siirtyy eteen- ja taaksepäin. Säädä istuin siten, että pystyt ohjaamaan konetta parhaiten ja asentosi on mahdollisimman mukava.
Kun haluat säätää istuinta, vapauta istuin siirtämällä vipua sivusuunnassa (Kuva 54).

Siirrä istuin haluamaasi asentoon ja lukitse se paikoilleen vapauttamalla vipu.
Varmista, että istuin on lukittunut paikoilleen yrittämällä liikuttaa sitä edestakaisin.
Istuinmukavuutta voidaan lisätä säätämällä istuinta. Aseta istuin kohtaan, jossa ajoasento on mahdollisimman mukava.
Poistu istuimelta ja säädä jousitus mahdollisimman mukavaksi kääntämällä edessä olevaa nuppia jompaankumpaan suuntaan (Kuva 54).

Ajoasentoa voidaan parantaa säätämällä istuimen selkänojaa. Aseta selkänoja kohtaan, jossa ajoasento on mahdollisimman mukava.
Säädä selkänoja mahdollisimman mukavaksi kääntämällä oikeanpuoleisen käsinojan alla olevaa nuppia jompaankumpaan suuntaan (Kuva 54).
Istuimen selkänojaa voidaan säätää siten, että se tukee ristiselkää mahdollisimman hyvin.
Säädä ristiselän tuki mahdollisimman mukavaksi kääntämällä vasemmanpuoleisen käsinojan alla olevaa nuppia jompaankumpaan suuntaan (Kuva 54).
Jotta istuimen alla oleviin hydraulijärjestelmiin ja muihin järjestelmiin päästään käsiksi, irrota istuimen kiinnityssalpa ja käännä istuin eteenpäin.
Liu’uta istuin etuasentoon istuimen asennon säätövivun avulla.
Vapauta istuin vetämällä istuimen salpaa eteenpäin ja nostamalla sitä (Kuva 56).

Important: Älä koskaan hinaa konetta, koska se voi vahingoittaa hydraulijärjestelmää.
Vapauta voimanulosotto (PTO) ja käännä virta-avain Pysäytys-asentoon. Lukitse vivut VAPAALLE ja kytke seisontajarru. Irrota avain.
Nosta istuin.
Käännä kutakin ohitusventtiiliä yksi kierros vastapäivään (Kuva 57).
Note: Tällöin hydraulineste pääsee ohittamaan pumpun ja pyörät voivat pyöriä.
Important: Kierrä ohitusventtiiliä korkeintaan yksi kierros. Näin venttiilit eivät irtoa rungosta eikä nestettä pääse vuotamaan.

Vapauta seisontajarru ennen työntämistä.
Käännä kutakin ohitusventtiiliä myötäpäivään yksi kierros ja kiristä ne käsin (noin momenttiin 8 N·m).
Note: Älä kiristä ohitusventtiilejä liikaa.
Koneella ei voi ajaa, ellei ohitusventtiilejä ole käännetty sisäänpäin.
Ole äärimmäisen varovainen lastatessasi laitteita perävaunuun tai kuorma-autoon. Lastaukseen suositellaan käytettäväksi yhtä täysleveää ramppia, joka on tarpeeksi leveä ulottumaan takarenkaiden yli, yksikön molemmille puolille tulevien erillisten ramppien sijaan (Kuva 58). Koneen rungon alempi takaosa ulottuu takapyörien väliin ja estää taaksepäin kaatumisen. Rungon osat osuvat täysleveän rampin pintaan, jos laite alkaa kaatua taaksepäin. Jos täysleveää ramppia ei voida käyttää, käytä riittävän useaa erillistä ramppia, jotta vaikutus on sama kuin yhtenäisellä rampilla.
Rampin on oltava tarpeeksi pitkä, jotta kulmat eivät ylitä 15 astetta (Kuva 58). Jyrkempi kulma saattaa aiheuttaa leikkurin osien takertumisen, kun laitetta siirretään rampilta perävaunuun tai kuorma-autoon. Jyrkemmät kulmat saattavat myös aiheuttaa yksikön kaatumisen taaksepäin. Jos kone lastataan rinteessä tai lähellä rinnettä, sijoita perävaunu tai kuorma-auto siten, että se on rinteen alapäässä ja ramppi on ylöspäin rinteeseen. Näin saadaan mahdollisimman pieni ramppikulma. Perävaunun tai kuorma-auton on oltava mahdollisimman vaakasuorassa.
Important: Älä yritä kääntää laitetta sen ollessa rampilla. Saatat menettää laitteen hallinnan ja ajaa laidan yli.
Vältä äkillistä kiihdyttämistä ajaessasi ylös ramppia ja äkillistä hidastamista, kun peruutat alas ramppia. Nämä toimet saattavat aiheuttaa laitteen kaatumisen taaksepäin.
Laitteen lastaaminen perävaunuun tai kuorma-autoon lisää taaksepäin kaatumisen mahdollisuutta, ja voi aiheuttaa vakavan loukkaantumisen tai kuoleman.
Ole erittäin varovainen käyttäessäsi laitetta rampilla.
Käytä vain yhtä, täysleveää ramppia. Älä käytä erillisiä ramppeja laitteen molemmilla puolilla.
Jos erillisiä ramppeja on pakko käyttää, käytä niin useaa ramppia, että saadaan laitetta leveämpi yhtenäinen ramppipinta.
Rampin ja maan tai rampin ja perävaunun välinen kulma ei saa olla yli 15 astetta.
Älä kiihdytä äkillisesti ajaessasi laitetta ylös ramppia taaksepäin kaatumisen välttämiseksi.
Älä hidasta äkillisesti peruuttaessasi laitetta ramppia alaspäin taaksepäin kaatumisen välttämiseksi.

Kaduilla ja teillä ajaminen ilman suuntavilkkuja, valoja, heijastavia merkintöjä tai hitaan ajoneuvon merkkiä on vaarallista ja saattaa aiheuttaa henkilövahinkoihin johtavan onnettomuuden.
Älä aja koneella julkisella tiellä tai kadulla ilman tieliikennelain edellyttämiä tunnuksia, valoja ja/tai merkintöjä.
Käytä koneen kuljetukseen raskaaseen käyttöön tarkoitettua perävaunua tai kuorma-autoa. Varmista, että perävaunussa tai kuorma-autossa on kaikki lain vaatimat valot ja merkit. Lue huolellisesti kaikki turvaohjeet. Nämä tiedot auttavat suojaamaan sinua ja sivullisia loukkaantumiselta.
Koneen kuljetus:
Varmista, että ajoneuvo, vetokoukku, turvaketjut ja perävaunu ovat kapasiteetiltaan riittäviä vedettävän kuorman suhteen ja että ne ovat tieliikennelain mukaisia.
Lukitse jarru ja kiilaa pyörät.
Kiinnitä kone tukevasti perävaunuun tai kuorma-autoon hihnoilla, ketjuilla, kaapeleilla tai köysillä tieliikennelain edellyttämällä tavalla (Kuva 59).

Jotta koneen ja leikkuupöydän käytössä olisi tarpeeksi tehoa leikkuun aikana, pidä kaasu NOPEA-asennossa ja säädä ajonopeutta olosuhteiden mukaan. Noudata seuraavaa ohjetta: vähennä ajonopeutta, kun leikkuuterien kuormitus kasvaa, ja lisää ajonopeutta, kun terien kuormitus pienenee.
Vaihtele ajosuuntaa, jotta nurmeen ei muodostu vakoja ajan mittaan. Tämä helpottaa myös leikkuujätteen levittämistä, joka puolestaan edistää maatumista ja lannoitusta.
Leikkuujäljen parantamiseksi ajonopeutta kannattaa hidastaa tietyissä olosuhteissa.
Jos leikkurin leikkuuleveys on leveämpi kuin ennen käyttämässäsi leikkurissa, nosta leikkuukorkeutta, jotta et leikkaisi epätasaista nurmea liian lyhyeksi.
Leikkaa yhden leikkuun aikana noin 25 mm tai korkeintaan 1/3 ruohon korkeudesta. Poikkeuksellisen rehevässä ja tiheässä ruohikossa ajonopeutta on ehkä hidastettava ja/tai leikkuukorkeutta korotettava seuraavaksi korkeimpaan asetukseen.
Important: Tasasiipiteriä suositellaan seuraaviin tilanteisiin ilmassa kulkeutuvan leikkuujätteen ja roskan vähentämiseksi sekä leikkuupöydän käyttölaitteen rasituksen vähentämiseksi: ruohon korkeudesta on tarkoitus leikata vähintään 1/3, ruoho on pitkää ja harvaa tai olosuhteet ovat kuivat.
Jos ruohon annetaan kasvaa hieman normaalia pidemmäksi tai se on hyvin kosteaa, leikkaa ruoho tavallista korkeammalla leikkuukorkeudella. Leikkaa ruoho sitten uudelleen normaalia, alempaa asetusta käyttäen.
Poista leikkuujätteet ja lika leikkurin alapuolelta aina käytön jälkeen. Jos leikkurin sisälle kertyy ruohoa, leikkuujäljestä tulee ennen pitkää epätyydyttävä.
Puhdista moottori, äänenvaimennin, akkutila, seisontajarru, leikkuuyksiköt ja polttoaineen säilytysalue ruohosta, lehdistä tai liiallisesta rasvasta palovaaran vähentämiseksi. Puhdista öljy- ja polttoaineroiskeet.
Pidä terä terävänä koko leikkuukauden ajan. Terävä terä leikkaa ruohon siistimmin ruohonkorsia repimättä. Repeytymien vuoksi ruohon reunat muuttuvat ruskeiksi, mikä heikentää kasvua ja altistaa kasvisairauksille. Tarkista päivittäin, että terät ovat terävät ja että ne eivät ole kuluneet tai vaurioituneet. Teroita terät tarpeen vaatiessa. Jos terä on vaurioitunut tai kulunut, vaihda se aitoon Toro-vaihtoterään. Katso kohta Leikkuuterien huolto.
Note: Koneen vasen ja oikea puoli määritellään normaalista käyttöasennosta käsin.
| Huoltoväli | Huoltotoimenpide |
|---|---|
| 10 ensimmäisen käyttötunnin jälkeen |
|
| 50 ensimmäisen käyttötunnin jälkeen |
|
| 200 ensimmäisen käyttötunnin jälkeen |
|
| Aina ennen käyttöä tai päivittäin |
|
| 50 käyttötunnin välein |
|
| 100 käyttötunnin välein |
|
| 150 käyttötunnin välein |
|
| 200 käyttötunnin välein |
|
| 250 käyttötunnin välein |
|
| 400 käyttötunnin välein |
|
| 800 käyttötunnin välein |
|
| 1500 käyttötunnin välein |
|
| 6000 käyttötunnin välein |
|
| Kahden vuoden välein |
|
Important: Lisää huoltotoimenpiteitä on moottorin käyttöoppaassa. Yksityiskohtaisen huolto-oppaan voi myös ostaa valtuutetulta Toro-jälleenmyyjältä.
Ota tästä sivusta kopioita.
| Tarkistettavat kohdat | Viikolle: | ||||||
|---|---|---|---|---|---|---|---|
| Ma | Ti | Ke | To | Pe | La | Su | |
| Tarkista turvajärjestelmän toiminta | |||||||
| Tarkista suuntain ala-asennossa (jos on) | |||||||
| Tarkista seisontajarrun toiminta | |||||||
| Tarkista polttoaineen määrä | |||||||
| Tarkista hydrauliöljyn määrä | |||||||
| Tarkista moottoriöljyn määrä | |||||||
| Tarkista jäähdytysjärjestelmän nestemäärä | |||||||
| Tarkista/tyhjennä veden/polttoaineen erotin | |||||||
| Tarkista ilmansuodattimen rajoitinilmaisin3 | |||||||
| Tarkista jäähdytin ja säleikkö roskien varalta | |||||||
| Kuuntele, kuuluuko moottorista epätavallisia käyntiääniä1 | |||||||
| Kuuntele, kuuluuko koneesta epätavallisia käyttöääniä | |||||||
| Tarkista hydrauliletkujen vauriot | |||||||
| Tarkista nestevuodot | |||||||
| Rengaspaineen tarkistus | |||||||
| Tarkista mittareiden toiminta | |||||||
| Tarkista terien kunto | |||||||
| Voitele kaikki rasvanipat2 | |||||||
| Korjaa maalipinnan vauriot | |||||||
|
1. Tarkasta hehkutulppa ja ruiskutussuuttimet, jos käynnistys on hidas, savua on liikaa tai käyntiääni on karkea. 2. Välittömästi jokaisen pesun jälkeen, luettelon mukaisesta huoltovälistä riippumatta. 3. Jos merkkivalo palaa punaisena |
|||||||
| Todetut viat | ||
| Tarkastuksen suoritti: | ||
| Vika | Päivämäärä | Huomio |
Jos jätät avaimen virtalukkoon, joku voi vahingossa käynnistää moottorin ja vahingoittaa vakavasti lähellä olijoita.
Irrota avain virtalukosta ennen huollon aloitusta.

Important: Tämän koneen suojusten kiinnikkeiden on tarkoitus pysyä kiinni suojuksessa sen irrotuksen jälkeen. Löysää kunkin suojuksen kaikkia kiinnikkeitä muutama kierros niin, että suojus on löysällä mutta kuitenkin yhä paikallaan. Löysää sitten kiinnikkeitä lisää, kunnes suojus irtoaa. Näin vältetään pulttien irtoaminen vahingossa pidikkeistä.
| Huoltoväli | Huoltotoimenpide |
|---|---|
| 50 käyttötunnin välein |
|
Koneessa on rasvanippoja, jotka on voideltava säännöllisesti litiumpohjaisella yleisrasvalla nro 2. Jos konetta käytetään normaaleissa olosuhteissa, voitele kaikki laakerit ja holkit 50 käyttötunnin välein. Voitele laakerit ja holkit päivittäin erittäin pölyisissä ja likaisissa käyttöolosuhteissa. Pölyisissä ja likaisissa käyttöolosuhteissa likaa voi tunkeutua laakereihin ja holkkeihin, mikä kuluttaa niitä nopeasti. Voitele rasvanipat välittömästi jokaisen pesun jälkeen huolimatta luettelon mukaisesta huoltovälistä.
Pyyhi rasvanipat puhtaaksi, ettei epäpuhtauksia pääse laakeriin tai holkkiin.
Pumppaa rasvaa rasvanippoihin.
Pyyhi pois ylimääräinen rasva.
Rasvanippojen sijainnit; katso Kuva 61 ja Kuva 62.
Important: Kuvissa ei ole kääntöpyörien akseleiden rasvanippoja. Rasvaa myös nämä rasvanipat.


Note: Laakereiden käyttöikä saattaa lyhentyä väärien pesukäytäntöjen takia. Älä pese yksikköä sen ollessa vielä kuuma ja vältä laakereiden tai tiivisteiden suihkuttamista korkealla paineella tai suurella määrällä nestettä.
Vaihteistossa on käytettävä SAE 80-90 -vaihteistoöljyä. Vaikka vaihteisto toimitetaan tehtaalta voiteluaineella täytettynä, tarkista leikkuuyksikön voiteluaineen määrä ennen sen käyttöä ja kohdan Päivittäisen huollon tarkastuslista suositusten mukaisesti.
| Huoltoväli | Huoltotoimenpide |
|---|---|
| 150 käyttötunnin välein |
|
Pysäköi kone ja leikkuuyksikkö tasaiselle alustalle.
Laske leikkuupöytä 2,5 cm:n leikkuukorkeuteen.
Vapauta voimanulosotto (PTO), lukitse liikkeenohjausvivut VAPAALLE ja kytke seisontajarru.
Siirrä kaasuvipu HIDAS-asentoon, sammuta moottori, irrota avain ja odota, että kaikki liikkuvat osat pysähtyvät, ennen kuin poistut käyttäjän paikalta.
Nosta jalkatuki, jolloin leikkuupöydän yläpuoli tulee näkyviin.
Irrota mittatikku/täyttötulppa vaihteiston yläosasta (Kuva 63) ja varmista, että voiteluaineen pinta on mittatikun merkintöjen välissä.

Jos voiteluainetta on vähän, lisää sitä, kunnes sen pinta on mittatikun merkintöjen välissä.
Note: Älä käytä liikaa voiteluainetta, jotta vaihteisto ei vaurioidu.
| Huoltoväli | Huoltotoimenpide |
|---|---|
| 50 ensimmäisen käyttötunnin jälkeen |
|
| 400 käyttötunnin välein |
|
Pysäköi kone ja leikkuuyksikkö tasaiselle alustalle.
Laske leikkuupöytä 2,5 cm:n leikkuukorkeuteen.
Vapauta voimanulosotto (PTO), lukitse liikkeenohjausvivut VAPAALLE ja kytke seisontajarru.
Siirrä kaasuvipu HIDAS-asentoon, sammuta moottori, irrota avain ja odota, että kaikki liikkuvat osat pysähtyvät, ennen kuin poistut käyttäjän paikalta.
Nosta jalkatuki, jolloin leikkuupöydän yläpuoli tulee näkyviin.
Irrota vaihteiston päällä oleva mittatikku/täyttötulppa (Kuva 63).
Sijoita vaihteiston etupuolella alhaalla olevan tyhjennystulpan alle suppilo ja tyhjennysastia, irrota tulppa ja valuta voiteluaine astiaan.
Laita tyhjennystulppa takaisin paikalleen.
Lisää voiteluainetta noin 283 ml, kunnes sen pinta on mittatikun merkintöjen välissä.
Note: Älä käytä liikaa voiteluainetta, jotta vaihteisto ei vaurioidu.
Tarkista, ettei ilmanpuhdistimen rungossa ole vaurioita, jotka voisivat aiheuttaa ilmavuodon. Vaihda vaurioitunut ilmanpuhdistimen runko.
Tarkista koko ilmanottojärjestelmä vuotojen, vaurioiden ja löysien letkunkiristimien varalta.
Huolla ilmapuhdistimen suodatin, kun ilmanpuhdistimen ilmaisin (Kuva 64) näyttää punaista tai 400 käyttötunnin välein (useammin erittäin pölyisissä tai likaisissa olosuhteissa).
Important: Älä huolla ilmansuodatinta liikaa.

Tarkista, että suojus on asetettu oikein ja että se on tiiviisti ilmanpuhdistimen rungon ympärillä.
| Huoltoväli | Huoltotoimenpide |
|---|---|
| 400 käyttötunnin välein |
|
Vedä salpaa ulospäin ja kierrä ilmanpuhdistimen suojusta vastapäivään (Kuva 64).
Irrota ilmanpuhdistimen rungon suojus (Kuva 64).
Ennen kuin irrotat suodattimen, poista pääsuodattimen ja kotelon väliin kertynyt lika matalapaineisella (2,76 bar, puhdas ja kuiva) ilmalla.
Note: Puhdistaminen estää lian joutumisen ilmanottoon pääsuodattimen irrottamisen yhteydessä.
Important: Älä käytä korkeapaineista ilmaa, sillä se voi työntää lian suodattimen läpi ilmanottokanavaan.
Irrota ja vaihda pääsuodatin (Kuva 64).
Important: Älä puhdista käytettyä elementtiä, sillä elementin materiaali saattaa vaurioitua.
Tarkista, että uudessa suodattimessa ei ole kuljetusvaurioita tarkastamalla suodattimen tiivistetty pää ja runko.
Important: Älä käytä viallista elementtiä.
Varmista, että vaahtomuovitiiviste on paikallaan suojuksessa ja että se ei ole repeytynyt tai vaurioitunut (Kuva 64).
Note: Vaihda se, jos se on vaurioitunut.
Työnnä uusi suodatin paikoilleen puristamalla samalla elementin ulkokehää, jotta se asettuu koteloon.
Important: Älä paina suodattimen joustavaa keskikohtaa.
Puhdista (irrotettavassa suojuksessa oleva) lianpoistoaukko seuraavasti:
Irrota kuminen poistoventtiili suojuksesta (Kuva 64).
Puhdista ontelo.
Asenna poistoventtiili takaisin.
Asenna suojus siten, että kuminen poistoventtiili osoittaa alaspäin, eli noin kello viiden ja kello seitsemän välille päästä katsottuna.
Palauta ilmaisin (Kuva 64), jos se näyttää punaista.
Käytä vähintään seuraavien määritysten mukaista korkealaatuista, vähätuhkaista moottoriöljyä:
API-huoltoluokitus CJ-4 tai korkeampi
ACEA-huoltoluokitus E6
JASO-huoltoluokitus DH-2
Important: Jos käytetään moottoriöljyä, jonka luokitus ei ole API CJ-4 tai korkeampi, ACEA E6 tai JASO DH-2, hiukkassuodatin saattaa tukkeutua tai moottori vahingoittua.
Käytä seuraavaa moottoriöljyn viskositeettiluokitusta:
Suositus: SAE 15W-40 (yli -17,8 °C)
Vaihtoehto: SAE 10W-30 tai 5W-30 (kaikki lämpötilat)
Toro Premium -moottoriöljyä on saatavana valtuutetulta Toro-jälleenmyyjältä (viskositeettiluokitus 15W-40 tai 10W-30). Katso osanumerot osaluettelosta.
| Huoltoväli | Huoltotoimenpide |
|---|---|
| Aina ennen käyttöä tai päivittäin |
|
Moottori toimitetaan kampikammio öljyllä täytettynä, mutta öljymäärä on kuitenkin tarkistettava ennen moottorin ensimmäistä käynnistystä ja sen jälkeen.
Important: Tarkista moottoriöljy päivittäin. Jos moottoriöljyn määrä on mittatikun Full-merkin yläpuolella, moottoriöljyyn on ehkä sekoittunut polttoainetta.Jos moottoriöljyn määrä on Full-merkin yläpuolella, vaihda moottoriöljy.
Paras aika tarkistaa moottoriöljy on moottorin ollessa viileä ennen päivän ensimmäistä käynnistystä. Jos moottori on ollut käynnissä, anna öljyn valua takaisin öljypohjaan ainakin 10 minuutin ajan ennen tarkistusta. Jos öljyn taso on mittatikun Add-merkinnän kohdalla tai sen alapuolella, lisää öljyä mittatikun Full-merkintään saakka.Älä täytä moottoria liian täyteen öljyä.
Important: Pidä moottoriöljyn määrä mittatikun ylä- ja alarajojen välissä. Moottori saattaa pysähtyä, jos öljyä on sitä käytettäessä liian vähän tai liian paljon.
Pysäköi kone tasaiselle alustalle. Vapauta moottorin suojuksen salvat.
Avaa moottorin suojus.
Poista mittatikku, pyyhi puhtaaksi, työnnä takaisin ja vedä uudestaan ulos. Öljyn pinnan on oltava Full- ja Add-merkintöjen välissä (Kuva 65).

Jos öljyä on liian vähän, irrota täyttöaukon korkki (Kuva 65) ja lisää öljyä, kunnes sen pinta on Full- ja Add-merkintöjen välissä. Älä täytä liikaa.
Asenna öljyntäyttökorkki ja työnnä mittatikku paikoilleen.
Sulje moottorin suojus ja salpaa se kiinni.
5,2 l suodattimen kanssa.
| Huoltoväli | Huoltotoimenpide |
|---|---|
| 250 käyttötunnin välein |
|
Vaihda öljy ja suodatin 250 käyttötunnin välein.
Irrota moottoriöljyn tyhjennystulppa (Kuva 66) ja valuta öljy tyhjennysastiaan. Kun kaikki öljy on tyhjentynyt, asenna tyhjennystulppa takaisin.

Irrota öljynsuodatin (Kuva 66). Levitä ohut kerros puhdasta öljyä uuden suodattimen tiivisteeseen ennen asennusta. Älä kiristä liikaa.
Lisää öljyä kampikammioon. Katso Moottoriöljyn huolto.
| Huoltoväli | Huoltotoimenpide |
|---|---|
| 6000 käyttötunnin välein |
|
Jos ilmoitusviesti näkyy tietokeskuksessa, hiukkassuodattimen suositeltu aika hapetuskatalysaattorin ja nokisuodattimen huoltoon alkaa lähestyä.

Jos moottoriviat (Tarkista moottori SPN 3251 FMI 0), (Tarkista moottori SPN 3720 FMI 0) tai (Tarkista moottori SPN 3720 FMI 16) näkyvät tietokeskuksessa (Kuva 68), puhdista nokisuodatin seuraavalla tavalla:



Tietoja hapetuskatalysaattorin ja hiukkassuodattimen nokisuodattimen purkamisesta ja kokoamisesta on huolto-oppaan moottoria koskevassa kohdassa.
Hapetuskatalysaattorin ja nokisuodattimen varaosia tai huoltoa saa ottamalla yhteyden valtuutettuun Toro-jälleenmyyjään.
Ota yhteys valtuutettuun Toro-jälleenmyyjään ja anna heidän nollata moottorin ECU puhtaan hiukkassuodattimen asennuksen jälkeen.
Note: Katso polttoainesuositukset kohdasta Polttoaineen tiedot.
Tietyissä olosuhteissa dieselpolttoaine ja polttoainehöyryt ovat erittäin tulenarkoja ja räjähdysherkkiä. Polttoaineen aiheuttamasta tulipalosta tai räjähdyksestä voi olla seurauksena palovammoja ja omaisuusvahinkoja.
Täytä polttoainesäiliö suppilon avulla ulkona tai avoimessa tilassa, kun moottori on sammutettu ja jäähtynyt. Pyyhi läikkynyt polttoaine pois.
Polttoainesäiliötä ei saa täyttää aivan täyteen. Lisää polttoainetta polttoainesäiliöön, kunnes pinta on täyttökaulan alareunan tasalla.
Älä tupakoi polttoainetta käsitellessäsi ja pysy kaukana avotulesta tai paikoista, joissa kipinä voi sytyttää polttoainehöyryt.
Säilytä polttoaine puhtaassa, turvallisuushyväksytyssä säiliössä. Pidä korkki suljettuna.
| Huoltoväli | Huoltotoimenpide |
|---|---|
| 400 käyttötunnin välein |
|
Tyhjennä vesi tai muut kertymät vedenerottimesta (Kuva 69) päivittäin.
Aseta puhdas astia polttoainesuodattimen alle.
Löysää suodatinkotelon pohjassa olevaa tyhjennystulppaa ja avaa kotelon päällä oleva ilmareikä.

Puhdista suodatinkotelon kiinnityskohdan ympäristö.
Irrota suodatinkotelo ja puhdista asennuspinta.
Voitele suodatinkotelon tiiviste puhtaalla öljyllä.
Asenna suodatinkotelo käsin, kunnes tiiviste koskettaa asennuspintaa. Kierrä sitten vielä puoli kierrosta.
Kiristä suodatinkotelon pohjassa oleva tyhjennystulppa ja sulje kotelon päällä oleva ilmareikä.
| Huoltoväli | Huoltotoimenpide |
|---|---|
| 400 käyttötunnin välein |
|
Puhdista polttoainesuodatinpään ympäristö (Kuva 70).

Irrota suodatin ja puhdista suodatinpään asennuspinta (Kuva 70).
Voitele suodattimen tiiviste puhtaalla voitelevalla moottoriöljyllä. Katso lisätietoja koneen mukana toimitetusta moottorin käyttöoppaasta.
Asenna kuiva suodatinkotelo käsin, kunnes tiiviste koskettaa suodatinpäätä. Kierrä sitten vielä puoli kierrosta.
Käynnistä moottori ja tarkista, ettei polttoainetta vuoda suodatinpään alueelta.
| Huoltoväli | Huoltotoimenpide |
|---|---|
| Kahden vuoden välein |
|
Tyhjennä ja puhdista polttoainesäiliö kahden vuoden välein. Irrota ja puhdista myös rivisuodattimet säiliön tyhjennyksen jälkeen. Huuhtele säiliö puhtaalla dieselpolttoaineella.
Important: Tyhjennä ja puhdista säiliö myös, jos polttoainejärjestelmä likaantuu tai jos kone on tarkoitus varastoida pitkäksi aikaa.
| Huoltoväli | Huoltotoimenpide |
|---|---|
| 400 käyttötunnin välein |
|
Tarkista polttoaineletkut ja liitännät. Tarkista, että letkuissa ei ole kulumia, vaurioita, hankaumia tai löysiä liitäntöjä.
Important: Työskennellessäsi sähköjärjestelmän parissa irrota aina akun kaapelit (miinuskaapeli (-) ensin) estääksesi oikosulkua vahingoittamasta johtoja.
| Huoltoväli | Huoltotoimenpide |
|---|---|
| 50 käyttötunnin välein |
|
Akun liitännät, navat ja niihin liittyvät lisävarusteet sisältävät lyijyä ja lyijy-yhdisteitä, joiden tiedetään aiheuttavan syöpää ja haittaavan lisääntymistä. Pese kädet, kun olet käsitellyt akkua.
Pidä akun yläpuoli puhtaana. Jos kone varastoidaan erityisen kuumaan paikkaan, akku tyhjenee nopeammin kuin viileässä.
Pidä akun yläosa puhtaana pesemällä se ajoittain ammoniakkiin tai ruokasoodaliuokseen kastetulla harjalla. Huuhtele yläosan pinta vedellä puhdistuksen jälkeen. Älä irrota täyttöaukkojen korkkeja akun puhdistuksen ajaksi.
Akun kaapeleiden on oltava tiukasti kiinni akun navoissa, jotta sähkökytkentä toimii hyvin.
Jos navat ruostuvat, irrota kaapelit – miinuskaapeli (-) ensin – ja raaputa liittimiä ja napoja erikseen. Kytke kaapelit – pluskaapeli (+) ensin – ja levitä napojen päälle vaseliinia.
Akun navat tai metallityökalut voivat aiheuttaa oikosulun koskettaessaan koneen metalliosia, mistä voi seurata kipinöitä. Kipinät voivat saada akun kaasut räjähtämään ja aiheuttaa siten henkilövahingon.
Kun irrotat tai asennat akun, älä anna akun napojen koskettaa koneen metalliosia.
Älä anna metallityökalujen aiheuttaa oikosulkua akun napojen ja koneen metalliosien välille.
Akun kaapeleiden virheellinen asennus voi vahingoittaa konetta ja kaapeleita aiheuttaen kipinöitä. Kipinät voivat saada akun kaasut räjähtämään ja aiheuttaa siten henkilövahingon.
Irrota aina akun miinuskaapeli (musta) ennen pluskaapelin (punainen) irrottamista.
Kytke aina akun pluskaapeli (punainen) ennen miinuskaapelin (musta) kytkemistä.
Jos kone varastoidaan yli 30 päivän ajaksi, irrota akku ja lataa se täyteen. Säilytä sitä hyllyllä tai koneessa. Älä kytke kaapeleita, jos säilytät akkua koneessa. Varastoi akku viileässä ympäristössä, jotta akku ei tyhjene nopeasti itsestään. Varmista, että akku on ladattu täyteen, jotta se ei jäädy. Täysin ladatun akun ominaispaino on 1,265–1,299.
Sulakkeet sijaitsevat ohjauspaneelin alla. Niihin päästään käsiksi sivupaneelin kannen kautta (Kuva 71). Avaa sivupaneelin kansi vapauttamalla kaksi salpaa ja vetämällä sitä ulos.
Jos kone pysähtyy tai sähköjärjestelmässä on muita vikoja, tarkasta sulakkeet. Irrota sulakkeet yksi kerrallaan ja tarkista, ovatko ne palaneet.
Important: Jos sulake on vaihdettava, käytä aina samantyyppistä ja ampeeriluvultaan vastaavaa sulaketta, sillä sähköjärjestelmä voi muuten vaurioitua. Kunkin sulakkeen kuvaus ja ampeeriluku on merkitty sulakkeiden vieressä olevaan tarraan (Kuva 72).
Note: Jos sulake palaa usein, sähköjärjestelmässä on todennäköisesti oikosulku, ja valtuutetun huoltoliikkeen on huollettava sähköjärjestelmä.


| Huoltoväli | Huoltotoimenpide |
|---|---|
| 50 käyttötunnin välein |
|
Pidä etu- ja takarenkaiden rengaspaine ohjeiden mukaisena. Takarenkaiden oikea ilmanpaine on 1,24 bar ja kääntöpyörien oikea ilmanpaine on 1,72 bar. Epätasainen rengaspaine voi aiheuttaa epätasaisen leikkuujäljen. Tarkista paine, kun renkaat ovat kylmät, jotta painelukema olisi mahdollisimman tarkka.

Uuden kääntöpyöräkokoonpanon, kartiolaakerit ja laakeritiivisteet saa valtuutetulta Toro-jälleenmyyjältä.
Irrota lukkomutteri pultista, jolla kääntöpyöräkokoonpano on kiinnitetty kääntöpyörän haarukan väliin (Kuva 74).

Tartu kääntöpyörään ja irrota pultti haarukasta tai kääntövarresta.
Hävitä vanha kääntöpyörä ja laakerit.
Kokoa kääntöpyörä työntämällä rasvatut kartiolaakerit ja tiivisteet pyörän napaan kuvan mukaisesti (Kuva 74).
Liu’uta välikappale pyörän napaan laakereiden läpi siten, että välikappale ja kaksi laakerin välikappaletta jäävät pyörän navan sisään.
Important: Varmista, että tiivisteen huuli ei ole taittunut sisäänpäin.
Asenna kääntöpyöräkokoonpano kääntöpyörän haarukan väliin ja kiinnitä se pultilla ja lukkomutterilla.
Kiristä mutteria, kunnes pyörä ei enää pääse pyörimään vapaasti, ja löysää sitä sitten juuri sen verran, että pyörä pääsee pyörimään vapaasti.
Pumppaa voitelupistoolilla kääntöpyörän rasvanippaan litiumpohjaista yleisrasvaa nro 2.
Paineella suihkuava jäähdytysneste, kuuma jäähdytin ja sitä ympäröivät osat voivat aiheuttaa vakavia palovammoja.
Älä irrota jäähdyttimen korkkia moottorin ollessa kuuma. Anna moottorin jäähtyä aina vähintään 15 minuutin ajan tai kunnes jäähdyttimen korkki on jäähtynyt tarpeeksi, jotta sitä voidaan käsitellä paljain käsin, ennen kuin irrotat jäähdyttimen korkin.
Älä kosketa jäähdytintä tai sitä ympäröiviä kuumia osia.
Pyörivä tuuletin tai käyttöhihna voi aiheuttaa henkilövahingon.
Älä käytä konetta, jos suojukset eivät ole paikoillaan.
Pidä sormet, kädet ja vaatteet etäällä pyörivästä tuulettimesta ja käyttöhihnasta.
Sammuta moottori ja irrota virta-avain ennen huoltotoimenpiteiden suorittamista.
Jäähdytysneste on myrkyllistä.
Moottorin jäähdytysnestettä ei saa niellä.
Pidä poissa lasten ja lemmikkieläinten ulottuvilta.
| Huoltoväli | Huoltotoimenpide |
|---|---|
| Aina ennen käyttöä tai päivittäin |
|
Jäähdytysjärjestelmä on täytetty veden ja etyleeniglykolipakkasnesteen seoksella (seossuhde 50/50). Tarkista paisuntasäiliön jäähdytysnesteen määrä jokaisen päivän alussa ennen moottorin käynnistämistä. Jäähdytysjärjestelmän tilavuus on 7,5 litraa.
Tarkista paisuntasäiliön jäähdytysnesteen määrä (Kuva 75).
Note: Jäähdytysnestetason on oltava säiliön reunassa olevien merkkien sisällä.

Jos jäähdytysnestettä on liian vähän, irrota paisuntasäiliön korkki ja lisää nestettä.
Important: Älä täytä liikaa.
Asenna paisuntasäiliön korkki.
| Huoltoväli | Huoltotoimenpide |
|---|---|
| Aina ennen käyttöä tai päivittäin |
|
| 200 käyttötunnin välein |
|
| 1500 käyttötunnin välein |
|
| Kahden vuoden välein |
|
Jäähdytin on pidettävä puhtaana, jotta moottori ei ylikuumene. Erittäin pölyisissä ja likaisissa olosuhteissa jäähdytin on kuitenkin ehkä tarkastettava ja puhdistettava useammin.
Note: Jos leikkuupöytä tai moottori sammuu ylikuumenemisen vuoksi, tarkista ensin, onko jäähdyttimeen kertynyt roskia.
Puhdista jäähdytin seuraavasti:
Avaa konepelti.
Työskentele jäähdyttimen tuulettimen puolelta käsin ja puhalla roskat pois matalapaineisella (3,45 bar) paineilmalla. Toista vaihe jäähdyttimen etupuolelta käsin ja uudelleen tuulettimen puolelta käsin.
Important: Älä puhdista jäähdytintä vedellä.
Kun jäähdytin on puhdistettu perusteellisesti, poista jäähdyttimen alustassa olevaan kanavaan mahdollisesti kertynyt jäte.
Sulje konepelti.
Sammuta moottori, lukitse leikkuupöydän nostokytkin VAPAALLE, kytke seisontajarru ja irrota virta-avain.
Irrota etupaneelin kiinnityspultit ja irrota paneeli (Kuva 76).

Löysää kaksi vastamutteria, joilla seisontajarrun turvakytkin on kiinnitetty asennuskannattimeen.

Siirrä kytkintä ylös tai alas kannattimessa, kunnes jarruakselin anturin ja kytkimen tapin välinen etäisyys on 3,9 mm kuvan mukaisesti (Kuva 77).
Note: Varmista, että jarruakselin anturi ei kosketa kytkimen tappia.
Kiristä kytkimen vastamutterit.
Tarkista säädöt seuraavasti:
Varmista, että seisontajarru on kytketty, ja poistu istuimelta. Käynnistä moottori.
Siirrä ohjausvivut pois LUKITUSTA VAPAA-ASENNOSTA.
Note: Moottorin pitäisi sammua. Jos näin ei käy, tarkista kytkimen säätö uudelleen.
Asenna etupaneeli.
| Huoltoväli | Huoltotoimenpide |
|---|---|
| 100 käyttötunnin välein |
|
Kireys on oikea, kun hihna painuu 10 mm hihnapyörien puolivälistä, kun sitä painetaan 44 N:n voimalla.
Jos painuma ei ole 10 mm, suorita seuraava toimenpide:
Löysää laturin kiinnityspultteja (Kuva 78).

Löysää tai kiristä laturin hihnaa ja kiristä pultit.
Varmista oikea kireys tarkistamalla hihnan painuma uudelleen.
| Huoltoväli | Huoltotoimenpide |
|---|---|
| 50 käyttötunnin välein |
|
Jousikuormitettujen kiristinpyörien avulla kiristettävät terän käyttöhihnat ovat hyvin kestäviä. Hihnat kuitenkin kuluvat ajan mittaan. Kuluneen hihnan merkkejä ovat: vinkuminen hihnan pyöriessä, luistavat terät ruohoa leikattaessa, rispaantuneet reunat, palojäljet ja murtumat. Vaihda hihnat, jos jokin näistä tiloista ilmenee.
Laske leikkuuyksikkö 2,54 cm:n leikkuukorkeuden asentoon, siirrä kaasuvipu HIDAS-asentoon, sammuta moottori, kytke seisontajarru ja irrota virta-avain.
Irrota hihnasuojukset leikkuuyksikön päältä ja aseta ne syrjään.
Siirrä ylemmän hihnan kiristinpyörä T-vääntimen tai vastaavan työkalun avulla poispäin ylemmästä käyttöhihnasta, jotta löystynyt hihna voidaan irrottaa hihnapyöristä (Kuva 79).

Siirrä alemman hihnan kiristinpyörä T-vääntimen tai vastaavan työkalun avulla poispäin alemmasta käyttöhihnasta, jotta löystynyt hihna voidaan irrottaa hihnapyöristä (Kuva 79).
Vie uusi hihna vaihteiston hihnapyörän, alempien karapyörien ja kiristinpyöräkokoonpanon ympäri kuvan mukaisesti (Kuva 79).
Vie uusi hihna ylempien karapyörien ja kiristinpyöräkokoonpanon ympäri kuvan mukaisesti (Kuva 79).
Asenna hihnasuojukset.
Sammuta moottori, lukitse leikkuupöydän nostokytkin VAPAALLE, kytke seisontajarru ja irrota virta-avain.
Irrota etupaneelin kiinnityspultit ja irrota paneeli (Kuva 80).

Avaa kaksi turvakytkimen kiinnitysruuvia (Kuva 81).

Pidä ohjausvipua runkoa vasten ja siirrä kytkintä vipua kohti, kunnes vivun ja kytkimen rungon välinen etäisyys on 0,4–1 mm kuvan mukaisesti (Kuva 81).
Kiinnitä kytkin.
Toista vaiheet 3–5 toisen vivun kohdalla.
Asenna etupaneeli.
Jos liikkeenohjausvivut eivät kohdistu vapaa-asennon koloihin, kun ne vapautetaan peruutusasennosta, niitä on säädettävä. Säädä kukin vipu, jousi ja tanko erikseen.
Vapauta voimanulosotto (PTO), lukitse ohjausvipu VAPAALLE ja kytke seisontajarru.
Siirrä kaasuvipu HIDAS-asentoon, sammuta moottori, irrota avain ja odota, että kaikki liikkuvat osat pysähtyvät, ennen kuin poistut käyttäjän paikalta.
Irrota etupaneelin kiinnityspultit ja irrota paneeli (Kuva 82).

Siirrä ohjausvipu VAPAALLE, mutta älä lukitse sitä (Kuva 84).
Vedä vipua taakse, kunnes liitintappi (varressa kääntöakselin yläpuolella) koskettaa aukon päätä (alkaa juuri lisätä painetta jouseen) kuvan mukaisesti (Kuva 83).

Tarkista, missä ohjausvipu on kojetaulussa olevaan loveen nähden (Kuva 84).
Note: Ohjausvivun tulee olla keskellä siten, että se pystyy kallistumaan ulospäin LUKITTUUN VAPAA-ASENTOON.

Jos säätö on tarpeen, löysää haarukkapäätä vasten olevaa mutteria ja vastamutteria (Kuva 83).
Paina liikkeenohjausvipua hieman taaksepäin ja käännä säätöpultin päätä sopivaan suuntaan, kunnes ohjausvipu on LUKITUN VAPAA-ASENNON keskellä (Kuva 83).
Note: Vivun painaminen taaksepäin pitää tapin aukon päässä, jolloin säätöpultti pystyy siirtämään vivun oikeaan kohtaan.
Kiristä mutteri ja vastamutteri (Kuva 83).
Toista vaiheet 4–9 toisen ohjausvivun kohdalla.
Asenna etupaneeli.
Vetopyörien on pyörittävä tämän säädön aikana.
Mekaaniset tai hydrauliset tunkit saattavat pettää ja aiheuttaa vakavan loukkaantumisen.
Tue kone akselipukeilla.
Älä käytä hydraulisia tunkkeja.
Moottorin on oltava käynnissä, jotta tämä säätö voidaan suorittaa. Kosketus liikkuviin osiin tai kuumiin pintoihin voi aiheuttaa tapaturman.
Pidä kädet, jalat, kasvot ja muut ruumiinosat sekä vaatteet loitolla pyörivistä osista, äänenvaimentimesta ja muista kuumista osista.
Nosta runko tukevien pukkien varaan siten, että vetopyörät voivat pyöriä vapaasti.
Liu’uta istuin eteen, vapauta salpa ja käännä istuin ylös- ja eteenpäin.
Irrota istuimen turvakytkimen sähköliitin.
Kytke hyppylanka tilapäisesti johdinsarjan liittimen koskettimiin.
Käynnistä moottori, varmista, että kaasuvipu on NOPEA- ja HIDAS-asentojen puolivälissä, ja vapauta seisontajarru.
Note: Liikkeenohjausvipujen on oltava LUKITUSSA VAPAA-ASENNOSSA säätämisen aikana.
Säädä pumpputangon pituutta yhdellä puolella kääntämällä akselia sopivaan suuntaan, kunnes vastaava pyörä on pysähtynyt tai pyörii hitaasti taaksepäin (Kuva 85).

Siirrä liikkeenohjausvipua eteen- ja taaksepäin ja sitten takaisin vapaalle.
Note: Pyörän on pysähdyttävä tai pyörittävä hitaasti taaksepäin.
Siirrä kaasuvipu NOPEA-asentoon.
Note: Varmista, että pyörä pysyy pysähtyneenä tai pyörii hitaasti taaksepäin. Säädä tarvittaessa.
Toista vaiheet 6–8 koneen toisella puolella.
Kiristä pallonivelten vastamutterit (Kuva 83).
Siirrä kaasuvipu HIDAS-asentoon ja sammuta moottori.
Irrota hyppylanka johdinsarjan liittimestä ja kytke liitin istuinkytkimeen.
Sähköjärjestelmän turvakatkaisu ei toimi oikein hyppylangan ollessa kytkettynä.
Irrota hyppylanka johdinsarjan liittimestä ja kytke liitin istuinkytkimeen säädön jälkeen.
Konetta ei saa käyttää hyppylangan ollessa kytkettynä ja istuinkytkimen ollessa ohitettuna.
Laske istuin paikalleen.
Poista pukit.
Vapauta voimanulosotto (PTO), lukitse liikkeenohjausvivut VAPAALLE ja kytke seisontajarru.
Siirrä kaasuvipu HIDAS-asentoon, sammuta moottori, irrota avain ja odota, että kaikki liikkuvat osat pysähtyvät, ennen kuin poistut käyttäjän paikalta.
Irrota etupaneelin kiinnityspultit ja irrota paneeli (Kuva 86).

Löysää toisen ohjausvivun pysäytinpultin vastamutteria (Kuva 87).

Kierrä pysäytinpultti kokonaan paikalleen (poispäin ohjausvivusta).
Työnnä ohjausvipu kokonaan eteen ja pidä sitä paikallaan.
Kierrä pysäytinpulttia (ohjausvipua kohti), kunnes pysäytinpultin pään ja ohjausvivun välinen etäisyys on 1,5 mm.
Kiinnitä pysäytinpultti paikalleen kiristämällä vastamutteri.
Toista vaiheet 4–8 toisen ohjausvivun kohdalla.
Asenna etupaneeli.
Note: Jos haluat vähentää koneen enimmäisnopeutta, aseta molempien ohjausvipujen nopeus yllä kuvatulla tavalla ja siirrä pysäytinpultteja yhtä paljon ohjausvipuja kohti, kunnes enimmäisnopeus on halutun suuruinen (säätö joudutaan todennäköisesti testaamaan useita kertoja). Varmista, että kone liikkuu suoraan eikä käänny, kun molemmat ohjausvivut työnnetään kokonaan eteen. Jos kone kääntyy, pysäytinpulttien asetus ei ole yhtä suuri, ja niitä on säädettävä lisää.
Vapauta voimanulosotto (PTO), lukitse liikkeenohjausvivut VAPAALLE ja kytke seisontajarru.
Siirrä kaasuvipu HIDAS-asentoon, sammuta moottori, irrota avain ja odota, että kaikki liikkuvat osat pysähtyvät, ennen kuin poistut käyttäjän paikalta.
Avaa ohjausvipujen kiinnityspultit (Kuva 88).

Pyydä avustajaa työntämään ohjausvipujen kiinnitystukia (ei ohjausvipuja) kokonaan eteenpäin enimmäisnopeuden asentoon ja pitämään ne siellä.
Säädä ohjausvipuja, kunnes ne ovat kohdakkain, ja kiinnitä vivut kiinnitystukiin kiristämällä pultit (Kuva 89).

Nestesäiliö on täytetty tehtaalla noin 4,7 litralla korkealaatuista traktoreille tarkoitettua vaihteisto-/hydraulinestettä. Suositettu neste:
| Toro Premium Transmission/Hydraulic Tractor Fluid (saatavana 19 litran astioissa tai 208 litran tynnyreissä. Katso näiden osien osanumerot osaluettelosta tai pyydä Toro-jälleenmyyjältä.) |
Vaihtoehtoiset nesteet: Mobil® 424 -hydraulinestettä voidaan käyttää, jos Toro-nestettä ei ole saatavilla.
Note: Toro ei vastaa vääränlaisten nesteiden käytöstä aiheutuneista vahingoista.
Note: Monet hydraulinesteet ovat lähes värittömiä, mikä vaikeuttaa vuotojen toteamista. Hydraulinestejärjestelmään tarkoitettua punaista värilisäainetta on saatavana 20 ml:n pulloissa. Yksi pullo riittää 15–22 litralle hydrauliöljyä. Tilaa valtuutetulta Toro-jälleenmyyjältä osa numero 44-2500.
| Huoltoväli | Huoltotoimenpide |
|---|---|
| Aina ennen käyttöä tai päivittäin |
|
Tarkista hydraulinesteen taso ennen moottorin ensimmäistä käynnistystä, ja sen jälkeen päivittäin.
Pysäköi kone tasaiselle alustalle.
Lukitse ohjaimet VAPAA-ASENTOON ja käynnistä moottori.
Note: Ilmaa järjestelmä käyttämällä moottoria alhaisimmalla mahdollisella käyntinopeudella.
Important: Älä kytke voimanulosottoa.
Nosta leikkuupöytä, jotta nostosylinterit avautuvat, sammuta moottori ja irrota virta-avain.
Nosta istuin, jotta pääset käsiksi hydraulinestesäiliöön.
Irrota hydraulinestesäiliön korkki täyttökaulasta (Kuva 90).

Irrota mittatikku ja pyyhi se puhtaalla liinalla (Kuva 90).
Aseta mittatikku täyttökaulaan, vedä se taas ulos ja tarkista nesteen pinta (Kuva 90).
Note: Jos nestepinnan taso ei ole mittatikkuun merkityn alueen sisällä, lisää korkealaatuista hydraulinestettä niin, että pinta nousee merkitylle alueelle saakka. Älä täytä liikaa.
Asenna mittatikku ja kierrä täyttöaukon korkki täyttökaulaan sormitiukkuuteen.
Tarkista kaikki letkut ja kiinnikkeet vuotojen varalta.
| Huoltoväli | Huoltotoimenpide |
|---|---|
| 200 ensimmäisen käyttötunnin jälkeen |
|
| 800 käyttötunnin välein |
|
Vapauta voimanulosotto (PTO), lukitse liikkeenohjausvivut VAPAALLE ja kytke seisontajarru.
Siirrä kaasuvipu HIDAS-asentoon, sammuta moottori, irrota avain ja odota, että kaikki liikkuvat osat pysähtyvät, ennen kuin poistut käyttäjän paikalta.
Sijoita hydraulinestesäiliön ja vaihteiston kotelon alle suuri astia ja valuta hydraulineste kokonaan irrottamalla tyhjennystulpat (Kuva 91).

Puhdista hydrauliöljyn suodatinta ympäröivä alue ja irrota se (Kuva 91).
Asenna heti uusi hydrauliöljyn suodatin.
Asenna hydrauliöljyn säiliön ja vaihteistokotelon tyhjennystulpat.
Lisää säiliöön riittävästi öljyä. Katso kohta Hydraulijärjestelmän tarkastus.
Käynnistä moottori ja tarkista, että järjestelmässä ei ole vuotoja.
Anna moottorin käydä noin viisi minuuttia ja sammuta se.
Tarkista hydraulinesteen määrä kahden minuutin kuluttua. Katso kohta Hydraulijärjestelmän tarkastus.
Jos kone nostetaan pelkän tunkin avulla leikkuupöydän alla työskentelyä varten, tunkki voi kaatua, jolloin koneen alla olevat henkilöt ovat vaarassa jäädä leikkuupöydän alle puristuksiin.
Tue kone aina vähintään kahdella pukilla, kun leikkuupöytä nostetaan.
Leikkuupöydän yläpuolella on kaksi tukea, joilla se on kiinnitetty runkoon. Tukiin on kiinnitetty jännitetyt vääntöjouset (Kuva 92). Jos tuki irrotetaan, vääntöjouseen varastoitunut energia voi vapautuessaan liikuttaa tukia, jolloin sormet tai kädet voivat vahingoittua.
Irrota leikkuupöytä varovasti rungosta ja kiinnitä tuet ennen niiden irrotusta rungosta.

Pidä terät terävinä koko leikkuukauden ajan. Terävät terät leikkaavat ruohon siistimmin ruohonkorsia repimättä. Repeytymien vuoksi ruohon reunat muuttuvat ruskeiksi, mikä heikentää kasvua ja altistaa kasvisairauksille.
Tarkista päivittäin, että terät ovat terävät ja että ne eivät ole kuluneet tai vaurioituneet. Teroita terät tarpeen vaatiessa. Jos terä on vaurioitunut tai kulunut, vaihda se aitoon Toro-vaihtoterään.
Kulunut tai vaurioitunut terä voi rikkoutua ja terän pala voi sinkoutua käyttäjään tai ohikulkijaan päin, mikä voi aiheuttaa vakavan henkilövahingon tai kuoleman.
Terä on tarkistettava säännöllisesti kulumisen ja vaurioiden varalta.
Kulunut tai vaurioitunut terä on vaihdettava.
Tarkista terät kahdeksan käyttötunnin välein.
Vapauta voimanulosotto (PTO), lukitse liikkeenohjausvivut VAPAALLE ja kytke seisontajarru.
Siirrä kaasuvipu HIDAS-asentoon, sammuta moottori, irrota avain ja odota, että kaikki liikkuvat osat pysähtyvät, ennen kuin poistut käyttäjän paikalta.
| Huoltoväli | Huoltotoimenpide |
|---|---|
| Aina ennen käyttöä tai päivittäin |
|
Tarkasta leikkuusärmät (Kuva 93).
Note: Jos särmät eivät ole terävät tai niissä on lovia, irrota terät ja teroita ne. Katso kohdat Terien irrotus ja Terien teroitus.
Tarkasta terät, etenkin kupera alue (Kuva 93).
Note: Jos havaitset vähäisiäkään vaurioitumisen, kulumisen tai urautumisen merkkejä tällä alueella, asenna uusi terä välittömästi (Kuva 93).

Jos terän annetaan kulua, siiven ja terän tasaisen osan väliin muodostuu ura. Terästä voi lopulta irrota pala, joka voi sinkoutua kotelon alta ja aiheuttaa vakavan loukkaantumisen.
Terä on tarkistettava säännöllisesti kulumisen ja vaurioiden varalta.
Älä yritä suoristaa taipunutta terää tai hitsata murtunutta tai lohjennutta terää.
Kulunut tai vaurioitunut terä on vaihdettava.
Vapauta voimanulosotto (PTO), lukitse liikkeenohjausvivut VAPAALLE ja kytke seisontajarru.
Siirrä kaasuvipu HIDAS-asentoon, sammuta moottori, irrota avain ja odota, että kaikki liikkuvat osat pysähtyvät, ennen kuin poistut käyttäjän paikalta.
Käännä teriä, kunnes päät osoittavat eteen- ja taaksepäin (Kuva 94).
Note: Mittaa vaakasuorasta pinnasta leikkuuterän leikkuusärmään (kohta A) (Kuva 94). Merkitse mitta muistiin.

Käännä terien vastakkainen päät osoittamaan eteenpäin.
Mittaa vaakasuoralta pinnalta leikkuuterien leikkuusärmään samasta kohdasta kuin edellä vaiheessa 3.
Note: Vaiheiden 3 ja 4 välisten mittojen ero ei saa olla yli 3 mm. Jos ero on yli 3 mm, terä on vaihdettava, koska se on taipunut. Katso kohdat Terien irrotus ja Terien asennus.
Taipunut tai vaurioitunut terä voi rikkoutua ja aiheuttaa vakavan loukkaantumisen tai kuoleman lähellä olijoille.
Taipunut tai vaurioitunut terä on aina vaihdettava uuteen.
Älä hio tai tee teräviä lovia terän särmiin tai pintoihin.
Terä on vaihdettava, jos se osunut kiinteään esineeseen, jos se on epätasapainossa tai jos se on taipunut. Käytä aina aitoja Toro-vaihtoteriä koneen parhaan suorituskyvyn ja turvallisuuden varmistamiseksi. Muiden valmistajien vaihtoterien käyttö saattaa aiheuttaa sen, että kone ei ole enää turvallisuusstandardien mukainen.
Terävän terän koskettaminen voi aiheuttaa vakavan loukkaantumisen.
Käytä hansikkaita tai kääri terän terävät reunat liinaan.
Tartu terän päähän liinan tai paksun hansikkaan avulla.
Irrota teräpultti, nurmisuojalevy ja terä kara-akselista (Kuva 97).
Teriä teroitettaessa niistä saattaa sinkoutua palasia, jotka voivat aiheuttaa vakavan loukkaantumisen.
Käytä kunnollisia silmäsuojaimia, kun teroitat teriä.
Teroita leikkuusärmä terän molemmista päistä (Kuva 95).
Note: Säilytä alkuperäinen kulma. Terä säilyttää tasapainonsa, kun molemmista leikkuusärmistä poistetaan materiaalia yhtä paljon.

Tarkista terän tasapaino asettamalla se terän tasaimeen (Kuva 96).
Note: Jos terä pysyy vaaka-asennossa, se on tasapainossa ja sitä voidaan käyttää. Jos terä ei ole tasapainossa, viilaa sitä vähän vain siipialueelta (Kuva 97). Toista, kunnes terä on tasapainossa.

Jos leikkuujälki on epätasainen leikkurin kaistalla, se voidaan korjata seuraavasti:
Pysäköi kone tasaiselle alustalle.
Aseta leikkuuyksikkö haluttuun leikkuukorkeuteen, siirrä kaasuvipu HIDAS-asentoon, sammuta moottori, kytke seisontajarru ja irrota virta-avain.
Tarkista ja säädä etu- ja takarenkaiden rengaspaineet. Katso kohta Rengaspaineen tarkistus.
Tarkista, että terät eivät ole taipuneet.
Irrota leikkuuyksiköiden päällä olevat suojukset.
Käännä terää kullakin karalla, kunnes päät osoittavat eteen- ja taaksepäin.
Mittaa lattiasta leikkuuterän etukärkeen.
Säädä vastamuttereita, joilla leikkuupöydän haarukkapäät/kiinnitysketjut on kiinnitetty leikkuupöytään, kunnes leikkuupöytä on vaakasuorassa.

Terän kaltevuus tarkoittaa leikkuukorkeuden erotusta terätason etureunan ja takareunan välillä. Terän kaltevuuden on oltava noin 8 mm. Terätason takareunan pitää olla 8 mm korkeammalla kuin etureuna.
Pysäköi kone tasaiselle alustalle.
Aseta leikkuuyksikkö haluttuun leikkuukorkeuteen, siirrä kaasuvipu HIDAS-asentoon, sammuta moottori, kytke seisontajarru ja irrota virta-avain.
Käännä keskiterä niin, että se osoittaa suoraan eteenpäin.
Mittaa lyhyen viivaimen avulla lattiasta terän etukärkeen.
Käännä sama terän kärki taakse ja mittaa lattiasta terän kärkeen leikkuupöydän takaosassa.
Laske terän kaltevuus vähentämällä etumitta takamitasta.
Nosta leikkuupöydän takaosaa säätämällä vastamuttereita, joilla leikkuupöydän haarukkapäät/kiinnitysketjut on kiinnitetty, kunnes terän kaltevuus on 8 mm (Kuva 99).

Jos heittoaukko ei ole peitossa, leikkuri saattaa singota esineitä käyttäjän tai sivullisten suuntaan, mistä voi olla seurauksena vakava tapaturma. Seurauksena voi olla myös kosketus terään.
Älä käytä konetta ilman levityssarjaa tai suuntainta.
Varmista, että suuntain on ala-asennossa.
Laske leikkuuyksikkö työpajan lattialle, siirrä kaasuvipu HIDAS-asentoon, sammuta moottori, kytke seisontajarru ja irrota virta-avain.
Irrota lukkomutteri, pultti, jousi ja välikappale, joilla suuntain on kiinnitetty kääntökannattimiin (Kuva 100).
Note: Irrota vaurioitunut tai kulunut suuntain.

Aseta välikappale ja jousi uuden suuntaimen kannattimien väliin (Kuva 100).
Note: Aseta jousen vasen J-koukkupää leikkuupöydän reunan taakse.
Note: Varmista, että jousen vasen J-koukkupää on asennettu leikkuupöydän reunan taakse ennen pultin asennusta kuvan mukaisesti (Kuva 100).
Asenna pultti ja mutteri.
Note: Aseta jousen oikea J-koukkupää suuntaimen ympärille (Kuva 100).
Important: Suuntaimen on pystyttävä laskeutumaan asentoonsa. Nosta suuntain ylös ja testaa, että se on laskettavissa täysin alas.
| Huoltoväli | Huoltotoimenpide |
|---|---|
| Aina ennen käyttöä tai päivittäin |
|
Poista leikkuujätteet leikkurin alta päivittäin.
Vapauta voimanulosotto (PTO), lukitse liikkeenohjausvivut VAPAALLE ja kytke seisontajarru.
Siirrä kaasuvipu HIDAS-asentoon, sammuta moottori, irrota avain ja odota, että kaikki liikkuvat osat pysähtyvät, ennen kuin poistut käyttäjän paikalta.
Nosta leikkuri KULJETUSASENTOON.
Nosta koneen etuosa ja tue se pukeilla.
Puhdista leikkurin alapuoli huolellisesti vedellä.
Moottoriöljy, akut, hydrauliöljy ja moottorin jäähdytysneste saastuttavat ympäristöä. Ne on hävitettävä kansallisten ja paikallisten määräysten mukaisesti.
Puhdista kone, leikkuupöytä ja moottori huolellisesti. Kiinnitä erityistä huomiota seuraaviin kohtiin:
Jäähdytin ja säleikkö
Leikkuupöydän alapuoli
Leikkuupöydän hihnasuojusten alapuoli
Vastapainon jouset
Voimanulosoton akselikokoonpano
Kaikki rasvanipat ja nivelet
Irrota ohjauspaneeli ja puhdista säätörasian sisäpuoli
Istuimen alustan alaosa ja vaihteiston yläosa
Tarkista ja säädä etu- ja takarenkaiden rengaspaineet. Katso Rengaspaineen tarkistus.
Irrota, teroita ja tasapainota leikkurin terät. Asenna terät ja kiristä terien kiinnikkeet momenttiin 115–149 N·m.
Tarkista, etteivät kiinnikkeet ole löysällä, ja kiristä tarvittaessa. Kiristä leikkuupöydän rungon vetoyksikköön (Kuva 101) kiinnittävät kuusi pulttia momenttiin 359 N·m.

Rasvaa tai öljyä rasvanipat, nivelet ja vaihteiston ohitusventtiilin sokat. Pyyhi pois ylimääräinen voiteluaine.
Hio varovasti ja maalaa korjausmaalilla maalipinnat, jotka ovat naarmuuntuneet, lohkeilleet tai ruostuneet. Korjaa kaikki metallirungossa olevat kolhut.
Huolla akku ja kaapelit seuraavasti:
Irrota akkuliittimet akun navoista.
Puhdista akku, liittimet ja navat teräsharjalla ja ruokasoodaliuoksella.
Voitele kaapeliliittimet ja akun navat Grafo 112X -suojarasvalla (Toron osanro 505-47) tai vaseliinilla ruostumisen ehkäisemiseksi.
Lataa akku hitaasti 60 päivän välein 24 tunnin ajan, jotta akkuun ei muodostu lyijysulfaattia.
Tyhjennä moottoriöljy öljysäiliöstä ja asenna tyhjennystulppa paikalleen.
Vaihda öljynsuodatin.
Lisää moottoriin suosituksen mukaista moottoriöljyä.
Käynnistä moottori ja käytä sitä joutokäynnillä parin minuutin ajan.
Tyhjennä polttoaine polttoainesäiliöstä ja letkuista, pumpusta, suodattimesta ja vedenerottimesta. Huuhtele polttoainesäiliö puhtaalla dieselpolttoaineella ja liitä kaikki polttoaineletkut.
Puhdista ja huolla ilmanpuhdistinjärjestelmä perusteellisesti.
Tiivistä ilmanpuhdistimen tulo- ja poistoaukko vedenpitävällä teipillä.
Tarkista öljyntäyttökorkki ja polttoainesäiliön korkki ja varmista, että ne ovat tiukasti paikoillaan.
