| Périodicité d'entretien | Procédure d'entretien |
|---|---|
| À chaque utilisation ou une fois par jour |
|
Cette machine est une tondeuse autoportée à lame rotative prévue pour les utilisateurs professionnels employés à des applications commerciales. Elle est principalement conçue pour tondre les pelouses entretenues régulièrement dans les parcs, les terrains de sports et les espaces verts commerciaux. Elle n'est pas conçue pour couper les broussailles et autre végétation sur le bord des routes ni pour des utilisations agricoles.
Lisez attentivement cette notice pour apprendre comment utiliser et entretenir correctement votre produit, et éviter de l'endommager ou de vous blesser. Vous êtes responsable de l'utilisation sûre et correcte du produit.
Vous pouvez contacter Toro directement sur www.Toro.com pour tout document de formation à la sécurité et à l'utilisation des produits, pour tout renseignement concernant un produit ou un accessoire, pour obtenir l'adresse des dépositaires ou pour enregistrer votre produit.
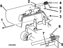
Pour obtenir des prestations de service, des pièces Toro d'origine ou des renseignements complémentaires, munissez-vous des numéros de modèle et de série du produit et contactez un dépositaire-réparateur ou le service client Toro agréé. La Figure 1 indique l'emplacement des numéros de modèle et de série du produit. Inscrivez les numéros dans l'espace réservé à cet effet.

Les mises en garde de ce manuel soulignent les dangers potentiels et sont signalées par le symbole de sécurité (Figure 2), qui indique un danger pouvant entraîner des blessures graves ou mortelles si les précautions recommandées ne sont pas respectées.

Ce manuel utilise deux termes pour faire passer des renseignements essentiels. Important, pour attirer l'attention sur des renseignements mécaniques spécifiques et Remarque, pour souligner une information d'ordre général méritant une attention particulière.
CALIFORNIE
Proposition 65 - Avertissement
L'état de Californie considère les gaz d'échappement des moteurs diesel et certains de leurs composants comme susceptibles de provoquer des cancers, des malformations congénitales et autres troubles de la reproduction.
Un pare-étincelles est proposé en option car certaines régions et certains pays en exigent l'usage sur le moteur de cette machine. Si vous avez besoin d'un pare-étincelles, contactez votre dépositaire-réparateur Toro agréé.
Les pare-étincelles Toro d'origine sont homologués par le Service des forêts du département de l'Agriculture des États-Unis (USDAFS).
Important: Vous commettez une infraction à la section 4442 du Code des ressources publiques de Californie si vous utilisez cette machine dans une zone boisée, broussailleuse ou recouverte d'herbe sans l'équiper d'un pare-étincelles en bon état de marche, ou sans que le moteur soit bridé, équipé et entretenu correctement pour prévenir les incendies. D'autres états ou régions fédérales peuvent être régis par des lois similaires.
Ces machines sont conformes ou supérieures aux spécifications de la norme ANSI B71.4–2004 en vigueur au moment de la production.
Cette machine peut occasionner des accidents si elle n'est pas utilisée ou entretenue correctement. Pour réduire les risques d'accidents et de blessures, respectez les consignes de sécurité qui suivent. Tenez toujours compte des mises en garde signalées par le symbole de sécurité et la mention Prudence, Attention ou Danger. Le non respect des instructions peut entraîner des blessures graves ou mortelles.
Les instructions suivantes sont tirées de la norme CEN EN 836:1997 et de la norme ANSI B71.4-2004.
Ce produit peut sectionner les mains ou les pieds et projeter des objets. Respectez toujours toutes les consignes de sécurité pour éviter des blessures graves ou mortelles.
Lisez attentivement le Manuel de l'utilisateur et toute autre documentation de formation. Familiarisez-vous avec les commandes, les symboles de sécurité et l'utilisation correcte de la machine.
Ne confiez jamais l'utilisation de la tondeuse à des enfants ou à des adultes n'ayant pas pris connaissance de ces instructions. Certaines législations imposent un âge minimum pour l'utilisation de ce type de machine.
Ne tondez jamais lorsque des personnes, et surtout des enfants ou des animaux familiers, se trouvent à proximité.
N'oubliez jamais que l'utilisateur est responsable des accidents ou dommages causés à d'autres personnes et à leurs possessions.
Ne transportez pas de passagers.
Tout utilisateur est tenu de suivre une formation professionnelle et pratique. La formation doit insister sur les points suivants :
la nécessité de consacrer toute son attention à la conduite lors de l'utilisation d'une tondeuse autoportée
l'actionnement des leviers de commande ne permet pas de regagner le contrôle d'une tondeuse autoportée en cas de problème sur une pente. La perte de contrôle est due le plus souvent :
au manque d'adhérence des roues, surtout sur herbe humide
à une conduite trop rapide
à un freinage inadéquat
à un type de machine non adapté à la tâche
à l'ignorance de l'importance de la nature du terrain, surtout sur pente
à une mauvaise répartition de la charge
Portez toujours un pantalon et des chaussures solides à semelle antidérapante pour travailler. N'utilisez pas la machine pieds nus ou chaussé de sandales.
Inspectez soigneusement la zone à tondre et enlevez tout objet susceptible d'être projeté par la machine.
Attention – Le carburant est extrêmement inflammable.
Conservez le carburant dans un récipient spécialement conçu à cet effet.
Faites toujours le plein à l'extérieur, et ne fumez jamais pendant cette opération.
Faites le plein de carburant avant de mettre le moteur en marche. N'enlevez jamais le bouchon du réservoir de carburant et n'ajoutez jamais de carburant lorsque le moteur tourne ou qu'il est chaud.
Si vous renversez du carburant, ne mettez pas le moteur en marche. Éloignez la machine et évitez toute source possible d'inflammation jusqu'à dissipation complète des vapeurs de carburant.
Refermez soigneusement tous les réservoirs et récipients contenant du carburant.
Remplacez les silencieux défectueux.
Avant d'utiliser la machine, vérifiez toujours si les lames, les boulons de lame et l'ensemble de coupe ne sont pas usés ou endommagés. Remplacez les boulons et les lames usés ou endommagés par paires pour ne pas modifier l'équilibre.
Restez vigilant, ralentissez et changez de direction avec prudence. Regardez derrière vous et de chaque côté avant de changer de direction.
Ne faites pas tourner le moteur dans un espace clos où le monoxyde de carbone, un gaz dangereux dégagé par l'échappement, risque de s'accumuler.
Tondez uniquement à la lumière du jour ou avec un bon éclairage artificiel.
Avant de mettre le moteur en marche, débrayez l'entraînement des lames et sélectionnez le point mort.
Aucune pente n'est absolument sans danger. Le déplacement sur une pente herbeuse demande une attention particulière. Pour éviter le retournement de la machine :
ne démarrez pas et ne vous arrêtez pas brusquement sur une pente
réduisez votre vitesse sur pente et lorsque vous prenez des virages serrés
méfiez-vous des irrégularités de terrain, des obstacles, des ornières et autres dangers cachés.
Méfiez-vous de la circulation près des routes et pour les traverser.
Arrêtez la rotation des lames avant de traverser une surface non herbeuse.
Lorsque vous utilisez des accessoires, ne dirigez jamais l'éjection vers qui que ce soit et ne laissez personne s'approcher de la machine en marche.
N'utilisez jamais une machine dont les capots ou les déflecteurs sont défectueux ou dont les protections de sécurité ne sont pas en place.
Ne modifiez pas le réglage du régulateur et ne faites pas tourner le moteur à un régime excessif. Un régime moteur excessif peut augmenter les risques d'accidents et de blessures.
Avant de quitter la position d'utilisation :
désengagez la prise de force et abaissez les accessoires
sélectionnez le point mort et serrez le frein de stationnement
coupez le moteur et enlevez la clé de contact
Désengagez l'entraînement des accessoires, coupez le moteur et enlevez la clé de contact :
avant de dégager ou déboucher la goulotte
avant d'inspecter, de nettoyer ou d'effectuer toute opération sur la tondeuse
après avoir heurté un obstacle. Recherchez et réparez les dégâts éventuels avant de remettre la tondeuse en marche et d'utiliser les accessoires
si la machine se met à vibrer de manière inhabituelle (contrôlez immédiatement).
N'utilisez pas la machine sous l'emprise de l'alcool, de drogues ou de médicaments.
La foudre peut causer des blessures graves ou mortelles. Si vous voyez des éclairs ou que vous entendez le tonnerre à proximité, n'utilisez pas la machine et mettez-vous à l'abri.
Débrayez les accessoires lors du transport et quand ils ne servent pas.
Coupez le moteur et débrayez les accessoires avant de faire le plein de carburant.
Gardez tous les écrous, boulons et vis toujours bien serrés pour garantir l'utilisation sûre de la machine.
S'il reste du carburant dans le réservoir, ne remisez pas la machine dans un bâtiment où les vapeurs risquent de rencontrer une flamme nue ou une étincelle.
Laissez refroidir le moteur avant de ranger la machine dans un local fermé.
Pour réduire les risques d'incendie, débarrassez le moteur, le silencieux, le bac à batterie et le lieu de stockage du carburant de tout excès de graisse, débris d'herbe et feuilles.
Remplacez les pièces usées ou endommagées pour éviter les accidents.
La vidange du réservoir de carburant doit impérativement s'effectuer à l'extérieur.
Attention, sur les machines à plusieurs lames, la rotation manuelle d'une lame peut entraîner le déplacement des autres lames.
Abaissez le tablier de coupe lorsque la machine doit être garée, remisée ou laissée sans surveillance.
La liste suivante contient des renseignements de sécurité spécifiques aux produits Toro, ou d'autres renseignements relatifs à la sécurité qu'il est important de connaître et qui n'apparaissent pas dans les spécifications de la norme CEN.
Les gaz d'échappement contiennent du monoxyde de carbone, un gaz inodore mortel. Ne faites pas tourner le moteur dans un local fermé.
Gardez mains, pieds, cheveux et vêtements amples à l'écart de la zone d'éjection de l'accessoire, du dessous de la machine et des pièces mobiles quand le moteur est en marche.
Ne touchez aucune partie de la machine ou des accessoires juste après leur arrêt, car elles peuvent être très chaudes. Laissez-les refroidir avant d'entreprendre toute réparation, tout réglage ou tout entretien.
L'acide de la batterie est toxique et peut causer des brûlures. Évitez tout contact avec la peau, les yeux et les vêtements. Protégez-vous le visage, les yeux et les vêtements quand vous manipulez la batterie.
Cette machine est un véhicule lent qui n'est ni conçu ni équipé pour être utilisé sur la voie publique. Si vous devez traverser ou circuler sur la voie publique, tenez toujours compte de la réglementation locale concernant les éclairages requis, les panneaux « véhicule lent » et les réflecteurs.
Les gaz de la batterie sont explosifs. Gardez la batterie éloignée des cigarettes, des flammes ou des sources d'étincelles.
Pour préserver les normes d'origine, n'utilisez que des pièces de rechange Toro d'origine.
Utilisez uniquement des accessoires agréés par Toro. L'utilisation d'accessoires non agréés risque d'annuler la garantie.
Ne travaillez pas à proximité de dénivellations, de fossés, de berges escarpées ou d'étendues d'eau. Le dépassement des roues au-dessus d'une dénivellation peut entraîner le renversement de la machine et provoquer des blessures graves ou mortelles (noyade, etc.).
Ne travaillez pas sur les pentes lorsque l'herbe est humide. Les conditions glissantes réduisent la motricité, ce qui risque de faire déraper la machine et d'entraîner la perte du contrôle.
Ne changez pas soudainement de direction ou de vitesse.
Utilisez une tondeuse autotractée et/ou une débroussailleuse manuelle près des dénivellations, des fossés, des berges escarpées ou des étendues d'eau.
Réduisez votre vitesse et faites preuve d'une extrême prudence sur les pentes.
Enlevez ou balisez les obstacles éventuellement présents sur la zone de travail (pierres, branches, etc.). L'herbe haute peut masquer les accidents du terrain.
Attention aux fossés, trous, rochers, creux et bosses qui modifient l'angle de travail; un terrain irrégulier peut provoquer le retournement de la machine.
Évitez les démarrages brusques en montée, car la machine peut basculer en arrière.
Tenez compte du fait qu'une perte de motricité peut se produire en descente. Le transfert du poids sur les roues avant peut entraîner le patinage des roues motrices, et donc une perte du freinage et de la direction.
Évitez toujours de démarrer ou de vous arrêter sur une pente. Si les roues perdent de leur motricité, désengagez les lames et redescendez lentement jusqu'au bas de la pente.
Suivez les recommandations du constructeur concernant l'utilisation de masses d'équilibrage ou de contrepoids pour améliorer la stabilité de la machine.
Soyez particulièrement prudent quand vous utilisez des accessoires. Ils peuvent modifier la stabilité et entraîner la perte de contrôle de la machine.
Maintenez l'arceau de sécurité relevé et bloqué dans cette position, et attachez la ceinture de sécurité pour conduire la machine.
Vérifiez qu'il est possible de détacher rapidement la ceinture de sécurité en cas d'urgence.
N'oubliez pas que la protection antiretournement est inexistante lorsque l'arceau de sécurité est abaissé.
Examinez la zone de travail à l'avance et ne repliez jamais le système ROPS lorsque vous vous trouvez sur une pente, près de fortes dénivellations ou d'étendues d'eau.
N'abaissez l'arceau de sécurité qu'en cas d'absolue nécessité. N'attachez pas la ceinture de sécurité si l'arceau de sécurité est abaissé.
Vérifiez précisément la hauteur libre avant de passer sous un obstacle (par ex. branches, portes, câbles électriques, etc.) et évitez de le toucher.
Le moteur de cette machine est conforme à la norme EPA Tier 4 Final et Stage 3b.

![]() |
Des autocollants de sécurité et des instructions bien visibles par l'opérateur sont placés près de tous les endroits potentiellement dangereux. Remplacez tout autocollant endommagé ou manquant. |
























Relevez et bloquez l'arceau de sécurité avant d'utiliser la machine; voir Utilisation du système antiretournement (ROPS) pour plus de renseignements et des instructions détaillées sur le système de protection antiretournement.
Les pneus sont surgonflés pour l'expédition. Il faut donc les dégonfler légèrement avant l'utilisation. La pression de gonflage correcte des pneus arrière est de 1,24 bar (18 psi) et celle des roues pivotantes est 1,72 bar (25 psi).
Contrôlez le niveau de liquide hydraulique avant de mettre le moteur en marche; voir Contrôle du système hydraulique.
Contrôlez le niveau d'huile moteur avant et après le démarrage du moteur; voir Contrôle du niveau d'huile moteur.
Contrôlez le système de refroidissement avant de mettre le moteur en marche; voir Contrôle du circuit de refroidissement .

Avant de mettre le moteur en marche et d'utiliser la machine, familiarisez-vous avec toutes les commandes (Figure 4 et Figure 6).
Ils commandent le déplacement en marche avant et arrière, ainsi que le braquage de la machine. Voir Conduite de la machine.
Chaque fois que vous arrêtez le moteur, serrez le frein de stationnement pour éviter que la machine ne se déplace accidentellement. Pour serrer le frein de stationnement, tirez le levier en arrière et vers le haut (Figure 5). Pour desserrer le frein de stationnement, poussez le levier en avant et vers le bas.

Ne garez pas la machine sur une pente.
Le commutateur d'allumage a 3 positions : arrêt, contact/préchauffage et démarrage.

La commande d'accélérateur régule le régime moteur. Poussez la commande en avant vers la position HAUT RéGIME pour augmenter le régime moteur. Tirez-la en arrière vers la position BAS RéGIME pour réduire le régime moteur. L'accélérateur commande la vitesse de rotation des lames et, conjointement avec les leviers de déplacement, la vitesse de déplacement de la machine. Réglez toujours la commande d'accélérateur en position HAUT RéGIME pour la tonte.
La commande de prise de force (PDF) permet de démarrer et d'arrêter les lames du tablier de coupe.
L'écran LCD de l'InfoCenter affiche des renseignements relatifs à la machine, comme l'état de fonctionnement, ainsi que divers diagnostics et autres données concernant la machine (Figure 7). L'InfoCenter comporte un écran d'accueil et un écran d'information principal. Vous pouvez alterner entre l'écran d'accueil et l'écran d'information principal à tout moment en appuyant sur l'une des touches de l'InfoCenter puis en sélectionnant la flèche de direction appropriée.

Bouton gauche : bouton d'accès aux menus/de retour – appuyez sur ce bouton pour accéder aux menus de l'InfoCenter. Vous pouvez vous en servir pour revenir en arrière et quitter le menu actuellement utilisé.
Bouton central – utilisez ce bouton pour faire défiler les menus.
Bouton droit – utilisez ce bouton pour ouvrir un menu lorsqu'une flèche à droite indique un contenu supplémentaire.
Note: Chaque bouton peut changer de fonction selon les besoins du moment. Chaque bouton est repéré par une icône illustrant sa fonction actuelle.
| SERVICE DUE | Indique quand un entretien programmé doit être effectué |
| RPM | Régime/état du moteur – indique le régime moteur |
![]() | Compteur horaire |
![]() | Icône d'information |
![]() | Régénération en stationnement requise |
![]() | Les bougies de préchauffage sont actives |
![]() | L'utilisateur doit s'asseoir sur le siège |
![]() | Témoin de frein de stationnement – indique quand le frein de stationnement est serré |
![]() | Thermomètre de liquide de refroidissement – indique la température du liquide de refroidissement en ºC ou ºF |
![]() | Température (chaude) |
![]() | Refusé ou non autorisé |
![]() | Démarrage du moteur |
![]() | Arrêt ou arrêt d'urgence |
![]() | Moteur |
![]() | Commutateur à clé |
![]() | Code PIN |
![]() | Indicateur de température d'huile hydraulique – indique la température de l'huile hydraulique |
![]() | Bus CAN |
![]() | InfoCenter |
![]() | Mauvais fonctionnement ou défaillance |
![]() | Ampoule |
![]() | Sortie du module de commande TEC ou câble de commande en faisceau |
![]() | Élevée : au-dessus de la plage autorisée |
![]() | Basse : au-dessous de la plage autorisée |
/![]() | Hors plage |
![]() | Interrupteur |
![]() | L'utilisateur doit relâcher l'interrupteur |
![]() | L'utilisateur doit passer à l'état indiqué |
| Les symboles sont souvent associés pour former des phrases. Quelques exemples sont donnés ci-après | |
![]() | Démarrage du moteur refusé |
![]() | Arrêt du moteur |
![]() | Liquide de refroidissement moteur trop chaud |
![]() | S'asseoir ou serrer le frein de stationnement |
Pour accéder au système de menus de l'InfoCenter, appuyez sur le bouton d'accès aux menus depuis l'écran principal. Cela vous amène au menu principal. Reportez-vous aux tableaux ci-après pour le synopsis des options disponibles dans les différents menus :
| Menu principal | |
| Option de menu | Description |
| Anomalies | Le menu Anomalies contient la liste des anomalies récentes de la machine. Reportez-vous au Manuel d'entretien ou adressez-vous à votre distributeur Toro agréé pour plus de renseignements sur le menu Anomalies et sur les données qu'il contient. |
| Entretien | Le menu Entretien contient des renseignements sur la machine, comme le nombre d'heures de fonctionnement et d'autres renseignements de ce type. |
| Réglages | Le menu Réglages vous permet de personnaliser et modifier les variables de configuration sur l'écran InfoCenter. |
| À propos | Le menu À propos indique le numéro de modèle, le numéro de série et la version logicielle de votre machine. |
| Entretien | |
| Option de menu | Description |
| Hours | L'option Hours (heures) indique le nombre d'heures de fonctionnement de la machine, du moteur et du ventilateur, ainsi que le nombre d'heures de transport et de surchauffe de la machine. |
| Réglages | |
| Option de menu | Description |
| Unités | Cette option permet de choisir les unités utilisées sur l'InfoCenter. Les unités peuvent être métriques ou impériales |
| Langue | Cette option permet de choisir la langue utilisée sur l'InfoCenter*. |
| Rétroéclairage LCD | Cette option permet de régler la luminosité de l'affichage LCD. |
| Contraste LCD | Cette option permet de régler le contraste de l'affichage LCD. |
| Menus protégés | Permet à une personne autorisée par votre entreprise et détenant le code PIN d'accéder aux menus protégés. |
* Seul le texte « relatif à l'utilisateur » est traduit. Les écrans Anomalies, Entretien et Diagnostics sont « relatifs à l'entretien ». Les titres sont dans la langue choisie, mais les options de menu sont en anglais.
| À propos | |
| Option de menu | Description |
| Modèle | Indique le numéro de modèle de la machine. |
| N° de Série | Indique le numéro de série de la machine. |
| Version du contrôleur machine | Indique la version du logiciel du contrôleur principal. |
| Version de l'InfoCenter | Indique la version du logiciel de l'InfoCenter. |
| Bus CAN | Indique l'état du bus de communication de la machine. |
Un réglage de configuration du fonctionnement peut être sélectionné dans le menu Entretien de l'InfoCenter : Demande de régénération. Ce paramètre se trouve dans le menu protégé.
Note: Le code PIN par défaut à la sortie d'usine de la machine est 0000 ou 1234.Si vous avez modifié le code PIN et avez oublié le nouveau code, demandez l'aide de votre distributeur Toro agréé.
Depuis le MENU PRINCIPAL, utilisez le bouton central pour naviguer jusqu'au MENU RéGLAGES et appuyez sur le bouton droit (Figure 8).

Depuis le MENU RéGLAGES, utilisez le bouton central pour naviguer jusqu'au MENU PROTéGé et appuyez sur le bouton droit (Figure 9A).

Pour saisir le code PIN, appuyez sur le bouton central jusqu'à ce que le premier chiffre correct s'affiche, puis appuyez sur le bouton droit pour passer au chiffre suivant (Figure 9B et Figure 9C). Répétez cette procédure jusqu'à ce que le dernier chiffre soit saisi, puis appuyez une nouvelle fois sur le bouton droit.
Appuyez sur le bouton central pour entrer le code PIN (Figure 9D).
Attendez que le témoin rouge s'allume sur l'InfoCenter.
Note: Si l'InfoCenter accepte le code PIN et que le menu protégé est déverrouillé, « PIN » apparaît dans le coin supérieur droit de l'écran.
Note: Tournez la clé de contact à la position ARRêT, puis à la position CONTACT pour verrouiller le menu protégé.
Vous pouvez visualiser et modifier les paramètres du menu protégé. Après avoir ouvert le menu protégé, naviguez jusqu'à l'option « Protéger les param. ». Appuyez sur le bouton droit pour modifier le réglage. Si vous réglez l'option « Protéger les param. » à OFF (désactivé), vous pouvez visualiser et modifier les réglages du menu protégé sans avoir à saisir le code PIN. Si vous réglez l'option « Protéger les param. » à ON (activée), les options protégées sont masquées et vous devez saisir le code PIN pour pouvoir modifier les réglages du menu protégé. Après avoir programmé le code PIN, tournez la clé à la position ARRêT puis ramenez-la à la position CONTACT pour activer et sauvegarder cette fonction.
Note: Les spécifications et la conception de la machine peuvent faire l'objet de modifications sans préavis.
| Longueur | 254 cm (100 po) |
| Largeur (roues arrière) | 198 cm (78 po) |
| Hauteur (arceau de sécurité relevé) | 183 cm (72 po) |
| Hauteur (arceau de sécurité abaissé) | 122 cm (48 po) |
| Poids | 1 012 kg (2 231 lb) |
| Longueur | 254 cm (100 po) |
| Largeur (roues arrière) | 191 cm (75 po) |
| Hauteur (arceau de sécurité relevé) | 183 cm (72 po) |
| Hauteur (arceau de sécurité abaissé) | 122 cm (48 po) |
| Poids , Modèle 30618 | 1 052 kg (2 320 lb) |
Une sélection d'outils et accessoires agréés par Toro est disponible pour augmenter et améliorer les capacités de la machine. Pour obtenir la liste de tous les accessoires et outils agréés, contactez votre dépositaire-réparateur ou distributeur agréé ou rendez-vous sur le site www.Toro.com.
Note: Les côtés gauche et droit de la machine sont déterminés d'après la position d'utilisation normale.
Lisez attentivement toutes les instructions de sécurité et la signification des symboles au chapitre Sécurité. Tenez-en compte pour éviter de vous blesser ou de blesser des personnes à proximité.
La machine peut déraper sur l'herbe humide ou les pentes raides, et vous risquez d'en perdre le contrôle.
Le dépassement des roues au-dessus d'une dénivellation peut entraîner le renversement de la machine et provoquer des blessures graves ou mortelles (noyade, etc.).
N'oubliez pas que la protection antiretournement est inexistante lorsque l'arceau de sécurité est abaissé.
Gardez toujours l'arceau de sécurité complètement relevé et bloqué en position, et attachez la ceinture de sécurité.
Lisez et respectez les instructions et les mises en garde relatives à la protection antiretournement.
Pour éviter de perdre le contrôle de la machine et de vous retourner :
N'utilisez pas la machine à proximité de dénivellations ou d'étendues d'eau.
N'utilisez pas la machine sur des pentes de plus de 20 degrés.
Ralentissez et procédez avec la plus grande prudence sur les pentes.
Ne changez pas soudainement de direction ou de vitesse.
Cette machine produit des niveaux sonores susceptibles d'entraîner des déficiences auditives en cas d'exposition prolongée.
Portez des protecteurs d'oreilles quand vous utilisez la machine.
L'usage d'équipements de protection est préconisé pour les yeux, les oreilles, les mains, les pieds et la tête.

Le carburant est toxique, voire mortel en cas d'ingestion. L'exposition prolongée aux vapeurs de carburant peut causer des blessures et des maladies graves.
Évitez de respirer les vapeurs de carburant de façon prolongée.
N'approchez pas le visage du pistolet ni de l'ouverture du réservoir de carburant ou de conditionneur.
N'approchez pas le carburant des yeux et de la peau.
Dans certaines circonstances, le carburant est extrêmement inflammable et hautement explosif. Un incendie ou une explosion causé(e) par du carburant peut vous brûler, ainsi que les personnes se tenant à proximité, et causer des dommages matériels.
Faites le plein du réservoir de carburant à l'extérieur, dans un endroit bien dégagé, lorsque le moteur est froid. Essuyez tout carburant répandu.
Ne faites jamais le plein du réservoir de carburant à l'intérieur d'une remorque fermée.
Ne fumez jamais en manipulant du carburant et tenez-vous à l'écart des flammes nues ou sources d'étincelles qui pourraient enflammer les vapeurs de carburant.
Conservez le carburant dans un récipient homologué et hors de la portée des enfants. N'achetez et ne stockez jamais plus que la quantité de carburant consommée en 6 mois.
N'utilisez pas la machine si elle n'est pas équipée du système d'échappement complet et en bon état de marche.
Dans certaines circonstances, de l'électricité statique peut se former lors du remplissage, produire une étincelle et enflammer les vapeurs de carburant. Un incendie ou une explosion causé(e) par du carburant peut vous brûler, ainsi que les personnes se tenant à proximité, et causer des dommages matériels.
Posez toujours les bidons de carburant sur le sol, à l'écart du véhicule, avant de les remplir.
Ne remplissez pas de bidons de carburant à l'intérieur d'un véhicule ou sur le plateau d'une remorque, car la moquette intérieure ou le revêtement en matière plastique de la caisse risque d'isoler le bidon et de freiner l'élimination de l'électricité statique éventuellement produite.
Si possible, descendez la machine du véhicule ou de la remorque et posez-la à terre avant de remplir le réservoir de carburant.
Si ce n'est pas possible, laissez la machine dans le véhicule ou sur la remorque, mais remplissez le réservoir à l'aide d'un bidon, et non directement à la pompe.
En cas de remplissage à la pompe, maintenez le pistolet en contact avec le bord du réservoir ou du bidon jusqu'à la fin du remplissage.
Important: Utilisez uniquement du carburant diesel à très faible teneur en soufre. Le carburant à teneur en soufre plus élevée dégrade le catalyseur d'oxydation diesel (DOC), ce qui entraîne des problèmes de fonctionnement et raccourcit la vie utile des composants du moteur.Le moteur peut être endommagé si vous ne respectez pas les consignes suivantes.
N'utilisez jamais de kérosène ou d'essence à la place du carburant diesel.
Ne mélangez jamais de kérosène ou d'huile moteur usagée avec le carburant diesel.
Ne conservez jamais le carburant dans des bidons dont l'intérieur est galvanisé.
N'utilisez pas d'additifs pour carburant.
Indice de cétane : 45 ou plus
Teneur en soufre : ultra-faible (<15 ppm)
| Spécification du carburant diesel | Lieu d'utilisation |
| ASTM D975 | États-Unis |
| Nº 1-D S15 | |
| Nº 2-D S15 | |
| EN 590 | Union européenne |
| ISO 8217 DMX | International |
| JIS K2204 Grade nº 2 | Japon |
| KSM-2610 | Corée |
Utilisez uniquement du carburant diesel propre et frais ou des carburants au biodiesel.
Pour garantir la fraîcheur du carburant, n'achetez pas plus que la quantité normalement consommée en 6 mois.
Utilisez du carburant diesel de qualité été (nº 2-D) si la température ambiante est supérieure à -7 ºC (20 ºF) et du carburant diesel de qualité hiver (nº 1-D ou mélange nº 1-D/2-D) en dessous de cette température.
Note: L'usage de carburant de qualité hiver à basses températures réduit le point d'éclair et les caractéristiques d'écoulement à froid, ce qui facilite le démarrage et réduit le colmatage du filtre à carburant.L'usage de carburant de qualité été au-dessus de -7 ºC (20 ºF) contribue à prolonger la vie de la pompe à carburant et augmente la puissance comparé au carburant de qualité hiver.
Cette machine peut aussi utiliser un mélange carburant et biodiesel jusqu'à B20 (20 % biodiesel, 80 % pétrodiesel).
Teneur en soufre : ultra-faible (<15 ppm)
Spécifications du carburant au biodiesel : ASTM D6751 ou EN 14214
Spécifications du carburant mélangé : ASTM D975, EN590 ou JIS K2204
Important: La portion pétrodiesel doit être à très faible teneur en soufre.
Prenez les précautions suivantes :
Les mélanges au biodiesel peuvent endommager les surfaces peintes.
Utilisez du B5 (teneur en biodiesel de 5 %) ou un mélange de plus faible teneur par temps froid.
Examinez régulièrement les joints et flexibles en contact avec le carburant, car ils peuvent se détériorer avec le temps.
Le filtre à carburant peut se colmater pendant quelque temps après l'adoption de mélanges au biodiesel.
Pour tout renseignement complémentaire sur le biodiesel, contactez votre dépositaire Toro agréé.
43,5 L (11,5 gallons américains)
Important: Les réservoirs de carburant sont reliés entre eux, mais le transfert du carburant de l'un à l'autre ne s'effectue pas rapidement. Il est important de faire le plein sur une surface plane et horizontale. Si vous garez la machine sur une pente, vous risquez de trop remplir les réservoirs par inadvertance.
Important: Ne remplissez pas excessivement les réservoirs de carburant.
Important: N'ouvrez pas les réservoirs de carburant si la machine est garée sur une pente. Le carburant pourrait sortir du réservoir.
Garez la machine sur un sol plat et horizontal.
Important: Les réservoirs de carburant sont reliés entre eux, mais le transfert du carburant de l'un à l'autre ne s'effectue pas rapidement. Il est important de faire le plein sur une surface plane et horizontale. Si vous garez la machine sur une pente, vous risquez de trop remplir les réservoirs par inadvertance.
Arrêtez le moteur et serrez le frein de stationnement.
Nettoyez la surface autour du bouchon de réservoir de carburant et enlevez le bouchon.
Important: N'ouvrez pas les réservoirs de carburant si la machine est garée sur une pente. Le carburant pourrait sortir du réservoir.
Remplissez les deux réservoirs de carburant jusqu'à ce que le niveau atteigne de la base du goulot de remplissage (Figure 11). Ne remplissez pas excessivement les réservoirs de carburant.

Revissez solidement les bouchons des réservoirs. Essuyez le carburant éventuellement répandu.
Note: Dans la mesure du possible, faites le plein de carburant après chaque utilisation. Cela minimisera la formation éventuelle de condensation à l'intérieur du réservoir.
Avant de mettre le moteur en marche et d'utiliser la machine, vérifiez le niveau d'huile dans le carter; voir Vidange de l'huile moteur.
Avant de mettre le moteur en marche et d'utiliser la machine, vérifiez le circuit de refroidissement; voir Contrôle du circuit de refroidissement .
Avant de mettre le moteur en marche et d'utiliser la machine, vérifiez le système hydraulique; voir Contrôle du système hydraulique.
Pour éviter de vous blesser, parfois mortellement, en vous retournant, gardez l'arceau de sécurité relevé et bloqué dans cette position, et attachez la ceinture de sécurité.
Vérifiez que la partie arrière du siège est bloquée par le verrou.
La protection antiretournement est inexistante si l'arceau de sécurité est abaissé.
N'abaissez l'arceau de sécurité qu'en cas d'absolue nécessité.
N'attachez pas la ceinture de sécurité lorsque l'arceau de sécurité est abaissé.
Conduisez lentement et prudemment.
Relevez l'arceau de sécurité dès que possible.
Vérifiez précisément la hauteur libre avant de passer sous un obstacle (par ex. branches, portes, câbles électriques, etc.) et évitez de le toucher.
Important: N'abaissez l'arceau de sécurité qu'en cas d'absolue nécessité.
Pour abaisser l'arceau de sécurité, retirez les goupilles fendues, poussez l'arceau de sécurité en avant contre les ressorts et retirez les 2 axes (Figure 12).

Faites pivoter l'arceau de sécurité à la position abaissée (Figure 13).

Posez les 2 axes et fixez-les avec les goupilles fendues (Figure 12).
Important: Vérifiez que la partie arrière du siège est bloquée par le verrou.
Pour relever l'arceau de sécurité, retirez les goupilles fendues puis les 2 axes (Figure 12).
Relevez complètement l'arceau de sécurité puis insérez les 2 axes et fixez-les avec les goupilles fendues (Figure 12).
Important: Attachez toujours la ceinture de sécurité quand l'arceau de sécurité est relevé et verrouillé. N'utilisez pas la ceinture de sécurité quand l'arceau de sécurité est abaissé.
Serrez toujours le frein de stationnement lorsque vous arrêtez la machine ou que vous la laissez sans surveillance.
Amenez les leviers de commande de déplacement en position de VERROUILLAGE AU POINT MORT (Figure 18).
Tirez le levier du frein de stationnement vers le haut et l'arrière pour le serrer (Figure 14).
Note: Une fois serré, le frein de stationnement ne doit plus bouger.

Le frein de stationnement peut ne pas immobiliser parfaitement la machine si elle est garée sur une pente. La machine risque alors de causer des dommages corporels ou matériels.
Ne garez pas la machine sur une pente, à moins de caler ou de bloquer les roues.
Poussez le levier du frein de stationnement vers l'avant et vers le bas pour le desserrer (Figure 15).

Relevez l'arceau de sécurité et bloquez-le en position, asseyez-vous sur le siège et attachez la ceinture de sécurité.
Les leviers de commande de déplacement doivent être en position de VERROUILLAGE AU POINT MORT.
Serrez le frein de stationnement; voir Serrage du frein de stationnement.
Placez la commande de prise de force (PDF) en position DéSENGAGéE (Figure 16).

Tournez la clé de contact dans le sens horaire à la position CONTACT (Figure 17).

Lorsque le témoin de préchauffage s'éteint, tournez la clé en position de DéMARRAGE. Relâchez la clé quand le moteur démarre.
Important: Limitez les cycles de démarrage à 15 secondes par minute pour ne pas surchauffer le démarreur.
Note: Le démarrage du moteur nécessitera peut-être plusieurs tentatives après une panne sèche.
Important: Lors du premier démarrage du moteur ou après une vidange d'huile, ou encore après une révision du moteur, de la transmission ou du moteur de roues, conduisez la machine en marche avant et arrière avec la commande d'accélérateur en position BAS RéGIME pendant 1 à 2 minutes. Actionnez aussi le levier de levage et la commande de prise de force pour vérifier le bon fonctionnement de toutes les pièces. Arrêtez ensuite le moteur et vérifiez les niveaux, vérifiez qu'il n'y a pas de fuites d'huile, de pièces desserrées ou autres anomalies évidentes.
Coupez le moteur et attendez l'arrêt de toutes les pièces mobiles avant de rechercher des fuites d'huile, des pièces desserrées ou autres anomalies.
Désengagez la PDF, placez les leviers de commande de déplacement en position de VERROUILLAGE AU POINT MORT, serrez le frein de stationnement et placez la commande d'accélérateur en position BAS RéGIME.
Tournez la clé de contact à la position ARRêT (Figure 17). Attendez l'arrêt de toutes les pièces mobiles avant de quitter la position d'utilisation.
Enlevez la clé de contact avant de transporter ou remiser la machine.
Important: N'oubliez pas de d'enlever la clé du commutateur d'allumage, car la pompe d'alimentation ou les accessoires pourraient se mettre en marche et décharger la batterie.
Les enfants ou les personnes à proximité risquent de se blesser s'ils déplacent ou essayent d'utiliser le tracteur, lorsque celui-ci est laissé sans surveillance.
Retirez toujours la clé de contact et serrez le frein de stationnement si vous laissez la machine sans surveillance, ne serait-ce qu'un instant.
La commande d'accélérateur agit sur le régime moteur qui se mesure en tours/minute (tr/min). Placez la commande d'accélérateur en position HAUT RéGIME pour obtenir des performances optimales. Travaillez toujours en plaçant la commande d'accélérateur en position HAUT RéGIME.
La machine peut tourner très rapidement. Vous risquez de perdre le contrôle de la machine et de vous blesser gravement ou d'endommager la machine.
Soyez extrêmement prudent dans les virages.
Ralentissez avant de prendre des virages serrés.
Desserrez le frein de stationnement; voir Desserrage du frein de stationnement.
Note: Le moteur s'arrête si vous actionnez les leviers de commande de déplacement alors que le frein de stationnement est serré.
Amenez les leviers de commande de déplacement au centre, en position déverrouillée.
Conduisez la machine comme suit :
Pour vous déplacer en ligne droite en marche avant, poussez lentement les leviers de commande de déplacement vers l'avant (Figure 18).
Pour vous déplacer en ligne droite en marche arrière, tirez doucement les leviers en arrière (Figure 18).
Pour tourner, ralentissez la machine en tirant les deux leviers en arrière puis poussez en avant le levier du côté opposé à celui que vous voulez prendre (Figure 18).
Pour arrêter la machine, tirez les leviers de commande de déplacement en position POINT MORT.
Note: La vitesse de déplacement de la machine, dans l'une ou l'autre direction, est proportionnelle au déplacement des leviers de commande.

Pour arrêter la machine, ramenez les leviers de commande de déplacement à la position de VERROUILLAGE AU POINT MORT, désengagez la prise de force (PDF), placez la commande d'accélérateur en position BAS RéGIME et arrêtez le moteur.
Serrez le frein de stationnement avant de laisser la machine sans surveillance; voir Serrage du frein de stationnement. N'oubliez pas d'enlever la clé du commutateur d'allumage.
Les enfants ou les personnes à proximité risquent de se blesser s'ils essayent de déplacer ou d'utiliser le tracteur, lorsque celui-ci est laissé sans surveillance.
Retirez toujours la clé de contact et serrez le frein de stationnement si vous laissez la machine sans surveillance, ne serait-ce qu'un instant.
La commande de levage du tablier de coupe permet de lever et d'abaisser le tablier de coupe (Figure 19).
Note: Ce levier est uniquement disponible lorsque le moteur est en marche.

Pour abaisser le tablier de coupe, appuyez sur le bas de la commande (Figure 19).
Note: Quand vous abaissez le tablier de coupe, il se règle en position de flottement/ralenti.
Pour lever le tablier de coupe, appuyez sur le haut de la commande (Figure 19).
Important: Ne continuez pas d'appuyer sur le haut ou le bas de la commande une fois que le tablier de coupe est complètement levé ou abaissé. Cela a pour effet d'endommager le système hydraulique.
Note: Pour bloquer le tablier de coupe en position levée, levez-le au-delà de la position 15 cm (6 po), retirez la goupille de butée de hauteur de coupe (voir Réglage de la hauteur de coupe) et insérez-la à la position 15 cm (6 po) (Figure 43).
La commande de prise de force (PDF) permet de démarrer et d'arrêter la rotation des lames et de certains accessoires qu'elle entraîne.
Si le moteur est froid, laissez-le chauffer pendant 5 à 10 minutes avant d'engager la PDF.
Asseyez-vous sur le siège, relâchez les leviers de commande de déplacement et placez-les au point mort.
Tirez sur la commande de PDF pour engager la PDF (Figure 20).

Repoussez la commande de PDF en position DéSENGAGéE pour la désengager.
Note: Tondre l'herbe à un régime permettant la charge du moteur favorise la régénération du filtre à particules diesel (FAP).
Amenez la machine sur le lieu de travail.
Dans la mesure du possible, faites tourner le moteur au régime de ralenti accéléré.
Engagez la commande de PDF.
Appuyez progressivement la pédale de déplacement vers l'avant et conduisez lentement la machine jusqu'à la zone à tondre.
Abaissez les tabliers de coupe lorsque l'avant se trouve au-dessus de la zone de travail.
Tondez de sorte que les lames puissent couper et éjecter les brins d'herbe à un haut débit tout en produisant une tonte de bonne qualité.
Note: Si la cadence est trop élevée, la qualité de la tonte risque de se détériorer. Réduisez la vitesse de déplacement de la machine ou la largeur de coupe pour retrouver le régime de ralenti accéléré.
Levez les tabliers de coupe lorsqu'ils dépassent l'extrémité la zone de travail.
Exécutez un demi-tour en « goutte d'eau » pour mettre la machine rapidement en place pour la prochaine passe.
Le filtre à particules diesel (FAP) fait partie du système d'échappement. Le catalyseur d'oxydation diesel du FAP réduit les gaz nocifs et le filtre à suie élimine la suie des gaz d'échappement du moteur.
Le processus de régénération du FAP utilise la chaleur des gaz d'échappement du moteur pour brûler la suie accumulée sur le filtre à suie; la suie est alors transformée en cendre et nettoie les canaux du filtre de sorte que les gaz d'échappement qui sortent du FAP sont filtrés.
Le calculateur moteur contrôle l'accumulation de suie en mesurant la contrepression dans le FAP. Si la contrepression est trop élevée, la suie ne brûle pas dans le filtre à suie pendant le fonctionnement normal du moteur. Pour que la suie ne s'accumule pas dans le FAP, pensez à ce qui suit :
La régénération passive s'effectue en continu pendant le fonctionnement du moteur – faites tourner le moteur à plein régime lorsque cela est possible pour favoriser la régénération du FAP.
Si la contrepression est trop élevée, le calculateur moteur vous le signale, par le biais de l'InfoCenter, quand d'autres processus (régénération assistée et commandée) sont en cours.
Attendez la fin du processus de régénération assistée et commandée avant de couper le moteur.
Utilisez et entretenez votre machine en gardant à l'esprit la fonction du FAP. Faire tourner le moteur à pleine charge au ralenti accéléré produit généralement une température d'échappement adéquate pour la régénération du FAP.
Important: Minimisez la durée de fonctionnement du moteur au ralenti ou à bas régime pour aider à réduire l'accumulation de suie dans le filtre à suie.
La température des gaz d'échappement est très élevée (environ 600°C ou 1112°F) lors de la régénération en stationnement ou d'urgence du FAP. Les gaz d'échappement chauds peuvent vous blesser ou blesser d'autres personnes.
Ne faites jamais tourner le moteur dans un local fermé.
Assurez-vous qu'aucun matériau inflammable ne se trouve à proximité du système d'échappement.
Ne touchez jamais un composant du système d'échappement s'il est chaud.
Ne vous tenez jamais à proximité du tuyau d'échappement de la machine.
Avec le temps, de la suie s'accumule dans le filtre à suie du FAP. Le calculateur moteur contrôle le niveau de suie dans le FAP.
Quand l'accumulation de suie atteint un certain seuil, le calculateur vous informe qu'il est temps de régénérer le filtre à particules diesel.
La régénération du FAP est un processus qui chauffe le FAP pour transformer la suie en cendre.
Outre les messages d'avertissement, le calculateur réduit la puissance produite par le moteur à différents niveaux d'accumulation de suie.
| Niveau d'avertissement | Code d'anomalie | Puissance nominale du moteur | Action recommandée |
| Niveau 1 : Avertissement moteur |
![]() | Le calculateur réduit la puissance du moteur à 85 % | Effectuer une régénération en stationnement dès que possible; voir Régénération en stationnement. |
| Niveau 2 : Avertissement moteur |
![]() | Le calculateur réduit la puissance du moteur à 50% | Effectuer une régénération d'urgence dès que possible; voir Régénération d'urgence. |
La cendre légère est évacuée par le système d'échappement; la cendre plus lourde est récupérée par le filtre à suie.
La cendre est un résidu du procédé de régénération. Avec le temps, le filtre à particules diesel accumule la cendre qui n'est pas rejetée avec les gaz d'échappement.
Le calculateur moteur calcule la quantité de cendre accumulée dans le FAP.
Quand l'accumulation de cendre atteint un certain seuil, le calculateur moteur envoie cette information à l'InfoCenter sous forme d'un code d'avis système ou d'un code d'anomalie moteur, pour indiquer l'accumulation de cendre dans le FAP.
Les codes d'avis et d'anomalie sont des indications qu'il est temps d'effectuer l'entretien du FAP.
Outre les avertissements, le calculateur réduit la puissance produite par le moteur à différents niveaux d'accumulation de cendre.
| Niveau d'avertissement | Code d'avis et d'anomalie | Réduction du régime moteur | Puissance nominale du moteur | Action recommandée |
|---|---|---|---|---|
| Niveau 1 : Avertissement système |
![]() | Néant | 100 % | Signalez à votre service entretien que l'avis n° 179 s'affiche sur l'InfoCenter. |
| Niveau 2 : Avertissement moteur |
![]() | Néant | Le calculateur réduit la puissance du moteur à 85 % | Faire l'entretien du FAP; voir Entretien du catalyseur d'oxydation diesel (DOC) et du filtre à suie |
| Niveau 3 : Avertissement moteur |
![]() | Néant | Le calculateur réduit la puissance du moteur à 50% | Faire l'entretien du FAP; voir Entretien du catalyseur d'oxydation diesel (DOC) et du filtre à suie |
| Niveau 4 : Avertissement moteur |
![]() | Régime moteur au couple max. + 200 tr/min | Le calculateur réduit la puissance du moteur à 50% | Faire l'entretien du FAP; voir Entretien du catalyseur d'oxydation diesel (DOC) et du filtre à suie |
| Type de régénération | Conditions pour la régénération du FAP | Description du fonctionnement du FAP |
|---|---|---|
| Passive | Se produit durant le fonctionnement normal de la machine, à haut régime moteur ou à forte charge du moteur. | L'InfoCenter n'affiche pas d'icône pour indiquer la régénération passive. |
| Durant la régénération passive, le FAP traite les gaz d'échappement à haute température, oxydant les émissions nocives et brûlant la suie en cendre. | ||
| Voir Régénération passive du FAP. | ||
| Assistée | Se produit en conséquence d'un faible régime moteur ou d'une faible charge moteur, ou si le calculateur détecte une contrepression dans le FAP. | Quand l'icône de régénération
assistée/commandée s'affiche sur l'InfoCenter, cela signifie
qu'une régénération assistée est
en cours. |
| Durant la régénération assistée, le calculateur commande le papillon d'admission pour augmenter la température d'échappement et permettre ainsi à la régénération assistée de se produire. | ||
| Voir Régénération assistée du FAP. | ||
| Commandée | Se produit après une régénération assistée, uniquement si le calculateur détecte que la régénération assistée n'a pas suffisamment réduit le niveau de suie | Quand l'icône de régénération
assistée/commandée s'affiche sur l'InfoCenter, cela signifie
qu'une régénération est en cours. |
| Se produit également toutes les 100 heures pour réinitialiser les mesures de base des capteurs | ||
| Durant la régénération commandée, le calculateur commande le papillon d'admission et les injecteurs pour augmenter la température d'échappement pendant la régénération. | ||
| Voir Régénération commandée. |
| Type de régénération | Conditions pour la régénération du FAP | Description du fonctionnement du FAP |
|---|---|---|
| En stationnement | L'accumulation de suie est le résultat d'un fonctionnement prolongé au ralenti ou à basse charge du moteur. Elle peut aussi être causée par l'utilisation du mauvais type de carburant ou d'huile. | Quand l'icône de régénération
en stationnement s'affiche sur l'InfoCenter, cela signifie qu'une
régénération est préconisée. |
| Le calculateur détecte une contrepression due à l'accumulation de suie et préconise une régénération en stationnement | ||
| • Effectuer une régénération en stationnement dès que possible pour éviter tout recours à une régénération d'urgence. | ||
| • Une régénération en stationnement prend 30 à 60 minutes. | ||
| • Le réservoir de carburant doit être rempli au moins au quart. | ||
| • Vous devez garer la machine pour effectuer une régénération d'urgence. | ||
| Voir Régénération en stationnement. | ||
| D'urgence | Se produit si les demandes de régénération en stationnement sont ignorées et que la machine continue d'être utilisée, ce qui augmente la quantité de suie alors que le FAP a déjà besoin d'une régénération en stationnement. | Quand l'icône de régénération
d'urgence s'affiche sur l'InfoCenter, cela signifie qu'une
régénération d'urgence est préconisée. |
| Adressez-vous à votre distributeur Toro agréé pour qu'un technicien effectue la régénération d'urgence. | ||
| • Une régénération d'urgence peut prendre jusqu'à 4 heures. | ||
| • Le réservoir de carburant doit être au moins à moitié plein. | ||
| • Vous devez garer la machine pour effectuer une régénération d'urgence. | ||
| Voir Régénération d'urgence. |
La régénération passive fait partie du fonctionnement normal du moteur.
Pendant l'utilisation de la machine, faites tourner le moteur à plein régime dans la mesure du possible pour favoriser la régénération du FAP.

L'icône de régénération assistée/commandée s'affiche sur l'InfoCenter (Figure 27).
Le calculateur prend le contrôle du papillon d'admission afin d'augmenter la température d'échappement.
Pendant l'utilisation de la machine, faites tourner le moteur à plein régime dans la mesure du possible pour favoriser la régénération du FAP.
L'icône
s'affiche sur l'InfoCenter quand la
régénération assistée est en cours.
Dans la mesure du possible, ne coupez pas le moteur ou ne réduisez pas le régime moteur pendant le processus de régénération assistée.
Important: Attendez la fin du processus de régénération avant de couper le moteur.
Note: La régénération assistée est terminée
quand l'icône
disparaît de l'InfoCenter.

L'icône de régénération assistée/commandée s'affiche sur l'InfoCenter (Figure 28).
Le calculateur prend le contrôle du papillon d'admission et modifie le fonctionnement de l'injection de carburant afin d'augmenter la température d'échappement.
Important: L'icône de régénération assistée/commandée indique que la température des gaz d'échappement produits par la machine est peut-être plus élevée que lors du fonctionnement normal.
Pendant l'utilisation de la machine, faites tourner le moteur à plein régime dans la mesure du possible pour favoriser la régénération du FAP.
L'icône
s'affiche sur l'InfoCenter quand la
régénération commandée est en cours.
Dans la mesure du possible, ne coupez pas le moteur ou ne réduisez pas le régime moteur pendant le processus de régénération commandée.
Important: Attendez la fin du processus de régénération commandée avant de couper le moteur.
Note: La régénération commandée est terminée
quand l'icône
disparaît de l'InfoCenter.

L'icône préconisant une régénération en stationnement s'affiche sur l'InfoCenter (Figure 29).
Si une régénération en stationnement est nécessaire, l'InfoCenter affiche l'avertissement moteur SPN 3719, FMI 16 (Figure 30) et le calculateur moteur réduit la puissance du moteur à 85 %.

Important: Si vous n'effectuez pas de régénération en stationnement dans les 2 heures, le calculateur moteur réduit la puissance du moteur à 50 %.
Une régénération en stationnement prend 30 à 60 minutes.
Si vous êtes agréé par votre société, vous avez besoin du code PIN pour effectuer le processus de régénération en stationnement.
Vérifiez que le réservoir de carburant de la machine est rempli au moins au quart.
Amenez la machine à l'extérieur, dans une zone à l'écart de tout matériau combustible.
Garez la machine sur un sol plat et horizontal.
Vérifiez que les leviers de commande de déplacement sont en position POINT MORT.
Le cas échéant, abaissez les tabliers de coupe et arrêtez-les.
Serrez le frein de stationnement.
Réglez la commande d'accélérateur en position de RALENTI.
Note: Pour savoir comment déverrouiller les menus protégés, voir Accès aux menus protégés.
Accédez au menu protégé et déverrouillez le sous-menu réglages protégés (Figure 31); voir Accès aux menus protégés.

Naviguez jusqu'au MENU PRINCIPAL, appuyez sur le bouton central pour défiler jusqu'au menu ENTRETIEN et appuyez sur le bouton de droite pour sélectionner l'option ENTRETIEN (Figure 32).
Note: L'indicateur PIN doit s'afficher dans le coin supérieur droit de l''InfoCenter.

Dans le MENU ENTRETIEN, appuyez sur le bouton central jusqu'à ce que l'option RéGéNéRATION DU FAP s'affiche, et appuyez sur le bouton droit pour sélectionner l'option RéGéNéRATION DU FAP (Figure 33).

Quand le message « Initiate DPF Regen. Are you sure? » (lancer régénération FAP. Êtes-vous sûr(e)?) s'affiche, appuyer sur le bouton central (Figure 34).

Si la température du liquide de refroidissement
est inférieure à 60 °C (140 °F) le message « Insure
is running and above 60C/140F »
(vérifier que *** fonctionne et est supérieure à
60 °C/140 °F) s'affiche (Figure 35).
Observez la température à l'écran et faites fonctionner la machine à plein régime jusqu'à ce que la température atteigne 60 °C (140 °F), puis appuyez sur le bouton central.
Note: Si la température du liquide de refroidissement est supérieure à 60 °C (140 °F), cet écran ne s'affiche pas.

Placez la commande d'accélérateur en position de RALENTI et appuyez sur le bouton central (Figure 36).

Les messages suivants s'affichent au début du processus de régénération en stationnement :
Le message « Initiating DPF Regen. » (lancement régén. FAP) s'affiche (Figure 37).

Le message « Waiting on
» (en attente
de ***) s'affiche (Figure 38).

Le calculateur détermine si la régénération est en cours. Un des messages suivants s'affiche dans l'InfoCenter :
Si la régénération est autorisée, le message « Regen Initiated. Allow up to 30 minutes for completion » (régénération lancée. Durée max. 30 minutes) s'affiche sur l'InfoCenter. Attendez que la machine achève le processus de régénération en stationnement (Figure 39).

Si le processus de régénération n'est pas autorisé par le calculateur moteur, le message « DPF Regen Not Allowed » (régénération du FAP non autorisée) s'affiche sur l'InfoCenter (Figure 40). Appuyez sur le bouton gauche pour revenir à l'écran d'accueil.
Important: Si toutes les conditions n'étaient pas satisfaites pour la régénération, ou si moins de 50 heures se sont écoulées depuis la dernière régénération, le message « DPF Regen Not Allowed » (régénération du FAP non autorisée) s'affiche.

Pendant l'exécution de la régénération, l'écran d'accueil réapparaît sur l'InfoCenter et affiche les icônes suivants :
![]() | Le moteur est froid – patientez. | |
![]() | Le moteur est chaud – patientez. | |
![]() | Le moteur est très chaud – régénération en cours (pourcentage achevé). |
La régénération en stationnement est terminée lorsque le message « Regen Complete » (régénération terminée) s'affiche sur l'InfoCenter. Appuyez sur le bouton gauche pour revenir à l'écran d'accueil (Figure 41).

Si vous ne tenez pas compte de la demande de régénération en stationnement (affichée sur l'InfoCenter) et que vous continuez d'utiliser la machine, une quantité critique de suie s'accumule dans le FAP.
Si une régénération d'urgence est nécessaire, l'InfoCenter affiche l'avertissement moteur SPN 3719, FMI 16 (Figure 42) et le calculateur moteur réduit la puissance du moteur à 85 %.

Important: Si vous n'effectuez pas de régénération d'urgence dans les 15 minutes, le calculateur moteur réduit la puissance du moteur à 50 %.
Le fait de procéder à une régénération d'urgence en cas de perte de puissance du moteur et à une régénération en stationnement ne permet pas de nettoyer efficacement toute la suie du FAP.
Une régénération d'urgence peut prendre jusqu'à 4 heures.
Il est nécessaire qu'un technicien agréé réalise le processus de régénération d'urgence; adressez-vous à votre distributeur Toro agréé.
Vous pouvez régler la hauteur de coupe entre 2,5 et 15,8 cm (1 et 6 po) par paliers de 6 mm (¼ po) suivant le trou dans lequel vous placez la goupille de butée.
Lorsque le moteur tourne, repoussez la commande de levage du tablier de coupe vers le haut jusqu'à ce que le tablier soit complètement levé puis relâchez immédiatement la commande (Figure 19).
Pour régler la hauteur de coupe, tournez la goupille de butée jusqu'à ce que la goupille cylindrique située à l'intérieur soit alignée sur les trous du support de hauteur de coupe et déposez-la (Figure 43).
Placez la goupille dans le trou du support correspondant à la hauteur de coupe voulue et tournez-la pour la verrouiller en place (Figure 43).
Note: Il y a 4 rangées de trous (Figure 43). La première rangée donne la hauteur de coupe indiquée au-dessus de la goupille. La deuxième rangée donne la hauteur indiquée plus 6 mm (¼ po). La troisième rangée donne la hauteur indiquée plus 12 mm (½ po). La dernière rangée donne la hauteur indiquée plus 18 mm (¾ po). Un seul trou, situé dans la deuxième rangée, correspond à la hauteur de 15,8 cm (6 po). Il n'ajoute pas 6 mm (¼ po) à la hauteur de 15,8 cm (6 po).

Réglez les galets anti-scalp et les patins selon les besoins.
Montez les patins à la position la plus basse pour les hauteurs de coupe supérieures à 64 mm (2½ po) et à la position la plus haute pour les hauteurs de coupe inférieures à 64 mm (2½ po).
Note: Sur les tondeuses Guardian®, lorsque les patins sont usés, vous pouvez les retourner et les monter sur le côté opposé de la tondeuse. Cela permet de les utiliser plus longtemps avant d'être obligé de les remplacer.
Désengagez la PDF, amenez les leviers de commande de déplacement à la position de VERROUILLAGE AU POINT MORT et serrez le frein de stationnement.
Placez la commande d'accélérateur en position de BAS RéGIME, coupez le moteur, enlevez la clé et attendez l'arrêt complet de toutes les pièces mobiles avant de quitter le siège.
Desserrez la vis à l'avant de chaque patin (2 patins sur les tabliers Guardian et 1 patin sur les tabliers à décharge latérale), comme montré à la Figure 44.

Retirez les boulons à embase et les écrous de chaque patin.
Placez chaque patin à la position voulue et fixez-les avec les boulons à embase et les écrous.
Note: Utilisez uniquement les trous supérieurs ou centraux pour régler les patins. Les trous inférieurs sont utilisés quand vous changez de côté sur un tablier de coupe Guardian; ils deviennent alors les trous supérieurs de l'autre côté du tablier.
Serrez la vis à l'avant de chaque patin à un couple de 9 à 11 N·m (80 à 100 po-lb).
Ajustez la hauteur des galets anti-scalp arrière chaque fois que vous modifiez la hauteur de coupe.
Désengagez la PDF, amenez les leviers de commande de déplacement à la position de VERROUILLAGE AU POINT MORT et serrez le frein de stationnement.
Placez la commande d'accélérateur en position de BAS RéGIME, coupez le moteur, enlevez la clé et attendez l'arrêt complet de toutes les pièces mobiles avant de quitter le siège.
Après avoir réglé la hauteur de coupe, réglez les galets en retirant l'écrou à embase, la bague, l'entretoise et le boulon (Figure 45).

Choisissez le trou qui convient pour que le galet anti-scalp se trouve le plus près possible de la hauteur de coupe correspondante voulue (Figure 46).

Posez l'écrou à embase, la bague, l'entretoise et le boulon (Figure 45).
Note: Serrez à un couple de 54 à 61 N·m (40 à 45 pi-lb).
Montez les rouleaux à la position la plus basse pour les hauteurs de coupe supérieures à 64 mm (2½ po) et à la position la plus haute pour les hauteurs de coupe inférieures à 64 mm (2½ po).
Désengagez la PDF, amenez les leviers de commande de déplacement à la position de VERROUILLAGE AU POINT MORT et serrez le frein de stationnement.
Placez la commande d'accélérateur en position de BAS RéGIME, coupez le moteur, enlevez la clé et attendez l'arrêt complet de toutes les pièces mobiles avant de quitter le siège.
Soulevez l'avant de la machine sur des chandelles.
Retirez les fixations de chaque galet sur le tablier de coupe et montez ou abaissez les galets selon le cas; reportez-vous aux Figure 47 à Figure 51 selon ce qui convient à votre tondeuse.





Montez les fixations comme montré de la Figure 47 à la Figure 51.
Si les contacteurs de sécurité sont déconnectés ou endommagés, la machine peut se mettre en marche inopinément et causer des blessures.
Ne modifiez pas abusivement les contacteurs de sécurité.
Vérifiez chaque jour le fonctionnement des contacteurs de sécurité et remplacez ceux qui sont endommagés avant d'utiliser la machine.
Le système de sécurité est conçu pour empêcher le démarrage du moteur, sauf si :
Vous êtes assis sur le siège ou le frein de stationnement est serré.
La prise de force (PDF) est désengagée.
Les leviers de commande de déplacement sont en position de VERROUILLAGE AU POINT MORT.
La température du moteur est inférieure à la température de fonctionnement maximale.
Le système de sécurité est également conçu pour arrêter le moteur quand les commandes de déplacement quittent la position de VERROUILLAGE AU POINT MORT alors que le frein de stationnement est serré. Si vous vous soulevez du siège alors que la PDF est engagée, le moteur s'arrête une seconde plus tard.
| Périodicité d'entretien | Procédure d'entretien |
|---|---|
| À chaque utilisation ou une fois par jour |
|
Contrôlez le système de sécurité avant chaque utilisation de la machine. Si le système de sécurité ne fonctionne pas comme spécifié ci-dessous, faites-le immédiatement réviser par un dépositaire-réparateur agréé.
Asseyez-vous sur le siège, serrez le frein de stationnement, engagez la PDF et essayez de démarrer le moteur.
Note: Le démarreur ne devrait pas fonctionner.
Asseyez-vous sur le siège, serrez le frein de stationnement, désengagez le PDF, amenez les leviers de commande de déplacement en position de VERROUILLAGE AU POINT MORT et essayez de démarrer le moteur.
Note: Le démarreur ne devrait pas fonctionner. Répétez la manœuvre pour l'autre levier de commande.
Asseyez-vous sur le siège, serrez le frein de stationnement, désengagez le PDF, amenez les leviers de commande de déplacement en position de VERROUILLAGE AU POINT MORT et démarrez le moteur. Lorsque le moteur tourne, desserrez le frein de stationnement, engagez la PDF et soulevez-vous légèrement du siège :
Note: Le moteur devrait s'arrêter dans les 2 secondes qui suivent.
Sans vous asseoir sur le siège, serrez le frein de stationnement, placez la commande de PDF en position désengagée, amenez les leviers de commande de déplacement à la position de VERROUILLAGE AU POINT MORT et démarrez le moteur. Le moteur étant en marche, centrez l'un des leviers de commande déplacement.
Note: Le moteur devrait s'arrêter dans les 2 secondes qui suivent. Répétez la procédure pour l'autre levier de commande de déplacement.
Sans vous asseoir sur le siège, desserrez le frein de stationnement, placez la commande de PDF en position désengagée, amenez les leviers de commande de déplacement à la position de VERROUILLAGE AU POINT MORT et essayez de démarrer le moteur.
Note: Le démarreur ne devrait pas fonctionner.
La machine est équipée d'un système de contrôle à module de commande standard (SCM) qui surveille le fonctionnement de divers systèmes fondamentaux. Le SCM est situé sous le panneau de commande droit. On y accède par le couvercle du panneau de commande latéral (Figure 52). Pour ouvrir le couvercle latéral, ouvrez les 2 verrous et tirez le couvercle.

Onze diodes s'allument sur la face avant du SCM pour indiquer l'état des divers systèmes. Vous pouvez utiliser 7 de ces diodes pour le diagnostic des systèmes. La Figure 53 explique ce que signifie chaque diode. Pour une explication détaillée des autres fonctions du SCM, reportez-vous au Manuel d'entretien, disponible chez les dépositaires Toro agréés.

Vous pouvez avancer ou reculer le siège Amenez le siège à la position la plus confortable pour vous, et offrant le meilleur contrôle pour la conduite.
Poussez le levier de réglage sur le côté pour débloquer et régler le siège (Figure 54).

Faites coulisser le siège à la position voulue, puis relâchez le levier pour le bloquer en position.
Vérifiez que le siège est verrouillé en place en essayant de le déplacer en avant et en arrière.
Vous pouvez régler le siège pour assurer un confort optimal. Réglez le siège à la position la plus confortable pour vous.
Sans vous asseoir sur le siège, tournez le bouton avant dans un sens ou dans l'autre pour obtenir la position la plus confortable (Figure 54).

Vous pouvez régler le dossier du siège pour offrir un confort optimal. Placez le dossier à la position qui vous convient le mieux.
Pour ce faire, tournez le bouton situé sous l'accoudoir droit dans un sens ou dans l'autre pour obtenir la position la plus confortable (Figure 54).
Vous pouvez régler le dossier du siège de sorte à adapter le support lombaire en fonction de vos préférences.
Pour le régler, tournez le bouton situé sous l'accoudoir gauche dans un sens ou dans l'autre pour obtenir la position la plus confortable (Figure 54).
Pour accéder au système hydraulique et aux autres systèmes situés sous le siège, déverrouillez le siège et le basculer en avant.
Utilisez le levier de réglage de position du siège pour avancer le siège au maximum.
Tirez le verrou du siège vers l'avant et soulevez-le pour déverrouiller le siège (Figure 56).

Important: Ne remorquez jamais la machine au risque d'endommager le système hydraulique.
Désengagez la prise de force (PDF) et tournez la clé de contact en position arrêt. Amenez les leviers en position de VERROUILLAGE AU POINT MORT et serrez le frein de stationnement. Enlevez la clé de contact.
Soulevez le siège.
Tournez chaque vanne de dérivation d'un tour dans le sens antihoraire (Figure 57).
Note: Cela permet au liquide hydraulique de contourner la pompe et aux roues de tourner.
Important: Ne tournez pas les vannes de dérivation de plus d'un tour. Cela évite qu'elles ne se détachent du corps et provoquent des fuites de liquide.

Desserrez le frein de stationnement avant de pousser la machine.
Tournez chaque vanne de dérivation d'un tour dans le sens horaire et serrez-les à la main (couple de serrage de 8 N·m [71 po-lb] approx.).
Note: Ne serrez pas excessivement les vannes de dérivation.
La machine ne peut fonctionner que si les vannes de dérivation sont tournées vers l'intérieur.
Soyez extrêmement prudent quand vous chargez la machine sur une remorque ou un camion. Utilisez une rampe d'une seule pièce qui dépasse de chaque côté des roues arrière, plutôt que des rampes individuelles pour chaque côté de la machine (Figure 58). La partie inférieure arrière du cadre de la machine se prolonge entre les roues arrière et tient lieu de butée pour le basculement arrière. La rampe d'une seule pièce constitue une surface d'appui pour les éléments du cadre au cas où la machine bascule en arrière. Si vous ne disposez pas d'une rampe d'une seule pièce, utilisez plusieurs rampes individuelles pour constituer une rampe continue.
La rampe doit être suffisamment longue pour que les angles n'excèdent pas 15 degrés (Figure 58). Si l'angle est supérieur, les composants de la tondeuse peuvent être coincés lors du transfert de la rampe à la remorque ou au camion. La machine risque en outre de basculer en arrière. Si vous vous trouvez sur ou près d'une pente, placez la remorque ou le camion en aval et la rampe en amont. Cela minimise l'angle de la rampe. La remorque ou le camion doit être aussi de niveau que possible.
Important: N'essayez pas de faire tourner la machine quand elle se trouve sur la rampe, car vous pourriez en perdre le contrôle et tomber de la rampe.
Évitez d'accélérer brutalement lorsque vous montez la rampe ou de ralentir brutalement quand vous la descendez. Dans un cas comme dans l'autre, la machine risque de basculer en arrière.
Le chargement de la machine sur une remorque ou un camion augmente le risque de basculement en arrière, et donc de blessures graves ou mortelles.
Faites preuve de la plus grande prudence lorsque vous manœuvrez la machine sur une rampe.
Utilisez uniquement une rampe d'une seule pièce; n'utilisez pas de rampes individuelles pour chaque côté de la machine.
Si vous ne disposez pas d'une rampe d'une seule pièce, utilisez un nombre suffisant de rampes individuelles pour recréer une surface continue plus large que la machine.
L'angle entre la rampe et le sol, ou entre la rampe et la remorque ou le camion, ne doit pas dépasser 15 degrés.
N'accélérez pas brutalement en montant la rampe pour éviter que la machine ne bascule en arrière.
Ne ralentissez pas brutalement en descendant la rampe en marche arrière pour éviter que la machine ne bascule en arrière.

Il est dangereux de conduire sur la voie publique sans clignotants, éclairages, réflecteurs ou panneau « véhicule lent ». Vous risquez de provoquer un accident et de vous blesser.
Ne conduisez pas la machine sur la voie publique si elle n'est pas équipée des panneaux, des éclairages et/ou de la signalisation exigés par la réglementation locale.
Transportez la machine sur une remorque de poids-lourd ou un camion. Le camion ou la remorque doit être équipé(e) des éclairages et de la signalisation exigés par la loi. Lisez attentivement toutes les instructions de sécurité. Tenez-en compte pour éviter de vous blesser ou de blesser des personnes à proximité.
Pour transporter la machine :
Vérifiez que le véhicule, l'attelage, les chaînes de sécurité et la remorque sont adéquats pour la charge que vous tractez et sont conformes à la réglementation locale en vigueur dans votre région.
Serrez le frein et calez les roues.
Arrimez solidement la machine sur la remorque ou le véhicule de transport avec des sangles, des chaînes, des câbles ou des cordes, selon les exigences de la réglementation locale en vigueur dans votre région (Figure 59).

Pour maintenir une puissance suffisante pour la machine et le tablier de coupe pendant la tonte, faites tourner le moteur à HAUT RéGIME et adaptez votre vitesse de déplacement en fonction de l'état de l'herbe. En règle générale, il est préconisé de réduire la vitesse de déplacement lorsque la charge sur les lames augmente, et d'augmenter la vitesse lorsque la charge diminue.
Alternez le sens des passages pour éviter de créer des ornières dans la pelouse avec le temps. L'alternance permet aussi de mieux disperser l'herbe coupée, ce qui améliore la décomposition et la fertilisation.
Ralentissez pour améliorer la qualité de la coupe dans certaines conditions.
Si la largeur de coupe de la tondeuse utilisée est plus large que la précédente, augmentez la hauteur de coupe pour ne pas raser les inégalités de la pelouse.
Ne coupez pas plus de 25 mm (1 po) environ ou un tiers de la hauteur de l'herbe. Si l'herbe est extrêmement drue et fournie, il peut être préférable réduire la vitesse de déplacement en marche avant et/ou de monter la hauteur de coupe d'un cran.
Important: Pour couper plus du 1/3 de la hauteur de l'herbe ou si l'herbe est haute et clairsemée ou très sèche, il est conseillé d'utiliser des lames plates afin de réduire la production de débris et de chaume, ainsi que l'effort sur les composants du système d'entraînement du tablier de coupe.
Si l'herbe est légèrement plus haute que d'habitude ou si elle est humide, utilisez une hauteur de coupe un peu plus haute que la normale. Tondez ensuite à nouveau l'herbe à la hauteur de coupe inférieure habituelle.
Nettoyez le dessous de la tondeuse après chaque utilisation. Ne laissez pas l'herbe et la terre s'accumuler à l'intérieur, car la qualité de la tonte finira par en souffrir.
Pour réduire les risques d'incendie, débarrassez le moteur, le silencieux, le bac à batterie, le frein de stationnement, les tabliers de coupe et le lieu de stockage du carburant de tout excès de graisse, d'herbe et de feuilles. Nettoyez les coulées éventuelles d'huile ou de carburant.
Utilisez une lame bien aiguisée durant toute la saison de coupe, pour obtenir une coupe nette sans arracher ni déchiqueter les brins d'herbe. L'herbe arrachée ou déchiquetée brunit sur les bords, sa croissance ralentit et elle devient plus sensible aux maladies. Vérifiez chaque jour l'état, l'usure et l'affûtage des lames. Aiguisez les lames au besoin. Remplacez immédiatement les lames endommagées ou usées par des lames Toro d'origine. Voir Entretien des lames.
Note: Les côtés gauche et droit de la machine sont déterminés d'après la position d'utilisation normale.
| Périodicité d'entretien | Procédure d'entretien |
|---|---|
| Après les 10 premières heures de fonctionnement |
|
| Après les 50 premières heures de fonctionnement |
|
| Après les 200 premières heures de fonctionnement |
|
| À chaque utilisation ou une fois par jour |
|
| Toutes les 50 heures |
|
| Toutes les 100 heures |
|
| Toutes les 150 heures |
|
| Toutes les 200 heures |
|
| Toutes les 250 heures |
|
| Toutes les 400 heures |
|
| Toutes les 800 heures |
|
| Toutes les 1500 heures |
|
| Toutes les 6000 heures |
|
| Tous les 2 ans |
|
Important: Reportez-vous au manuel du propriétaire du moteur pour toutes procédures d'entretien supplémentaires. Un Manuel d'entretien détaillé est également disponible chez votre distributeur Toro agréé.
Copiez cette page pour pouvoir vous en servir régulièrement.
| Entretiens à effectuer | Pour la semaine du : | ||||||
|---|---|---|---|---|---|---|---|
| Lun. | Mar. | Mer. | Jeu. | Ven. | Sam. | Dim. | |
| Contrôle du fonctionnement du système de sécurité | |||||||
| Contrôle du déflecteur d'herbe en position abaissée (le cas échéant) | |||||||
| Contrôle du fonctionnement du frein de stationnement | |||||||
| Contrôle du niveau de carburant | |||||||
| Contrôle du niveau d'huile hydraulique | |||||||
| Contrôle du niveau d'huile moteur | |||||||
| Contrôle du niveau de liquide de refroidissement | |||||||
| Contrôle du séparateur d'eau/de carburant | |||||||
| Contrôle de l'indicateur de colmatage du filtre à air3 | |||||||
| Contrôle de la propreté du radiateur et de la grille | |||||||
| Contrôle de tous les bruits anormaux en provenance du moteur1 | |||||||
| Contrôle des bruits de fonctionnement anormaux | |||||||
| Contrôle de l'état des flexibles hydrauliques | |||||||
| Recherche de fuites de liquides | |||||||
| Contrôle de la pression des pneus | |||||||
| Contrôle du fonctionnement des instruments | |||||||
| Contrôle de l'état des lames | |||||||
| Lubrification de tous les graisseurs2 | |||||||
| Retouche des peintures endommagées | |||||||
|
1. Contrôlez la bougie de préchauffage et les injecteurs en cas de démarrage difficile, de fumée excessive ou de fonctionnement irrégulier du moteur. 2. Immédiatement après chaque lavage, quelle que soit la fréquence d'entretien indiquée. 3. Si l'indicateur est rouge |
|||||||
| Notes concernant les problèmes constatés | ||
| Contrôle effectué par : | ||
| Contrôle | Date | Information |
Si vous laissez la clé dans le commutateur d'allumage, quelqu'un pourrait mettre le moteur en marche accidentellement et vous blesser gravement, ainsi que toute personne à proximité.
Avant tout entretien, retirez la clé de contact.

Important: Les fixations des capots de la machine sont conçues pour rester sur le capot après son retrait. Desserrez toutes les fixations de chaque capot de quelques tours de sorte que le capot soit desserré mais reste en place. Desserrez-les ensuite jusqu'à ce que le capot se détache. Vous éviterez ainsi d'arracher les filets des boulons en les retirant des dispositifs de retenue.
| Périodicité d'entretien | Procédure d'entretien |
|---|---|
| Toutes les 50 heures |
|
Les graisseurs de la machine doivent être lubrifiés régulièrement avec de la graisse universelle au lithium nº 2. Si les conditions de travail sont normales, lubrifiez tous les roulements et toutes les bagues toutes les 50 heures de fonctionnement. Graissez chaque jour les roulements et les bagues si l'atmosphère de travail est très sale et poussiéreuse. La poussière et les saletés peuvent faire pénétrer des impuretés à l'intérieur des roulements et bagues et en accélérer l'usure. Lubrifiez les graisseurs immédiatement après chaque lavage, quelle que soit la fréquence d'entretien indiquée.
Essuyez les graisseurs pour éviter que des impuretés ne pénètrent dans le roulement ou la bague.
Injectez de la graisse dans les graisseurs.
Essuyez tout excès de graisse.
Les Figure 61 and Figure 62 illustrent l'emplacement des graisseurs.
Important: Les graisseurs des essieux des roues pivotantes ne sont pas représentés. Ils doivent être lubrifiés également.


Note: La durée de vie des roulements peut être réduite par de mauvaises procédures de lavage. Ne lavez pas la machine quand elle est encore chaude et évitez d'utiliser un jet d'eau puissant et une grande quantité d'eau directement sur les roulements ou les joints.
Le boîtier d'engrenages est conçu pour fonctionner avec de l'huile pour engrenages SAE 80-90. Bien que le boîtier d'engrenages contiennent du lubrifiant à la livraison, contrôlez le niveau de lubrifiant dans le tablier de coupe avant l'utilisation, comme recommandé sous Liste de contrôle pour l'entretien journalier.
| Périodicité d'entretien | Procédure d'entretien |
|---|---|
| Toutes les 150 heures |
|
Placez la machine et le tablier de coupe sur une surface plane et horizontale.
Abaissez le tablier de coupe à la hauteur de coupe de 2,5 cm (1 po).
Désengagez la PDF, amenez les leviers de commande de déplacement à la position de VERROUILLAGE AU POINT MORT et serrez le frein de stationnement.
Placez la commande d'accélérateur en position de BAS RéGIME, coupez le moteur, enlevez la clé et attendez l'arrêt complet de toutes les pièces mobiles avant de quitter le siège.
Soulevez le repose-pieds pour exposer le haut du tablier de coupe.
Retirez le bouchon de remplissage-jauge au sommet du boîtier d'engrenages (Figure 63) et vérifiez que le niveau de lubrifiant se situe entre les repères sur la jauge.

Si le niveau de lubrifiant est bas, ajoutez suffisamment de lubrifiant pour faire monter le niveau entre les repères de la jauge.
Note: Ne remplissez pas excessivement le boîtier d'engrenages au risque de l'endommager.
| Périodicité d'entretien | Procédure d'entretien |
|---|---|
| Après les 50 premières heures de fonctionnement |
|
| Toutes les 400 heures |
|
Placez la machine et le tablier de coupe sur une surface plane et horizontale.
Abaissez le tablier de coupe à la hauteur de coupe de 2,5 cm (1 po).
Désengagez la PDF, amenez les leviers de commande de déplacement à la position de VERROUILLAGE AU POINT MORT et serrez le frein de stationnement.
Placez la commande d'accélérateur en position de BAS RéGIME, coupez le moteur, enlevez la clé et attendez l'arrêt complet de toutes les pièces mobiles avant de quitter le siège.
Soulevez le repose-pieds pour exposer le haut du tablier de coupe.
Retirez le bouchon de remplissage-jauge au sommet du boîtier d'engrenages (Figure 63).
Placez un entonnoir et un bac de vidange sous le bouchon de vidange situé sous l'avant du boîtier d'engrenages, puis enlevez le bouchon et vidangez le lubrifiant dans le bac.
Remettez le bouchon de vidange en place.
Ajoutez suffisamment de lubrifiant, environ 283 ml (12 oz), pour faire monter le niveau entre les repères de la jauge.
Note: Ne remplissez pas excessivement le boîtier d'engrenages au risque de l'endommager.
Vérifiez si le boîtier du filtre à air présente des dommages susceptibles d'occasionner des fuites d'air. Remplacez le boîtier du filtre s'il est endommagé.
Vérifiez que le système d'admission d'air propre ne présente pas de fuites, de dommages ou de colliers de flexible desserrés.
Faites l'entretien du filtre à air quand l'indicateur de colmatage (Figure 64) est rouge ou toutes les 400 heures (plus fréquemment si vous travaillez dans une atmosphère extrêmement poussiéreuse ou sale).
Important: N'effectuez pas l'entretien du filtre à air trop souvent.

Le couvercle doit être parfaitement ajusté sur le boîtier du filtre à air.
| Périodicité d'entretien | Procédure d'entretien |
|---|---|
| Toutes les 400 heures |
|
Tirez le verrou vers l'extérieur et tournez le couvercle du filtre à air dans le sens antihoraire (Figure 64).
Déposez le couvercle du boîtier du filtre à air (Figure 64).
Avant de déposer le filtre, soufflez de l'air comprimé à basse pression (2,76 bar [40 psi]) propre et sec pour éliminer toute accumulation importante de débris entre l'extérieur du préfiltre et la cartouche.
Note: Cette procédure de nettoyage évite que des débris n'aboutissent dans l'admission lors du retrait du préfiltre.
Important: N'utilisez pas d'air sous haute pression car il pourrait forcer les impuretés à travers le filtre et dans le canal d'admission.
Déposez et remplacez le préfiltre (Figure 64).
Important: Ne nettoyez pas l'élément usagé afin de ne pas endommager le matériau du filtre.
Vérifiez que le filtre de rechange n'a pas été endommagé pendant le transport. Vérifiez l'extrémité d'étanchéité du filtre et du boîtier.
Important: N'utilisez pas l'élément s'il est endommagé.
Vérifiez que le joint en mousse est en place dans le couvercle et qu'il n'est pas déchiré ou endommagé (Figure 64).
Note: Remplacez-le s'il est endommagé.
Insérez le nouveau filtre en appuyant sur le bord extérieur de l'élément pour l'engager dans la cartouche.
Important: N'appuyez pas sur la partie centrale flexible du filtre.
Nettoyez l'orifice d'éjection d'impuretés situé dans le couvercle amovible, comme suit :
Retirez la valve de sortie en caoutchouc du couvercle (Figure 64).
Nettoyez la cavité.
Reposez la valve de sortie.
Montez le couvercle en dirigeant la valve de sortie en caoutchouc vers le bas, entre les positions 5:00 et 7:00 heures environ, vu de l'extrémité.
Réarmez l'indicateur de colmatage (Figure 64) s'il est rouge.
Utilisez une huile moteur de qualité à basse teneur en cendres conforme ou supérieure aux spécifications suivantes :
Classe de service API CJ-4 ou supérieure
Classe de service ACEA E6
Classe de service JASO DH-2
Important: L'utilisation d'une huile moteur autre qu'une huile API CJ-4 ou supérieure, ACEA E6, ou JASO DH-2 peut entraîner le colmatage du filtre à particules diesel ou endommager le moteur.
Utilisez le grade de viscosité d'huile moteur suivant :
Huile préférée : SAE 15W-40 (au-dessus de -18 ºC [0 ºF°F]
Autre huile possible : SAE 10W-30 ou 5W-30 (toutes températures)
L'huile moteur Toro Premium est en vente chez votre distributeur Toro agréé avec l'indice de viscosité 15W-40 ou 10W-30. Consultez le catalogue de pièces pour les numéros de référence.
| Périodicité d'entretien | Procédure d'entretien |
|---|---|
| À chaque utilisation ou une fois par jour |
|
Le moteur est expédié avec de l'huile dans le carter. Vérifiez toutefois le niveau d'huile avant et après le premier démarrage du moteur.
Important: Contrôlez l'huile moteur chaque jour. Si le niveau d'huile moteur dépasse le repère maximum sur la jauge, il se peut que l'huile soit diluée avec du carburant.Si le niveau d'huile moteur dépasse le repère maximum, vidangez l'huile.
Le meilleur moment pour vérifier le niveau d'huile moteur est en début de journée, quand le moteur est froid avant le premier démarrage. Si le moteur vient de tourner, attendez au moins 10 minutes pour donner le temps à l'huile moteur de retourner dans le carter avant de contrôler le niveau. Si le niveau d'huile se trouve à la même hauteur ou en dessous du repère minimum sur la jauge, faites l'appoint pour l'amener au repère maximum. Ne remplissez pas le carter moteur excessivement.
Important: Maintenez le niveau d'huile moteur entre les repères maximum et minimum sur la jauge; une panne de moteur peut se produire si le carter contient trop ou pas assez d'huile.
Garez la machine sur un sol plat et horizontal. Déverrouillez les attaches du capot.
Ouvrez le capot.
Sortez la jauge, essuyez-la sur un chiffon propre, remettez-la dans le goulot de remplissage, puis ressortez-la. Le niveau d'huile doit se situer entre les repères minimum et maximum (Figure 65).

Si le niveau d'huile est trop bas, enlevez le bouchon de remplissage (Figure 65) et faites l'appoint d'huile jusqu'à ce que le niveau se situe entre les repères minimum et maximum. Ne remplissez pas excessivement.
Remettez le bouchon de remplissage et la jauge en place.
Refermez et verrouillez le capot.
5,2 litres (5,5 ptes) avec le filtre.
| Périodicité d'entretien | Procédure d'entretien |
|---|---|
| Toutes les 250 heures |
|
Remplacez l'huile et le filtre toutes les 250 heures.
Retirez le bouchon de vidange (Figure 66) et laissez couler l'huile moteur dans un bac de vidange. Remettez le bouchon en place lorsque la vidange d'huile est terminée.

Déposez le filtre à huile (Figure 66). Appliquez une fine couche d'huile propre sur le joint du filtre de rechange avant de le visser en place. Ne serrez pas excessivement.
Rajoutez de l'huile dans le carter moteur; voir Vidange de l'huile moteur.
| Périodicité d'entretien | Procédure d'entretien |
|---|---|
| Toutes les 6000 heures |
|
Si le code d' s'affiche sur l'InfoCenter, le FAP approche du point recommandé d'entretien du catalyseur d'oxydation diesel et du filtre à suie.

Si le code d', ou s'affiche sur l'InfoCenter (Figure 68), nettoyez le filtre à suie en procédant comme suit :



Reportez-vous à la rubrique Moteur du Manuel d'entretien pour toute information sur le démontage et le remontage du catalyseur d'oxydation diesel et du filtre à suie du FAP.
Consultez votre dépositaire Toro agréé pour vous procurer des pièces de rechange ou faire l'entretien du catalyseur d'oxydation diesel et du filtre à suie.
Demandez à votre dépositaire Toro agréé de réinitialiser l'ECU du moteur après avoir monté un FAP propre.
Note: Voir Spécifications relatives au carburant pour les recommandations relatives au carburant.
Dans certaines conditions, le carburant diesel et ses vapeurs sont extrêmement inflammables et explosifs. Un incendie ou une explosion causé(e) par du carburant peut vous brûler, ainsi que d'autres personnes, et causer des dommages matériels.
Remplissez le réservoir à l'aide d'un entonnoir, à l'extérieur et dans un endroit dégagé, moteur arrêté et froid. Essuyez tout carburant répandu.
Ne remplissez pas complètement le réservoir de carburant. Remplissez le réservoir de carburant jusqu'à ce que le liquide atteigne la base du goulot de remplissage.
Ne fumez jamais en manipulant du carburant et tenez-vous à l'écart des flammes nues ou sources d'étincelles qui pourraient enflammer les vapeurs de carburant.
Stockez le carburant dans un bidon de sécurité propre et homologué qui doit être maintenu bouché.
| Périodicité d'entretien | Procédure d'entretien |
|---|---|
| Toutes les 400 heures |
|
Vidangez chaque jour l'eau ou autres impuretés qui se trouvent dans le séparateur d'eau (Figure 69).
Placez un bac de vidange propre sous le filtre à carburant.
Dévissez le bouchon de vidange au bas de la cartouche du filtre et ouvrez l'évent au sommet du support de la cartouche.

Nettoyez la surface autour des supports de la cartouche du filtre.
Déposez la cartouche et nettoyez la surface de montage.
Lubrifiez le joint de la cartouche avec de l'huile propre.
Installez la cartouche à la main jusqu'à ce que le joint rejoigne la surface de montage, puis serrez la cartouche d'un demi tour supplémentaire.
Vissez le bouchon de vidange au bas de la cartouche du filtre et fermez l'évent au sommet du support de la cartouche.
| Périodicité d'entretien | Procédure d'entretien |
|---|---|
| Toutes les 400 heures |
|
Nettoyez la surface autour de la tête du filtre à carburant (Figure 70).

Déposez le filtre et nettoyez la surface de montage de la tête du filtre (Figure 70).
Lubrifiez le joint du filtre avec de l'huile moteur propre. Reportez-vous au Manuel du propriétaire du moteur fourni avec la machine pour tout renseignement complémentaire.
Montez la cartouche sèche à la main jusqu'à ce que le joint rejoigne la tête du filtre, puis serrez-la d'un demi-tour supplémentaire.
Mettez le moteur en marche et vérifiez qu'il n'y a pas de fuite d'huile autour de la tête du filtre.
| Périodicité d'entretien | Procédure d'entretien |
|---|---|
| Tous les 2 ans |
|
Vidangez et nettoyez le réservoir de carburant tous les 2 ans. Enlevez et nettoyez également les crépines en ligne après avoir nettoyé le réservoir. Rincez le réservoir avec du carburant diesel neuf.
Important: Vidangez et nettoyez le réservoir si le circuit d'alimentation est contaminé ou si vous prévoyez de remiser la machine pendant une période prolongée.
| Périodicité d'entretien | Procédure d'entretien |
|---|---|
| Toutes les 400 heures |
|
Contrôlez les conduites et les raccords de carburant. Recherchez les détériorations, les dégâts, les traces d'usure par frottement ou les raccords desserrés.
Important: Si vous devez travailler avec le circuit électrique, débranchez toujours les câbles de la batterie, en commençant par le câble négatif (-), pour éviter d'endommager le câblage en causant des courts-circuits.
| Périodicité d'entretien | Procédure d'entretien |
|---|---|
| Toutes les 50 heures |
|
Les bornes, les cosses de la batterie et les accessoires connexes contiennent du plomb et des composés de plomb. L'état de Californie considère ces substances chimiques comme étant à l'origine de cancers et de troubles de la reproduction. Lavez-vous les mains après avoir manipulé la batterie.
Le dessus de la batterie doit rester propre. La batterie se décharge plus rapidement quand la machine est remisée dans un endroit où la température ambiante est très élevée.
Nettoyez régulièrement le dessus de la batterie avec une brosse trempée dans une solution d'ammoniac ou de bicarbonate de soude. Rincez la surface avec de l'eau après le nettoyage. Les bouchons de remplissage doivent rester en place pendant le nettoyage de la batterie.
Les câbles de la batterie doivent être bien serrés sur les bornes pour assurer un bon contact électrique.
Si les bornes sont corrodées, débranchez les câbles, en commençant par le câble négatif (-), et grattez les colliers et les bornes séparément. Rebranchez les câbles, en commençant par le positif (+), et enduisez les bornes de vaseline.
Les bornes de la batterie ou les outils en métal peuvent causer des courts-circuits au contact des pièces métalliques de la machine et produire des étincelles. Les étincelles risquent de provoquer l'explosion des gaz de la batterie et de vous blesser.
Lors du retrait ou de la mise en place de la batterie, évitez que les bornes touchent les parties métalliques de la machine.
Évitez de créer des courts-circuits entre les bornes de la batterie et les parties métalliques de la machine avec des outils en métal.
S'ils sont mal acheminés, les câbles de la batterie peuvent subir des dommages ou endommager la machine et produire des étincelles. Les étincelles risquent de provoquer l'explosion des gaz de la batterie et de vous blesser.
Débranchez toujours le câble négatif (noir) de la batterie avant le câble positif (rouge).
Connectez toujours le câble positif (rouge) de la batterie avant le câble négatif (noir).
Si vous remisez la machine pendant plus d’un mois, enlevez la batterie et chargez-la au maximum. Rangez-la sur une étagère ou remettez-la sur la machine. Ne rebranchez pas les câbles si vous remettez la batterie sur la machine. Rangez la batterie dans un endroit frais pour éviter qu'elle ne se décharge trop rapidement. Pour protéger la batterie du gel, maintenez-la chargée au maximum. La densité de l'électrolyte d'une batterie bien chargée est comprise entre 1,265 et 1,299.
Les fusibles sont situés sous le panneau de commande. On y accède par le couvercle latéral du panneau de commande (Figure 71). Pour ouvrir le couvercle latéral, ouvrez les 2 attaches et tirez le couvercle.
Si la machine s'arrête ou présente d'autres problèmes électriques, vérifiez les fusibles. Retirez un fusible après l'autre pour vérifier s'il est grillé.
Important: Si un fusible doit être remplacé, utilisez toujours un fusible de même type et de même intensité que celui d'origine, sinon le système électrique risque d'être endommagé. Voir le schéma et l'intensité de chaque fusible sur l'autocollant apposé près des fusibles (Figure 72).
Note: Si un fusible grille fréquemment, il existe probablement un court-circuit dans le système électrique. Demandez alors à un technicien qualifié de réparer le problème.


| Périodicité d'entretien | Procédure d'entretien |
|---|---|
| Toutes les 50 heures |
|
Maintenez les pneus avant et arrière gonflés à la pression spécifiée. La pression de gonflage correcte des pneus arrière est de 1,24 bar (18 psi) et celle des roues pivotantes est 1,72 bar (25 psi). Les pneus mal gonflés peuvent compromettre la qualité et l'uniformité de la coupe. Contrôlez la pression lorsque les pneus sont froids pour obtenir un résultat plus précis.

Procurez-vous une roue pivotante, des roulements à rouleaux coniques et des joints de roulements neufs chez un dépositaire Toro agréé.
Enlevez le contre-écrou du boulon qui fixe la roue pivotante à la fourche (Figure 74).

Maintenez la roue pivotante et sortez le boulon de la fourche ou du bras pivotant.
Mettez la roue pivotante et les roulements usagés au rebut.
Montez la roue pivotante en poussant les roulements à rouleaux coniques et les joints, garnis de graisse, dans le moyeu, en les positionnant comme indiqué à la Figure 74.
Glissez l'entretoise dans le moyeu de roue par les roulements et bloquez-la à l'intérieur avec deux douilles d'écartement.
Important: Les lèvres du joint ne doivent pas être repliées à l'intérieur.
Montez la roue pivotante entre la fourche et fixez-la en place à l'aide du boulon et du contre-écrou.
Serrez l'écrou jusqu'à ce que la roue ne tourne plus librement, puis desserrez-le juste assez pour permettre à la roue de tourner.
Raccordez une pompe à graisse au graisseur de la roue pivotante et injectez de la graisse universelle au lithium nº 2.
Les projections de liquide de refroidissement brûlant sous pression ou le contact avec le radiateur brûlant et les pièces qui l'entourent peuvent causer des brûlures graves.
N'enlevez pas le bouchon du radiateur si le moteur est chaud. Laissez toujours refroidir le moteur pendant au moins 15 minutes ou attendez que le bouchon du radiateur ne brûle plus quand vous le touchez.
Ne touchez pas le radiateur et les pièces qui l'entourent car ils sont brûlants.
Le ventilateur et la courroie d'entraînement en rotation peuvent causer des blessures.
N'utilisez jamais la machine sans les capots de protection.
N'approchez pas les doigts, les mains ou les vêtements du ventilateur et la courroie d'entraînement en rotation.
Coupez le moteur et enlevez la clé de contact avant d'effectuer des entretiens.
L'ingestion de liquide de refroidissement est toxique.
N'avalez pas de liquide de refroidissement.
Rangez-le hors de portée des enfants et des animaux domestiques.
| Périodicité d'entretien | Procédure d'entretien |
|---|---|
| À chaque utilisation ou une fois par jour |
|
Le circuit de refroidissement contient un mélange 50/50 d'eau et d'antigel à l'éthylène glycol permanent. Vérifiez le niveau du liquide de refroidissement dans le vase d'expansion au début de chaque journée de travail, avant même de mettre le moteur en marche. La capacité du circuit de refroidissement est de 7,5 litres (6 pintes).
Vérifiez le niveau du liquide de refroidissement dans le vase d'expansion (Figure 75).
Note: Il doit se situer entre les repères qui figurent sur le côté du réservoir.

Si le niveau du liquide de refroidissement est trop bas, enlevez le bouchon du vase d'expansion et faites l'appoint.
Important: Ne remplissez pas excessivement
Revissez le bouchon du vase d'expansion.
| Périodicité d'entretien | Procédure d'entretien |
|---|---|
| À chaque utilisation ou une fois par jour |
|
| Toutes les 200 heures |
|
| Toutes les 1500 heures |
|
| Tous les 2 ans |
|
Nettoyez régulièrement le radiateur pour éviter de faire surchauffer le moteur. Il peut être nécessaire de vérifier et nettoyer le radiateur plus fréquemment si vous travaillez dans une atmosphère extrêmement poussiéreuse ou sale.
Note: Si le moteur ou le tablier de coupe s'arrête pour cause de surchauffe, vérifiez d'abord si des débris ne sont pas accumulés sur le radiateur.
Nettoyez le radiateur comme suit :
Ouvrez le capot.
Nettoyez le radiateur à l'air comprimé basse pression (3,45 bar ou 50 psi) appliqué du côté ventilateur. Répétez la procédure par l'avant du radiateur puis recommencez du côté ventilateur.
Important: Ne nettoyez pas le radiateur avec de l'eau.
Lorsque le radiateur est parfaitement propre, enlevez les débris éventuellement accumulés dans la gouttière au bas du radiateur.
Fermez le capot.
Arrêtez la machine, placez la commande de levage du tablier en position de verrouillage au point mort, serrez le frein de stationnement et enlevez la clé de contact.
Retirez les boulons de fixation du panneau avant et déposez le panneau (Figure 76).

Desserrez les deux écrous de blocage qui fixent le contacteur de sécurité du frein de stationnement au support.

Montez ou descendez le contacteur sur le support jusqu'à ce que le capteur d'arbre de frein et le plongeur du contacteur soient distants de 3,9 mm (5/32 po), comme montré à la (Figure 77).
Note: Le capteur d'arbre de frein ne doit pas toucher le plongeur du contacteur.
Resserrez les écrous de blocage du contacteur.
Vérifiez le réglage comme suit :
Le frein de stationnement doit être serré et le siège du conducteur être vide. Mettez le moteur en marche.
Amenez les leviers de commande de déplacement en position de VERROUILLAGE AU POINT MORT.
Note: Le moteur doit s'arrêter. S'il ne s'arrête pas, vérifiez à nouveau le réglage du contacteur.
Montez le panneau de avant.
| Périodicité d'entretien | Procédure d'entretien |
|---|---|
| Toutes les 100 heures |
|
Lorsque la tension est correcte, la courroie présente une flèche de 10 mm (⅜ po) quand une force de 44 N (10 lb) est exercée à mi-chemin entre les poulies.
Si vous n'obtenez pas une flèche de 10 mm (⅜ po), procédez comme suit :
Desserrez les boulons de fixation de l'alternateur (Figure 78).

Augmentez ou diminuez la tension de la courroie et resserrez les boulons.
Contrôlez de nouveau la flèche de la courroie pour vérifier si la tension est correcte.
| Périodicité d'entretien | Procédure d'entretien |
|---|---|
| Toutes les 50 heures |
|
Les courroies d'entraînement des lames, qui sont tendues par les poulies de tension à ressort, sont très durables. Elles commencent toutefois à s'user après de longues heures d'utilisation. La courroie peut montrer les signes d'usure suivants : grincement pendant la rotation, glissement des lames pendant la coupe, bords effilochés, traces de brûlures et fissures. Remplacez les courroies quand elles présentent ce genre de problèmes.
Abaissez le tablier de coupe à la hauteur de coupe de 2,54 cm (1 po), placez la commande d'accélérateur à la position BAS RéGIME, coupez le moteur, serrez le frein de stationnement et enlevez la clé de contact.
Déposez les couvercles de courroie en haut du tablier de coupe et mettez-les de côté.
À l'aide d'une barre de levier ou d'un outil similaire, éloignez la poulie de tension de courroie supérieure de la courroie pour détendre cette dernière et pouvoir la déchausser des poulies (Figure 79).

À l'aide d'une barre de levier ou d'un outil similaire, éloignez la poulie de tension de courroie inférieure de la courroie pour détendre cette dernière et pouvoir la déchausser des poulies (Figure 79).
Acheminez une courroie neuve autour de la poulie du boîtier d'engrenages, des poulies d'axe inférieures et de l'ensemble poulies de tension, comme montré à la Figure 79.
Acheminez une courroie neuve autour des poulies d'axe supérieures et de l'ensemble poulies de tension, comme indiqué à la Figure 79.
Posez les couvercles de courroie.
Arrêtez la machine, placez la commande de levage du tablier en position de verrouillage au point mort, serrez le frein de stationnement et enlevez la clé de contact.
Retirez les boulons de fixation du panneau avant et déposez le panneau (Figure 80).

Desserrez les 2 vis de fixation du contacteur de sécurité (Figure 81).

Maintenez le levier de commande contre le cadre et rapprochez le contacteur du levier jusqu'à ce qu'ils soient espacés de 0,4 à 1 mm (0,015 à 0,045 po), comme montré à la Figure 81.
Fixez le contacteur.
Répétez les opérations 3 à 5 pour l'autre levier.
Montez le panneau de avant.
Si les leviers de commande de déplacement ne sont pas alignés sur les encoches de point mort quand ils quittent la position marche arrière, un réglage s'impose. Réglez chaque levier, ressort et tige séparément.
Désengagez la PDF, amenez le levier de commande à la position de VERROUILLAGE AU POINT MORT et serrez le frein de stationnement.
Placez la commande d'accélérateur en position de BAS RéGIME, coupez le moteur, enlevez la clé et attendez l'arrêt complet de toutes les pièces mobiles avant de quitter le siège.
Retirez les boulons de fixation du panneau avant et déposez le panneau (Figure 82).

Placez le levier de commande au POINT MORT, sans le verrouiller (Figure 84).
Tirez-le ensuite en arrière jusqu'à ce que l'axe de chape (situé sur un bras au-dessus de l'axe de pivot) touche l'extrémité de l'encoche (c.-à-d. commence juste à appuyer sur le ressort), comme montré à la Figure 83.

Vérifiez la position du levier par rapport au cran de la console (Figure 84).
Note: Le levier de commande doit être centré de façon à pouvoir pivoter vers l'extérieur jusqu'à la position de VERROUILLAGE AU POINT MORT.

Si un réglage s'impose, desserrez l'écrou et l'écrou de blocage vissés contre la chape (Figure 83).
Appliquez une légère pression à l'arrière du levier, et tournez la tête du boulon de réglage dans le sens voulu pour centrer le levier à la position de VERROUILLAGE AU POINT MORT (Figure 83).
Note: Continuez d'appuyer sur le levier pour maintenir l'axe de chape au bout de la fente et permettre au boulon de réglage de déplacer le levier à la position requise.
Serrez l'écrou et l'écrou de blocage (Figure 83).
Répétez les opérations 4 à 9 pour l'autre levier de commande.
Montez le panneau de avant.
Ce réglage doit s'effectuer pendant que les roues motrices tournent.
Les crics mécaniques ou hydrauliques peuvent céder sous le poids de la machine et causer des blessures graves.
Utilisez des chandelles pour soutenir la machine.
N'utilisez pas de crics hydrauliques.
Le moteur doit tourner pour effectuer ce réglage. Les pièces mobiles et les surfaces brûlantes peuvent causer des blessures.
Gardez les mains, les pieds, le visage et toute autre partie du corps ainsi que les vêtements à l'écart des pièces rotatives, du silencieux et autres surfaces brûlantes.
Élevez le cadre sur des chandelles stables de sorte que les roues motrices puissent tourner librement.
Faites coulisser le siège en avant, déverrouillez-le et basculez-le en avant.
Débranchez le connecteur du contacteur de sécurité du siège.
Reliez temporairement un fil volant aux bornes du connecteur du faisceau de câbles.
Mettez le moteur en marche, vérifiez que la commande d'accélérateur est à mi-course entre les positions HAUT RéGIME et BAS RéGIME, et desserrez le frein de stationnement.
Note: Les leviers de commande de déplacement doivent être VERROUILLéS AU POINT MORT pendant les réglages.
Réglez la longueur de la tige de pompe d'un côté en tournant l'arbre hexagonal dans le sens voulu, jusqu'à ce que la roue correspondante soit immobilisée ou tourne légèrement en marche arrière (Figure 85).

Déplacez le levier de commande de déplacement en avant et en arrière, puis ramenez-le au point mort.
Note: La roue doit s'arrêter de tourner ou tourner légèrement en arrière.
Placez la commande d'accélérateur en position HAUT RéGIME.
Note: Vérifiez que la roue reste immobile ou tourne légèrement en arrière; effectuez un réglage au besoin.
Répétez les opérations 6 à 8 pour l'autre côté de la machine.
Serrez les écrous de blocage contre les rotules (Figure 83).
Placez la commande d'accélérateur à la position BAS RéGIME et coupez le moteur.
Débranchez le fil volant du connecteur du faisceau de câbles et branchez le connecteur au contacteur du siège.
Le système électrique n'assurera pas l'arrêt de sécurité de la machine si le fil volant est installé.
Débranchez le fil volant du connecteur du faisceau de câbles et branchez le connecteur au contacteur du siège après le réglage.
N'utilisez jamais la machine quand le fil volant est en place et quand le contacteur de siège est neutralisé.
Abaissez le siège en position.
Retirez les chandelles.
Désengagez la PDF, amenez les leviers de commande de déplacement à la position de VERROUILLAGE AU POINT MORT et serrez le frein de stationnement.
Placez la commande d'accélérateur en position de BAS RéGIME, coupez le moteur, enlevez la clé et attendez l'arrêt complet de toutes les pièces mobiles avant de quitter le siège.
Retirez les boulons de fixation du panneau avant et déposez le panneau (Figure 86).

Desserrez l'écrou de blocage sur le boulon d'arrêt de l'un des leviers de commande (Figure 87).

Vissez le boulon d'arrêt à fond (à l'opposé du levier de commande).
Poussez le levier de commande en avant jusqu'à la butée et maintenez-le dans cette position.
Dévissez le boulon d'arrêt (vers le levier de commande) jusqu'à ce que la tête du boulon d'arrêt et le levier de commande soit espacés de 1,5 mm (0,060 po).
Serrez l'écrou de blocage pour fixer le boulon d'arrêt en place.
Répétez les opérations 4 à 8 pour l'autre levier de commande.
Montez le panneau de avant.
Note: Si vous souhaitez réduire la vitesse de déplacement maximale de la machine, réglez la vitesse pour les deux leviers de commande comme indiqué ci-dessus. Reculez ensuite chaque boulon d'arrêt uniformément vers le levier de commande, jusqu'à obtention de la vitesse maximale recherchée (vous devrez probablement vérifier le réglage à plusieurs reprises). Vérifiez que la machine avance en ligne droite et ne tourne pas quand les deux leviers de commande sont poussés complètement en avant. Si la machine tourne, cela signifie que les boulons d'arrêt ne sont pas réglés de la même façon et il faut donc les réajuster.
Désengagez la PDF, amenez les leviers de commande de déplacement à la position de VERROUILLAGE AU POINT MORT et serrez le frein de stationnement.
Placez la commande d'accélérateur en position de BAS RéGIME, coupez le moteur, enlevez la clé et attendez l'arrêt complet de toutes les pièces mobiles avant de quitter le siège.
Desserrez les boulons de fixation des leviers de commande (Figure 88).

Demandez à une autre personne de pousser les montants des leviers de commande (pas les leviers de commande) complètement en avant jusqu'à la position de vitesse maximale, et de les maintenir dans cette position.
Réglez les leviers de commande de sorte à les aligner et serrez les boulons de fixation des leviers aux montants (Figure 89).

Le réservoir est rempli en usine d'environ 4,7 litres (5 pintes) de liquide hydraulique/de transmission de bonne qualité. Le liquide de remplacement recommandé est le suivant :
| Liquide « Premium Transmission/Hydraulic Tractor Fluid » (liquide hydraulique/de transmission de haute qualité pour tracteur) (en bidons de 19 litres (5 gallons) ou barils de 208 litres (55 gallons). Voir le catalogue de pièces ou un distributeur Toro pour les numéros de référence.) |
Autres liquides : s'il est impossible de se procurer l'huile Toro, il est possible d'utiliser de l'huile hydraulique Mobil® 424.
Note: Toro décline toute responsabilité en cas de dégât causé par l'utilisation d'huiles de remplacement inappropriées.
Note: De nombreux liquides hydrauliques sont presque incolores, ce qui rend difficile la détection des fuites. Un additif colorant rouge pour huile hydraulique est disponible en bouteilles de 20 ml (2/3 oz). Une bouteille suffit pour 15 à 22 litres (4 à 6 gallons) d'huile hydraulique. Vous pouvez commander ces bouteilles chez les dépositaires Toro agréés (réf. 44-2500).
| Périodicité d'entretien | Procédure d'entretien |
|---|---|
| À chaque utilisation ou une fois par jour |
|
Contrôlez néanmoins le niveau de liquide hydraulique avant de mettre le moteur en marche pour la première fois, puis tous les jours.
Placez la machine sur une surface plane et horizontale.
Amenez les commandes en position de VERROUILLAGE AU POINT MORT et mettez le moteur en marche.
Note: Faites tourner le moteur au ralenti pour purger l'air du système. .
Important: N'engagez pas la PDF.
Levez le tablier de coupe pour déployer les vérins de levage, coupez le moteur et enlevez la clé de contact.
Soulevez le siège pour accéder au réservoir hydraulique.
Enlevez le bouchon du goulot de remplissage du réservoir hydraulique (Figure 90).

Retirez la jauge et essuyez-la sur un chiffon propre (Figure 90).
Remettez la jauge dans le goulot de remplissage, puis ressortez-la et contrôlez le niveau de liquide (Figure 90).
Note: Si le niveau n'atteint pas la zone crantée de la jauge, ajoutez une quantité suffisante de liquide hydraulique de haute qualité pour faire monter le niveau jusqu'à la zone crantée. Ne remplissez pas excessivement.
Remettez la jauge en place et vissez le bouchon à la main dans le goulot de remplissage.
Vérifiez que les flexibles et les raccords ne présentent pas de fuite.
| Périodicité d'entretien | Procédure d'entretien |
|---|---|
| Après les 200 premières heures de fonctionnement |
|
| Toutes les 800 heures |
|
Désengagez la PDF, amenez les leviers de commande de déplacement à la position de VERROUILLAGE AU POINT MORT et serrez le frein de stationnement.
Placez la commande d'accélérateur en position de BAS RéGIME, coupez le moteur, enlevez la clé et attendez l'arrêt complet de toutes les pièces mobiles avant de quitter le siège.
Placez un grand bac de vidange sous le réservoir hydraulique et le carter de transmission, et enlevez les bouchons pour vidanger tout le liquide hydraulique (Figure 91).

Nettoyez la surface autour du filtre à huile hydraulique et enlevez le filtre (Figure 91).
Montez immédiatement un filtre à huile hydraulique neuf.
Remettez en place les bouchons de vidange du réservoir hydraulique et du carter de transmission.
Remplissez le réservoir jusqu'au niveau correct; voir Contrôle du système hydraulique.
Mettez le moteur en marche et recherchez les fuites d'huile éventuelles.
Laissez tourner le moteur pendant environ 5 minutes, puis arrêtez-le.
Après 2 minutes, contrôlez le niveau de liquide hydraulique; voir Contrôle du système hydraulique.
Si vous soulevez la machine uniquement avec un cric pour la soutenir pendant que vous travaillez sous le tablier de coupe, le cric pourrait tomber et entraîner la machine dans sa chute, et vous écraser ou écraser des personnes à proximité.
Soutenez toujours la machine avec au moins 2 chandelles quand le tablier de coupe est levé.
Deux biellettes situées en haut du tablier de coupe le relient au cadre. Un ressort de torsion sous tension (Figure 92) est relié à ces biellettes. Si vous désaccouplez les biellettes, l'énergie emmagasinée dans le ressort de torsion est libérée et peut alors déplacer les biellettes et vous blesser aux mains ou aux doigts.
Déposez le tablier de coupe du cadre avec précaution et fixez les biellettes avant de les désaccoupler du cadre.

Utilisez des lames bien aiguisées durant toute la saison de tonte, pour obtenir une coupe nette sans arracher ni déchiqueter les brins d'herbe. L'herbe arrachée ou déchiquetée brunit sur les bords, sa croissance ralentit et elle devient plus sensible aux maladies.
Vérifiez chaque jour l'état, l'usure et l'affûtage des lames. Aiguisez les lames au besoin. Remplacez immédiatement les lames endommagées ou usées par des lames Toro d'origine.
Une lame usée ou endommagée peut se briser et projeter le morceau cassé dans votre direction ou celle d'autres personnes, et infliger des blessures graves ou mortelles.
Contrôlez l'usure et l'état des lames régulièrement.
Remplacez les lames usées ou endommagées.
Examinez les lames toutes les 8 heures de fonctionnement.
Désengagez la PDF, amenez les leviers de commande de déplacement à la position de VERROUILLAGE AU POINT MORT et serrez le frein de stationnement.
Placez la commande d'accélérateur en position de BAS RéGIME, coupez le moteur, enlevez la clé et attendez l'arrêt complet de toutes les pièces mobiles avant de quitter le siège.
| Périodicité d'entretien | Procédure d'entretien |
|---|---|
| À chaque utilisation ou une fois par jour |
|
Examinez le tranchant des lames (Figure 93).
Note: Si les lames sont émoussées ou présentent des indentations, déposez-les et affûtez-les. Voir Dépose des lames et Affûtage des lames.
Inspectez les lames, et plus particulièrement l'ailette (Figure 93).
Note: Remplacez immédiatement toute lame endommagée, usée ou qui présente une entaille (Figure 93).

Si la lame est trop usée, une entaille se forme entre l'ailette et la partie plane. La lame pourrait se briser et un morceau être projeté du dessous de la machine, vous blessant gravement ou une personne à proximité.
Contrôlez l'usure et l'état des lames régulièrement.
N'essayez jamais de redresser une lame faussée ou de souder une lame brisée ou fendue.
Remplacez les lames usées ou endommagées.
Désengagez la PDF, amenez les leviers de commande de déplacement à la position de VERROUILLAGE AU POINT MORT et serrez le frein de stationnement.
Placez la commande d'accélérateur en position de BAS RéGIME, coupez le moteur, enlevez la clé et attendez l'arrêt complet de toutes les pièces mobiles avant de quitter le siège.
Tournez les lames dans le sens longitudinal (Figure 94).
Note: Mesurez la distance entre la surface plane et le tranchant (position A) des lames (Figure 94). Notez cette valeur.

Tournez les lames pour faire passer les pointes qui sont à l'arrière à l'avant.
Mesurez la distance entre la surface plane et le tranchant des lames, au même endroit qu'à l'opération 3 ci-dessus.
Note: Les mesures obtenues aux opérations 3 et 4 ne doivent pas différer de plus de 3 mm (⅛ po). Si la différence est supérieure à 3 mm (⅛ po), la lame est faussée et doit être remplacée; voir Dépose des lames et Pose des lames.
Une lame faussée ou endommagée peut se briser et projeter le morceau cassé dans votre direction ou celle de personnes à proximité, et causer des blessures graves ou mortelles.
Remplacez toujours une lame faussée ou endommagée par une neuve.
Ne créez jamais d'indentations dans les bords ou à la surface des lames, par exemple en les limant.
Remplacez les lames si elles ont heurté un obstacle, et si elles sont déséquilibrées ou faussées. Pour garantir un rendement optimal et la sécurité continue de la machine, utilisez toujours des lames Toro d'origine. Les lames d'autres constructeurs peuvent entraîner la non-conformité aux normes de sécurité.
Le contact avec une lame tranchante peut causer des blessures graves.
Portez des gants ou enveloppez la lame d'un chiffon.
Tenez la lame par son extrémité avec un chiffon ou un gant épais.
Enlevez le boulon, la plaque anti-scalp et la lame de l'axe de pivot (Figure 97).
Lors de l'affûtage, des morceaux de lame peuvent être projetés et causer des blessures graves.
Portez une protection oculaire adéquate pour affûter les lames.
Aiguisez le tranchant à chaque extrémité de la lame (Figure 95).
Note: Veillez à conserver l'angle de coupe d'origine. Limez la même quantité de métal sur chacun des deux tranchants pour ne pas déséquilibrer la lame.

Vérifiez l'équilibre de la lame en la plaçant sur un équilibreur (Figure 96).
Note: Si la lame reste horizontale, elle est équilibrée et peut être utilisée. Si la lame est déséquilibrée, limez un peu l'extrémité de l'ailette seulement (Figure 97). Répétez cette procédure jusqu'à ce que la lame soit équilibrée.

Placez la lame sur l'axe (Figure 97).
Important: Pour une coupe correcte, l'ailette de la lame doit être tournée vers le haut et dirigée vers l'intérieur du tablier de coupe.
Montez la plaque anti-scalp et le boulon de lame (Figure 97).

Serrez le boulon de lame à un couple de 115 à 150 N·m (85 à 110 pi-lb).
Si la coupe est irrégulière sur la bande de coupe, corrigez comme suit :
Placez la machine sur une surface plane et horizontale.
Réglez le tablier de coupe à la hauteur de coupe voulue, placez la commande d'accélérateur à la position BAS RéGIME, coupez le moteur, serrez le frein de stationnement et enlevez la clé de contact.
Vérifiez la pression des pneus avant et arrière, et corrigez-la au besoin; voir Contrôle de la pression des pneus.
Recherchez les lames faussées.
Déposez les couvercles en haut des tabliers de coupe.
Tournez la lame sur chaque axe pour la diriger dans le sens longitudinal.
Mesurez et notez la distance entre le sol et la pointe avant du tranchant.
Ajustez les écrous de blocage qui fixent les chapes/chaînes au tablier de coupe jusqu'à ce que le tablier de coupe soit de niveau.

L'inclinaison des lames est représentée par la différence qui existe entre la hauteur de coupe à l'avant et à l'arrière du plan de lame. Inclinez la lame d'environ 8 mm (5/16 po). L'arrière de la lame doit être plus haut que l'avant de 8 mm (5/16 po).
Placez la machine sur une surface plane et horizontale.
Réglez le tablier de coupe à la hauteur de coupe voulue, placez la commande d'accélérateur à la position BAS RéGIME, coupez le moteur, serrez le frein de stationnement et enlevez la clé de contact.
Tournez la lame centrale pour qu'elle pointe vers l'avant.
A l'aide d'une courte règle, mesurez l'écartement entre le sol et la pointe à l'avant de la lame.
Tournez ensuite la lame à 180° pour que la pointe se trouve à l'arrière et mesurez l'écartement entre le sol et la pointe de la lame à l'arrière du tablier de coupe.
L'inclinaison est égale à la différence entre les valeurs mesurées à l'avant et à l'arrière.
Ajustez les écrous de blocage qui fixent les chapes/chaînes au tablier de coupe pour élever l'arrière du tablier de coupe de sorte à obtenir une inclinaison de la lame de 8 mm (5/16 po) (Figure 99).

Si l'ouverture d'éjection n'est pas fermée, la tondeuse peut projeter des objets dans votre direction ou celles d'autres personnes et causer des blessures graves. Un contact avec les lames est également possible.
N'utilisez jamais la machine sans monter un kit de déchiquetage ou un déflecteur d'herbe.
Vérifiez que le déflecteur d'herbe est abaissé.
Abaissez le tablier de coupe au sol, placez la commande d'accélérateur à la position BAS RéGIME, coupez le moteur, serrez le frein de stationnement et enlevez la clé de contact.
Retirez le contre-écrou, le boulon, le ressort et l'entretoise qui fixent le déflecteur aux supports de pivot (Figure 100).
Note: Enlevez le déflecteur s'il est endommagé ou usé.

Placez une entretoise et un ressort entre les supports du déflecteur d'herbe de rechange (Figure 100).
Note: Accrochez l'extrémité en J gauche du ressort derrière le bord du tablier.
Note: Prenez soin de placer l'extrémité en J du ressort derrière le bord du tablier avant de mettre le boulon en place, comme montré à la Figure 100.
Remettez le boulon et l'écrou.
Note: Accrochez l'extrémité en J droite du ressort au déflecteur d'herbe (Figure 100).
Important: Le déflecteur d'herbe doit pouvoir s'abaisser en position. Soulevez le déflecteur pour vérifier qu'il s'abaisse complètement.
| Périodicité d'entretien | Procédure d'entretien |
|---|---|
| À chaque utilisation ou une fois par jour |
|
Enlevez chaque jour l'herbe agglomérée sous le tablier de coupe.
Désengagez la PDF, amenez les leviers de commande de déplacement à la position de VERROUILLAGE AU POINT MORT et serrez le frein de stationnement.
Placez la commande d'accélérateur en position de BAS RéGIME, coupez le moteur, enlevez la clé et attendez l'arrêt complet de toutes les pièces mobiles avant de quitter le siège.
Levez le tablier de coupe en position de TRANSPORT.
Soulevez l'avant de la machine sur des chandelles.
Lavez soigneusement le dessous de la tondeuse à l'eau.
L'huile moteur, les batteries, l'huile hydraulique et le liquide de refroidissement sont polluants. Débarrassez-vous en conformément à la réglementation nationale et locale en matière d'environnement.
Nettoyez soigneusement la machine, le tablier de coupe et le moteur, en insistant tout particulièrement sur les zones suivantes :
Radiateur et grille
Dessous du tablier de coupe
Dessous des couvercles de courroie de tablier de coupe
Ressorts d'équilibrage
Arbre de PDF
Tous les graisseurs et points de pivot
Déposez le panneau de commande et nettoyez l'intérieur du boîtier de commande
Sous le panneau du siège et en haut de la transmission
Vérifiez la pression des pneus avant et arrière, et corrigez-la au besoin; voir Contrôle de la pression des pneus.
Déposez, aiguisez et équilibrez les lames du tablier de coupe. Reposez les lames et serrez les fixations à un couple de 115 à 149 N·m (85 à 110 pi-lb).
Vérifiez le serrage de toutes les fixations et resserrez-les au besoin. Serrez tout particulièrement les 6 boulons qui fixent le cadre du tablier de coupe au groupe de déplacement (Figure 101) à 359 N·m (265 pi-lb).

Graissez ou huilez tous les graisseurs, points de pivotement et goupilles des vannes de dérivation de la transmission. Essuyez tout excès de lubrifiant.
Poncez légèrement et retouchez la peinture rayée, écaillée ou rouillée. Réparez les déformations de la carrosserie.
Procédez à l'entretien de la batterie et des câbles, comme suit :
Débranchez les câbles des bornes de la batterie.
Nettoyez les connexions des câbles et les bornes de la batterie avec une brosse métallique et un mélange de bicarbonate de soude.
Pour prévenir la corrosion, enduisez les bornes de la batterie et les connecteurs des câbles de graisse Grafo 112X (Skin-Over) (réf. Toro 50-547) ou de vaseline.
Rechargez lentement la batterie tous les deux mois pendant 24 heures pour prévenir la sulfatation.
Vidangez le carter moteur et remettez en place le bouchon de vidange.
Remplacez le filtre à huile.
Remplir le moteur d'huile moteur recommandée.
Mettez le moteur en marche et faites tourner le moteur au ralenti pendant 2 minutes.
Vidangez le carburant du réservoir de carburant, des conduites d'alimentation, de la pompe, du filtre et du séparateur. Rincez le réservoir avec du carburant diesel propre et rebranchez toutes les conduites d'alimentation.
Effectuez un nettoyage et un entretien minutieux du filtre à air.
Bouchez l'entrée et l'orifice de sortie du filtre à air avec du ruban imperméable.
Vérifiez que le bouchon de remplissage d'huile et le bouchon du réservoir de carburant sont solidement fermés.
