| Intervalo de mantenimiento y servicio | Procedimiento de mantenimiento |
|---|---|
| Cada vez que se utilice o diariamente |
|
Esta máquina es un cortacésped con conductor de cuchillas rotativas, diseñada para ser usada por operadores profesionales contratados en aplicaciones comerciales. Está diseñada principalmente para cortar césped bien mantenido en parques, campos deportivos y zonas verdes comerciales. No está diseñada para cortar maleza, segar cunetas o medianas de carreteras o utilizarla en aplicaciones agrícolas.
Lea este manual detenidamente para aprender a utilizar y mantener correctamente su producto, y para evitar lesiones y daños al producto. Usted es el responsable de operar el producto de forma correcta y segura.
Puede ponerse en contacto con Toro directamente en www.Toro.com si desea materiales de formación y seguridad o información sobre accesorios, para localizar un distribuidor o para registrar su producto.
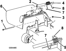
Cuando necesite asistencia técnica, piezas genuinas Toro o información adicional, póngase en contacto con un Distribuidor de Servicio Autorizado o con Asistencia al Cliente Toro, y tenga a mano los números de modelo y serie de su producto. Figura 1 identifica la ubicación de los números de modelo y serie en el producto. Escriba los números en el espacio provisto.

Este manual identifica peligros potenciales y contiene mensajes de seguridad identificados por el símbolo de alerta de seguridad (Figura 2), que señala un peligro que puede causar lesiones graves o la muerte si usted no sigue las precauciones recomendadas.

Este manual utiliza 2 palabras para resaltar información. Importante llama la atención sobre información mecánica especial, y Nota resalta información general que merece una atención especial.
CALIFORNIA
Advertencia de la Propuesta 65
Es sabido por el Estado de California que los gases de escape de los motores diesel y algunos de sus componentes causan cáncer, defectos congénitos y otros peligros para la reproducción.
Puesto que en algunas zonas existen normas locales, estatales o federales que requieren el uso de un parachispas en el motor de esta máquina, existe un parachispas opcional disponible. Si usted desea adquirir un parachispas, póngase en contacto con un Servicio Técnico Autorizado de Toro.
Los parachispas Toro genuinos están homologados por el USDA Forestry Service (Servicio forestal del Departamento de Agricultura de EE.UU.).
Important: El uso o la operación del motor en cualquier terreno forestal, de monte o cubierto de hierba con el motor obstruido o sin silenciador con parachispas mantenido en buenas condiciones de funcionamiento, equipado y mantenido para la prevención de incendios, constituye una infracción de la legislación de California (California Public Resource Code Section 4442). Otros estados o zonas federales pueden tener una legislación similar.
Estas máquinas cumplen o superan las especificaciones de la norma ANSI B71.4-2004 en vigor en el momento de su fabricación
El uso o mantenimiento indebido por parte del operador o el propietario puede causar lesiones. Para reducir el riesgo potencial de lesiones, cumpla estas instrucciones de seguridad y preste siempre atención al símbolo de alerta, que significa PRECAUCIÓN, ADVERTENCIA o PELIGRO – instrucción relativa a la seguridad personal. El incumplimiento de estas instrucciones puede dar lugar a lesiones personales e incluso la muerte.
Las siguientes instrucciones proceden de las normas CEN EN 836:1997 y ANSI B71.4-2004.
Este producto es capaz de amputar manos y pies y de lanzar objetos al aire. Siga siempre todas las instrucciones de seguridad con el fin de evitar lesiones corporales graves e incluso la muerte.
Lea detenidamente el Manual del operador y otros materiales de formación. Familiarícese con los controles, las señales de seguridad y con el uso correcto del equipo.
No permita nunca que el cortacésped sea utilizado por niños o por personas no familiarizadas con estas instrucciones. Es posible que existan normativas locales que restringen la edad del operador.
No siegue nunca si hay otras personas, especialmente niños, o animales, cerca.
Tenga en cuenta que el operador o el usuario es responsable de cualquier accidente o peligro que afecte a otras personas o a su propiedad.
No transporte pasajeros.
Todos los conductores deben solicitar y obtener instrucciones prácticas por parte de un profesional. Dichas instrucciones deben enfatizar:
la necesidad de extremar el cuidado y la concentración cuando se trabaja con máquinas con conductor
el control de una máquina con conductor que se desliza por una pendiente no se puede recuperar mediante el uso de las palancas de control. Las causas principales de la pérdida de control son:
insuficiente agarre de las ruedas, especialmente sobre hierba mojada;
se conduce demasiado rápido;
no se frena correctamente;
el tipo de máquina no es adecuado para el tipo de tarea al que se la destina;
desconocimiento del efecto que tiene el estado del terreno, especialmente las pendientes;
distribución incorrecta de la carga.
Mientras siega, lleve siempre calzado resistente y antideslizante y pantalón largo. No haga funcionar el equipo estando descalzo, o llevando sandalias.
Inspeccione cuidadosamente el área donde se va a utilizar el equipo y retire todos los objetos que puedan ser arrojados por la máquina.
Advertencia – el combustible es altamente inflamable.
Utilice recipientes especialmente diseñados para su almacenamiento.
Rellene el depósito al aire libre únicamente, y no fume mientras rellena el depósito.
Añada el combustible antes de arrancar el motor. No retire nunca el tapón del depósito de combustible ni añada combustible si el motor está en funcionamiento o si el motor está caliente.
Si se derrama combustible, no intente arrancar el motor; retire la máquina de la zona del derrame y evite crear fuentes de ignición hasta que los vapores del combustible se hayan disipado.
Vuelva a colocar firmemente todos los tapones de los depósitos y de los recipientes.
Sustituya los silenciadores defectuosos.
Antes de usar la máquina, realice siempre una inspección visual para asegurarse de que las cuchillas, los pernos de las cuchillas y el conjunto de corte no están desgastados o dañados. Sustituya cuchillas o pernos gastados o dañados en conjuntos completos para no desequilibrar la máquina.
Esté alerta, vaya más despacio y extreme las precauciones en los giros. Mire detrás y al lado antes de cambiar de dirección.
No haga funcionar el motor en recintos cerrados donde se pueden acumular vapores peligrosos de monóxido de carbono.
Corte el césped solamente con luz natural o con una buena iluminación artificial.
Antes de arrancar el motor, desengrane todos los embragues de accionamiento de la cuchilla, y coloque la palanca en punto muerto.
Recuerde que no existe una pendiente "segura". La conducción en pendientes cubiertas de hierba requiere un cuidado especial. Para evitar que la máquina vuelque:
no pare o arranque de repente en una cuesta;
en las pendientes y durante los giros cerrados, se debe mantener una marcha baja;
manténgase alerta por si existen protuberancias o agujeros en el terreno u otros peligros ocultos.
Tenga cuidado con el tráfico cuando cruce o esté en las proximidades de una carretera.
Detenga las cuchillas antes de cruzar superficies que no estén cubiertas de hierba.
Cuando utilice algún accesorio, no dirija nunca la descarga de material hacia otras personas, ni permita que nadie se acerque a la máquina mientras está en funcionamiento.
Nunca opere la máquina con protectores dañados o sin que estén colocados los dispositivos de seguridad.
No cambie los ajustes del regulador del motor ni haga funcionar el motor a una velocidad excesiva. El funcionamiento del motor a una velocidad excesiva puede aumentar el riesgo de lesiones corporales.
Antes de abandonar la posición del operador:
desengrane la toma de fuerza y baje los accesorios;
ponga punto muerto y ponga el freno de estacionamiento;
pare el motor y retire la llave.
Desengrane la transmisión de los accesorios, pare el motor y retire la llave de contacto:
antes de limpiar atascos o despejar el conducto de descarga;
antes de inspeccionar, limpiar o hacer mantenimiento en el cortacésped;
después de golpear un objeto extraño. Inspeccione el cortacésped y repare cualquier daño antes de volver a arrancar y utilizar el equipo;
si el cortacésped comienza a vibrar de manera anormal (comprobar inmediatamente).
No haga funcionar el cortacésped bajo la influencia de drogas o alcohol.
Los rayos pueden causar graves lesiones o incluso la muerte. Si se ven relámpagos o rayos o se oyen truenos en la zona, no utilice la máquina; busque un lugar donde resguardarse.
Cuando transporte la máquina o no vaya a utilizarla, desconecte la transmisión a los accesorios.
Pare el motor y desconecte la transmisión a los accesorios antes de añadir combustible.
Mantenga apretados todos los tornillos, pernos y tuercas para asegurar que la máquina esté en perfectas condiciones de funcionamiento.
No almacene nunca el equipo con combustible en el depósito dentro de un edificio donde los vapores puedan llegar a una llama desnuda o una chispa.
Espere a que se enfríe el motor antes de guardar la máquina en un recinto cerrado.
Para reducir el riesgo de incendio, mantenga el motor, el silenciador, el compartimento de la batería y el área del depósito de combustible libre de hierba, hojas y exceso de grasa.
Para su seguridad, sustituya las piezas desgastadas o dañadas.
Si es necesario drenar el depósito de combustible, debe hacerse al aire libre.
En cortacéspedes con múltiples cuchillas, tenga cuidado puesto que el girar manualmente una cuchilla puede hacer que giren otras cuchillas.
Cuando vaya a aparcar, almacenar o dejar desatendida la máquina, baje la carcasa del cortacésped.
La siguiente lista contiene información específica para productos Toro u otra información sobre seguridad que usted debe saber y que no está incluida en la norma CEN.
Los gases de escape del motor contienen monóxido de carbono, que es un veneno inodoro que puede matarle. No haga funcionar el motor dentro de un edificio o en un recinto cerrado.
Cuando el motor esté en marcha, mantenga las manos, los pies, el pelo y la ropa suelta alejados de la zona de descarga de los accesorios, los bajos del cortacésped y las piezas en movimiento.
No toque ningún equipo o pieza que pueda estar caliente debido a la operación. Deje que se enfríe antes de realizar cualquier operación de mantenimiento, ajuste o revisión.
El ácido de la batería es venenoso y puede causar quemaduras. Evite el contacto con los ojos, la piel y la ropa. Protéjase la cara, los ojos y la ropa cuando trabaje con una batería.
Esta máquina no está diseñada ni equipada para su uso en la vía pública, y es un "vehículo lento". Si usted tiene que atravesar o recorrer una vía pública, debe conocer y respetar la normativa local sobre, por ejemplo, la obligatoriedad de llevar luces, señales de vehículo lento, y reflectores.
Los gases de la batería pueden explotar. Mantenga alejados de la batería cigarrillos, chispas y llamas.
Utilice solamente piezas de repuesto genuinas Toro para asegurar que se mantengan los niveles de calidad originales.
Utilice solamente accesorios homologados por Toro. La garantía puede quedar anulada si se utilizan accesorios no autorizados.
No siegue cerca de terraplenes, zanjas, taludes empinados o agua. Si una rueda pasa por el borde de un terraplén o una zanja, puede causar un vuelco, que puede dar lugar a lesiones graves o la muerte.
No siegue en pendientes si la hierba está mojada. Las condiciones deslizantes reducen la tracción y pueden hacer que la máquina patine y que usted pierda el control.
No haga cambios bruscos de velocidad o de dirección.
Utilice un cortacésped dirigido y/o una desbrozadora manual cerca de terraplenes, zanjas, taludes empinados o agua.
Reduzca la velocidad y extreme las precauciones en cuestas o pendientes.
Retire o señale cualquier obstáculo, como por ejemplo piedras, ramas de árboles, etc., de la zona de siega. La hierba alta puede ocultar obstáculos.
Esté alerta a zanjas, hoyos, rocas, ondulaciones y pendientes que cambian el ángulo de operación, puesto que el terreno irregular podría volcar la máquina.
Evite arrancar repentinamente al segar cuesta arriba, porque el cortacésped podría volcar hacia atrás.
Sepa que podría perder tracción al bajar cuestas. La transferencia de peso a las ruedas delanteras puede hacer que patinen las ruedas motrices, causando una pérdida de frenado o de dirección.
Evite siempre arrancar o parar repentinamente en una cuesta o pendiente. Si las ruedas pierden tracción, desengrane las cuchillas y baje la cuesta lentamente.
Para mejorar la estabilidad, siga las instrucciones del fabricante en cuanto a pesos en las ruedas o contrapesos.
Extreme las precauciones al manejar accesorios. Éstos pueden cambiar la estabilidad de la máquina y causar pérdidas de control.
Mantenga la barra antivuelco en posición elevada y bloqueada y utilice el cinturón de seguridad cuando maneje la máquina.
Asegúrese de que el cinturón de seguridad puede ser desabrochado rápidamente en caso de una emergencia.
Sepa que no hay protección contra vuelcos cuando la barra antivuelco está bajada.
Compruebe la zona a segar y no baje nunca el ROPS en zonas donde existan pendientes, taludes o agua.
Baje la barra antivuelco únicamente cuando sea imprescindible. No lleve el cinturón de seguridad con la barra antivuelco bajada.
Compruebe cuidadosamente que hay espacio suficiente antes de conducir por debajo de cualquier objeto en alto (por ejemplo, ramas, portales, cables eléctricos) y no entre en contacto con ellos.
El motor de esta máquina cumple las especificaciones de la norma EPA Nivel 4 Final y etapa 3b.

![]() |
Las pegatinas e instrucciones de seguridad están a la vista del operador y están ubicadas cerca de cualquier zona de peligro potencial. Sustituya cualquier pegatina que esté dañada o que falte. |
























Eleve la barra antivuelco y bloquéela antes de utilizar el producto; consulte Uso del sistema de protección antivuelco (ROPS), que contiene instrucciones detalladas sobre el sistema de protección antivuelco.
Los neumáticos se sobreinflan para el transporte. Por lo tanto, debe soltar parte del aire para reducir la presión. La presión de aire correcta es de 1.24 bar (18 psi) en los neumáticos traseros y 1.72 bar (25 psi) en las ruedas giratorias.
Compruebe el nivel del aceite hidráulico antes de arrancar el motor; consulte Comprobación del sistema hidráulico.
Compruebe el nivel de aceite del motor antes y después de arrancar el motor; consulte Comprobación del nivel de aceite del motor.
Compruebe el sistema de refrigeración antes de arrancar el motor; consulte Comprobación del sistema de refrigeración .

Familiarícese con todos los controles antes de poner en marcha el motor y trabajar con la máquina (Figura 4 y Figura 6).
Las palancas de control de movimiento controlan el movimiento hacia adelante y hacia atrás y los giros de la máquina. Consulte Conducción de la máquina.
Cada vez que se apaga el motor, ponga el freno de estacionamiento para evitar que la máquina se desplace accidentalmente. Para poner el freno de estacionamiento, tire de la palanca del freno de estacionamiento hacia arriba y hacia atrás (Figura 5). Para quitar el freno de estacionamiento, empuje la palanca del freno de estacionamiento hacia adelante y hacia abajo.

No aparque la unidad de tracción en una pendiente.
La llave de contacto tiene tres posiciones: Desconectado, Conectado/Precalentamiento y Arranque.

La palanca del acelerador controla la velocidad del motor. Mueva la palanca del acelerador hacia adelante, hacia la posición de RáPIDO, para aumentar la velocidad del motor. Muévala hacia atrás a la posición LENTO para reducir la velocidad del motor. El acelerador controla la velocidad de las cuchillas y, conjuntamente con las palancas de control de movimiento, controla la velocidad de avance de la máquina. Tenga el acelerador siempre en la posición de RáPIDO mientras corte hierba.
El mando de la toma de fuerza (TDF) pone en marcha y detiene las cuchillas del cortacésped.
La pantalla LCD del InfoCenter muestra información sobre la máquina, como por ejemplo el estado operativo, diferentes diagnósticos y otra información sobre la máquina (Figura 7). El InfoCenter tiene una pantalla de inicio y la pantalla informativa principal. Puede cambiar entre la pantalla de inicio y la pantalla informativa principal en cualquier momento, pulsando cualquiera de los botones del InfoCenter y luego seleccionando la tecla de flecha correspondiente.

Botón izquierdo: Acceso a Menú/Botón Atrás—pulse este botón para acceder a los menús del InfoCenter. Puede usarlo para salir de cualquier menú que esté utilizando.
Botón central—utilice este botón para desplazarse hacia abajo en los menús.
Botón derecho—utilice este botón para abrir un menú si aparece la flecha a la derecha que indica la existencia de contenido adicional.
Note: El propósito de cada botón puede variar dependiendo de lo que se necesite en cada momento. El icono de cada botón indicará su función en cada momento.
| SERVICE DUE | Indica que es necesario realizar el mantenimiento programado |
| RPM | RPM del motor/Estado—indica las RPM del motor |
![]() | Contador de horas |
![]() | Icono de información |
![]() | Restauración estacionaria necesaria |
![]() | Las bujías están encendidas |
![]() | El operador debe sentarse en el asiento |
![]() | Indicador del freno de estacionamiento—indica que el freno de estacionamiento está puesto. |
![]() | Temperatura del refrigerante—indica la temperatura del refrigerante del motor en °C o °F |
![]() | Temperatura (caliente) |
![]() | Prohibido o No permitido |
![]() | Arranque del motor |
![]() | Parada o Apagado |
![]() | Motor |
![]() | Llave de contacto |
![]() | Código PIN |
![]() | Temperatura del aceite hidráulico – indica la temperatura del aceite hidráulico |
![]() | Bus CAN |
![]() | InfoCenter |
![]() | Defectuoso o no superado |
![]() | Lámpara |
![]() | Salida del controlador TEC o del cable de control del arnés |
![]() | Alto: superior al rango permitido |
![]() | Bajo: inferior al rango permitido |
/![]() | Fuera de rango |
![]() | Interruptor |
![]() | El operador debe soltar el interruptor |
![]() | El operador debe cambiar al estado indicado |
| Los símbolos a menudo se combinan para formar 'oraciones'. A continuación se muestran algunos ejemplos | |
![]() | Arranque del motor denegado |
![]() | Parada del motor |
![]() | El refrigerante del motor está demasiado caliente |
![]() | Siéntese o ponga el freno de estacionamiento |
Para entrar en el sistema de menús del InfoCenter, pulse el botón de acceso a los menús en la pantalla principal. Aparecerá el menú principal. Las tablas siguientes contienen un resumen de las opciones disponibles en cada menú.
| Menú principal | |
| Elemento del menú | Descripción |
| Fallos | El menú Fallos contiene una lista de los fallos recientes de la máquina. Consulte el manual de mantenimiento o su Distribuidor Autorizado Toro si desea más información sobre el menú Fallos y la información que contiene. |
| Mantenimiento | El menú Mantenimiento contiene información sobre la máquina, como por ejemplo horas de uso y otros datos similares. |
| Configuración | El menú Configuración le permite personalizar y modificar las variables de configuración de la pantalla del InfoCenter. |
| Acerca de | El menú Acerca de muestra el número de modelo, el número de serie y la versión del software de su máquina. |
| Mantenimiento | |
| Elemento del menú | Descripción |
| Horas | Muestra el número total de horas durante las que el motor y el ventilador de la máquina han estado encendidos, así como el número de horas de transporte y de sobrecalentamiento de la máquina. |
| Ajustes | |
| Elemento del menú | Descripción |
| Unidades | Controla las unidades utilizadas en el InfoCenter. Las opciones de menú son Inglés o Métrico |
| Idioma | Controla el idioma utilizado en el InfoCenter*. |
| Retroiluminación LCD | Controla el brillo de la pantalla LCD. |
| Contraste LCD | Controla el contraste de la pantalla LCD. |
| Menús protegidos | Permite que la persona autorizada por la compañía acceda a los menús protegidos con el código PIN. |
* Sólo está traducido el texto destinado al operador. Las pantallas de Fallos, Mantenimiento y Diagnósticos están destinados al técnico. Los títulos se verán en el idioma seleccionado, pero los elementos de menú aparecerán en inglés.
| Acerca de | |
| Elemento del menú | Descripción |
| Modelo | Muestra el número de modelo de la máquina. |
| NS | Muestra el número de serie de la máquina. |
| Revisión del controlador de la máquina | Indica la revisión de software del controlador maestro. |
| Revisión del InfoCenter | Indica la revisión de software del InfoCenter. |
| Bus CAN | Indica el estado del bus de comunicaciones de la máquina. |
Hay 1 opción de configuración operativa que puede modificarse en el menú Mantenimiento del InfoCenter: Solicitud de regeneración. Este ajuste está en el menú Protegido.
Note: El código PIN predeterminado de fábrica para su máquina es 0000 o 1234.Si cambió su código PIN y olvidó el código, póngase en contacto con su Distribuidor Autorizado Toro para obtener ayuda.
Desde el MENú PRINCIPAL, use el botón central para desplazarse hacia abajo hasta el menú CONFIGURACIóN y pulse el botón derecho (Figura 8).

En el MENú CONFIGURACIóN, use el botón central para desplazarse hacia abajo hasta el MENú PROTEGIDO y pulse el botón derecho (Figura 9A).

Para introducir el código PIN, pulse el botón central hasta que aparezca el primer dígito correcto, luego pulse el botón derecho para desplazarse al dígito siguiente (Figura 9B y Figura 9C). Repita este paso hasta haber introducido el último dígito y pulse el botón derecho una vez más.
Pulse el botón central para introducir el código PIN (Figura 9D).
Espere hasta que el indicador rojo del InfoCenter se ilumine.
Note: Si el InfoCenter acepta el código PIN y el menú protegido está desbloqueado, se muestra la palabra "PIN" en la esquina superior derecha de la pantalla.
Note: Si mueve el interruptor de encendido a la posición de DESCONECTADO y luego a la posición de CONECTADO, el menú protegido se bloqueará.
Usted puede ver y modificar la configuración del Menú protegido. Una vez que haya accedido al Menú protegido, desplácese hacia abajo a la opción Proteger configuración. Use el botón derecho para cambiar la configuración. Si cambia Proteger configuración a DESACTIVADO, podrá ver y modificar los ajustes del Menú protegido sin introducir el código PIN. Si cambia Proteger configuración a ACTIVADO, se ocultarán las opciones protegidas y se le pedirá que introduzca el código PIN para modificar el ajuste en el Menú protegido. Después de introducir el código PIN, gire el interruptor de encendido a DESCONECTADO y de nuevo a CONECTADO para activar y guardar este ajuste.
Note: Las especificaciones y diseños están sujetos a modificación sin previo aviso.
| Longitud | 254 cm (100") |
| Ancho (Ruedas traseras) | 198 cm (78") |
| Altura (con la barra anti-vuelco levantada) | 183 cm (72") |
| Altura (con la barra anti-vuelco bajada) | 122 cm (48") |
| Peso | 1012 kg (2231 libras) |
| Longitud | 254 cm (100") |
| Ancho (Ruedas traseras) | 191 cm (75") |
| Altura (con la barra anti-vuelco levantada) | 183 cm (72") |
| Altura (con la barra anti-vuelco bajada) | 122 cm (48") |
| Peso, Modelo 30618 | 1052 kg (2320 libras) |
Está disponible una selección de aperos y accesorios homologados por Toro que se pueden utilizar con la máquina a fin de potenciar y aumentar sus prestaciones. Póngase en contacto con su Distribuidor o Servicio Técnico Autorizado o visite www.Toro.com para obtener una lista de todos los aperos y accesorios aprobados.
Note: Los lados derecho e izquierdo de la máquina se determinan desde la posición normal del operador.
Lea con atención todas las instrucciones y símbolos relativos a la seguridad en la sección de seguridad. El conocer esta información puede ayudar a evitarle lesiones a usted o a otras personas.
La operación sobre hierba mojada o en pendientes escarpadas puede hacer que la máquina patine y que usted pierda el control.
Si una rueda pasa por el borde de un terraplén o una zanja, puede causar un vuelco, que puede dar lugar a lesiones graves o la muerte.
No hay protección contra vuelcos cuando la barra anti-vuelco está bajada.
Mantenga siempre la barra anti-vuelco en la posición de totalmente elevada y bloqueada, y utilice el cinturón de seguridad.
Lea y observe las instrucciones y advertencias sobre protección contra vuelcos.
Para evitar la pérdida de control y la posibilidad de un vuelco:
No opere cerca de terraplenes o agua.
No opere en pendientes o cuestas de más de 20 grados.
Reduzca la velocidad y extreme las precauciones en cuestas o pendientes.
Evite cambios bruscos de velocidad o de dirección.
Esta máquina produce niveles sonoros que pueden causar pérdidas auditivas en caso de periodos extendidos de exposición.
Lleve protección auditiva mientras utiliza esta máquina.
Se recomienda el uso de equipos de protección para los ojos, los oídos, las manos, los pies y la cabeza.

El combustible es dañino o mortal si es ingerido. La exposición a largo plazo a los vapores puede causar lesiones y enfermedades graves.
Evite la respiración prolongada de los vapores.
Mantenga la cara alejada de la boquilla y de la abertura del depósito de combustible o de acondicionador.
Mantenga alejada la gasolina de los ojos y la piel.
En ciertas condiciones, el combustible es extremadamente inflamable y altamente explosivo. Un incendio o una explosión provocados por el combustible puede causarle quemaduras a usted y a otras personas así como daños materiales.
Llene el depósito de combustible en el exterior, en una zona abierta y con el motor frío. Limpie cualquier combustible derramado.
No llene nunca el depósito de combustible dentro de un remolque cerrado.
No fume nunca mientras maneja el combustible, y aléjese de llamas desnudas o lugares donde los vapores del combustible pueden incendiarse con una chispa.
Almacene el combustible en un recipiente homologado y manténgalo fuera del alcance de los niños. No compre nunca carburante para más de 180 días de consumo normal.
No utilice la máquina a menos que esté instalado un sistema completo de escape en buenas condiciones de funcionamiento.
En determinadas condiciones durante el repostaje, puede liberarse electricidad estática, produciendo una chispa que puede prender los vapores del combustible. Un incendio o una explosión provocados por el combustible puede causarle quemaduras a usted y a otras personas así como daños materiales.
Coloque siempre los recipientes de combustible en el suelo, lejos del vehículo, antes de repostar.
No llene los recipientes de combustible dentro de un vehículo, camión o remolque, porque las esterillas o los revestimientos de plástico de la plataforma podrían aislar el recipiente y retrasar la pérdida de la carga estática.
Cuando sea posible, retire el equipo del camión o remolque y añada combustible al equipo con las ruedas sobre el suelo.
Si esto no es posible, reposte el equipo sobre el camión o remolque desde un recipiente portátil, en vez de usar un surtidor de combustible.
Si es imprescindible utilizar un surtidor de combustible, mantenga la boquilla en contacto con el borde del depósito de combustible o la abertura del recipiente en todo momento hasta que termine de repostar.
Important: Utilice solamente combustible diésel con contenido sulfúrico ultrabajo. El repostaje de combustible con contenido sulfúrico más elevado degrada el catalizador de oxidación diésel (DOC), lo cual provoca problemas operativos y reduce la vida útil de los componentes del motor.El incumplimiento de estas precauciones podría dañar el motor.
Nunca utilice queroseno o gasolina en lugar de combustible diésel.
Nunca mezcle queroseno o aceite de motor usado con combustible diésel.
Nunca almacene combustible en recipientes galvanizados en su interior.
No utilice aditivos de combustible.
Índice de cetano: 45 o superior
Contenido sulfúrico: ultrabajo (<15 ppm)
| Especificación de combustible diésel | Ubicación |
| ASTM D975 | EE. UU. |
| N.º 1-D S15 | |
| N.º 2-D S15 | |
| EN 590 | Unión Europea |
| ISO 8217 DMX | Internacional |
| JIS K2204 grado n.º 2 | Japón |
| KSM-2610 | Corea |
Utilice únicamente combustible diésel o combustible biodiésel limpio y nuevo.
Compre el combustible en cantidades que puedan ser consumidas en 180 días para asegurarse de que el combustible es nuevo.
Utilice combustible diésel tipo verano (n.º 2-D) a temperaturas superiores a -7 °C (20 °F), y combustible diésel tipo invierno (n.º 1-D o mezcla de n.º 1-D/2-D) a temperaturas inferiores a -7 °C (20 °F).
Note: El uso de combustible tipo invierno a más bajas temperaturas proporciona un punto de inflamación menor y características de flujo en frío que facilitan el arranque y reducen la obturación del filtro de combustible.El uso de combustible tipo verano a temperaturas por encima de los -7 °C (20 °F) contribuye a que la vida útil de la bomba de combustible sea mayor y a incrementar la potencia en comparación con el combustible tipo invierno.
Esta máquina también puede utilizar una mezcla de combustible biodiésel de hasta B20 (20 % biodiésel, 80 % petrodiésel).
Contenido sulfúrico: ultrabajo (<15 ppm)
Especificación de combustible biodiésel: ASTM D6751 o EN14214
Especificación de mezcla de combustible: ASTM D975, EN590 o JIS K2204
Important: El contenido sulfúrico de la parte de petrodiésel debe ser ultrabajo.
Tome las siguientes precauciones:
Las mezclas de biodiésel pueden dañar las superficies pintadas.
Utilice B5 (contenido de biodiésel del 5%) o mezclas menores cuando hace frío.
Vigile las juntas herméticas, las mangueras y obturadores en contacto con el combustible ya que pueden degradarse con el paso del tiempo.
Es previsible la obturación del filtro del combustible durante un tiempo tras pasarse a las mezclas de biodiésel.
Póngase en contacto con su Distribuidor Autorizado Toro si desea más información sobre el biodiésel.
43.5 litros (11.5 galones US)
Important: Los depósitos de combustible están conectados, pero el combustible no se transfiere rápidamente de un depósito al otro. Es importante que aparque en una superficie nivelada mientras reposte. Si aparca en una pendiente, puede llenar los depósitos demasiado sin advertirlo.
Important: No llene demasiado los depósitos de combustible.
Important: No abra los depósitos de combustible mientras está aparcado en una pendiente. El combustible podría derramarse.
Aparque la máquina en una superficie nivelada.
Important: Los depósitos de combustible están conectados, pero el combustible no se transfiere rápidamente de un depósito al otro. Es importante que aparque en una superficie nivelada mientras reposte. Si aparca en una pendiente, puede llenar los depósitos demasiado sin advertirlo.
Pare el motor y ponga el freno de estacionamiento.
Limpie la zona alrededor del tapón de cada depósito de combustible y retire el tapón.
Important: No abra los depósitos de combustible mientras está aparcado en una pendiente. El combustible podría derramarse.
Añada combustible a ambos depósitos hasta que el nivel llegue al extremo inferior del cuello de llenado (Figura 11). No llene demasiado los depósitos.

Coloque firmemente los tapones de los depósitos de combustible. Limpie cualquier derrame de combustible.
Note: Si es posible, llene los depósitos de combustible después de cada uso. Esto minimizará la acumulación de condensación dentro del depósito.
Antes de arrancar el motor y utilizar la máquina, compruebe el nivel de aceite de motor en el cárter; consulte Mantenimiento del aceite del motor.
Antes de arrancar el motor y utilizar la máquina, compruebe el sistema de refrigeración; consulte Comprobación del sistema de refrigeración .
Antes de arrancar el motor y utilizar la máquina, compruebe el sistema hidráulico; consulte Comprobación del sistema hidráulico.
Para evitar lesiones o la muerte en caso de un vuelco: mantenga la barra antivuelco en posición elevada y bloqueada y utilice el cinturón de seguridad.
Asegúrese de que la parte trasera del asiento está bloqueada con el cierre del asiento.
No hay protección contra vuelcos cuando la barra antivuelco está bajada.
Baje la barra antivuelco únicamente cuando sea imprescindible.
No use el cinturón de seguridad si la barra antivuelco está bajada.
Conduzca lentamente y con cuidado.
Eleve la barra antivuelco tan pronto como haya espacio suficiente.
Compruebe cuidadosamente que hay espacio suficiente antes de conducir por debajo de cualquier objeto en alto (por ejemplo, ramas, portales, cables eléctricos) y no entre en contacto con ellos.
Important: Baje la barra antivuelco únicamente cuando sea imprescindible.
Para bajar la barra anti-vuelco, retire los pasadores de horquilla, empuje la barra hacia adelante contra los resortes, y retire los dos pasadores (Figura 12).

Coloque la barra antivuelco en la posición de bajada (Figura 13).

Instale los dos pasadores y sujételos con las chavetas (Figura 12).
Important: Asegúrese de que la parte trasera del asiento está bloqueada con el cierre del asiento.
Para elevar la barra anti-vuelco, retire las chavetas y los dos pasadores (Figura 12).
Eleve la barra anti-vuelco a la posición vertical, instale los dos pasadores y sujételos con las chavetas (Figura 12).
Important: Utilice siempre el cinturón de seguridad cuando la barra antivuelco está en posición elevada. No utilice el cinturón de seguridad cuando la barra antivuelco está bajada.
Ponga siempre el freno de estacionamiento cuando pare la máquina o cuando la deje desatendida.
Mueva las palancas de control de movimiento hacia fuera, a la posición de BLOQUEO/PUNTO MUERTO (Figura 18).
Tire de la palanca del freno de estacionamiento hacia arriba y hacia atrás para poner dicho freno (Figura 14).
Note: La palanca del freno de estacionamiento debe permanecer firmemente en esa posición.

El freno de estacionamiento puede no sujetar la máquina si está aparcada en una pendiente, y pueden producirse lesiones personales o daños materiales.
No aparque la máquina en pendientes sin antes bloquear o calzar las ruedas.
Empuje hacia adelante y hacia abajo la palanca del freno de estacionamiento para quitar dicho freno (Figura 15).

Eleve la barra antivuelco y bloquéela, siéntese en el asiento y abroche el cinturón de seguridad.
Asegúrese de que las palancas de control de movimiento están en la posición de BLOQUEO/PUNTO MUERTO.
Ponga el freno de estacionamiento; consulte Aplicación del freno de estacionamiento.
Mueva el interruptor de la toma de fuerza (TDF) a la posición de DESENGRANADO (Figura 16).

Gire la llave de contacto a la posición de MARCHA (Figura 17).

Cuando se atenúe el indicador de la bujía, gire la llave a la posición de ARRANQUE. Cuando el motor arranque, suelte la llave.
Important: Utilice ciclos de arranque de no más de 15 segundos en cada minuto para evitar sobrecalentar el motor de arranque.
Note: Es posible que se requieran ciclos de arranque adicionales al arrancar el motor por primera vez si el sistema de combustible ha sido vaciado del todo.
Important: Al arrancar el motor por primera vez, o después de un cambio del aceite del motor, o una revisión del motor, la transmisión o el motor de la rueda, haga funcionar la máquina con la palanca del acelerador en la posición de LENTO, en marcha adelante y marcha atrás, durante uno o dos minutos. Accione también la palanca de elevación y la palanca de la TDF para verificar el funcionamiento correcto de todos los elementos. Luego pare el motor y compruebe que no hay fugas de aceite, piezas sueltas u otros desperfectos evidentes.
Pare el motor y espere a que se detengan todas las piezas en movimiento antes de comprobar que no hay fugas de aceite, piezas sueltas u otros desperfectos.
Desengrane la TDF, mueva las palancas de control de movimiento en la posición de BLOQUEO/PUNTO MUERTO, ponga el freno de estacionamiento y mueva la palanca del acelerador en la posición de LENTO.
Gire la llave de contacto a la posición de DESCONECTADO (Figura 17). Espere a que se detengan todas las piezas en movimiento antes de abandonar el puesto del operador.
Retire la llave antes de transportar o almacenar la máquina.
Important: Asegúrese de retirar la llave, puesto que la bomba de combustible o los accesorios pueden funcionar y hacer que la batería pierda su carga.
Los niños u otras personas podrían resultar lesionados si mueven o intentan conducir el tractor mientras está desatendido.
Retire siempre la llave de contacto y ponga el freno de estacionamiento cuando deje la máquina sin supervisión, aunque sea por unos pocos minutos.
El control del acelerador regula la velocidad del motor en rpm (revoluciones por minuto). Ponga el acelerador en posición RáPIDO para conseguir el mejor rendimiento. Siegue siempre con el acelerador en la posición de RáPIDO.
La máquina puede girar muy rápidamente. El operador puede perder el control de la máquina y causar lesiones personales o daños a la máquina.
Extreme las precauciones al girar.
Reduzca la velocidad de la máquina antes de hacer giros cerrados.
Quite el freno de estacionamiento; consulte Liberación del freno de estacionamiento.
Note: El motor se para si usted mueve las palancas de control de tracción con el freno de estacionamiento puesto.
Mueva las palancas a la posición central, desbloqueadas.
Conduzca la máquina de la manera siguiente:
Para conducir hacia adelante en línea recta, empuje lentamente las palancas de control de movimiento hacia adelante (Figura 18).
Para conducir hacia atrás en línea recta, tire lentamente de las palancas de control de movimiento hacia atrás (Figura 18).
Para girar, ralentice la máquina tirando hacia atrás de ambas palancas, y luego empuje hacia adelante la palanca del lado opuesto del sentido de giro (Figura 18).
Para detenerse, tire de las palancas de control de movimiento a la posición de Punto MUERTO.
Note: Cuanto más mueva las palancas de control de movimiento en cualquier sentido, más rápidamente se desplazará la máquina en ese sentido.

Para detener la máquina, mueva las palancas de control de movimiento a la posición de BLOQUEO/PUNTO MUERTO, desengrane la toma de fuerza (TDF), mueva el acelerador a la posición de LENTO, y pare el motor.
Ponga el freno de estacionamiento si va a dejar la máquina desatendida; consulte Aplicación del freno de estacionamiento. Recuerde retirar la llave de contacto.
Los niños u otras personas podrían resultar lesionados si intentan mover o conducir el tractor mientras está desatendido.
Retire siempre la llave de contacto y ponga el freno de estacionamiento cuando deje la máquina sin supervisión, aunque sea por unos pocos minutos.
El interruptor de elevación de la carcasa eleva y baja la carcasa de corte (Figura 19).
Note: El motor debe estar en marcha para poder utilizar esta palanca.

Para bajar la carcasa de corte, baje el interruptor de elevación de la carcasa (Figura 19).
Note: Al bajar la carcasa de corte, se la coloca en una posición flotante/inactiva.
Para elevar la carcasa de corte, suba el interruptor de elevación de la carcasa (Figura 19).
Important: No siga presionando el interruptor hacia arriba o hacia abajo una vez que el cortacésped se haya elevado o bajado del todo. El hacerlo daña el sistema hidráulico.
Note: Para bloquear la carcasa de corte en posición elevada, eleve la carcasa más allá de la posición de 15 cm (6"), retire el pasador de tope de altura de corte (consulte Ajuste de la altura de corte), y ponga el pasador en la posición de altura de corte de 15 cm (6") (Figura 43).
El interruptor de la toma de fuerza (TDF) acciona y detiene las cuchillas del cortacésped y algunos accesorios conectados.
Si el motor está frío, déjelo calentar durante 5 a 10 minutos antes de engranar la TDF.
Estando sentado en el asiento, deje de presionar las palancas de control de tracción y colóquelas en posición de punto muerto.
Tire del mando de la TDF para engranarla (Figura 20).

Para desengranarla, empuje el interruptor de la TDF a la posición DESENGRANADO.
Note: Corte de hierba a una velocidad que le permite a la carga del motor promover la regeneración del FPD.
Mueva la máquina al lugar de trabajo.
Siempre que sea posible, ponga el interruptor de velocidad del motor en ralentí alto.
Engrane el interruptor de la TDF.
Mueva de manera gradual el pedal de tracción hacia adelante y conduzca lentamente la máquina hacia la zona de siega.
Cuando la parte delantera de las unidades de corte entren en la zona de siega, baje las unidades de corte.
Corte la hierba para que las cuchillas puedan segar y descargar recortes a alta velocidad mientras brindan una buena calidad de corte.
Note: Si el índice de corte es demasiado elevado, la calidad de corte puede reducirse. Disminuya la velocidad de avance de la máquina o disminuya la anchura de corte para recuperar la velocidad de ralentí alto del motor.
Cuando las unidades de corte entren al canto de la zona de siega, levántelas.
Realice un giro pronunciado para quedar alineado rápidamente para la próxima pasada.
El filtro de partículas diésel (FPD) es parte del sistema de escape. El catalizador de oxidación diésel del FPD reduce gases peligrosos, y el filtro de hollín elimina el hollín del escape del motor.
El proceso de regeneración del FPD utiliza calor del escape del motor para incinerar el hollín acumulado en el filtro de hollín convirtiendo el hollín en cenizas, y despeja los canales del filtro de hollín para que el escape del motor filtrado salga del FPD.
La computadora del motor controla la acumulación de hollín midiendo la presión de retorno en el FPD. Si la presión de retorno es demasiado elevada, el hollín no se incinerará en el filtro de hollín mediante la operación normal del motor. Para mantener el FPD libre de hollín, recuerde lo siguiente:
La regeneración pasiva se produce continuamente mientras el motor se encuentra en funcionamiento: cuando sea posible, haga funcionar el motor a la velocidad máxima para promover la regeneración del FPD.
Si la presión de retorno es demasiado elevada, la computadora del motor le indica, a través del InfoCenter, que hay procesos adicionales en marcha (regeneración asistida y de reinicio).
Permita que el proceso de regeneración asistida y de reinicio se complete antes de parar el motor.
Opere y mantenga su máquina con la función del FPD en mente. La carga del motor a una velocidad de ralentí alto del motor generalmente produce temperaturas de escape adecuadas para la regeneración del FPD.
Important: Minimice la cantidad de tiempo durante el cual hace funcionar el motor a ralentí u opera el motor a una velocidad baja para ayudar a reducir la acumulación de hollín en el filtro de hollín.
La temperatura de escape es elevada (aproximadamente 600 °C (1112 °F) durante la regeneración en estacionamiento o de recuperación del FPD. El gas de escape caliente puede causarle daños a usted o a otras personas.
Nunca haga funcionar el motor en un lugar cerrado.
Asegúrese de que no haya materiales inflamables cerca del sistema de escape.
Nunca toque un componente del sistema de escape caliente.
Permanezca siempre alejado del tubo de escape de la máquina.
Con el paso del tiempo, el FPD acumula hollín en el filtro de hollín. La computadora del motor controla el nivel de hollín en el FPD.
Cuando se acumula suficiente hollín, la computadora le informa que es momento de regenerar el filtro de partículas diésel.
La regeneración del FPD es un proceso que calienta el FPD para convertir el hollín en cenizas.
Además de los mensajes de advertencia, la computadora reduce la potencia producida por el motor a diferentes niveles de acumulación de hollín.
| Nivel de indicación | Código de fallo | Clasificación de potencia del motor | Acción recomendada |
| Nivel 1: Advertencia del motor |
![]() | La computadora reduce la potencia del motor al 85 % | Realice una regeneración en estacionamiento lo antes posible; consulte Regeneración en estacionamiento. |
| Nivel 2: Advertencia del motor |
![]() | La computadora reduce la potencia del motor al 50 % | Realice una regeneración de recuperación lo antes posible; consulte Regeneración de recuperación. |
Las cenizas más livianas se eliminan a través del sistema de escape; las cenizas más pesadas se acumulan en el filtro de hollín.
Las cenizas son un residuo del proceso de regeneración. Con el paso del tiempo, el filtro de partículas diésel acumula las cenizas que no se eliminan a través del escape del motor.
La computadora del motor calcula la cantidad de cenizas acumuladas en el FPD.
Cuando hay suficientes cenizas acumuladas, la computadora del motor envía información al InfoCenter, como una advertencia del sistema o un fallo del motor, para indicar la acumulación de cenizas en el FPD.
La advertencia o fallo indican que es momento de realizarle un mantenimiento al FPD.
Además de las advertencias, la computadora reduce la potencia producida por el motor a diferentes niveles de acumulación de cenizas.
| Nivel de indicación | Código de fallo o advertencia | Reducción de la velocidad del motor | Clasificación de potencia del motor | Acción recomendada |
|---|---|---|---|---|
| Nivel 1: Advertencia del sistema |
![]() | Ninguna | 100 % | Notifique a su departamento de mantenimiento que en el InfoCenter aparece la advertencia n.º 179. |
| Nivel 2: Advertencia del motor |
![]() | Ninguna | La computadora reduce la potencia del motor al 85 % | Realice el mantenimiento del FPD; consulte Mantenimiento del catalizador de oxidación diésel (DOC) y del filtro de hollín |
| Nivel 3: Advertencia del motor |
![]() | Ninguna | La computadora reduce la potencia del motor al 50 % | Realice el mantenimiento del FPD; consulte Mantenimiento del catalizador de oxidación diésel (DOC) y del filtro de hollín |
| Nivel 4: Advertencia del motor |
![]() | Velocidad del motor a la máxima potencia + 200 rpm | La computadora reduce la potencia del motor al 50 % | Realice el mantenimiento del FPD; consulte Mantenimiento del catalizador de oxidación diésel (DOC) y del filtro de hollín |
| Tipo de regeneración | Condiciones para la regeneración del FPD | Descripción de operación del FPD |
|---|---|---|
| Pasiva | Ocurre durante la operación normal de la máquina a una velocidad elevada del motor o con una carga elevada del motor. | El InfoCenter no muestra un icono que indique regeneración pasiva. |
| Durante la regeneración pasiva, el FPD procesa gases de escape a altas temperaturas, oxidando emisiones peligrosas y reduciendo el hollín a cenizas. | ||
| Consulte Regeneración pasiva del FPD. | ||
| Asistida | Se produce como resultado de la baja velocidad del motor, la baja carga del motor o después de que la computadora detecta la contrapresión en el FPD. | Cuando el icono de regeneración asistida y de reinicio se muestra en el InfoCenter
significa que hay una regeneración asistida en progreso. |
| Durante la regeneración asistida, la computadora controla el acelerador de entrada para aumentar la temperatura de escape, lo cual permite que este tipo de regeneración se produzca. | ||
| Consulte Regeneración asistida del FPD. | ||
| De reinicio | Se produce después de la restauración de asistencia solo si la computadora detecta que la restauración de asistencia no redujo suficientemente el nivel de hollín. | Cuando el icono de regeneración asistida
y de reinicio se muestra en el InfoCenter significa que hay una regeneración
en progreso. |
| También ocurre cada 100 horas para restablecer las lecturas de referencia de los sensores | ||
| Durante la regeneración de reinicio, la computadora controla el acelerador de entrada y los inyectores de combustible para aumentar la temperatura de escape durante la regeneración. | ||
| Consulte Regeneración en reinicio. |
| Tipo de regeneración | Condiciones para la regeneración del FPD | Descripción de operación del FPD |
|---|---|---|
| En estacionamiento | La acumulación de hollín se produce como resultado de la operación prologada a una velocidad baja del motor o con una carga baja del motor. También puede ser el resultado del uso de combustible o aceite incorrectos | Cuando el icono de regeneración
en estacionamiento se muestra en el InfoCenter significa que se
requiere una regeneración. |
| La computadora detecta presión de retorno debido a la acumulación de hollín y requiere una regeneración en estacionamiento | ||
| • Realice una regeneración en estacionamiento lo antes posible para evitar la necesidad de realizar una regeneración de recuperación. | ||
| • Una regeneración en estacionamiento tarda de 30 a 60 minutos en completarse. | ||
| • Debe tener al menos ¼ de depósito de combustible. | ||
| • Para realizar una regeneración de recuperación debe estacionar la máquina. | ||
| Consulte Regeneración en estacionamiento. | ||
| De recuperación | Se produce como resultado de ignorar solicitudes de restauración con la máquina estacionada y continuar con la operación, lo que genera más hollín cuando el FPD necesita una restauración con la máquina estacionada. | Cuando el icono de regeneración de recuperación se muestra en el InfoCenter
significa que se requiere una regeneración de recuperación. |
| Póngase en contacto con su Distribuidor Autorizado Toro para que un técnico de mantenimiento realice la regeneración de recuperación. | ||
| • Una regeneración de recuperación tarda hasta 4 horas en completarse. | ||
| • Debe tener al menos ½ depósito de combustible en la máquina. | ||
| • Para realizar una regeneración de recuperación debe estacionar la máquina. | ||
| Consulte Regeneración de recuperación. |
La regeneración pasiva se realiza como parte de la operación normal del motor.
Mientras opera la máquina, haga funcionar el motor a la velocidad máxima, cuando sea posible, para promover la regeneración del FPD.

El icono de regeneración asistida/de reinicio se muestra en el InfoCenter (Figura 27).
La computadora toma el control del acelerador de entrada para aumentar la temperatura del escape del motor.
Mientras opera la máquina, haga funcionar el motor a la velocidad máxima, cuando sea posible, para promover la regeneración del FPD.
El icono (
) se muestra en el InfoCenter durante el procesamiento
de la regeneración asistida.
Siempre que sea posible, no pare el motor ni reduzca la velocidad del motor durante el procesamiento de la regeneración asistida.
Important: Permita que la máquina complete el proceso de regeneración asistida antes de parar el motor.
Note: La generación asistida habrá terminado de procesarse
cuando el icono
desaparezca del InfoCenter.

El icono de regeneración asistida/de reinicio se muestra en el InfoCenter (Figura 28).
La computadora toma el control del acelerador de entrada y cambia la operación de inyección de combustible para aumentar la temperatura del escape del motor.
Important: El icono de regeneración asistida/de reinicio indica que la temperatura de escape liberada desde su máquina puede ser más elevada que durante la operación normal.
Mientras opera la máquina, haga funcionar el motor a la velocidad máxima, cuando sea posible, para promover la regeneración del FPD.
El icono
se muestra en el InfoCenter durante el procesamiento
de la regeneración asistida.
Siempre que sea posible, no pare el motor ni reduzca la velocidad del motor durante el procesamiento de la regeneración de reinicio.
Important: Permita que la máquina complete el proceso de regeneración de reinicio antes de parar el motor.
Note: La generación de reinicio habrá terminado de procesarse
cuando el icono
desaparezca del InfoCenter.

El icono de solicitud de regeneración en estacionamiento se muestra en el InfoCenter (Figura 29).
Si se requiere una regeneración en estacionamiento, el InfoCenter muestra la advertencia del motor SPN 3719, FMI 16 (Figura 30), y la computadora del motor reduce la potencia del motor al 85 %.

Important: Si no completa una regeneración en estacionamiento en 2 horas, la computadora del motor reduce la potencia del motor al 50 %.
Una regeneración en estacionamiento tarda de 30 a 60 minutos en completarse.
Si está autorizado por su compañía, para llevar a cabo el proceso de regeneración en estacionamiento necesita el código PIN.
Asegúrese de que la máquina tenga al menos ¼ de depósito de combustible.
Mueva la máquina hacia afuera, a un área alejada de materiales inflamables.
Aparque la máquina en una superficie nivelada.
Asegúrese de que las palancas de control movimiento y de tracción estén en la posición de PUNTO MUERTO.
Si corresponde, baje las unidades de corte y apáguelas.
Ponga el freno de estacionamiento.
Ponga el acelerador en la posición de RALENTí BAJO.
Note: Para obtener instrucciones para desbloquear menús protegidos, consulte Acceso a menús protegidos.
Acceda al menú protegido y desbloquee el submenú de configuración protegida (Figura 31); consulte Acceso a menús protegidos.

Vaya al MENú PRINCIPAL, pulse el botón central para desplazarse hacia abajo hasta el MENú SERVICIO y pulse el botón derecho para seleccionar la opción SERVICIO (Figura 32).
Note: El InfoCenter debería mostrar el indicador PIN en la esquina superior derecha de la pantalla.

En el MENú SERVICIO, pulse el botón central hasta que se muestre la opción REGENERACIóN DEL FPD, y pulse el botón derecho para seleccionar la opción REGENERACIóN DEL FPD (Figura 33).

Cuando aparezca el mensaje “Initiate DPF Regen. Are you sure?" (Iniciar regeneración del FPD. ¿Está seguro?), presione el botón central (Figura 34).

Si la temperatura del refrigerante es inferior a 60 °C (140 °F),
se muestra el mensaje “Insure
is running and above 60C/140F" (Asegurarse
de que esté en marcha y a más de 60 °C/140 °F)
(Figura 35).
Observe la temperatura en la pantalla y haga funcionar la máquina a la velocidad máxima hasta que la temperatura alcance los 60 °C (140 °F), y luego pulse el botón central.
Note: Si la temperatura del refrigerante es superior a 60 °C (140 °F), esta pantalla se omite.

Mueva el control del acelerador a RALENTí BAJO y pulse el botón central (Figura 36).

Los siguientes mensajes se muestran cuando se inicia el proceso de regeneración en estacionamiento:
Aparece el mensaje “Initiating DPF Regen." (Iniciando regeneración del FPD) (Figura 37).

Aparece el mensaje “Waiting on
" (Esperando...) (Figura 38).

La computadora determina la ejecución de la regeneración. Uno de los siguientes mensajes se muestra en el InfoCenter:
Si la regeneración está permitida, en el InfoCenter se muestra el mensaje “Regen Initiated. Allow up to 30 minutes for completion" (Regeneración iniciada. Esperar 30 minutos para que se complete), espere a que la máquina complete el proceso de regeneración en estacionamiento (Figura 39).

Si la computadora del motor no autoriza el proceso de regeneración, en el InfoCenter se muestra el mensaje “DPF Regen Not Allowed" (Regeneración del FPD no permitida) (Figura 40). Pulse el botón izquierdo para salir de la pantalla de inicio.
Important: Si no cumplió con todos los requisitos para realizar la regeneración o si han pasado menos de 50 horas desde la última regeneración, aparece el mensaje “DPF Regen Not Allowed" (Regeneración del FPD no permitida).

Durante la ejecución de la regeneración, el InfoCenter regresa a la pantalla de inicio y muestra los siguientes iconos:
![]() | El motor está frío: esperar. | |
![]() | El motor está tibio: esperar. | |
![]() | El motor está caliente: regeneración en progreso (porcentaje de progreso). |
Cuando la regeneración en estacionamiento se haya completado, en el InfoCenter se muestra el mensaje “Regen Complete" (Regeneración completada). Pulse el botón izquierdo para salir de la pantalla de inicio (Figura 41).

Si ignora la solicitud de una regeneración en estacionamiento (se muestra en el InfoCenter) y sigue operando la máquina, en el FPD se acumula una cantidad importante de hollín.
Si se requiere una regeneración de recuperación, el InfoCenter muestra la advertencia del motor SPN 3719, FMI 16 (Figura 42), y la computadora del motor reduce la potencia del motor al 85 %.

Important: Si no completa una regeneración de recuperación en 15 minutos, la computadora del motor reduce la potencia del motor al 50 %.
Realice una regeneración de recuperación siempre que haya una pérdida de potencia del motor y una regeneración en estacionamiento no pueda limpiar de manera efectiva el FPD de hollín.
Una regeneración de recuperación tarda hasta 4 horas en completarse.
Necesita que un técnico distribuidor realice la regeneración de recuperación; póngase en contacto con su Distribuidor Autorizado Toro.
La altura de corte puede ajustarse de 2.5 cm a 15.8 cm (1" a 6") en incrementos de 6 mm (¼") colocando el pasador de tope en diferentes posiciones.
Con el motor en marcha, presione hacia arriba el interruptor de elevación de la carcasa hasta que la carcasa de corte esté elevada del todo y suelte el interruptor inmediatamente (Figura 19).
Para ajustar la altura de corte, gire el pasador de tope hasta que el pasador cilíndrico que contiene se alinee con las ranuras de los taladros del soporte de altura de corte, y retire el pasador (Figura 43).
Seleccione un taladro del soporte de altura de corte que corresponda a la altura de corte deseada, inserte el pasador y gírelo para bloquearlo en esa posición (Figura 43).
Note: Hay cuatro filas de taladros (Figura 43). La fila superior corresponde a la altura de corte impresa encima del pasador. La segunda fila corresponde a la altura impresa más 6 mm (¼"). La tercera fila corresponde a la altura impresa más 12 mm (½"). La fila inferior corresponde a la altura impresa más 18 mm (¾"). Para la posición de 15.8 cm (6") hay un solo taladro, situado en la segunda fila. Esta posición no añade 6 mm (¼") a la altura de 15.8 cm (6").

Ajuste de los rodillos protectores del césped y los patines según sea necesario.
Monte los patines en la posición inferior cuando utilice alturas de corte de más de 64 mm (2½") y en la posición superior con alturas de corte de menos de 64 mm (2½").
Note: En los cortacéspedes Guardian®, cuando los patines se desgastan, es posible pasarlos al lado opuesto del cortacésped, dándoles la vuelta. Esto le permite usar los patines durante más tiempo antes de cambiarlos.
Desengrane la TDF, mueva las palancas de control de movimiento a la posición de BLOQUEO/PUNTO MUERTO, y ponga el freno de estacionamiento.
Mueva la palanca del acelerador a la posición de LENTO, pare el motor, retire la llave y espere a que se detengan todas las piezas en movimiento antes de abandonar el puesto del operador.
Afloje el tornillo situado en la parte delantera de cada patín (2 patines en las carcasas Guardian y 1 patín en carcasas de descarga lateral), según se muestra en Figura 44.

Retire los pernos con arandela prensada y las tuercas de cada patín.
Mueva cada patín a la posición deseada y fíjelos con los pernos con arandela prensada y las tuercas.
Note: Utilice únicamente los conjuntos superior y central de taladros para ajustar los patines. Los taladros inferiores se utilizan al cambiar los patines de lado en una carcasa Guardian, y entonces se convierten en los taladros superiores en el otro lado del cortacésped.
Apriete el tornillo delantero de cada patín a 9–11 N·m (80 a 100 pulgadas-libra).
Cada vez que usted cambie la altura de corte, ajuste también la altura de los rodillos protectores del césped traseros.
Desengrane la TDF, mueva las palancas de control de movimiento a la posición de BLOQUEO/PUNTO MUERTO y ponga el freno de estacionamiento.
Mueva la palanca del acelerador a la posición de LENTO, pare el motor, retire la llave y espere a que se detengan todas las piezas en movimiento antes de abandonar el puesto del operador.
Después de ajustar la altura de corte, ajuste los rodillos retirando la tuerca con arandela prensada, el casquillo, el espaciador y el perno (Figura 45).

Seleccione el taladro que hará que el rodillo protector del césped esté lo más próximo posible a la altura de corte deseada (Figura 46).

Instale la tuerca con arandela prensada, el casquillo, el espaciador y el perno (Figura 45).
Note: Apriete a 54–61 N·m (40–45 pies-libra).
Monte los patines en la posición inferior cuando utilice alturas de corte de más de 64 mm (2½") y en la posición superior con alturas de corte de menos de 64 mm (2½").
Desengrane la TDF, mueva las palancas de control de movimiento a la posición de BLOQUEO/PUNTO MUERTO, y ponga el freno de estacionamiento.
Mueva la palanca del acelerador a la posición de LENTO, pare el motor, retire la llave y espere a que se detengan todas las piezas en movimiento antes de abandonar el puesto del operador.
Levante la parte delantera de la máquina y apóyela sobre soportes fijos.
Retire los herrajes que fijan cada rodillo a la carcasa del cortacésped y mueva los rodillos hacia arriba o hacia abajo según sea necesario; consulte Figura 47 a Figura 51, según corresponda a su cortacésped.





Instale las fijaciones según lo indicado (Figura 47 a Figura 51).
Si los interruptores de seguridad son desconectados o están dañados, la máquina podría ponerse en marcha inesperadamente, causando lesiones personales.
No manipule los interruptores de seguridad.
Compruebe la operación de los interruptores de seguridad cada día, y sustituya cualquier interruptor dañado antes de operar la máquina.
El sistema de interruptores de seguridad ha sido diseñado para impedir que el motor arranque, a menos que:
Usted esté sentado en el asiento o el freno de estacionamiento esté puesto.
La toma de fuerza (PTO) esté desengranada.
Las palancas de control de movimiento están en la posición de BLOQUEO/PUNTO MUERTO.
La temperatura del motor esté por debajo de la temperatura máxima de operación.
El sistema de interruptores de seguridad está diseñado para detener el motor cuando se muevan los controles de tracción de la posición de BLOQUEO/PUNTO MUERTO con el freno de estacionamiento puesto. Si usted se levanta del asiento con la toma de fuerza engranada, el motor se para después de una demora de 1 segundo.
| Intervalo de mantenimiento y servicio | Procedimiento de mantenimiento |
|---|---|
| Cada vez que se utilice o diariamente |
|
Compruebe el sistema de interruptores de seguridad cada vez que vaya a trabajar con la máquina. Si el sistema no funciona de la forma que se describe a continuación, póngase en contacto con un Servicio Técnico Autorizado para que lo reparen inmediatamente.
Siéntese en el asiento, ponga el freno de estacionamiento, engrane la TDF e intente arrancar el motor.
Note: El motor no debe girar.
Siéntese en el asiento, ponga el freno de estacionamiento, mueva la TDF a Desengranado, mueva cualquiera de las palancas de control de movimiento fuera de la posición de BLOQUEO/PUNTO MUERTO, e intente arrancar el motor.
Note: El motor no debe girar. Repita con la otra palanca de control.
Siéntese en el asiento, ponga el freno de estacionamiento, mueva la TDF a Desengranado, mueva las palancas de control de movimiento a la posición de BLOQUEO/PUNTO MUERTO y arranque el motor. Con el motor en marcha, quite el freno de estacionamiento, engrane la PTO y levántese un poco del asiento.
Note: El motor debe pararse en 2 segundos.
Sin operador en el asiento, ponga el freno de estacionamiento, mueva la TDF a Desengranado, mueva las palancas de control de movimiento a la posición de BLOQUEO/PUNTO MUERTO y arranque el motor. Con el motor en marcha, ponga cualquiera de las palancas de control de movimiento en la posición central.
Note: El motor debe pararse en 2 segundos. Repita para la otra palanca de control de movimiento.
Sin operador en el asiento, quite el freno de estacionamiento, mueva la TDF a Desengranado, mueva las palancas de control de movimiento a la posición de BLOQUEO/PUNTO MUERTO e intente arrancar el motor.
Note: El motor no debe girar.
La máquina está equipada con un sistema de monitorización que incorpora un módulo de control estándar (SCM), encargado de supervisar el funcionamiento de diversos sistemas clave. El SCM se encuentra debajo del panel de control derecho. Se accede al mismo a través la tapa del panel lateral (Figura 52). Para abrir la tapa del panel lateral, abra los 2 enganches y tire hacia fuera.

En la cara del SCM se encuentran 11 LED que se encienden para indicar diversas condiciones existentes en el sistema. Puede usar 7 de estos indicadores para fines de diagnóstico del sistema. Consulte la descripción de Figura 53, que explica el significado de cada indicador. Si desea más detalles sobre las otras funciones del SCM, consulte el Manual de Mantenimiento, disponible a través de su Distribuidor Autorizado Toro.

El asiento puede moverse hacia adelante y hacia atrás. Coloque el asiento en la posición que le permita controlar mejor la máquina y en la que esté más cómodo.
Mueva la palanca lateralmente para desbloquear el asiento (Figura 54).

Desplace el asiento hasta la posición deseada y suelte la palanca para bloquear el asiento en esa posición.
Compruebe que el asiento se ha bloqueado en su sitio intentando desplazarlo hacia adelante y hacía atrás.
El asiento puede ajustarse para que la conducción sea más suave y cómoda. Coloque el asiento en la posición más cómoda para usted.
Sin sentarse en el asiento, gire el pomo situado en la parte delantera en cualquier sentido hasta encontrar la posición más cómoda (Figura 54).

Puede ajustar el respaldo del asiento para proporcionar una conducción más cómoda. Coloque el respaldo del asiento en la posición más cómoda para usted.
Para ajustarlo, gire el pomo situado debajo del reposabrazos derecho en cualquier sentido hasta encontrar la posición más cómoda (Figura 54).
El respaldo del asiento puede ajustarse a fin de proporcionar apoyo lumbar personalizado a la parte inferior de la espalda.
Para ajustarlo, gire el pomo situado debajo del reposabrazos izquierdo en cualquier sentido hasta encontrar la posición más cómoda (Figura 54).
Para tener acceso al sistema hidráulico y a otros sistemas situados debajo del asiento, desenganche el asiento y hágalo girar hacia adelante.
Utilice la palanca de ajuste del asiento para deslizar el asiento hacia adelante del todo.
Tire del cierre hacia adelante y hacia arriba para desbloquear el asiento (Figura 56).

Important: No remolque nunca la máquina porque podrían producirse daños en el sistema hidráulico.
Desengrane la toma de fuerza (PTO), y gire la llave de contacto a desconectado. Mueva las palancas a la posición de BLOQUEO/PUNTO MUERTO y ponga el freno de estacionamiento. Retire la llave.
Levante el asiento.
Gire las válvulas de desvío una vuelta en el sentido contrario a las agujas del reloj (Figura 57).
Note: Esto permite que el fluido hidráulico se desvíe alrededor de la bomba, dejando que las ruedas giren.
Important: No gire las válvulas de desvío más de 1 vuelta. Esto impide que las válvulas se salgan de la carcasa, dejando escapar el fluido.

Quite el freno de estacionamiento antes de empujar la máquina.
Gire cada válvula de desvío una vuelta en el sentido de las agujas del reloj y apriételas a mano (par de apriete de 8 N·m (71 pulgadas-libra) aproximadamente).
Note: No apriete demasiado las válvulas de desvío.
La máquina no funcionará a menos que las válvulas de desvío estén giradas hacia dentro.
Extreme las precauciones al cargar la unidad en un remolque o camión. Utilice una sola rampa lo suficientemente ancha como para sobresalir a cada lado de las ruedas traseras, en lugar de rampas individuales para cada lado de la máquina (Figura 58). La sección trasera inferior del bastidor de la máquina se extiende hacia atrás entre las ruedas traseras, y sirve de tope para evitar vuelcos hacia atrás. El uso de una sola rampa ancha proporciona una superficie de contacto para el bastidor si la unidad empieza a volcarse hacia atrás. Si no es posible utilizar una sola rampa, utilice suficientes rampas individuales para simular una sola rampa continua en todo su ancho.
La rampa debe tener una longitud suficiente, de manera que el ángulo no supere los 15 grados (Figura 58). Un ángulo mayor puede hacer que los componentes del cortacésped se atasquen cuando la unidad se desplaza desde la rampa al remolque o camión. Un ángulo mayor puede hacer también que la unidad se vuelque hacia atrás. Si se carga en o cerca de una pendiente, coloque el remolque o el camión de tal forma que esté pendiente abajo, con la rampa extendida pendiente arriba. Esto minimiza el ángulo de la rampa. El remolque o el camión debe estar lo más horizontal posible.
Important: No intente girar la unidad mientras está en la rampa; usted puede perder el control y salirse del lado de la rampa.
Evite acelerar bruscamente mientras sube la rampa, y reducir bruscamente la velocidad al bajar la rampa en marcha atrás. Ambas maniobras pueden hacer que la unidad se vuelque hacia atrás.
El cargar la unidad en un remolque o un camión aumenta la posibilidad de un vuelco hacia atrás y podría causar lesiones graves o la muerte.
Extreme las precauciones al utilizar la unidad en una rampa.
Utilice siempre una sola rampa de ancho completo. No utilice rampas individuales para cada lado de la unidad.
Si es imprescindible utilizar rampas individuales, utilice suficientes como para crear una superficie continua más ancha que la unidad.
No supere un ángulo de 15 grados entre la rampa y el suelo, o entre la rampa y el remolque o camión.
Evite acelerar bruscamente al subir la unidad por la rampa para evitar vuelcos hacia atrás.
Evite reducir bruscamente la velocidad al bajar la unidad por la rampa en marcha atrás para evitar vuelcos hacia atrás.

Conducir en una calle o carretera sin señales de giro, luces, marcas reflectantes o un indicador de vehículo lento es peligroso y puede ser causa de accidentes que pueden provocar lesiones personales.
No conduzca la máquina en una vía pública sin llevar las señales, luces y/o marcas requeridas por la normativa local.
Utilice un remolque para cargas pesadas o un camión para transportar la máquina. Asegúrese de que el remolque o el camión tiene todas las luces y señalizaciones requeridas por la ley. Por favor, lea cuidadosamente todas las instrucciones de seguridad. El conocer esta información puede ayudar a evitarle lesiones a usted o a otras personas.
Para transportar la máquina:
Asegúrese de que su vehículo, el enganche, las cadenas de seguridad y el remolque son adecuados para la carga que lleva, y que cumplen toda la normativa de tráfico local.
Bloquee el freno y las ruedas.
Sujete la máquina firmemente al remolque o al camión con cadenas, correas, cables o cuerdas, según lo estipulado en la normativa de tráfico local (Figura 59).

Para mantener suficiente potencia para la máquina y la carcasa durante la siega, haga funcionar el motor a la posición RáPIDO del acelerador, y ajuste la velocidad sobre el terreno según las condiciones. Como norma general, reduzca la velocidad de avance a medida que aumente la carga sobre la cuchilla, y aumente la velocidad de avance a medida que la carga sobre la cuchilla disminuya.
Conviene alternar el sentido de la siega para evitar dejar surcos en el césped con el tiempo. De esta forma también se ayuda a dispersar mejor los recortes sobre el césped y se conseguirá una mejor descomposición y fertilización.
Para mejorar la calidad de corte, utilice una velocidad de avance más baja en determinadas condiciones.
Si la anchura de corte del cortacésped es mayor que la del cortacésped que usó anteriormente, eleve la altura de corte para asegurarse de no cortar demasiado un césped desigual.
Corte aproximadamente 25 mm (1"), o no más de un tercio, de la hoja de hierba. Si la hierba es excepcionalmente densa y frondosa, es posible que tenga que reducir la velocidad de avance y/o elevar la altura de corte en una posición.
Important: Si va a cortar más de 1/3 de la hoja de hierba, si la hierba es alta pero escasa o si las condiciones son secas, se recomienda usar cuchillas de vela plana para reducir la cantidad de residuos y restos arrojados al aire, y para reducir el estrés sobre los componentes de la transmisión de la carcasa.
Si se deja crecer la hierba más de lo habitual, o si ésta contiene un grado de humedad elevado, utilice una altura de corte mayor de lo normal y corte la hierba con este ajuste. Después vuelva a cortar la hierba utilizando el ajuste habitual, más bajo.
Limpie los recortes y la suciedad de los bajos del cortacésped después de cada uso. Si la hierba y la suciedad se acumulan en el interior del cortacésped, se deteriorará la calidad del corte.
Para reducir el riesgo de incendio, mantenga el motor, el silenciador, el compartimento de la batería, el freno de estacionamiento, las unidades de corte y el compartimiento del depósito del combustible libres de hierba, hojas y exceso de grasa. Limpie cualquier aceite o combustible derramado.
Mantenga las cuchillas afiladas durante toda la temporada de corte, ya que una cuchilla afilada corta limpiamente y sin rasgar o deshilachar las hojas de hierba. Si se rasgan o se deshilachan, los bordes de las hojas se secarán, lo cual retardará su crecimiento y favorecerá la aparición de enfermedades. Compruebe cada día que las cuchillas de corte están afiladas y que no están desgastadas o dañadas. Afile las cuchillas siempre que sea necesario. Si una cuchilla está desgastada o deteriorada, sustitúyala inmediatamente por una cuchilla nueva genuina Toro. Consulte Mantenimiento de las cuchillas de corte.
Note: Los lados derecho e izquierdo de la máquina se determinan desde la posición normal del operador.
| Intervalo de mantenimiento y servicio | Procedimiento de mantenimiento |
|---|---|
| Después de las primeras 10 horas |
|
| Después de las primeras 50 horas |
|
| Después de las primeras 200 horas |
|
| Cada vez que se utilice o diariamente |
|
| Cada 50 horas |
|
| Cada 100 horas |
|
| Cada 150 horas |
|
| Cada 200 horas |
|
| Cada 250 horas |
|
| Cada 400 horas |
|
| Cada 800 horas |
|
| Cada 1500 horas |
|
| Cada 6000 horas |
|
| Cada 2 años |
|
Important: El manual del operador del motor contiene procedimientos adicionales de mantenimiento que debe consultar. También está disponible un Manual de mantenimiento detallado en su Distribuidor Autorizado Toro.
Duplique esta página para su uso rutinario.
| Elemento a comprobar | Para la semana de: | ||||||
|---|---|---|---|---|---|---|---|
| Lun. | Mar. | Miér. | Jue. | Vie. | Sáb. | Dom. | |
| Compruebe el funcionamiento de los interruptores de seguridad | |||||||
| Compruebe el deflector de hierba en posición bajada (en su caso) | |||||||
| Compruebe el funcionamiento de los frenos de estacionamiento | |||||||
| Compruebe el nivel de combustible | |||||||
| Compruebe el nivel de aceite hidráulico | |||||||
| Compruebe el nivel de aceite del motor | |||||||
| Compruebe el nivel del fluido del sistema de refrigeración | |||||||
| Compruebe el filtro de combustible/separador de agua | |||||||
| Compruebe el indicador de obstrucción del filtro de aire3 | |||||||
| Compruebe que el radiador y la rejilla están libres de residuos | |||||||
| Compruebe que no hay ruidos extraños en el motor1 | |||||||
| Compruebe que no hay ruidos extraños de operación | |||||||
| Compruebe que no hay daños en las mangueras hidráulicas | |||||||
| Compruebe que no hay fugas de fluidos | |||||||
| Compruebe la presión de los neumáticos | |||||||
| Compruebe el funcionamiento de los instrumentos | |||||||
| Compruebe la condición de las cuchillas | |||||||
| Lubricar todos los engrasadores2 | |||||||
| Retoque cualquier pintura dañada | |||||||
|
1. Compruebe la bujía y las boquillas de los inyectores en caso de dificultad para arrancar, exceso de humo o funcionamiento irregular. 2. Inmediatamente después de cada lavado, aunque no corresponda a uno de los intervalos citados. 3. Si el indicador se ve rojo |
|||||||
| Anotación para áreas problemáticas: | ||
| Inspección realizada por: | ||
| Elemento | Fecha | Información |
Si deja la llave en el interruptor de encendido, alguien podría arrancar el motor accidentalmente y causar lesiones graves a usted o a otras personas.
Retire la llave de contacto antes de realizar cualquier operación de mantenimiento.

Important: Las fijaciones de las cubiertas de esta máquina están diseñadas para que queden sujetas a la cubierta después de retirarse ésta. Afloje todas las fijaciones de cada cubierta unas cuantas vueltas hasta que la cubierta esté suelta pero aún sujeta, luego vuelva a aflojarlas hasta que la cubierta quede libre. Esto evita la posibilidad de retirar accidentalmente los pernos de los retenedores.
| Intervalo de mantenimiento y servicio | Procedimiento de mantenimiento |
|---|---|
| Cada 50 horas |
|
La máquina tiene engrasadores que deben ser lubricados regularmente con grasa de litio de propósito general No. 2. Si la máquina se utiliza en condiciones normales, lubrique todos los cojinetes y casquillos cada 50 horas de operación. Lubrique los cojinetes y casquillos a diario en condiciones de trabajo de mucho polvo y suciedad. En condiciones de polvo y suciedad, podría entrar suciedad en los cojinetes y casquillos, provocando un desgaste acelerado. Lubrique los engrasadores inmediatamente después de cada lavado, aunque no corresponda a los intervalos citados.
Limpie los engrasadores para evitar que penetre materia extraña en el cojinete o casquillo.
Bombee grasa en los engrasadores.
Limpie cualquier exceso de grasa.
Figura 61 y Figura 62 ilustran la ubicación de los engrasadores.
Important: No se ilustran los engrasadores de los ejes de las ruedas giratorias. Asegúrese de que engrasar también estos puntos.


Note: Los procedimientos de limpieza inadecuados pueden afectar negativamente la vida útil de los cojinetes. No lave la unidad mientras está aún caliente, y evite dirigir chorros de agua a alta presión o en grandes volúmenes a los cojinetes o las juntas.
La caja de engranajes está diseñada para funcionar con lubricante para engranajes SAE 80-90. Aunque la caja de engranajes viene de fábrica con lubricante, compruebe el nivel de lubricante de la unidad de corte antes de utilizarla, y conforme a las indicaciones de la Lista de comprobación – mantenimiento diario.
| Intervalo de mantenimiento y servicio | Procedimiento de mantenimiento |
|---|---|
| Cada 150 horas |
|
Coloque la máquina y la unidad de corte en una superficie nivelada.
Baje la carcasa de corte a la posición de altura de corte de 2.5 cm (1").
Desengrane la TDF, mueva las palancas de control de movimiento a la posición de BLOQUEO/PUNTO MUERTO, y ponga el freno de estacionamiento.
Mueva la palanca del acelerador a la posición de LENTO, pare el motor, retire la llave y espere a que se detengan todas las piezas en movimiento antes de abandonar el puesto del operador.
Levante el reposapiés, dejando expuesta la parte superior de la carcasa del cortacésped.
Retire la varilla/ tapón de llenado de la parte superior de la caja de engranajes (Figura 63) y asegúrese de que el lubricante está entre las marcas de la varilla.

Si el nivel de lubricante es bajo, añada lubricante hasta que el nivel esté entre las marcas de la varilla.
Note: No llene demasiado la caja de engranajes, porque puede dañarse.
| Intervalo de mantenimiento y servicio | Procedimiento de mantenimiento |
|---|---|
| Después de las primeras 50 horas |
|
| Cada 400 horas |
|
Coloque la máquina y la unidad de corte en una superficie nivelada.
Baje la carcasa de corte a la posición de altura de corte de 2.5 cm (1").
Desengrane la TDF, mueva las palancas de control de movimiento a la posición de BLOQUEO/PUNTO MUERTO, y ponga el freno de estacionamiento.
Mueva la palanca del acelerador a la posición de LENTO, pare el motor, retire la llave y espere a que se detengan todas las piezas en movimiento antes de abandonar el puesto del operador.
Levante el reposapiés, dejando expuesta la parte superior de la carcasa del cortacésped.
Retire la varilla/tapón de llenado de la parte superior de la caja de engranajes (Figura 63).
Coloque un embudo y un recipiente debajo del tapón de vaciado, situado debajo de la parte delantera de la caja de engranajes, y retire el tapón, dejando que el lubricante se vacíe en el recipiente.
Vuelva a colocar el tapón de vaciado.
Añada aproximadamente 283 ml (12 oz) de lubricante, hasta que el nivel esté entre las marcas de la varilla.
Note: No llene demasiado la caja de engranajes, porque puede dañarse.
Inspeccione la carcasa del limpiador de aire en busca de daños que pudieran causar una fuga de aire. Cambie la plataforma del limpiador de aire si está dañada.
Compruebe todo el sistema de admisión de aire en busca de fugas, daños o abrazaderas sueltas.
Revise el filtro del limpiador de aire cuando el indicador del limpiador de aire se vea rojo (Figura 64) o cada 400 horas (más frecuentemente en condiciones extremas de polvo o suciedad).
Important: No limpie con demasiada frecuencia el filtro de aire.

Asegúrese de que la tapa está bien asentada y que hace un buen sello con la carcasa del limpiador de aire.
| Intervalo de mantenimiento y servicio | Procedimiento de mantenimiento |
|---|---|
| Cada 400 horas |
|
Tire hacia fuera del enganche y gire la tapa del limpiador de aire en el sentido contrario a las agujas del reloj (Figura 64).
Retire la cubierta de la carcasa del limpiador de aire (Figura 64).
Antes de retirar el filtro, utilice aire a baja presión (2.76 bar [40 psi], limpio y seco) para ayudar a retirar cualquier gran acumulación de residuos aprisionada entre el exterior del filtro primario y el cartucho.
Note: Este proceso de limpieza evita que los residuos migren a la entrada de aire cuando retira el filtro primario.
Important: Evite utilizar aire a alta presión, que podría empujar la suciedad a través del filtro al conducto de admisión.
Retire y cambie el filtro primario (Figura 64).
Important: No limpie el elemento usado a fin de evitar daños al medio filtrante.
Asegúrese de que el filtro nuevo no ha sido dañado durante el transporte, comprobando el extremo sellante del filtro y la carcasa.
Important: No utilice el elemento si está dañado.
Asegúrese de que la junta de gomaespuma está colocada en la tapa y que no está desgarrada ni dañada (Figura 64).
Note: Si está dañada, cámbiela.
Introduzca el filtro nuevo presionando el borde exterior del elemento para asentarlo en el cartucho.
Important: No aplique presión al centro flexible del filtro.
Limpie el orificio de expulsión de suciedad (situado en la tapa extraíble) como se indica a continuación:
Retire la válvula de salida de goma de la cubierta (Figura 64).
Limpie el hueco.
Vuelva a colocar la válvula de salida.
Instale la cubierta orientando la válvula de salida de goma hacia abajo – entre las 5:00 y las 7:00 aproximadamente visto desde el extremo.
Reinicie el indicador (Figura 64) si se ve rojo.
Utilice aceite de motor de alta calidad y con bajo contenido de cenizas que cumpla o supere las siguientes especificaciones:
Categoría de servicio API: CJ-4 o superior
Categoría de servicio ACEA: E6
Categoría de servicio JASO: DH-2
Important: El uso de aceite de motor que no sea API CJ-4 o superior, ACEA E6 o JASO DH-2 puede hacer que el filtro de partículas diésel se tape o puede provocar daños al motor.
Use el siguiente grado de viscosidad del aceite del motor:
Aceite preferido: SAE 15W-40 (más de 0 °F)
Aceite alternativo: SAE10W-30 o 5W-30 (todas las temperaturas)
Su Distribuidor Autorizado Toro dispone de aceite para motores Toro Premium, de viscosidad 15W-40 o 10W-30. Consulte los números de pieza en el catálogo.
| Intervalo de mantenimiento y servicio | Procedimiento de mantenimiento |
|---|---|
| Cada vez que se utilice o diariamente |
|
El motor se suministra con aceite en el cárter; no obstante, debe comprobarse el nivel de aceite antes y después de arrancar el motor por primera vez.
Important: Compruebe el aceite del motor todos los días. Si el nivel de aceite del motor está por encima de la marca "Lleno" de la varilla, el aceite puede diluirse con combustible.Si el nivel de aceite del motor está por encima de la marca "Lleno" cambie el aceite.
El mejor momento para comprobar el aceite del motor es cuando el motor está frío, antes de arrancarlo al principio de la jornada. Si ya se ha arrancado, deje que el aceite se drene al cárter durante al menos 10 minutos antes de comprobar el nivel. Si el nivel del aceite está en o por debajo de la marca "añadir" de la varilla, añada aceite hasta que el nivel llegue a la marca "lleno". No llene demasiado el motor.
Important: Mantenga el nivel de aceite del motor entre los límites superior e inferior de la varilla; el motor puede fallar si lo hace funcionar con demasiado aceite o sin suficiente aceite.
Aparque la máquina en una superficie nivelada. Abra los enganches del capó.
Abra el capó.
Retire la varilla, límpiela, vuelva a colocarla en el tubo y retírela de nuevo. El nivel de aceite debe estar entre las marcas de lleno y agregar (Figura 65).

Si el nivel de aceite es bajo, retire el tapón de llenado (Figura 65) y añada aceite hasta que el nivel esté entre las marcas de lleno y agregar. No llene demasiado.
Coloque el tapón de llenado y la varilla.
Cierre el capó y afiáncelo con los enganches.
5.2 litros (5.5 cuartos de galón ) con el filtro.
| Intervalo de mantenimiento y servicio | Procedimiento de mantenimiento |
|---|---|
| Cada 250 horas |
|
Cambie el aceite y el filtro cada 250 horas.
Retire el tapón de vaciado del aceite de motor (Figura 66) y deje fluir el aceite a un recipiente apropiado. Una vez que se haya vaciado todo el aceite, coloque el tapón de vaciado.

Retire el filtro de aceite (Figura 66). Aplique una capa ligera de aceite limpio al filtro nuevo antes de enroscarlo. No apriete demasiado.
Añada aceite al cárter; consulte Mantenimiento del aceite del motor.
| Intervalo de mantenimiento y servicio | Procedimiento de mantenimiento |
|---|---|
| Cada 6000 horas |
|
Si aparece el mensaje de (advertencia 179) en InfoCenter, es momento recomendado para realizar el mantenimiento del catalizador de oxidación diésel y del filtro de hollín.

Si aparecen los errores de motor (verificar el motor spn 3251 fmi 0), (verificar el motor spn 3720 fmi 0) o (verificar el motor spn 3720 fmi 16) en InfoCenter (Figura 68), limpie el filtro de hollín siguiendo estos pasos:



Consulte la sección Motor del Manual de mantenimiento para obtener información sobre cómo montar y desmontar el catalizador de oxidación diésel y el filtro de hollín del FPD.
Consulte a su Distribuidor Autorizado Toro si desea obtener más información sobre el mantenimiento o las piezas de repuesto del filtro de hollín y el catalizador de oxidación diésel.
Comuníquese con su distribuidor autorizado de Toro para que un técnico realice el reajuste del ECU después de la instalación de un FPD limpio.
Note: Consulte Especificación de combustible, donde encontrará recomendaciones sobre el combustible adecuado.
Bajo ciertas condiciones el combustible diésel y los vapores del combustible son extremadamente inflamables y explosivos. Un incendio o explosión de combustible puede quemarle a usted y a otras personas y causar daños materiales.
Utilice un embudo y llene el depósito de combustible al aire libre, en una zona despejada, con el motor parado y frío. Limpie cualquier combustible derramado.
No llene completamente el depósito de combustible. Añada combustible al depósito de combustible hasta que el nivel llegue al extremo inferior del cuello de llenado.
No fume nunca mientras maneja el combustible, y aléjese de llamas desnudas o lugares donde los vapores del combustible pueden incendiarse con una chispa.
Almacene el combustible en un recipiente limpio homologado y mantenga el tapón colocado.
| Intervalo de mantenimiento y servicio | Procedimiento de mantenimiento |
|---|---|
| Cada 400 horas |
|
Drene el agua y otros contaminantes del separador de agua a diario (Figura 69).
Coloque un recipiente limpio debajo del filtro de combustible.
Afloje el tapón de vaciado en la parte inferior del cartucho del filtro y abra la ventilación en la parte superior del montaje del cartucho.

Limpie la zona de montaje del cartucho del filtro.
Retire el cartucho del filtro y limpie la superficie de montaje.
Lubrique la junta del cartucho del filtro con aceite limpio.
Instale el cartucho del filtro a mano hasta que la junta entre en contacto con la superficie de montaje, luego gírelo media vuelta más.
Apriete el tapón de vaciado en la parte inferior del cartucho del filtro y cierre la ventilación en la parte superior del montaje del cartucho.
| Intervalo de mantenimiento y servicio | Procedimiento de mantenimiento |
|---|---|
| Cada 400 horas |
|
Limpie la zona alrededor del cabezal del filtro de combustible (Figura 70).

Retire el filtro y limpie la superficie de montaje de la cabeza del filtro (Figura 70).
Lubrique la junta del filtro con aceite de motor limpio. Consulte la información adicional incluida en el Manual del operador del motor, incluido con la máquina.
Instale el cartucho filtrante seco, a mano, hasta que la junta entre en contacto con el cabezal del filtro, luego gírelo media vuelta más.
Arranque el motor y compruebe que no hay fugas de combustible alrededor del cabezal del filtro.
| Intervalo de mantenimiento y servicio | Procedimiento de mantenimiento |
|---|---|
| Cada 2 años |
|
Drene y limpie el depósito de combustible cada 2 años. Retire y limpie los filtros en línea después de vaciar el depósito. Utilice combustible diésel limpio para enjuagar el depósito.
Important: Asimismo, drene y limpie el depósito si se contamina el sistema de combustible o si la máquina ha de almacenarse durante un periodo de tiempo extendido.
| Intervalo de mantenimiento y servicio | Procedimiento de mantenimiento |
|---|---|
| Cada 400 horas |
|
Compruebe los tubos de combustible y sus conexiones. Compruebe que no están deteriorados o dañados, que no rozan y que las conexiones no están sueltas.
Important: Siempre que vaya a trabajar con el sistema eléctrico, desconecte los cables de la batería, primero el cable negativo (-), para evitar posibles daños al cableado debido a cortocircuitos.
| Intervalo de mantenimiento y servicio | Procedimiento de mantenimiento |
|---|---|
| Cada 50 horas |
|
Los bornes, terminales y otros accesorios de la batería contienen plomo y compuestos de plomo, productos químicos reconocidos por el Estado de California como causantes de cáncer y daños reproductivos. Lávese las manos después de manejar el material.
Mantenga limpia la parte superior de la batería. Si la máquina se guarda en un sitio con temperaturas sumamente altas, la batería se descarga con más rapidez que si se guarda en un sitio con temperaturas más bajas.
Mantenga limpia la superficie superior de la batería lavándola periódicamente con una brocha mojada en una solución de amoniaco o bicarbonato. Enjuague la superficie con agua después de limpiarla. No retire los tapones durante la limpieza de la batería.
Los cables de la batería deben estar bien apretados en los bornes para proporcionar un buen contacto eléctrico.
Si hay corrosión en los bornes, desconecte los cables (primero el cable negativo (-)) y rasque por separado los bornes y las abrazaderas. Conecte los cables (primero el cable positivo (+)) y aplique una capa de vaselina a los bornes.
Los bornes de la batería o una herramienta metálica podrían hacer cortocircuito si entran en contacto con los componentes metálicos de la máquina, causando chispas. Las chispas podrían hacer explotar los gases de la batería, causando lesiones personales.
Al retirar o colocar la batería, no deje que los bornes toquen ninguna parte metálica de la máquina.
No deje que las herramientas metálicas hagan cortocircuito entre los bornes de la batería y las partes metálicas de la máquina.
Un enrutado incorrecto de los cables de la batería podría dañar la máquina y los cables, causando chispas. Las chispas podrían hacer explotar los gases de la batería, causando lesiones personales.
Desconecte siempre el cable negativo (negro) de la batería antes de desconectar el cable positivo (rojo).
Conecte siempre el cable positivo (rojo) de la batería antes de conectar el cable negativo (negro).
Si almacenará la máquina durante más de 30 días, retire la batería y cárguela totalmente. Guárdela en una estantería o en la máquina. Deje los cables desconectados si guarda la batería en la máquina. Guarde la batería en una ambiente fresco para evitar que se descargue con rapidez. Para evitar que la batería se congele, asegúrese de que está totalmente cargada. La gravedad específica de una batería totalmente cargada es de 1.265-1.299.
Los fusibles se encuentran debajo del panel de control. Se accede a los mismos a través del panel lateral (Figura 71). Para abrir la tapa del panel lateral, suelte los 2 enganches y tire hacia fuera.
Si la máquina se para o si se presentan otros problemas relacionados con el sistema eléctrico, compruebe los fusibles. Sujete y retire un fusible a la vez, y compruebe si alguno de ellos está fundido.
Important: Si es necesario cambiar un fusible, utilice siempre un fusible del mismo tipo y amperaje que el fusible que está sustituyendo; si no, podría dañar el sistema eléctrico (consulte la pegatina situada junto a los fusibles, que contiene un esquema de cada fusible y su amperaje (Figura 72).
Note: Si un fusible se funde frecuentemente, es probable que haya un cortocircuito en el sistema eléctrico, y éste debe ser revisado por un técnico de mantenimiento cualificado.


| Intervalo de mantenimiento y servicio | Procedimiento de mantenimiento |
|---|---|
| Cada 50 horas |
|
Mantenga la presión especificada de los neumáticos delanteros y traseros. La presión de aire correcta es de 18 psi (124 kPa) en los neumáticos traseros y 25 psi (172 kPa) en las ruedas giratorias. Una presión desigual en los neumáticos puede hacer que el corte sea desigual. Las lecturas de presión son más exactas cuando los neumáticos están fríos.

Obtenga un nuevo conjunto de rueda giratoria, cojinetes cónicos y juntas de cojinete en su Distribuidor Autorizado Toro.
Retire la contratuerca del perno que sujeta el conjunto de la rueda giratoria en la horquilla (Figura 74).

Sujete la rueda giratoria y retire el perno de la horquilla o del brazo de pivote.
Deseche la rueda giratoria y los cojinetes usados.
Ensamble la rueda giratoria presionando los cojinetes cónicos y las juntas, llenos de grasa, sobre el cubo de la rueda, según se muestra en la Figura 74.
Deslice el espaciador sobre el cubo de la rueda a través de los cojinetes, sujetando el espaciador dentro del cubo de la rueda con 2 espaciadores de cojinete.
Important: Asegúrese de que los labios de la junta no estén doblados hacia dentro.
Instale el conjunto de la rueda giratoria entre la horquilla y fíjelo con el perno y la contratuerca.
Apriete la tuerca hasta que la rueda deje de girar libremente, luego afloje la tuerca justo hasta que la rueda gire libremente.
Conecte una pistola de engrasar al punto de engrase de la rueda giratoria y llénelo de grasa de litio de propósito general No. 2.
El tocar el radiador y las piezas que lo rodean cuando están calientes, o el recibir una descarga de refrigerante caliente bajo presión, puede causar quemaduras graves.
No retire el tapón del radiador cuando el motor está caliente. Siempre deje que el motor se enfríe durante al menos 15 minutos, o hasta que el tapón del radiador esté lo suficientemente frío para poder tocarlo sin quemarse la mano, antes de retirar el tapón del radiador.
No toque el radiador ni las piezas que lo rodean cuando están calientes.
El ventilador y correa de transmisión, al girar, pueden causar lesiones personales.
No haga funcionar la máquina sin que las cubiertas estén colocadas.
Mantenga alejados del ventilador y el eje de transmisión en movimiento los dedos, las manos y la ropa suelta.
Pare el motor y retire la llave de contacto antes de realizar cualquier tarea de mantenimiento.
La ingestión del refrigerante del motor puede causar envenenamiento.
No ingiera el refrigerante del motor.
Mantenga fuera del alcance de niños y animales domésticos.
| Intervalo de mantenimiento y servicio | Procedimiento de mantenimiento |
|---|---|
| Cada vez que se utilice o diariamente |
|
El sistema de refrigeración está lleno de una solución al 50% de agua y anticongelante permanente de etilenglicol. Compruebe el nivel de refrigerante en el depósito de expansión al principio de cada jornada de trabajo antes de arrancar el motor. La capacidad del sistema de refrigeración es de 7.5 litros (6 cuartos de galón).
Compruebe el nivel de refrigerante en el depósito de expansión (Figura 75).
Note: El nivel del refrigerante debe estar entre las marcas en el lateral del depósito.

Si el nivel de refrigerante es bajo, retire el tapón del depósito de expansión y rellene el sistema.
Important: No llene demasiado
Instale el tapón del depósito de expansión.
| Intervalo de mantenimiento y servicio | Procedimiento de mantenimiento |
|---|---|
| Cada vez que se utilice o diariamente |
|
| Cada 200 horas |
|
| Cada 1500 horas |
|
| Cada 2 años |
|
El radiador debe mantenerse limpio para evitar que el motor se recaliente. Puede ser necesario revisar y limpiar el radiador con mayor frecuencia en condiciones extremas de polvo y suciedad.
Note: Si la carcasa del cortacésped o el motor se paran debido al recalentamiento, compruebe primero que no hay una acumulación excesiva de residuos en el radiador.
Limpie el radiador de la manera siguiente:
Abra el capó.
Trabajando desde el lado del ventilador, limpie el radiador con aire comprimido a baja presión (3.45 bar; 50 psi). Repita el procedimiento desde delante del radiador, y luego de nuevo desde el lado del ventilador.
Important: No utilice agua para limpiar el radiador.
Una vez que el radiador esté perfectamente limpio, limpie cualquier acumulación de residuos del canal situado en la base del radiador.
Cierre el capó.
Pare la máquina, mueva el interruptor de elevación de la carcasa hasta la posición de BLOQUEO/PUNTO MUERTO, ponga el freno de estacionamiento y retire la llave de contacto.
Afloje los pernos del panel delantero y retire el panel (Figura 76).

Afloje las dos contratuercas que sujetan el interruptor de seguridad del freno de estacionamiento al soporte.

Mueva el interruptor hacia arriba o hacia abajo en el soporte hasta que la distancia entre el sensor del eje del freno y el émbolo del interruptor sea de 3.9 mm (5/32") como se muestra en (Figura 77).
Note: Asegúrese de que el sensor del eje del freno no toca el émbolo del interruptor.
Apriete las contratuercas del interruptor.
Compruebe el ajuste de la manera siguiente:
Asegúrese de que el freno de estacionamiento está puesto y que usted no está sentado en el asiento, y arranque el motor.
Mueva las palancas de control de movimiento fuera de la posición de BLOQUEO/PUNTO MUERTO.
Note: El motor debe pararse. Si no se detiene, vuelva a comprobar el ajuste del interruptor.
Instale el panel delantero.
| Intervalo de mantenimiento y servicio | Procedimiento de mantenimiento |
|---|---|
| Cada 100 horas |
|
Una tensión correcta permite una desviación de 10 mm (⅜") al aplicar una fuerza de 44 N (10 libras) a la correa, en el punto intermedio entre las poleas.
Si la desviación no es de 10 mm (⅜"), complete el procedimiento siguiente:
Afloje los pernos de montaje del alternador (Figura 78).

Aumente o reduzca la tensión de la correa del alternador y apriete los pernos.
Verifique de nuevo la desviación de la correa para asegurarse de que la tensión es la correcta.
| Intervalo de mantenimiento y servicio | Procedimiento de mantenimiento |
|---|---|
| Cada 50 horas |
|
Las correas de transmisión de las cuchillas, tensadas por la polea a resorte, son muy resistentes. No obstante, después de muchas horas de uso, las correas mostrarán señales de desgaste. Estas señales de desgaste son: chirridos cuando la correa está en movimiento, las cuchillas resbalan durante la siega, bordes deshilachados, quemaduras y grietas. Cambie las correas si existe cualquiera de estas condiciones.
Baje la carcasa de corte al ajuste de altura de corte de 2.54 cm (1"), mueva la palanca del acelerador a la posición de LENTO, pare el motor, ponga el freno de estacionamiento y retire la llave de contacto.
Retire las cubiertas de las correas de la parte superior de la unidad de corte y apártelas.
Usando una llave de carraca u otra herramienta similar, aleje la polea tensora de la correa superior de la correa de transmisión superior para aliviar la tensión de la correa, y retire la correa de las poleas (Figura 79).

Usando una llave de carraca u otra herramienta similar, aleje la polea tensora de la correa inferior de la correa de transmisión inferior para aliviar la tensión de la correa y permitir retirar la correa de las poleas (Figura 79).
Pase una correa nueva alrededor de la polea de la caja de engranajes, las poleas de eje inferiores y el conjunto de la polea tensora, según se muestra en Figura 79.
Pase una correa nueva alrededor de las poleas de eje superiores y el conjunto de la polea tensora, según se muestra en Figura 79.
Instale las cubiertas de la correa.
Pare la máquina, mueva el interruptor de elevación de la carcasa hasta la posición de BLOQUEO/PUNTO MUERTO, ponga el freno de estacionamiento y retire la llave de contacto.
Afloje los pernos del panel delantero y retire el panel (Figura 80).

Afloje los 2 tornillos que fijan el interruptor de seguridad (Figura 81).

Sujetando la palanca de control contra el bastidor, mueva el interruptor hacia la palanca hasta que la distancia entre la palanca y el cuerpo del interruptor sea de 0.4 a 1 mm (0.015" – 0.045"), como se muestra en Figura 81.
Afiance el interruptor.
Repita los pasos 3 a 5 para la otra palanca.
Instale el panel delantero.
Si las palancas de control de movimiento no quedan alineadas con las ranuras de punto muerto al salir de la posición de marcha atrás, es necesario ajustarlas. Ajuste por separado cada palanca, muelle y varilla.
Desengrane la toma de fuerza, ponga la palanca de control en la posición de BLOQUEO/PUNTO MUERTO, y ponga el freno de estacionamiento.
Mueva la palanca del acelerador a la posición de LENTO, pare el motor, retire la llave y espere a que se detengan todas las piezas en movimiento antes de abandonar el puesto del operador.
Afloje los pernos del panel delantero y retire el panel (Figura 82).

Mueva la palanca de control a la posición de PUNTO MUERTO, pero no a la posición de bloqueo (Figura 84).
Tire hacia atrás de la palanca hasta que el pasador (en el brazo situado encima del eje pivotante) entre en contacto con el extremo de la ranura (empezando justo a tensar el resorte) como se muestra en Figura 83.

Compruebe la posición de la palanca de control con relación a la muesca de la consola (Figura 84).
Note: La palanca de control debe estar centrada para que pueda girar hacia fuera a la posición de BLOQUEO/PUNTO MUERTO.

Si es necesario un ajuste, afloje la tuerca y la contratuerca contra la horquilla (Figura 83).
Aplique una ligera presión hacia atrás en la palanca de control de movimiento, y gire la cabeza del perno de ajuste en el sentido apropiado hasta que la palanca de control esté centrada en la posición de BLOQUEO/PUNTO MUERTO (Figura 83).
Note: Si mantiene una presión hacia atrás sobre la palanca, el pasador se mantendrá en el extremo de la ranura y el perno de ajuste podrá desplazar la palanca a la posición apropiada.
Apriete la tuerca y la contratuerca (Figura 83).
Repita los pasos 4 a 9 para la otra palanca de control.
Instale el panel delantero.
Este ajuste debe realizarse con las ruedas motrices girando.
Los gatos mecánicos o hidráulicos pueden no aguantar el peso de la máquina y pueden dar lugar a lesiones graves.
Utilice gatos fijos para apoyar la máquina.
No utilice gatos hidráulicos.
El motor debe estar en marcha para realizar este ajuste. El contacto con piezas en movimiento o superficies calientes puede causar lesiones personales.
Mantenga las manos, los pies, la ropa y otras partes del cuerpo alejados de las piezas en movimiento, el tubo de escape y otras superficies calientes.
Eleve el bastidor y apóyelo en soportes estables para que las ruedas motrices puedan moverse libremente.
Deslice el asiento hacia adelante, desengánchelo y gírelo hacia arriba y hacia adelante.
Desconecte el conector eléctrico del interruptor de seguridad del asiento.
Instale un puente provisional sobre los terminales del conector del arnés de cables.
Arranque el motor, asegúrese de que la palanca del acelerador está en el punto intermedio entre las posiciones de RáPIDO y LENTO, y quite el freno de estacionamiento.
Note: Las palancas de control de movimiento deben estar en la posición de BLOQUEO/PUNTO MUERTO mientras se realizan ajustes.
Ajuste la longitud de la varilla de la bomba en un lado girando el eje hexagonal en el sentido apropiado, hasta que la rueda correspondiente quede estacionaria o se mueva muy lentamente en marcha atrás (Figura 85).

Mueva la palanca de control de movimiento hacia adelante y hacia atrás, y luego a punto muerto otra vez.
Note: La rueda debe dejar de girar o moverse muy lentamente en marcha atrás.
Mueva la palanca del acelerador a la posición de RáPIDO.
Note: Asegúrese de que la rueda queda fija o se mueve lentamente en marcha atrás; ajuste si es necesario.
Repita los pasos 6 a 8 en el otro lado de la máquina.
Apriete las contratuercas de las articulaciones esféricas (Figura 83).
Mueva la palanca del acelerador a la posición de LENTO y pare el motor.
Retire el puente del conector del arnés de cables y enchufe el conector en el interruptor del asiento.
El sistema eléctrico no realizará correctamente la desconexión de seguridad con el puente instalado.
Retire el puente del conector del arnés de cables y enchufe el conector en el interruptor del asiento después de realizar el ajuste.
No haga funcionar nunca esta unidad con el puente instalado y el interruptor del asiento anulado.
Baje el asiento a su posición de trabajo.
Retire los soportes.
Desengrane la TDF, mueva las palancas de control de movimiento a la posición de BLOQUEO/PUNTO MUERTO, y ponga el freno de estacionamiento.
Mueva la palanca del acelerador a la posición de LENTO, pare el motor, retire la llave y espere a que se detengan todas las piezas en movimiento antes de abandonar el puesto del operador.
Afloje los pernos del panel delantero y retire el panel (Figura 86).

Afloje la contratuerca del perno de tope de una de las palancas de control (Figura 87).

Enrosque el perno hasta que haga tope (alejándose de la palanca de control).
Empuje la palanca de control hacia adelante hasta que haga tope, y sujétela en esa posición.
Desenrosque el perno de tope (hacia la palanca de control) hasta que quede una distancia de 1.5 mm (0.060") entre la cabeza del perno de tope y la palanca de control.
Apriete la contratuerca para sujetar el perno de tope.
Repita los pasos 4 a 8 para la otra palanca de control.
Instale el panel delantero.
Note: Si desea reducir la velocidad máxima de la máquina, ajuste la velocidad de ambas palancas de control según lo indicado anteriormente, luego desenrosque cada perno de tope la misma distancia hacia la palanca de control hasta alcanzar la máxima velocidad deseada (probablemente tendrá que comprobar el ajuste varias veces). Asegúrese de que la máquina avanza en línea recta y no gira al empujar ambas palancas de control hacia adelante hasta el tope. Si la máquina gira, los pernos de tope no están ajustados a la misma distancia, y será necesario volver a ajustarlos.
Desengrane la TDF, mueva las palancas de control de movimiento a la posición de BLOQUEO/PUNTO MUERTO y ponga el freno de estacionamiento.
Mueva la palanca del acelerador a la posición de LENTO, pare el motor, retire la llave y espere a que se detengan todas las piezas en movimiento antes de abandonar el puesto del operador.
Afloje los pernos que sujetan las palancas de control (Figura 88).

Haga que otra persona empuje los soportes de las palancas de control (no las palancas de control en sí) hacia adelante, a la posición de velocidad máxima y que los sujete en esa posición.
Ajuste las palancas de control de forma que queden alineadas entre sí y apriete los pernos para fijar las palancas a los soportes (Figura 89).

El depósito se llena en fábrica con aproximadamente 4.7 litros (5 cuartos de galón) de aceite hidráulico/para transmisiones de tractor de alta calidad. El aceite de repuesto recomendado es:
| Toro Premium Transmission/Hydraulic Tractor Fluid (Aceite para transmisiones/aceite hidráulico para tractores de alta calidad) (Disponible en recipientes de 19 litros (5 galones) o en bidones de 208 litros (55 galones). Consulte los números de pieza a su Distribuidor Toro o en el catálogo.) |
Aceites alternativos: Si no se dispone de aceite Toro puede utilizarse aceite hidráulico Mobil® 424.
Note: Toro no asume responsabilidad alguna por daños causados por sustitutos no adecuados.
Note: La mayoría de los fluidos hidráulicos son casi incoloros, por lo que es difícil detectar fugas. Está disponible un aditivo de tinte rojo para el aceite del sistema hidráulico, en botellas de 20 ml (2/3 onza). Una botella es suficiente para 15–22 litros (4–6 galones) de aceite hidráulico. Solicite la pieza Nº 44-2500 a su Distribuidor Autorizado Toro.
| Intervalo de mantenimiento y servicio | Procedimiento de mantenimiento |
|---|---|
| Cada vez que se utilice o diariamente |
|
Verifique el nivel del aceite hidráulico antes de arrancar el motor por primera vez y luego a diario.
Coloque la máquina en una superficie nivelada.
Ponga los controles en la posición de BLOQUEO/PUNTO MUERTO y arranque el motor.
Note: Haga funcionar el motor a la velocidad más baja posible para purgar el aire del sistema. .
Important: No engrane la TDF.
Eleve la carcasa para extender los cilindros de elevación, pare el motor y retire la llave.
Levante el asiento para tener acceso al depósito de aceite hidráulico.
Retire el tapón de llenado de aceite hidráulico del cuello de llenado (Figura 90).

Retire la varilla y límpiela con un paño limpio (Figura 90).
Inserte la varilla en el cuello de llenado; luego retírela y compruebe el nivel de fluido (Figura 90).
Note: Si el nivel de fluido no está entre las muescas de la varilla, añada suficiente fluido hidráulico de alta calidad para que llegue a la zona de las muescas. No llene demasiado.
Vuelva a colocar la varilla y enrosque el tapón de llenado en el cuello de llenado con la presión de los dedos solamente.
Compruebe que no hay fugas en ningún manguito o acoplamiento hidráulico.
| Intervalo de mantenimiento y servicio | Procedimiento de mantenimiento |
|---|---|
| Después de las primeras 200 horas |
|
| Cada 800 horas |
|
Desengrane la TDF, mueva las palancas de control de movimiento a la posición de BLOQUEO/PUNTO MUERTO, y ponga el freno de estacionamiento.
Mueva la palanca del acelerador a la posición de LENTO, pare el motor, retire la llave y espere a que se detengan todas las piezas en movimiento antes de abandonar el puesto del operador.
Coloque un recipiente grande debajo del depósito de aceite hidráulico y el alojamiento de la transmisión y retire los tapones; deje que se vacíe todo el aceite hidráulico (Figura 91).

Limpie la zona alrededor del filtro de aceite hidráulico y retire el filtro (Figura 91).
Instale inmediatamente un filtro de aceite hidráulico nuevo.
Instale los tapones de vaciado del depósito hidráulico y del alojamiento de la transmisión.
Llene el depósito hasta el nivel correcto; consulte Comprobación del sistema hidráulico.
Arranque el motor y compruebe que no hay fugas de aceite.
Haga funcionar el motor durante unos cinco minutos, luego párelo.
Después de dos minutos, compruebe el nivel del fluido hidráulico; consulte Comprobación del sistema hidráulico.
Si usted eleva la máquina usando solamente un gato para apoyarla mientras trabaja debajo de la carcasa del cortacésped, el gato podría volcar, haciendo que caiga la carcasa del cortacésped, aplastándole a usted o a otras personas.
Asegure la máquina siempre con al menos 2 soportes fijos antes de elevar la carcasa de corte.
En la parte superior de la carcasa de corte hay dos cadenas que conectan la carcasa al bastidor. Estas cadenas están conectadas a muelles de torsión tensadas (Figura 92). Si usted desconecta el brazo, la energía almacenada en el muelle de torsión será liberada y podría desplazar los brazos de acoplamiento, causándole lesiones en las manos o los dedos.
Retire la carcasa de corte con cuidado del bastidor, y asegure las cadenas antes de desconectarlas del bastidor.

Mantenga las cuchillas afiladas durante toda la temporada de corte, ya que una cuchilla afilada corta limpiamente y sin rasgar o deshilachar las hojas de hierba. Si se rasgan o se deshilachan, los bordes de las hojas se secarán, lo cual retardará su crecimiento y favorecerá la aparición de enfermedades.
Compruebe cada día que las cuchillas de corte están afiladas y que no están desgastadas o dañadas. Afile las cuchillas siempre que sea necesario. Si una cuchilla está desgastada o deteriorada, sustitúyala inmediatamente por una cuchilla nueva genuina Toro.
Una cuchilla desgastada o dañada puede romperse, y un trozo de la cuchilla podría ser arrojado hacia usted u otra persona, provocando lesiones personales graves o la muerte.
Inspeccione periódicamente las cuchillas, para asegurarse de que no están desgastadas ni dañadas.
Sustituya cualquier cuchilla desgastada o dañada.
Inspeccione las cuchillas cada 8 horas.
Desengrane la TDF, mueva las palancas de control de movimiento a la posición de BLOQUEO/PUNTO MUERTO, y ponga el freno de estacionamiento.
Mueva la palanca del acelerador a la posición de LENTO, pare el motor, retire la llave y espere a que se detengan todas las piezas en movimiento antes de abandonar el puesto del operador.
| Intervalo de mantenimiento y servicio | Procedimiento de mantenimiento |
|---|---|
| Cada vez que se utilice o diariamente |
|
Inspeccione los filos de corte (Figura 93).
Note: Si los bordes no están afilados o tienen muescas, retire las cuchillas y afílelas. Consulte Retirada de las cuchillas y Afilado de las cuchillas.
Inspeccione las cuchillas, especialmente la parte curva (Figura 93).
Note: Si observa daños, desgaste o la formación de una ranura en esta zona, instale inmediatamente una cuchilla nueva (Figura 93).

Si permite que se desgaste la cuchilla, se formará una ranura entre la vela y la parte plana de la cuchilla. Con el tiempo, una parte de la cuchilla puede desprenderse y ser arrojada desde debajo de la plataforma, posiblemente causando lesiones graves a usted o a otra persona.
Inspeccione periódicamente las cuchillas, para asegurarse de que no están desgastadas ni dañadas.
No intente enderezar una cuchilla doblada, y no suelde nunca una cuchilla rota o agrietada.
Sustituya cualquier cuchilla desgastada o dañada.
Desengrane la TDF, mueva las palancas de control de movimiento a la posición de BLOQUEO/PUNTO MUERTO, y ponga el freno de estacionamiento.
Mueva la palanca del acelerador a la posición de LENTO, pare el motor, retire la llave y espere a que se detengan todas las piezas en movimiento antes de abandonar el puesto del operador.
Gire las cuchillas hasta que los extremos estén orientados hacia adelante y hacia atrás (Figura 94).
Note: Mida desde una superficie nivelada hasta el filo de corte, posición A, de las cuchillas (Figura 94). Anote esta dimensión.

Gire hacia adelante los otros extremos de las cuchillas.
Mida desde una superficie nivelada hasta el filo de corte de las cuchillas en la misma posición que en el paso 3 arriba.
Note: La diferencia entre las dimensiones obtenidas en los pasos 3 y 4 no debe superar 3 mm (⅛"). Si esta dimensión es superior a 3 mm (⅛"), la cuchilla está doblada y debe ser cambiada; consulte Retirada de las cuchillas y Instalación de las cuchillas.
Una cuchilla doblada o dañada podría romperse y podría causar graves lesiones o la muerte a usted o a otras personas.
Siempre sustituya una cuchilla doblada o dañada por una cuchilla nueva.
Nunca lime ni cree muescas afiladas en los bordes o en la superficie de la cuchilla.
Las cuchillas deben cambiarse si han golpeado un objeto sólido, si están desequilibradas o si están dobladas. Para asegurar un rendimiento óptimo y el continuado cumplimiento de las normas de seguridad de la máquina, utilice cuchillas de repuesto genuinas Toro. Las cuchillas de repuesto de otros fabricantes pueden hacer que se incumplan las normas de seguridad.
El contacto con una cuchilla afilada puede causar graves lesiones.
Lleve guantes, o envuelva los bordes cortantes de la cuchilla con un trapo.
Sujete el extremo de la cuchilla usando un trapo o un guante grueso.
Retire del eje de la cuchilla el perno de la cuchilla, el protector de césped y la cuchilla (Figura 97).
Mientras se afila una cuchilla, es posible que salgan despedidos trozos de la cuchilla, causando lesiones graves.
Lleve protección ocular adecuada mientras afila las cuchillas.
Afile el filo de corte en ambos extremos de la cuchilla (Figura 95).
Note: Mantenga el ángulo original. La cuchilla permanece equilibrada si se retira la misma cantidad de material de ambos bordes de corte.

Verifique el equilibrio de la cuchilla colocándola sobre un equilibrador de cuchillas (Figura 96).
Note: Si la cuchilla se mantiene horizontal, está equilibrada y puede utilizarse. Si la cuchilla no está equilibrada, rebaje algo el metal en la parte de la vela solamente con una lima (Figura 97). Repita este procedimiento hasta que la cuchilla esté equilibrada.

Instale la cuchilla en el eje (Figura 97).
Important: La parte curva de la cuchilla debe apuntar hacia arriba, hacia el interior del cortacésped para asegurar un corte correcto.
Instale la placa protectora de césped y el perno de la cuchilla (Figura 97).

Apriete el perno de la cuchilla a 115-150 N·m (85-110 pies-libra).
Si el corte no es uniforme en toda la anchura de siega, corríjalo de la siguiente manera:
Coloque la máquina en una superficie nivelada.
Ajuste la unidad de corte a la altura de corte deseada, mueva la palanca del acelerador a la posición de LENTO, pare el motor, ponga el freno de estacionamiento y retire la llave de contacto.
Compruebe y ajuste la presión de los neumáticos delanteros y traseros; consulte Comprobación de la presión de los neumáticos.
Compruebe la rectitud de las cuchillas.
Retire las cubiertas de la parte superior de las unidades de corte.
Gire la cuchilla de cada eje hasta que los extremos estén orientados hacia adelante y hacia atrás.
Mida desde el suelo hasta la punta delantera del filo de corte.
Ajuste las contratuercas que fijan las horquillas/cadenas a la carcasa del cortacésped hasta que la carcasa del cortacésped quede nivelada.

La inclinación longitudinal de la cuchilla es la diferencia de altura de corte entre la parte delantera del plano de la cuchilla hasta la parte trasera del plano de la cuchilla. Utilice una inclinación de las cuchillas de 8 mm (5/16") aproximadamente. Es decir, la parte trasera del plano de la cuchilla debe estar 8 mm (5/16") más alta que la parte delantera.
Coloque la máquina en una superficie nivelada.
Ajuste la unidad de corte a la altura de corte deseada, mueva la palanca del acelerador a la posición de LENTO, pare el motor, ponga el freno de estacionamiento y retire la llave de contacto.
Gire la cuchilla central hasta que esté orientada directamente hacia adelante.
Usando una regla corta, mida desde el suelo hasta la punta delantera de la cuchilla.
Gire la misma punta de cuchilla hacia atrás, y mida la distancia entre el suelo y la punta de la cuchilla en la parte trasera de la carcasa.
Reste la dimensión delantera a la dimensión trasera para calcular la inclinación de la cuchilla.
Ajuste las contratuercas que fijan las horquillas/cadenas de la parte trasera de la carcasa para elevar la parte trasera, hasta que la inclinación de las cuchillas sea de 8 mm (5/16") (Figura 99).

Si el hueco de descarga se deja destapado, el cortacésped podría arrojar objetos hacia usted o hacia otras personas y causar lesiones graves. También podría producirse un contacto con la cuchilla.
No utilice la máquina nunca sin tener instalado un kit de mulching o el deflector de hierba.
Compruebe que el deflector de hierba está bajado.
Baje la unidad de corte al suelo del taller, mueva la palanca del acelerador a la posición de LENTO, pare el motor, ponga el freno de estacionamiento y retire la llave de contacto.
Retire la contratuerca, el perno, el muelle y el espaciador que sujetan el deflector a los soportes de pivote (Figura 100).
Note: Retire el deflector de hierba dañado o desgastado.

Coloque el espaciador y el muelle entre los soportes del deflector de hierba nuevo (Figura 100).
Note: Coloque el gancho en J del extremo izquierdo del muelle detrás del reborde de la carcasa.
Note: Asegúrese de colocar el gancho en J del extremo izquierdo del muelle detrás del reborde de la carcasa antes de instalar el perno, según se muestra en Figura 100.
Instale el perno y la tuerca
Note: Coloque el gancho en J del extremo derecho del muelle alrededor del deflector de hierba (Figura 100).
Important: El deflector de hierba debe poder bajar a su posición. Levante el deflector para verificar que puede bajar del todo.
| Intervalo de mantenimiento y servicio | Procedimiento de mantenimiento |
|---|---|
| Cada vez que se utilice o diariamente |
|
Retire a diario cualquier acumulación de hierba de los bajos del cortacésped.
Desengrane la TDF, mueva las palancas de control de movimiento a la posición de BLOQUEO/PUNTO MUERTO, y ponga el freno de estacionamiento.
Mueva la palanca del acelerador a la posición de LENTO, pare el motor, retire la llave y espere a que se detengan todas las piezas en movimiento antes de abandonar el puesto del operador.
Eleve el cortacésped a la posición de TRANSPORTE.
Eleve la parte delantera de la máquina del suelo usando soportes fijos.
Limpie los bajos del cortacésped a fondo con agua.
El aceite de motor, las baterías, el aceite hidráulico y el refrigerante del motor son contaminantes. Elimínelos de acuerdo con la normativa estatal y local.
Limpie a fondo la máquina, la carcasa y el motor, prestando atención especial a estas zonas:
Radiador y rejilla
Debajo de la carcasa
Debajo de las cubiertas de las correas de la carcasa
Muelles de contrapresión
Conjunto del eje de la TDF
Todos los engrasadores y puntos de pivote
Retire el panel de control y limpie el interior de la caja de control
Debajo de la placa del asiento y la parte suprior de la transmisión
Compruebe la presión de los neumáticos delanteros y traseros y ajústela; consulte Comprobación de la presión de los neumáticos.
Retire, afile y equilibre las cuchillas del cortacésped. Instale las cuchillas y apriete los pernos/las tuercas a 115–149 N·m (85–110 pies-libra).
Compruebe que todos los herrajes están bien apretados; apriételos si es necesario. En particular, apriete los 6 pernos que fijan el bastidor de la carcasa de corte a la unidad de tracción (Figura 101) a 359 N·m (265 pies-libra).

Aplique grasa o aceite a todos los engrasadores y pivotes, y a los émbolos de las válvulas de alivio de la transmisión. Limpie cualquier exceso de lubricante.
Lije suavemente y aplique pintura de retoque a cualquier zona pintada que esté rayada, desbastada u oxidada. Repare cualquier desperfecto de la carrocería.
Preparación de la batería y los cables:
Retire los terminales de los bornes de la batería.
Limpie la batería, los terminales y los bornes con un cepillo de alambre y una solución de bicarbonato.
Aplique una capa de grasa protectora Grafo 112X (N° de Pieza Toro 505-47) o de vaselina a los terminales de los cables y a los bornes de la batería para evitar la corrosión.
Recargue la batería lentamente durante 24 horas cada 60 días para evitar el sulfatado de plomo de la batería.
Vacíe el aceite de motor del cárter y vuelva a colocar el tapón de vaciado.
Sustituya el filtro de aceite.
Llene el motor con el aceite de motor recomendado.
Arranque el motor y déjelo funcionar a velocidad de ralentí durante dos minutos.
Vacíe el combustible del depósito de combustible, los tubos, la bomba, el filtro y el separador de combustible. Enjuague el depósito de combustible con combustible diésel limpio y conecte todos los tubos de combustible.
Realice una limpieza y un mantenimiento completos del conjunto del limpiador de aire.
Selle la entrada del limpiador de aire y la salida del tubo de escape con cinta impermeabilizante.
Compruebe que el tapón de llenado de aceite y el del depósito de combustible están firmemente colocados.
