| Vedligeholdelsesintervaller | Vedligeholdelsesprocedure |
|---|---|
| Hver anvendelse eller dagligt |
|
Dette er en plænetraktor med knivcylindre, der er beregnet til brug af professionelle, ansatte operatører i kommercielle anvendelsesområder. Den er primært beregnet til klipning af græs på velholdte plæner på golfbaner, i parker, på sportsbaner og kommercielle områder. Den er ikke beregnet til at klippe krat, slå græs eller anden bevoksning langs motorveje eller til landbrugsformål.
Læs denne vejledning omhyggeligt, så du kan lære at betjene og vedligeholde produktet korrekt samt undgå person- og produktskade. Det er dit ansvar at betjene produktet korrekt og sikkert.
Du kan kontakte Toro direkte på www.Toro.com for at få oplysninger om produkter og tilbehør, hjælp til at finde en forhandler og for at registrere dit produkt.
Når du har brug for service, originale Toro-dele eller yderligere oplysninger, bedes du kontakte en autoriseret serviceforhandler eller Toros kundeservice samt have produktets model- og serienummer parat. Model- og serienumre kan findes på en plade, der er monteret på stellets venstre side under fodstøtten. Skriv numrene, hvor der er gjort plads til dette.
Denne betjeningsvejledning beskriver potentielle risici og indeholder sikkerhedsmeddelelser, der angives med advarselssymbolet (Figur 1). Dette angiver en farekilde, der kan medføre alvorlig personskade eller død, hvis du ikke følger de anbefalede forholdsregler.

Denne betjeningsvejledning bruger to andre ord til at fremhæve oplysninger. Vigtigt henleder opmærksomheden på særlige mekaniske oplysninger, og Bemærk angiver generel information, som det er værd at lægge særligt mærke til.
Dette produkt overholder alle relevante EU-direktiver. Yderligere oplysninger fås på den separate produktspecifikke overensstemmelseserklæring.
CALIFORNIEN
Advarsel i henhold til erklæring nr. 65
Dieselmotorens udstødningsgas og nogle af dens bestanddele er ifølge staten Californien kræftfremkaldende og kan medføre fødselsskader eller andre forplantningsskader.
Da der i nogle områder er lokale eller nationale foreskrifter, som kræver, at der anvendes en gnistfanger på denne maskines motor, er der en gnistfanger indbygget i lydpotenheden.
Originale Toro-gnistfangere er godkendt af USDA Forestry Service (USDA-skovbrugstjeneste).
Important: Denne motor er udstyret med en gnistfangerlydpotte. Det er en overtrædelse af California Public Resource Code Section 4442 at bruge eller betjene denne motor på et skovbegroet, buskbegroet eller græsbegroet område uden en gnistfangerlydpotte, som vedligeholdes og er i god driftsmæssig stand, eller en motor, som er begrænset, udstyret og vedligeholdt til brandforebyggelse. Andre stater eller føderale områder kan have lignende lovgivning.
Hvis operatøren eller ejeren anvender eller vedligeholder maskinen forkert, kan det medføre personskade. For at nedsætte risikoen for personskade skal operatøren følge sikkerhedsforskrifterne og altid være opmærksom på advarselssymbolerne, der betyder Forsigtig, Advarsel eller Fare – personlig sikkerhedsanvisning. Hvis sikkerhedsanvisningen ikke overholdes, kan det medføre personskade eller død.
Følgende instruktioner er fra CEN-standard EN 836:1997, ISO-standard 5395:1990 og ANSI B71.4-2012.
Læs betjeningsvejledningen og andet uddannelsesmateriale omhyggeligt. Bliv fortrolig med betjeningsanordningerne og sikkerhedssymbolerne, samt hvordan udstyret bruges korrekt.
Lad aldrig børn eller andre personer, der ikke kender denne vejledning, bruge eller foretage eftersyn af plæneklipperen. Vær opmærksom på, at lokale forskrifter kan angive en mindstealder for operatøren.
Klip aldrig græs, når der er mennesker, især børn, eller kæledyr i nærheden.
Husk, at operatøren eller brugeren er ansvarlig for ulykker eller farer, der måtte ramme andre mennesker eller deres ejendom.
Kør ikke med passagerer.
Alle førere og mekanikere skal indhente og få professionel og praktisk vejledning. Ejeren er ansvarlig for uddannelsen af brugerne. En sådan vejledning skal understrege:
behovet for omtanke og koncentration, når der arbejdes med plænetraktorer;
herredømmet over en plænetraktor, der glider på en bakkeskråning, kan ikke genvindes ved at bruge bremsen. Hovedårsagerne til mistet herredømme er:
utilstrækkeligt hjulgreb;
for hurtig kørsel;
utilstrækkelig opbremsning;
maskintypen er uegnet til formålet;
manglende kendskab til jordforholdenes betydning, især skråninger;
forkert bugsering og lastfordeling.
Ejeren/brugeren kan forhindre og er ansvarlig for ulykker eller personskader, som måtte ramme vedkommende selv, andre personer eller ejendom.
Brug altid hensigtsmæssigt fodtøj, lange bukser, sikkerhedshjelm, sikkerhedsbriller og høreværn under brug. Langt hår, løsthængende tøj eller smykker kan blive filtret ind i bevægelige dele. Betjen ikke udstyret, når du går med bare fødder eller med åbne sandaler.
Undersøg nøje området, hvor udstyret skal anvendes, og fjern alle genstande, som kan blive slynget ud af maskinen.
Advarsel – brændstof er meget brandfarligt. Træf følgende forholdsregler:
Opbevar brændstof i beholdere, der er specielt konstrueret til formålet.
Fyld kun brændstof på udendørs, og ryg aldrig under påfyldningen.
Fyld brændstof på, før du starter motoren. Fjern aldrig dækslet til brændstoftanken, og fyld aldrig brændstof på, mens motoren kører eller er varm.
Hvis du spilder brændstof, skal du ikke forsøge at starte motoren, men flytte maskinen væk fra det sted, hvor brændstoffet er spildt. Foretag dig ikke noget, der kan antænde brændstoffet, før dampene er spredt.
Sæt alle dæksler til brændstoftanke og beholdere forsvarligt på igen.
Udskift defekte lydpotter.
Bedøm terrænet, så du kan vælge det nødvendige tilbehør og udstyr til korrekt og sikker udførelse af opgaven. Brug kun tilbehør og udstyr, der er godkendt af producenten.
Kontroller, at dødemandsgreb, sikkerhedskontakter og afskærmninger er korrekt påmonteret og fungerer korrekt. Betjen ikke maskinen, medmindre disse fungerer korrekt.
Lad ikke motoren køre i et uventileret rum, hvor der kan samles farlige kuliltedampe.
Klip kun græs i dagslys eller i godt, kunstigt lys.
Før du forsøger at starte motoren, skal du udkoble alle koblinger til fastspændte knivanordninger, sætte maskinen i frigear og aktivere parkeringsbremsen.
Husk, at der ikke findes sikre skråninger. Kørsel på græsskråninger kræver særlig opmærksomhed. For at forhindre, at maskinen vælter, skal følgende forholdsregler overholdes:
undgå pludselig standsning eller start, når der køres op og ned ad skråninger,
kørselshastigheden bør være lav på skråninger og i skarpe sving,
vær opmærksom på små forhøjninger og huller samt andre skjulte farer,
Drej ikke skarpt. Vær forsigtig, når du bakker.
brug modvægt(e) eller hjulvægte, når det er foreslået i betjeningsvejledningen.
Vær opmærksom på huller i terrænet samt andre skjulte risici.
Hold øje med trafikken, når du krydser eller kører i nærheden af veje.
Stop skæreknivenes rotation, før du krydser andre overflader end græs.
Når du bruger påmonterede redskaber, må du aldrig rette udblæsning af materiale mod omkringstående eller tillade nogen at komme nær maskinen, mens den kører.
Brug aldrig plæneklipperen med beskadigede værn, afskærmninger eller uden korrekt påmonterede sikkerhedsanordninger. Sørg for, at alle sikkerhedskontakter er påmonteret, korrekt justeret og fungerer korrekt.
Lav ikke om på motorens regulatorindstillinger, og kør ikke motoren ved for høj hastighed. Hvis motoren betjenes ved for høj hastighed, kan risikoen for personskade øges.
Før du forlader førersædet:
stands på plan grund;
udkobl kraftudtaget, og sænk redskaberne,
skift til frigear, og aktiver parkeringsbremsen;
stop motoren, og fjern nøglen.
Sørg for at udkoble drevet til redskaberne, når du transporterer maskinen fra et sted til et andet, eller når den ikke anvendes.
Sørg for at standse motoren, og kontroller, at drevet til redskaberne er udkoblet:
før du påfylder brændstof,
før græsfanget/græsfangene fjernes,
før du foretager højdejusteringer, medmindre justeringen kan foretages derfra, hvor operatøren befinder sig,
før du fjerner blokeringer,
før du efterser, rengør eller arbejder på plæneklipperen,
efter at du har ramt et fremmedlegeme, eller hvis der forekommer en unormal vibration. Efterse plæneklipperen for skader, og foretag udbedringer, før du starter og betjener udstyret igen.
Du skal nedsætte indstillingen for motorens hastighed, når motoren er ved at standse, og, hvis motoren er udstyret med en brændstofafbryderventil, skal du lukke for brændstoftilførslen, når du er færdig med at slå græs.
Hold hænder og fødder væk fra klippeenhederne.
Se bagud og ned for at sikre, at der er fri bane, før du bakker.
Sænk farten, og vær forsigtig, når du vender og krydser veje og fortove. Stop cylindrene/knivcylindrene, hvis du ikke klipper.
Betjen ikke plæneklipperen, hvis du er påvirket af alkohol eller medicin.
Lyn kan forårsage alvorlig personskade eller død. Hvis der observeres lyn eller høres torden i området, må maskinen ikke anvendes. Søg ly.
Vær forsigtig, når du læsser maskinen på eller af en trailer eller lastbil.
Vær forsigtig, når du nærmer dig blinde hjørner, buske, træer eller andre genstande, der kan blokere for udsynet.
Hold alle møtrikker, bolte og skruer tilspændte for at sikre, at udstyret er i sikker driftsmæssig stand.
Opbevar aldrig udstyret med brændstof i tanken i en bygning, hvor brandfarlige dampe kan nå åben ild eller gnister.
Lad motoren køle af, før du opbevarer maskinen på et lukket sted.
Mindsk brandfaren ved at holde motoren, lydpotten, batterirummet og brændstofopbevaringsområdet fri for græs, blade eller for meget fedt.
Efterse jævnligt græsfanget for slid eller skader.
Hold alle dele i god driftsmæssig stand og alle beslag og hydraulikfittinger tilspændt. Udskift alle slidte eller beskadigede dele og mærkater.
Hvis brændstoftanken skal tømmes, skal dette foregå udendørs.
Vær forsigtig, når du justerer maskinen, for at undgå at få fingrene ind mellem roterende knive og maskinens faste dele.
I forbindelse med maskiner med flere cylindre/knivcylindre skal du være forsigtig, da blot én roterende cylinder/knivcylinder kan få de øvrige cylindre/knivcylindre til at rotere.
Udkobl drevene, sænk klippeenhederne, aktiver parkeringsbremsen, stop motoren, og tag nøglen ud af tændingen. Vent, til al bevægelse er standset, før du justerer, rengør eller reparerer udstyret.
Fjern græs og andet affald fra klippeenhederne, drevene, lydpotterne og motoren for at forhindre brand. Tør spildt olie eller brændstof op.
Brug om nødvendigt støttebukke til at understøtte komponenter.
Tag forsigtigt trykket af komponenter, hvori der er oplagret energi.
Frakobl batteriet, før du foretager reparationer. Frakobl minuspolen først og pluspolen sidst. Tilslut pluspolen først og minuspolen sidst.
Vær forsigtig, når du efterser cylindrene/knivcylindrene. Brug handsker, og vær forsigtig, når de efterses.
Hold hænder og fødder væk fra bevægelige dele. Undgå om muligt at foretage justeringer, mens motoren kører.
Oplad batterierne på et åbent sted med god ventilation, væk fra gnister og åben ild. Træk stikket til opladeren ud af stikkontakten, før den tilsluttes eller frakobles batteriet. Brug beskyttelsesdragt og isoleret værktøj.
Nedenstående liste indeholder sikkerhedsoplysninger specifikt for Toro-produkter eller andre sikkerhedsoplysninger, du skal kende, og som ikke er indeholdt i CEN-, ISO- eller ANSI-standarderne.
Dette produkt kan afskære hænder og fødder samt udslynge genstande. Følg altid sikkerhedsforskrifterne for at undgå alvorlig personskade eller død.
Brug af dette produkt til andre formål, end det er beregnet til, kan være farligt for brugeren og omkringstående personer.
Motorudstødningen indeholder kulilte, som er en lugtfri, dødbringende gift.
Lad ikke motoren køre indendørs eller i et indelukket område.
Du skal vide, hvordan man standser motoren hurtigt.
Betjen ikke maskinen iført tennissko eller gummisko.
Brug af sikkerhedsfodtøj og lange bukser anbefales og kræves i henhold til visse lokale forskrifter og forsikringsbestemmelser.
Brændstof skal håndteres forsigtigt. Tør eventuelt spildt brændstof op.
Kontroller hver dag, om sikkerhedskontakterne fungerer korrekt. Hvis en kontakt ikke fungerer korrekt, skal den udskiftes, før maskinen betjenes.
Sæt dig på førersædet, før motoren startes.
Det kræver koncentration at bruge maskinen. Gør følgende for at undgå at miste herredømmet over maskinen:
Kør ikke tæt på bunkere, grøfter, vandløb eller andre farer.
Sænk hastigheden, når du foretager skarpe drejninger. Undgå at stoppe og starte pludseligt.
Når du befinder dig i nærheden af, eller når du krydser veje, skal du altid holde tilbage.
Aktiver driftsbremserne, når du kører ned ad en bakke for at bevare den langsomme fremdrift og for at bevare kontrollen over maskinen.
Klippeenhederne skal være hævet ved kørsel fra et arbejdsområde til et andet.
Rør ikke ved motoren, lydpotten eller udstødningsrøret, mens motoren kører, eller kort tid efter den er stoppet, da disse områder kan være så varme, at de kan forårsage brandsår.
Hvis motoren sætter ud eller taber fremdriftsmoment, så den ikke kan køre helt til toppen af skråningen, skal du ikke vende maskinen. Bak altid langsomt lige ned ad skråningen.
Stop klipningen, hvis en person eller et dyr uventet dukker op i eller nær klipningsområdet. Skødesløs betjening kan i kombination med terrænets hældning, rikochetterede genstande eller forkert anbragte sikkerhedsafskærmninger føre til skader på grund af udslyngning af genstande. Genoptag ikke klipningen, før området er ryddet.
Sørg for, at alle hydraulikrørsforbindelser er fast tilspændte, og at alle hydraulikslanger og rør er i god stand, før der sættes tryk på systemet.
Hold kroppen og hænderne væk fra små lækagehuller eller dyser, der sprøjter hydraulikvæske ud under højtryk. Brug papir eller pap, ikke dine hænder, til at finde lækager. Hydraulikvæske, der trænger ud under tryk, kan have tilstrækkelig kraft til at gå gennem huden og forårsage alvorlig personskade. Søg straks lægehjælp, hvis der sprøjtes væske ind under huden.
Før du afbryder eller udfører arbejde på hydrauliksystemet, skal hele trykket tages af systemet ved at stoppe motoren og sænke klippeenhederne og redskaberne ned på jorden.
Kontroller regelmæssigt alle brændstofrørs tæthed og tilstand. Tilspænd eller reparer dem som nødvendigt.
Hvis motoren skal køre for at udføre en vedligeholdelsesjustering, skal du holde hænder, fødder, tøj og alle kropsdele væk fra klippeenhederne, redskaber og bevægelige dele. Hold alle personer på afstand.
Få en autoriseret Toro-forhandler til at kontrollere det maksimale motoromdrejningstal med en omdrejningstæller af hensyn til sikker og nøjagtig drift.
Kontakt en autoriseret Toro-forhandler, hvis større reparationer er nødvendige, eller hvis du har brug for anden hjælp.
Brug kun Toro-godkendte redskaber og reservedele. Garantien kan bortfalde, hvis der bruges udstyr, som ikke er godkendt til maskinen.
Maskinen har et garanteret lydstyrkeniveau på 103 dBA, hvori der er medtaget en usikkerhedsværdi (K) på 1 dBA.
Lydeffektniveauet er fastlagt i overensstemmelse med procedurerne beskrevet i ISO 11094.
Maskinen har et lydtryksniveau ved brugerens øre på 86 dBA, hvori der er medtaget en usikkerhedsværdi (K) på 1 dBA.
Lydtryksniveauet er fastlagt i overensstemmelse med procedurerne beskrevet i EN 836.
Hånd-Arm
Målt vibrationsniveau for højre hånd = 0,98 m/s2
Målt vibrationsniveau for venstre hånd = 0,66 m/s2
Usikkerhedsværdi (K) = 0,5 m/s2
De målte værdier er fastlagt i overensstemmelse med procedurerne beskrevet i EN 836.
Hele kroppen
Målt vibrationsniveau = 0,31 m/s2
Usikkerhedsværdi (K) = 0,15 m/s2
De målte værdier er fastlagt i overensstemmelse med procedurerne beskrevet i EN 836.
Motoren i denne maskine er EPA Tier 4 Final- og Stage 3b-kompatibel.
![]() |
Sikkerheds- og instruktionsmærkaterne kan nemt ses af operatøren og er placeret tæt på potentielle risikoområder. Beskadigede eller bortkomne mærkater skal udskiftes. |

















Note: Maskinens venstre og højre side er som set fra den normale betjeningsposition.
Dækkene er oppumpede med overtryk med henblik på forsendelse. Luk derfor noget af luften ud for at reducere trykket. Det korrekte lufttryk for for- og bagdæk er 0,83 til 1,03 bar.
Important: Oprethold jævnt tryk i alle dæk for at sikre ensartet kontakt med plænen.
Trinhøjden kan justeres for at give føreren maksimal komfort.
Fjern de to bolte og møtrikker, der fastgør trinbeslagene til traktionsenhedens ramme (Figur 2)

Hæv eller sænk trinnet til den ønskede højde, og fastspænd igen beslagene på rammen med de to bolte og møtrikker.
Gentag proceduren på det andet trin.
Styrearmens position kan justeres for at give føreren maksimal komfort.
Løsn de to bolte, der fastgør styrearmen til holdebeslaget (Figur 3).

Drej styrearmen til den ønskede position, og spænd de to bolte.
Dele, der skal bruges til dette trin:
| Forreste slangeholder – højre. | 1 |
| Forreste slangeholder – venstre. | 1 |
Fjern knivcylindermotorerne fra leveringsbeslagene.
Fjern leveringsbeslagene, og bortskaf dem.
Tag klippeenhederne ud af papkasserne. Saml og juster som beskrevet i betjeningsvejledningen til klippeenheden.
Sørg for, at kontravægten (Figur 4) er monteret i den rigtige ende af klippeenheden som beskrevet i betjeningsvejledningen til klippeenheden.

Alle klippeenheder leveres med græskompensationsfjederen monteret på højre side af klippeenheden. Græskompensationsfjederen skal monteres på samme side af klippeenheden som knivcylinderens drivmotor. Græskompensationen flyttes som følger:
Fjern de to bræddebolte og møtrikker, der fastholder stangbeslaget på klippeenhedens tapper (Figur 5).

Fjern den flangemøtrik, der fastgør fjederrørets bolt på bærerammens tap (Figur 5). Fjern enheden.
Monter fjederrørets bolt på den modsatte tap på bærerammen, og fastgør med flangemøtrikken. Boltens hoved skal placeres på tappens udvendige side som vist i Figur 6.

Monter stangbeslaget på klippeenhedens tapper med bræddebolte og møtrikker (Figur 6).
Important: På den fjerde (forrest til venstre) og femte (forrest til højre) klippeenhed (Figur 7) bruges stangbeslagets monteringsmøtrikker til at montere slangeholderne forrest på klippeenhedens tapper (Figur 8). Slangeholderne skal læne imod den midterste klippeenhed (Figur 8 og Figur 9).



Note: Ved montering eller afmontering af klippeenheder skal det sikres, at låseclipsen er monteret i fjederstangens hul ved siden af stangbeslaget. Når klippeenhederne ikke monteres eller afmonteres, skal det sikres, at låseclipsen er monteret hullet i stangens ende.
Sænk alle løftearme fuldstændigt.
Fjern låsestiften og hætten fra løftearmens drejegaffel (Figur 10).

Hvad angår de forreste klippeenheder, skubbes en klippeenhed ind under løftearmen, mens bærerammeakslen sættes op i løftearmens drejegaffel (Figur 11).

Brug følgende procedure for de bageste klippeenheder, når klippehøjden er over 19 mm.
Sæt hætten over bærerammens aksel og løftearmsgaflen.
Fastgør hætte og bærerammens aksel på løftearmsgaflen med låsestiften. Brug rillen, hvis der ønskes en klippeenhed med styring, eller brug hullet, hvis klippeenheden skal fastlåses i positionen (Figur 10).
Fastgør løftearmskæden til kædebeslaget med låsestiften (Figur 13). Brug det antal kædeled, der er anført i betjeningsvejledningen til klippeenheden.

På den fjerde (forrest til venstre) og femte (forrest til højre) klippeenhed sættes knivcylindermotorens slanger i den respektive slangeholder.
Kom rent smørefedt på knivcylindermotorens notaksel.
Smør knivcylindermotorens O-ring, og monter den på motorflangen.
Monter motoren ved at dreje den med uret, således at motorflangerne går fri af boltene (Figur 14). Drej motoren mod uret, indtil flangerne indeslutter boltene, og tilspænd så boltene.
Important: Sørg for, at knivcylindermotorens slanger ikke er snoede, bukkede eller i fare for at komme i klemme.

Græskompensationsfjederen (Figur 15) overfører også vægt fra forrullen til bagrullen. (Dette medvirker til at reducere dannelsen af et bølgemønster i grønsværen, også kaldet ondulation.)
Important: Foretag justeringerne af fjederen, mens klippeenheden er monteret på traktionsenheden, peger lige frem og er sænket ned på gulvet.
Sørg for, at låseclipsen er monteret i det bageste hul i fjederstangen (Figur 15).

Stram sekskantmøtrikkerne på forenden af fjederstangen, indtil fjederens sammentrykkede længde er 12,7 cm på Reelmaster 5410, 12,7 cm-klippeenheder, eller 15,9 cm på Reelmaster 5510, 17,8 cm-klippeenheder (Figur 15).
Note: Ved drift i ujævnt terræn skal fjederlængden mindskes med 12,7 mm. Kontakten med terrænet mindskes en smule.
Dele, der skal bruges til dette trin:
| Støtteben til klippeenhed | 1 |
Når det er nødvendigt at vippe klippeenheden, så bundkniven/knivcylinderen kommer til syne, skal det bageste af klippeenheden understøttes med støttebenet for at sikre, at møtrikkerne på den bageste del af bundtværstangens justeringsskruer ikke hviler på arbejdsfladen (Figur 16).

Fastgør støttebenet til kædebeslaget med låsestiften (Figur 17).


Sædejusteringshåndtaget (Figur 19) giver mulighed for at justere sædet fremad og bagud. Vægtjusteringsknappen justerer sædet i henhold til førerens vægt. Vægtmåleren angiver, hvornår sædet er justeret til førerens vægt. Højdejusteringsknappen justerer sædet i henhold til førerens højde.

Traktionspedalen (Figur 20) styrer maskinens kørsel frem og tilbage. Tryk på den øverste del af pedalen for at køre fremad og på den nederste del af pedalen for at bakke. Kørehastigheden afhænger af, hvor langt pedalen er trådt ned. Hvis der skal køres med maksimal hastighed uden belastning, skal pedalen trykkes ned, mens indstillingen for motorens hastighed står i hurtig position.
Sådan standser du: Let foden fra traktionspedalen, og lad pedalen vende tilbage til midterpositionen.

Når klippehastighedsbegrænseren (Figur 20) er vippet op, regulerer den klippehastigheden og lader klippeenhederne blive koblet til. Hver afstandsklods justerer klippehastigheden med 0,8 km/t. Jo flere afstandsklodser du har oven på bolten, jo langsommere kører du. Ved transport vippes klippehastighedsbegrænseren tilbage, og du vil have maksimal transporthastighed.
Træd på bremsepedalen (Figur 20) for at standse maskinen.
Parkeringsbremsen (Figur 20) aktiveres ved at trykke ned på bremsepedalen og trykke den øverste del fremad for at låse. Parkeringsbremsen udløses ved at træde bremsepedalen ned, indtil parkeringsbremselåsen trækkes tilbage.
Hvis du ønsker at vippe rattet mod dig selv, skal du trykke ned på fodpedalen (Figur 20), og trække ratstammen mod dig selv til den mest behagelige position, og dernæst slippe pedalen.
Kontakten til motorhastighed (Figur 21) har to tilstande til ændring af motorhastigheden. Ved midlertidigt at slå på kontakten kan motorhastigheden øges eller mindskes i intervaller på 100 o/min. Ved at holde kontakten nede skifter motoren automatisk til høj eller lav tomgang afhængig af, hvilken ende af kontakten der trykkes ned.

Brug til-/frakoblingskontakten (Figur 21) sammen med sænk+klip/hæv-håndtaget til at betjene skærehovederne.
Infocenterets LCD-display viser oplysninger om maskinen, som f.eks. driftsstatus, diverse diagnostikoplysninger og andre oplysninger om maskinen (Figur 21).
Tændingskontakten (Figur 21) har tre positioner: Slukket, Tændt/kør og Start.
Dette håndtag (Figur 21) hæver og sænker klippeenhederne og starter og standser endvidere klippehovederne, når de er aktiveret i klippetilstanden. Klippehovederne kan ikke sænkes, når klippe-/transporthåndtaget står i transportpositionen.
Drej kontakten nedad for at tænde forlygterne (Figur 21).
Brug baglapningshåndtagene sammen med sænk+klip/hæv-håndtaget til baglapning af knivcylindrene (Figur 22).

Kig på indikatoren (Figur 23), mens motoren kører ved normal driftstemperatur. Den bør være i det grønne område. Hvis indikatoren er i det røde område, skal hydraulikfiltrene udskiftes.

Stikkontakten er en 12 volt strømforsyning til elektroniske apparater (Figur 24).

Infocenterets LCD-display viser oplysninger om din maskine, som f.eks. driftsstatus, diverse diagnostikoplysninger og andre oplysninger om maskinen (Figur 25) Infocenteret har et velkomstbillede og en hovedinformationsskærm. Du kan skifte mellem velkomstbilledet og hovedinformationsskærmen på et hvilket som helst tidspunkt ved at trykke på en vilkårlig infocenter-knap og derefter vælge den korrekte retningspil.

Venstre-knap, menu-/tilbage-knap—tryk på denne knap for at gå ind på infocenterets menuer. Du kan bruge den til at gå ud af en menu, du i øjeblikket er inde i.
Midter-knap – brug denne knap til at rulle ned i menuer.
Højre-knap – brug denne knap til at åbne en menu, hvor en pil til højre viser, at der er yderligere indhold.
Note: Hver knaps funktion ændres afhængigt af, hvad der er påkrævet på et givet tidspunkt. For hver knap er der et ikon, der viser dens aktuelle funktion.
| SERVICE DUE | Angiver, når planlagt serviceeftersyn skal udføres |
![]() | Omdrejningstal/status for motor – viser motorens omdrejningstal |
![]() | Timetæller |
![]() | Infoikon |
![]() | Hurtig |
![]() | Langsom |
![]() | Brændstofstand |
![]() | Stationær regenerering påkrævet |
![]() | Gløderør er aktive |
![]() | Hæv klippeenhederne |
![]() | Sænk klippeenhederne |
![]() | Operatøren skal sidde på sædet |
![]() | Indikator for parkeringsbremse – angiver, når parkeringsbremsen er i positionen On (Til) |
![]() | Identificerer hastigheden som High (Høj – transport) |
![]() | Neutral |
![]() | Identificerer hastigheden som Low (Lav) (Ved klipning) |
![]() | Kølevæskens temperatur – viser motorens kølevæskes temperatur i enten °C eller °F |
![]() | Temperatur (varm) |
![]() | Kraftudtag er indkoblet |
![]() | Afvist eller ikke tilladt |
![]() | Motorstart |
![]() | Stop eller afbryd |
![]() | Motor |
![]() | Tændingskontakt |
![]() | Angiver, når klippeenhederne sænkes |
![]() | Angiver, når klippeenhederne hæves |
![]() | PIN-kode |
![]() | CAN-bus |
![]() | InfoCenter |
![]() | Dårlig eller mislykkedes |
![]() | Pære |
![]() | TEC-styreenhedens eller kontrolkablets udgangsstik i ledningsnettet |
![]() | Kontakt |
![]() | Operatøren skal slippe kontakten |
![]() | Operatøren skal skifte til den tilstand, der er angivet |
| Symboler kombineres ofte for at danne sætninger. Der vises nogle eksempler nedenfor | |
![]() | Operatøren skal sætte maskinen i frigear |
![]() | Motorstart afvist |
![]() | Standsning af motor |
![]() | Motorkølevæske for varm |
![]() | Sid ned, eller aktiver parkeringsbremse |
For at gå ind på infocenterets menusystem skal du trykke på menuknappen, når du er på hovedskærmen. Det bringer dig til hovedmenuen. I disse tabeller kan du se en oversigt over de muligheder, der er tilgængelige i menuerne:
| Hovedmenu | |
| Menuelement | Beskrivelse |
| Fejl | Fejlmenuen indeholder en liste over de seneste maskinfejl. Se servicevejledningen, eller henvend dig til din autoriserede Toro-forhandler for flere oplysninger om fejlmenuen og disse oplysninger. |
| Service | Servicemenuen indeholder oplysninger om maskinen, såsom antal timers drift, tællere og andre lignende tal. |
| Diagnostik | Diagnostikmenuen viser status for hver af maskinens kontroller, sensorer og styreenhedsudgange. Du kan bruge den til fejlfinding ved visse problemer, da den hurtigt kan fortælle dig, hvilke funktioner der er aktiveret, og hvilke der er deaktiveret. |
| Indstillinger | Menuen Indstillinger giver dig mulighed for at tilpasse og ændre konfigurationsvariablerne på infocenterets display. |
| Om | Menuen Om viser maskinens modelnummer, serienummer og softwareversion. |
| Service | |
| Menuelement | Beskrivelse |
| Hours | Viser det samlede antal timer, som maskinen, motoren og kraftudtaget har været tændt, såvel som det antal timer, maskinen er blevet transporteret, og påkrævet service. |
| Optællinger | Viser adskillige optællinger, maskinen har gennemgået. |
| Diagnostik | |
| Menuelement | Beskrivelse |
| Klippeenheder | Angiver inputs, kvalifikatorer og outputs til hævning og sænkning af klippeenhederne. |
| Høj/lav kørselshastighed | Angiver inputs, kvalifikatorer og outputs til kørsel i transportfunktion. |
| Kraftudtag | Angiver inputs, kvalifikatorer og outputs til aktivering af kraftudtagets kredsløb. |
| Motorkørsel | Angiver inputs, kvalifikatorer og outputs til start af motoren. |
| Baglap | Angiver inputs, kvalifikatorer og outputs til brug af baglapningsfunktionen. |
| Indstillinger | |
| Menuelement | Beskrivelse |
| Enheder | Styrer enhederne, der anvendes på infocenteret. Du kan vælge mellem britiske eller metriske enheder |
| Sprog | Styrer sprogene, der anvendes på infocenteret*. |
| LCD-baggrundsbelysning | Styrer LCD-displayets lysstyrke. |
| LCD-kontrast | Styrer LCD-displayets kontrast. |
| Cylinderhastighed for forreste baglapning | Styrer hastigheden på de forreste knivcylindre i baglapningstilstand. |
| Cylinderhastighed for bageste baglapning | Styrer hastigheden på de bageste knivcylindre i baglapningstilstand. |
| Beskyttede menuer | Giver en person, der har fået tilladelse af din virksomhed sammen med PIN-koden, adgang til beskyttede menuer. |
| Automatisk tomgang | Styrer den tilladte tid, før motoren går tilbage til lav tomgang, når maskinen står stille. |
| Skæreknivsantal | Styrer antallet af skæreknive på knivcylinderen for cylinderhastigheden. |
| Klippehastighed | Styrer kørselshastigheden til fastlæggelse af cylinderhastigheden. |
| Klippehøjde | Styrer klippehøjden til fastlæggelse af cylinderhastigheden. |
| Forreste cylinder, o/min | Viser den beregnede cylinderhastighedsposition for de forreste knivcylindre. Knivcylinderne kan også justeres manuelt. |
| Bageste cylinder, o/min | Viser den beregnede cylinderhastighedsposition for de bageste knivcylindre. Knivcylinderne kan også justeres manuelt. |
* Kun den tekst, som vises til operatøren, er oversat. Fejl-, service- og diagnostik vises til serviceteknikere. Titlerne vises på de valgte sprog, men menuenhederne er på engelsk.
| Om | |
| Menuelement | Beskrivelse |
| Model | Viser maskinens modelnummer. |
| SN | Viser maskinens serienummer. |
| Hovedstyreenhedens version | Viser softwareversionen for hovedstyreenheden. |
| Infocenterets version | Viser softwareversionen for infocenteret. |
| CAN-bus | Viser status for maskinens kommunikationsbus. |
Der er 7 indstillinger for driftskonfiguration, som kan justeres i menuen Indstillinger i infocenteret: Tidsforsinkelse for automatisk tomgang, Skæreknivsantal, Klippehastighed, Klippehøjde, Forreste cylinder, Å , og Bageste cylinder, Å . Disse indstillinger kan låses ved at bruge den beskyttede menu.
Note: På leveringstidspunktet er adgangskoden programmeret af din forhandler.
Note: Din maskines fabriksindstillede PIN-kode er enten 0000 eller 1234.Hvis du har ændret PIN-koden og glemt den, skal du kontakte din autoriserede Toro-forhandler for at få hjælp.
Brug den midterste knap på HOVEDMENUEN til at rulle ned til menuen INDSTILLINGER, og tryk på den højre knap (Figur 26).

Brug den midterste knap i menuen INDSTILLINGER til at rulle ned til den BESKYTTEDE MENU, og tryk på den højre knap (Figur 27A).

Indtast PIN-koden ved at trykke på den midterste knap, indtil det første tal vises, og tryk derefter på den højre knap for at gå videre til næste tal (Figur 27B og Figur 27C). Gentag dette trin, indtil det sidste tal er indtastet, og tryk på den højre knap en gang til.
Tryk på den midterste knap for at indtaste PIN-koden (Figur 27D).
Vent, indtil infocenterets røde indikatorlys lyser.
Note: Hvis infocenteret accepterer PIN-koden, og den beskyttede menu låses op, vises ordet "PIN" i øverste højre hjørne af skærmen.
Note: Drej tændingskontakten til positionen OFF (fra) og derefter til positionen ON (til) for at låse den beskyttede menu.
Du kan få vist og ændre indstillingerne i den beskyttede menu. Åbn den beskyttede menu, og rul ned til funktionen Protect Settings (Beskyt indstillinger). Brug den højre knap til at ændre indstillingen. Når Protect Settings indstilles til OFF (fra), kan du se og ændre indstillingerne i den beskyttede menu uden at indtaste PIN-koden. Når Protect Settings indstilles til ON (til), skjules de beskyttede funktioner, og der skal indtastes PIN-kode for at ændre indstillingen i den beskyttede menu. Når du har indstillet PIN-koden, skal tændingskontakten drejes til OFF (fra) og tilbage til positionen ON (til) for at aktivere og gemme denne funktion.
Rul ned til automatisk tomgang i menuen Indstillinger.
Tryk på den højre knap for at ændre tiden for automatisk tomgang til FRA, 8S, 10S, 15S, 20S og 30S.
Rul ned til Skæreknivsantal i menuen Indstillinger.
Tryk på den højre knap for at ændre antallet af skæreknive til mellem 5, 8 eller 11 knivcylindre til skæreknive.
Rul ned til Klippehastighed i menuen Indstillinger.
Tryk på den højre knap for at vælge klippehastigheden.
Brug den midterste og højre knap for at vælge den relevante klippehastighed, som indstilles på den mekaniske klippehastighedsbegrænser på traktionspedalen.
Tryk på den venstre knap for at lukke klippehastigheden og gemme indstillingen.
Rul ned til Klippehøjde i menuen Indstillinger.
Tryk på den højre knap for at vælge klippehøjden.
Brug den midterste og højre knap for at vælge den relevante klippehøjde. (Hvis den korrekte indstilling ikke vises, skal du vælge den nærmeste klippehøjdeindstilling på den viste liste).
Tryk på den venstre knap for at lukke klippehøjden og gemme indstillingen.
Selvom forreste og bageste cylinderhastighed beregnes ved at indtaste antallet af skæreknive, klippehastigheden og klippehøjden i infocenteret, kan indstillingen ændres manuelt, så den passer til forskellige klippeforhold.
For at ændre indstillingerne for cylinderhastighed skal du rulle ned til Forreste cylinder, o/min, Bageste cylinder, o/min, eller begge.
Tryk på den højre knap for at ændre værdien for cylinderhastighed. Når hastighedsindstillingen ændres, vises den beregnede cylinderhastighed fortsat på skærmen baseret på skæreknivsantal, klippehastighed og klippehøjde, der blev indtastet tidligere, men den nye værdi vises også.
Note: Specifikationer og design kan ændres uden forudgående varsel.
| Specifikation | ReelMaster® 5410-D | ReelMaster® 5510-D |
| Transportbredde | 228 cm | 233 cm |
| Klippebredde | 254 cm | 254 cm |
| Længde | 282 cm | 282 cm |
| Højde | 160 cm | 160 cm |
| Vægt(med væsker og klippeenheder med 8 skæreknive) | 1.335 kg | 1.420 kg |
| Motor | Yanmar 36 hk | Yanmar 36 hk |
| Brændstoftankens kapacitet | 53 liter | 53 liter |
| Transporthastighed | 0-16 km/t | 0-16 km/t |
| Klippehastighed | 0-13 km/t | 0-13 km/t |
Der kan fås en række forskellige Toro-godkendte redskaber og tilbehør til brug sammen med maskinen, som gør den bedre og mere alsidig. Kontakt en autoriseret serviceforhandler eller gå ind på www.Toro.com for at få en liste over alt godkendt udstyr og tilbehør.
Note: Maskinens venstre og højre side er som set fra den normale betjeningsposition.
Hvis du lader nøglen sidde i tændingen, kan andre personer utilsigtet komme til at starte motoren og forårsage alvorlig personskade på dig eller andre omkringstående.
Sænk klippeenhederne til jorden, aktiver parkeringsbremsen, og tag nøglen ud af tændingen, før der foretages eftersyn eller justeringer på maskinen.
Før du starter motoren og bruger maskinen, skal du kontrollere oliestanden i motorens krumtaphus. Se Kontrol af motoroliestanden.
Under visse forhold er brændstof meget brandfarligt og yderst eksplosivt. En brand eller eksplosion forårsaget af brændstof kan give dig eller andre forbrændinger samt medføre tingsskade.
Fyld brændstoftankene udendørs i et åbent område, når motoren er kold. Tør eventuelt spildt brændstof op.
Fyld aldrig brændstoftankene op inden i en lukket anhænger.
Ryg aldrig i forbindelse med håndtering af brændstof, og hold afstand til åben ild og steder, hvor brændstofdampe kan antændes af en gnist.
Opbevar brændstof i en godkendt beholder og utilgængeligt for børn. Køb aldrig benzin til mere end 30 dages forbrug.
Betjen ikke maskinen medmindre hele udstødningssystemet er på plads og i god driftsmæssig stand.
Under visse omstændigheder kan der under påfyldning af brændstof udvikle sig statisk elektricitet, der kan antænde brændstofdampene. En brand eller eksplosion forårsaget af brændstof kan give dig eller andre forbrændinger samt medføre tingsskade.
Anbring altid brændstofbeholdere på jorden et stykke fra køretøjet, før påfyldningen påbegyndes.
Fyld ikke brændstofbeholdere inden i et køretøj eller på en lastbil eller anhænger, da indvendige tæpper eller plastikforinger i lastbiler kan isolere dunken og forsinke tabet af eventuel statisk elektricitet.
Når det er praktisk muligt, skal udstyret fjernes fra lastbilen eller anhængeren og påfyldes brændstof, mens det har hjulene stående på jorden.
Hvis dette ikke er muligt, skal påfyldningen af udstyret finde sted på en lastbil eller anhænger med en bærbar beholder i stedet for direkte fra brændstofstanderen.
Hvis det er nødvendigt at benytte benzinstanderen, skal mundstykket hele tiden være i kontakt med kanten af åbningen i brændstoftanken eller dunken, indtil påfyldningen er færdig.
Brændstof er farligt og kan være dødbringende, hvis det indtages. Længere tids udsættelse for dampe kan forårsage alvorlige skader og sygdomme.
Undgå længere tids indånding af dampe.
Hold ansigtet væk fra dysen og brændstoftankens åbning.
Undgå at få brændstof i øjnene eller på huden.
Important: Brug kun dieselbrændstof med ultralavt svovlindhold. Brændstof med et højere svovlindhold nedbryder dieseloxidationskatalysatoren (DOC), hvilket medfører driftsproblemer og forkorter motorkomponenternes brugslevetid.Manglende iagttagelse af følgende advarsler kan beskadige motoren.
Brug aldrig petroleum eller benzin i stedet for dieselbrændstof.
Bland aldrig petroleum eller brugt motorolie med dieselbrændstoffet.
Opbevar aldrig brændstof i indvendigt forzinkede beholdere.
Brug ikke brændstofadditiver.
Cetantal: 45 eller højere
Svovlindhold: Ultralavt svovlindhold (<15 ppm)
| Dieselbrændstofspecifikation | Sted |
| ASTM D975 | USA |
| Nr. 1-D S15 | |
| Nr. 2-D S15 | |
| EN 590 | EU |
| ISO 8217 DMX | International |
| JIS K2204 klasse nr. 2 | Japan |
| KSM-2610 | Korea |
Brug kun rent, frisk dieselbrændstof eller biodieselbrændstoffer.
Køb brændstof i mængder, der kan bruges inden for 180 dage for at sikre, at brændstoffet er frisk.
Brug sommerdieselolie (nr. 2-D) ved temperaturer over -7 °C og vinterdieselolie (nr. 1-D eller en blanding af nr. 1-D/2-D) under denne temperatur.
Note: Brug af vinterbrændstof ved lavere temperaturer giver et lavere flammepunkt og en kold flowkarakteristik, som letter start og minimerer tilstopning af brændstoffilteret.Brug af sommerbrændstof ved en temperatur på over -7 °C bidrager til at forlænge brændstofpumpens levetid og giver øget kraft sammenlignet med vinterbrændstof.
Denne maskine kan også bruge et blandet biodieselbrændstof på op til B20 (20 % biodiesel, 80 % petroleumdiesel).
Svovlindhold: Ultralavt svovlindhold (<15 ppm)
Specifikation for biodieselbrændstof: AASTM D6751 eller EN 14214
Specifikationen for blandet brændstof: ASTM D975, EN 590 eller JIS K2204
Important: Petroleumdieselandelen skal have ekstra lavt svovlindhold.
Træf følgende forholdsregler:
Biodieselblandinger kan beskadige lakerede overflader.
Brug B5 (biodieselindhold på 5 %) eller blandinger med et lavere biodieselindhold under kolde vejrforhold.
Efterse tætninger, slanger og pakninger, der kommer i berøring med brændstoffet, da de kan forringes over tid.
Tilstopning af brændstoffilteret kan forventes i tiden efter, at du er gået over til at bruge biodieselblandinger.
Kontakt din autoriserede Toro-forhandler for at få flere oplysninger om biodiesel.
53 l
Parker maskinen på en plan flade.
Rengør området omkring tankdækslet med en ren klud.
Fjern dækslet fra brændstoftanken (Figur 28).

Fyld brændstof på, indtil niveauet er 6 til 13 mm under bunden af påfyldningsstudsen.
Sæt tankdækslet på, og stram det, når tanken er fyldt op.
Note: Fyld om muligt brændstoftanken helt op efter hver anvendelse. Dette minimerer risikoen for akkumulering af kondens i brændstoftanken.
| Vedligeholdelsesintervaller | Vedligeholdelsesprocedure |
|---|---|
| Hver anvendelse eller dagligt |
|
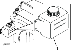
Snavs fra gitteret, oliekøleren og forsiden af køleren skal fjernes dagligt, og oftere, hvis der arbejdes i meget støvede og snavsede omgivelser. Se afsnittet om fjernelse af snavs fra kølesystemet.
Kølesystemet er fyldt med en 50/50-opløsning af vand og permanent ethylenglycol-frostvæske. Kontroller kølervæskestanden i ekspansionsbeholderen ved begyndelsen af dagen, før motoren startes. Kølesystemets kapacitet er 6,6 liter.
Hvis motoren har kørt, kan varm kølevæske under tryk slippe ud og forårsage forbrændinger.
Tag ikke kølerdækslet af, når motoren kører.
Brug en klud, når kølerdækslet åbnes, og åbn det langsomt, så damp kan slippe ud.
Kontroller kølevæskestanden i ekspansionsbeholderen (Figur 29).
Væskestanden skal ligge mellem mærkerne på siden af beholderen.

Hvis kølevæskestanden er lav, skal du fjerne dækslet til ekspansionsbeholderen og fylde systemet op. Fyld ikke for meget på.
Sæt ekspansionsbeholderens dæksel på.
| Vedligeholdelsesintervaller | Vedligeholdelsesprocedure |
|---|---|
| Hver anvendelse eller dagligt |
|
Maskinens beholder fyldes på fabrikken med ca. 30 liter hydraulikvæske af høj kvalitet. Kontroller hydraulikvæskestanden, før motoren startes første gang, og derefter dagligt. Følgende udskiftningsvæske anbefales:
| Toro Premium All Season Hydraulic Fluid (Fås i spande med 19 liter eller tromler med 208 liter. Reservedelsnumrene kan findes i reservedelskataloget, eller spørg din Toro-forhandler.) |
Alternative væsker: Såfremt Toro-væsken ikke kan fås, kan man anvende andre væsker, forudsat at de overholder alle følgende materialeegenskaber og branchespecifikationer. Vi anbefaler ikke brug af syntetisk væske. Spørg din smøremiddelforhandler til råds for at finde frem til et tilfredsstillende produkt. Bemærk: Toro påtager sig intet ansvar for skader forårsaget af forkerte erstatningsprodukter. Brug derfor kun produkter fra producenter med et godt omdømme, som står bag deres anbefaling.
| Slidhæmmende hydraulikvæske med højt viskositetsindeks/lavt flydepunkt, ISO VG 46 | |||
| Materialeegenskaber: | |||
| Viskositet, ASTM D445 | cSt ved 40 °C 44 til 50cSt ved 100 °C 7,9 til 8,5 | ||
| Viskositetsindeks ASTM D2270 | 140:160 | ||
| Flydepunkt, ASTM D97 | -37 °C til -45 °C | ||
| Branchespecifikationer: | |||
| Vickers I-286-S (kvalitetsniveau), Vickers M-2950-S (kvalitetsniveau), Denison HF-0 | |||
Important: ISO VG 46 Multigrade-væsken har vist sig at give den optimale ydeevne under meget forskellige temperaturforhold. Til drift ved konstant høje omgivende temperaturer, 18°C til 49°C, kan ISO VG 68 hydraulikvæske give en bedre ydeevne.
Premium bionedbrydelig hydraulikvæske – Mobil EAL EnviroSyn 46H
Important: Mobil EAL EnviroSyn 46H er den eneste syntetiske bionedbrydelige væske godkendt af Toro. Væsken er kompatibel med elastomerne anvendt i Toro-hydrauliksystemer og egnet til en lang række temperaturforhold. Denne væske er kompatibel med traditionelle mineralolier, men til maksimal bionedbrydelighed og ydeevne skal hydrauliksystemet skylles grundigt igennem med traditionel væske. Denne olie fås i beholdere med 19 liter eller tromler med 208 liter fra Mobil-forhandleren.
Important: Mange hydraulikvæsker er næsten farveløse, og det kan derfor være svært at få øje på lækager. Der kan fås et rødt tilsætningsstof til hydraulikolien i flasker med 20 ml. Én flaske er nok til 15-22 liter hydraulikolie. Bestil delnr. 44-2500 fra din autoriserede Toro-forhandler. Denne røde farve anbefales ikke til brug med bionedbrydelige væsker. Brug farvestoffer til fødevarer.
Stil maskinen på et plant underlag, sænk klippeenhederne, og sluk for motoren.
Rengør området omkring påfyldningsstudsen og hydrauliktankens dæksel (Figur 30). Fjern dækslet fra påfyldningsstudsen.

Fjern målepinden fra påfyldningsstudsen, og tør den af med en ren klud. Indfør målepinden i påfyldningsstudsen, tag den op igen, og kontroller væskestanden. Væskestanden skal være 6,3 mm fra mærket på målepinden. Fyld ikke for meget på.
Hvis væskestanden er lav, skal du efterfylde med passende væske for at få den op til fuld-mærket.
Sæt oliepinden i igen, og sæt dækslet på påfyldningsstudsen.
| Vedligeholdelsesintervaller | Vedligeholdelsesprocedure |
|---|---|
| Hver anvendelse eller dagligt |
|
Kontroller kontakten mellem knivcylinderen og bundkniven hver dag før arbejdets påbegyndelse, uanset om kvaliteten af klipningen tidligere har været acceptabel. Der skal være let kontakt i hele knivcylinderens og bundknivens længde (se Justering af knivcylinderen mod bundkniven i klippeenhedens betjeningsvejledning).
| Vedligeholdelsesintervaller | Vedligeholdelsesprocedure |
|---|---|
| Efter den første time |
|
| Efter de første 10 timer |
|
| For hver 250 timer |
|
Tilspænd hjulmøtrikkerne til 94-122 N·m efter 1-4 timers drift og igen efter 10 timers drift. Tilspænd derefter efter hver 250 timer.
Hvis du ikke opretholder det rette tilspændingsmoment på hjulmøtrikkerne, kan det medføre personskade.
Important: Brændstofsystemet udlufter sig selv automatisk, hvis en af følgende situationer opstår:
Start af en ny maskine.
Motoren er gået i stå på grund af brændstofmangel.
Vedligeholdelse er udført på brændstofsystemets komponenter.
Sæt dig i sædet, hold foden væk fra traktionspedalen, så den er i neutral position, aktiver parkeringsbremsen, sæt kontakten til motorhastighed til den midterste position, og sørg for, at til-/frakoblingskontakten er i frakoblet position.
Tag foden væk fra traktionspedalen, og sørg for, at pedalen er i den neutrale position.
Drej tændingsnøglen til positionen Run (kør).
Drej tændingsnøglen til positionen START, når gløderørskontrollampens lys bliver svagere. Slip nøglen med det samme, når motoren starter, og lad den vende tilbage til positionen Run. Lad motoren varme op (uden belastning), og flyt så gashåndtaget til den ønskede position.
Flyt alle betjeningsanordninger til neutral, aktiver parkeringsbremsen, flyt kontakten til motorhastighed til lav tomgangsposition, og lad motoren komme ned på lav tomgangshastighed.
Drej nøglen til positionen Fra, og tag den ud af tændingen.
For at opnå en konstant, høj klippekvalitet og et ensartet udseende efter klipningen er det vigtigt, at cylinderhastigheden indstilles korrekt. Juster cylinderhastigheden som følger:
I infocenteret under indstillingsmenuen skal du indtaste skæreknivsantal, klippehastighed og klippehøjde for at beregne den korrekte cylinderhastighed.
Hvis der kræves yderligere justeringer skal du rulle ned til Forreste cylinder, Å , Bageste cylinder, Å , eller begge.
Tryk på den højre knap for at ændre værdien for cylinderhastighed. Når hastighedsindstillingen ændres, vises den beregnede cylinderhastighed fortsat på skærmen baseret på skæreknivsantal, klippehastighed og klippehøjde, men den nye værdi vises også.
Note: Cylinderhastigheden skal muligvis øges eller mindskes for at kompensere for vekslende plæneforhold.
Note: Græsklipning ved en hastighed, der belaster motoren, fremmer DPF-regenereringen.
Flyt maskinen til arbejdsstedet, og juster maskinen uden for klippeområdet til første kørte bane.
Sørg for, at kraftudtagskontakten er indstillet til positionen DISABLE (deaktiver).
Flyt grebet til klippehastighedsbegrænseren fremad.
Tryk på hastighedskontrolkontakten for at indstille motorhastigheden til HIGH IDLE (høj tomgang).
Brug joysticket til at sænke klippeenhederne ned på jorden.
Tryk på kraftudtagskontakten for at klargøre klippeenhederne til drift.
Brug joysticket til at hæve klippeenhederne fra jorden.
Begynd at køre maskinen mod klippeområdet, og sænk klippeenhederne.
Note: Græsklipning ved en hastighed, der belaster motoren, fremmer DPF-regenereringen.
Når omgangen er fuldført, bruges joysticket til at løfte klippeenhederne.
Udfør en dråbeformet vending, så du er hurtigt klar til næste omgang.
Dieselpartikelfilteret (DPF) er del af udstødningssystemet. DPF-enhedens dieseloxidationskatalysator reducerer skadelige gasser, og sodfilteret fjerner sod fra motorens udstødning.
DPF-regenereringsprocessen bruger varme fra motorudstødningen til at afbrænde den sod, der ophobes på sodfilteret, så soden konverteres til aske, og renser sodfilterets kanaler, så filtreret motorudstødning lukkes ud af DPF-enheden.
Motorens computer overvåger ophobningen af sod ved at måle modtrykket i DPF-enheden. Hvis modtrykket er for højt, forbrændes soden ikke i sodfilteret gennem normal betjening af motoren. Husk følgende for at holde DPF-enheden fri for sod:
Passiv regenerering finder sted konstant, mens motoren kører – kør motoren ved fuld motorhastighed, når det er muligt, for at fremme DPF-regenereringen.
Hvis modtrykket er for højt, underretter motorcomputeren dig om det via infocenteret, når yderligere processer (assister- og nulstil-regenerering) kører.
Lad processen til assister- og nulstil-regenerering blive færdig, før du slukker for motoren.
Betjen og vedligehold maskinen med henblik på DPF-enhedens funktion. Motorbelastning ved høj tomgangshastighed genererer normalt tilstrækkelig udstødningstemperatur til DPF-regenerering.
Important: Minimer det tidsrum, du lader motoren køre i tomgang eller lader den køre ved lav hastighed, for at hjælpe med at reducere ophobningen af sod i sodfilteret.
Udstødningstemperaturen er varm (ca. 600 °C) under en parkeret DPF-regenerering eller en genopretningsregenerering. Varm udstødningsgas kan skade dig eller andre personer.
Lad aldrig motoren køre i et indelukket område.
Sørg for, at der ikke befinder sig brændbare materialer omkring udstødningssystemet.
Rør aldrig ved en varm del af udstødningssystemet.
Stå aldrig tæt på maskinens udstødningsrør.
Med tiden ophobes der sod i DPF-enhedens sodfilter. Computeren til motoren overvåger sodniveauet i DPF-enheden.
Når der har ophobet sig tilstrækkeligt meget sod, fortæller computeren dig, at det er tid til regenerere dieselpartikelfilteret.
DPF-regenerering er en proces, der opvarmer DPF-enheden, så sod konverteres til aske.
Ud over advarselsmeddelelserne reducerer computeren den strøm, der produceres af motoren ved forskellige sodophobningsniveauer.
| Indikationsniveau | Fejlkode | Motorens effekt | Anbefalet handling |
| Niveau 1: Motoradvarsel |
![]() | Computeren nedsætter motoreffekten til 85 % | Udfør en parkeret regenerering så hurtigt som muligt. Se Parkeret regenerering. |
| Niveau 2: Motoradvarsel |
![]() | Computeren nedsætter motoreffekten til 50 % | Udfør en genopretningsregenerering så hurtigt som muligt. Se Genopretningsregenerering. |
Den lettere aske udledes gennem udstødningssystemet, mens tungere aske samles i sodfilteret.
Aske er rester fra regenereringsprocessen. Med tiden opsamler dieselpartikelfilteret aske, der ikke udledes med motorens udstødning.
Computeren til motoren beregner mængden af ophobet aske i DPF-enheden.
Når der har ophobet sig tilstrækkeligt meget aske, sender motorens computer oplysninger til infocenteret i form af en systemrådgivningsmeddelelse eller en motorfejl, der indikerer ophobning af aske i DPF-enheden.
Rådgivningsmeddelelsen og fejlene er tegn på, at det er tid til serviceeftersyn af DPF-enheden.
Ud over advarslerne reducerer computeren den strøm, der produceres af motoren ved forskellige askeophobningsniveauer.
| Indikationsniveau | Rådgivningsmeddelelse eller fejlkode | Motorhastighedsreduktion | Motorens effekt | Anbefalet handling |
|---|---|---|---|---|
| Niveau 1: Systemrådgivningsmeddelelse |
![]() | Ingen | 100 % | Underret din serviceafdeling om, at rådgivningsmeddelelse nr. 179 vises i infocenteret. |
| Niveau 2: Motoradvarsel |
![]() | Ingen | Computeren nedsætter motoreffekten til 85 % | Efterse DPF-enheden. Se Serviceeftersyn af dieseloxidationskatalysatoren (DOC) og sodfilteret |
| Niveau 3: Motoradvarsel |
![]() | Ingen | Computeren nedsætter motoreffekten til 50 % | Efterse DPF-enheden. Se Serviceeftersyn af dieseloxidationskatalysatoren (DOC) og sodfilteret |
| Niveau 4: Motoradvarsel |
![]() | Motorhastighed ved maks. drejningsmoment +200 o/m | Computeren nedsætter motoreffekten til 50 % | Efterse DPF-enheden. Se Serviceeftersyn af dieseloxidationskatalysatoren (DOC) og sodfilteret |
| Regenereringstype | Betingelser for DPF-regenerering | DPF-beskrivelse af drift |
|---|---|---|
| Passiv | Finder sted under normal betjening af maskinen ved høj motorhastighed eller høj motorbelastning | Infocenteret viser ikke et ikon, der angiver passiv regenerering. |
| Under passiv regenerering forarbejder DPF-enheden udstødningsgasser med høje temperaturer, oxiderer skadelige emissioner og forbrænder sod, så det omdannes til aske. | ||
| Se Passiv DPF-regenerering. | ||
| Assister | Sker som følge af lav motorhastighed, lav motorbelastning, eller når computeren registrerer modtryk i DPF-enheden | Når ikonet for assister/nulstil-regenerering vises i infocenteret, er
en assister-regenerering i gang. |
| Under assister-regenerering styrer computeren indsugningsspjældet med henblik på at øge udstødningens temperatur, så assister-regenereringen kan udføres. | ||
| Se Assister-DPF-regenerering. | ||
| Nulstil | Finder kun sted efter assister-regenerering, hvis computeren registrerer, at assister-regenerering ikke reducerede sodniveauet tilstrækkeligt. | Når ikonet for assister/nulstil-regenerering vises i infocenteret, er
en regenerering i gang. |
| Finder også sted efter hver 100. driftstime for at nulstille udgangspunktet for antal sensoraflæsninger | ||
| Under nulstil-regenerering styrer computeren indsugningsspjældet og brændstofindsprøjtningsdyserne med henblik på at øge udstødningstemperaturen under regenerering. | ||
| Se Nulstil-regenerering. |
| Regenereringstype | Betingelser for DPF-regenerering | DPF-beskrivelse af drift |
|---|---|---|
| Parkeret | Ophobning af sod opstår som følge af længerevarende drift ved lav motorhastighed eller lav motorbelastning. Kan også opstå som følge af brug af forkert brændstof eller olie | Når ikonet for parkeret regenerering vises i infocenteret, anmodes
der om en regenerering. |
| Computeren registrerer modtryk som følge af sodophobning og anmoder om en parkeret regenerering | ||
| • Udfør parkeret regenerering så hurtigt som muligt for at undgå for en genopretningsregenerering. | ||
| • En parkeret regenerering tager 30 til 60 minutter at gennemføre. | ||
| • Du skal have mindst ¼ tank brændstof i tanken. | ||
| • Du skal parkere maskinen for at udføre en genopretningsregenerering. | ||
| Se Parkeret regenerering. | ||
| Genopretning | Sker, fordi anmodninger om parkeret regenerering ignoreres, og driften fortsættes, så der ophobes mere sod, når DPF-enheden allerede har behov for parkeret regenerering | Når ikonet for genopretningsregenerering vises i infocenteret, anmodes
der om en regenerering. |
| Kontakt din autoriserede Toro-forhandler for at få en servicetekniker til at udføre genopretningsregenereringen. | ||
| • En genopretningsregenerering tager op til 4 timer at gennemføre. | ||
| • Du skal have mindst et ½ tank brændstof i maskinen. | ||
| • Du skal parkere maskinen for at udføre en genopretningsregenerering. | ||
| Se Genopretningsregenerering. |
Passiv regenerering udføres som led i en normal motordrift.
Mens maskinen er i gang, køres motoren ved fuld motorhastighed, når det er muligt, for at fremme DPF-regenereringen.

Ikonet for assister/nulstil-regenerering vises i infocenteret (Figur 37).
Computeren styrer indsugningsspjældet for at øge temperaturen på motorens udstødning.
Mens maskinen er i gang, køres motoren ved fuld motorhastighed, når det er muligt, for at fremme DPF-regenereringen.
Ikonet
vises i infocenteret, mens assister-regenereringen
kører.
Undlad om muligt at slukke motoren eller reducere motorhastigheden, mens assister-regenereringen kører.
Important: Lad maskinen fuldføre processen for assister-regenerering, inden du slukker for motoren.
Note: Assister-regenereringen er færdig, når ikonet
forsvinder fra infocenteret.

Ikonet for assister/nulstil-regenerering vises i infocenteret (Figur 38).
Computeren styrer indsugningsspjældet og ændrer brændstofindsprøjtningsfunktionen for at øge temperaturen på motorens udstødning.
Important: Ikonet for assister/nulstil-regenerering angiver, at temperaturen på den udstødning, der kommer ud af din maskine, kan være varmere end under almindelig drift.
Mens maskinen er i gang, køres motoren ved fuld motorhastighed, når det er muligt, for at fremme DPF-regenereringen.
Ikonet
vises i infocenteret, mens nulstil-regenereringen
er i gang.
Undlad om muligt at slukke motoren eller reducere motorhastigheden, mens nulstil-regenereringen kører.
Important: Lad maskinen fuldføre processen for nulstil-regenerering, inden du slukker for motoren.
Note: Nulstil-regenereringen er færdig, når ikonet
forsvinder fra infocenteret.

Ikonet for anmodning om parkeret regenerering vises i infocenteret (Figur 39).
Hvis en parkeret regenerering er nødvendig, viser infocenteret motoradvarsel SPN 3719, FMI 16 (Figur 40), og motorcomputeren nedsætter motoreffekten til 85 %.

Important: Hvis du ikke udfører en parkeret regenerering inden for 2 timer, nedsætter motorcomputeren motoreffekten til 50 %.
En parkeret regenerering tager 30 til 60 minutter at gennemføre.
Hvis du har tilladelse til det af din virksomhed, skal du bruge PIN-koden for at udføre processen for parkeret regenerering.
Sørg for, at maskinen har mindst ¼ tank brændstof.
Flyt maskinen udenfor til et område på afstand af brandfarlige materialer.
Parker maskinen på en plan flade.
Sørg for, at traktions- eller bevægelseshåndtagene er i positionen NEUTRAL.
Sænk og sluk for klippeenhederne om nødvendigt.
Aktiver parkeringsbremsen.
Indstil gashåndtaget til positionen langsom IDLE (tomgang).
Note: Se Adgang til beskyttede menuer for at få anvisninger i oplåsning af beskyttede menuer.
Åbn den beskyttede menu, og lås undermenuen for beskyttede indstillinger op (Figur 41). Se Adgang til beskyttede menuer.

Gå til HOVEDMENUEN, tryk på den midterste knap for at rulle ned til SERVICE MENU (servicemenu), og tryk på den højre knap for at vælge indstillingen SERVICE (Figur 42).
Note: Infocenteret bør vise indikatoren for PIN-kode i øverste højre hjørne af displayet.

Tryk på den midterste knap i SERVICEMENUEN indtil indstillingerne for DPF REGENERATION (DPF-regenerering) vises, og tryk så på den højre knap for at vælge DPF REGENERATION (Figur 43).

Når meddelelsen "Initiate DPF Regen. Are you sure?" (Start DPF-regenerering. Er du sikker?) vises, skal du trykke på den midterste knap (Figur 44).

Hvis kølervæsketemperaturen er under
60 °C, vises meddelelsen "Insure
is running and above 60C/140F" (Sørg
for, at X kører og er over 60 °C) (Figur 45).
Hold øje med temperaturen i displayet, og kør maskinen ved fuld gas, indtil temperaturen når 60 °C. Tryk derefter på den midterste knap.
Note: Hvis kølervæsketemperaturen er over 60 °C, springes dette skærmbillede over.

Flyt gashåndtaget til LOW IDLE (lav tomgang), og tryk på den midterste knap (Figur 46).

Følgende meddelelser vises, når processen til parkeret regenerering indledes:
Meddelelsen "Initiating DPF Regen." (Starter DPF-regenerering) vises (Figur 47).

Meddelelsen "Waiting on
" (venter på
X) vises (Figur 48).

Computeren afgør, om regenereringen kører. En af følgende meddelelser vises i infocenteret:
Hvis regenereringen tillades, vises meddelelsen "Regen Initiated. Allow up to 30 minutes for completion" (Processen kan tage op til 30 minutter) i infocenteret. Vent på, at maskinen fuldfører processen til parkeret regenerering (Figur 49).

Hvis processen til regenerering ikke tillades af motorcomputeren, vises meddelelsen "DPF Regen Not Allowed" (DPF-regenerering ikke tilladt) i infocenteret (Figur 50). Tryk på den venstre knap for at afslutte og gå til startskærmen.
Important: Hvis du ikke opfylder alle krav til regenerering, eller hvis der er gået mindre end 50 timer siden sidste regenerering, vises meddelelsen "DPF Regen Not Allowed" (DPF-regenerering ikke tilladt).

Når regenerationen er i gang, vender infocenteret tilbage til startskærmen og viser følgende ikoner:
![]() | Motoren er kold – vent. | |
![]() | Motoren er varm – vent. | |
![]() | Motoren er varm – regenerering i gang (procent fuldført). |
Den parkerede regenerering er gennemført, når meddelelsen "Regen Complete" (regenerering fuldført) vises i infocenteret. Tryk på den venstre knap for at afslutte og gå til startskærmen (Figur 51).

Hvis du ignorerer anmodningen om en parkeret regenerering (vises i infocenteret) og fortsætter med at betjene maskinen, ophobes en kritisk mængde sod i DPF-enheden.
Hvis en genopretningsregenerering er nødvendig, viser infocenteret motoradvarsel SPN 3719, FMI 16 (Figur 52), og motorcomputeren nedsætter motoreffekten til 85 %.

Important: Hvis du ikke udfører en genopretningsregenerering inden for 15 minutter, nedsætter motorcomputeren motoreffekten til 50 %.
Udfør en genopretningsregenerering, når der opstår tab af motoreffekt, og en parkeret regenerering ikke kan rense DPF-enheden effektivt for sod.
En genopretningsregenerering tager op til 4 timer at gennemføre.
En distributørtekniker skal udføre processen til genopretningsregenerering. Kontakt din autoriserede Toro-forhandler.
Du kan justere modvægten på den bageste klippeenheds løftearme for at kompensere for forskellige plæneforhold og for at bevare en ensartet klippehøjde under ujævne forhold eller på steder med megen strådannelse.
Du kan justere hver modvægtsfjeder til en af i alt fire forskellige indstillinger. Hvert trin øger eller mindsker modvægtstrykket på klippeenheden med 2,3 kg. Fjedrene kan placeres på bagsiden af den første fjederaktuator for at fjerne hele modvægten (fjerde position).
Placer maskinen på en plan flade, sænk klippeenhederne, stands motoren, aktiver parkeringsbremsen, og tag nøglen ud af tændingen.
Sæt et rør eller en lignende genstand på den lange fjederende, og drej den omkring fjederaktuatoren til den ønskede position (Figur 53).
Fjedrene er spændt.
Vær forsigtig, når de justeres.

Gentag proceduren på den anden fjeder.
Placer maskinen på en plan flade, sænk klippeenhederne, stands motoren, aktiver parkeringsbremsen, og tag nøglen ud af tændingen.
Løftearmsafbryderen er placeret under hydrauliktanken bag løftearmen forrest til højre (Figur 54).
Løsn afbryderens monteringsskruer (Figur 54), og flyt afbryderen ned for at forøge løftearmens drejehøjde eller flyt afbryderen op for at mindske løftearmens drejehøjde. Tilspænd monteringsskruerne.

I nødstilfælde kan maskinen flyttes ved at aktivere omløbsventilen i hydraulikpumpen med variabel slagvolumen og så skubbe eller trække maskinen.
Important: Skub eller bugser ikke maskinen hurtigere end ved 3-4,8 km/t, da der ellers kan opstå skader i gearkassen. Omløbsventilen skal være åben, når maskinen skubbes eller trækkes.
Omløbsventilen er placeret på venstre side af hydrostaten (Figur 55). Drej bolten 1 1/2 omgang for at åbne den, og lade olien løbe om internt. Da væsken omløbes, kan maskinen flyttes langsomt, uden at gearkassen beskadiges.

Luk omløbsventilen, før du starter motoren. Ventilen må dog ikke tilspændes med et moment på over 7-11 N·m.
Important: Hvis motoren kører, mens omløbsventilen er åben, overophedes gearkassen.
Note: Brug donkrafte til at understøtte maskinen efter behov.
For – rektangulær plade, under akselrøret, indvendigt i forhold til hvert fordæk (Figur 56).

Bag – rektangulært akselrør på bagakslen.
Maskinen er udstyret med en fejlfindingslampe, der angiver, om maskinen registrerer en funktionsfejl. Fejlfindingslampen sidder på infocenteret over displayskærmen (Figur 59). Når maskinen fungerer korrekt, og nøglekontakten flyttes til positionen Til/kør, tænder fejlfindingslampen kortvarigt for at angive, at lampen fungerer korrekt. Når der vises en rådgivningsmeddelelse for maskinen, lyser lampen, når meddelelsen er til stede. Når der vises en fejlmeddelelse, blinker lampen, indtil fejlen er løst.

Sikkerhedskontakterne har til formål at forhindre motoren i at tørne eller starte, medmindre traktionspedalen står i neutral position, til-/frakoblingskontakten er i frakoblet position, og sænk+klip/hæv-håndtaget er i neutral position. Desuden bør motoren stoppe, hvis traktionspedalen trykkes ned, mens operatøren ikke sidder i sædet, eller hvis parkeringsbremsen efterlades aktiveret.
Hvis kontakterne til sikkerhedslåsesystemet frakobles eller beskadiges, kan maskinen reagere uventet og forårsage personskade.
Pil ikke ved sikkerhedskontakterne.
Kontroller dagligt, at sikkerhedskontakterne fungerer, og udskift eventuelle beskadigede kontakter, før du betjener maskinen.
| Vedligeholdelsesintervaller | Vedligeholdelsesprocedure |
|---|---|
| Hver anvendelse eller dagligt |
|
Parker maskinen på en plan flade, sænk klippeenhederne, stop motoren, og aktiver parkeringsbremsen.
Drej nøglen til positionen Til, men start ikke maskinen.
Find den relevante kontaktfunktion i diagnostikmenuen på infocenteret.
Omkobl nu hver enkelt kontakt fra afbrudt til sluttet tilstand (dvs. sid på sædet, aktiver traktionspedalen osv.), og bemærk, hvordan den tilhørende tilstand for kontakten ændres. Gentag dette for alle kontakter, der kan omkobles manuelt.
Hvis en kontakt sluttes, og den tilhørende lampe ikke ændres, skal du kontrollere alle ledninger og forbindelser til kontakten og/eller kontrollere kontakterne med et ohmmeter. Udskift eventuelle defekte kontakter, og reparer alle defekte ledninger.
Note: Infocenterdisplayet kan også spore, hvilke udgangsmagnetventiler eller relæer der er tændt. Dette gør det let at undersøge, om maskinens fejl er af elektrisk eller hydraulisk karakter.
Parker maskinen på en plan flade, sænk klippeenhederne, stop motoren, og aktiver parkeringsbremsen.
Drej nøglen til positionen Til, og start maskinen.
Find den relevante udgangssignalfunktion i diagnostikmenuen på infocenteret.
Sæt dig i sædet, og prøv at betjene den ønskede maskinfunktion. De tilhørende udgange skal ændre status for at angive, at det elektroniske kontrolmodul tænder for den pågældende funktion.
Note: Hvis de korrekte udgange ikke tænder, skal du kontrollere, at de pågældende indgangssignalkontakter står i den korrekte position, for at funktionen kan udføres. Kontroller, at kontakterne fungerer korrekt.Hvis udgangssignaldisplayene er tændt som angivet, men maskinen alligevel ikke fungerer korrekt, er der ikke tale om et elektrisk problem. Reparer efter behov.
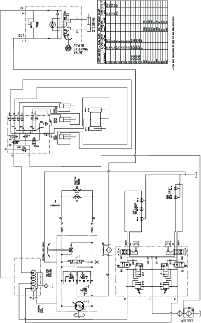
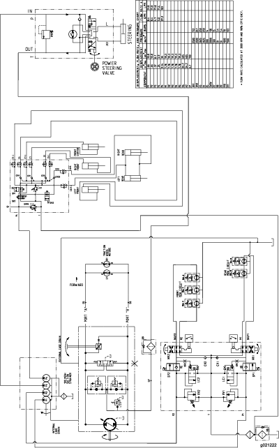
I skemaet nedenfor vises og beskrives magnetventilernes forskellige funktioner i hydraulikmanifolden. Hver eneste magnetventil skal være aktiveret, for at funktionen kan udføres.
| Magnetventil | Funktion |
| SP2 | Forreste knivcylindres kredsløb |
| SP1 | Bageste knivcylindres kredsløb |
| SVRV | Løft/sænk klippeenheder |
| SV1 | Løft/sænk forreste klippeenheder |
| SV3 | Løft/sænk bageste klippeenheder |
| SV2 | Hæv enhver klippeenhed |
Før du begynder at slå græs, skal du øve dig i at bruge maskinen på et åbent område. Start og stands motoren Kør fremad og bak. Hæv og sænk klippeenhederne, og kobl knivcylindrene til og fra. Når du føler, at du er blevet fortrolig med maskinen, skal du øve dig i at køre op og ned ad skråninger ved forskellige hastigheder.
Hvis der tændes en advarselslampe under betjening af maskinen, skal maskinen stoppes med det samme og fejlen udbedres, før der fortsættes. Der kan opstå alvorlige skader, hvis du betjener maskinen med en fejl.
Start motoren, og flyt kontakten til motorhastighed til positionen hurtig. Stil kontakten til-/frakobling på tilkoblet position, og brug sænk+klip/hæv-håndtaget til at styre klippeenhederne (de forreste klippeenheder er indstillet således, at de sænkes før de bageste). Træd traktionspedalen fremad for at køre fremad og klippe græsset.
Stil kontakten til-/frakobling på frakoblet position, og hæv klippeenhederne til transportposition. Stil klippe-/transporthåndtaget i transportpositionen. Vær forsigtig, når du kører gennem snævre passager, så du ikke kommer til at beskadige maskinen eller klippeenhederne. Vær ekstra forsigtig, når du betjener maskinen på skråninger. Kør langsomt, og undgå skarpe drejninger på skråninger for at forhindre væltning. Sænk klippeenhederne, når du kører ned ad bakke for at få bedre kontrol over styringen.
Note: Maskinens venstre og højre side er som set fra den normale betjeningsposition.
| Vedligeholdelsesintervaller | Vedligeholdelsesprocedure |
|---|---|
| Efter den første time |
|
| Efter de første 10 timer |
|
| Hver anvendelse eller dagligt |
|
| For hver 50 timer |
|
| For hver 100 timer |
|
| For hver 200 timer |
|
| For hver 250 timer |
|
| For hver 400 timer |
|
| For hver 800 timer |
|
| For hver 6000 timer |
|
| Hvert 2. år |
|
Kopier denne side til daglig brug.
| Vedligeholdelsespunkter | I ugen: | ||||||
|---|---|---|---|---|---|---|---|
| Man. | Tirs. | Ons. | Tors. | Fre. | Lør. | Søn. | |
| Kontroller sikkerhedslåsesystemets funktion. | |||||||
| Kontroller bremsefunktionen. | |||||||
| Kontroller motorolie- og brændstofstanden. | |||||||
| Tøm vand-/brændstofudskilleren. | |||||||
| Kontroller tilstopningsindikatoren for luftfilteret. | |||||||
| Kontroller køleren og filteret for snavs. | |||||||
| Kontroller for usædvanlige motorlyde.1 | |||||||
| Kontroller for usædvanlige driftslyde. | |||||||
| Kontroller hydraulikoliestanden. | |||||||
| Kontroller hydraulikfilterets indikator. 2 | |||||||
| Kontroller, om hydraulikslangerne er beskadigede. | |||||||
| Kontroller for væskelækager. | |||||||
| Kontrol af dæktrykket. | |||||||
| Kontrol af instrumenternes funktion. | |||||||
| Kontroller afstanden mellem knivcylinderen og bundkniven. | |||||||
| Kontroller justeringen af klippehøjden. | |||||||
| Kontroller alle smørenipler med henblik på smøring. 3 | |||||||
| Reparation af beskadiget maling. | |||||||
|
1. Kontroller gløderør og indsprøjtningsdyser, hvis motoren er svær at starte, hvis der observeres for meget røg, eller hvis maskinen er svær at køre. 2. Foretag kontrollen, mens motoren kører og olien har driftstemperatur 3. Umiddelbart efter hver vask, uanset det angivne interval |
|||||||
| Eftersyn foretaget af: | ||
| Punkt | Dato | Oplysninger |
| 1 | ||
| 2 | ||
| 3 | ||
| 4 | ||
| 5 | ||
| 6 | ||
| 7 | ||
| 8 | ||
Important: Se Motorvejledningen for at få oplysninger om yderligere vedligeholdelsesprocedurer.

Hvis du lader nøglen sidde i tændingen, kan andre personer utilsigtet komme til at starte motoren og forårsage alvorlig personskade på dig eller andre omkringstående.
Fjern nøglen fra tændingen, før vedligeholdelsesarbejde påbegyndes.
| Vedligeholdelsesintervaller | Vedligeholdelsesprocedure |
|---|---|
| For hver 50 timer |
|
Hvis du benytter maskinen under normale driftsforhold, skal alle smørenipler til lejer og bøsninger smøres efter hver 50 timers drift med lithiumbaseret universalfedt nr. 2. Smør lejer og bøsninger umiddelbart efter hver vask, uanset det angivne interval.
Smøreniplernes placering og antal er som følger:
Pumpens drivaksel (3) (Figur 61)

Klippeenhedernes løftearmscylindre (2 hver) (Figur 62)

Løftearmenes drejetapper (1 hver) (Figur 62)
Klippeenhedernes bæreramme og drejetap (2 hver) (Figur 63)

Løftearmenes drejeaksel (1 hver) (Figur 64)

Bagakslens forbindelsesstang (2) (Figur 65)

Akselstyretap (1) (Figur 66)

Styretøjscylinderens kugleled (2) (Figur 67)

Bremsepedal (1) (Figur 68)

| Vedligeholdelsesintervaller | Vedligeholdelsesprocedure |
|---|---|
| For hver 400 timer |
|
Kontroller luftfilterets hovedelement for beskadigelser, som kan medføre en luftlækage. Udskift det, hvis det er beskadiget. Kontroller hele indsugningssystemet for lækager, beskadigelse eller løse slangeklemmer.
Efterse kun luftfilteret, når serviceindikatoren (Figur 69) viser, det er nødvendigt. Hvis du udskifter luftfilteret, før det er nødvendigt, øger du blot risikoen for, at der kommer snavs ind i motoren, når filteret afmonteres.
Important: Sørg for, at dækslet sidder korrekt og slutter tæt sammen med luftfilterelementet.
Åbn låsene, der fastgør luftfilterdækslet til luftfilterhuset (Figur 69).

Fjern dækslet fra luftfilterets hovedelement. Før du afmonterer filteret, skal du ved hjælp af trykluft med lavt tryk (276 kPa [40 psi] ren og tør luft) fjerne større ansamlinger af snavs, der har sammenhobet sig mellem ydersiden af filteret og filterdåsen. Undgå at bruge trykluft med højt tryk, som evt. kan presse snavs gennem filteret og ind i indsugningsrøret.
Denne rengøringsmetode forhindrer, at der kommer snavs ind i indsugningen, når filteret afmonteres.
Afmonter og udskift filteret (Figur 70).
Det anbefales ikke at rengøre det brugte filter på grund af muligheden for at beskadige filtermediet. Efterse det nye filter for forsendelsesskader, og kontroller filterets forseglingsende og selve filterelementet. Benyt ikke et beskadiget filter. Isæt det nye filter ved at trykke på den udvendige kant af filterelementet og skubbe det på plads i filterdåsen. Tryk ikke på den bløde del i midten af filteret.

Rengør åbningen til udblæsning af snavs i det aftagelige dæksel. Afmonter gummiudløbsventilen i dækslet, rengør fordybningen, og udskift udløbsventilen.
Monter dækslet således, at gummiudløbsventilen vender nedad – i en position mellem ca. klokken 5 og klokken 7 set fra enden.
Fastgør låsene.
Brug motorolie af høj kvalitet med lavt askeindhold, der opfylder eller overstiger følgende specifikationer:
API-servicekategori CJ-4 eller højere
ACEA-servicekategori E6
JASO-servicekategori DH-2
Important: Brug af andre motorolier end API CJ-4 eller højere, ACEA E6 eller JASO DH-2 kan forårsage tilstopning af dieselpartikelfilteret eller beskadige motoren.
Brug motorolie med følgende viskositetsgrad:
Foretrukken olie: SAE 15W-40 (over -17,8 °C)
Alternativ olie: SAE 10W-30 eller 5W-30 (alle temperaturer)
Toro Premium-motorolie kan købes hos din autoriserede Toro-forhandler med en viskositetsgrad på enten 15W-40 eller 10W-30. Reservedelsnumrene kan findes i reservedelskataloget.
| Vedligeholdelsesintervaller | Vedligeholdelsesprocedure |
|---|---|
| Hver anvendelse eller dagligt |
|
Important: Kontroller motorolien dagligt. Hvis motoroliestanden er over mærket "Full" (fuld) på målepinden, kan motorolien fortyndes med brændstof.Hvis motoroliestanden er over mærket "Full" (fuld), skal motorolien skiftes.
Det bedste tidspunkt at kontrollere motorolien på er, når motoren er kold, og inden den startes første gang på en dag. Hvis motoren allerede har kørt, skal olien drænes tilbage i sumpen ca. 10 minutter før, der udføres kontrol. Hvis oliestanden er på eller under mærket ”Add” (påfyld) på målepinden, skal du tilsætte olie for at bringe oliestanden op på mærket ”Full” (fuld). Overfyld ikke motoren med olie.
Important: Hold motoroliestanden mellem den øvre og nedre grænse på oliemåleren. Motoren kan svigte, hvis du kører med for meget eller for lidt olie.
Parker maskinen på en plan flade. Lås motorhjelmens låse op.
Åbn motorhjelmen.
Fjern målepinden, tør den af, sæt den ind i røret, og træk den ud igen. Oliestanden bør være mellem full- og add-mærket (Figur 71).

Hvis olieniveauet er lavt, skal du fjerne dækslet (Figur 71) og tilføje olie, indtil det er mellem full- og add-mærket. Fyld ikke for meget på.
Monter oliepåfyldningsdækslet og målepinden.
Luk motorhjelmen, og fastgør den med låsene.
5,2 l
| Vedligeholdelsesintervaller | Vedligeholdelsesprocedure |
|---|---|
| For hver 250 timer |
|
Udskift olien og filteret hver 250 timer.
Fjern aftapningsproppen (Figur 72), og lad olien flyde over i drænbakke. Når al olien er drænet, skal aftapningsproppen monteres.

Fjern oliefilteret (Figur 72). Smør et tyndt lag ren olie på det nye filters pakning, før det skrues på. Overspænd ikke.
Fyld olie på krumtaphuset. Se Udskiftning af motorolie og filter.
| Vedligeholdelsesintervaller | Vedligeholdelsesprocedure |
|---|---|
| For hver 6000 timer |
|
Hvis rådgivningsmeddelelse vises i infocenteret, nærmer DPF-enheden sig det anbefalede tidspunkt for serviceeftersyn af dieseloxidationskatalysatoren og sodfilteret.

Hvis motorfejl (tjek motor-spn 3251, fmi 0) eller (tjek motor-spn 3720, fmi 0) eller (tjek motor-spn 3720, fmi 16) vises i infocenteret (Figur 74), skal sodfilteret rengøres ved hjælp af følgende trin:



Se afsnittet om motoren i servicevejledningen for at få oplysninger om afmontering og montering af DPF-enhedens dieseloxidationskatalysator og sodfilter.
Henvend dig til din autoriserede Toro-forhandler angående reservedele til eller serviceeftersyn af dieseloxidationskatalysatoren og sodfilteret.
Kontakt din autoriserede Toro-forhandler for at få nulstillet motorens ECU, efter at du har installeret en ren DPF-enhed.
Under visse forhold er dieselolie og brændstofdampe meget brandfarlige og eksplosive. En brand eller eksplosion forårsaget af brændstof kan give forbrændinger samt forårsage tingsskade.
Anvend en tragt, og fyld tanken udendørs på et åbent område, mens motoren er slukket og kold. Tør eventuelt spildt brændstof op.
Fyld ikke brændstoftanken helt op. Fyld brændstof på brændstoftanken, indtil niveauet er 6–13 mm under bunden af påfyldningsstudsen. Dette tomrum i tanken giver brændstoffet plads til at udvide sig.
Ryg aldrig under håndtering af brændstof, og hold afstand til åben ild eller steder, hvor brændstofdampe kan antændes af en gnist.
Opbevar brændstof i en ren, sikkerhedsgodkendt beholder, og sørg altid for, at låget er skruet på.
| Vedligeholdelsesintervaller | Vedligeholdelsesprocedure |
|---|---|
| For hver 400 timer |
|
Tøm vand eller andre kontaminanter ud af vandudskilleren (Figur 75) dagligt. Udskift filterdåsen for hver 400 driftstimer.
Anbring en ren beholder under brændstoffilteret.
Løsn aftapningsproppen i bunden af filterdåsen, og åbn udluftningen oven på filterskålmonteringen.

Rengør området, hvor filterdåsen monteres.
Afmonter filterdåsen, og rengør monteringsfladen.
Smør pakningen på filterdåsen med ren olie.
Monter filterdåsen med hånden, indtil pakningen berører monteringsoverfladen. Drej dernæst endnu ½ omgang.
Stram aftapningsproppen i bunden af filterdåsen, og luk udluftningen oven på filterskålmonteringen.
| Vedligeholdelsesintervaller | Vedligeholdelsesprocedure |
|---|---|
| For hver 400 timer |
|
Motorbrændstoffilteret skal udskiftes efter hver 400 timers drift.
Rengør området omkring brændstoffilterhovedet (Figur 76).

Afmonter filteret, og rengør filterhovedets monteringsflade (Figur 76).
Smør filterpakningen med ren motorsmøreolie. Se Betjeningsvejledning til motor, som følger med maskinen, for at få yderligere oplysninger.
Monter tørfilterdåsen med hånden, indtil pakningen berører filterhovedet. Drej dernæst endnu ½ omgang.
Start motoren, og kontroller, om der er brændstoflækager omkring filterhovedet.
| Vedligeholdelsesintervaller | Vedligeholdelsesprocedure |
|---|---|
| For hver 400 timer |
|
Kontroller brændstofslanger og forbindelser efter 400 driftstimer eller årligt, alt efter hvad der indtræffer først. Efterse dem for slitage, skader eller løse forbindelser.
Brændstofsugeslangen, som sidder inden i brændstoftanken, er udstyret med et filter, som medvirker til at forhindre, at der kommer snavs ind i brændstofsystemet. Afmonter brændstofsugeslangen, og rengør filteret efter behov.
Important: Før du udfører svejsning på maskinen, skal du afbryde begge kabler fra batteriet, begge ledningsnetstik fra det elektroniske styremodul og polforbindelsen fra generatoren for at forhindre, at det elektriske system beskadiges.
| Vedligeholdelsesintervaller | Vedligeholdelsesprocedure |
|---|---|
| For hver 50 timer |
|
Batteripoler, -klemmer og tilbehør indeholder bly og blysammensætninger: kemikalier, som ifølge staten Californien er kræftfremkaldende og forårsager forplantningsskader. Vask hænder efter håndtering.
Batterielektrolyt indeholder svovlsyre, som er en dødelig gift, der forårsager alvorlige forbrændinger.
Drik ikke elektrolyt, og undgå kontakt med hud, øjne og tøj. Brug sikkerhedsbriller for at beskytte øjnene og gummihandsker for at beskytte hænderne.
Fyld batteriet op på et sted, hvor der altid er rent vand i nærheden til at skylle huden med.
Opladning af batteriet producerer gasser, der kan eksplodere.
Der må aldrig ryges i nærheden af batteriet, og gnister og åben ild skal holdes væk fra det.
Kontroller batteriets tilstand hver uge eller efter hver 50 driftstimer. Polerne og hele batterikassen skal holdes rene, da et snavset batteri langsomt vil aflades. Batteriet rengøres ved at vaske hele kassen med en opløsning af tvekulsurt natron og vand. Skyl det med rent vand.
Der er 8 sikringer i det elektriske system. Sikringsblokken (Figur 77) er placeret bag styrearmens adgangspanel.


Maskinen må ikke krybe, når traktionspedalen slippes. Hvis den kryber, skal følgende justeringer foretages:
Parker maskinen på en plan overflade, stands motoren, og sænk klippeenhederne ned på gulvet.
Løft maskinens forende op med en donkraft, indtil fordækkene slipper underlaget. Understøt maskinen med donkrafte for at forhindre, at den vælter ved et uheld.
Note: På modeller med firehjulstræk skal bagdækkene også være hævet over gulvet
Løsn låsemøtrikken på traktionsjusteringsknasten til højre for hydrostaten (Figur 79).

Motoren skal køre, for at den endelige justering af traktionsjusteringsknasten kan foretages. Dette kan forårsage personskade.
Hold hænder, fødder, ansigt og andre kropsdele væk fra lydpotten, andre varme motordele og eventuelle roterende dele.
Start motoren, og drej den sekskantede justeringsknast i en vilkårlig retning, indtil hjulene holder op med at dreje.
Tilspænd låsemøtrikken for at fastlåse justeringen.
Stop motoren. Fjern donkraftene, og sænk maskinen ned på gulvet.
Prøvekør maskinen for at kontrollere, at den ikke kryber.
| Vedligeholdelsesintervaller | Vedligeholdelsesprocedure |
|---|---|
| For hver 800 timer |
|
Drej rattet, således at baghjulene vender lige frem.
Løsn kontramøtrikken for hver ende af forbindelsesstangen (Figur 80).
Note: Den ende af forbindelsesstangen, der har den udvendige rille, har venstregevind.

Brug nøglerillen, og drej forbindelsesstangen.
Mål afstanden foran og bag baghjulene ved akselhøjde. Afstanden foran baghjulene bør være mindre end 6 mm i forhold til den afstand, der måles bag hjulene.
Gentag denne procedure efter behov.
| Vedligeholdelsesintervaller | Vedligeholdelsesprocedure |
|---|---|
| Hver anvendelse eller dagligt |
|
| For hver 100 timer |
|
| Hvert 2. år |
|
Fjern snavs fra kølergitteret og køleren/oliekøleren hver dag (rengør hyppigere under snavsede forhold).
Juster driftsbremserne, hvis bremsepedalerne har mere end 2,5 cm fri vandring, eller når bremserne ikke virker effektivt. Fri vandring angiver den afstand, som bremsepedalen kan flyttes, før du mærker bremsemodstand.
Note: Brug hjulmotorspillerummet til at rokke tromlerne frem og tilbage, så det sikres, at tromlerne er fri før og efter justeringen.
Tilspænd bremserne for at reducere bremsepedalernes frie vandring ved at løsne den forreste møtrik på bremsekablets gevindende (Figur 83).

Tilspænd den bageste møtrik for at flytte kablet bagud, indtil bremsepedalerne har 1,27 til 1,9 cm fri vandring, før hjulene låses.
Tilspænd de forreste møtrikker, og sørg for, at begge kabler aktiverer bremserne på samme tid.
Hvis parkeringsbremsen ikke aktiveres, er det nødvendigt at justere bremsepalen.
Løsn de 2 skruer, der fastgør parkeringsbremsepalen på stellet (Figur 84).

Tryk parkeringsbremsepedalen frem, indtil parkeringsbremselåsen kobler helt ind på bremsepalen (Figur 84).
Spænd de to skruer, så justeringen fastlåses.
Træd på bremsepedalen for at udløse parkeringsbremsen.
Kontroller justeringen, og juster igen efter behov.
| Vedligeholdelsesintervaller | Vedligeholdelsesprocedure |
|---|---|
| Efter de første 10 timer |
|
| For hver 100 timer |
|
Kontroller remmens tilstand og spænding (Figur 85) efter hver 100 driftstimer.
Med den rigtige spænding opnås 10 mm afbøjning, når en belastning på 44 N (4,5 kg) påføres remmen midtvejs mellem remskiverne.
Hvis afbøjningen ikke er 10 mm, skal generatorens monteringsbolte løsnes (Figur 85). Øg eller mindsk generatorremmens stramhed, og tilspænd boltene. Kontroller remmens afbøjning igen for at sikre, at stramningen er korrekt.

| Vedligeholdelsesintervaller | Vedligeholdelsesprocedure |
|---|---|
| For hver 800 timer |
|
| Hvert 2. år |
|
Skift hydraulikvæsken for hver 800 driftstimer under normale forhold. Hvis væsken bliver forurenet, skal du kontakte den lokale Toro-forhandler, eftersom systemet skal skylles ud. Forurenet væske ser mælkeagtig eller sort ud sammenlignet med ren olie.
Stands motoren, og løft motorhjelmen.
Anbring en stor bakke under stykket, der sidder i bunden af hydraulikvæskebeholderen (Figur 86).

Tag slangen af stykkets bund og lad hydraulikvæsken løbe ned i bakken.
Monter slangen igen, når der ikke løber mere hydraulikvæske ud.
Fyld beholderen med ca. 30 liter hydraulikvæske. Se afsnittet Kontrol af hydraulikvæsken.
Important: Brug kun de angivne hydraulikvæsker. Andre væsker kan beskadige systemet.
Sæt beholderens dæksel på.
Start motoren, og brug alle de hydrauliske styreenheder til at fordele hydraulikvæsken gennem hele systemet. Kontroller også, om der er lækager.
Stop motoren.
Kontroller hydraulikvæskestanden, og påfyld nok til at hæve niveauet til Full-mærket på målepinden.
Important: Fyld ikke for meget på.
| Vedligeholdelsesintervaller | Vedligeholdelsesprocedure |
|---|---|
| For hver 800 timer |
|
Hydrauliksystemet er udstyret med en indikator for eftersynsintervaller (Figur 87). Kig på indikatoren, mens motoren kører ved driftstemperatur. Den bør være i det grønne område. Hvis indikatoren er i det røde område, skal hydraulikfiltrene udskiftes.

Important: Brug af andre filtertyper kan annullere garantien på visse dele.
Placer maskinen på en plan flade, sænk klippeenhederne, stands motoren, aktiver parkeringsbremsen, og tag nøglen ud af tændingen.
Rengør området rundt om filtermonteringsområdet, og sæt en bakke under filteret (Figur 88) og (Figur 89).


Afmonter filteret.
Smør pakningen på det nye filter med hydraulikolie.
Sørg for, at området omkring det sted, hvor filteret skal monteres, er rent.
Monter filteret med hånden, indtil pakningen berører monteringsoverfladen. Drej dernæst endnu 1/2 omgang.
Gentag proceduren på det andet filter.
Start motoren, og lad den køre i ca. to minutter for at lukke luft ud af systemet.
Stop motoren, og kontroller, om der er lækager.
| Vedligeholdelsesintervaller | Vedligeholdelsesprocedure |
|---|---|
| Hver anvendelse eller dagligt |
|
Foretag dagligt eftersyn for lækager på hydraulikrør og -slanger, bøjede rør, løse monteringsholdere, slid, løse fittings, nedbrydning på grund af vejrlig eller kemiske påvirkninger. Foretag alle nødvendige udbedringer før drift.
Hydraulikvæske, der slipper ud under tryk, kan trænge ind i huden og dermed forårsage personskader.
Sørg for, at alle slanger og rør til hydraulikvæske er i god stand, og at alle hydrauliske forbindelser og fittings slutter tæt, før der sættes tryk på det hydrauliske system.
Hold kroppen og hænderne væk fra små lækagehuller eller dyser, der sprøjter hydraulikvæske under højt tryk ud.
Brug pap eller papir til at finde eventuelle hydrauliklækager.
Tag hele trykket af det hydrauliske system, før der udføres arbejde på det.
Søg straks lægehjælp, hvis der sprøjtes væske ind under huden.
Brug hydrauliksystemets testporte til at teste trykket i de hydrauliske kredsløb. Kontakt den lokale Toro-forhandler for at få hjælp.
Brug testportene på de forreste hydraulikrør (Figur 90) til at hjælpe med fejlfinding på traktionskredsløbet.

Brug testportene på klippemanifoldblokken (Figur 91) til at hjælpe med fejlfinding på klippekredsløbet.

Brug testportene på løftemanifoldblokken (Figur 92) til at hjælpe med fejlfinding på løftekredsløbet.

Berøring af knivcylindrene eller andre bevægelige dele kan medføre personskader.
Hold fingre, hænder og beklædningsgenstande væk fra knivcylindrene eller andre bevægelige dele.
Forsøg aldrig at dreje knivcylindrene med hænderne eller fødderne, mens motoren kører.
Note: Ved baglapning arbejder alle frontenhederne sammen, og bagenhederne arbejder sammen.
Placer maskinen på en plan flade, sænk klippeenhederne, stop motoren, aktiver parkeringsbremsen, og flyt til-/frakoblingskontakten til positionen frakoblet.
Lås sædet op, og løft det, så baglapningshåndtagene bliver tilgængelige (Figur 93).
Foretag de første justeringer mellem knivcylinder og bundkniv, der er relevante for baglapning, på alle klippeenheder, som skal baglappes. Se betjeningsvejledningen til klippeenhederne.
Start motoren, og lad den køre ved lav tomgangshastighed.
Ændring af motorhastighed under baglapning kan få knivcylindrene til at sætte ud.
Reguler aldrig motorhastigheden under baglapning.
Foretag kun baglapning, når motoren kører i tomgang.
Brug enten forreste, bageste eller begge baglapningshåndtag for at vælge de enheder, som skal baglappes (Figur 93).
Sørg for, at du ikke er i nærheden af klippeenhederne, før du fortsætter, for at undgå personskade.
Sæt klippe-/transporthåndtaget i klippeposition, og stil kontakten til-/frakobling i tilkoblet position. Flyt sænk+klip/hæv-håndtaget fremad for at starte baglapningen på de valgte knivcylindre.
Påfør lappepasta med en langskaftet pensel. Brug aldrig en kortskaftet pensel.
Hvis knivcylindrene går i stå eller kører uregelmæssigt under baglapningen, skal du vælge en højere cylinderhastighed, indtil hastigheden stabiliseres og derefter sætte cylinderhastigheden tilbage til den ønskede hastighed.
Klippeenhederne justeres under baglapning ved at slå knivcylindrene fra ved at flytte sænk+klip/hæv-håndtaget bagud, flytte til-/frakoblingskontakten til frakoblet position og standse motoren. Gentag trin 4 til 8, når justeringerne er foretaget.

Gentag proceduren for alle de klippeenheder, du ønsker at baglappe.
Når du er færdig, sættes baglapningshåndtagene tilbage til klippepositionen, sædet sænkes, og al lappepasta vaskes af klippeenhederne. Juster klippeenhedernes knivcylindre i forhold til bundknivene efter behov. Juster cylinderhastigheden for klippeenhederne til den ønskede klippeindstilling.
Important: Hvis baglapningskontakten ikke sættes tilbage til positionen Fra efter baglapningen, kan klippeenhederne ikke hæves eller fungere korrekt.
Note: For at få et bedre skær, skal der føres en fil hen over forsiden af bundkniven efter lapning. Derved fjernes eventuel grat eller ru kanter, som kan være blevet dannet på skæret.
Rengør traktionsenheden, klippeenhederne og motoren grundigt.
Kontrol af dæktrykket. Pump alle traktionsenhedens dæk op til 0,83 til 1,03 bar.
Kontroller, at der ikke er løse dele, som skal være fastspændte, og efterspænd dem om nødvendigt.
Smør alle fedtfittings og drejepunkter. Tør overskydende smøremiddel af.
Slib let med sandpapir, og benyt pletreparationslak på lakerede områder, som er blevet ridsede, har været udsat for stenslag eller har rustpletter. Reparer eventuelle buler i metalkarrosseriet.
Udfør service på batteriet og kablerne som beskrevet herunder:
Fjern batteriklemmerne fra batteripolerne.
Rengør batteriet, klemmerne og polerne med en stålbørste og en opløsning med tvekulsurt natron.
For at forebygge korrosion skal batteriets poler og kabelforbindelserne smøres med Grafo 112X-fedt (Toro delnr. 505-47) eller vaseline.
Genoplad langsomt batteriet hver 60. dag i 24 timer for at forhindre blysulfatering af batteriet.
Aftap motorolien fra oliesumpen, og sæt bundproppen i igen.
Fjern og bortskaf oliefilteret. Sæt et nyt oliefilter i.
Genfyld oliesumpen med den oplyste mængde motorolie.
Start motoren, og lad den køre i tomgang i ca. to minutter.
Stop motoren.
Skyl brændstoftanken med frisk, rent dieselbrændstof.
Kontroller frostvæskebeskyttelsen, og påfyld en 50/50-opløsning af vand og frostvæske efter behov til den forventede minimumstemperatur i dit område.
Spænd alle brændstofsystemfittings igen.
Rengør og efterse luftfilterenheden grundigt.
Forsegl luftfilterindtaget og udstødningsåbningen med vejrbestandig tape.
Kontroller frostvæskebeskyttelsen, og påfyld den nødvendige opløsning for den forventede minimumstemperatur i dit område.

