| Intervalo de mantenimiento y servicio | Procedimiento de mantenimiento |
|---|---|
| Cada vez que se utilice o diariamente |
|
Esta máquina es un cortacésped con conductor equipado con cuchillas de molinete, diseñado para ser usado por operadores profesionales contratados en aplicaciones comerciales. Está diseñada principalmente para cortar césped bien mantenido en campos de golf, parques, campos deportivos y zonas verdes comerciales. No está diseñada para cortar maleza, segar cunetas o medianas de carreteras o utilizarla en aplicaciones agrícolas.
Lea este manual detenidamente para aprender a utilizar y mantener correctamente su producto, y para evitar lesiones y daños al producto. Usted es responsable de utilizar el producto de forma correcta y segura.
Puede ponerse en contacto directamente con Toro en www.Toro.com si desea información sobre productos y accesorios, o si necesita localizar un distribuidor o registrar su producto.
Cuando necesite asistencia técnica, piezas genuinas Toro o información adicional, póngase en contacto con un Servicio Técnico Autorizado o con Asistencia al Cliente de Toro, y tenga a mano los números de modelo y serie de su producto. Los números de modelo y de serie se encuentran en una placa montada en el lado izquierdo del bastidor, debajo del reposapiés. Escriba los números en el espacio provisto.
Este manual identifica peligros potenciales y contiene mensajes de seguridad identificados con el símbolo de alerta de seguridad (Figura 1), que señala un peligro que puede causar lesiones graves o la muerte si no se observan las precauciones recomendadas.

Este manual utiliza 2 palabras más para resaltar información. Importante llama la atención sobre información mecánica especial, y Nota resalta información general que merece una atención especial.
Este producto cumple todas las directivas europeas aplicables; si desea más detalles, consulte la Declaración de Conformidad (Declaration of Conformity – DOC) de cada producto.
CALIFORNIA
Advertencia de la Propuesta 65
Es sabido por el Estado de California que los gases de escape de los motores diesel y algunos de sus componentes causan cáncer, defectos congénitos y otros peligros para la reproducción.
Puesto que en algunas zonas existen normas locales, estatales o federales que requieren el uso de un parachispas en el motor de esta máquina, el conjunto del silencioso incorpora un parachispas.
Los parachispas Toro genuinos están homologados por el USDA Forestry Service (Servicio forestal del Departamento de Agricultura de EE.UU.).
Important: Este motor está equipado con un silenciador con parachispas. El uso o la operación del motor en cualquier terreno forestal, de monte o cubierto de hierba con el motor obstruido o sin silenciador con parachispas mantenido en buenas condiciones de funcionamiento, equipado y mantenido para la prevención de incendios, constituye una infracción de la legislación de California (California Public Resource Code Section 4442). Otros estados o zonas federales pueden tener una legislación similar.
El uso o mantenimiento indebido por parte del operador o el propietario puede causar lesiones. Para reducir el riesgo de lesiones, cumpla estas instrucciones de seguridad y preste siempre atención al símbolo de alerta de seguridad, que significa Cuidado, Advertencia o Peligro – instrucción de seguridad personal. El incumplimiento de estas instrucciones puede dar lugar a lesiones personales o la muerte.
Las instrucciones siguientes provienen de la norma CEN EN 836:1997, la norma ISO 5395:1990 y la norma ANSI B71.4-2012.
Lea detenidamente el manual del operador y otros materiales de formación. Familiarícese con los controles, las señales de seguridad y con el uso correcto del equipo.
No permita nunca que niños o personas no familiarizadas con estas instrucciones utilicen el cortacésped o realicen tareas de mantenimiento del mismo. La normativa local puede imponer límites sobre la edad del operador.
No siegue nunca si hay otras personas, especialmente niños, o animales, cerca.
Tenga en cuenta que el operador o el usuario es responsable de cualquier accidente o peligro que afecte a otras personas o a su propiedad.
No transporte pasajeros.
Todos los conductores y mecánicos deben solicitar y obtener instrucciones prácticas por parte de un profesional. El propietario es responsable de proporcionar formación a los usuarios. Dichas instrucciones deben enfatizar:
la necesidad de extremar el cuidado y la concentración cuando se trabaja con máquinas con conductor;
no se puede recuperar el control de una máquina con conductor que se desliza por una pendiente mediante el uso de los frenos. Las causas principales de la pérdida de control son:
insuficiente agarre de las ruedas;
se conduce demasiado rápido;
no se frena correctamente;
el tipo de máquina no es adecuado para el tipo de tarea al que se la destina;
desconocimiento del efecto que tiene el estado del terreno, especialmente las pendientes;
enganche y distribución de la carga incorrectos.
El propietario/usuario puede prevenir, y es responsable de, los accidentes o lesiones sufridos por él mismo, o por otras personas o bienes.
Mientras siega, lleve siempre calzado fuerte, pantalón largo, casco, gafas de seguridad y protección auricular. El pelo largo, las prendas sueltas o las joyas pueden enredarse en piezas en movimiento. No haga funcionar el equipo estando descalzo, o llevando sandalias.
Inspeccione cuidadosamente el área donde se va a utilizar el equipo y retire todos los objetos que puedan ser arrojados por la máquina.
Advertencia – El combustible es altamente inflamable. Tome las siguientes precauciones:
Utilice recipientes especialmente diseñados para su almacenamiento.
Rellene el depósito al aire libre únicamente, y no fume mientras rellena el depósito.
Añada el combustible antes de arrancar el motor. No retire nunca el tapón del depósito de combustible ni añada combustible si el motor está en funcionamiento o si el motor está caliente.
Si se derrama combustible, no intente arrancar el motor; retire la máquina de la zona del derrame y evite crear fuentes de ignición hasta que los vapores del combustible se hayan disipado.
Vuelva a colocar firmemente todos los tapones de los depósitos y de los recipientes.
Sustituya los silenciadores defectuosos.
Evalúe el terreno para determinar los accesorios y aperos necesarios para realizar el trabajo de manera correcta y segura. Utilice solamente los accesorios y aperos homologados por el fabricante.
Compruebe que los controles de presencia del operador, los interruptores de seguridad y los protectores de seguridad están colocados y que funcionan correctamente. No opere la máquina si no funcionan correctamente.
No haga funcionar el motor en recintos cerrados donde se pueden acumular vapores peligrosos de monóxido de carbono.
Corte el césped solamente con luz natural o con una buena iluminación artificial.
Antes de intentar arrancar el motor, desengrane todos los embragues de accionamiento de la cuchilla, ponga punto muerto y ponga el freno de estacionamiento.
Recuerde que no existe una pendiente “segura”. La conducción en pendientes cubiertas de hierba requiere un cuidado especial. Para evitar que la máquina vuelque:
no pare o arranque de repente la máquina cuando esté cuesta arriba o cuesta abajo;
en las pendientes y durante los giros, se debe mantener una marcha baja;
manténgase alerta por si existen protuberancias o agujeros en el terreno u otros peligros ocultos;
No realice giros bruscos. Tenga cuidado cuando vaya marcha atrás.
Utilice contrapeso(s) o pesos en las ruedas cuando así lo sugiera el manual del operador.
Manténgase alerta por si existen baches en el terreno u otros peligros ocultos.
Tenga cuidado con el tráfico cuando cruce o esté en las proximidades de una carretera.
Detenga las cuchillas antes de cruzar superficies que no estén cubiertas de hierba.
Cuando utilice algún accesorio, no dirija nunca la descarga de material hacia otras personas, ni permita que nadie se acerque a la máquina mientras está en funcionamiento.
Nunca opere la máquina con protectores dañados o sin que estén colocados los dispositivos de seguridad. Asegúrese de que todos los sistemas de interruptores de seguridad están conectados, correctamente ajustados y que funcionan correctamente.
No cambie los ajustes del regulador del motor ni haga funcionar el motor a una velocidad excesiva. El funcionamiento del motor a una velocidad excesiva puede aumentar el riesgo de lesiones corporales.
Antes de abandonar la posición del operador:
pare en un terreno llano;
desengrane la toma de fuerza y baje los accesorios;
ponga punto muerto y ponga el freno de estacionamiento;
pare el motor y retire la llave.
Cuando transporte la máquina o no vaya a utilizarla, desconecte la transmisión a los accesorios.
Pare el motor y desengrane la transmisión de los accesorios:
antes de repostar combustible;
antes de retirar el/los recogedor(es);
antes de realizar los ajustes de altura, a no ser que dichos ajustes se puedan realizar desde la posición del operador.
antes de limpiar atascos;
antes de inspeccionar, limpiar o hacer mantenimiento en el cortacésped;
después de golpear un objeto extraño o si se produce una vibración anormal. Inspeccione el cortacésped y repare cualquier daño antes de volver a arrancar y operar el equipo.
Reduzca la velocidad del motor antes de apagar el motor y, si el motor está equipado con una válvula de cierre de combustible, ciérrela cuando termine de segar.
Mantenga las manos y los pies alejados de las unidades de corte.
Mire hacia atrás y hacia abajo antes de poner marcha atrás para asegurarse de que el camino está despejado.
Vaya más despacio y tenga cuidado al girar y al cruzar calles y aceras. Pare los cilindros/molinetes si no está segando.
No haga funcionar el cortacésped bajo la influencia de drogas o alcohol.
Los rayos pueden causar graves lesiones o incluso la muerte. Si se ven relámpagos o rayos o se oyen truenos en la zona, no utilice la máquina; busque un lugar donde resguardarse.
Tenga cuidado al cargar o descargar la máquina en/desde un remolque o un camión.
Tenga cuidado al acercarse a esquinas ciegas, arbustos, árboles u otros objetos que puedan dificultar la visión.
Mantenga apretados todos los tornillos, pernos y tuercas para asegurar que la máquina esté en perfectas condiciones de funcionamiento.
No almacene nunca el equipo con combustible en el depósito dentro de un edificio donde los vapores puedan llegar a una llama desnuda o una chispa.
Espere a que se enfríe el motor antes de guardar el cortacésped en un recinto cerrado.
Para reducir el riesgo de incendio, mantenga el motor, el silenciador, el compartimento de la batería y el área del depósito de combustible libre de hierba, hojas y exceso de grasa.
Inspeccione frecuentemente el recogehierbas por si existe desgaste o deterioro.
Mantenga todas las piezas en buenas condiciones de funcionamiento, y todos los herrajes y acoplamientos hidráulicos bien apretados. Substituya cualquier pegatina o pieza desgastada o deteriorada.
Si es necesario drenar el depósito de combustible, debe hacerse al aire libre.
Tenga cuidado cuando haga ajustes en la máquina para evitar que los dedos queden atrapados entre las cuchillas en movimiento y las piezas fijas de la máquina.
En máquinas con múltiples cilindros o múltiples molinetes, tenga cuidado puesto que girar un cilindro/molinete puede hacer que giren otros cilindros/molinetes.
Desengrane las transmisiones, baje las unidades de corte, ponga el freno de estacionamiento, pare el motor y retire la llave de contacto. Espere a que se detenga todo movimiento antes de ajustar, limpiar o reparar.
Limpie la hierba o los residuos de las unidades de corte, las transmisiones, los silenciadores y el motor para ayudar a prevenir incendios. Limpie cualquier aceite o combustible derramado.
Utilice soportes fijos para apoyar los componentes cuando sea necesario.
Alivie con cuidado la tensión de aquellos componentes que tengan energía almacenada.
Desconecte la batería antes de efectuar cualquier reparación. Desconecte primero el terminal negativo y luego el positivo. Vuelva a conectar primero el terminal positivo y luego el negativo.
Tenga cuidado al comprobar los cilindros/molinetes. Lleve guantes y extreme las precauciones durante su mantenimiento.
Mantenga las manos y los pies alejados de las piezas en movimiento. Si es posible, no haga ajustes mientras el motor está funcionando.
Cargue las baterías en una zona abierta y bien ventilada, lejos de chispas y llamas. Desenchufe el cargador antes de conectarlo o desconectarlo a la batería. Lleve ropa protectora y utilice herramientas aisladas.
La siguiente lista contiene información específica para productos Toro u otra información sobre seguridad que usted debe saber y que no está incluida en la norma CEN, ISO o ANSI.
Este producto es capaz de amputar manos y pies y de lanzar objetos al aire. Siga siempre todas las instrucciones de seguridad con el fin de evitar lesiones personales graves o la muerte.
El uso de este producto para otros propósitos que los previstos podría ser peligroso para el usuario y para otras personas.
Los gases de escape del motor contienen monóxido de carbono, que es un veneno inodoro que puede matarle.
No haga funcionar el motor dentro de un edificio o en un recinto cerrado.
Sepa cómo parar rápidamente el motor.
No haga funcionar la máquina calzando sandalias, zapatillas de deporte o similares.
Es aconsejable llevar calzado de seguridad y pantalón largo, y esto es requerido por algunas autoridades locales y por las condiciones de algunas pólizas de seguro.
Maneje el combustible con cuidado. Limpie cualquier derrame.
Compruebe a diario el funcionamiento correcto de los interruptores de seguridad. Si falla un interruptor, sustitúyalo antes de hacer funcionar la máquina.
Antes de arrancar el motor, siéntese en el asiento.
El uso de la máquina exige atención. Para evitar pérdidas de control:
No conduzca cerca de trampas de arena, zanjas, arroyos u otros obstáculos.
Reduzca la velocidad al efectuar giros cerrados. Evite arrancar o detener la máquina de forma repentina.
Cuando esté cerca de calles o carreteras o cuando las cruce, ceda siempre el paso.
Aplique los frenos de servicio al bajar pendientes para mantener una velocidad de avance lenta y retener el control de la máquina.
Eleve las unidades de corte al conducir de un lugar de trabajo a otro.
No toque el motor, el silenciador o el tubo de escape mientras el motor esté funcionando o poco después de que se pare, porque estas zonas podrían estar lo suficientemente calientes como para causar quemaduras.
Si el motor se cala o si la máquina pierde fuerza y no puede seguir subiendo por una pendiente, no gire la máquina. Siempre baje la pendiente lentamente, en línea recta, en marcha atrás.
Si una persona o un animal doméstico aparece de repente en o cerca de la zona de siega, deje de segar. Una operación descuidada de la máquina, en combinación con el ángulo del terreno, los rebotes, o una colocación defectuosa de los protectores de seguridad, puede producir lesiones debido a los objetos arrojados. No continúe segando hasta que se haya despejado la zona.
Asegúrese de que todos los conectores de las líneas hidráulicas están apretados, y que todas las mangueras y los tubos hidráulicos están en buenas condiciones antes de aplicar presión al sistema.
Mantenga el cuerpo y las manos alejados de fugas pequeñas o boquillas que liberan fluido hidráulico a alta presión. Utilice papel o cartón, nunca las manos, para localizar fugas. El fluido hidráulico que escapa bajo presión puede tener la fuerza suficiente para penetrar en la piel y causar graves lesiones. Busque atención médica inmediatamente si el fluido hidráulico penetra en la piel.
Antes de desconectar o de realizar cualquier trabajo en el sistema hidráulico, debe aliviarse toda la presión del sistema parando el motor y bajando las unidades de corte y los accesorios al suelo.
Compruebe regularmente que todos los tubos de combustible están apretados y que no están desgastados. Apriételos o repárelos según sea necesario.
Si el motor debe estar en marcha para realizar un ajuste, mantenga las manos, los pies, la ropa y otras partes del cuerpo alejados de las unidades de corte, los accesorios y otras piezas en movimiento. Mantenga alejadas a otras personas.
Para asegurar la seguridad y la precisión, haga que un distribuidor autorizado Toro compruebe la velocidad máxima del motor con un tacómetro.
Si se requieren reparaciones importantes o si usted necesita ayuda, póngase en contacto con su Distribuidor Autorizado Toro.
Utilice solamente accesorios y piezas de repuesto autorizados por Toro. La garantía puede quedar anulada si se utilizan accesorios no autorizados.
Esta unidad tiene un nivel de potencia sonora garantizado de 103 dBA, que incluye un valor de incertidumbre (K) de 1 dBA.
El nivel de potencia sonora se determinó mediante los procedimientos descritos en ISO 11094.
Esta unidad tiene un nivel de presión sonora en el oído del operador de 86 dBA, que incluye un valor de incertidumbre (K) de 1 dBA.
El nivel de presión sonora se determinó mediante los procedimientos descritos en EN 836.
Mano – brazo
Nivel medido de vibración en la mano derecha = 0,98 m/s2
Nivel medido de vibración en la mano izquierda = 0,66 m/s2
Valor de incertidumbre (K) = 0,5 m/s2
Los valores medidos se determinaron mediante los procedimientos descritos en EN 836.
Cuerpo entero
Nivel medido de vibración = 0,31 m/s2
Valor de incertidumbre (K) = 0,15 m/s2
Los valores medidos se determinaron mediante los procedimientos descritos en EN 836.
El motor de esta máquina cumple las especificaciones de la norma EPA Nivel 4 Final y la Fase IIIb.
![]() |
Las pegatinas de seguridad e instrucciones están a la vista del operador y están ubicadas cerca de cualquier zona de peligro potencial. Sustituya cualquier pegatina que esté dañada o que falte. |

















Note: Los lados derecho e izquierdo de la máquina se determinan desde la posición normal del operador.
Los neumáticos se sobreinflan para el transporte. Por lo tanto, debe soltar parte del aire para reducir la presión. La presión de aire correcta de los neumáticos delanteros y traseros es de 0,83–1,03 bar.
Important: Mantenga una presión homogénea en todos los neumáticos para asegurar un contacto uniforme con el césped.
La altura de los peldaños puede ajustarse para adaptarse al operador.
Retire los 2 pernos y las tuercas que sujetan los soportes de los peldaños al bastidor de la unidad de tracción (Figura 2).

Eleve o baje el peldaño a la altura deseada y vuelva a fijar los soportes al bastidor con los 2 pernos y las tuercas.
Repita el procedimiento en el otro peldaño.
La posición del brazo de control puede ajustarse para adaptarse al operador.
Afloje los 2 pernos que fijan el brazo de control al soporte de retención (Figura 3).

Gire el brazo de control a la posición deseada y apriete los 2 pernos.
Piezas necesarias en este paso:
| Guía de manguitos delantera – derecha | 1 |
| Guía de manguitos delantera – izquierda | 1 |
Retire los motores de los molinetes de los soportes de transporte.
Retire los soportes de transporte y deséchelos.
Retire las unidades de corte de sus embalajes. Móntelas y ajústelas según las instrucciones del Manual del operador de la unidad de corte.
Asegúrese de que el contrapeso (Figura 4) está instalado en el extremo correcto de la unidad de corte, según lo indicado en el Manual del operador de la unidad de corte.

Todas las unidades de corte se suministran con el muelle de compensación del césped montado en el lado derecho de la unidad de corte. El muelle de compensación del césped debe montarse en el mismo extremo de la unidad de corte que el motor de tracción del molinete. Monte el muelle de compensación de la manera siguiente:
Retire los 2 pernos de cuello cuadrado y las tuercas que sujetan el soporte de la varilla a las pestañas de la unidad de corte (Figura 5).

Retire la tuerca con arandela prensada que fija el perno del tubo del muelle a la pestaña del bastidor de tiro (Figura 5). Retire el conjunto.
Monte el perno del tubo del muelle a la otra pestaña del bastidor de tiro y fíjelo con la tuerca con arandela prensada. La cabeza del perno debe colocarse en el exterior de la pestaña, según se muestra en Figura 6.

Monte el soporte de la varilla en las pestañas de la unidad de corte con los pernos de cuello cuadrado y las tuercas (Figura 6).
Important: En las unidades de corte Nº 4 (delantera izquierda) y Nº 5 (delantera derecha) (Figura 7), utilice las tuercas de montaje del soporte de la varilla para instalar las guías de mangueras en la parte delantera de las pestañas de la unidad de corte (Figura 8). Las guías de los manguitos deben estar inclinadas hacia la unidad de corte central (Figura 8 y Figura 9).



Note: Al instalar o retirar las unidades de corte, asegúrese de que el pasador de horquilla está instalado en el taladro de la varilla, junto al soporte de la varilla. Cuando no se está instalando o retirando las unidades de corte, el pasador de horquilla debe estar colocado en el taladro del extremo de la varilla.
Baje completamente todos los brazos de elevación.
Retire el pasador de seguridad y el tapón de la horquilla de pivote del brazo de elevación (Figura 10).

En el caso de las unidades de corte delanteras, deslice una unidad de corte debajo del brazo de elevación mientras coloca el eje del bastidor de tiro en la horquilla de pivote del brazo de elevación (Figura 11).

Utilice el procedimiento siguiente en las unidades de corte traseras si la altura de corte es de más de 19 mm.
Retire el pasador de seguridad y la arandela que fijan el eje pivotante del brazo de elevación al brazo de elevación, y deslice el eje pivotante fuera del brazo de elevación (Figura 12).

Introduzca la horquilla del brazo de elevación en el eje del bastidor de tiro (Figura 11).
Introduzca el eje del brazo de elevación en el brazo de elevación y fíjelo con la arandela y el pasador de seguridad (Figura 12).
Coloque el tapón sobre el eje del bastidor de tiro y la horquilla del brazo de elevación.
Coloque el tapón sobre el eje del bastidor de tiro y la horquilla del brazo de elevación. Utilice la ranura si se desea una unidad de corte dirigible, y utilice el taladro si la unidad de corte va a quedar bloqueada en una posición fija (Figura 10).
Sujete la cadena del brazo de elevación al soporte de la cadena con el pasador de seguridad (Figura 13). Utilice el número de eslabones indicado en el Manual del operador de la unidad de corte.

En las unidades de corte Nº 4 (delantera izquierda) y Nº 5 (delantera derecha), introduzca las mangueras de los motores de molinete en la guía de mangueras correspondiente.
Cubra el eje acanalado del motor del molinete con grasa limpia.
Aplique aceite a la junta tórica del motor del molinete y colóquela sobre la brida del motor.
Instale el motor girándolo en el sentido de las agujas del reloj de modo que las bridas del motor no choquen con los pernos (Figura 14). Gire el motor en el sentido contrario a las agujas del reloj hasta que las bridas rodeen los pernos, luego apriete los pernos.
Important: Asegúrese de que los manguitos del motor del molinete no están torcidos o doblados, y que no corren riesgo de quedarse aprisionados.

El muelle de compensación del césped (Figura 15) transfiere peso del rodillo delantero al trasero. (Esto ayuda a reducir el patrón de ondulación en el césped.)
Important: Haga los ajustes al muelle con la unidad de corte montada en la unidad de tracción, bajada al suelo del taller y orientada hacia delante.
Asegúrese de que el pasador de horquilla está instalado en el taladro del extremo de la varilla (Figura 15).

Apriete las tuercas hexagonales del extremo delantero de la varilla del muelle hasta que la longitud comprimida del muelle sea de 12,7 cm en el Reelmaster 5410, con unidades de corte de 5", o de 15,9 cm en el Reelmaster 5510, con unidades de corte de 7" (Figura 15).
Note: Cuando trabaje en terrenos irregulares, reduzca la longitud del muelle en 12,7 mm. El seguimiento del terreno se verá ligeramente afectado.
Piezas necesarias en este paso:
| Soporte de la unidad de corte | 1 |
Cuando sea necesario inclinar la unidad de corte para tener acceso a la contracuchilla/el molinete, apoye en el soporte la parte trasera de la unidad de corte para asegurarse de que las tuercas de los tornillos de ajuste de la barra de asiento no estén apoyadas en la superficie de trabajo (Figura 16).

Sujete el soporte al soporte de la cadena con el pasador de seguridad (Figura 17).


La palanca de ajuste del asiento (Figura 19) le permite ajustar el asiento hacia adelante o hacia atrás. El pomo de ajuste de peso permite ajustar el asiento según el peso de cada operador. El indicador de peso indica si el asiento está ajustado para el peso del operador. El pomo de ajuste de altura permite ajustar el asiento según la altura de cada operador.

El pedal de tracción (Figura 20) controla la operación hacia delante y hacia atrás. Pise la parte superior del pedal para desplazarse hacia delante y la parte inferior para desplazarse hacia atrás. La velocidad sobre el terreno es proporcional al recorrido del pedal. Para obtener la velocidad máxima de avance sin carga, pise a fondo el pedal con la velocidad del motor en la posición de Rápido.
Para detenerse, reduzca la presión sobre el pedal de tracción y permita que vuelva a su posición central.

Cuando el limitador de velocidad de siega (Figura 20) se mueve hacia arriba, controla la velocidad de siega y permite que se engranen las unidades de corte. Cada espaciador ajusta la velocidad de siega en 0,8 km/h. Cuantos más espaciadores estén colocados encima del perno, menor será la velocidad de siega. Para el transporte, baje el limitador de velocidad de siega y obtendrá la máxima velocidad de transporte.
Pise el pedal de freno (Figura 20) para detener la máquina.
Para poner el freno de estacionamiento (Figura 20), pise el pedal de freno y gire hacia adelante la parte superior para engancharlo. Para quitar el freno de estacionamiento, pise el pedal de freno hasta que el enganche del freno de estacionamiento se desconecte.
Para inclinar el volante hacia usted, pise el pedal (Figura 20) y tire de la columna de dirección hacia usted a la posición más cómoda; luego suelte el pedal.
El interruptor de velocidad del motor (Figura 21) permite cambiar la velocidad del motor de dos maneras. Mediante golpecitos rápidos en el interruptor, la velocidad del motor puede ser aumentada o reducida en incrementos de 100 rpm. Si se mantiene presionado el interruptor, el motor pasa automáticamente a ralentí alto o bajo, dependiendo del extremo del interruptor que se presione.

El interruptor habilitar/deshabilitar (Figura 21) se utiliza conjuntamente con la palanca bajar/segar/elevar para controlar los cabezales de corte.
La pantalla LCD del InfoCenter muestra información sobre la máquina, como por ejemplo el estado operativo, diferentes diagnósticos y otra información sobre la máquina (Figura 21).
El interruptor de encendido (Figura 21) tiene tres posiciones: Desconectado, Conectado/Marcha y Arranque.
Esta palanca (Figura 21) eleva y baja las unidades de corte y también pone en marcha y detiene los cabezales de corte cuando éstos están habilitados en el modo de siega. No es posible bajar los cabezales de corte si la palanca de siega/transporte está en la posición de transporte.
Baje el interruptor para encender los faros (Figura 21).
Las palancas de autoafilado se utilizan conjuntamente con la palanca Bajar/Segar/Elevar para autoafilar los molinetes (Figura 22).

Con el motor en marcha a una temperatura normal, observe el indicador (Figura 23); debe estar en la zona Verde. Si el indicador está en la zona Roja, deben cambiarse los filtros hidráulicos.

El enchufe eléctrico se utiliza para alimentar accesorios eléctricos de 12 voltios (Figura 24).

La pantalla LCD del InfoCenter muestra información sobre la máquina, como por ejemplo el estado operativo, diferentes diagnósticos y otra información sobre la máquina (Figura 25). El InfoCenter tiene una pantalla de inicio y la pantalla informativa principal. Puede cambiar entre la pantalla de inicio y la pantalla principal de información en cualquier momento, pulsando cualquiera de los botones del InfoCenter y luego seleccionando la tecla de flecha correspondiente.

Botón izquierdo: Acceso a Menú/Botón Atrás – pulse este botón para acceder a los menús del InfoCenter. Puede usarlo para salir de cualquier menú que esté utilizando.
Botón central—utilice este botón para desplazarse hacia abajo en los menús.
Botón derecho—utilice este botón para abrir un menú si aparece la flecha a la derecha que indica la existencia de contenido adicional.
Note: El propósito de cada botón puede variar dependiendo de lo que se necesite en cada momento. El icono de cada botón indicará su función en cada momento.
| SERVICE DUE | Indica que es necesario realizar el mantenimiento programado |
![]() | rpm del motor/Estado—indica las rpm del motor |
![]() | Contador de horas |
![]() | Icono de información |
![]() | Rápido |
![]() | Lento |
![]() | Nivel de combustible |
![]() | Regeneración estacionaria necesaria |
![]() | Las bujías están encendidas |
![]() | Elevar las unidades de corte |
![]() | Bajar las unidades de corte |
![]() | El operador debe sentarse en el asiento |
![]() | Indicador del freno de estacionamiento—indica que el freno de estacionamiento está puesto. |
![]() | Identifica el intervalo Alto (Transporte) |
![]() | Punto muerto |
![]() | Identifica el intervalo Bajo (Siega) |
![]() | Temperatura del refrigerante—indica la temperatura del refrigerante del motor en °C o °F |
![]() | Temperatura (caliente) |
![]() | La TDF está engranada |
![]() | Prohibido o No permitido |
![]() | Arranque del motor |
![]() | Parada o Apagado |
![]() | Motor |
![]() | Interruptor de encendido |
![]() | Indica que las unidades de corte se están bajando |
![]() | Indica que las unidades de corte se están elevando |
![]() | Código PIN |
![]() | Bus CAN |
![]() | InfoCenter |
![]() | Defectuoso o no superado |
![]() | Lámpara |
![]() | Salida del controlador TEC o del cable de control del arnés |
![]() | Interruptor |
![]() | El operador debe soltar el interruptor |
![]() | El operador debe cambiar al estado indicado |
| Los símbolos a menudo se combinan para formar 'oraciones'. A continuación se muestran algunos ejemplos | |
![]() | El operador debe poner la máquina en punto muerto |
![]() | Arranque del motor denegado |
![]() | Parada del motor |
![]() | El refrigerante del motor está demasiado caliente |
![]() | Siéntese o ponga el freno de estacionamiento |
Para entrar en el sistema de menús del InfoCenter, pulse el botón de acceso a los menús en la pantalla principal. Aparecerá el menú principal. Las tablas siguientes contienen un resumen de las opciones disponibles en cada menú.
| Menú principal | |
| Elemento del menú | Descripción |
| Fallos | El menú Fallos contiene una lista de los fallos recientes de la máquina. Consulte el manual de mantenimiento o su Distribuidor Autorizado Toro si desea más información sobre el menú Fallos y la información que contiene. |
| Mantenimiento | El menú Mantenimiento contiene información sobre la máquina, como por ejemplo contadores de horas de uso y otros datos similares. |
| Diagnósticos | El menú Diagnósticos muestra el estado del sensor de cada interruptor de la máquina y de la salida de cada control. Puede utilizar esta información para identificar y resolver algunos problemas, puesto que indica rápidamente qué controles de la máquina están activados/encendidos, y cuáles están desactivados/apagados. |
| Configuración | El menú Configuración le permite personalizar y modificar las variables de configuración de la pantalla del InfoCenter. |
| Acerca de | El menú Acerca de muestra el número de modelo, el número de serie y la versión del software de su máquina. |
| Mantenimiento | |
| Elemento del menú | Descripción |
| Horas | Muestra el número total de horas de operación de la máquina, el motor y la TDF, así como el número de horas de transporte y el mantenimiento previsto. |
| Recuentos | Muestra los diferentes contadores de la máquina. |
| Diagnósticos | |
| Elemento del menú | Descripción |
| Unidades de corte | Muestra las entradas, condiciones y salidas relacionadas con la elevación y bajada de las unidades de corte. |
| Intervalo alto/bajo | Muestra las entradas, condiciones y salidas relacionadas con la conducción en el modo de transporte. |
| TDF | Muestra las entradas, condiciones y salidas relacionadas con la activación del circuito de la TDF. |
| Motor – marcha | Muestra las entradas, condiciones y salidas relacionadas con el arranque del motor. |
| Autoafilado | Muestra las entradas, condiciones y salidas relacionadas con la función de autoafilado. |
| Configuración | |
| Elemento del menú | Descripción |
| Unidades | Controla las unidades utilizadas en el InfoCenter. Las opciones de menú son Inglés o Métrico |
| Idioma | Controla el idioma utilizado en el InfoCenter*. |
| Retroiluminación LCD | Controla el brillo de la pantalla LCD. |
| Contraste LCD | Controla el contraste de la pantalla LCD. |
| Velocidad de los molinetes delanteros durante el autoafilado | Controla la velocidad de los molinetes delanteros en el modo de autoafilado. |
| Velocidad de los molinetes traseros durante el autoafilado | Controla la velocidad de los molinetes traseros en el modo de autoafilado. |
| Menús protegidos | Permite que una persona autorizada por la empresa con el código PIN pueda acceder a los menús protegidos. |
| Ralentí automático | Controla la cantidad de tiempo transcurrido antes de poner el motor en ralentí bajo cuando la máquina está estacionaria. |
| Número de cuchillas | Controla el número de cuchillas del molinete para determinar la velocidad de los molinetes. |
| Velocidad de siega | Controla la velocidad de avance para determinar la velocidad de los molinetes. |
| Altura de corte (ADC) | Controla la altura de corte (ADC) para determinar la velocidad de los molinetes. |
| rpm molinete delantero | Muestra la velocidad calculada de los molinetes delanteros. Los molinetes también pueden ajustarse manualmente. |
| rpm molinete trasero | Muestra la velocidad calculada de los molinetes traseros. Los molinetes también pueden ajustarse manualmente. |
* Sólo está traducido el texto destinado al operador. Las pantallas de Fallos, Mantenimiento y Diagnósticos están destinados al técnico. Los títulos se verán en el idioma seleccionado, pero los elementos de menú aparecerán en inglés.
| Acerca de | |
| Elemento del menú | Descripción |
| Modelo | Muestra el número de modelo de la máquina. |
| NS | Muestra el número de serie de la máquina. |
| Versión del controlador de la máquina | Indica la versión de software del controlador maestro. |
| Versión del InfoCenter | Indica la versión de software del InfoCenter. |
| Bus CAN | Indica el estado del bus de comunicaciones de la máquina. |
El menú Ajustes del InfoCenter contiene 7 opciones de configuración operativa que pueden modificarse: Retardo del ralentí automático, Número de cuchillas, Velocidad de siega, Ajuste de altura de corte (ADC), rpm Molinete delantero y rpm Molinete trasero. Estos ajustes puede bloquearse mediante el uso del Menú protegido.
Note: Su distribuidor programa la contraseña inicial en el momento de la entrega de la máquina.
Note: El PIN predeterminado de fábrica de la máquina es 0000 o bien 1234.Si ha cambiado el código PIN y lo ha olvidado, póngase en contacto con su Distribuidor Autorizado Toro para obtener ayuda.
Desde el menú PRINCIPAL, utilice el botón central para desplazarse hacia abajo hasta el menú CONFIGURACIóN y pulse el botón derecho (Figura 26).

En el menú CONFIGURACIóN, utilice el botón central para desplazarse hacia abajo hasta el MENú PROTEGIDO y pulse el botón derecho (Figura 27A).

Para introducir el código PIN, utilice el botón central hasta que aparezca el primer dígito correcto y, a continuación, pulse el botón derecho para desplazarse al dígito siguiente (Figura 27B y Figura 27C). Repita este paso hasta introducir el último dígito y pulse el botón derecho una vez más.
Pulse el botón del medio para introducir el código PIN (Figura 27D).
Espere hasta que se ilumine la luz indicadora roja del InfoCenter.
Note: Si el InfoCenter acepta el código PIN y el menú protegido se desbloquea, aparece la palabra “PIN” en la esquina superior derecha de la pantalla.
Note: Gire el interruptor de encendido a la posición DESCONECTADO y a continuación a la posición CONECTADO para bloquear el menú protegido.
Es posible ver y modificar los ajustes del menú Protegido. Una vez que haya accedido al menú Protegido, desplácese hasta la opción Proteger configuración. Utilice el botón derecho para cambiar la configuración. Al ajustar Proteger configuración en DESACTIVADO puede ver y cambiar la configuración en el menú Protegido sin introducir el código PIN. Al ajustar Proteger configuración en ACTIVADO se ocultan las opciones protegidas y requiere la introducción del código PIN para cambiar la configuración en el menú Protegido. Después de ajustar el código PIN, gire la llave de contacto a DESCONECTADO y de nuevo a CONECTADO para activar y guardar este ajuste.
En el menú Ajustes, vaya a Ralentí automático.
Pulse el botón derecho para elegir el tiempo de ralentí automático, entre Desactivado, 8s, 10s, 15s, 20s y 30s.
En el menú Ajustes, vaya a Número de cuchillas.
Pulse el botón derecho para cambiar el número de cuchillas para molinetes de 5, 8 u 11 cuchillas.
En el menú Ajustes, vaya a Velocidad de siega.
Pulse el botón derecho para seleccionar la velocidad de siega.
Utilice los botones central y derecho para seleccionar la velocidad de siega que corresponde al ajuste del limitador mecánico de la velocidad de siega del pedal de tracción.
Pulse el botón izquierdo para salir y guardar el ajuste de la velocidad de siega.
En el menú Ajustes, vaya a ADC.
Pulse el botón derecho para seleccionar ADC.
Utilice los botones central y derecho para seleccionar el ajuste de ADC apropiado. (Si no muestra el ajuste exacto, seleccione el ajuste de ADC más próximo de la lista).
Pulse el botón izquierdo para salir y guardar el ajuste de la altura de corte.
Aunque la velocidad de los molinetes delanteros y traseros se calcula a partir del número de cuchillas, la velocidad de siega y la ADC introducidos en el InfoCenter, puede modificarse manualmente para adaptarse a diferentes condiciones de siega.
Para modificar los ajustes de velocidad de los molinetes, vaya a rpm molinete delantero, rpm molinete trasero o ambos.
Pulse el botón derecho para cambiar la velocidad de los molinetes. Al modificarse el ajuste de la velocidad, la pantalla mostrará la velocidad calculada de los molinetes basada en el número de cuchillas, la velocidad de siega y la ADC introducidos anteriormente, pero también se mostrará el valor nuevo.
Note: Las especificaciones y diseños están sujetos a modificación sin previo aviso.
| Especificación | ReelMaster® 5410-D | ReelMaster® 5510-D |
| Anchura de transporte | 228 cm | 233 cm |
| Anchura de corte | 254 cm | 254 cm |
| Longitud | 282 cm | 282 cm |
| Altura | 160 cm | 160 cm |
| Peso (con fluidos y con unidades de corte de 8 cuchillas instaladas) | 1335 kg | 1420 kg |
| Motor | Yanmar 36 cv | Yanmar 36 cv |
| Capacidad del depósito de combustible | 53 litros | 53 litros |
| Velocidad de transporte | 0 - 16 km/h | 0 - 16 km/h |
| Velocidad de siega | 0 - 13 km/h | 0 - 13 km/h |
Está disponible una selección de aperos y accesorios homologados por Toro que se pueden utilizar con la máquina a fin de potenciar y aumentar sus prestaciones. Póngase en contacto con su Servicio Técnico Autorizado o visite www.Toro.com para obtener una lista de todos los accesorios y aperos homologados.
Note: Los lados derecho e izquierdo de la máquina se determinan desde la posición normal del operador.
Si deja la llave en el interruptor de encendido, alguien podría arrancar el motor accidentalmente y causar lesiones graves a usted o a otras personas.
Baje las unidades de corte al suelo, ponga el freno de estacionamiento y retire la llave de contacto antes de realizar tareas de mantenimiento o hacer ajustes en la máquina.
Antes de arrancar el motor y utilizar la máquina, compruebe el nivel de aceite de motor en el cárter; consulte Comprobación del nivel de aceite del motor.
En ciertas condiciones, el combustible es extremadamente inflamable y altamente explosivo. Un incendio o una explosión provocados por el combustible puede causarle quemaduras a usted y a otras personas así como daños materiales.
Llene el depósito de combustible en el exterior, en una zona abierta y con el motor frío. Limpie cualquier combustible derramado.
No llene nunca el depósito de combustible dentro de un remolque cerrado.
No fume nunca mientras maneja el combustible, y aléjese de llamas desnudas o lugares donde los vapores del combustible pueden incendiarse con una chispa.
Almacene el combustible en un recipiente homologado y manténgalo fuera del alcance de los niños. No compre nunca carburante para más de 30 días de consumo normal.
No utilice la máquina a menos que esté instalado un sistema completo de escape en buenas condiciones de funcionamiento.
En determinadas condiciones durante el repostaje, puede liberarse electricidad estática, produciendo una chispa que puede prender los vapores del combustible. Un incendio o una explosión provocados por el combustible puede causarle quemaduras a usted y a otras personas así como daños materiales.
Coloque siempre los recipientes de combustible en el suelo, lejos del vehículo, antes de repostar.
No llene los recipientes de combustible dentro de un vehículo, camión o remolque ya que las alfombras o los revestimientos de plástico del interior de los remolques podrían aislar el recipiente y retrasar la pérdida de la carga estática.
Cuando sea posible, retire el equipo del camión o remolque y añada combustible al equipo con las ruedas sobre el suelo.
Si esto no es posible, reposte el equipo sobre el camión o remolque desde un recipiente portátil, en vez de usar un surtidor de combustible.
Si es imprescindible el uso de un surtidor, mantenga la boquilla en contacto con el borde del depósito de combustible o la abertura del recipiente en todo momento hasta que termine de repostar.
El combustible es dañino o mortal si es ingerido. La exposición a largo plazo a los vapores puede causar lesiones y enfermedades graves.
Evite la respiración prolongada de los vapores.
Mantenga la cara alejada de la boquilla y de la abertura del depósito de combustible.
Mantenga alejado el combustible de los ojos y la piel.
Important: Utilice solamente combustible diésel con contenido ultrabajo en azufre. El combustible con porcentajes más altos de azufre degrada el catalizador de oxidación de diésel (DOC), lo que provoca problemas de funcionamiento y acorta la vida útil de los componentes del motor.El incumplimiento de las siguientes precauciones puede dañar el motor.
No utilice nunca queroseno o gasolina en lugar de combustible diésel.
No mezcle nunca queroseno o aceite de motor usado con el combustible diésel.
No mantenga nunca el combustible en envases chapados con zinc en el interior.
No utilice aditivos para el combustible.
Número de octanos: 45 o más
Contenido de azufre: Azufre ultrabajo (<15 ppm)
| Especificaciones de combustibles diésel | Ubicación |
| ASTM D975 | EE. UU. |
| Nº 1-D S15 | |
| Nº 2-D S15 | |
| EN 590 | Unión Europea |
| ISO 8217 DMX | Internacional |
| JIS K2204 Nº de grado 2 | Japón |
| KSM-2610 | Corea |
Utilice únicamente combustible diésel o biodiésel limpio y nuevo.
Compre el combustible en cantidades que puedan ser consumidas en 180 días para asegurarse de que el combustible es nuevo.
Utilice combustible diésel tipo verano (Nº 2-D) a temperaturas superiores a -7 °C y combustible tipo invierno (Nº 1-D o mezcla de Nº 1-D/2-D) a temperaturas inferiores a -7 °C.
Note: El uso de combustible tipo invierno a bajas temperaturas proporciona un punto de inflamación menor y características de flujo en frío que facilitan el arranque y reducen la obturación del filtro del combustible.El uso de combustible tipo verano con temperaturas por encima de los -7 °C contribuirá a alargar la vida útil de la bomba de combustible y a incrementar la potencia en comparación con el combustible tipo invierno.
Esta máquina puede emplear también un combustible mezclado de biodiésel de hasta B20 (20 % biodiésel, 80 % diésel de petróleo).
Contenido de azufre: Azufre ultrabajo (<15 ppm)
Especificación de combustible biodiésel: ASTM D6751 o EN 14214
Especificación de combustible mezclado: ASTM D975, EN 590 o JIS K2204
Important: La parte de diésel de petróleo deberá tener un contenido ultrabajo en azufre.
Observe las siguientes precauciones:
Las mezclas de biodiésel pueden dañar las superficies pintadas.
Utilice B5 (contenido de biodiésel del 5 %) o mezclas menores cuando hace frío.
Vigile las juntas herméticas, las mangueras y obturadores en contacto con el combustible ya que pueden degradarse con el paso del tiempo.
Es previsible la obturación del filtro del combustible durante un tiempo tras pasarse a las mezclas de biodiésel.
Póngase en contacto con su Distribuidor Autorizado Toro si desea más información sobre el biodiésel.
53 litros
Aparque la máquina en una superficie nivelada.
Limpie la zona alrededor del tapón del depósito de combustible con un trapo limpio.
Retire el tapón del depósito de combustible (Figura 28).

Llene el depósito hasta que el nivel alcance de 6 a 13 mm por debajo de la parte inferior del cuello de llenado.
Instale firmemente el tapón del depósito de combustible después de llenar el depósito.
Note: Si es posible, llene el depósito de combustible después de cada uso. Esto minimizará la acumulación de condensación dentro del depósito.
| Intervalo de mantenimiento y servicio | Procedimiento de mantenimiento |
|---|---|
| Cada vez que se utilice o diariamente |
|
Limpie cualquier residuo de la rejilla, del enfriador de aceite y de la parte delantera del radiador a diario, y más a menudo en condiciones de mucho polvo y suciedad. Consulte la sección Eliminación de residuos del sistema de refrigeración.
El sistema de refrigeración está lleno de una solución al 50% de agua y anticongelante permanente de etilenglicol. Compruebe el nivel de refrigerante en el depósito de expansión al principio de cada jornada de trabajo antes de arrancar el motor. La capacidad del sistema de refrigeración es de 6,6 litros.
Si el motor ha estado en marcha, puede haber fugas de refrigerante caliente y bajo presión, que puede causar quemaduras.
No retire el tapón del radiador cuando el motor está en marcha.
Utilice un trapo al abrir el tapón del radiador, y ábralo lentamente para permitir la salida del vapor.
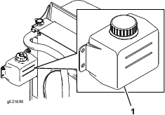
Compruebe el nivel de refrigerante en el depósito de expansión (Figura 29).
El nivel del refrigerante debe estar entre las marcas en el lateral del depósito.

Si el nivel de refrigerante es bajo, retire el tapón del depósito de expansión y rellene el sistema. No llene demasiado.
Coloque el tapón del depósito de expansión.
| Intervalo de mantenimiento y servicio | Procedimiento de mantenimiento |
|---|---|
| Cada vez que se utilice o diariamente |
|
El depósito de la máquina se llena en fábrica con aproximadamente 30 litros de aceite hidráulico de alta calidad. Compruebe el nivel del fluido hidráulico antes de arrancar el motor por primera vez y luego a diario. El fluido de repuesto recomendado es:
| Aceite hidráulico Toro Premium All Season (Disponible en recipientes de 19 litros o en bidones de 208 litros. Consulte los números de pieza a su Distribuidor Toro o en el catálogo de piezas. |
Fluidos alternativos: Si no está disponible el fluido Toro, pueden utilizarse otros fluidos siempre que cumplan las siguientes propiedades de materiales y especificaciones industriales. No recomendamos el uso de aceites sintéticos. Consulte a su distribuidor de lubricantes para identificar un producto satisfactorio. Nota: Toro no asume responsabilidad alguna por daños causados por sustitutos no adecuados, así que usted debe utilizar solamente productos de fabricantes responsables que respaldan sus recomendaciones.
| Fluido hidráulico anti-desgaste de alto índice de viscosidad/bajo punto de descongelación, ISO VG 46 | |||
| Propiedades de materiales: | |||
| Viscosidad, ASTM D445 | cSt a 40° C 44 a 50cSt a 100 °C 7.9 a 8.5 | ||
| Índice de viscosidad ASTM D2270 | 140 a 160 | ||
| Punto de descongelación, ASTM D97 | -37 °C a -45 °C | ||
| Especificaciones industriales: | |||
| Vickers I-286-S (Quality Level), Vickers M-2950-S (Quality Level), Denison HF-0 | |||
Important: Se ha demostrado que el fluido multigrado ISO VG 46 ofrece un rendimiento óptimo en un amplio intervalo de temperaturas. Para temperaturas ambiente habitualmente altas, de 18 °C a 49 °C, el fluido hidráulico ISO VG 68 puede ofrecer un rendimiento mejor.
Fluido hidráulico premium biodegradable—Mobil EAL EnviroSyn 46H
Important: Mobil EAL EnviroSyn 46H es el único fluido sintético biodegradable homologado por Toro. Este fluido es compatible con los elastómeros usados en los sistemas hidráulicos Toro, y es apropiado para un amplio intervalo de temperaturas. Este aceite es compatible con aceites minerales convencionales, pero para obtener la máxima biodegradabilidad y rendimiento es necesario purgar el sistema hidráulico completamente de aceite convencional. Su distribuidor Mobil dispone de este aceite en recipientes de 19 l o en bidones de 208 l.
Important: La mayoría de los aceites hidráulicos son casi incoloros, por lo que es difícil detectar fugas. Está disponible un aditivo de tinte rojo para el aceite del sistema hidráulico, en botellas de 20 ml. Una botella es suficiente para 15–22 litros de aceite hidráulico. Solicite la pieza Nº 44-2500 a su distribuidor autorizado Toro. No se recomienda el uso de este tinte rojo con fluidos biodegradables. Utilice colorante alimentario en su lugar.
Coloque la máquina en una superficie nivelada, baje las unidades de corte y pare el motor.
Limpie alrededor del cuello de llenado y el tapón del depósito de aceite hidráulico (Figura 30). Retire el tapón del cuello de llenado.

Retire la varilla del cuello de llenado y límpiela con un paño limpio. Inserte la varilla en el cuello de llenado; luego retírela y compruebe el nivel del aceite. El nivel del aceite debe estar a menos de 6,3 mm de la marca de la varilla. No llene demasiado.
Si el nivel es bajo, añada un fluido apropiado hasta que llegue a la marca de lleno.
Coloque la varilla y el tapón en el cuello de llenado.
| Intervalo de mantenimiento y servicio | Procedimiento de mantenimiento |
|---|---|
| Cada vez que se utilice o diariamente |
|
Cada día, antes de usar la máquina, compruebe el contacto entre el molinete y la contracuchilla, incluso cuando la calidad de corte ha sido aceptable. Debe haber un contacto ligero en toda la longitud del molinete y la contracuchilla; (consulte Ajuste del molinete a la contracuchilla en el Manual del operador de la unidad de corte).
| Intervalo de mantenimiento y servicio | Procedimiento de mantenimiento |
|---|---|
| Después de la primera hora |
|
| Después de las primeras 10 horas |
|
| Cada 250 horas |
|
Apriete las tuercas de las ruedas a 94–122 N·m. después de 1-4 horas de uso, y otra vez después de 10 horas de uso. Luego apriételas cada 250 horas.
Si no se mantienen correctamente apretadas las tuercas de las ruedas, podrían producirse lesiones personales.
Important: El sistema de combustible se purgará automáticamente si se produce alguna de las situaciones siguientes:
Arranque inicial de una máquina nueva.
El motor se ha parado debido a falta de combustible.
Después de que se haya realizado cualquier operación de mantenimiento en los componentes del sistema de combustible.
Siéntese en el asiento, no pise el pedal de tracción, que debe estar en punto muerto, ponga el freno de estacionamiento, mueva el acelerador a la posición media, y asegúrese de que el interruptor Habilitar/deshabilitar está en posición de Deshabilitado.
Retire el pie del pedal de tracción y asegúrese de que el pedal esté en posición de punto muerto.
Gire la llave de contacto a Marcha.
Cuando se atenúe el indicador de la bujía, gire la llave a Arranque. Suelte la llave inmediatamente cuando el motor arranque y deje que vuelva a Marcha. Deje que el motor se caliente (sin carga), luego mueva el control del acelerador a la posición deseada.
Mueva todos los controles a Punto muerto, ponga el freno de estacionamiento, mueva el interruptor de velocidad del motor a la posición de ralentí bajo y deje que el motor alcance la velocidad de ralentí bajo.
Gire la llave de contacto a la posición de Desconectado y retire la llave.
Para obtener una calidad de corte uniformemente alta, y un aspecto homogéneo después de la siega, es importante ajustar correctamente la velocidad de los molinetes. Ajuste la velocidad de los molinetes de la manera siguiente:
En el InfoCenter, en el menú Ajustes, introduzca el número de cuchillas, la velocidad de siega y la ADC para calcular la velocidad correcta de los molinetes.
Si es necesario hacer más ajustes, en el menú Ajustes, navegue hacia abajo a rpm Molinete delantero, rpm Molinete trasero, o ambos.
Pulse el botón derecho para cambiar la velocidad de los molinetes. Al cambiar el ajuste de la velocidad, la pantalla mostrará la velocidad calculada de los molinetes basada en el número de cuchillas, la velocidad de siega y la ADC, pero también se mostrará el valor nuevo.
Note: Puede ser necesario aumentar o reducir la velocidad de los molinetes para compensar las condiciones del césped.
Note: La siega a una a velocidad que cargue el motor fomenta la regeneración del filtro de partículas diésel (DPF).
Desplace la máquina hasta el lugar del trabajo y colóquela fuera del área de corte para realizar el primer pase de corte.
Asegúrese de que el interruptor de la TDF está ajustado en la posición de DESENGRANADO.
Mueva hacia delante la palanca del limitador de la velocidad de siega.
Pulse el interruptor de velocidad del acelerador para ajustar la velocidad del motor en RALENTí ALTO.
Utilice el joystick para bajar las unidades de corte al suelo.
Pulse el interruptor de la TDF para preparar las unidades de corte para el funcionamiento.
Utilice el joystick para elevar las unidades de corte del suelo.
Comience moviendo la máquina hacia el área de corte y baje las unidades de corte.
Note: La siega a una a velocidad que cargue el motor fomenta la regeneración del filtro de partículas diésel (DPF).
Cuando finalice la pasada, utilice el joystick para elevar las unidades de corte.
Realice un giro en forma de lágrima para alinearse rápidamente para la siguiente pasada.
El filtro de partículas diésel (DPF) es parte del sistema de escape. El catalizador de oxidación diésel del DPF reduce los gases dañinos y el filtro de hollín elimina el hollín de los gases de escape del motor.
El proceso de regeneración del DPF utiliza el calor de los gases de escape del motor para incinerar el hollín acumulado en el filtro, con lo que convierte el hollín en ceniza, y limpia los canales del filtro de hollín para que los gases de escape filtrados del motor salgan del DPF.
El ordenador del motor supervisa la acumulación de hollín midiendo la presión trasera en el DPF. Si la presión trasera es demasiado alta, el hollín no se está incinerando en el filtro de hollín mediante el funcionamiento normal del motor Para mantener el DPF libre de hollín, recuerde lo siguiente:
La regeneración pasiva se produce continuamente mientras el motor está en funcionamiento: accione el motor a velocidad máxima cuando sea posible para fomentar la regeneración del DPF.
Si la presión trasera es demasiado alta, el ordenador del motor se lo indica a través del InfoCenter cuando estén en funcionamiento procesos adicionales (generación de asistencia y de restablecimiento).
Deje que el proceso de regeneración de asistencia y restablecimiento finalice antes de apagar el motor.
Utilice y mantenga la máquina teniendo en cuenta la función del DPF. La carga del motor a velocidad de ralentí alta por lo general produce una temperatura adecuada de los gases de escape para la regeneración del DPF.
Important: Limite el tiempo en el que mantiene a ralentí el motor o en el que utiliza la máquina a velocidad de motor baja, para contribuir a reducir la acumulación de hollín en el filtro de hollín.
La temperatura de los gases de escape es alta (alrededor de 600 °C (1112 °F) durante la regeneración del DPF con la máquina aparcada o la regeneración de recuperación. El gas de escape caliente puede dañarle a usted o a otras personas.
No haga funcionar nunca el motor en un lugar cerrado.
Asegúrese de que no hay materiales inflamables alrededor del sistema de escape.
No toque nunca un componente del sistema de escape caliente.
No se sitúe nunca cerca o alrededor del tubo de escape de la máquina.
Con el tiempo, el DPF acumula hollín en el filtro de hollín. El ordenador del motor supervisa el nivel de hollín en el DPF.
Cuando se acumula suficiente hollín, el ordenador le informa de que es el momento de regenerar el filtro de partículas diésel.
La regeneración del DPF es un proceso que calienta el DPF para convertir el hollín en ceniza.
Además de los mensajes de advertencia, el ordenador reduce la potencia producida por el motor en distintos niveles de acumulación de hollín.
| Nivel de indicación | Código de fallo | Potencia nominal del motor | Acción recomendada |
| Nivel 1: Advertencia del motor |
![]() | El ordenador reduce la potencia del motor un 85 %. | Realice una regeneración con la máquina aparcada lo antes posible, consulte Regeneración con la máquina aparcada. |
| Nivel 2: Advertencia del motor |
![]() | El ordenador reduce la potencia del motor un 50%. | Realice una regeneración de recuperación lo antes posible, consulte Regeneración de recuperación. |
La ceniza más ligera se descarga a través del sistema de escape; la ceniza más pesada se acumula en el filtro de hollín.
La ceniza es un residuo del proceso de regeneración. Con el tiempo, el filtro de partículas diésel acumula ceniza que no se descarga con los gases de escape del motor.
El ordenador del motor calcula la cantidad de ceniza acumulada en el DPF.
Cuando se acumula suficiente ceniza, el ordenador del motor envía la información al InfoCenter en forma de aviso del sistema o de fallo del motor, para indicar la acumulación de ceniza en el DPF.
El aviso y los fallos son indicaciones de que es el momento de revisar el DPF.
Además de las advertencias, el ordenador reduce la potencia producida por el motor en distintos niveles de acumulación de ceniza.
| Nivel de indicación | Aviso o código de fallo | Reducción de la velocidad del motor | Potencia nominal del motor | Acción recomendada |
|---|---|---|---|---|
| Nivel 1: Aviso del motor |
![]() | Ninguno | 100% | Notifique al departamento de servicio técnico que se ha mostrado el aviso nº 179 en el InfoCenter. |
| Nivel 2: Advertencia del motor |
![]() | Ninguno | El ordenador reduce la potencia del motor un 85 %. | Revise el DPF; consulte Mantenimiento del catalizador de oxidación diésel (DOC) y del filtro de hollín |
| Nivel 3: Advertencia del motor |
![]() | Ninguno | El ordenador reduce la potencia del motor un 50%. | Revise el DPF; consulte Mantenimiento del catalizador de oxidación diésel (DOC) y del filtro de hollín |
| Nivel 4: Advertencia del motor |
![]() | Velocidad del motor al par máximo + 200 rpm | El ordenador reduce la potencia del motor un 50%. | Revise el DPF; consulte Mantenimiento del catalizador de oxidación diésel (DOC) y del filtro de hollín |
| Tipo de regeneración | Condiciones de la regeneración de DPF | Descripción del funcionamiento del DPF |
|---|---|---|
| Regeneración pasiva | Se produce durante el funcionamiento normal de la máquina con velocidad del motor alta o carga alta del motor | El InfoCenter no muestra ningún icono que indique la regeneración pasiva. |
| Durante la regeneración pasiva, el DPF procesa los gases de escape a alta temperatura, oxidando las emisiones dañinas y quemando el hollín hasta convertirlo en ceniza. | ||
| Consulte Regeneración pasiva del DPF. | ||
| Regeneración de asistencia | Se produce como resultado de baja velocidad del motor, baja carga del motor o después de que el ordenador detecte una presión trasera en el DPF | Cuando aparece el icono de regeneración de asistencia/restablecimiento en el InfoCenter, se encuentra
en curso una regeneración de asistencia. |
| Durante la regeneración de asistencia, el ordenador controla el acelerador de admisión para aumentar la temperatura de los gases de escape, de modo que pueda producirse la regeneración de asistencia. | ||
| Consulte Regeneración de asistencia del DPF. | ||
| Regeneración de restablecimiento | Se produce después de la regeneración de asistencia solo si el ordenador detecta que la regeneración de asistencia no ha reducido lo suficiente el nivel de hollín | Cuando aparece el icono de regeneración
de asistencia/restablecimiento en el InfoCenter, se encuentra en curso una regeneración. |
| También se produce cada 100 horas, para restablecer las lecturas del sensor de línea de base | ||
| Durante la regeneración de restablecimiento, el ordenador controla el acelerador de admisión y los inyectores de combustible para aumentar la temperatura de los gases de escape durante la regeneración. | ||
| Consulte Regeneración de restablecimiento. |
| Tipo de regeneración | Condiciones de la regeneración de DPF | Descripción del funcionamiento del DPF |
|---|---|---|
| Con la máquina aparcada | La acumulación de hollín se produce como resultado de un funcionamiento prolongado con el motor a baja velocidad o baja carga. También se puede producir como consecuencia del uso de un combustible o aceite incorrecto | Cuando aparece el icono de regeneración
con la máquina aparcada en el InfoCenter, se solicita una regeneración. |
| El ordenador detecta presión trasera debido a la acumulación de hollín y solicita que se realice una regeneración con la máquina aparcada | ||
| • Realice una regeneración con la máquina aparcada lo antes posible para evitar que sea necesaria una regeneración de recuperación. | ||
| • Una regeneración con la máquina aparcada tarda en realizarse entre 30 y 60 minutos. | ||
| • El depósito debe disponer al menos de ¼ de combustible. | ||
| • Debe aparcar la máquina para realizar la regeneración de recuperación. | ||
| Consulte Regeneración con la máquina aparcada. | ||
| Regeneración de recuperación | Se produce como resultado de seguir utilizando la máquina y de hacer caso omiso de las solicitudes de regeneración con la máquina aparcada, con lo que se añade más hollín cuando el DPF ya necesita que se realice una regeneración con la máquina aparcada | Cuando aparece el icono de regeneración de
recuperación en el InfoCenter, se solicita una regeneración
de recuperación. |
| Póngase en contacto con su Distribuidor Autorizado de Toro para que un técnico de servicio realice la regeneración de recuperación. | ||
| • Una regeneración de recuperación tarda en realizarse hasta 4 horas. | ||
| • El depósito debe disponer como mínimo de la mitad de capacidad de combustible. | ||
| • Debe aparcar la máquina para realizar la regeneración de recuperación. | ||
| Consulte Regeneración de recuperación. |
La regeneración pasiva se produce como parte del funcionamiento normal del motor.
Mientras se utiliza la máquina, accione el motor a la velocidad máxima cuando sea posible para fomentar la regeneración del DPF.

Aparece el icono de regeneración de asistencia/restablecimiento en el InfoCenter (Figura 37).
El ordenador asume el control del acelerador de admisión para aumentar la temperatura de los gases de escape del motor.
Mientras se utiliza la máquina, accione el motor a la velocidad máxima cuando sea posible para fomentar la regeneración del DPF.
Aparece el icono
en el InfoCenter mientras se está procesando
la regeneración de asistencia.
Siempre que sea posible, no apague el motor ni reduzca la velocidad del mismo mientras se está procesando la regeneración de asistencia.
Important: Deje que la máquina finalice el proceso de regeneración de asistencia antes de apagar el motor.
Note: La regeneración de asistencia acaba de procesarse cuando
desaparece el icono
del InfoCenter.

Aparece el icono de regeneración de asistencia/restablecimiento en el InfoCenter (Figura 38).
El ordenador asume el control del acelerador de admisión y cambia el funcionamiento de la inyección de combustible para aumentar la temperatura de los gases de escape del motor.
Important: El icono de regeneración de asistencia/restablecimiento indica que la temperatura de los gases de escape descargados de la máquina pueden estar más calientes que durante el funcionamiento normal.
Mientras se utiliza la máquina, accione el motor a la velocidad máxima cuando sea posible para fomentar la regeneración del DPF.
Aparece el icono
en el InfoCenter mientras se está procesando
la regeneración de restablecimiento.
Siempre que sea posible, no apague el motor ni reduzca la velocidad del mismo mientras se está procesando la regeneración de restablecimiento.
Important: Deje que la máquina finalice el proceso de regeneración de restablecimiento antes de apagar el motor.
Note: La regeneración de restablecimiento acaba de procesarse
cuando desaparece el icono
del InfoCenter.

El icono de regeneración con la máquina aparcada aparece en el InfoCenter (Figura 39).
Si es necesario realizar la regeneración con la máquina aparcada, el InfoCenter muestra la advertencia del motor SPN 3719, FMI 16 (Figura 40) y el ordenador del motor reduce la potencia del motor al 85 %.

Important: Si no se realiza la regeneración con la máquina aparcada en un plazo de 2 horas, el ordenador del motor reduce la potencia del motor al 50 %.
Una regeneración con la máquina aparcada tarda en realizarse entre 30 y 60 minutos.
Si cuenta con la autorización de su empresa, necesita el código PIN para realizar el proceso de regeneración con la máquina aparcada.
Asegúrese de que el depósito cuenta con al menos ¼ de combustible.
Lleve la máquina al exterior, a una zona alejada de materiales combustibles
Aparque la máquina en una superficie nivelada.
Asegúrese de que el control de tracción o las palancas de control del movimiento están en la posición de PUNTO MUERTO.
Si procede, baje las unidades de corte y apáguelas.
Accione el freno de estacionamiento.
Ajuste el acelerador a la posición de RALENTí bajo.
Note: Para obtener instrucciones sobre cómo desbloquear los menús protegidos, consulte Acceso a los menús protegidos.
Acceda al menú protegido y desbloquee el submenú de configuración protegido (Figura 41); consulte Acceso a los menús protegidos.

Desde el menú PRINCIPAL, pulse el botón central para desplazarse hacia abajo hasta el menú SERVICE (Servicio) y pulse el botón derecho para seleccionar la opción SERVICE (Servicio) (Figura 42).
Note: El InfoCenter debe mostrar el indicador PIN en la esquina superior derecha de la pantalla.

En el menú SERVICE (Servicio), pulse el botón del medio hasta que aparezcan las opciones de DPF REGENERATION (Regeneración de DPF) y pulse el botón derecho para seleccionar la opción DPF REGENERATION (Regeneración de DPF) (Figura 43).

Cuando aparezca el mensaje “Initiate DPF Regen. Are you sure?” (Iniciar regeneración de DPF, ¿está seguro), pulse el botón central (Figura 44).

Si la temperatura del refrigerante se encuentra por
debajo de 60 °C (140 °F) aparece el mensaje “Insure
is running and above 60C/140F”
(Asegúrese de que está funcionando y por encima de 60
ºC/140 ºF). (Figura 45).
Observe la temperatura en la pantalla y accione la máquina a velocidad máxima hasta que la temperatura llegue a los 60 °.C (140 °F) y, a continuación, pulse el botón central.
Note: Si la temperatura del refrigerante se encuentra por encima de 60 °C (140 °F), se salta esta pantalla.

Mueva el control del acelerador en RALENTí BAJO y pulse el botón central (Figura 46).

Aparecen los siguientes mensajes cuando comienza el proceso de regeneración con la máquina aparcada:
Se muestra el mensaje “Initiating DPF Regen.” (Iniciando regeneración de DPF) (Figura 47).

Se muestra el mensaje “Waiting on
” (Esperando) (Figura 48).

El ordenador determina si la regeneración se está realizando. En el InfoCenter se muestra uno de los siguientes mensajes:
Si la regeneración se permite, aparece el mensaje “Regen Initiated. Allow up to 30 minutes for completion” (Regeneración iniciada, espere 30 minutos hasta que finalice) en el InfoCenter y debe esperar a que la máquina finalice el proceso de regeneración con la máquina aparcada (Figura 49).

Si el ordenador del motor no permite el proceso de regeneración, aparece el mensaje “DPF Regen Not Allowed” (Regeneración de DPF no permitida) en el InfoCenter (Figura 50). Pulse el botón de la izquierda para salir a la pantalla de inicio.
Important: Si no ha cumplido todos los requisitos de la regeneración o si han pasado menos de 50 horas desde la última regeneración, aparece el mensaje “DPF Regen Not Allowed” (Regeneración de DPF no permitida).

Mientras se está realizando la regeneración, el InfoCenter vuelve a la pantalla de inicio y muestra los siguientes iconos:
![]() | El motor está frío, espere. | |
![]() | El motor está templado, espere. | |
![]() | El motor está caliente, la regeneración está en proceso (porcentaje de finalización). |
La regeneración con la máquina aparcada ha finalizado cuando se muestra el mensaje “Regen Complete” (Regeneración completada) en el InfoCenter. Pulse el botón de la izquierda para salir a la pantalla de inicio (Figura 51).

Si hace caso omiso de la solicitud de una regeneración con la máquina aparcada (mostrada en el InfoCenter) y sigue utilizando la máquina, se acumula una cantidad crítica de hollín en el DPF.
Si es necesario realizar una regeneración de recuperación, el InfoCenter muestra la advertencia del motor SPN 3719, FMI 16 (Figura 52) y el ordenador del motor reduce la potencia del motor al 85 %.

Important: Si no se realiza la regeneración de recuperación en un plazo de 15 minutos, el ordenador del motor reduce la potencia del motor al 50 %.
Realice una regeneración de recuperación siempre que haya pérdida de potencia del motor y no se pueda limpiar eficazmente el hollín del DPF con la regeneración con la máquina aparcada.
Una regeneración de recuperación tarda en realizarse hasta 4 horas.
Es necesario que el proceso de regeneración de recuperación lo realice un técnico del distribuidor; póngase en contacto con su Distribuidor Autorizado de Toro.
Usted puede ajustar el contrapeso de los brazos de elevación de la unidad de corte trasera para compensar diferentes condiciones del césped y para mantener una altura de corte uniforme en condiciones difíciles o en zonas con una gran acumulación de colchón.
Hay cuatro ajustes posibles para cada muelle de contrapeso. Cada incremento aumenta o reduce el contrapeso sobre la unidad de corte en 2,3 kg. Los muelles pueden colocarse en el lado trasero del primer actuador del muelle para eliminar el contrapeso (cuarta posición).
Coloque la máquina en una superficie nivelada, baje las unidades de corte, pare el motor, ponga los frenos de estacionamiento y retire la llave de contacto.
Coloque un tubo u otro objeto similar sobre el extremo largo del muelle y gírelo alrededor del actuador del muelle a la posición deseada (Figura 53).
Los muelles están tensados.
Tenga cuidado al ajustarlos.

Repita el procedimiento con el otro muelle.
Coloque la máquina en una superficie nivelada, baje las unidades de corte, pare el motor, ponga los frenos de estacionamiento y retire la llave de contacto.
El interruptor del brazo de elevación está situado debajo del depósito de aceite hidráulico y detrás del brazo de elevación delantero derecho (Figura 54).
Afloje los tornillos de montaje del interruptor (Figura 54) y desplace el interruptor hacia abajo para aumentar la altura de giro del brazo de elevación, o hacia arriba para reducir la altura de giro del brazo de elevación. Apriete los tornillos de montaje.

En una emergencia, la máquina puede ser movida accionando la válvula de desvío de la bomba hidráulica de desplazamiento variable y empujando o remolcando la máquina.
Important: No empuje o remolque la máquina a más de 3–4,8 km/h porque pueden producirse daños internos en la transmisión. La válvula auxiliar debe estar siempre abierta cuando la máquina es empujada o remolcada.
La válvula de desvío está situada en el lado izquierdo del hidrostato (Figura 55). Gire el perno una vuelta y media para abrirla y dejar pasar el aceite internamente. Puesto que el fluido se desvía, la máquina puede ser movida lentamente sin dañar la transmisión.

Cierre la válvula de desvío antes de arrancar el motor. No obstante, no utilice una fuerza de más de 7-11 N·m para cerrar la válvula.
Important: Si se hace funcionar el motor con la válvula de desvío abierta, se recalentará la transmisión.
Note: Utilice soportes fijos para apoyar la máquina cuando sea necesario.
Delantero – bloque rectangular, debajo del tubo del eje, al interior de cada rueda delantera (Figura 56).

Trasero – tubo de eje rectangular del eje trasero.
La máquina está equipada con un indicador diagnóstico que avisa de la detección de una avería de la máquina. El indicador diagnóstico está situado en el InfoCenter, encima de la pantalla (Figura 59). Si la máquina funciona correctamente y el interruptor de encendido se desplaza a la posición de Conectado/Marcha, el indicador diagnóstico se encenderá momentáneamente para indicar que funciona correctamente. Si se muestra un mensaje de advertencia de la máquina, el indicador se enciende para indicar la presencia del mensaje. Si se muestra un mensaje de fallo, el indicador parpadeará hasta que se resuelva el fallo.

El propósito de los interruptores de seguridad es impedir que el motor gire o arranque a menos que el pedal de tracción esté en Punto muerto, el interruptor Habilitar/Deshabilitar esté en Deshabilitado y la palanca Bajar/Segar/Elevar esté en posición de Punto muerto. Además, el motor debe pararse si se pisa el pedal de tracción con el operador levantado del asiento o ausente, o con el freno de estacionamiento puesto.
Si los interruptores de seguridad son desconectados o están dañados, la máquina podría ponerse en marcha inesperadamente, causando lesiones personales.
No manipule los interruptores de seguridad.
Compruebe la operación de los interruptores de seguridad cada día, y sustituya cualquier interruptor dañado antes de operar la máquina.
| Intervalo de mantenimiento y servicio | Procedimiento de mantenimiento |
|---|---|
| Cada vez que se utilice o diariamente |
|
Aparque la máquina en una superficie nivelada, baje las unidades de corte, pare el motor y ponga el freno de estacionamiento.
Gire el interruptor de encendido a Conectado, pero no arranque la máquina.
Localice la función de interruptor apropiada en el menú Diagnósticos en el InfoCenter.
Uno a uno, cambie cada uno de los interruptores de abierto a cerrado (es decir, siéntese en el asiento, engrane el pedal de tracción, etc.), y observe si se cambia el estado del interruptor correspondiente. Repita esto para todos los interruptores que puedan cambiarse a mano.
Si un interruptor se cierra y el indicador correspondiente no cambia, compruebe todo el cableado y las conexiones del interruptor y/o compruebe los interruptores con un ohmímetro. Sustituya cualquier interruptor que esté defectuoso, y repare cualquier cable que esté dañado.
Note: La pantalla del InfoCenter también es capaz de identificar los solenoides o relés de salida que están activados. Ésta es una forma rápida de determinar si una avería de la máquina es eléctrica o hidráulica.
Aparque la máquina en una superficie nivelada, baje las unidades de corte, pare el motor y ponga el freno de estacionamiento.
Gire la llave de contacto a la posición de Conectado y arranque la máquina.
Localice la función de salida correspondiente en el menú Diagnósticos en el InfoCenter.
Siéntese en el asiento e intente accionar la función deseada de la máquina. Las salidas correspondientes deben cambiar de estado para indicar que la ECM está activando dicha función.
Note: Si no se encienden las salida correctas, compruebe que los interruptores de entrada apropiados están en la posición necesaria para permitir que se produzca dicha función. Verifique el funcionamiento correcto del interruptor.Si los indicadores de salida están encendidos según lo especificado, pero la máquina no funciona correctamente, el problema no es de naturaleza eléctrica. Haga las reparaciones necesarias.
Utilice la lista siguiente para identificar y describir las diferentes funciones de los solenoides del colector hidráulico. Cada solenoide debe estar energizado para que se produzca la función.
| Solenoide | Función |
| SP2 | Circuito de los molinetes delanteros |
| SP1 | Circuito de los molinetes traseros |
| SVRV | Elevar/bajar las unidades de corte |
| SV1 | Elevar/bajar las unidades de corte delanteras |
| SV3 | Elevar/bajar las unidades de corte traseras |
| SV2 | Elevar cualquiera de las unidades de corte |
Antes de segar, practique la operación de la máquina en una zona abierta. Arranque y pare el motor. Haga funcionar la máquina hacia delante y hacia atrás. Baje y eleve las unidades de corte y engrane y desengrane los molinetes. Cuando se haya familiarizado con la máquina, practique el subir y bajar pendientes a diferentes velocidades.
Si se enciende un indicador de advertencia durante la operación, pare la máquina inmediatamente y corrija el problema antes de seguir con la operación. Se podrían producir graves daños si la máquina se utiliza con una avería.
Arranque el motor y mueva el interruptor de velocidad del motor a la posición de Rápido. Mueva el interruptor habilitar/deshabilitar a Habilitar y utilice la palanca Bajar/Segar/Elevar para controlar las unidades de corte (las unidades de corte delanteras están sincronizadas de tal forma que bajan antes que las unidades de corte traseras). Para conducir hacia adelante y cortar la hierba, pise el pedal de tracción hacia adelante.
Mueva el interruptor habilitar/deshabilitar a Deshabilitar, y eleve las unidades de corte a la posición de transporte. Mueva la palanca de siega/transporte a la posición de transporte. Tenga cuidado al conducir entre objetos para no dañar accidentalmente la máquina ni las unidades de corte. Tenga un cuidado especial cuando opere la máquina en pendientes. Conduzca lentamente y evite giros cerrados en pendientes para evitar vuelcos. Baje las unidades de corte cuando conduce pendiente abajo para tener un mayor control de la dirección.
Note: Los lados derecho e izquierdo de la máquina se determinan desde la posición normal del operador.
| Intervalo de mantenimiento y servicio | Procedimiento de mantenimiento |
|---|---|
| Después de la primera hora |
|
| Después de las primeras 10 horas |
|
| Cada vez que se utilice o diariamente |
|
| Cada 50 horas |
|
| Cada 100 horas |
|
| Cada 200 horas |
|
| Cada 250 horas |
|
| Cada 400 horas |
|
| Cada 800 horas |
|
| Cada 6000 horas |
|
| Cada 2 años |
|
Duplique esta página para su uso rutinario.
| Elemento a comprobar | Para la semana de: | ||||||
|---|---|---|---|---|---|---|---|
| Lun. | Mar. | Miér. | Jue. | Vie. | Sáb. | Dom. | |
| Compruebe el funcionamiento de los interruptores de seguridad. | |||||||
| Compruebe el funcionamiento de los frenos. | |||||||
| Compruebe el nivel de aceite del motor y de combustible. | |||||||
| Drene el separador de agua/combustible. | |||||||
| Compruebe el indicador de obstrucción del filtro de aire. | |||||||
| Compruebe que el radiador y la rejilla están libres de residuos. | |||||||
| Compruebe que no haya ruidos extraños en el motor.1 | |||||||
| Compruebe que no haya ruidos extraños durante el funcionamiento. | |||||||
| Compruebe el nivel del aceite del sistema hidráulico. | |||||||
| Compruebe el indicador del filtro hidráulico. 2 | |||||||
| Compruebe que las mangueras hidráulicas no están dañadas. | |||||||
| Compruebe que no hay fugas de fluidos. | |||||||
| Compruebe la presión de los neumáticos. | |||||||
| Compruebe la operación de los instrumentos. | |||||||
| Compruebe el ajuste molinete-contracuchilla. | |||||||
| Compruebe el ajuste de altura de corte. | |||||||
| Lubrique todos los puntos de engrase. 3 | |||||||
| Retoque cualquier pintura dañada. | |||||||
|
1. Compruebe la bujía y las boquillas de los inyectores en caso de dificultad para arrancar, exceso de humo o funcionamiento irregular. 2. Compruébelo con el motor en marcha y el aceite a la temperatura de operación 3. Inmediatamente después de cada lavado, aunque no corresponda a uno de los intervalos citados |
|||||||
| Inspección realizada por: | ||
| Elemento | Fecha | Información |
| 1 | ||
| 2 | ||
| 3 | ||
| 4 | ||
| 5 | ||
| 6 | ||
| 7 | ||
| 8 | ||
Important: Consulte en el Manual del operador del motor procedimientos adicionales de mantenimiento.

Si deja la llave en el interruptor de encendido, alguien podría arrancar el motor accidentalmente y causar lesiones graves a usted o a otras personas.
Retire la llave de contacto antes de realizar cualquier operación de mantenimiento.
| Intervalo de mantenimiento y servicio | Procedimiento de mantenimiento |
|---|---|
| Cada 50 horas |
|
Si se utiliza la máquina bajo condiciones normales, lubrique todos los puntos de engrase de los cojinetes y casquillos cada 50 horas de operación con grasa de litio de propósito general Nº 2. Lubrique los cojinetes y casquillos inmediatamente después de cada lavado, aunque no corresponda a uno de los intervalos citados.
La ubicación de los puntos de engrase y las cantidades requeridas son:
Eje de transmisión de la bomba (3) (Figura 61)

Cilindros del brazo de elevación de la unidad de corte (2 en cada) (Figura 62)

Pivotes del brazo de elevación (1 en cada) (Figura 62)
Bastidor de tiro y pivote de la unidad de corte (2 en cada) (Figura 63).

Eje pivotante del brazo de elevación (1 en cada) (Figura 64)

Tirante del eje trasero (2) (Figura 65)

Pivote de dirección (1) (Figura 66)

Articulaciones esféricas del cilindro de dirección (2) (Figura 67)

Pedal de freno (1) (Figura 68)

| Intervalo de mantenimiento y servicio | Procedimiento de mantenimiento |
|---|---|
| Cada 400 horas |
|
Inspeccione la carcasa del limpiador de aire por si hubiera daños que pudieran causar una fuga de aire. Cámbiela si está dañada. Compruebe todo el sistema de admisión en busca de fugas, daños o abrazaderas sueltas.
Revise el filtro del limpiador de aire únicamente cuando el indicador de mantenimiento (Figura 69) lo requiera. El cambiar el filtro antes de que sea necesario sólo aumenta la posibilidad de que entre suciedad en el motor al retirar el filtro.
Important: Asegúrese de que la cubierta está bien asentada y que hace un buen sello con la carcasa del limpiador de aire.
Abra los enganches que fijan la tapa del limpiador de aire a la carcasa del limpiador de aire (Figura 69).

Retire la cubierta de la carcasa del limpiador de aire. Antes de retirar el filtro, utilice aire a baja presión (2,76 bar, limpio y seco) para ayudar a retirar cualquier gran acumulación de residuos aprisionada entre el exterior del filtro y el cartucho. Evite utilizar aire a alta presión, que podría empujar la suciedad a través del filtro al conducto de admisión.
Este proceso de limpieza evita que los residuos migren a la entrada de aire al retirar el filtro.
Retire y cambie el filtro (Figura 70).
No se recomienda limpiar el elemento usado debido a la posibilidad de causar daños al medio filtrante. Asegúrese de que el filtro nuevo no ha sido dañado durante el transporte, comprobando el extremo sellante del filtro y la carcasa. No utilice el elemento si está dañado. Introduzca el filtro nuevo presionando el borde exterior del elemento para asentarlo en el cartucho. No aplique presión al centro flexible del filtro.

Limpie el orificio de salida de suciedad de la cubierta extraíble. Retire la válvula de salida de goma de la cubierta, limpie el hueco y cambie la válvula de salida.
Instale la cubierta orientando la válvula de salida de goma hacia abajo – entre las 5:00 y las 7:00 aproximadamente visto desde el extremo.
Cierre los enganches.
Utilice aceite de motor de alta calidad y bajo contenido en ceniza que cumpla o supere las especificaciones siguientes:
Categoría de servicio API CJ-4 o superior
Categoría de servicio ACEA E6
Categoría de servicio JASO DH-2
Important: El uso de un aceite del motor que no sea API CJ-4 o superior, ACEA E6 o JASO DH-2 puede hacer que el filtro de partículas diésel se obstruya o que se produzcan daños en el motor.
Utilice el siguiente grado de viscosidad de aceite del motor:
Aceite preferido: SAE 15W-40 (por encima de los 0 °F)
Aceite alternativo: SAE 10W-30 o 5W-30 (todas las temperaturas)
Su Distribuidor Autorizado de Toro dispone de aceite para motores Toro Premium, de viscosidad 15W-40 o 10W-30. Consulte los números de pieza en el catálogo de piezas.
| Intervalo de mantenimiento y servicio | Procedimiento de mantenimiento |
|---|---|
| Cada vez que se utilice o diariamente |
|
Important: Compruebe el aceite del motor cada día. Si el nivel del aceite está en o por debajo de la marca Lleno de la varilla, el aceite del motor puede diluirse con combustible;Si el nivel del aceite está por encima de la marca Lleno de la varilla, cambie el aceite del motor.
El mejor momento para comprobar el aceite del motor es cuando el motor está frío, antes de arrancarlo al principio de la jornada. Si ya se ha arrancado, deje que el aceite se drene al cárter durante al menos 10 minutos antes de comprobar el nivel. Si el nivel del aceite está en o por debajo de la marca “Add” (Añadir) de la varilla, añada aceite hasta que el nivel llegue a la marca “Full” (Lleno).No llene el motor con demasiado aceite.
Important: Mantenga el nivel del aceite del motor entre los límites superior e inferior en el indicador de aceite; el motor puede fallar si se acciona con aceite insuficiente o en exceso.
Aparque la máquina en una superficie nivelada. Abra los enganches del capó.
Abra el capó.
Retire la varilla, límpiela, vuelva a colocarla en el tubo y retírela de nuevo. El nivel de aceite debe estar entre las marcas "lleno" y "añadir" (Figura 71).

Si el nivel de aceite es bajo, retire el tapón de llenado (Figura 71) y añada suficiente aceite para que llegue entre las marcas "lleno" y "añadir". No llene demasiado.
Coloque el tapón de llenado y la varilla.
Cierre el capó y afiáncelo con los enganches.
5,2 litros
| Intervalo de mantenimiento y servicio | Procedimiento de mantenimiento |
|---|---|
| Cada 250 horas |
|
Cambie el aceite y el filtro cada 250 horas.
Retire el tapón de vaciado (Figura 72) y deje fluir el aceite a un recipiente apropiado. Cuando todo el aceite se haya drenado, instale el tapón de vaciado.

Retire el filtro de aceite (Figura 72). Aplique una capa ligera de aceite limpio al filtro nuevo antes de enroscarlo. No apriete demasiado.
Añada aceite al cárter; consulte Cambio del aceite de motor y el filtro.
| Intervalo de mantenimiento y servicio | Procedimiento de mantenimiento |
|---|---|
| Cada 6000 horas |
|
Si se muestra el en el InfoCenter, the DPF se acerca al punto recomendado para revisar el catalizador de oxidación diésel y del filtro de hollín.

Si se muestran los fallos (Comprobar motor spn 3251 fmi 0), (Comprobar motor spn 3720 fmi 0) o (Comprobar motor spn 3720 fmi 16) en el InfoCenter (Figura 74), limpie el filtro de hollín siguiendo los pasos indicados a continuación:



Consulte la sección sobre Motor en el Manual de mantenimiento para obtener información sobre el montaje y el desmontaje del catalizador de oxidación diésel y el filtro de hollín del DPF.
Consulte a su Distribuidor Autorizado Toro si desea más información sobre el mantenimiento o las piezas de sustitución del catalizador de oxidación diésel o el filtro de hollín.
Póngase en contacto con su Distribuidor Autorizado de Toro para que restablezcan la ECU del motor después de instalar un DPF limpio.
Bajo ciertas condiciones el combustible diésel y los vapores del combustible son extremadamente inflamables y explosivos. Un incendio o explosión de combustible puede quemarle a usted y a otras personas y causar daños materiales.
Utilice un embudo y llene el depósito de combustible al aire libre, en una zona despejada, con el motor parado y frío. Limpie cualquier combustible derramado.
No llene completamente el depósito de combustible. Añada combustible al depósito de combustible hasta que el nivel alcance de 6 a 13 mm por debajo de la parte inferior del cuello de llenado. Este espacio vacío en el depósito permite la dilatación del combustible.
No fume nunca mientras maneja el combustible, y aléjese de llamas desnudas o lugares donde los vapores del combustible pueden incendiarse con una chispa.
Almacene el combustible en un recipiente limpio homologado y mantenga el tapón colocado.
| Intervalo de mantenimiento y servicio | Procedimiento de mantenimiento |
|---|---|
| Cada 400 horas |
|
Drene el agua y otros contaminantes del separador de agua a diario (Figura 75). Cambie el cartucho del filtro cada 400 horas de operación.
Coloque un recipiente limpio debajo del filtro de combustible.
Afloje el tapón de vaciado en la parte inferior del cartucho del filtro y abra el respiradero situado encima del soporte del cartucho.

Limpie la zona de montaje del cartucho del filtro.
Retire el cartucho del filtro y limpie la superficie de montaje.
Lubrique la junta del cartucho del filtro con aceite limpio.
Instale el cartucho del filtro a mano hasta que la junta entre en contacto con la superficie de montaje, luego gírelo media vuelta más.
Apriete el tapón de vaciado en la parte inferior del cartucho del filtro y cierre el respiradero situado encima del soporte del cartucho.
| Intervalo de mantenimiento y servicio | Procedimiento de mantenimiento |
|---|---|
| Cada 400 horas |
|
El filtro de combustible del motor debe cambiarse cada 400 horas de operación.
Limpie la zona alrededor del cabezal del filtro de combustible (Figura 76).

Retire el filtro y limpie la superficie de montaje del cabezal del filtro (Figura 76).
Lubrique la junta del filtro con aceite de motor limpio. Consulte la información adicional incluida en el Manual del operador del motor, incluido con la máquina.
Instale el cartucho filtrante seco, a mano, hasta que la junta entre en contacto con la cabeza del filtro, luego gírelo media vuelta más.
Arranque el motor y compruebe que no hay fugas de combustible alrededor de la cabeza del filtro.
| Intervalo de mantenimiento y servicio | Procedimiento de mantenimiento |
|---|---|
| Cada 400 horas |
|
Compruebe los tubos y las conexiones del sistema de combustible cada 400 horas o cada año, lo que ocurra primero. Compruebe que no están deteriorados o dañados, y que las conexiones no están sueltas.
El tubo de succión de combustible, situado dentro del depósito de combustible, lleva un filtro para evitar que entren residuos en el sistema de combustible. Retire el tubo de aspiración de combustible y limpie el filtro según sea necesario.
Important: Antes de efectuar soldaduras en la máquina, desconecte ambos cables de la batería, desconecte ambos conectores de arnés de cables del módulo de control electrónico y desconecte el conector terminal del alternador para evitar daños al sistema eléctrico.
| Intervalo de mantenimiento y servicio | Procedimiento de mantenimiento |
|---|---|
| Cada 50 horas |
|
Los bornes, terminales y otros accesorios de la batería contienen plomo y compuestos de plomo, productos químicos reconocidos por el Estado de California como causantes de cáncer y daños reproductivos. Lávese las manos después de manejar el material.
El electrolito de la batería contiene ácido sulfúrico, que es un veneno mortal y causa quemaduras graves.
No beba electrolito y evite el contacto con la piel, los ojos y la ropa. Lleve gafas de seguridad para proteger sus ojos, y guantes de goma para proteger sus manos.
Llene la batería en un lugar que tenga disponible agua limpia para enjuagar la piel.
El proceso de carga de la batería produce gases que pueden explotar.
No fume nunca cerca de la batería, y mantenga alejados de la batería chispas y llamas.
Compruebe la condición de la batería cada semana o cada 50 horas de operación. Mantenga limpios los bornes y toda la carcasa de la batería, porque una batería sucia se descargará lentamente. Para limpiar la batería, lave toda la carcasa con una solución de bicarbonato y agua. Enjuague con agua clara.
Hay 8 fusibles en el sistema eléctrico. El bloque de fusibles (Figura 77) se encuentra detrás del panel de acceso del brazo de control.


La máquina no debe moverse cuando se suelta el pedal de tracción. Si se mueve, realice el ajuste siguiente:
Aparque la máquina en una superficie nivelada, pare el motor y baje las unidades de corte al suelo.
Eleve con un gato la parte delantera de la máquina hasta que las ruedas delanteras no toquen el suelo. Coloque soportes fijos debajo de la máquina para evitar que se caiga accidentalmente.
Note: En modelos con tracción a 4 ruedas, los neumáticos traseros derecho también deben estar levantados del suelo.
En el lado derecho del hidrostato, afloje la contratuerca de la leva de ajuste de tracción (Figura 79).

El motor debe estar en marcha para poder realizar el ajuste final de la leva de ajuste de tracción. Esto podría provocar lesiones personales.
Mantenga las manos, los pies, la cara y otras partes del cuerpo alejados del silenciador, otras superficies calientes del motor y cualquier pieza en movimiento.
Arranque el motor y gire el eje hexagonal de la leva en cualquier sentido hasta que las ruedas dejen de girar.
Apriete la contratuerca para afianzar el ajuste.
Pare el motor. Retire los soportes y baje la máquina al suelo.
Haga una prueba de conducción de la máquina para asegurarse de que no se desplaza indebidamente.
| Intervalo de mantenimiento y servicio | Procedimiento de mantenimiento |
|---|---|
| Cada 800 horas |
|
Gire el volante hasta que las ruedas traseras estén rectas.
Afloje las contratuercas de ambos extremos del tirante (Figura 80).
Note: El extremo del tirante que tiene una muesca exterior tiene rosca a izquierdas.

Coloque una llave en la ranura y gire el tirante.
Mida la distancia en la parte delantera y la trasera de las ruedas traseras a la altura del eje. La distancia en la parte delantera de las ruedas traseras debe ser de 6 mm menos que la distancia medida en la parte trasera de las ruedas.
Repita este procedimiento según sea necesario.
| Intervalo de mantenimiento y servicio | Procedimiento de mantenimiento |
|---|---|
| Cada vez que se utilice o diariamente |
|
| Cada 100 horas |
|
| Cada 2 años |
|
Retire cualquier residuo de la rejilla y del radiador/enfriador de aceite cada día (más a menudo en condiciones de mucha suciedad).
Ajuste los frenos de servicio si el pedal de freno tiene más de 2,5 cm de holgura, o cuando los frenos no funcionan eficazmente. La holgura es la distancia que recorre el pedal de freno antes de notarse una resistencia de frenado.
Note: Utilice el juego libre del motor de la rueda para mover el tambor hacia adelante y hacía atrás para asegurarse de que los tambores están libres, tanto antes como después del ajuste.
Para reducir la holgura de los pedales de freno, apriete los frenos aflojando la tuerca delantera del extremo roscado del cable de freno (Figura 83).

Apriete la tuerca trasera para mover el cable hacia atrás hasta que los pedales de freno tengan una holgura de 1,27 a 1,9 cm antes de bloquearse las ruedas.
Apriete las tuercas delanteras, asegurándose de que ambos cables accionen los frenos simultáneamente.
Si el freno de estacionamiento no funciona, es necesario ajustar el trinquete del freno.
Afloje los 2 tornillos que fijan el trinquete del freno de estacionamiento al bastidor (Figura 84).

Pise el pedal del freno de estacionamiento hacia adelante hasta que la uña se engancha a fondo en el trinquete del freno (Figura 84).
Apriete los 2 tornillos para afianzar el ajuste.
Pise el pedal de freno para quitar el freno de estacionamiento.
Compruebe el funcionamiento, y vuelva a ajustar si es necesario.
| Intervalo de mantenimiento y servicio | Procedimiento de mantenimiento |
|---|---|
| Después de las primeras 10 horas |
|
| Cada 100 horas |
|
Compruebe la condición y la tensión de la correa (Figura 85) cada 100 horas de operación.
Una tensión correcta permitirá una desviación de 10 mm al aplicar una fuerza de 44 N a la correa, en el punto intermedio entre las poleas.
Si la desviación no es de 10 mm, afloje los pernos de montaje del alternador (Figura 85). Aumente o reduzca la tensión de la correa del alternador y apriete los pernos. Verifique de nuevo la desviación de la correa para asegurarse de que la tensión es la correcta.

| Intervalo de mantenimiento y servicio | Procedimiento de mantenimiento |
|---|---|
| Cada 800 horas |
|
| Cada 2 años |
|
Cambie el fluido hidráulico cada 800 horas de operación, en condiciones normales. Si el fluido se contamina, póngase en contacto con su distribuidor autorizado Toro, porque el sistema debe ser purgado. El fluido contaminado tiene un aspecto lechoso o negro en comparación con el aceite limpio.
Pare el motor y levante el capó.
Coloque un recipiente grande debajo del acoplamiento situado en la parte inferior del depósito de fluido hidráulico (Figura 86).

Desconecte la manguera de la parte inferior del acoplamiento y deje que se drene el fluido hidráulico al recipiente.
Vuelva a conectar el tubo cuando el fluido hidráulico se haya drenado.
Llene el depósito con 30 litros aproximadamente de aceite hidráulico; consulte Comprobación del sistema hidráulico.
Important: Utilice solamente los aceites hidráulicos especificados. Otros fluidos podrían causar daños en el sistema.
Coloque el tapón del depósito.
Arranque el motor y utilice todos los controles hidráulicos para distribuir el fluido hidráulico por todo el sistema. Verifique también que no existen fugas.
Pare el motor.
Compruebe el nivel del aceite hidráulico y añada suficiente para que el nivel llegue a la marca Lleno de la varilla.
Important: No llene demasiado.
| Intervalo de mantenimiento y servicio | Procedimiento de mantenimiento |
|---|---|
| Cada 800 horas |
|
El sistema hidráulico está equipado con un indicador de intervalo de mantenimiento (Figura 87). Con el motor en marcha a su temperatura de funcionamiento, observe el indicador; debe estar en la zona Verde. Si el indicador está en la zona Roja, deben cambiarse los filtros hidráulicos.

Important: El uso de cualquier otro filtro puede anular la garantía de algunos componentes.
Coloque la máquina en una superficie nivelada, baje las unidades de corte, pare el motor, ponga el freno de estacionamiento y retire la llave de contacto.
Limpie la zona alrededor de la zona de montaje del filtro y coloque un recipiente debajo del filtro (Figura 88 y Figura 89).


Retire el filtro.
Lubrique la junta del filtro nuevo con aceite hidráulico.
Asegúrese de que la zona de montaje del filtro está limpia.
Instale el filtro a mano hasta que la junta entre en contacto con la superficie de montaje, luego gírelo media vuelta más.
Repita el procedimiento con el otro filtro.
Arranque el motor y déjelo funcionar durante unos dos minutos para purgar el aire del sistema.
Pare el motor y compruebe que no hay fugas.
| Intervalo de mantenimiento y servicio | Procedimiento de mantenimiento |
|---|---|
| Cada vez que se utilice o diariamente |
|
Cada día, compruebe que las líneas y mangueras hidráulicas no tienen fugas, que no están dobladas, que los soportes no están sueltos, y que no hay desgaste, elementos sueltos, o deterioro causado por agentes ambientales o químicos. Haga todas las reparaciones necesarias antes de operar la máquina.
Las fugas de aceite hidráulico bajo presión pueden penetrar en la piel y causar lesiones.
Asegúrese de que todas las líneas y mangueras hidráulicas están en buenas condiciones, y que todos los acoplamientos y accesorios del sistema hidráulico están apretados antes de aplicar presión al sistema hidráulico.
Mantenga el cuerpo y las manos alejados de fugas pequeñas o boquillas que liberan fluido hidráulico a alta presión.
Utilice un cartón o un papel para buscar fugas hidráulicas.
Alivie de manera segura toda presión en el sistema hidráulico antes de realizar trabajo alguno en el sistema hidráulico.
Busque atención médica inmediatamente si el aceite hidráulico penetra en la piel.
Utilice los puertos de prueba del sistema hidráulico para comprobar la presión de los circuitos hidráulicos. Póngase en contacto con su distribuidor autorizado TORO para su revisión.
Utilice los puntos de prueba de los tubos hidráulicos delanteros (Figura 90) para resolver problemas en el circuito de tracción.

Utilice los puntos de prueba del bloque del colector de siega (Figura 91) para resolver problemas en el circuito de siega.

Utilice el punto de prueba del bloque del colector de elevación (Figura 92) para resolver problemas en el circuito de elevación.

El contacto con los molinetes u otras piezas en movimiento puede causar lesiones personales.
Mantenga las manos, los pies y la ropa alejados de los molinetes u otras piezas en movimiento.
No intente nunca girar los molinetes con la mano o con el pie con el motor en marcha.
Note: Durante el autoafilado, las unidades delanteras funcionan todas juntas, y las unidades traseras funcionan juntas.
Coloque la máquina en una superficie nivelada, baje las unidades de corte, pare el motor, ponga el freno de estacionamiento y ponga el interruptor Habilitar/Deshabilitar en la posición Deshabilitar.
Desbloquee y levante el asiento para poder acceder a las palancas de autoafilado (Figura 93).
Realice los ajustes iniciales de molinete a contracuchilla apropiados para el autoafilado en todas las unidades de corte que se vayan a autoafilar; consulte el Manual del operador de la unidad de corte.
Arranque el motor y déjelo funcionar a velocidad de ralentí bajo.
Si se cambia la velocidad del motor durante el autoafilado, los molinetes pueden atascarse.
No cambie nunca la velocidad del motor durante el autoafilado.
Realice el autoafilado únicamente a velocidad de ralentí.
Seleccione la palanca de autoafilado correspondiente a los molinetes que desea autoafilar: delanteros, traseros o ambos (Figura 93).
Para evitar lesiones personales, asegúrese de apartarse de las unidades de corte antes de continuar.
Con la palanca de siega/transporte en la posición de siega, mueva el interruptor habilitar/deshabilitar a la posición de Habilitado. Mueva el control de Bajar/Segar/Elevar hacia adelante para iniciar la operación de autoafilado en los molinetes seleccionados.
Aplique pasta de autoafilado con un cepillo de mango largo. No utilice nunca una brocha de mango corto.
Si los molinetes se atascan o si la velocidad no es estable durante el autoafilado, seleccione una velocidad más alta hasta que la velocidad de los molinetes se estabilice, luego ajústela de nuevo a la velocidad deseada.
Para realizar ajustes a las unidades de corte durante el autoafilado, pare los molinetes moviendo la palanca Bajar/Segar/Elevar hacia atrás; ponga el interruptor habilitar/deshabilitar en Deshabilitar y pare el motor. Después de realizar los ajustes, repita los pasos 4 a 8.

Repita el procedimiento para todas las unidades de corte a autoafilar.
Cuando termine, ponga las palancas de autoafilado en la posición de Siega, baje el asiento y lave toda la pasta de autoafilado de las unidades de corte. Ajuste el molinete de la unidad de corte a la contracuchilla según sea necesario. Ajuste la velocidad de los molinetes de las unidades de corte a la posición de siega deseada.
Important: Si el interruptor de autoafilado no se pone en posición de Desconectado después del autoafilado, las unidades de corte no se elevarán ni funcionarán correctamente.
Note: Para obtener un filo de corte mejor, pase una lima por la cara delantera de la contracuchilla después de afilar. Esto eliminará cualquier rebaba o aspereza que pueda haber aparecido en el filo de corte.
Limpie a fondo la unidad de tracción, las unidades de corte y el motor.
Compruebe la presión de los neumáticos. Infle todos los neumáticos de la unidad de tracción a 0,83–1,03 bar.
Compruebe que todos los herrajes están bien apretados; apriételos si es necesario.
Engrase todos los engrasadores y de pivote. Limpie cualquier exceso de lubricante.
Lije suavemente y aplique pintura de retoque a cualquier zona pintada que esté rayada, desconchada u oxidada. Repare cualquier desperfecto de la carrocería.
Preparación de la batería y los cables:
Retire los terminales de los bornes de la batería.
Limpie la batería, los terminales y los bornes con un cepillo de alambre y una solución de bicarbonato.
Aplique una capa de grasa Grafo 112X (No. de Pieza Toro 505-47) o de vaselina a los terminales de los cables y a los bornes de la batería para evitar la corrosión.
Recargue la batería lentamente durante 24 horas cada 60 días para evitar el sulfatado de plomo de la batería.
Vacíe el aceite de motor del cárter y vuelva a colocar el tapón de vaciado.
Retire y deseche el filtro de aceite. Instale un filtro de aceite nuevo.
Vuelva a llenar el cárter con la cantidad estipulada de aceite de motor.
Arranque el motor y déjelo funcionar a velocidad de ralentí durante aproximadamente dos minutos.
Pare el motor.
Enjuague el depósito de combustible con combustible diésel limpio y nuevo.
Compruebe el anticongelante y añada una solución al 50% de agua y anticongelante según sea necesario dependiendo de la temperatura mínima prevista para su zona.
Vuelva a fijar todos los elementos del sistema de combustible.
Realice una limpieza y un mantenimiento completos del conjunto del limpiador de aire.
Selle la entrada del limpiador de aire y la salida del tubo de escape con cinta impermeabilizante.
Compruebe la protección anticongelante y rellene en caso de necesidad según la temperatura mínima prevista en su región.

