| Cadenza di manutenzione | Procedura di manutenzione |
|---|---|
| Prima di ogni utilizzo o quotidianamente |
|
Questo è un tosaerba dotato di postazione per l'operatore e cilindri di taglio, pensato per essere utilizzato da professionisti e operatori del verde in applicazioni commerciali. Il suo scopo è quello di tagliare l'erba di campi da golf, parchi, campi sportivi e aree verdi commerciali ben tenuti. Non è stato progettato per tagliare aree cespugliose, erba e altre piante ai bordi delle strade, né per impieghi in agricoltura.
Leggete attentamente il presente manuale al fine di utilizzare e mantenere correttamente il prodotto ed evitare infortuni e danni. Voi siete responsabili del corretto utilizzo del prodotto, all'insegna della sicurezza.
Per informazioni su prodotti e accessori, sulla ricerca di un distributore o per la registrazione del vostro prodotto, potete contattare direttamente Toro all'indirizzo www.Toro.com.
Per assistenza, ricambi originali Toro o ulteriori informazioni, rivolgetevi a un Distributore Toro autorizzato o ad un Centro Assistenza Toro, ed abbiate sempre a portata di mano il numero del modello ed il numero di serie del prodotto. I numeri di serie e del modello sono riportati sulla targhetta affissa sulla sinistra del telaio, sotto il poggiapiedi. Scrivete i numeri negli spazi previsti.
Il sistema di avvertimento adottato dal presente manuale identifica i pericoli potenziali e riporta messaggi di sicurezza, identificati dal simbolo di avvertimento (Figura 1), che segnala un pericolo in grado di provocare infortuni gravi o la morte se non si osservano le precauzioni raccomandate.

Per evidenziare le informazioni vengono utilizzate anche altre due parole. Importante indica informazioni meccaniche di particolare importanza, e Nota evidenzia informazioni generali di particolare rilevanza.
Questo prodotto è conforme a tutte le direttive europee pertinenti; vedere i dettagli nella Dichiarazione di Conformità (DICO) specifica del prodotto, fornita a parte.
CALIFORNIA
Avvertenza norma "Proposition 65"
I gas di scarico dei motori Diesel e alcuni dei loro elementi costitutivi sono noti allo Stato della California come cancerogeni e responsabili di difetti congeniti ed altri problemi riproduttivi.
Poiché in alcune zone esistono normative locali, statali o federali che prevedono l'uso di un parascintille sul motore di questa macchina, un parascintille è integrato nel gruppo marmitta.
I parascintille originali Toro sono approvati dall'USDA Forestry Service.
Important: Il motore è dotato di marmitta parascintille. Costituisce una trasgressione al Codice delle Risorse Pubbliche della California, Sezione 4442, utilizzare o azionare questo motore su terreno forestale, sottobosco o prateria senza una marmitta parascintille montata in stato di marcia, o senza che il motore sia realizzato o attrezzato per la prevenzione di incendi. Altri stati o zone federali possono avere leggi simili.
L'errato utilizzo o manutenzione da parte dell'operatore o del proprietario possono provocare incidenti. Per ridurre il rischio di infortuni, rispettate le seguenti norme di sicurezza e fate sempre attenzione al simbolo di allarme, che indica Attenzione, Avvertenza o Pericolo – norme di sicurezza. Il mancato rispetto delle istruzioni può provocare infortuni o la morte.
Le seguenti istruzioni sono state tratte dalle norme CEN EN 836:1997, ISO 5395:1990 ed ANSI B71.4-2012.
Leggete attentamente il Manuale dell'operatore e gli altri stampati relativi all'addestramento. Acquisite dimestichezza con i comandi, gli adesivi di sicurezza e il corretto utilizzo della macchina.
Non permettete mai a bambini o a persone che non abbiano una perfetta conoscenza delle presenti istruzioni di utilizzare il tosaerba o di effettuarne la manutenzione. Le normative locali possono imporre limiti all'età dell'operatore.
Non tosate in prossimità di altre persone, soprattutto bambini, o di animali da compagnia.
Ricordate sempre che l'operatore o utilizzatore è responsabile di incidenti o pericoli occorsi ad altre persone o alla loro proprietà.
Non trasportate passeggeri.
Tutti i conducenti e i meccanici devono mirare a ottenere una formazione professionale e pratica. Il proprietario è responsabile dell'addestramento degli operatori. Tale formazione dovrà evidenziare:
la necessità di attenzione e concentrazione quando si lavora sui rider;
il controllo del rider che scivola su un terreno in pendenza non verrà recuperato azionando il freno. I motivi principali della perdita di controllo sono:
presa insufficiente delle ruote;
velocità troppo elevata;
azione frenante inadeguata;
tipo di macchina inadatto al compito da eseguire;
mancanza di consapevolezza degli effetti delle condizioni del terreno, soprattutto dei pendii;
traino e distribuzione del carico errati.
Il proprietario/operatore può impedire che si verifichino incidenti o infortuni a se stesso, a terzi e alle cose, e ne è responsabile.
Durante il lavoro indossate sempre calzature pesanti, pantaloni lunghi, casco, occhiali di protezione e auricolari adatti. Capelli lunghi, abiti svolazzanti e gioielli possono impigliarsi nelle parti mobili. Non usate mai l'attrezzatura a piedi nudi o indossando sandali aperti.
Ispezionate attentamente l'area in cui deve essere utilizzata l'apparecchiatura, e sgombratela da oggetti che possano venire raccolti e scagliati dalla macchina.
Avvertenza – Il carburante è altamente infiammabile. Prendete le seguenti precauzioni:
Conservate il carburante in apposite taniche.
Fate il pieno solo all'aperto, e non fumate durante il rifornimento.
Aggiungete il carburante prima di avviare il motore. Non togliete mai il tappo del serbatoio, né aggiungete il carburante, a motore acceso o caldo.
Se viene inavvertitamente versato del carburante, non avviate il motore, ma allontanate la macchina dall'area interessata evitando di generare una fonte di accensione, finché i vapori del carburante non si saranno dissipati.
Montate con sicurezza i tappi dei serbatoi del carburante e delle taniche.
Sostituite le marmitte di scarico e i silenziatori difettosi.
Esaminate il terreno per determinare quali accessori e quali attrezzi siano necessari per eseguire il lavoro in modo corretto e sicuro. Usate soltanto accessori e attrezzi approvati dal produttore.
Controllate che i comandi dell'operatore, gli interruttori di sicurezza e le protezioni siano collegati e correttamente funzionanti. Se non funzionano correttamente, non azionate la macchina.
Non azionate il motore in un locale chiuso in cui possano raccogliersi i fumi tossici dell'ossido di carbonio.
Tosate solamente alla luce del giorno o con illuminazione artificiale adeguata.
Prima di cercare di avviare il motore, disinnestate tutte le frizioni dell'accessorio con lame, mettete il cambio in folle e inserite il freno di stazionamento.
Ricordate che non esistono pendenze sicure. L'utilizzo su pendii erbosi richiede un'attenzione particolare. Per cautelarvi dal ribaltamento:
evitate partenze e frenate brusche procedendo in salita o in discesa;
mantenete bassa la velocità della macchina quando procedete in pendenza o eseguite curve a stretto raggio;
prestate attenzione a protuberanze del terreno, buche e altri ostacoli nascosti;
Non curvate bruscamente, ed eseguite le retromarce con prudenza;
utilizzate i contrappesi o le zavorre per le ruote quando raccomandato nel manuale dell'operatore.
Prestate attenzione a fosse e ad altri pericoli nascosti.
Prestate attenzione al traffico quando attraversate o procedete nei pressi di una strada.
Arrestate la rotazione delle lame prima di attraversare superfici non erbose.
Quando utilizzate degli accessori, non dirigete mai lo scarico del materiale verso terzi e non consentite ad alcuno di avvicinarsi alla macchina durante il lavoro.
Non azionate mai la macchina con schermi o ripari difettosi, o senza i dispositivi di protezione montati. Verificate che tutti i microinterruttori di sicurezza siano collegati, regolati e funzionino correttamente.
Non modificate la taratura del regolatore del motore e non fate superare al motore i regimi previsti. Il motore che funziona a velocità eccessiva può aumentare il rischio di infortuni.
Prima di scendere dalla postazione di guida:
fermate la macchina su terreno pianeggiante;
disinnestate la presa di forza e abbassate al suolo l'attrezzatura;
mettete il cambio in folle e inserite il freno di stazionamento;
spegnete il motore e togliete la chiave di accensione.
Disinserite la trasmissione agli accessori durante i trasferimenti e quando la macchina non viene utilizzata.
Spegnete il motore e disinserite la trasmissione all'accessorio:
prima del rifornimento di carburante;
prima di togliere il cesto (o i cesti) di raccolta;
prima di regolare l'altezza, a meno che la regolazione non possa essere eseguita dalla postazione di guida;
prima di pulire intasamenti;
prima di controllare, pulire o eseguire interventi sul tosaerba;
dopo avere urtato un corpo estraneo, o in caso di vibrazioni anomale. Ispezionate il tosaerba per rilevare eventuali danni, ed effettuate le riparazioni necessarie prima di riavviare l'accessorio.
Riducete la velocità del motore impostata durante il tempo di arresto del motore e, se il motore è dotato di valvola di intercettazione, spegnete l'afflusso di carburante al termine del lavoro.
Tenete mani e piedi a distanza dagli elementi di taglio.
Prima di fare marcia indietro, guardate indietro e in basso, assicurandovi che il percorso sia libero.
Rallentate e fate attenzione quando eseguite curve o attraversate strade e marciapiedi. Fermate tutti i cilindri se la macchina è ferma.
Non utilizzate il tosaerba se siete sotto l'effetto di alcol o droga.
I lampi possono causare lesioni gravi o morte. Se, mentre vi trovate sull'area di lavoro, vedete lampi o udite tuoni, non utilizzate la macchina; cercate invece un riparo.
Prestate la massima attenzione durante il carico e lo scarico della macchina da un rimorchio o da un autocarro.
Prestate la massima attenzione quando vi avvicinate a curve cieche, cespugli, alberi o altri oggetti che possano impedire la vista.
Mantenete adeguatamente serrati tutti i dadi, i bulloni e le viti, per assicurarvi che le apparecchiature funzionino nelle migliori condizioni di sicurezza.
Non tenete la macchina con carburante nel serbatoio all'interno di edifici, dove i vapori della benzina possano raggiungere fiamme libere o scintille.
Lasciate raffreddare il motore prima del rimessaggio al chiuso.
Per ridurre il rischio d'incendio, mantenete motore, silenziatore/marmitta di scarico, vano batteria e zona di conservazione del carburante esenti da erba, foglie ed eccessi di grasso.
Controllate frequentemente il cesto di raccolta, per verificarne l'usura o il deterioramento.
Mantenete tutte le parti in buone condizioni operative, tutti i componenti metallici e i raccordi idraulici ben serrati. Sostituite i componenti e gli adesivi usurati o danneggiati.
Dovendo scaricare il serbatoio del carburante, eseguite l'operazione all'aperto.
Durante la messa a punto della macchina fate attenzione a non intrappolare le dita tra le lame in movimento e le parti fisse della macchina.
Su macchine a più cilindri ricordate che la rotazione di un cilindro può provocare la rotazione anche di altri cilindri.
Disinnestate gli organi di trasmissione e abbassate gli elementi di taglio, inserite il freno di stazionamento, spegnete il motore e togliete la chiave di accensione. Attendete l'arresto di ogni movimento prima di eseguire interventi di regolazione, pulizia o riparazione.
Per prevenire un incendio, eliminate erba e detriti dagli elementi di taglio, dalle trasmissioni, da silenziatori/marmitte e dal motore. Tergete l'olio e il carburante versati.
Quando necessario, utilizzate cavalletti metallici per supportare i componenti.
Scaricate con cautela la pressione dai componenti che hanno accumulato energia.
Scollegate la batteria prima di ogni intervento di riparazione. Scollegate prima il morsetto negativo, per ultimo quello positivo. Ricollegate prima il morsetto positivo, per ultimo quello negativo.
Prestate la massima attenzione quando controllate i cilindri. Indossate i guanti e prestate attenzione durante il controllo.
Tenete mani e piedi a distanza dalle parti mobili. Se possibile, non eseguite regolazioni mentre il motore è in funzione.
Caricate le batterie in un luogo aperto, ben ventilato e distante da scintille e fiamme. Togliete la spina del caricabatterie prima di collegarlo o scollegarlo dalla batteria. Indossate indumenti di protezione e utilizzate attrezzi isolati.
La seguente lista contiene informazioni sulla sicurezza specifiche per i prodotti Toro oppure di cui è necessario essere a conoscenza, non incluse nelle norme CEN, ISO o ANSI.
Questo prodotto è in grado di amputare mani e piedi e di scagliare oggetti. Rispettate sempre tutte le norme di sicurezza per evitare gravi infortuni o la morte.
L'utilizzo di questo prodotto per scopi non conformi alle funzioni per cui è stato concepito può essere pericoloso per l'utente e gli astanti.
Lo scarico del motore contiene ossido di carbonio, gas velenoso inodore che può uccidere.
Non fate funzionare il motore in interni o in ambienti cintati.
Imparate a fermare rapidamente il motore.
Non utilizzate la macchina se calzate scarpe da tennis o calzature leggere.
Si consiglia di indossare scarpe di sicurezza e pantaloni lunghi. L'uso di tale attrezzatura è richiesto ai sensi di alcune ordinanze locali e disposizioni assicurative.
Maneggiate la benzina con cautela, e tergete le perdite accidentali.
Controllate quotidianamente il corretto funzionamento dei microinterruttori di sicurezza. Se un interruttore è guasto, sostituitelo prima di mettere in funzione la macchina.
Sedetevi sul sedile prima di avviare il motore.
L'utilizzo della macchina richiede la vostra attenzione. Per evitare di perdere il controllo:
non guidate nelle vicinanze di banchi di sabbia, fossati, torrenti o altri potenziali pericoli;
riducete la velocità prima di eseguire curve strette; evitate arresti e avviamenti improvvisi;
date sempre la precedenza nell'attraversare la strada o nelle adiacenze;
inserite i freni di servizio in discesa per rallentare e mantenere la macchina sotto controllo.
Sollevate gli elementi di taglio quando vi spostate da un'area di lavoro all'altra.
Non toccate il motore, il silenziatore/marmitta di scarico o il tubo di scappamento quando il motore è acceso o poco dopo averlo spento, in quanto questi componenti possono scottare ed ustionarvi.
Se il motore stalla o la macchina perde terreno e non riesce a raggiungere la sommità del pendio, non invertite direzione; fate sempre marcia indietro, lentamente e direttamente giù dal pendio.
Smettete di tosare se una persona o un animale da compagnia si presentano improvvisamente nell'area da tosare o nelle sue vicinanze. L'utilizzo imprudente della macchina, abbinato alle irregolarità del terreno ed agli sbalzi, o a protezioni posizionate in modo errato, può causare infortuni dovuti al lancio di oggetti. Non riprendete la tosatura finché l'area non è sgombra.
Prima di mettere l'impianto sotto pressione verificate che tutti i connettori dei flessibili idraulici siano saldamente serrati e che tutti i tubi e i flessibili siano in buone condizioni.
Tenete corpo e mani lontano da perdite filiformi o da ugelli che eiettano fluido idraulico pressurizzato. Per verificare la presenza di eventuali perdite, utilizzate carta o cartone, non le mani. Il fluido idraulico che fuoriesce sotto pressione può avere una forza sufficiente da penetrare la pelle e causare gravi lesioni. Se il fluido viene iniettato nella pelle, rivolgetevi immediatamente ad un medico.
Prima di scollegare l'impianto idraulico o di effettuare su di esso qualsiasi intervento, eliminate la pressione dell'intero impianto spegnendo il motore e abbassando a terra gli elementi di taglio e gli accessori.
Verificate ad intervalli regolari che i tubi di alimentazione siano correttamente serrati e non usurati. All'occorrenza, provvedete al serraggio o alla riparazione.
Se il motore deve essere mantenuto in funzione per eseguire un intervento di regolazione, tenete mani, piedi, indumenti e altre parti del corpo distanti dagli elementi di taglio, dagli accessori e dalle parti in movimento. Tenete a distanza gli astanti.
Per garantire condizioni di sicurezza e precisione, fate controllare la velocità massima del motore con un tachimetro da un Distributore Toro autorizzato.
Qualora fossero necessari interventi di assistenza o di riparazione di notevole entità, rivolgetevi a un Distributore Toro autorizzato.
Utilizzate soltanto accessori e parti di ricambio approvati dalla Toro. L'utilizzo di accessori non approvati può rendere nulla la garanzia.
Questa unità ha un livello di potenza acustica garantito di 103 dBA, con un valore di incertezza (K) di 1 dBA.
Il livello di potenza acustica è stato determinato in conformità con le procedure definite nella norma ISO 11094.
Questa unità ha un livello di pressione acustica all'orecchio dell'operatore di 86 dBA, con un valore di incertezza (K) di 1 dBA.
Il livello di pressione acustica è stato determinato in conformità con le procedure definite nella norma EN 836.
Mani-braccia
Livello di vibrazione misurato per la mano destra = 0,98 m/s2
Livello di vibrazione misurato per la mano sinistra = 0,66 m/s2
Valore di incertezza (K) = 0,5 m/s2
I valori rilevati sono stati determinati in conformità con le procedure definite nella norma EN 836.
Corpo
Livello di vibrazione rilevato = 0,31 m/s2
Valore di incertezza (K) = 0,15 m/s2
I valori rilevati sono stati determinati in conformità con le procedure definite nella norma EN 836.
Il motore di questa macchina è conforme a EPA Tier 4 Finale e stage 3b.
![]() |
Gli adesivi di sicurezza e di istruzione sono chiaramente visibili e sono affissi accanto a zone particolarmente pericolose. Sostituite gli adesivi danneggiati o smarriti. |

















Note: Stabilite i lati sinistro e destro della macchina dalla normale posizione di guida.
Gli pneumatici vengono sovragonfiati per la spedizione, quindi occorre eliminare dell'aria per ridurre la pressione. La giusta pressione dell'aria negli pneumatici anteriori e posteriori è compresa tra 0,83 e 1,03 bar.
Important: Per garantire un contatto uniforme con il manto erboso, mantenete una pressione uniforme in tutti gli pneumatici.
L'altezza dei gradini è regolabile per il comfort dell'operatore.
Togliete i due bulloni e i dadi che fissano le staffe dei gradini al telaio del trattorino (Figura 2)

Alzate o abbassate il gradino all'altezza richiesta e fissate di nuovo le staffe al telaio usando i due bulloni e i dadi.
Ripetete l'operazione sull'altro gradino.
La posizione del braccio di comando è regolabile per il comfort dell'operatore.
Allentate i due bulloni che fissano il braccio di comando alla staffa di bloccaggio (Figura 3).

Girate il braccio di comando nella posizione richiesta e serrate i due bulloni.
Parti necessarie per questa operazione:
| Guida flessibile anteriore dx | 1 |
| Guida flessibile anteriore sx | 1 |
Togliete i motori del cilindro dalle staffe di ancoraggio per la spedizione.
Togliete le staffe di ancoraggio per la spedizione e scartatele.
Togliete gli elementi di taglio dai cartoni. Eseguite il montaggio e la messa a punto come descritto nel Manuale dell'operatore degli elementi di taglio.
Il contrappeso (Figura 4) deve essere montato dal lato giusto dell'elemento di taglio, come descritto nel Manuale dell'operatore degli elementi di taglio.

Gli elementi di taglio vengono spediti con la molla di compensazione del manto erboso montata sulla destra degli elementi di taglio. La molla di compensazione del manto erboso deve essere montata dallo stesso lato dell'elemento di taglio e del motore principale del cilindro. Regolate la compensazione del manto erboso come indicato di seguito.
Togliete i due bulloni a testa tonda e i dadi che fissano la staffa dell'asta alle alette degli elementi di taglio (Figura 5).

Togliete il dado flangiato che fissa il bullone del tubo della molla all'aletta del telaio portante (Figura 5). Staccate il gruppo.
Montate il bullone del tubo della molla sull'aletta opposta, sul telaio portante, e fissatelo con il dado flangiato. La testa del bullone deve essere posta sul lato esterno dell'aletta, come illustrato nella Figura 6.

Montate la staffa dell’asta sulle alette degli elementi di taglio usando i bulloni a testa tonda e i dadi (Figura 6).
Important: Sugli elementi di taglio n. 4 (anteriore sinistro) e n. 5 (anteriore destro) (Figura 7), utilizzate i dadi di fissaggio della staffa dell'asta per montare le guide del flessibile sulla parte anteriore delle alette degli elementi di taglio Figura 8. Le guide del flessibile devono essere inclinate verso l'elemento di taglio (Figura 8 e Figura 9).



Note: In sede di montaggio o rimozione degli elementi di taglio verificate che la coppiglia sia montata nel foro dell'asta della molla, accanto alla staffa della molla. Diversamente, dovrete inserire la coppiglia nel foro nell'estremità dell'asta.
Abbassate completamente tutti i bracci di sollevamento.
Togliete il perno di ritenuta e il cappuccio dalla forcella del braccio di sollevamento (Figura 10).

Per gli elementi di taglio anteriori, infilate un elemento di taglio sotto il braccio di sollevamento mentre inserite l'albero del telaio portante nella forcella del braccio di sollevamento (Figura 11).

Eseguite la seguente operazione sugli elementi di taglio posteriori quando l'altezza di taglio è superiore a 19 mm.
Togliete l'acciarino e la rondella che fissano l'albero di articolazione al braccio di sollevamento, ed estraete l'albero dal braccio di sollevamento (Figura 12).

Inserite la forcella del braccio di sollevamento nell'albero del telaio portante (Figura 11).
Inserite l'albero del braccio di sollevamento nel braccio di sollevamento, e fissatelo con la rondella e l'acciarino (Figura 12).
Inserite il cappuccio sopra l'albero del telaio portante e la forcella del braccio di sollevamento.
Fissate il cappuccio e l'albero del telaio portante alla forcella del braccio di sollevamento con il perno di ritenuta. Per avere un elemento di taglio sterzante usate la fessura, oppure usate il foro se l'elemento di taglio deve essere bloccato (Figura 10).
Fissate la catena del braccio di sollevamento alla staffa della catena, usando il perno di ritenuta (Figura 13). Utilizzate il numero di maglie della catena riportato nel Manuale dell'operatore degli elementi di taglio.

Sugli elementi di taglio n. 4 (anteriore sinistro) e n. 5 (anteriore destro), inserite i flessibili del motore del cilindro nella rispettiva guida del flessibile.
Spalmate del grasso pulito sull'albero scanalato del motore del cilindro.
Lubrificate con olio l'o-ring del motore del cilindro e montatelo sulla flangia del motore.
Montate il motore ruotato in senso orario in modo che le flange del motore non tocchino i bulloni (Figura 14). Ruotate il motore in senso antiorario fin quando le flange non agganciano i bulloni, quindi serrate i bulloni.
Important: Verificate che i flessibili del motore del cilindro non siano attorcigliati, piegati o rischino di venire compressi.

La molla di compensazione del manto erboso (Figura 15) trasferisce il peso dal cilindro anteriore al cilindro posteriore, per contribuire a ridurre l'ondulazione del manto erboso, detta anche fluttuazione o bobbing.
Important: Per eseguire la messa a punto della molla, lasciate l'elemento di taglio montato sul trattorino, in posizione di marcia avanti e abbassato a terra.
Verificate che la coppiglia sia montata nel foro posteriore dell'asta della molla (Figura 15).

Serrate i dadi esagonali sulla parte anteriore dell'asta della molla fino a ridurre la lunghezza compressa della molla a 12,7 cm sugli apparati di taglio da 12,7 cm del Reelmaster 5410, oppure a 15,9 cm sugli apparati da 17,8 cm del Reelmaster 5510 (Figura 15).
Note: Per lavorare su terreno accidentato riducete la lunghezza della molla di 12,7 mm. Le ondulazioni del terreno saranno seguite leggermente meno fedelmente.
Parti necessarie per questa operazione:
| Cavalletto degli elementi di taglio | 1 |
Quando occorre inclinare l'elemento di taglio per accedere alla controlama o al cilindro, sostenete la parte posteriore dell'elemento con il cavalletto in modo che i dadi sul retro delle viti di regolazione della barra di appoggio non poggino sul piano di lavoro (Figura 16).

Fissate il cavalletto alla staffa della catena, usando il perno di ritenuta (Figura 17).


La leva di regolazione del sedile (Figura 19) consente di spostare il sedile avanti o indietro. La manopola di regolazione del sedile lo regola in base al peso dell'operatore. L'indicatore del peso indica quando il sedile è regolato secondo il peso dell'operatore. La manopola di regolazione del sedile lo regola in base al peso dell'operatore.

Il pedale di comando della trazione (Figura 20) controlla il funzionamento in marcia avanti e retromarcia. Per fare marcia avanti premete la parte superiore del pedale, e per la retromarcia premete la parte inferiore del pedale. La velocità di trasferimento dipende dal grado di pressione sul pedale. La velocità massima di trasferimento senza carico si ottiene premendo a fondo il pedale con la velocità del motore impostata in posizione Fast.
Per fermare la macchina, riducete la pressione sul pedale della trazione e lasciate che ritorni al centro.

Quando è alzato, il limitatore della velocità di tosatura (Figura 20) controlla la velocità di tosatura e consente l'innesto degli elementi di taglio. Ciascun distanziale regola la velocità di tosatura di 0,8 km/ora. Quanto più distanziali si trovano sopra il bullone, tanto più lenta è la macchina. Per il trasferimento, e per ottenere la massima velocità, spostate indietro il limitatore di velocità di tosatura.
Premete il pedale del freno (Figura 20) per fermare la macchina.
Per inserire il freno di stazionamento, (Figura 20) premete il pedale del freno e bloccatelo premendo in avanti la parte superiore. Per rilasciare il freno di stazionamento, premete il pedale del freno finché il fermo non si ritira.
Per inclinare il volante verso di voi premete il pedale (Figura 20) e tirate il volante verso di voi, nella posizione più comoda, poi rilasciate il pedale.
L'interruttore di regime del motore (Figura 21) ha due modalità che consentono di modificare la velocità del motore stesso. Agendo temporaneamente sull'interruttore, si può aumentare o diminuire il regime del motore con incrementi di 100 giri/min. Tenendo premuto l'interruttore, il motore passa automaticamente al minimo superiore o inferiore, a seconda dell'estremità dell'interruttore premuta.

Utilizzate l'interruttore Attiva/Disattiva (Figura 21) insieme alla leva di comando Abbassa-Tosa/Alza per azionare le teste dell'apparato di taglio.
Il display LCD InfoCenter mostra i dati relativi alla macchina, come lo stato operativo, le varie diagnostiche e altre informazioni sulla macchina stessa (Figura 21).
L’interruttore a chiave (Figura 21) ha tre posizioni: spento (Off), marcia (On/Run) e avvio (Start).
Questa leva (Figura 21) alza e abbassa gli elementi di taglio, ed avvia e arresta i porta-lame quando sono attivati per la tosatura. Non è possibile abbassare le teste degli apparati di taglio quando la leva di tosatura/trasferimento è in posizione trasferimento.
Girate l'interruttore in basso per accendere i fari (Figura 21).
Per la lappatura dei cilindri (Figura 22) utilizzate le leve di lappatura insieme alla leva di comando Abbassa-Tosa/Alza.

A motore acceso, a normale temperatura, osservate l'indicatore (Figura 23), che deve trovarsi nella zona verde. Quando l'indicatore si trova nella zona rossa, cambiate i filtri idraulici.

La presa è un'alimentazione a 12 V per apparecchiature elettroniche (Figura 24).

Il display LCD InfoCenter mostra le informazioni relative alla macchina, quali lo stato di funzionamento, diagnostica e altre informazioni pertinenti (Figura 25) Sono presenti una schermata di caricamento e una schermata principale dell'InfoCenter. In qualsiasi momento potete passare dalla schermata di caricamento alla schermata principale e viceversa premendo uno dei pulsanti InfoCenter e selezionando la freccia di direzione appropriata.

Pulsante sinistro, pulsante indietro/accesso menu – premete il pulsante per accedere ai menu InfoCenter e per tornare indietro da qualsiasi menu in uso al momento.
Pulsante centrale – utilizzate il pulsante per scorrere i menu.
Pulsante destro – Utilizzate il pulsante per aprire un menu in cui una freccia a destra indica un contenuto supplementare.
Note: Lo scopo di ogni pulsante può variare a seconda della necessità del momento. Ogni pulsante è contrassegnato con un'icona che ne visualizza la funzione corrente.
| SERVICE DUE | Indica quando occorre effettuare la manutenzione programmata |
![]() | Regime/stato motore – Indica i giri/min del motore |
![]() | Contaore |
![]() | Icona informazioni |
![]() | Rapido |
![]() | Lento |
![]() | Livello del carburante |
![]() | Rigenerazione stabile necessaria |
![]() | Le candele sono attive |
![]() | Alzare gli apparati di taglio |
![]() | Abbassare gli apparati di taglio |
![]() | L'operatore deve essere seduto alla guida |
![]() | Indicatore del freno di stazionamento – indica quando il freno di stazionamento è inserito |
![]() | Identifica la velocità come alta (Trasferimento) |
![]() | Folle |
![]() | Identifica la velocità come bassa (Tosatura) |
![]() | Temperatura del refrigerante – Indica la temperatura del refrigerante del motore in °C o °F |
![]() | Temperatura (calda) |
![]() | La PDF è innestata |
![]() | Rifiutato o non permesso |
![]() | Avviamento del motore |
![]() | Arresto o spegnimento |
![]() | Motore |
![]() | Interruttore a chiave |
![]() | Indica quando gli apparati di taglio si stanno abbassando |
![]() | Indica quando gli apparati di taglio si stanno sollevando |
![]() | Codice PIN |
![]() | Bus CAN |
![]() | InfoCenter |
![]() | Cattivo stato o non funzionante |
![]() | Lampada |
![]() | Uscita del controller TEC o cavo di controllo preassemblato |
![]() | Interruttore |
![]() | L'operatore deve rilasciare l'interruttore |
![]() | L'operatore deve passare allo stato indicato |
| Spesso i simboli sono combinati per formare frasi. Alcuni esempi sono mostrati sotto | |
![]() | L'operatore dovrebbe portare la macchina in folle |
![]() | Avviamento del motore negato |
![]() | Spegnimento del motore |
![]() | Refrigerante del motore troppo caldo |
![]() | Sedersi o azionare il freno di stazionamento |
Per accedere al sistema di menu InfoCenter, premete il pulsante di accesso ai menu dalla schermata principale. Si passerà così al menu principale. Consultate le tabelle seguenti per un riepilogo delle opzioni disponibili nei menu:
| Menu principale | |
| Voce menu | Descrizione |
| Guasti | Il menu Guasti contiene un elenco dei guasti recenti della macchina. Consultate il Manuale di manutenzione o il distributore Toro autorizzato per maggiori informazioni sul menu Guasti e sulle informazioni in esso contenute. |
| Service (Manutenzione) | Il menu Service (Manutenzione) contiene dati sulla macchina, come il contatore delle ore di utilizzo e altri valori analoghi. |
| Diagnostica | Il menu Diagnostica mostra lo stato di ogni interruttore della macchina, del sensore e dell'uscita di controllo. Si può utilizzare per risolvere determinate problematiche in quanto indica rapidamente i comandi della macchina attivati e disattivati. |
| Impostazioni | Il menu Impostazioni consente di personalizzare e modificare le opzioni di configurazione sul display InfoCenter. |
| Informazioni | Il menu Informazioni elenca il numero del modello, il numero di serie e la versione software della macchina. |
| Service (Servizio) | |
| Voce menu | Descrizione |
| Hours | Riporta il numero totale di ore di funzionamento di macchina, motore e PDF, nonché il numero di ore di trasporto della macchina e la manutenzione prevista. |
| Counts | Riporta i vari conteggi a cui è stata sottoposta la macchina. |
| Diagnostica | |
| Voce menu | Descrizione |
| Cutting Units | Indica entrate, qualificatori e uscite per sollevare e abbassare gli apparati di taglio. |
| Hi/Low Range | Indica entrate, qualificatori e uscite per guidare in modalità di trasporto. |
| Indica entrate, qualificatori e uscite per abilitare il circuito PDF. | |
| Engine Run | Indica entrate, qualificatori e uscite per avviare il motore. |
| Backlap | Indica entrate, qualificatori e uscite per azionare la funzione di lappatura. |
| Impostazioni | |
| Voce menu | Descrizione |
| Unità | Imposta le unità di misura usate nell'InfoCenter. Le opzioni del menu sono Inglese o Metrico |
| Lingua | Imposta la lingua usata nell'InfoCenter*. |
| Retroilluminazione LCD | Imposta la luminosità del display LCD. |
| Contrasto LCD | Imposta il contrasto del display LCD. |
| Front Backlap Reel Speed | Controlla la velocità dei cilindri anteriori in modalità lappatura. |
| Rear Backlap Reel Speed | Controlla la velocità dei cilindri posteriori in modalità lappatura. |
| Menu Protected | Consente a una persona autorizzata dalla vostra azienda e in possesso del codice PIN di accedere ai menu protetti. |
| Minimo automatico | Controlla la durata consentita prima di riportare il motore al minimo quando la macchina è ferma. |
| Blade Count | Controlla il numero di lame sul cilindro per la velocità dei cilindri. |
| Mow Speed | Controlla la velocità di trasferimento per determinare la velocità dei cilindri. |
| Height of cut (HOC) | Controlla l'altezza di taglio (HOC) per determinare la velocità dei cilindri. |
| F Reel RPM | Visualizza la posizione della velocità dei cilindri calcolata per i cilindri anteriori. I cilindri possono essere anche regolati manualmente. |
| R Reel RPM | Visualizza la posizione della velocità dei cilindri calcolata per i cilindri posteriori. I cilindri possono essere anche regolati manualmente. |
* Solo il testo “rivolto all'operatore” è tradotto. Le schermate Guasti, Servizio e Diagnostica sono “rivolte alla manutenzione”. I titoli saranno disponibili nella lingua selezionate mentre le voci di menu in inglese.
| Informazioni | |
| Voce menu | Descrizione |
| Modello | Elenca il numero di modello della macchina. |
| NS | Elenca il numero di serie della macchina. |
| Machine Controller Revision | Elenca la revisione software del controller master. |
| Revisione InfoCenter | Elenca la versione software dell'InfoCenter. |
| CAN Bus | Elenca lo stato del bus di comunicazione della macchina. |
Il menu Settings di InfoCenter prevede 7 impostazioni di configurazione operativa regolabili: auto idle time delay, Blade Count, Mow Speed, Height of Cut (HOC), F Reel RPM e R Reel RPM. Tali impostazioni sono bloccabili utilizzando il menu Protected.
Note: Al momento della consegna, la password iniziale è programmata dal distributore.
Note: Il codice PIN predefinito per la vostra macchina è 0000 o 1234.Se avete modificato il codice PIN e lo avete dimenticato, rivolgetevi a un Centro assistenza Toro autorizzato.
Dal MENU PRINCIPALE, premete il pulsante centrale per scorrere fino al MENU IMPOSTAZIONI, poi premete il pulsante destro (Figura 26).

Nel MENU PRINCIPALE, premete il pulsante centrale per scorrere fino al MENU PROTETTO, poi premete il pulsante destro (Figura 27A).

Per inserire il codice di PIN, premete il pulsante centrale finché non compare la prima cifra del numero corretto, quindi premete il pulsante destro per passare alla cifra successiva (Figura 27B e Figura 27C). Ripetete l’operazione per tutte le cifre sino all’ultima e premete nuovamente il pulsante destro.
Premete il pulsante centrale per inserire il codice PIN (Figura 27D).
Attendete fino a quando la spia di indicazione rossa dell'InfoCenter non si illumina.
Note: Se l'InfoCenter ha accettato il codice PIN e il menu protetto è stato sbloccato, viene visualizzata la parola "PIN" nell'angolo in alto a destra della schermata.
Note: Girate l'interruttore a chiave in posizione di SPEGNIMENTO e poi in posizione di ACCENSIONE per bloccare il menu protetto.
Potete visualizzare e modificare le impostazioni nel Menu Protetto. Una volta effettuato l'accesso al Menu Protetto, scorrete in basso all'opzione Protezione impostazioni. Utilizzate il pulsante destro per modificare le impostazioni. Selezionando OFF in Protect Settings (Protezione impostazioni), potrete visualizzare e modificare le impostazioni del menu protetto senza inserire il codice PIN. Impostando la voce Protezione impostazioni su ACCENSIONE nasconderà le opzioni protette richiedendo perciò l'inserimento del codice di accesso per modificare le impostazioni nel Menu Protetto. Dopo avere impostato il codice PIN, girate l'interruttore a chiave in posizione di SPEGNIMENTO e poi di nuovo in posizione di ACCENSIONE per abilitare e salvare questa impostazione.
Nel menu Impostazioni scorrete fino a Minimo automatico.
Premete il tasto destro per modificare la durata del minimo automatico tra OFF, 8S, 10S, 15S, 20S e 30S.
Nel menu Settings, scorrete fino a Blade Count
Premete il tasto destro per modificare il conteggio lama tra 5, 8 o 11 cilindri della lama.
Nel menu Settings, scorrete fino a Mow Speed.
Premete il pulsante destro per selezionare la velocità di tosatura.
Utilizzate il pulsante centrale destro per selezionare la velocità di tosatura adeguata da impostare sul limitatore della velocità di tosatura meccanico sul pedale di trazione.
Premete il pulsante sinistro per uscire dalla velocità di tosatura e salvare l'impostazione.
Nel menu Settings, scorrete fino a HOC.
Premete il pulsante destro per selezionare l'altezza di taglio.
Utilizzate il pulsante centrale destro per selezionare la corretta impostazione dell'altezza di taglio. (Se non viene visualizzata l'impostazione esatta, selezionate l'impostazione dell'altezza di taglio più prossima nell'elenco visualizzato).
Premete il pulsante sinistro per uscire dall'altezza di taglio e salvare l'impostazione.
Sebbene le velocità dei cilindri anteriore e posteriore si calcolino inserendo il numero di lame, la velocità di tosatura e l'altezza di taglio nell'InfoCenter, l'impostazione è modificabile manualmente per adattarsi alle diverse condizioni di tosatura.
Per modificare le impostazioni della velocità dei cilindri, scorrete fino a F Reel RPM, R Reel RPM o entrambe
Premete il pulsante destro per modificare il valore della velocità di tosatura. Sebbene l'impostazione della velocità sia variata, il display continua a visualizzare la velocità dei cilindri calcolata in base a conteggio delle lame, velocità di tosatura e altezza di taglio inserite in precedenza, visualizzando anche il nuovo valore.
Note: Specifiche e disegno sono soggetti a variazione senza preavviso.
| Specifica | ReelMaster® 5410-D | ReelMaster® 5510-D |
| Larghezza di trasferimento | 228 cm | 233 cm |
| Larghezza di taglio | 254 cm | 254 cm |
| Lunghezza | 282 cm | 282 cm |
| Altezza | 160 cm | 160 cm |
| Peso (con fluidi e 8 apparati di taglio installati) | 1.335 kg | 1.420 kg |
| Motore | Yanmar 27 kW (36 hp) | Yanmar 27 kW (36 hp) |
| Capacità serbatoio carburante | 53 litri | 53 litri |
| Velocità di trasferimento | 0–16 km/h | 0–16 km/h |
| Velocità di lavoro | 0–13 km/h | 0–13 km/h |
È disponibile una gamma di attrezzi ed accessori approvati da Toro per l'impiego con la macchina, per ottimizzare ed ampliare le sue applicazioni. Richiedete la lista degli attrezzi ed accessori approvati ad un Centro Assistenza Toro o ad un Distributore, oppure visitate www.Toro.com.
Note: Stabilite i lati sinistro e destro della macchina dalla normale posizione di guida.
Se lasciate la chiave nell'interruttore di accensione, qualcuno potrebbe accidentalmente avviare il motore e ferire gravemente voi od altre persone.
Abbassate gli elementi di taglio al suolo, inserite il freno di stazionamento e togliete la chiave dall'interruttore di accensione prima di eseguire interventi di manutenzione o messa a punto sulla macchina.
Prima di avviare il motore e di utilizzare la macchina, controllate il livello dell'olio nella coppa; vedere Controllo del livello dell'olio motore.
In talune condizioni, il carburante è estremamente infiammabile ed altamente esplosivo. Un incendio o un'esplosione causati dal carburante possono ustionare voi ed altre persone, e provocare danni.
Riempite i serbatoi del carburante all'esterno, in un'area aperta, quando il motore è freddo. Tergete il carburante versato.
Non riempite mai i serbatoi del carburante all'interno di un rimorchio chiuso.
Non fumate mai quando maneggiate il carburante e tenetevi a distanza da fiamme aperte o luoghi dove scintille possano accendere i fumi del carburante.
Conservate il carburante in taniche approvate, e tenetelo lontano dalla portata dei bambini. Acquistate carburante in modo da utilizzarla entro 30 giorni.
Non usate se non è montato l'impianto di scarico al completo, o se non dovesse funzionare correttamente.
Durante il rifornimento di carburante, in alcune condizioni vengono rilasciate cariche elettrostatiche che possono sprigionare scintille e incendiare i vapori di carburante. Un incendio o un'esplosione causati dal carburante possono ustionare voi ed altre persone, e provocare danni.
Prima del rabbocco, posizionate sempre le taniche di carburante sul pavimento, lontano dal veicolo.
Non riempite le taniche di carburante all'interno di un veicolo oppure su un camion o rimorchio, in quanto il tappetino del rimorchio o le pareti di plastica del camion possono isolare la tanica e rallentare la dispersione delle cariche elettrostatiche.
Se possibile, scaricate la macchina dal camion o dal rimorchio ed effettuate il rifornimento con le ruote al suolo.
Qualora ciò non sia possibile, rabboccate l'apparecchiatura sul camion o sul rimorchio mediante una tanica portatile, anziché con un normale ugello di pompa del carburante.
Qualora fosse indispensabile utilizzare una pompa del carburante, tenete sempre l'ugello a contatto con il bordo del serbatoio del carburante o con il foro della tanica finché non sia stato completato il rifornimento.
Se ingerito, il carburante è nocivo o micidiale. L'esposizione a lungo termine ai vapori di carburante può causare gravi danni e malattie.
Evitate di respirare a lungo i vapori.
Tenete il viso a distanza dall'erogatore e dall'apertura del serbatoio del carburante.
Tenete il carburante lontano dagli occhi e dalla pelle.
Important: Utilizzate solamente gasolio con un contenuto di zolfo molto bassa. Il carburante con valori superiori di zolfo degrada il catalizzatore dell'ossidazione del diesel (DOC), causando problemi operativi e abbreviando la durata operativa dei componenti del motore.La mancata osservanza delle seguenti precauzioni può danneggiare il motore.
Non utilizzate mai kerosene o benzina al posto di carburante diesel.
Non miscelate mai kerosene o olio motore già usato con il gasolio.
Non conservate mail il carburante in contenitori con rivestimento interno in zinco.
Non utilizzate additivi per il carburante.
Valore nominale di cetano: 45 o superiore
Contenuto di zolfo: zolfo ultra basso (<15 ppm)
| Specifiche del carburante diesel | Posizione |
| ASTM D975 | USA |
| N. 1-D S15 | |
| N. 2-D S15 | |
| EN 590 | Unione europea |
| ISO 8217 DMX | Internazionale |
| JIS K2204 grado n. 2 | Giappone |
| KSM-2610 | Corea |
Utilizzate solo carburante diesel o carburanti biodiesel freschi e puliti.
Acquistate il carburante in quantità tali che ne consentano il consumo entro 180 giorni in modo da garantirne la freschezza.
Utilizzate gasolio per uso estivo (n. 2-D) a temperature superiori a -7 °C e gasolio per uso invernale (n. 1-D o miscela n. 1-D/2-D) a temperature inferiori a -7 °C.
Note: L'uso di carburante per uso invernale a basse temperature assicura un punto di infiammabilità inferiore e caratteristiche di flusso a freddo che agevolano l'avvio e riducono la chiusura del filtro del carburante.L'uso del carburante per uso estivo a temperature superiori a -7 °C contribuisce a una più lunga durata della pompa del carburante e a una maggiore potenza rispetto al carburante per uso invernale.
Questa macchina può anche utilizzare una miscela di carburante biodiesel fino a B20 (20% di biodiesel, 80% di diesel).
Contenuto di zolfo: zolfo ultra basso (<15 ppm)
Specifiche del carburante biodiesel: ASTM D6751 o EN 14214
Specifiche della miscela di carburante: ASTM D975, EN 590 o JIS K2204
Important: La porzione di diesel deve avere un contenuto ultra basso di zolfo.
Prendete le seguenti precauzioni:
Le miscele di biodiesel possono danneggiare le superfici verniciate.
In caso di condizioni atmosferiche fredde utilizzate miscele B5 (contenuto di biodiesel pari al 5%) o inferiori.
Monitorate le guarnizioni di tenuta, i flessibili e le guarnizioni a contatto con il carburante, poiché con il tempo potrebbero degradarsi.
Dopo la conversione a miscele di biodiesel può verificarsi una chiusura del filtro del carburante.
Contattate il vostro distributore Toro autorizzato se desiderate ulteriori informazioni sul biodiesel.
53 litri
Parcheggiate la macchina su terreno pianeggiante.
Utilizzando un panno pulito, pulite attorno al tappo del serbatoio del carburante.
Togliete il tappo dal serbatoio carburante (Figura 28).

Riempite il serbatoio fino a quando il livello del carburante si trova 6–13 mm sotto la base del bocchettone di riempimento.
Dopo aver riempito il serbatoio, serrate a fondo il tappo.
Note: Se possibile, riempite il serbatoio del carburante ogni volta che utilizzate la macchina. In tal modo ridurrete al minimo l'accumulo di condensa all'interno del serbatoio.
| Cadenza di manutenzione | Procedura di manutenzione |
|---|---|
| Prima di ogni utilizzo o quotidianamente |
|
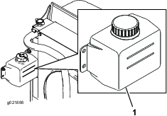
Eliminate quotidianamente i detriti dalla griglia e dal radiatore dell'acqua e dell'olio, con maggiore frequenza se in condizioni di estrema polvere o sporco; vedere la sezione Rimozione detriti dall'impianto di raffreddamento.
Il sistema di raffreddamento contiene una soluzione di 50% acqua e 50% antigelo glicole etilenico permanente. Ogni giorno, prima di avviare il motore, controllate il livello di refrigerante nel serbatoio di espansione. L'impianto di raffreddamento ha una capacità di 6,6 litri.
Se il motore è rimasto in funzione, il refrigerante nel radiatore sarà caldo e sotto pressione e può fuoriuscire provocando ustioni.
Non aprite il tappo del radiatore quando il motore gira.
Aprite il tappo del radiatore con un cencio, agendo lentamente per lasciare fuoriuscire il vapore.
Controllate il livello di refrigerante nel serbatoio di espansione (Figura 29).
Il livello di refrigerante deve essere compreso tra i segni previsti sul lato del serbatoio.

Se il livello del refrigerante è basso, togliete il tappo dal serbatoio di espansione e rabboccate. Non riempite troppo.
Montate il tappo sul serbatoio di espansione.
| Cadenza di manutenzione | Procedura di manutenzione |
|---|---|
| Prima di ogni utilizzo o quotidianamente |
|
Il serbatoio idraulico viene riempito in fabbrica con 30 litri circa di fluido idraulico di prima qualità. Controllate il livello del fluido idraulico prima di avviare il motore per la prima volta, ed in seguito ogni giorno. Per la sostituzione si consiglia il seguente fluido:
| Toro Premium All Season Hydraulic Fluid (fluido idraulico per tutte le stagioni, reperibile in fustini di 19 litri o in contenitori di 208 litri. Vedere i numeri delle parti nel catalogo ricambi o rivolgersi al distributore Toro. |
Fluidi alternativi: Qualora il fluido Toro non sia disponibile, si potranno utilizzare altri fluidi purché abbiano tutte le seguenti proprietà materiali e caratteristiche industriali. Si sconsiglia l'uso di fluidi sintetici. Chiedete al rivenditore di lubrificanti un prodotto soddisfacente Nota: La Toro declina ogni responsabilità per danni causati dall'errata sostituzione, pertanto si raccomanda l'uso di prodotti di marche aventi una buona reputazione, che tengano fede alle proprie raccomandazioni.
| Fluido idraulico antiusura, alto indice di viscosità e basso punto di scorrimento, ISO VG 46 | |||
| Proprietà materiali: | |||
| Viscosità, ASTM D445 | cSt a 40 °C da 44 a 50cSt a 100 °C da 7,9 a 8,5 | ||
| Indice di viscosità ASTM D2270 | da 140 a 160 | ||
| Punto di scorrimento, ASTM D97 | da -37 °C a -45 °C | ||
| Caratteristiche industriali: | |||
| Vickers I-286-S (livello di qualità), Vickers M-2950-S (livello di qualità), Denison HF-0 | |||
Important: Il fluido multigrado ISO VG 46 ha dimostrato ottime prestazioni a temperature ambientali estremamente diverse. Il fluido idraulico ISO VG 68 può offrire prestazioni migliori per lavori svolti a temperature ambiente decisamente elevate (dai 18°C ai 49°C).
Fluido idraulico biodegradabile di qualità premium Mobil EAL EnviroSyn 46H
Important: Mobil EAL EnviroSyn 46H è l'unico fluido biodegradabile sintetico approvato da Toro. Questo fluido è compatibile con gli elastomeri utilizzati negli impianti idraulici Toro ed è adatto ad una vasta gamma di temperature. Questo fluido è compatibile con oli minerali tradizionali; tuttavia, per la massima biodegradabilità e la migliore performance, l'impianto idraulico deve essere lavato accuratamente per eliminare il fluido tradizionale. L'olio è reperibile in fustini da 19 litri o in contenitori da 208 litri presso il vostro distributore Mobil.
Important: Molti fluidi idraulici sono praticamente incolori, e rendono difficile il rilevamento di fuoriuscite. Per l'olio dell'impianto idraulico è disponibile un additivo con colorante rosso in confezioni da 20 ml. Una confezione è sufficiente per 15–22 litri di olio idraulico. Per ottenerlo, ordinate il n. cat. 44-2500 presso il Distributore Toro autorizzato di zona. Questo colorante rosso è sconsigliato per l’utilizzo con fluidi biodegradabili. Usate del colorante per alimenti.
Fermate la macchina su terreno pianeggiante, abbassate gli elementi di taglio e spegnete il motore.
Pulite attorno al collo del bocchettone e del tappo del serbatoio idraulico (Figura 30). Togliete il tappo dal collo di riempimento.

Togliete l'asta di livello dal collo del bocchettone e pulitela strofinandola con un cencio pulito. Inserite l'asta di livello nel collo del bocchettone, quindi estraetela e controllate il livello del fluido. Il fluido deve essere a 6,3 mm dal segno sull'asta. Non riempite troppo.
In caso di basso livello, rabboccate con fluido idoneo fino alla tacca “Full” (pieno).
Montate l'asta di livello e il tappo sul collo del bocchettone.
| Cadenza di manutenzione | Procedura di manutenzione |
|---|---|
| Prima di ogni utilizzo o quotidianamente |
|
Ogni giorno, prima di iniziare a lavorare, verificate il contatto tra cilindro e controlama, a prescindere dalla qualità del taglio. Sull'intera lunghezza del cilindro e della controlama deve esservi un leggero contatto (vedere Regolazione tra cilindro e controlama, nel Manuale dell'operatore degli elementi di taglio).
| Cadenza di manutenzione | Procedura di manutenzione |
|---|---|
| Dopo la prima ora |
|
| Dopo le prime 10 ore |
|
| Ogni 250 ore |
|
Serrate i dadi ad alette delle ruote a 94–122 N·m dopo 1–4 ore di servizio e di nuovo dopo 10 ore di servizio. In seguito serrate ogni 250 ore.
Il serraggio dei dadi delle ruote a una coppia errata può causare infortuni.
Important: L'impianto di alimentazione si spurga automaticamente nei seguenti casi:
avviamento iniziale di una macchina nuova,
quando il motore ha cessato di funzionare a causa di mancanza di carburante;
quando è stato eseguito un intervento di manutenzione sui componenti dell'impianto di alimentazione.
Sedetevi senza appoggiare il piede sul pedale della trazione, in modo che sia in folle; inserite il freno di stazionamento, regolate l'interruttore del regime del motore in posizione intermedia e verificate che l'interruttore Attiva/Disattiva si trovi in posizione Disattiva.
Togliete il piede dal pedale di comando della trazione e verificate che il pedale sia a folle.
Girare la chiave di accensione in posizione di marcia Run.
Quando l'intensità della spia della glowplugs si affievolisce, girate la chiave di accensione in posizione Start. Rilasciate immediatamente la chiave non appena il motore si avvia, e lasciatela ritornare in posizione di marcia Run. Lasciate riscaldare il motore (senza carico), e portate la leva di comando dell'acceleratore nella posizione opportuna.
Mettete tutti i comandi in folle, inserite il freno di stazionamento, spostate l'interruttore del regime del motore al minimo inferiore e lasciate che il motore raggiunga tale velocità.
Girate la chiave in posizione Off e toglietela.
Per ottenere un'alta qualità di taglio coerente e un tappeto erboso tosato dall'aspetto uniforme, è importante impostare correttamente la velocità dei cilindri. Regolate la velocità dei cilindri come segue:
In InfoCenter, nel menu delle impostazioni, inserite il conteggio delle lame, la velocità di tosatura e l'altezza di taglio per calcolare la velocità dei cilindri adeguata.
Qualora siano necessari ulteriori regolazioni, nel menu delle impostazioni, scorrete fino a F Reel RPM, R Reel RPM o entrambe
Premete il pulsante destro per modificare il valore della velocità di tosatura. Sebbene l'impostazione della velocità sia variata, il display continua a visualizzare la velocità del cilindro calcolata in base a conteggio delle lame, velocità di tosatura e altezza di taglio, visualizzando anche il nuovo valore.
Note: La velocità dei cilindri può essere aumentata o ridotta per compensare il variare delle condizioni del manto erboso.
Note: Il taglio dell'erba a una frequenza che carica il motore promuove la rigenerazione FAP.
Spostate la macchina sul luogo di lavoro e allineate la macchina all'esterno dell'area di taglio per la prima passata di taglio.
Assicuratevi che l'interruttore della PDF sia in posizione di DISATTIVAZIONE.
Spostate in avanti la leva del limitatore della velocità di tosatura.
Premete l'interruttore della velocità dell'acceleratore per impostare la velocità del motore alla MINIMA SUPERIORE.
Utilizzate il joystick per abbassare gli apparati di taglio a terra.
Premete l'interruttore della PDF per preparare gli apparati di taglio per l'utilizzo.
Utilizzate il joystick per sollevare gli apparati di taglio da terra.
Iniziate a spostare la macchina verso l'area di taglio e abbassate gli apparati di taglio.
Note: Il taglio dell'erba a una frequenza che carica il motore promuove la rigenerazione FAP.
Quando completate la passata di tosatura, utilizzate il joystick per sollevare gli apparati di taglio.
Effettuate una curva a goccia per allinearvi rapidamente per la passata successiva.
Il filtro antiparticolato (FAP) fa parte del sistema di scarico. Il catalizzatore dell'ossidazione diesel del FAP riduce i gas nocivi e il filtro antifuliggine rimuove la fuliggine dallo scarico del motore.
Il processo di rigenerazione FAP utilizza il calore dello scarico del motore per incenerire la fuliggine accumulata nel filtro antifuliggine, convertendo la fuliggine in cenere e pulisce i canali del filtro antifuliggine in modo che dal FAP fluisca uno scarico motore filtrato.
Il computer del motore monitora l'accumulo di fuliggine misurando la contropressione nel FAP. Se la contropressione è troppo elevata, la fuliggine non viene incenerita nel filtro antifuliggine attraverso il normale funzionamento del motore. Per mantenere il FAP privo di fuliggine, ricordate quanto segue:
La rigenerazione passiva si verifica continuamente quando il motore è in funzione: lasciate il motore in funzione a pieno regime quando possibile per promuovere la rigenerazione FAP.
Se la contropressione è troppo elevata, il computer del motore ve lo segnala attraverso l'InfoCenter quando sono in funzione processi aggiuntivi (rigenerazione assistita e di ripristino).
Attendete la fine del processo di rigenerazione assistita o di ripristino prima di spegnere il motore.
Azionate e mantenete la vostra macchina con in mente la funzione del FAP. Il carico del motore alla velocità minima superiore del motore generalmente produce una temperatura di scarico adeguata per la rigenerazione FAP.
Important: Riducete al minimo la quantità di tempo con il motore al minimo, oppure azionate il motore a una bassa velocità del motore per aiutare a ridurre l'accumulo di fuliggine nel filtro antifuliggine.
La temperatura di scarico è molto calda (circa 600°C (1112°F) durante la rigenerazione parcheggiata o la rigenerazione di recupero del FAP. Il gas di scarico caldo può causare danni a voi o ad altre persone.
Non azionate mai il motore in un'area chiusa.
Assicuratevi che non vi siano materiali infiammabili attorno al sistema di scarico.
Non toccate mai un componente del sistema di scarico caldo.
Non sostate mai vicino o attorno al tubo di scarico della macchina.
Nel corso del tempo, il DPF accumula particolato nel filtro. Il computer del motore monitora il livello di fuliggine nel FAP.
Quando si accumula fuliggine sufficiente, il computer vi informa che è il momento di rigenerare il filtro antiparticolato.
La rigenerazione FAP è un processo che riscalda il FAP per convertire la fuliggine in cenere.
Oltre ai messaggi di avvertenza, il computer riduce l'alimentazione prodotta dal motore a diversi livelli di accumulo della fuliggine.
| Livello indicazione | Codice di guasto | Potenza nominale del motore | Azione raccomandata |
| Livello 1: avvertenza motore |
![]() | Il computer riduce la potenza del motore all'85% | Effettuate una rigenerazione parcheggiata appena possibile; fate riferimento a Rigenerazione parcheggiata. |
| Livello 2: avvertenza motore |
![]() | Il computer riduce la potenza del motore al 50% | Effettuate una rigenerazione di recupero appena possibile; fate riferimento a Rigenerazione di recupero. |
La cenere più leggera viene scaricata attraverso il sistema di scarico; la cenere più pesante si raccoglie nel filtro antifuliggine.
La cenere è un residuo del processo di rigenerazione. Nel corso del tempo, il filtro antiparticolato accumula cenere che non si scarica con lo scarico del motore.
Il computer del motore calcola la quantità di cenere accumulata nel FAP.
Quando si accumula cenere sufficiente, il computer del motore invia l'informazione all'InfoCenter sotto forma di un avviso di sistema o un guasto motore per indicare l'accumulo di cenere nel FAP.
L'avviso e i guasti sono indici che è il momento di effettuare la manutenzione del FAP.
Oltre alle avvertenze, il computer riduce l'alimentazione prodotta dal motore a diversi livelli di accumulo della cenere.
| Livello indicazione | Codice di avviso o di guasto | Riduzione della velocità del motore | Potenza nominale del motore | Azione raccomandata |
|---|---|---|---|---|
| Livello 1: avviso di sistema |
![]() | Nessuna | 100% | Notificate il vostro reparto manutenzione che nell'InfoCenter viene visualizzato l'avviso n.179. |
| Livello 2: avvertenza motore |
![]() | Nessuna | Il computer riduce la potenza del motore all'85% | Effettuate la manutenzione del FAP; fate riferimento a Manutenzione del catalizzatore di ossidazione diesel (DOC) e del filtro antifuliggine. |
| Livello 3: avvertenza motore |
![]() | Nessuna | Il computer riduce la potenza del motore al 50% | Effettuate la manutenzione del FAP; fate riferimento a Manutenzione del catalizzatore di ossidazione diesel (DOC) e del filtro antifuliggine. |
| Livello 4: avvertenza motore |
![]() | Velocità del motore alla coppia max + 200 giri/min | Il computer riduce la potenza del motore al 50% | Effettuate la manutenzione del FAP; fate riferimento a Manutenzione del catalizzatore di ossidazione diesel (DOC) e del filtro antifuliggine. |
| Tipo di rigenerazione | Condizioni per la rigenerazione del FAP | Descrizione del funzionamento del FAP |
|---|---|---|
| Passivo | Si verifica durante il normale funzionamento della macchina ad alta velocità del motore o ad alto carico del motore | L'InfoCenter non visualizza un'icona indicante la rigenerazione passiva. |
| Durante la rigenerazione passiva, il FAP elabora gas di scarico ad elevato calore, ossidando le emissioni nocive e bruciando la fuliggine in cenere. | ||
| Vedere Rigenerazione FAP passiva. | ||
| Assistito | Si verifica a seguito di bassa velocità del motore, basso carico del motore o quando il computer rileva una contropressione nel FAP. | Quando l'icona rigenerazione assistita/ripristino viene visualizzata nell'InfoCenter,
è in corso una rigenerazione assistita. |
| Durante la rigenerazione assistita, il computer controlla la farfalla di aspirazione per aumentare la temperatura di scarico, facendo sì che possa avere luogo la rigenerazione assistita. | ||
| Vedere Rigenerazione FAP assistita. | ||
| Ripristino | Si verifica dopo la rigenerazione assistita, solo se il computer rileva che la rigenerazione assistita non ha ridotto a sufficienza il livello di fuliggine. | Quando nell'InfoCenter viene visualizzata
l'icona rigenerazione assistita/ripristino , è in corso una
rigenerazione. |
| Si verifica anche ogni 100 ore, per ripristinare le letture del sensore di riferimento | ||
| Durante la rigenerazione di ripristino, il computer controlla la farfalla di aspirazione e gli iniettori del carburante per aumentare la temperatura di scarico durante la rigenerazione. | ||
| Vedere Rigenerazione di ripristino. |
| Tipo di rigenerazione | Condizioni per la rigenerazione del FAP | Descrizione del funzionamento del FAP |
|---|---|---|
| Parcheggiato | Si verifica un accumulo di fuliggine a causa del funzionamento prolungato a bassa velocità del motore o basso carico del motore. Può anche verificarsi a causa dell'utilizzo di carburante od olio non corretti | Quando nell'InfoCenter viene visualizzata
l'icona rigenerazione parcheggiata , viene richiesta una rigenerazione. |
| Il computer rileva una contropressione dovuta ad accumulo di fuliggine e richiede una rigenerazione parcheggiata. | ||
| • Effettuate la rigenerazione parcheggiata appena possibile per evitare la necessità di una rigenerazione di recupero. | ||
| • Il completamento di una rigenerazione parcheggiata richiede da 30 a 60 minuti. | ||
| • Il serbatoio deve contenere almeno 1/4 di carburante. | ||
| • Dovete parcheggiare la macchina per effettuare una rigenerazione di recupero. | ||
| Vedere Rigenerazione parcheggiata. | ||
| Recupero | Si verifica quando vengono ignorate le richieste di rigenerazione parcheggiata e viene proseguito l'utilizzo, aggiungendo ulteriore fuliggine quando il FAP richiede già una rigenerazione parcheggiata. | Quando nell'InfoCenter viene visualizzata l'icona
rigenerazione di recupero , viene richiesta una rigenerazione di recupero. |
| Contattate il vostro Centro assistenza Toro autorizzato perché un tecnico della manutenzione esegua la rigenerazione di recupero. | ||
| • Il completamento di una rigenerazione di recupero richiede fino a 4 ore. | ||
| • La macchina deve avere almeno 1/2 serbatoio di carburante. | ||
| • Dovete parcheggiare la macchina per effettuare una rigenerazione di recupero. | ||
| Vedere Rigenerazione di recupero. |
La rigenerazione passiva avviene nell'ambito del normale funzionamento del motore.
Durante l'utilizzo della macchina, lasciate il motore in funzione a pieno regime quando possibile per promuovere la rigenerazione FAP.

Nell'InfoCenter viene visualizzata l'icona di rigenerazione assistita/ripristino (Figura 37).
Il computer assume il controllo della farfalla di aspirazione per aumentare la temperatura di scarico del motore.
Durante l'utilizzo della macchina, lasciate il motore in funzione a pieno regime quando possibile per promuovere la rigenerazione FAP.
L'icona
viene visualizzata nell'InfoCenter quando
è in corso la rigenerazione assistita.
Quando possibile, non spegnete il motore né riducete la velocità del motore mentre la rigenerazione assistita è in corso.
Important: Attendete il completamento del processo di rigenerazione assistita da parte della macchina prima di spegnere il motore.
Note: La rigenerazione assistita è terminata quando l'icona
scompare dall'InfoCenter.

Nell'InfoCenter viene visualizzata l'icona di rigenerazione assistita/ripristino (Figura 38).
Il computer assume il controllo della farfalla di aspirazione e modifica il funzionamento dell'iniezione di carburante per aumentare la temperatura di scarico del motore.
Important: L'icona di rigenerazione assistita/ripristino indica che la temperatura di scarico in uscita dalla vostra macchina potrebbe essere più calda rispetto al normale funzionamento.
Durante l'utilizzo della macchina, lasciate il motore in funzione a pieno regime quando possibile per promuovere la rigenerazione FAP.
L'icona
viene visualizzata nell'InfoCenter quando
è in corso la rigenerazione di ripristino.
Quando possibile, non spegnete il motore né riducete la velocità del motore mentre la rigenerazione di ripristino è in corso.
Important: Attendete il completamento del processo di rigenerazione di ripristino da parte della macchina prima di spegnere il motore.
Note: La rigenerazione di ripristino è terminata quando l'icona
scompare dall'InfoCenter.

Nell'InfoCenter viene visualizzata l'icona di richiesta rigenerazione parcheggiata (Figura 39).
Se è necessaria una rigenerazione parcheggiata, viene visualizzata un'avvertenza motore nell'InfoCenter SPN 3719, FMI 16 (Figura 40) e il computer riduce la potenza del motore all'85%.

Important: Se non completate una rigenerazione parcheggiata entro 2 ore, il computer riduce la potenza del motore al 50%.
Il completamento di una rigenerazione parcheggiata richiede da 30 a 60 minuti.
Se siete autorizzati dalla vostra azienda, avrete bisogno del codice PIN per effettuare il processo di rigenerazione parcheggiata.
Assicuratevi che la macchina abbia almeno 1/4 di carburante nel serbatoio.
Portate la macchina all'aperto, lontano da materiali combustibili.
Parcheggiate la macchina su terreno pianeggiante.
Assicuratevi che le leve di comando della trazione e di controllo del movimento siano in posizione di FOLLE.
Se del caso, abbassate gli apparati di taglio e spegneteli.
Inserite il freno di stazionamento.
Impostate l'acceleratore in posizione di MINIMA inferiore.
Note: Per le istruzioni sullo sbloccaggio dei menu protetti, fate riferimento a Accesso ai menu protetti.
Accedete al menu protetto e sbloccate il sottomenu delle impostazioni protette (Figura 41); fate riferimento a Accesso ai menu protetti.

Navigate al MENU PRINCIPALE, premete il pulsante centrale per scorrere fino all'opzione MENU MANUTENZIONE, poi premete il pulsante destro per selezionare l'opzione MANUTENZIONE (Figura 42).
Note: L'InfoCenter deve visualizzare l'indicatore PIN nell'angolo in alto a destra del display.

Nel MENU MANUTENZIONE, premete il pulsante centrale fino a visualizzare l'opzione RIGENERAZIONE FAP, poi premete il pulsante destro per selezionare l'opzione RIGENERAZIONE FAP (Figura 43).

Quando viene visualizzato il messaggio "Inizializzare Rigen. FAP?" premete il pulsante centrale (Figura 44).

Se la temperatura del refrigerante è inferiore
a 60°C,
viene visualizzato il messaggio "Assicurarsi che
sia in funzione e sopra
60C". (Figura 45).
Osservate la temperatura sul display e lasciate in funzione la macchina a pieno regime fino a quando la temperatura non raggiunge 60°C, poi premete il pulsante centrale.
Note: Se la temperatura del refrigerante è superiore a 60°C, questa schermata viene saltata.

Spostate il comando dell'acceleratore in posizione di MINIMA INFERIORE e premete il pulsante centrale (Figura 46).

Vengono visualizzati i seguenti messaggi quando ha inizio il processo di rigenerazione parcheggiata:
Viene visualizzato il messaggio "Inizializzare Rigen. FAP" (Figura 47).

Viene visualizzato il messaggio "In attesa di
" (Figura 48).

Il computer determina se la rigenerazione è in funzione. Nell'InfoCenter viene visualizzato uno dei seguenti messaggi:
Se la rigenerazione è consentita, nell'InfoCenter viene visualizzato il messaggio "Rigen. inizializzata. Attendere fino a 30 minuti per il completamento", attendete il completamento del processo di rigenerazione parcheggiata da parte della macchina (Figura 49).

Se il processo di rigenerazione non è consentito dal computer del motore, viene visualizzato il messaggio "Rigen. FAP non consentita" nell'InfoCenter (Figura 50). Premete il pulsante sinistro per uscire e tornare alla schermata Home.
Important: Se non avete soddisfatto tutti i requisiti per la rigenerazione o se sono passate meno di 50 ore dall'ultima rigenerazione, appare il messaggio "Rigen. FAP non consentita".

Mentre la rigenerazione è in funzione, l'InfoCenter torna alla schermata Home e visualizza le seguenti icone:
![]() | Il motore è freddo - attendere. | |
![]() | Il motore è caldo - attendere. | |
![]() | Il motore è molto caldo - rigenerazione in corso (percentuale di completamento). |
La rigenerazione parcheggiata è completa quando nell'InfoCenter appare il messaggio "Rigen. completa". Premete il pulsante sinistro per uscire e tornare alla schermata Home (Figura 51).

Se ignorate la richiesta di rigenerazione parcheggiata (visualizzata nell'InfoCenter) e continuate a utilizzare la macchina, nel FAP si accumula una quantità critica di fuliggine.
Se è necessaria una rigenerazione di recupero, viene visualizzata un'avvertenza motore nell'InfoCenter SPN 3719, FMI 16 (Figura 52) e il computer riduce la potenza del motore all'85%.

Important: Se non completate una rigenerazione di recupero entro 15 minuti, il computer riduce la potenza del motore al 50%.
Effettuate una rigenerazione di recupero ogniqualvolta si verifica una perdita di potenza del motore e una rigenerazione parcheggiata non è in grado di pulire il FAP dalla fuliggine in modo efficace.
Il completamento di una rigenerazione di recupero richiede fino a 4 ore.
Per eseguire il processo di rigenerazione di recupero, è necessario un tecnico dell'assistenza; contattate il vostro Centro assistenza Toro autorizzato.
Il contrappeso dei bracci di sollevamento degli elementi di taglio posteriori può essere regolato per compensare le varie condizioni del manto erboso e mantenere un'altezza di taglio uniforme in condizioni accidentate o in zone infeltrite.
Le molle di contrappeso sono regolabili in quattro posizioni; Ogni incremento aumenta o riduce il contrappeso dell'apparato di taglio di 2,3 kg. Per rimuovere completamente il contrappeso (quarta posizione) si possono spostare le molle sul retro del primo attuatore pertinente.
Parcheggiate la macchina su terreno pianeggiante, abbassate gli elementi di taglio, spegnete il motore, inserite il freno di stazionamento e togliete la chiave di accensione.
Inserite un tubo o un oggetto similare sull’estremità della molla lunga e giratelo attorno all'attuatore della molla nella posizione desiderata (Figura 53).
Le molle sono sotto tensione.
Regolatele con la massima cautela.

Ripetete l'operazione sull'altra molla.
Parcheggiate la macchina su terreno pianeggiante, abbassate gli elementi di taglio, spegnete il motore, inserite il freno di stazionamento e togliete la chiave di accensione.
L'interruttore del braccio di sollevamento è situato sotto il serbatoio idraulico, dietro il braccio di sollevamento anteriore destro (Figura 54).
Allentate le viti di attacco dell'interruttore (Figura 54) e abbassate l'interruttore per aumentare l'altezza d'inversione del braccio di sollevamento, o alzate l'interruttore per ridurla. Serrate le viti di fissaggio.

In caso di emergenza è possibile spostare la macchina azionando la valvola di bypass situata nella pompa idraulica a portata variabile, e spingendo o trainando la macchina.
Important: Non spingete né trainate la macchina a velocità superiori a 3–4,8 km/h, poiché la trasmissione interna può danneggiarsi. La valvola di bypass deve essere aperta ogni volta che la macchina viene spinta o trainata.
La valvola di bypass è situata sul lato sinistro dell'idrostato (Figura 55). Fate ruotare di un giro e mezzo il bullone per aprire e lasciare bypassare l'olio all'interno. Dal momento che il fluido viene bypassato, potete spostare lentamente la macchina senza danneggiare la trasmissione.

Chiudete la valvola di bypass prima di avviare il motore. Nel chiudere la valvola, non superate comunque una coppia di serraggio di 7–11 N·m.
Important: Non lasciate girare il motore se la valvola di bypass è aperta, perché la trasmissione si surriscalderebbe.
Note: Quando necessario, utilizzate cavalletti metallici per supportare la macchina.
Anteriore – supporto rettangolare, sotto il tubo dell'assale, all'interno delle ruote anteriori (Figura 56).

Posteriore – Tubo rettangolare dell'assale, sul ponte posteriore.
La macchina è provvista di una spia diagnostica che indica gli eventuali malfunzionamenti rilevati dalla macchina. La spia diagnostica è situata su InfoCenter, sullo schermo (Figura 59). Quando la macchina funziona correttamente e l'interruttore a chiave viene spostato in posizione On/Run, la spia diagnostica si accende brevemente per indicare che la spia funziona correttamente. Quando viene visualizzato un messaggio di segnalazione della macchina, la spia si accenderà in presenza del messaggio. Quando viene visualizzato un messaggio di guasto della macchina, la spia lampeggerà fino alla soluzione del problema.

I microinterruttori di sicurezza hanno il compito di impedire che il motore giri o si avvii a meno che il pedale della trazione sia in folle, l'interruttore Attiva/Disattiva sia in posizione Disattiva, ed il comando Abbassa-Tosa/Solleva sia in folle. Il motore si ferma se si preme il pedale della trazione mentre l'operatore non è seduto al posto di guida o se il freno di stazionamento è inserito.
Se gli interruttori di sicurezza a interblocchi sono scollegati o guasti, la macchina può muoversi improvvisamente e causare incidenti.
Non manomettete i microinterruttori di sicurezza.
Ogni giorno, controllate il funzionamento dei microinterruttori di sicurezza, e prima di azionare la macchina sostituite gli interruttori guasti.
| Cadenza di manutenzione | Procedura di manutenzione |
|---|---|
| Prima di ogni utilizzo o quotidianamente |
|
Parcheggiate la macchina su terreno pianeggiante, abbassate gli elementi di taglio, spegnete il motore e inserite il freno di stazionamento.
Girate la chiave in posizione On ma non avviate la macchina.
Individuate la funzione dell'interruttore adeguata nel menu diagnostico di InfoCenter.
Cambiate un interruttore alla volta da aperto a chiuso (es. sedetevi alla postazione di guida, innestate il pedale della trazione ecc.) e prendete nota se lo stato corretto dell'interruttore varia. Ripetete l'operazione con ogni interruttore commutabile a mano.
Se l'interruttore è chiuso e l'indicatore pertinente non cambia, controllate l'impianto elettrico ed i collegamenti dell'interruttore, e/o controllate gli interruttori con un ohmmetro. Sostituite gli interruttori avariati e riparate il cablaggio danneggiato.
Note: InfoCenter è inoltre in grado di rilevare anche quali solenoidi di uscita o relè sono attivi. È un modo rapido di stabilire se l’avaria della macchina è di carattere elettrico o idraulico.
Parcheggiate la macchina su terreno pianeggiante, abbassate gli elementi di taglio, spegnete il motore e inserite il freno di stazionamento.
Girate la chiave in posizione On e avviate la macchina.
Individuate la funzione adeguata in uscita nel menu diagnostico di InfoCenter.
Sedetevi alla postazione di guida e cercate di azionare una determinata funzione della macchina. Le uscite adeguate dovranno cambiare stato per indicare che l'ECM attiva tale funzione.
Note: Se le uscite corrette non si accendono, controllate che gli interruttori di ingresso pertinenti siano nella posizione opportuna per consentire l'attivazione di tale funzione. Controllate il funzionamento dell'interruttore.Se i display di uscita sono accesi come previsto, ma la macchina non funziona correttamente, il problema non è elettrico. Riparate come opportuno.
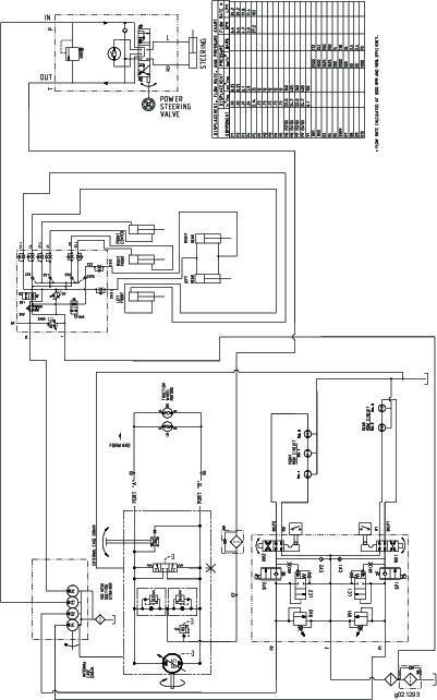
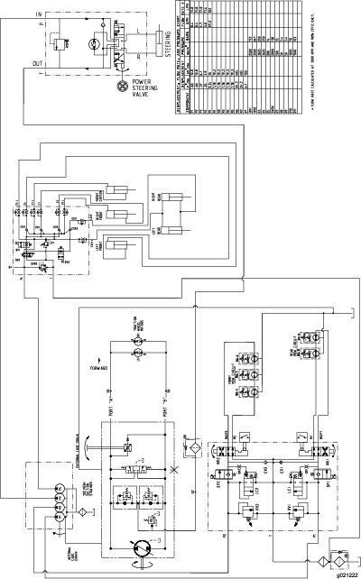
Utilizzate la seguente lista per identificare e descrivere le varie funzioni dei solenoidi nel collettore idraulico. Ciascun solenoide deve essere eccitato per attivare la funzione.
| Solenoide | Funzione |
| SP2 | Circuito del cilindro anteriore |
| SP1 | Circuito del cilindro posteriore |
| SVRV | Sollevamento/abbassamento elementi di taglio |
| SV1 | Sollevamento/abbassamento elementi di taglio anteriori |
| SV3 | Sollevamento e abbassamento elementi di taglio posteriori |
| SV2 | Sollevamento di qualsiasi elemento di taglio |
Prima di tosare esercitatevi con la macchina in uno spazio aperto. Avviate e spegnete il motore. Guidate la macchina in marcia avanti e retromarcia. Abbassate e alzate gli elementi di taglio, e innestate e disinnestate i cilindri. Quando vi sarete familiarizzati con la macchina, esercitatevi a lavorare in salita e discesa a velocità diverse.
Se durante il servizio si dovesse accendere una spia di allarme, fermate immediatamente la macchina e riattate prima di proseguire. L'utilizzo della macchina in presenza di un guasto può causare gravi danni.
Avviate il motore e spostate l'interruttore del regime del motore in posizione Fast. Spostate l'interruttore Attiva/Disattiva in posizione Attiva ed usate la leva di Abbassa-Tosa/Alza per controllare gli elementi di taglio (gli elementi anteriori sono temporizzati e si abbassano prima di quelli posteriori). Premete in avanti il pedale della trazione per spostarvi in avanti e falciare l'erba.
Spostate l'interruttore Attiva/Disattiva in posizione Disattiva ed alzate gli elementi di taglio in posizione di trasferimento. Spostate la leva Tosatura/Trasferimento in posizione di trasporto. Prestate la massima attenzione quando guidate fra corpi estranei, al fine di non danneggiare accidentalmente la macchina o gli elementi di taglio. Prestate la massima attenzione quando utilizzate la macchina su pendii. Guidate lentamente ed evitate curve brusche su pendii, per non ribaltare la macchina. Per mantenere il controllo dello sterzo, gli elementi di taglio devono essere abbassati quando scendete dai pendii.
Note: Stabilite i lati sinistro e destro della macchina dalla normale posizione di guida.
| Cadenza di manutenzione | Procedura di manutenzione |
|---|---|
| Dopo la prima ora |
|
| Dopo le prime 10 ore |
|
| Prima di ogni utilizzo o quotidianamente |
|
| Ogni 50 ore |
|
| Ogni 100 ore |
|
| Ogni 200 ore |
|
| Ogni 250 ore |
|
| Ogni 400 ore |
|
| Ogni 800 ore |
|
| Ogni 6000 ore |
|
| Ogni 2 anni |
|
Fotocopiate questa pagina e utilizzatela quando opportuno.
| Punto di verifica per la manutenzione | Per la settimana di: | ||||||
|---|---|---|---|---|---|---|---|
| Lun | Mar | Mer | Gio | Ven | Sab | Dom | |
| Verificate il funzionamento del sistema di sicurezza a interblocchi. | |||||||
| Verificate il funzionamento dei freni. | |||||||
| Controllate il livello dell'olio motore e del carburante. | |||||||
| Spurgate il separatore di condensa/carburante. | |||||||
| Controllate l'indicatore di limitazione del filtro dell'aria. | |||||||
| Verificate che non vi siano detriti nel radiatore o nella griglia. | |||||||
| Controllate i rumori insoliti del motore.1 | |||||||
| Controllate eventuali rumori insoliti di funzionamento. | |||||||
| Controllate il livello dell'olio idraulico. | |||||||
| Controllate l'indicatore del filtro idraulico. 2 | |||||||
| Verificate che i tubi idraulici flessibili non siano danneggiati. | |||||||
| Verificate che non ci siano perdite di liquido. | |||||||
| Controllate la pressione degli pneumatici. | |||||||
| Verificate il funzionamento degli strumenti. | |||||||
| Verificate la regolazione tra cilindro e controlama. | |||||||
| Controllate la regolazione dell'altezza di taglio. | |||||||
| Controllate la lubrificazione di tutti i raccordi di ingrassaggio. 3 | |||||||
| Ritoccate la vernice danneggiata. | |||||||
|
1. Controllate la candela a incandescenza e gli ugelli dell’iniettore in caso di avviamento difficile, fumo eccessivo o funzionamento anomalo del motore. 2. Controllate a motore acceso e con l'olio a temperatura di servizio 3. Immediatamente dopo ogni lavaggio, a prescindere dalla cadenza indicata |
|||||||
| Ispezione eseguita da: | ||
| Art. | Data | Informazioni |
| 1 | ||
| 2 | ||
| 3 | ||
| 4 | ||
| 5 | ||
| 6 | ||
| 7 | ||
| 8 | ||
Important: Per ulteriori interventi di manutenzione si rimanda al Manuale dell'operatore del motore.

Se lasciate la chiave nell'interruttore di accensione, qualcuno potrebbe accidentalmente avviare il motore e ferire gravemente voi od altre persone.
Togliete la chiave di accensione prima di ogni intervento di manutenzione.
| Cadenza di manutenzione | Procedura di manutenzione |
|---|---|
| Ogni 50 ore |
|
Se utilizzate la macchina in condizioni normali, lubrificate tutti i cuscinetti e le boccole ogni 50 ore di servizio con grasso universale n. 2 a base di litio. Lubrificate cuscinetti e boccole immediatamente dopo ogni lavaggio, a prescindere dalla cadenza indicata.
Posizione e numero di raccordi per ingrassaggio:
Albero di trasmissione pompa (3) (Figura 61)

Cilindri del braccio di sollevamento degli elementi di taglio (2 cad.) (Figura 62)

Perni dei bracci di sollevamento (1 cad.) (Figura 62)
Telaio portante e perno degli elementi di taglio (2 cad.) (Figura 63)

Alberi di articolazione dei bracci di sollevamento (1 cad.) (Figura 64)

Tirante del ponte posteriore (2) (Figura 65)

Perno dello sterzo dell'assale (1) (Figura 66)

Giunti sferici (2) del cilindro di sterzo (Figura 67)

Pedale del freno (1) (Figura 68)

| Cadenza di manutenzione | Procedura di manutenzione |
|---|---|
| Ogni 400 ore |
|
Verificate che il corpo del filtro dell'aria sia privo di danni che possano causare una fuoriuscita d'aria. Se è danneggiato, sostituitelo. Verificate che l'intero sistema di presa d'aria non sia danneggiato, non accusi perdite e che le fascette stringitubo non siano allentate.
Effettuate la manutenzione del filtro dell'aria quando l'indicatore (Figura 69) lo richiede. Sostituendo il filtro dell'aria prima del necessario si aumenta il rischio che la morchia penetri nel motore quando si toglie il filtro.
Important: Verificate che il coperchio si chiuda ermeticamente intorno al corpo del filtro.
Rilasciate i fermi che fissano il coperchio del filtro dell'aria al relativo corpo (Figura 69).

Togliete il coperchio dal corpo del filtro dell'aria. Prima di rimuovere il filtro utilizzate aria compressa a bassa pressione (2,76 bar, pulita e asciutta) per agevolare la rimozione di grossi detriti depositati tra il filtro esterno e la scatola. Evitate di usare aria ad alta pressione, che potrebbe forzare la morchia attraverso il filtro e nella zona di aspirazione.
Questa operazione di pulizia impedisce che la rimozione del filtro causi lo spostamento dei detriti nella zona di aspirazione.
Togliete il filtro e sostituitelo (Figura 70).
Si sconsiglia la pulizia dell'elemento usato, per evitare il rischio di danneggiare l'elemento filtrante. Controllate il filtro nuovo e accertatevi che non sia stato danneggiato durante la spedizione, in particolare l'estremità di tenuta del filtro ed il corpo. Non usate l'elemento se è avariato. Montate il filtro nuovo premendo sul bordo esterno dell'elemento per inserirlo nella scatola. Non premete sulla parte centrale flessibile del filtro.

Pulite il foro di espulsione della morchia, previsto nel coperchio rimovibile. Togliete la valvola di uscita in gomma dal coperchio, pulite la cavità e rimontate la valvola di uscita.
Montate il coperchio con la valvola di uscita in gomma disposta in giù, in una posizione tra le ore 5 e le ore 7 vista dall'estremità.
Fissate i fermi.
Utilizzate olio motore di alta qualità e basso contenuto di cenere che soddisfi o superi le seguenti specifiche:
Categoria API Service CJ-4 o superiori
Categoria ACEA Service E6
Categoria JASO Service DH-2
Important: L'utilizzo di olio motore diverso da API CJ-4 o superiori, ACEA E6 o JASO DH-2 può causare l'otturazione del filtro antiparticolato o danni al motore.
Utilizzate il seguente grado di viscosità dell'olio motore:
Olio di preferenza: SAE 15W-40 (sopra 0°F)
Olio alternativo: SAE 10W-30 o 5W-30 (tutte le temperature)
L'olio motore Toro Premium è disponibile presso il vostro Centro assistenza Toro autorizzato nei gradi di viscosità 15W-40 o 10W-30. Vedere i numeri delle parti nel catalogo ricambi.
| Cadenza di manutenzione | Procedura di manutenzione |
|---|---|
| Prima di ogni utilizzo o quotidianamente |
|
Important: Controllate l'olio motore quotidianamente. Se il livello dell'olio è superiore alla tacca di pieno sull'asta di livello, l'olio motore potrebbe essere diluito con carburante;Se il livello dell'olio motore è superiore alla tacca di pieno, occorre cambiare l'olio motore.
Il momento migliore per controllare l'olio del motore è a motore freddo prima che venga avviato per la giornata. Se è già stato avviato, lasciate che l'olio ritorni nel pozzetto per almeno 10 minuti prima di controllarlo. Se il livello dell'olio è pari o sotto la tacca di aggiunta sull'asta, aggiungere olio fino a portarne il livello alla tacca di pieno. Non riempite eccessivamente il motore d'olio
Important: Mantenete il livello dell'olio motore tra i limiti superiore e inferiore sull'indicatore: se l'olio è troppo o troppo poco, il motore potrebbe subire un guasto.
Parcheggiate la macchina su terreno pianeggiante. Sbloccate i fermagli del coperchio del motore.
Aprite il coperchio del motore.
Togliete l'asta di livello, pulitela strofinandola, rimettetela nel tubo ed estraetela di nuovo. Il livello dell'olio deve essere tra la tacca “Full” (pieno) e quella “Add” (aggiunta) (Figura 71).

Se il livello dell'olio è basso, rimuovete il tappo di riempimento (Figura 71) e aggiungete olio fino a quando il livello non è compreso tra la tacca “Full” (pieno) e quella “Add” (aggiunta). Non riempite troppo.
Montate il tappo dell'olio e l'asta di livello.
Chiudete il coperchio del motore e fissatelo con i fermi.
5,2 litri
| Cadenza di manutenzione | Procedura di manutenzione |
|---|---|
| Ogni 250 ore |
|
Cambiate l'olio e il filtro ogni 250 ore.
Togliete il tappo di spurgo (Figura 72) e lasciate defluire l'olio in una bacinella. Quando tutto l'olio cessa di defluire, rimontate il tappo.

Togliete il filtro dell'olio (Figura 72). Applicate un velo di olio pulito sulla tenuta del nuovo filtro prima di avvitarla. Non serrate troppo.
Rabboccate la coppa con olio adatto; vedere Cambio dell'olio motore e del filtro dell'olio motore.
| Cadenza di manutenzione | Procedura di manutenzione |
|---|---|
| Ogni 6000 ore |
|
Se viene visualizzato il messaggio di avviso nell'InfoCenter, il FAP è vicino al punto raccomandato per la manutenzione del catalizzatore di ossidazione diesel e del filtro antifuliggine.

Se gli errori motore (controllare motore spn 3251 fmi 0), (controllare motore spn 3720 fmi 0) oppure (controllare motore spn 3720 fmi 16) vengono visualizzati sull’InfoCenter (Figura 74), pulite il filtro antiparticolato come descritto di seguito:



Fate riferimento alla sezione Motore nel Manuale di manutenzione per le informazioni su smontaggio e montaggio del catalizzatore di ossidazione diesel e del filtro antifuliggine del FAP.
Fate riferimento al vostro Centro assistenza autorizzato Toro per i ricambi o la manutenzione per il catalizzatore di ossidazione diesel e il filtro antifuliggine.
Contattate il vostro Centro assistenza Toro autorizzato perché effettui il reset dell'ECU del motore dopo l'installazione di un FAP pulito.
In determinate condizioni il gasolio e i vapori del carburante sono estremamente infiammabili ed esplosivi. Un incendio o un'esplosione causati dal carburante possono ustionare voi o altre persone e causare danni.
Utilizzate un imbuto e rabboccate il serbatoio del carburante all'aperto, in una zona spaziosa e a motore spento e freddo, e tergete il carburante versato.
Non riempite completamente il serbatoio. Versate del carburante nel serbatoio fino a 6–13 mm sotto la base del collo del bocchettone di riempimento. Questo spazio consentirà l'espansione del carburante.
Non fumate mai quando maneggiate il carburante, e state lontani da fiamme libere o dove i fumi di carburante possano essere accesi da una scintilla.
Conservate il carburante in una tanica pulita ed omologata ai fini di sicurezza, con il tappo chiuso.
| Cadenza di manutenzione | Procedura di manutenzione |
|---|---|
| Ogni 400 ore |
|
Spurgate ogni giorno l'acqua e altre sostanze contaminanti dal separatore di condensa (Figura 75). Sostituite la scatola del filtro ogni 400 ore di servizio.
Mettete un contenitore pulito sotto il filtro del carburante.
Allentate il tappo di spurgo sul fondo della scatola del filtro e aprite lo sfiato sulla scatola del filtro.

Pulite la superficie circostante la scatola del filtro.
Togliete la scatola del filtro e pulite la superficie di appoggio.
Lubrificate la guarnizione della scatola del filtro con olio pulito.
Montate a mano la scatola del filtro finché la guarnizione non tocca la superficie di appoggio, quindi ruotatela per un altro mezzo giro.
Serrate il tappo di spurgo sul fondo della scatola del filtro e chiudete lo sfiato sulla scatola del filtro.
| Cadenza di manutenzione | Procedura di manutenzione |
|---|---|
| Ogni 400 ore |
|
Il filtro del carburante del motore dovrà essere sostituito ogni 400 ore di servizio.
Pulite l'area circostante la testa del filtro del carburante (Figura 76).

Togliete il filtro e pulite la superficie di montaggio della testa del filtro (Figura 76).
Lubrificate la guarnizione del filtro con olio motore lubrificante pulito. Per ulteriori informazioni si rimanda al Manuale dell'operatore del motore fornito con la macchina.
Montate a mano la scatola del filtro asciutto finché la guarnizione non tocca la testa del filtro, poi ruotatela per un altro mezzo giro.
Avviate il motore e verificate che non ci siano fuoriuscite di carburante attorno alla testa del filtro.
| Cadenza di manutenzione | Procedura di manutenzione |
|---|---|
| Ogni 400 ore |
|
Controllate i tubi di alimentazione e i raccordi ogni 400 ore oppure annualmente, optando per l'intervallo più breve. Verificate l'assenza di deterioramenti, danni o allentamento dei raccordi.
Il tubo di adduzione del carburante, situato all'interno del serbatoio carburante, è provvisto di una griglia che contribuisce ad impedire a corpi estranei di entrare nell'impianto di alimentazione. Togliete il tubo di adduzione del carburante e pulite la griglia come opportuno.
Important: Prima di effettuare saldature sulla macchina, scollegate entrambi i cavi della batteria, scollegate entrambe le spine del cablaggio preassemblato dall'unità di controllo elettronico ed il connettore dei terminali dall'alternatore, per non danneggiare l'impianto elettrico.
| Cadenza di manutenzione | Procedura di manutenzione |
|---|---|
| Ogni 50 ore |
|
I poli della batteria, i morsetti e gli accessori attinenti contengono piombo e relativi composti, sostanze chimiche che nello Stato della California sono considerate cancerogene e causa di anomalie della riproduzione. Lavate le mani dopo avere maneggiato questi componenti.
L'elettrolito della batteria contiene acido solforico, veleno mortale che può causare gravi ustioni.
Non bevete l'elettrolito, e non lasciate che venga a contatto con la pelle, gli occhi o gli indumenti. Indossate occhiali di protezione per proteggere gli occhi, e guanti di gomma per proteggere le mani.
Riempite la batteria nelle vicinanze di acqua pulita, per lavare la pelle.
Durante la ricarica della batteria si sviluppano gas esplosivi.
Non fumate mai nelle adiacenze della batteria e tenetela lontano da scintille e fiamme.
Controllate lo stato della batteria ogni settimana, oppure ogni 50 ore di servizio. Mantenete puliti i morsetti e la scatola della batteria, poiché le batterie sporche si scaricano lentamente. Per pulire la batteria, lavate la scatola completa con una soluzione di bicarbonato di sodio e acqua. Risciacquate con acqua pulita.
Nell'impianto elettrico vi sono otto fusibili; il portafusibili (Figura 77) è situato dietro il pannello di accesso del braccio di comando.


La macchina non deve spostarsi quando rilasciate il pedale di comando della trazione. In caso contrario occorre effettuare una regolazione.
Parcheggiate la macchina su terreno pianeggiante, spegnete il motore abbassate gli elementi di taglio al suolo.
Con un martinetto sollevate la parte anteriore della macchina fino a staccare le ruote anteriori dal pavimento dell'officina. Sostenete la macchina con dei cavalletti metallici per impedirne la caduta accidentale.
Note: Nei modelli a trazione integrale anche le ruote posteriori devono essere sollevate da terra.
Dal lato destro dell'idrostato, allentate il dado di bloccaggio sulla camma di regolazione della trazione (Figura 79).

Il motore deve girare per eseguire la messa a punto finale della camma di regolazione della trazione. Ciò può causare infortuni.
Tenete mani, piedi, viso ed altre parti del corpo lontano dalla marmitta, da altre parti calde del motore e dalle parti in movimento.
Avviate il motore e girate il bullone esagonale della camma in entrambe le direzioni finché le ruote non smettono di girare.
Serrate il dado di bloccaggio per mantenere la regolazione.
Spegnete il motore. Rimuovete i cavalletti metallici e abbassate la macchina a terra.
Collaudate la macchina e verificate che non si sposti.
| Cadenza di manutenzione | Procedura di manutenzione |
|---|---|
| Ogni 800 ore |
|
Girate il volante in modo che le ruote posteriori siano diritte.
Allentate il controdado da ciascun lato del tirante (Figura 80).
Note: La filettatura dell'estremità del tirante con l'intaglio esterno è sinistrorsa.

Fate girare il tirante usando l'intaglio per chiave.
Misurate la distanza davanti e dietro le ruote posteriori all'altezza dell'assale. La distanza anteriore delle ruote posteriori deve essere inferiore di 6 mm rispetto alla distanza posteriore.
All’occorrenza, ripetete l’operazione.
| Cadenza di manutenzione | Procedura di manutenzione |
|---|---|
| Prima di ogni utilizzo o quotidianamente |
|
| Ogni 100 ore |
|
| Ogni 2 anni |
|
Eliminate ogni giorno i detriti dalla griglia posteriore e dal radiatore/refrigeratore dell'olio (con maggiore frequenza in ambienti poco puliti).
Spegnete il motore e togliete la chiave di accensione.
Pulite accuratamente tutti i detriti attorno al motore.
Sbloccate il morsetto e aprite la griglia posteriore (Figura 81).

Pulite accuratamente entrambi i lati del radiatore/refrigeratore dell'olio utilizzando aria compressa (Figura 82).

Chiudete la griglia e fissate con il fermo.
Regolate questi freni se il pedale ha un gioco superiore a 25 mm, o se i freni non funzionano in modo efficace. Per gioco s'intende la distanza che il pedale percorre prima che si avverta la resistenza della frenata.
Note: Sfruttando il gioco del motore a ruota fate oscillare i tamburi avanti e indietro, per assicurarvi che gli stessi abbiano libertà di movimento prima e dopo la regolazione.
Per ridurre il gioco dei pedali del freno, stringete i freno allentando il dado anteriore sull'estremità filettata del cavo del freno (Figura 83).

Serrate il dado posteriore per spostare indietro il cavo, finché i pedali del freno non hanno un gioco compreso tra 1,27 e 1,9 cm, prima che la ruota si blocchi.
Serrate i dadi anteriori per garantire che entrambi i cavi azionino i freni contemporaneamente.
Se il freno di stazionamento non si inserisce, occorre regolare il nottolino del freno.
Allentate le due viti che fissano il nottolino del freno di stazionamento al telaio (Figura 84).

Premete in avanti il pedale del freno di stazionamento finché il fermo non s'innesta completamente nel nottolino del freno (Figura 84).
Serrate le due viti per mantenere la regolazione.
Premete il pedale del freno per rilasciare il freno di stazionamento.
Controllate la messa a punto, e all'occorrenza ripetete la regolazione.
| Cadenza di manutenzione | Procedura di manutenzione |
|---|---|
| Dopo le prime 10 ore |
|
| Ogni 100 ore |
|
Controllate lo stato e la tensione della cinghia (Figura 85) ogni 100 ore di servizio.
La tensione è corretta quando applicando una forza di 44 N sulla cinghia, al centro tra le pulegge, si ha una flessione di 10 mm.
Se l'inflessione non è di 10 mm, allentate i bulloni di fissaggio dell'alternatore (Figura 85). Aumentate o riducete la tensione della cinghia dell'alternatore e serrate i bulloni. Controllate di nuovo l'inflessione della cinghia per accertare che sia esatta.

| Cadenza di manutenzione | Procedura di manutenzione |
|---|---|
| Ogni 800 ore |
|
| Ogni 2 anni |
|
In condizioni normali, cambiate il fluido idraulico ogni 800 ore di servizio. Nel caso in cui il fluido sia contaminato, rivolgetevi al Distributore Toro di zona, che provvederà al lavaggio dell'impianto. L'olio contaminato ha un aspetto lattiginoso o nero a confronto dell'olio pulito.
Spegnete il motore ed alzate il cofano.
Collocate una bacinella di grandi dimensioni sotto il raccordo previsto sulla base del serbatoio del fluido idraulico (Figura 86).

Scollegate il flessibile dalla base del raccordo e lasciate fuoriuscire il fluido idraulico nella bacinella.
Quando il fluido idraulico sarà completamente scaricato, montate il flessibile.
Riempite il serbatoio con 30 litri circa di fluido idraulico; vedere Controllo del fluido idraulico.
Important: Usate soltanto i fluidi idraulici specificati. Altri fluidi possono danneggiare l'impianto.
Montate il tappo sul serbatoio.
Avviate il motore ed attivate tutti i comandi idraulici per distribuire il fluido attraverso l'impianto. Verificate che non vi siano perdite.
Spegnete il motore.
Controllate il livello del fluido idraulico e rabboccate fino a raggiungere la tacca “Full” (pieno) e quella “Add” (aggiunta) sull'asta di livello.
Important: Non riempite troppo.
| Cadenza di manutenzione | Procedura di manutenzione |
|---|---|
| Ogni 800 ore |
|
L'impianto idraulico è provvisto di indicatore della cadenza di manutenzione (Figura 87). A motore acceso, a temperatura operativa, osservate l'indicatore che deve trovarsi nella zona verde. Quando l’indicatore si trova nella zona rossa, cambiate i filtri idraulici.

Important: L'uso di altri filtri può invalidare la garanzia di alcuni componenti.
Parcheggiate la macchina su terreno pianeggiante, abbassate gli elementi di taglio, spegnete il motore, inserite il freno di stazionamento e togliete la chiave di accensione.
Pulite l'area di montaggio del filtro e collocate una bacinella di spurgo sotto il filtro (Figura 88) e (Figura 89).


Togliete il filtro usato.
Lubrificate la guarnizione del nuovo filtro con olio idraulico pulito.
Verificate che l'area circostante il filtro sia pulita.
Montate a mano il filtro finché la guarnizione non tocca la superficie di appoggio, poi ruotatelo per un altro mezzo giro.
Ripetete l'operazione sull'altro filtro.
Avviate il motore e lasciatelo funzionare per due minuti circa, per spurgare l'aria dall'impianto.
Spegnete il motore e verificate che non ci siano fuoriuscite.
| Cadenza di manutenzione | Procedura di manutenzione |
|---|---|
| Prima di ogni utilizzo o quotidianamente |
|
Controllate ogni giorno i tubi idraulici e i flessibili per rilevare fuoriuscite, tubi attorcigliati, attacchi allentati, usura, raccordi allentati e deterioramento causato dalle condizioni atmosferiche e da agenti chimici. Riattate completamente prima di usare la macchina.
Se il fluido idraulico fuoriesce sotto pressione, può penetrare la pelle e causare infortuni.
Verificate che tutti i tubi e i flessibili del fluido idraulico siano in buone condizioni, e che tutte le connessioni e i raccordi idraulici siano saldamente serrati, prima di mettere l'impianto sotto pressione.
Tenete corpo e mani lontano da perdite filiformi o da ugelli che eiettano fluido idraulico pressurizzato.
Usate cartone o carta per cercare perdite di fluido idraulico.
Eliminate con sicurezza la pressione dall'intero impianto idraulico prima di eseguire qualsiasi intervento sull'impianto.
Se il fluido viene iniettato nella pelle, rivolgetevi immediatamente ad un medico.
I fori di controllo dell'impianto idraulico servono per verificare la pressione dei circuiti idraulici. Per ricevere assistenza contattate il Distributore Toro di zona.
Usate i fori diagnostici previsti sui tubi idraulici anteriori (Figura 90) per agevolare la diagnostica del circuito di trazione.

Usate i fori diagnostici previsti sul blocco collettore di tosatura (Figura 91) per agevolare la diagnostica del circuito di tosatura.

Usate i fori diagnostici previsti sul blocco collettore di sollevamento (Figura 92) per agevolare la diagnostica del circuito di sollevamento.

Il contatto con i cilindri o altre parti in movimento può causare infortuni.
Non avvicinate dita, mani o abiti ai cilindri o ad altre parti in movimento.
Non cercate mai di girare i cilindri con la mano o col piede se il motore è acceso.
Note: Durante la lappatura gli elementi anteriori funzionano insieme, e gli elementi posteriori funzionano insieme.
Parcheggiate la macchina su terreno pianeggiante, abbassate gli elementi di taglio, spegnete il motore, inserite il freno di stazionamento e spostate l'interruttore Attiva/Disattiva in posizione Disattiva.
Sbloccate il sedile ed alzatelo per esporre le leve di lappatura (Figura 93).
Effettuate, su tutti gli elementi di taglio, la regolazione iniziale fra cilindro e controlama, ai fini della lappatura; vedere il Manuale dell'operatore degli elementi di taglio.
Avviate il motore e lasciatelo girare alla minima inferiore.
Cambiando il regime del motore durante la lappatura potreste fare fermare i cilindri.
Non cambiate mai il regime del motore durante la lappatura.
Eseguite la lappatura soltanto alla minima.
Selezionate le leve di lappatura anteriore, posteriore o entrambe per stabilire gli elementi da lappare (Figura 93).
Per evitare infortuni, prima di procedere accertatevi di essere a una distanza di sicurezza dagli elementi di taglio.
Con la leva Tosatura/trasferimento in posizione Tosatura, spostate l'interruttore Attiva/Disattiva in posizione Attiva. Spostate in avanti il comando Abbassa-Tosa/Alza per iniziare la lappatura dei cilindri interessati.
Applicate il preparato per lappatura con un pennello dal manico lungo. Non usate mai un pennello dal manico corto.
Se i cilindri si fermano o funzionano in maniera irregolare durante la lappatura, selezionate una velocità superiore finché la velocità si stabilizza, quindi riportate la velocità dei cilindri alla velocità prevista.
Per regolare gli elementi di taglio durante la lappatura, disattivate i cilindri spostando indietro la leva Abbassa-Tosa/Alza, l'interruttore Attiva/Disattiva in posizione Disattiva, e spegnete il motore. Al termine della regolazione, ripetete le voci da 4 a 8.

Ripetete l’operazione per tutti gli elementi di taglio da sottoporre a lappatura.
Al termine, riportate le leve di lappatura in posizione Tosatura, abbassate il sedile e lavate via il preparato per lappatura dagli elementi di taglio. Eseguite la regolazione tra cilindro dell'elemento di taglio e controlama come opportuno. Regolate i comandi della velocità del cilindro degli apparati di taglio all'impostazione opportuna per la tosatura.
Important: Se al termine della lappatura l'interruttore di lappatura non viene riportato in posizione Off, gli elementi di taglio non si alzano o non funzionano correttamente.
Note: Per ottimizzare il bordo di taglio, inserite una lima nel lato anteriore della controlama, al termine dell'operazione di lappatura. Essa consentirà di rimuovere difetti o margini irregolari eventualmente presenti sul bordo di taglio.
Pulite accuratamente il trattorino, gli elementi di taglio e il motore.
Controllate la pressione degli pneumatici. Gonfiate tutti gli pneumatici del trattorino a un valore compreso tra 0,83 e 1,03 bar.
Controllate tutti gli elementi di fissaggio per eventuali allentamenti; all'occorrenza serrateli.
Lubrificate con grasso tutti i raccordi di ingrassaggio e i punti di articolazione. Tergete il lubrificante superfluo.
Carteggiate leggermente e ritoccate le aree verniciate graffiate, scheggiate o arrugginite. Riparate ogni intaccatura nel metallo.
Revisionate la batteria e i cavi come segue:
togliete i morsetti della batteria dai poli;
pulite la batteria, i morsetti e i poli con una spazzola metallica e una soluzione di bicarbonato di sodio.
per impedire la corrosione, ricoprite i morsetti e i poli della batteria con grasso di rivestimento Grafo 112X (n. cat. Toro 505-47) o vaselina.
Per impedire la solfatazione di piombo della batteria, caricatela lentamente ogni 60 giorni per 24 ore.
Spurgate l'olio del motore dalla coppa e montate il tappo di spurgo.
Togliete il filtro dell'olio e scartatelo. Montate un nuovo filtro dell'olio.
Riempite la coppa dell'olio con la giusta quantità di olio motore.
Avviate il motore e fatelo girare alla minima per due minuti circa.
Spegnete il motore.
Lavate il serbatoio del carburante con gasolio nuovo e pulito.
Controllate la protezione antigelo e aggiungete una soluzione di 50% anticongelante e 50% acqua, come opportuno, in base alle temperature minime previste nella vostra zona.
Fissate tutti i raccordi dell'impianto di alimentazione.
Pulite accuratamente il gruppo filtro dell'aria e revisionatelo.
Sigillate l'entrata del filtro dell'aria e l'uscita di scarico con un nastro resistente agli agenti atmosferici.
Verificate la protezione antigelo, e rabboccate per far fronte alla temperatura minima prevista nella vostra zona.

