| 整備間隔 | 整備手順 |
|---|---|
| 使用するごとまたは毎日 |
|
この機械は回転刃を使用するリール式乗用芝刈り機であり、そのような業務に従事するプロのオペレータが運転操作することを前提として製造されています。この製品は、集約的で高度な管理を受けているゴルフ場や公園、スポーツフィールド、商用目的で使用される芝生に対する刈り込み管理を行うことを主たる目的として製造されております。本機は、雑草地や道路わきの草刈り、農業用地における刈り取りなどを目的とした機械ではありません。
この説明書を読んで製品の運転方法や整備方法を十分に理解し、他人に迷惑の掛からない、適切で安全な方法でご使用ください。この製品を適切かつ安全に使用するのはお客様の責任です。
弊社のウェブサイト www.Toro.com で製品やアクセサリ情報の閲覧、代理店についての情報閲覧、お買い上げ製品の登録などを行っていただくことができます。
整備について、また純正部品についてなど、分からないことはお気軽に弊社代理店またはカスタマーサービスにおたずねください。お問い合わせの際には、必ず製品のモデル番号とシリアル番号をお知らせください。モデル番号とシリアル番号はフレームの左側、フットレストの下に取り付けた銘板に表示されています。いまのうちに番号をメモしておきましょう。
この説明書では、危険についての注意を促すための警告記号図 1を使用しております。死亡事故を含む重大な人身事故を防止するための注意ですから必ずお守りください。

この他に2つの言葉で注意を促しています。重要「重要」は製品の構造などについての注意点を、注はその他の注意点を表しています。
この製品は、関連するEU規制に適合しています。 詳細については、DOC シート(規格適合証明書)をご覧ください。
カリフォルニア州
第65号決議による警告
カリフォルニア州では、ディーゼルエンジンの排気には発癌性や先天性異常などの原因となる物質が含まれているとされております。
地域によっては、この機械の使用に当たり、本機のエンジンにスパークアレスタを取り付けることが義務付けられておりますので、この機械のマフラー・アセンブリにはスパークアレスタが内蔵されています。
トロの純正スパークアレスタは、USDA森林局の適合品です。
Important: この製品のエンジンのマフラーにはスパークアレスタが装着されています。カリフォルニア州の森林地帯・潅木地帯・草地などでこの機械を使用する場合には、同州公共資源法第4442章により、正常に機能するスパークアレスタの装着、またはエンジンに対して森林等の火災防止措置をほどこすことが義務づけられています。他の地域においても同様の規制が存在する可能性がありますのでご注意ください。
不適切な使い方をしたり手入れを怠ったりすると、人身事故につながります。事故を防止するため、以下に示す安全上の注意や安全注意標識のついている遵守事項は必ずお守りください。これは「注意」、「警告」、「危険」など、人身の安全に関わる注意事項を示しています。これらの注意を怠ると死亡事故などの重大な人身事故が発生することがあります。
以下の注意事項はCEN規格EN 836:1997,ISO規格5395:1990 およびANSI規格B71.4-2012から抜粋したものです。
このマニュアルや関連する機器のマニュアルをよくお読みください。各部の操作方法や本機の正しい使用方法に十分慣れておきましょう。
子供や正しい運転知識のない方には機械を操作させないでください。地域によっては機械のオペレータに年齢制限を設けていることがありますのでご注意ください。
周囲にペットや人、特に子供がいる所では絶対に作業をしないでください。
人身事故や器物損壊などについてはオペレータやユーザーが責任を負うものであることを忘れないでください。
人を乗せないでください。
本機を運転する人、整備する人すべてに適切なトレーニングを行ってください。トレーニングはオーナーの責任です。特に以下の点についての十分な指導が必要です:
乗用芝刈り機を取り扱う上での基本的な注意点と注意の集中;
斜面で機体が滑り始めるとブレーキで制御することは非常に難しくなること。斜面で制御不能となるおもな原因は:
タイヤグリップの不足;
速度の出しすぎ;
ブレーキの不足;
機種選定の不適当;
地表条件、特に傾斜角度を正しく把握していなかった;
ヒッチの取り付けや積荷の重量分配の不適切。
オペレータやユーザーは自分自身や他の安全に責任があり、オペレータやユーザーの注意によって事故を防止することができます。
作業には頑丈な靴と長ズボン、および聴覚保護具を着用してください。長い髪、だぶついた衣服、装飾品などは可動部に巻き込まれる危険があります。また、裸足やサンダルで機械を運転しないでください。
機械にはね飛ばされて危険なものが落ちていないか、作業場所をよく確認しましょう。
警告:燃料は引火性が極めて高い。以下の注意を必ず守ってください。
燃料は専用の容器に保管する。
給油は必ず屋外で行い、給油中は禁煙を厳守する。
給油はエンジンを掛ける前に行う。エンジンの運転中やエンジンが熱い間に燃料タンクのふたを開けたり給油したりしない。
燃料がこぼれたらエンジンを掛けない。機械を別の場所に動かし、気化した燃料ガスが十分に拡散するまで引火の原因となるものを近づけない。
燃料タンクは必ず元通りに戻し、フタはしっかり締める。
マフラーが破損したら必ず交換してください。
作業場所を良く観察し、安全かつ適切に作業するにはどのようなアクセサリやアタッチメントが必要かを判断してください。メーカーが認めた以外のアクセサリやアタッチメントを使用しないでください。
オペレータコントロールやインタロックスイッチなどの安全装置が正しく機能しているか、また安全カバーなどが外れたり壊れたりしていないか点検してください。これらが正しく機能しない時には芝刈り作業を行わないでください。
有毒な一酸化炭素ガスが溜まるような閉め切った場所ではエンジンを運転しないでください。
作業は日中または十分な照明のもとで行ってください。
エンジンを掛ける前には、アタッチメントのクラッチをすべて外し、ギアシフトをニュートラルにし、駐車ブレーキを掛けてください。
「安全な斜面」はあり得ません。芝生の斜面での作業には特に注意が必要です。転倒を防ぐため:
斜面では急停止・急発進しない。
斜面の走行や小さな旋回は低速で。
隆起や穴、隠れた障害物がないか常に注意すること。
急な旋回をしない。バックする時には安全に十分注意する。
マニュアルに指示があれば、カウンタバランス やホイールバランスを使用すること。
隠れて見えない穴や障害物に常に警戒を怠らないようにしましょう。
道路付近で作業するときや道路を横断するときは通行に注意しましょう。
芝面以外の場所を走行するときはブレードの回転を止めてください。
アタッチメントを使用するときは、排出方向に気を付け、人に向けないようにしてください。また作業中は機械に人を近づけないでください。
ガードが破損したり、正しく取り付けられていない状態のままで運転しないでください。インタロック装置は絶対に取り外さないこと、また、正しく調整してお使いください。
エンジンのガバナの設定を変えたり、エンジンの回転数を上げすぎたりしないでください。規定以上の速度でエンジンを運転すると人身事故が起こる恐れが大きくなります。
運転位置を離れる前に:
平坦な場所に停止する;
PTOの接続を解除し、アタッチメントを下降させる;
ギアシフトをニュートラルに入れ、駐車ブレーキを掛ける;
エンジンを止め、キーを抜き取る。
移動走行中や作業を休んでいるときはアタッチメントの駆動を止めてください。
次の場合は、アタッチメントの駆動を止め、エンジンを止めてください:
燃料を補給するとき
集草袋や集草バスケットを取り外すとき
刈り高を変更するとき。ただし運転位置から遠隔操作で刈り高を変更できる時にはこの限りでありません。
詰まりを取り除くとき
機械の点検・清掃・整備作業などを行うとき;
異物をはね飛ばしたときや機体に異常な振動を感じたとき。機械に損傷がないか点検し、必要があれば修理を行ってください。点検修理が終わるまでは作業を再開しないでください。
エンジンを停止する時にはエンジン速度を下げておいて下さい。また、燃料バルブの付いている機種では機械の使用後に燃料バルブを閉じてください。
カッティングユニットに手足を近づけないでください。
バックするときには、足元と後方の安全に十分な注意を払ってください。
旋回するときや道路や歩道を横切るときなどは、減速し周囲に十分な注意を払ってください。刈り込み中以外はブレードの回転を止めておいてください。
アルコールや薬物を摂取した状態での運転は避けてください。
機械が落雷を受けると最悪の場合死亡事故となります。稲光が見えたり雷が聞こえるような場合には機械を運転しないで安全な場所に避難してください。
トレーラやトラックに芝刈り機を積み降ろすときには安全に十分注意してください。
見通しの悪い曲がり角や、茂み、立ち木などの障害物の近くでは安全に十分注意してください。
常に機械全体の安全を心掛け、また、ボルト、ナット、ねじ類が十分に締まっているかを確認してください。
火花や裸火を使用する屋内で本機を保管する場合は、必ず燃料タンクを空にし、火元から十分離してください。
閉めきった場所に本機を保管する場合は、エンジンが十分冷えていることを確認してください。
火災防止のため、エンジンやマフラー、バッテリーの周囲に、余分なグリス、草や木の葉、ホコリなどが溜まらないようご注意ください。
グラスキャッチャーは傷や破損が出やすいので、こまめに点検してください。
各部品、特に油圧関連部が良好な状態にあるか点検を怠らないでください。消耗したり破損した部品やステッカーは安全のため早期に交換してください。
燃料タンクの清掃などが必要になった場合は屋外で作業を行ってください。
機械の調整中に指などを挟まれないように十分注意してください。
複数のリールを持つ機械では、1つのリールを回転させると他のリールも回転する場合がありますから注意してください。
整備・調整作業の前には、必ず機械を停止し、カッティングユニットを降下させ、駐車ブレーキを掛け、エンジンを停止し、キーを抜き取ってください。また、必ず機械各部の動きが完全に停止したのを確認してから作業に掛かってください。
火災防止のため、カッティングユニットや駆動部、マフラーの周囲に、草や木の葉、ホコリなどが溜まらないようご注意ください。オイルや燃料がこぼれた場合はふきとってください。
必要に応じ、ジャッキなどを利用して機体を確実に支えてください。
機器類を取り外すとき、スプリングなどの力が掛かっている場合があります。取り外しには十分注意してください。
修理作業に掛かる前にバッテリーの接続を外してください。バッテリーの接続を外すときにはマイナスケーブルを先に外し、次にプラスケーブルを外してください。取り付けるときにはプラスケーブルから接続します。
リールの点検を行うときには安全に十分注意してください。必ず手袋を着用してください。
可動部に手足を近づけないよう注意してください。エンジンを駆動させたままで調整を行うのは可能な限り避けてください。
バッテリーの充電は、火花や火気のない換気の良い場所で行ってください。バッテリーと充電器の接続 や切り離しを行うときは、充電器をコンセントから抜いておいてください。また、安全な服装を心がけ、工具は確実に絶縁されたものを使ってください。
以下の注意事項はCEN、ISO、ANSI規格には含まれていませんが、Toroの芝刈り機を安全に使用していただくために必ずお守りいただきたい事項です。
この機械は手足を切断したり物をはね飛ばしたりする能力があります。重傷事故や死亡事故を防ぐため、すべての注意事項を厳守してください。
この機械は本来の目的から外れた使用をするとユーザーや周囲の人間に危険な場合があります。
エンジンの排気ガスには致死性の有毒物質である一 酸化炭素が含まれている。
屋内や締め切った場所ではエンジンを運転しないこと。
エンジンの緊急停止方法に慣れておきましょう。
テニスシューズやスニーカーでの作業は避けてください。
安全靴と長ズボンの着用をおすすめします。地域によってはこれらの着用が義務付けられていますのでご注意ください。
燃料の取り扱いには十分注意してください。こぼれた燃料はふき取ってください。
インタロックスイッチは使用前に必ず点検してください。スイッチの故障を発見したら必ず修理してから使用してください。
エンジンを始動する時は必ず着席してください。
運転には十分な注意が必要です。転倒や暴走事故を防止するために以下の点にご注意ください:
サンドトラップや溝・小川などに近づかないこと。
急旋回時や斜面での旋回時は必ず減速してください。急停止や急発進をしないこと。
道路横断時の安全に注意。常に道を譲る心掛けを。
下り坂ではブレーキを併用して十分に減速し、確実な車両制御を行うこと。
移動走行時にはカッティングユニットを上昇させてください。
エンジン回転中や停止直後は、エンジン本体、マフラー、排気管などに触れると火傷の危険がありますから手を触れないでください。
斜面でエンストしたり、坂を登りきれなくなったりした時は、絶対にUターンしないでください。必ずバックで、ゆっくりと下がって下さい。
人や動物が突然目の前に現れたら直ちにリール停止。注意力の分散、アップダウン、カッティングユニットから飛びだす異物など思わぬ危険があります。周囲に人がいなくなるまでは作業を再開しないでください。
油圧系統のラインコネクタは頻繁に点検してください。油圧を掛ける前に、油圧ラインの接続やホースの状態を確認してください。
油圧のピンホールリークやノズルからは作動油が高圧で噴出していますから、手などを近づけないでください。リークの点検には新聞紙やボール紙を使い、絶対に手を直接差し入れたりしないでください。高圧で噴出する作動油は皮膚を貫通し、身体に重大な損傷を引き起こします。万一、油圧オイルが体内に入ったら、直ちに専門医の治療を受けてください。
油圧系統の整備作業を行う時は、必ずエンジンを停止し、カッティングユニットを下降させてシステム内部の圧力を完全に解放してください。
燃料ラインにゆるみや磨耗がないか定期的に点検してください。必要に応じて締め付けや修理交換してください。
エンジンを回転させながら調整を行わなければならない時は、手足や頭や衣服をカッティングユニットや可動部に近づけないように十分ご注意ください。また、無用の人間を近づけないようにしてください。
Toro正規代理店でタコメータによるエンジン回転数検査を受け、安全性と精度を確認しておきましょう。
大がかりな修理が必要になった時、補助が必要な時Toro 正規代理店にご相談ください。
交換部品やアクセサリはToro純正品をお求めください。他社の部品やアクセサリを御使用になると製品保証を受けられなくなる場合があります。
この機械は、音力レベルが 103 dBA であることが確認されています; ただしこの数値には不確定値(K)1 dBA が含まれています。
音力レベルの確認は、ISO 11094 に定める手順に則って実施されています。
この機械は、オペレータの耳の位置における音圧レベルが 86 dBA であることが確認されています。ただしこの数値には不確定値(K)1 dBA が含まれています。
音圧レベルの確認は、EC規則 836 に定める手順に則って実施されています。
腕および手
右手の振動レベルの実測値 = 0.98 m/s2
左手の振動レベルの実測値 = 0.66 m/s2
不確定値(K) = 0.5 m/s2
実測は、EC規則 836 に定める手順に則って実施されています。
全身
振動レベルの実測値 = 0.31 m/s2
不確定値(K) = 0.15 m/s2
実測は、EC規則 836 に定める手順に則って実施されています。
この機械に搭載されているエンジンは、EPA Tier 4 および stage 3b 規制に適合しています。
![]() |
危険な部分の近くには、見やすい位置に安全ラベルや指示ラベルを貼付しています。破損したりはがれたりした場合は新しいラベルを貼付してください。 |

















Note: 前後左右は運転位置からみた方向です。
タイヤは空気圧を高めに設定して出荷しています。運転前に正しいレベルに下げてください。適正圧は前・後輪とも83~41kPaです。
Important: 各タイヤがターフに均等に着地するよう、全部のタイヤを同じ圧力に調整てください。
オペレータが乗り降りしやすいように、ステップの高さを調整することができます。
ステップのブラケットをトラクションユニットのフレームに固定しているボルト2本を外す(図 2)。

希望の高さに合わせてステップをブラケットに付け直す。
機体の反対側でも同じ作業を行う。
オペレータが運転しやすいように、コントロールアームの位置を調整することができます。
コントロールアームをリテーナブラケットに固定している2本のボルトをゆるめる(図 3)。

コントロールアームを希望位置に動かし、ボルトを締めて固定する。
この作業に必要なパーツ
| 前ホースガイド(右) | 1 |
| 前ホースガイド(左) | 1 |
出荷用ブラケットからリールモータを取り出す。
出荷用のブラケットを外して破棄する。
カッティングユニットをカートンから取り出す。同梱されているカッティングユニット用オペレーターズマニュアルに従って、希望の設定に組み立て、調整を行う。
カウンタウェイト(図 4) を、決められている側に取り付ける;カッティングユニットのオペレーターズマニュアルを参照。

どのカッティングユニットも、カッティングユニットの右側にターフ補正スプリングを取り付けて出荷している。ターフ補正スプリングは、リール駆動用モータを取り付ける側に取り付ける必要がある。以下の要領で、ターフ補正スプリングの位置換えを行う:
カッティングユニットのタブにロッドブラケットを固定しているキャリッジボルト2本を外す(図 5)。

スプリングチューブのボルトをキャリアフレームのタブに固定しているフランジナット(図 5)を外し、アセンブリを取り外す。
スプリングチューブのボルトを、反対側のキャリアフレームのタブに取り付け、フランジナットで固定する。図 6に示すように、ボルトの頭部がタブの外側を向くように取り付けること。

カッティングユニットのタブにロッドブラケットを取り付け、キャリッジボルト2本とナットで固定する(図 6)。
Important: #4(左前)カッティングユニットと、#5(右前)カッティングユニットでは(図 7)、ロッドブラケット取り付けナットを使って、各ユニットのタブの前に、ホースガイドを取り付ける(図 8)。ホースガイドは、中央カッティングユニットに向かって傾斜するのが正しい(図 8と図 9)。



Note: カッティングユニットをトラクションユニットに取り付ける時には、ロッドブラケットの隣にあるスプリングロッド穴にヘアピンコッターを、忘れずに取り付けてください。カッティングユニットをトラクションユニットに取り付けていない時には、ロッドの端部にある穴にヘアピンコッターを忘れずに取り付けてください。
全部の昇降アームを完全に下降させる。
昇降アームのピボットヨークからスナッパピンとキャップを取る(図 10)。

フロントに取り付けるカッティングユニットは、昇降アームの下に入れるときにキャリアフレームのシャフトを立てて昇降アームのピボットヨークに挿入する(図 11)。

刈高 19mm 超で使用する場合には、リアカッティングユニットの取り付けは以下の要領で行う。
キャリアフレームのシャフトと昇降アームのヨークにキャップを通す。
スナッパピンを使って、キャップとキャリアフレームのシャフトとを昇降アームのヨークに固定する。カッティングユニットをステアリングモードで使う場合はスロットを使い、固定モードで使用する場合には、穴を使う(図 10)。
スナッパピンを使って、昇降アームのチェーンを昇降アームに固定する(図 13)。カッティングユニットのオペレーターズマニュアルに従って、決められたリンクを使用すること。

4番(左前)カッティングユニットと、5番(右前)カッティングユニットでは、各ユニットのホースガイドにリールモータのホースを通す。
リールモータのスプラインシャフトにきれいなグリスを塗りつける。
リールモータのOリングにオイルを塗りつけ、モータのフランジに取り付ける。
モータを手に持ち、右回りにひねってモータのフランジをボルトから逃がしながら、キャップスクリュにモータをセットする(図 14)。モータを左回りにひねって、ボルトにフランジをしっかりと掛け、ボルトを締めてモータを固定する。
Important: リールモータのホースがねじれたり、折れたり、はさまれたりしないように注意してください。

ターフ補正スプリング(図 15)は、前ローラから後ローラへと、カッティングユニットの体重移動を行います。(これによりユニットを安定させ、いわゆる「波打ったような」仕上がり(ボビングとかマーセリングといわれる現象)を防いでいます。
Important: この調整は、カッティングユニットをトラクタに取り付け、ユニットを真っ直ぐ前に向けて床に降ろした状態で行ってください。

座席調整レバー(図 19)は、運転席の前後位置の調整を行います。座席調整ノブは、オペレータの体重に合わせて調整を行います。調整のできたところで体重ゲージインジケータに表示が出ます。身長調整ノブは、オペレータの身長に合わせて調整を行います。

走行ペダル(図 20)は前進走行と後退走行を制御します。ペダル前部を踏み込むと前進、後部を踏み込むと後退です。走行速度はペダルの踏み込み具合で調整します。刈り込みを行っていない時(負荷が掛かっていない時)には、ペダルを一杯に踏み込むと最高走行速度になりますす(エンジンの速度設定はハイアイドル位置)。
ペダルの踏み込みをやめると、ペダルは中央位置に戻り、走行を停止します。

刈り込み速度リミッタ(図 20)を上位置にセットすると、事前にセットしてある刈り込み速度での走行になり、カッティングユニットが回転できるようになります。スペーサ1枚で、刈り込み速度が 0.8 km/h 変化します。ボルトの上側のスペーサの数が増えるほど、速度が遅くなります。移動走行を行う時は、刈り込み速度リミッタを下位置に下げて解除すると全速力での走行が可能になります。
ブレーキペダル(図 20)を踏み込むと車両は停止します。
駐車ブレーキ(図 20)を掛けるには、ブレーキペダルを踏み込み、ペダルの上部についているラッチを踏み込みます。ブレーキを解除するには、ラッチが落ちるまでペダルを踏み込みます。
ハンドルを手前に寄せたい場合には、ペダル(図 20)を踏みこみ、ステアリングタワーを手前に引き寄せ、ちょうど良い位置になったら、ペダルから足を離します。
エンジン速度スイッチ(図 21)は、2つのエンジン速度モードを切り換えます。スイッチを軽くたたくと、エンジン速度を100 rpmずつ増加または減少させることができます。スイッチの端を押し下げてそのまま保持すると、エンジンは自動的にハイ・アイドルまたはロー・アイドルになります。

リール回転許可/禁止スイッチ(図 21)と、カッティングユニット昇降レバーとを使って刈り込みを行います。
インフォセンターLCDディスプレイは、マシンの運転状態、故障診断など)の情報を表示します(図 21)。
キースイッチ(図 21)には3つの位置があります: OFF, ON/RUN, START です。
このレバー(図 21)で、カッティングユニットの昇降動作を行うほか、カッティングユニットが刈り込みモードになっているときには、カッティングユニットの回転と停止も行います。カッティングユニット昇降レバーが移動走行位置にセットされているときには、カッティングユニットを下降させることができません。
ヘッドライトスイッチ(図 21)を下げるとヘッドライトが点灯します。
バックラップレバー(図 22)は、回転許可/禁止スイッチと連動し、リールをバックラップするときに使用します。

エンジン通常の温度で回転中はこのインジケータ(図 23)の表示が緑色の領域にあります。表示が赤色の領域に入ったら、油圧フィルタを交換してください。

電源ソケットから、電動機器用に12 Vの電源をとることができます(図 24)。

インフォセンター LCD は、マシンの運転状態、不具合診断など、マシンに関わる様々な情報を表示します(図 25)。インフォセンターには初期画面(スプラッシュ画面)とメイン画面があります。インフォセンターのどのボタンでも、押せば初期画面とメイン画面とをいつでも切り替えることができ、また、矢印ボタンで選択することによって、希望する項目の内容を確認することができます。

左ボタン, メニューアクセス/バック・ボタン:このボタンを押すと、インフォセンターのメニューが表示されます。メニュー表示中にこれを押せばメニューを終了します。
中央ボタン:メニューを下向きにスクロールするときに使います。
右ボタン:右向き矢印が表示されたとき、その先にあるメニュー項目を見るために使用します。
Note: 各ボタンの機能はメニューの内容によって、変わります。各ボタンについて、その時の機能がアイコンで表示されます。
| SERVICE DUE(定期整備時期です) | 定期整備時期であることを示します |
![]() | Engine RPM/status—エンジンの回転数(RPM)を表示します |
![]() | アワーメータ |
![]() | 情報アイコン |
![]() | 高速 |
![]() | 低速 |
![]() | 燃料レベル |
![]() | 静止再生を実施する必要があります |
![]() | グロープラグが作動中です |
![]() | カッティングユニット上昇 |
![]() | カッティングユニット下降 |
![]() | オペレータが着席している必要があります |
![]() | 駐車ブレーキ作動表示:駐車ブレーキが掛かっていることを示します |
![]() | レンジが「高速」(移動走行) |
![]() | ニュートラル |
![]() | レンジが「低速」(刈り込み) |
![]() | 冷却液温度:エンジンの冷却液の温度を表示します;表示単位は、 °C または °Fです。 |
![]() | 温度(高温) |
![]() | PTOが入っています |
![]() | 禁止または不許可 |
![]() | エンジン始動 |
![]() | 停止またはシャットダウン |
![]() | エンジン |
![]() | キースイッチ |
![]() | カッティングユニットが下降中であることを示します |
![]() | カッティングユニットが上昇中であることを示します |
![]() | PIN コード |
![]() | CAN バス |
![]() | インフォセンター |
![]() | 不良または故障 |
![]() | 電球 |
![]() | TEC コントローラまたはコントロールワイヤハーネスからの出力 |
![]() | スイッチ |
![]() | スイッチを解除する必要があります |
![]() | 表示されているモードに切り換えてください |
| 表示記号を組み合わせた文章が表示されます。以下に文章の例を示します | |
![]() | マシンをニュートラルにセットしてください。 |
![]() | エンジンの始動許可がおりません。 |
![]() | エンジンをシャットダウンします |
![]() | 冷却液が過熱しています |
![]() | 着席するか駐車ブレーキをかけてください |
インフォセンターのメニューにアクセスするには、メニュー画面が表示されているときにメニューアクセスボタンを押します。ボタンを押すとメインメニューが表示されます。各メニューにおいてどのような内容が表示されるかは、以下の表をご覧ください。
| メインメニュー | |
| メニュー項目 | 内容 |
| Faults(不具合) | 不具合メニューには、最近に記録された不具合が表示されます。不具合メニューおよびその内容の詳細については、サービスマニュアルを参照するか、弊社ディストリビュータにお問い合わせください。 |
| Service(整備) | 整備メニューでは、使用時間積算記録などの情報を見ることができます。 |
| Diagnostics(診断機能) | 診断メニューでは、各スイッチ、センサー、制御出力の状態が表示されます。どのコントロール装置がONになっており、どれがOFFになっているかが表示されますから、故障探究を手早く行うことができます。 |
| Settings(設定) | 設定メニューではインフォセンターの表示や機械の設定を変更することができます。 |
| About(マシンについて) | このメニュー項目では、モデル番号、シリアル番号、ソフトウェアのバージョンなどを確認することができます。 |
| Service(整備) | |
| メニュー項目 | 内容 |
| Hours(運転時間) | マシン、エンジン、リール、およびPTOが使用されていた時間およびマシンが移動走行していた時間と定期整備までの時間が記録されており、これらを確認することができます。 |
| Counts(回数) | マシンに発生した様々な事象の回数を表示します。 |
| Diagnostics(診断機能) | |
| メニュー項目 | 内容 |
| カッティングユニット | カッティングユニットを上昇・下降させるための入力、許可、出力の状態を表示します。 |
| Hi/Low レンジ | 移動走行モードで運転を行うための入力、許可、出力の状態を表示します。 |
| PTO | PTO回路を作動させるための入力、許可、出力の状態を表示します。 |
| Engine Run(エンジン作動) | エンジンを始動させるための入力、許可、出力の状態を表示します。 |
| バックラップ | バックラップを行うための入力、許可、出力の状態を表示します。 |
| Settings(設定) | |
| メニュー項目 | 内容 |
| Units(単位) | インフォセンターで表示される項目の単位を選択することができます。ヤードポンド系またはメートル系から選択します。 |
| Language(言語) | インフォセンターの表示に使う言語を選択することができます*。 |
| LCD Backlight(バックライト) | LCD 表示の明るさを調整します。 |
| LCD Contrast(コントラスト) | LCD 表示のコントラストを調整します。 |
| 前ユニットのバックラップ速度 | 前方のカッティングユニットのバックラップ時のリール速度をコントロールします。 |
| 後ユニットのバックラップ速度 | 後方のカッティングユニットのバックラップ時のリール速度をコントロールします。 |
| Protected Menus(保護項目) | 許可された人が PIN コードを入力してアクセスできます。 |
| オートアイドル | マシンの運転操作をしていない状態から自動的にアイドリングに移行するまでの時間の長さを設定します。 |
| Blade Count(刃数) | リール速度を計算するために必要な刃数です |
| Mow Speed(刈込速度) | リール速度を決定するために必要な走行速度です。 |
| Height of cut (HOC:刈高) | リール速度を決定するために必要な刈高です。 |
| F Reel RPM(前リール速度) | 前リールの回転速度(計算値)を表示します。リール速度は手動で調整することもできます。 |
| R Reel RPM(後リール速度) | 後リールの回転速度(計算値)を表示します。リール速度は手動で調整することもできます。 |
* 「オペレータ向け」のメッセージのみが翻訳表示されます。故障、整備、診断の画面は「整備士向け」メッセージです。タイトルは選択された言語で表示されますが、本文は英語表示となります。
| About(マシンについて) | |
| メニュー項目 | 名称 |
| Model | マシンのモデル番号を表示します。 |
| SN | マシンのシリアル番号を表示します。 |
| Machine Controller Revision(コントローラ改訂番号) | マスターコントローラのソフトウェアの改訂番号を表示します。 |
| インフォセンターの改定番号 | インフォセンターのソフトウェアの改訂番号を表示します。 |
| CAN Bus | マシン内部の通信状態を表示します。 |
インフォセンターの「設定」メニューで変更可能な項目は7つあります:オートアイドル待ち時間、刃数、刈り込み速度、刈高、前リール速度、および後リール速度です。これらの設定は、「パスワード保護メニュー」で保護することができます。
Note: 納品時のパスワードは、代理店にて設定しています。
Note: 出荷時に設定されている デフォルト PIN は 0000 または 1234 です。PIN を変更後、PIN を忘れてしまった場合には、弊社ディストリビュータにご相談ください。
MAIN(メイン)メニューから中央ボタンで下へスクロールしていくとSETTINGS(設定)メニューがありますから、ここで右ボタンを押します(図 26)。

SETTINGSメニューから中央ボタンで下へスクロールしていくとPROTECTED (保護)メニューがありますから、ここで右ボタンを押します(図 27A)。

パスワードを入力するには、中央ボタンを何度か押して最初の桁へ入力します。その後に右ボタンを押すと次の桁へ移動します(図 27B と図 27C)。これを繰り返して最後の桁まで入力を終えたら、もう一度右ボタンを押します。
中央ボタンを押して PIN コードを登録します(図 27D)。
インフォセンターの赤ランプが点灯するまで待ちます。
Note: インフォセンターが PIN コードを受け付けて保護メニューが開くと、画面右上の部分に PIN という表示が現れます。
Note: キーを OFF 位置にし、もう一度ONにすると、保護メニューがロックされます。
「保護メニュー」の設定内容を閲覧・変更することができます。「保護メニュー」にアクセスしたら、下へスクロールして「設定を保護」(Protect Settings)へ進みます。右ボタンを使って設定を変更します。Protect Settings(設定を保護)をOFFにすると、PIN コードを入力しなくても、保護メニューの内容を閲覧・変更することができるようになります。「設定を保護」をONにすると、保護されている内容は表示されなくなり、これらを閲覧・変更するには PIN コードの入力が必要となります。PIN コードを入力した時は、キースイッチをOFF にし、もう一度キーを ON にすると、このパスワードが記憶されます。
「設定メニュー」にて、下へスクロールすると「オートアイドル(Auto Idle)」があります。
右ボタンを使って、オートアイドル時間を、 OFF, 8S, 10S, 15S, 20S, および 30S から選択します。
「設定メニュー」にて、下へスクロールすると「Blade Count」があります。
右側のボタンを使用して、刃数を 5、8 または 11 から選択してください。
「設定メニュー」にて、下へスクロールすると「Mow Speed」があります。
右側のボタンを使用して、刈り込み速度を選択してください。
中央の右側のボタンを使って、走行ペダルの速度リミッタに、適当な刈り込み速度を設定してください。
設定が終了したら左ボタンを押すと、設定内容を保存して設定が終了します。
「設定メニュー」にて、下へスクロールすると「HOC」があります。
右側のボタンを使用して、刈高を選択してください。
中央の右側のボタンを使って、適当な刈高を設定してください。(ご希望の通りの刈高が表示されない場合には、表示されている数値の中から最も近いものを選んでください)。
設定が終了したら左ボタンを押すと、設定内容を保存して設定が終了します。
前後のリールの速度は、刃数、刈り込み速度および刈高からインフォセンターが自動的に計算しますが、いろいろな刈り込み条件に対応するために速度設定を手動で変更することができるようになっています。
リール速度設定を変更するには、 F Reel RPM、R Reel RPM またはその両方までスクロールしてください。
右側のボタンを使用して、リール速度を変更してください。設定の変更をしているとき、ディスプレイには、刃数、刈り込み速度および刈高に基づいて計算された以前と同じリール速度が表示されていますが、新しく入力した値も表示されます。
Note: 仕様および設計は予告なく変更される場合があります。
| 仕様 | ReelMaster® 5410-D | ReelMaster® 5510-D |
| 移動走行時の幅: | 228 cm | 233cm |
| 刈幅 | 254cm | 254cm |
| 長さ | 282cm | 282cm |
| 高さ | 160cm | 160cm |
| 重量(油脂類および8枚刃カッティングユニットを含む) | 1,335 kg | 1,420 kg |
| エンジン | ヤンマー 36 hp | ヤンマー 36 hp |
| 燃料タンク容量 | 53 リットル | 53 リットル |
| 移動走行速度 | 0–16 km/h | 0–16 km/h |
| 刈込速度 | 0–13 km/h | 0–13 km/h |
トロが認定した各種のアタッチメントやアクセサリがそろっており、マシンの機能をさらに広げることができます。 詳細は弊社の正規サービスディーラ、または代理店へお問い合わせください;弊社のウェブサイト www.Toro.com でもすべての認定アタッチメントとアクセサリをご覧になることができます。
Note: 前後左右は運転位置からみた方向です。
始動キーをつけたままにしておくと、誰でもいつでもエンジンを始動させることができ、危険である。
整備・調整作業の前には、必ずカッティングユニットを床まで降下させ、駐車ブレーキを掛け、キーを抜き取っておくこと。
エンジンを始動させる前に、エンジンオイルの量を点検してください;手順はエンジンオイルの量を点検するを参照してください。
燃料は非常に引火・爆発しやすい物質である。発火したり爆発したりすると、やけどや火災などを引き起こす。
燃料補給は必ず屋外の開けた場所で、エンジンが冷えた状態で行う。こぼれた燃料はふき取る。
箱型トレーラに本機を搭載した状態では、絶対に本機への燃料補給をしてはならない。
燃料取り扱い中は禁煙を厳守し、火花や炎を絶対に近づけない。
燃料は安全で汚れのない認可された容器に入れ、子供の手の届かない場所で保管する。30 日分以上の買い置きは避ける。
運転時には必ず適切な排気システムを取り付け正常な状態で使用する。
燃料を補給中、静電気による火花が燃料に引火する危険がある。発火したり爆発したりすると、やけどや火災などを引き起こす。
燃料容器は車から十分に離し、地面に直接置いて給油する。
車に乗せたままの容器に燃料を補給しない。車両のカーペットやプラスチック製の床材などが絶縁体となって静電気の逃げ場がなくなるので危険である。
可能であれば、機械を地面に降ろし、車輪を地面に接触させた状態で給油を行う。
機械を車に搭載したままで給油を行わなければいけない場合には、大型タンクのノズルからでなく小型の容器から給油する。
大型タンクのノズルから直接給油しなければならない場合には、ノズルを燃料タンクの口に常時接触させた状態で給油を行う。
燃料を飲み込むと非常に危険で生命に関わる。また気化した燃料に長期間ふれると身体に重篤な症状や疾病を引き起こす。
燃料蒸気を長時間吸わないようにする。
ノズルや燃料タンクの注入口に顔を近づけないこと。
燃料蒸気が目や肌に触れないようにする
Important: 超低イオウ軽油以外の燃料は使用しないでください。イオウ分の多い燃料は、DOC(排ガス酸化触媒)を劣化させ、運転トラブルを発生させ、エンジンの各機器の寿命を縮めます。以下の注意を守らないと、エンジンを破損させる場合があります。
絶対に、ディーゼル燃料の代わりに灯油やガソリンを使わないでください。
絶対に、灯油やガソリンをディーゼル燃料に混入しないでください。
絶対に、内面に亜鉛メッキされている容器で燃料を保管しないでください。
燃料用添加剤を使用しないでください。
セタン値: 45 以上
イオウ含有率 超低イオウ(<15ppm)
| ディーゼル燃料の仕様 | 地域 |
| ASTM D975 | USA |
| No. 1-D S15 | |
| No. 2-D S15 | |
| EN 590 | EU 諸国 |
| ISO 8217 DMX | 米国外 |
| JIS K2204 Grade No. 2 | 日本 |
| KSM-2610 | 大韓民国 |
不純物のない新しい軽油またはバイオディーゼル燃料を使用してください。
燃料の劣化を避けるため、180日以内に使いきれる程度の量を購入するようにしてください。
気温が -7℃ 以上では夏用燃料(2号軽油)を使用しますが、気温が -7℃ 以下の季節には冬用燃料(1号軽油または1号と2号の混合)を使用してください。
Note: 低温下で冬用ディーゼル燃料を使うと、発火点や流動点が下がってエンジンが始動しやすくなるばかりでなく、燃料の成分分離(ワックス状物質の沈殿)によるフィルタの目詰まりを防止できるなどの利点があります。気温が -7° 以上の季節には夏用燃料を使用する方が、燃料ポンプの寿命を延ばします。
この機械はバイオディーゼル燃料を混合したB20燃料(バイオディーゼル燃料が20%、通常軽油が80%)を使用することができます。
イオウ含有率 超低イオウ(<15ppm)
バイオディーゼル燃料の仕様: ASTM D6751 または EN14214
ブレンド燃料の仕様:ASTM D975、EN590 または JIS K2204
Important: ただし、混合されている軽油のイオウ含有量は極低レベルである必要があります。
以下の注意を守ってお使いください。
着色したターフを汚す可能性があります。
寒い地方ではB5(バイオディーゼル燃料が5%)またはそれ以下の製品を使用すること。
時間経過による劣化がありうるので、シール部分、ホース、ガスケットなど燃料に直接接する部分をまめに点検すること。
バイオディーゼル燃料に切り換えた後に燃料フィルタが詰まる場合がある。
バイオディーゼル燃料について、より詳細な情報は弊社正規代理店におたずねください。
53 リットル
平らな場所に駐車する。
燃料タンクの補給口付近をよごれのないウェスできれいにぬぐう。
燃料タンクのキャップ(図 28)を取る。

燃料タンクの首の根元から 6~13mm 程度下まで給油する。
燃料補給後は、燃料タンクのキャップを取りつけて十分に締め付ける。
Note: 可能であれば、作業後に毎回燃料を補給しておくようにしてください。これにより燃料タンク内の結露を少なくすることができます。
| 整備間隔 | 整備手順 |
|---|---|
| 使用するごとまたは毎日 |
|
通気スクリーン、オイルクーラ、ラジエター正面にたまっているごみを毎日清掃してください。非常にほこりの多い条件で使用しているときには、より頻繁に清掃してください。「冷却系統の清掃」を参照のこと。
ラジエターの冷却液はは水とエチレングリコール不凍液の50/50 混合液です。毎日、エンジンを掛ける前に、補助タンクにある冷却液の量を点検してください。冷却システムの容量は 6.6 リットルです。
エンジン停止直後にラジエターのキャップを開けると、高温高圧の冷却液が吹き出してやけどを負う恐れがある。
エンジン回転中はラジエターのふたを開けないこと。
キャップを開けるときはウェスなどを使い、高温の水蒸気を逃がしながらゆっくりと開けること。
液量の点検は補助タンクで行う(図 29)。
タンク側面についている2本のマークの間にあれば適正である。

冷却液の量が足りない場合には、補助タンクのキャップを取ってここから補給する。入れすぎはよくない。
補助タンクのキャップを取り付けて終了。
| 整備間隔 | 整備手順 |
|---|---|
| 使用するごとまたは毎日 |
|
油圧オイルタンクに約 30 リットルのオイルを満たして出荷しています。初めての運転の前に必ず油量を確認し、その後は毎日点検してください。推奨オイルの銘柄を以下に示します:
| Toro プレミアム・オールシーズン油圧作動液 (19 リットル缶または208 リットル缶)。パーツカタログまたは代理店でパーツ番号をご確認ください。 |
代替製品: Toro のオイルが入手できない場合は、以下に挙げる特性条件および産業規格を満たすオイルを使用することができます。合成オイルの使用はお奨めできません。オイルの専門業者と相談の上、適切なオイルを選択してください: 不適切なオイルの使用による損害については弊社は責任を持ちかねますので、品質の確かな製品をお使い下さる様お願いいたします。
| 高粘度インデックス/低流動点アンチウェア油圧作動液, ISO VG 46 | |||
| 物性: | |||
| 粘度, ASTM D445 | cSt @ 40°C 44 - 50cSt @ 100°C 7.9 - 8.5 | ||
| 粘性インデックス ASTM D2270 | 140~160 | ||
| 流動点, ASTM D97 | -37°C~-45°C | ||
| 産業規格: | |||
| ヴィッカース I-286-S (品質レベル), ヴィッカース M-2950-S(品質レベル), デニソン HF-0 | |||
Important: ISO VG 46 マルチグレードオイルは、広い温度範囲で優れた性能を発揮します。通常の外気温が高い(18℃~49℃) 熱帯地方では、ISO VG 68 オイルのほうが適切と思われます。
プレミアム生分解油圧オイル — Mobil EAL EnviroSyn 46H
Important: Mobil EAL EnviroSyn 46H は、トロ社がこの製品への使用を認めた唯一の合成生分解オイルです。このオイルは、トロ社の油圧装置で使用しているエラストマーに悪影響を与えず、また広範囲な温度帯での使用が可能です。このオイルは通常の鉱物性オイルと互換性がありますが、十分な生分解性を確保し、オイルそのものの性能を十分に発揮させるためには、通常オイルと混合せず、完全に入れ替えて使用することが望まれます。この生分解オイルは、モービル代理店にて 19 リットル缶または208リットル缶でお求めになれます。
Important: 多くの油圧オイルはほとんど無色透明であり、そのためオイル洩れの発見が遅れがちです。油圧オイル用の着色剤(20 ml )をお使いいただくと便利です。(瓶入り)1瓶で 15-22 リットルのオイルに使用できます。パーツ番号は P/N 44-2500。ご注文は Toro 代理店へ。この着色剤は、生分解オイルには使用できません。生分解オイルには食用色素をお使いください。
平らな場所に駐車し、カッティングユニットを降下させ、エンジンを停止させる。
油圧オイルタンクの注油口周辺をきれいに拭き、キャップ(図 30)を外す。給油口からキャップを取る。

補給口の首からディップスティックを抜き、きれいなウェスでていねいに拭う。もう一度首に差し込んで引き抜き、オイルの量を点検する。ディップスティックのマークから 6.3 mm 以内にあればよい。入れすぎはよくない。
不足であれば、適正量まで補給する。
ディップスティックとキャップを取り付ける。
| 整備間隔 | 整備手順 |
|---|---|
| 使用するごとまたは毎日 |
|
前日の調子に係わりなく、 毎日の点検の一つとして必ずリールとベッドナイフの接触状態を点検してください。リールと下刃の全長にわたって軽い接触があれば適正です。(カッティングユニットのオペレーターズマニュアルの「リールと下刃の調整」の項を参照してください。)
| 整備間隔 | 整備手順 |
|---|---|
| 使用開始後最初の 1 時間 |
|
| 使用開始後最初の 10 時間 |
|
| 250運転時間ごと |
|
ホイールナットを 95-122 N·m(9.5-12.2 kg.m)にトルク締めする。使用開始後1-4 運転時間後、およびその後 10 運転時間後にもう一度。その後は250運転時間ごとに締め付けを行ってください。
適切なトルク締めを怠ると車輪の脱落や破損から人身事故につながる恐れがある。
Important: 以下のうちのいずれかの状態が発生すると、燃料系統は自動的にエア抜きを行います。
新車を初めて始動する時。
燃料切れでエンジンが停止した時
燃料系統の整備作業を行った後
着席し、足を走行ペダルから離してペダルをニュートラル位置とし、駐車ブレーキが掛かっていることを確認し、エンジン速度スイッチを中央位置にセットし、リール回転許可スイッチ(Enable/Disable)が回転禁止になっていることを確認する。
走行ペダルから足を外し、ペダルがニュートラル位置にあることを確認する。
キーを RUN 位置に回す。
グローランプが消えたら、キーをSTART位置に回す。エンジンが始動したらすぐにキーから手を放す。キーは RUN 位置に戻る。エンジンのウォームアップを行い(負荷はかけない)、その後にスロットルコントロールを希望位置にセットする。
すべてのコントロールをニュートラルに戻し、車ブレーキを掛け、エンジン速度スイッチを低速にセットしてエンジンの回転数が下がるのを待ちます。
始動キーを OFF 位置に回して、抜き取る。
一定で、クオリティの高いカットを行い、均一な刈り上がり(見栄え)を作るには、リール速度を正しく設定しておく必要があります。リール速度は以下の手順で調整します:
インフォセンターの「設定メニュー」から blade count、mow speed、HOC に入ってリール速度計算値の表示を見る。
更に調整が必要な場合は、「設定メニュー」で F Reel RPM、R Reel RPM またはその両方までスクロールする。
右側のボタンを使用して、リール速度を変更する。設定の変更をしているとき、ディスプレイには、刃数、刈り込み速度および刈高に基づいて計算された以前と同じリール速度が表示されているが、新しく入力した値も表示される。
Note: ターフの条件に合わせて、リールの回転速度を変えて構わない。
Note: エンジンに過大な負荷を掛けるような刈り込みをすると、より多くの DPF 再生が必要になります。
作業現場に移動し、刈り込みの一列目に合わせてマシンを待機させる。
PTOスイッチが 切 であることを確認する。
刈り込み速度リミッタを前に倒す。
スロットル速度スイッチを、エンジン速度ハイアイドルにセットする。
ジョイスティックで、カッティングユニットを芝面まで降下させる。
PTO スイッチを押して、カッティングユニットの作動準備状態にする。
ジョイスティックで、カッティングユニットを芝面から上昇させる。
刈り込みエリアに乗り入れ、カッティングユニットを降ろす。
Note: エンジンに過大な負荷を掛けるような刈り込みをすると、より多くの DPF 再生が必要になります。
列の最後まできたらジョイスティックを使ってカッティングユニットを上昇させる。
雨だれ形に旋回して次の列に入る準備を行う。
DPF は排気系統の一部です。DPF には酸化促進触媒が入っていて有害ガスを減少させ、すすフィルタが排気に含まれているすすを取り除きます。
すすがたまってくると、DPF を高温にして再生を行います。溜っているすすを高温によって燃焼させて灰にし、すすフィルタの詰まりを取り除き、排気ガスが DPF を通り抜けられるようにします。
すすの蓄積具合は、DPF のバック圧をコンピュータで監視することによって行っています。バック圧が高くなりすぎると、通常のエンジンの作動中にすすフィルタの中ですすを燃焼させることができなくなります。すすを DPF にためないようにするには、以下のような注意が必要です:
エンジンが作動している間は常に DPF のパッシブ再生が行われていますので、エンジンは可能な限りフルスロットルで使用して再生を促進するようにしてください。
バック圧が上昇して高くなりすぎると、より強力な再生(アシスト再生やリセット再生)が開始され、エンジンコンピュータがインフォセンターにそれを表示します。
アシスト再生やリセット再生が終了するまで待ち、その後にエンジンを停止するようにしてください。
つねに DPF のことを頭に入れて機械の操作や保守整備を行ってください。通常は、ハイアイドルでエンジンを使用していれば、DPF の再生に十分な排気温度が得られます。
Important: エンジンを低速で回している時間が長いと、すすフィルタにすすがたまります。アイドリングや低速回転での使用をできるだけ短くしましょう。
DPF の駐車再生中やリカバリー再生中の排気は高温(およそ 600°C (1112°F))になる。高温の排気は人体に悪影響を及ぼす恐れがある。
絶対に締め切った場所でエンジンを運転しないこと。
排気系統の周囲に可燃物を放置しないこと。
高温になっている排気系統各部に触れないこと。
排気管の近くに立たないこと。
マシンを使用するにつれて、DPF 内部のすすフィルタにすすが蓄積してきます。DPF 内のすすの蓄積具合は、エンジンのコンピュータが監視しています。
蓄積量が一定レベルになると、DPF フィルタの再生が必要であることをコンピュータが知らせてきます。
DPF の再生とは、DPF を高温にして内部のすすを燃焼させて灰にすることを言います。
再生メッセージを表示するとともに、コンピュータは、すすの蓄積レベルに合わせてエンジンの出力を落とします。
| 表示レベル | 不具合コード | エンジン出力レート | 推奨される対応 |
| レベル 1:エンジン警告 |
![]() | コンピュータはエンジンパワーを 85%に下げる | できるだけ早く停車再生を行う;駐車再生を参照。 |
| レベル 2:エンジン警告 |
![]() | コンピュータはエンジンパワーを 50%に下げる | できるだけ早くリカバリー再生を行う;回復再生を参照。 |
軽い灰は排気管から放出されますが、重い灰はフィルタ内部に残ります。
灰は、再生の結果としてできるものです。よって、機械の稼働時間が長くなるにつれ、放出されない灰が蓄積してきます。
DPF 内のすすの蓄積量は、エンジンのコンピュータが計算しています。
すすの蓄積量が所定量に達すると、エンジンのコンピュータからインフォセンターへ、灰の蓄積に関するアドバイスまたは警告情報が送信されます。
このアドバイスや警告は、DPF の整備が必要であることを示しています。
警告などを表示するとともに、コンピュータは、灰の蓄積レベルに合わせてエンジンの出力を落とします。
| 表示レベル | アドバイスまたは不具合コード | エンジン速度を落とす | エンジン出力レート | 推奨される対応 |
|---|---|---|---|---|
| レベル 1:システムアドバイス |
![]() | なし | 100% | インフォセンターにアドバイス番号 #179 が表示されたことを整備士に知らせる。 |
| レベル 2:エンジン警告 |
![]() | なし | コンピュータはエンジンパワーを 85%に下げる | DPF の整備を行う;ディーゼル酸化触媒(DOC)とすすフィルタの整備を参照。 |
| レベル 3:エンジン警告 |
![]() | なし | コンピュータはエンジンパワーを 50%に下げる | DPF の整備を行う;ディーゼル酸化触媒(DOC)とすすフィルタの整備を参照。 |
| レベル 4:エンジン警告 |
![]() | エンジン速度が MAX トルク + 200rpm | コンピュータはエンジンパワーを 50%に下げる | DPF の整備を行う;ディーゼル酸化触媒(DOC)とすすフィルタの整備を参照。 |
| 再生の種類 | DPF 再生の条件 | DPF 再生動作の内容 |
|---|---|---|
| パッシブ | マシンの通常運転中(エンジン高速回転中または高負荷回転中)に行われる。 | パッシブ再生はインフォセンターに表示されない。 |
| パッシブ再生中、DPF は高温の排気を利用して有害な排気を酸化させ、すすを燃焼させて灰にする。 | ||
| DPF のパッシブ再生を参照。 | ||
| アシスト | エンジンの低速運転、低負荷運転を行うこと、DPF のバック圧が高いことをコンピュータが検知することが原因で実行される。 | インフォセンターにアシストまたはリセット再生アイコン が表示された場合には、アシスト再生が進行中。 |
| アシスト再生中は、コンピュータが吸気スロットルを調整して排気温度を高める。 | ||
| DPF のアシスト再生を参照。 | ||
| リセット | アシスト再生によってもすすの量を十分に減らすことができない時にのみ実行される。 | インフォセンターにアシストまたはリセット再生アイコン が表示された場合には、再生が進行中。 |
| センサー読み値の基準をリセットするために 100 運転時間ごとに実行される。 | ||
| リセット再生中は、コンピュータが吸気スロットルと燃料インジェクタを調整して排気温度を高める。 | ||
| リセット再生を参照。 |
| 再生の種類 | DPF 再生の条件 | DPF 再生動作の内容 |
|---|---|---|
| 駐車再生 | エンジンの低速運転、低負荷運転を長じ如何行ったために、すすが蓄積した場合に行われる。不適切な燃料やオイルを使用した場合にも行われる場合がある。 | インフォセンターに駐車再生アイコン が表示された場合には、実行することが必要。 |
| 駐車再生は、バック圧の上昇(すすの蓄積)をコンピュータが感知したために要求される。 | ||
| • リカバリ再生が必要にならないように、できるだけ早く停車再生を行う。 | ||
| • 駐車再生に要する時間は 30~60 分間。 | ||
| • 燃料タンク内の燃料残量が 1/4 以上であることを確認して行う。 | ||
| • この再生は、駐車して行うことが必要。 | ||
| 駐車再生を参照。 | ||
| リカバリ | 駐車再生の要求を無視してマシンの使用を続けたために、すすの蓄積量がさらに増加して必要となる再生。 | インフォセンターにリカバリ再生アイコン が表示された場合には、実行することが必要。 |
| トロ社代理店に連絡して、リカバリ再生を実行する。 | ||
| • 駐車再生に要する時間は 4 時間。 | ||
| • 燃料タンク内の燃料残量が 1/2 以上であることを確認して行う。 | ||
| • この再生は、駐車して行うことが必要。 | ||
| 回復再生を参照。 |
パッシブ再生は、エンジンの通常運転の一部として行われます。
パッシブ再生を促進させるために、エンジンは可能な限りフルスロットルで使用してください。

インフォセンターに、アシスト/リセット再生アイコンが表示されます(図 37)。
コンピュータが吸気スロットルを調整してエンジンの排気温度を高めます。
DPF の再生を促進させるために、エンジンは可能な限りフルスロットルで使用してください。
アシスト再生中は、インフォセンターに、
アイコンが表示されます。
アシスト再生中は、出来うる限りエンジンを止めたりエンジンの速度を落としたりしないでください。
Important: アシスト再生が終了するまで待ち、その後にエンジンを停止するようにしてください。
Note: アシスト再生が終了すると、インフォセンターの
アイコンが消えます。

インフォセンターに、アシスト/リセット再生アイコンが表示されます(図 38)。
コンピュータが吸気スロットルと燃料噴射とを調整してエンジンの排気温度を高めます。
Important: アシスト再生やリセット再生のアイコンが表示される時には、マシンからの排気の温度が通常よりも高くなる可能性があります。
DPF の再生を促進させるために、エンジンは可能な限りフルスロットルで使用してください。
リセット再生中は、インフォセンターに
アイコンが表示されます。
リセット再生中は、出来うる限りエンジンを止めたりエンジンの速度を落としたりしないでください。
Important: リセット再生が終了するまで待ち、その後にエンジンを停止するようにしてください。
Note: リセット再生が終了すると、インフォセンターの
アイコンが消えます。

インフォセンターに、駐車再生要求アイコンが表示されます(図 39)。
駐車再生が必要になると、インフォセンターにエンジン警告 SPN 3719, FMI 16(図 40) が表示され、エンジン出力が 85% にダウンします。

Important: 2時間以内に駐車再生を行わないと、エンジン出力が 50% にダウンします。
駐車再生に要する時間は 30~60 分間です。
管理者に許可された人が PIN コードを入力して駐車再生を実施してください。
燃料が、少なくともタンクの 1/4 以上あることを確認する。
車両を屋外の、可燃物から離れた場所に移動させる。
平らな場所に駐車する。
走行コントロールや走行コントロールレバーがニュートラル位置にあることを確認する。
カッティングユニット搭載機ではユニットを降下停止させる。
駐車ブレーキを掛ける。
スロットルを低速アイドル位置にセットする。
Note: 保護メニューのロック解除方法 アクセス制限付きメニューへのアクセスを参照。
保護メニューにアクセスし、サブメニューのロックを解除する(図 41);アクセス制限付きメニューへのアクセスを参照。

メインメニューMAIN MENU画面で、中央ボタンを押して整備SERVICEメニューへ移動し、右ボタンで整備SERVICEを選択する(図 42)。
Note: インフォセンターのの右上隅に PIN と表示されます。

整備メニューSERVICE MENUで、中央ボタンを押して DPF 再生DPF REGENERATIONへ移動し、右ボタンでDPF 再生DPF REGENERATIONを選択する(図 43)。

Initiating DPF Regen(DPF 再生開始Are you sure?というメッセージが表示されるので、中央ボタンを押す(図 44)。

冷却液の温度が 60°C (140°F) 未満の場合には、Insure
is running and above 60C/140F”(エンジン作動と冷却水を確認)と表示される(図 45)。
インフォセンターの上で冷却水温度を確認し、温度が 60°C (140°F) になるまでフルスロットルでエンジンを回転させてから中央ボタンを押す。
Note: 冷却液の温度が 60°C (140°F) 以上の場合には、この画面は表示されません。

スロットルコントロールを低速アイドル位置にセットして、中央ボタンを押す(図 46)。

駐車再生が開始されると、以下のメッセージが表示される:
再生実行中は、インフォセンターはホーム画面となって以下のアイコンが表示される:
![]() | エンジン低温—待て | |
![]() | エンジン適温—待て | |
![]() | エンジン高温—再生中(~% 終了) |
駐車再生が終了すると、インフォセンターに Regen Complete と表示される。左ボタンを押してホーム画面に戻る(図 51)。

この要求(インフォセンターに表示されたアイコン)を無視してマシンの使用を続けると、DPF 内部に大量のすすがたまります。
リカバリ再生が必要になると、インフォセンターにエンジン警告 SPN 3719, FMI 16 (図 52) が表示され、エンジン出力が 85% にダウンします。

Important: 15分以内に駐車再生を行わないと、エンジン出力が 50% にダウンします。
エンジンにパワーがない時や、駐車再生で、DPF から十分にすすを除去できない場合には、いつでもリカバリ再生を行ってください。
リカバリ再生に要する時間は 4 時間程度です。
リカバリ再生は、弊社正規代理店の整備士が行います。弊社正規代理店に連絡してください。
凹凸の激しいターフで一定の刈高にカット、サッチが厚くたまっているターフで削らないように刈るなど、様々なターフ条件に合わせて、後カッティングユニットの昇降アームについているカウンタバランスを調整することができます。
調整は、カウンタバランスのスプリングの設定位置(全部で4ヶ所あります)を変更することによって行います。位置を1目盛り変えるごとに、カウンタバランスの重量効果が2.3 kg変わります。カウンタバランスをゼロにしたい場合には、スプリングを第1スプリングアクチュエータの裏側(第4番目の位置)にセットしてください。
平らな場所に駐車し、カッティングユニットを下降させ、エンジンを停止させ、駐車ブレーキを掛けてキーを抜き取る。
スプリングの長い方の端部にチューブのようなものを取り付けて、スプリングアクチュエータの周囲に巻きつけるようにして希望位置にセットする(図 53)。
スプリングには力が掛かっている。
スプリングの調整は安全に十分注意して行うこと。

もう一方のスプリングにも同じ作業を行う。
緊急時には、油圧ポンプについているバイパスバルブを開いて本機を前進方向に牽引または押して移動することができます。
Important: トランスミッションを保護するために、牽引または押して移動する時の速度は、3-4.8 km/h としてください。本機を押して或いは引いて移動させる場合には、必ずバイパスバルブを開く必要があります。
バイパスバルブはハイドロスタットの左側にある(図 55)。バイパスバルブを右または左1.5回転させると内部でバイパスが形成される。これにより、トランスミッションを破損することなく、機械を押して低速で移動できるようになる。

エンジンを掛ける時にはバルブを元通りに閉める。ただし、バルブの締め付けトルクが 7-11 N·m(5-8 ft-lb = 1.0-1.5 kg.m)を超えないようにすること。
Important: バイパスバルブを開いたままでエンジンを回転させるとトランスミッションがオーバーヒートします。
Note: 必要に応じ、ジャッキなどを利用して機体を確実に支えてください。
前:各前輪の内側、アクスルチューブの下にある四角いパッド(図 56)

後:後アクスルの四角いアクスルチューブ
このマシンには故障診断用ランプが付いており、電気系統の異常を探知するとそれを知らせます。故障診断ランプはインフォセンター(表示画面の上)についています(図 59)。マシンが適切に作動している場合には、キースイッチをON位置にすると、コントローラの診断ランプが短時間点灯し、ランプが正常に作動していることを示します。アドバイスメッセージが表示されると、ランプが点灯してメッセージがあることを知らせます。故障メッセージが表示された場合にはランプが点滅し、その故障が解消されるまで点滅を続けます。

インタロックスイッチは、走行ペダルがニュートラル位置、リール回転スイッチが停止(回転禁止)位置、リールコントロールレバーがニュートラル位置の時にのみエンジンの始動を許可します。また、走行ペダルが踏まれた状態でオペレータが座席を離れるとエンジンを停止させます。
インタロックスイッチは安全装置であり、これを取り外すと予期せぬ人身事故が起こり得る。
インタロックスイッチをいたずらしない。
作業前にインタロックスイッチの動作を点検し、不具合があれば作業前に交換修理する。
| 整備間隔 | 整備手順 |
|---|---|
| 使用するごとまたは毎日 |
|
平らな場所に駐車し、カッティングユニットを降下させ、エンジンを停止し、駐車ブレーキを掛ける。
始動キーをON位置に回すが、エンジンは始動させない。
インフォセンターの故障診断メニューから、確認すべきスイッチを探し出す。
それぞれのスイッチを個別に ON/OFF 操作し(運転席に座る・立つを繰り返す、走行ペダルを踏み込む、など)、各スイッチが正常に作動しているかどうか確認する。各スイッチについて何度か繰り返し、動作不良がないことを確認する。
スイッチが閉じているのにそれに対応する LED が点灯しない場合は、そのスイッチに関わる配線とスイッチ自身に異常がないかをテスターで調べる。不良個所は一カ所とは限らないからすべて修理する。
Note: インフォセンターは、出力のチェック(ソレノイドやリレーに通電があるかどうか)を行うこともできます。これらにより、故障の原因が電気系にあるのか油圧系にあるのかを容易に判断することができます。
平らな場所に駐車し、カッティングユニットを降下させ、エンジンを停止し、駐車ブレーキを掛ける。
キーを OFF 位置にしてエンジンを始動する。
インフォセンターの故障診断メニューから、確認すべき出力内容を探し出す。
運転席に座り、点検したい機能の操作を実際に行ってみる。その機能の出力表示が変われば、ECMから適切に出力信号が出力されていると判断してよい。
Note: 出力ランプが点灯しない場合には、その出力に必要な入力スイッチがすべて正常に作動しているかどうかを調べる。また、スイッチの機能そのものに異常がないかどうか点検する。出力表示に異常がないのに、マシンがその通りに動作しないという場合、その故障は電気系統以外の原因で発生している。必要な修理を行う。
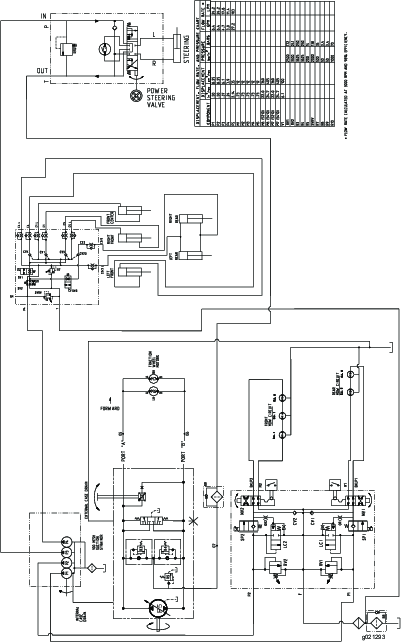
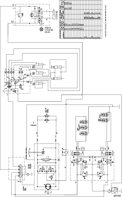
以下に油圧マニホルドにあるソレノイドの機能を示します。各機能ともソレノイドに通電したときに行われます。
| ソレノイド | 機能 |
| SP2 | 前リール回路 |
| SP1 | 後リール回路 |
| SVRV | カッティングユニット上昇/下降 |
| SV1 | 前カッティングユニット昇降 |
| SV3 | 後カッティングユニット昇降 |
| SV2 | カッティングユニット上昇 |
実際に芝刈りを始める前に、安全な場所で運転操作に十分慣れておいてください。特に機械の始動、停止、前進走行と後退走行、カッティングユニットの回転、停止、昇降動作などを十分に練習してください。操作に慣れてきたら、斜面の上り下りや速度を変えての運転も練習しましょう。
作業中に警告灯が点灯したら、直ちに機械を停止し原因を確認してください。異常を放置したまま作業を続けると本機に重大な損傷を招く可能性があります。
エンジンを始動し、エンジン速度を FAST 位置にセットする。リール回転スイッチを「回転」にし、ジョイスティックでカッティングユニットの制御を行います(前ユニットは後ユニットより早く降下してきます。)走行ペダルを前進側に踏み込めば刈り込みが始まります。
芝刈りが終ったらリール回転スイッチを「停止」とし、カッティングユニットを上昇させてから移動を開始します。刈り込み/移動走行切り替えレバーを移動走行にセットしてください。狭い場所を通り抜ける時、カッティングユニットをぶつけて損傷しないよう十分注意してください。斜面の通行には最大の注意を払ってください。また、転倒事故を防止するために、法面での速度の出しすぎや急旋回に十分注意してください。下り坂ではハンドリングを安定させるためにカッティングユニットを下降させてください。
Note: 前後左右は運転位置からみた方向です。
| 整備間隔 | 整備手順 |
|---|---|
| 使用開始後最初の 1 時間 |
|
| 使用開始後最初の 10 時間 |
|
| 使用するごとまたは毎日 |
|
| 50運転時間ごと |
|
| 100運転時間ごと |
|
| 200運転時間ごと |
|
| 250運転時間ごと |
|
| 400運転時間ごと |
|
| 800運転時間ごと |
|
| 6000運転時間ごと |
|
| 2年ごと |
|
このページをコピーして使ってください。
| 点検項目 | 第 週 | ||||||
|---|---|---|---|---|---|---|---|
| 月 | 火 | 水 | 木 | 金 | 土 | 日 | |
| インタロックの動作を点検する。 | |||||||
| ブレーキの動作 | |||||||
| エンジンオイルの量を点検 | |||||||
| 燃料・水セパレータの水抜き | |||||||
| エアフィルタのインジケータの表示。 | |||||||
| ラジエターとスクリーンの汚れ | |||||||
| エンジンからの異常音がないか点検する。1 | |||||||
| 運転操作時の異常音 | |||||||
| 油圧オイルの量を点検 | |||||||
| エアフィルタのインジケータの表示2 | |||||||
| 油圧ホースの磨耗損傷を点検 | |||||||
| オイル漏れなど | |||||||
| タイヤ空気圧を点検する | |||||||
| 計器類の動作 | |||||||
| リールとベッドナイフの摺り合わせ | |||||||
| 刈高の調整の点検。 | |||||||
| グリスアップ個所の点検3 | |||||||
| 塗装傷のタッチアップ修理を行う。 | |||||||
|
1. 始動困難、大量の煙、咳き込むような走りなどが見られる場合はグロープラグと噴射ノズルを点検する。 2. エンジンを始動し、オイルが通常の作動温度に達した状態で点検する。 3. 車体を水洗いしたときは整備間隔に関係なく直ちにグリスアップする。 |
|||||||
| 点検担当者名: | ||
| 内容 | 日付 | 記事 |
| 1 | ||
| 2 | ||
| 3 | ||
| 4 | ||
| 5 | ||
| 6 | ||
| 7 | ||
| 8 | ||
Important: エンジンの整備に関しての詳細は、付属のエンジンマニュアルを参照してください。

始動キーをつけたままにしておくと、誰でもいつでもエンジンを始動させることができ、危険である。
整備・調整作業の前には必ずエンジンを停止し、キーを抜いておくこと。
| 整備間隔 | 整備手順 |
|---|---|
| 50運転時間ごと |
|
通常の使用では50運転時間ごとに一般用2号リチウムグリスによる潤滑を行います。車体を水洗いしたときは整備間隔に関係なく直ちにグリスアップしてください。
グリスアップ箇所は以下の通りです:
| 整備間隔 | 整備手順 |
|---|---|
| 400運転時間ごと |
|
エアクリーナ本体にリーク原因となる傷がないか点検してください。破損していれば交換してください。吸気部全体について、リーク、破損、ホースのゆるみなどを点検してください。
エアクリーナの整備はインジケータ(図 69)が赤色になってから行ってください。早めに整備を行っても意味がありません。むしろフィルタを外したときにエンジン内部に異物を入れてしまう危険が大きくなります。
Important: 本体とカバーがシールでしっかり密着しているのを確認してください。
エアクリーナのカバーをボディーに固定しているラッチを外す(図 69)。

ボディーからカバーを外す。フィルタを外す前に、低圧のエア(2.8 kg/cm2、異物を含まない乾燥した空気)で、フィルタとボディーとの間に溜まっている大きなゴミを取り除く。高圧のエアは使用しないでください。異物がフィルタを通ってエンジン部へ吹き込まれる恐れがあります。
このエア洗浄により、フィルタを外した時にホコリが舞い上がってエンジン部へ入り込むのを防止することができる。
フィルタを取り外して交換する(図 70)。
エレメントを洗って再使用しないこと。洗浄によってフィルタの濾紙を破損させる恐れがある。新しいフィルタに傷がついていないかを点検する。特にフィルタとボディーの密着部に注意する。破損しているフィルタは使用しない。フィルタをボディー内部にしっかり取り付ける。エレメントの外側のリムをしっかり押さえて確実にボ ディーに密着させる。フィルタの真ん中の柔らかい部分を持たないこと。

カバーについている異物逃がしポートを清掃する。カバーについているゴム製のアウトレットバルブを外し、内部を清掃して元通りに取り付ける。
アウトレットバルブが下向き(後ろから見たとき、時計の5:00と7:00の間になるように)カバーを取り付ける。
ラッチをしっかりと掛ける。
以下の条件を満たす、低灰分(low-ash)の高品質エンジンオイルを使用してください:
API 規格: CJ-4 またはそれ以上
ACEA 規格: E6
JASO 規格:DH-2
Important: API CJ-4 以上、ACEA E6 または JASO DH-2 のオイルを使用しないと DPF が詰まってエンジンを破損します。
以下の粘度のエンジンオイルを使用してください:
推奨オイル:SAE 15W-40(-18℃(0°F)
他に使用可能なオイル:SAE 10W-30 または 5W-30(全温度帯)
Toro のプレミアムエンジンオイル(15W-40 または 10W-30)を代理店にてお求めいただくことができます。パーツカタログでパーツ番号をご確認ください。
| 整備間隔 | 整備手順 |
|---|---|
| 使用するごとまたは毎日 |
|
Important: エンジンオイルの量は毎日点検してください。油量がディップスティックの FULL マークより上にある場合は、オイルが燃料で薄められている可能性があります。油量がFULL マークより上にある場合は、エンジンオイルを交換してください。
エンジンオイルを点検する最もよいタイミングは、その日の仕事を始める直前、エンジンがまだ冷えているうちです。既にエンジンを始動してしまった場合には、一旦エンジンを停止し、オイルが戻ってくるまで約 10 分間程度待ってください。油量がディップスティックのADDマークにある場合は、FULLマークまで補給してください。オイルを入れすぎないように注意してください。
Important: エンジンオイルの量がディップスティックの上限マークと下限マークの間にあるように管理してください。多すぎても少なすぎてもエンジンに悪影響が出ます。
5.2 リットル
| 整備間隔 | 整備手順 |
|---|---|
| 250運転時間ごと |
|
オイルとフィルタを 250 運転時間ごとに交換します。
ドレンプラグ (図 72) を外してオイルを容器に受ける。オイルが完全に抜けたらドレンプラグを取り付ける。

オイルフィルタ(図 72)を外す。新しいフィルタのシールに薄くエンジンオイルを塗って取り付 ける。締めすぎないように注意すること。
クランクケースにオイルを入れる;エンジンオイルとフィルタの交換を参照。
| 整備間隔 | 整備手順 |
|---|---|
| 6000運転時間ごと |
|
インフォセンターに が表示された場合は、DPF のディーゼル酸化触媒(DOC)とすすフィルタの整備時期が近づいています。

エンジンの不具合として 、 またはがインフォセンターに表示される場合には(図 74)、各表示の指示に従ってすすフィルタを清掃してください:



DPF のディーゼル酸化触媒(DOC)とすすフィルタの分解手順は、サービスマニュアル を参照のこと。
DPF のディーゼル酸化触媒(DOC)とすすフィルタの交換用パーツや整備については、サービスマニュアルを参照するか、弊社ディストリビュータに問い合わせる。
きれいなDPFに交換した後には、弊社ディストリビュータに依頼してエンジンのECUをリセットする。
軽油は条件次第で簡単に引火爆発する。発火したり爆発したりすると、やけどや火災などを引き起こす。
燃料補給は必ず屋外で、エンジンが冷えた状態で行う。こぼれた燃料はふき取る。
燃料タンク一杯に入れないこと。給油は燃料タンクの首の根元から 6~13mm 程度下までとする。これは、温度が上昇して燃料が膨張したときにあふれないように空間を確保するためである。
燃料取り扱い中は禁煙を厳守し、火花や炎を絶対に近づけない。
安全で汚れのない認可された容器で保存し、容器には必ずキャップをはめること。
| 整備間隔 | 整備手順 |
|---|---|
| 400運転時間ごと |
|
水セパレータ(図 75)の水抜きは毎日おこなって異物を除去してください。フィルタは400運転時間ごとに交換してください。
燃料フィルタの下に汚れのない容器をおく。
フィルタキャニスタ下部のドレンプラグをゆるめ、キャニスタマウント上部にある通気口を開く。

フィルタ容器の周辺をウェスできれいにぬぐう。
フィルタ容器を外して取り付け部をきれいに拭く。
ガスケットに薄くオイルを塗る。
ガスケットが取り付け部に当るまで手でねじ込み、そこからさらに1/2回転締め付ける。
フィルタキャニスタ下部のドレンプラグを締め、キャニスタマウント上部にある通気口を閉じる。
| 整備間隔 | 整備手順 |
|---|---|
| 400運転時間ごと |
|
400 運転時間ごと又は1年に1回のうち早い方の時期に点検を行ってください。劣化・破損状況やゆるみが発生していないかを調べてください。
燃料ピックアップチューブは、燃料タンクの内部にあって、スクリーンで燃料を濾過し、燃料系統への異物の進入を防いでいます。必要に応じて燃料ピックアップチューブを取り外し、清祥してください。
Important: 電気系統を保護するため、本機に溶接作業を行う時には、バッテリーから2本のケーブルを両方とも、電子コントロールモジュールからのワイヤハーネスを2本とも、そしてオルタネータからのターミナルコネクタを外してください。
| 整備間隔 | 整備手順 |
|---|---|
| 50運転時間ごと |
|
バッテリーの電極部や端子などの部分には鉛や鉛含有物質が含まれており、カリフォルニア州では、これらの物質が癌や先天性異常の原因となるとされている。取り扱い後は手を洗うこと。
電解液には触れると火傷を起こす劇薬である硫酸が含まれている。
電解液を飲まないこと。また、電解液を皮膚や目や衣服に付けないよう十分注意すること。安全ゴーグルとゴム手袋で目と手を保護すること。
皮膚に付いた場合にすぐに洗浄できるよう、必ず十分な量の真水を用意しておくこと。
充電中は爆発性のガスが発生する。
充電中は絶対禁煙を厳守しバッテリーにいかなる火気も近づけない。
50 運転時間ごとまたは1週間に1度、バッテリーを点検してください。端子や周囲が汚れていると自然放電しますので、バッテリーが汚れないようにしてください。洗浄する場合は、まず重曹と水で全体を洗います。次に真水ですすぎます。
走行ペダルから足をはなしても本機が動きだすようでしたら調整が必要です。調整が必要な場合は、以下の要領で行います:
平らな場所に駐車し、カッティングユニットを下降させ、エンジンを停止させる。
機体前部をジャッキアップして前タイヤを床から浮かす。落下事故防止のために、ジャッキスタンドや支持ブロックなどを使って機体をサポートする。
Note: 4WD モデルでは後輪も浮かせてください。
ハイドロスタットの右側にあるトラクション調整カムのロックナットをゆるめる(図 79)。

トラクション調整カムの最終調整は、エンジンを回転させながら行う必要がある。危険を伴う作業であるから、
マフラーなどの高温部分や回転部、可動部に顔や手足を近づけぬよう十分注意すること。
エンジンを始動し、車輪の回転が止まるところまでカムを回す。
ロックナットを締めて調整を固定する。
エンジンを止める。ジャッキスタンドをはずし、機体を床に下ろす。
試験運転で調整を確認する。
| 整備間隔 | 整備手順 |
|---|---|
| 800運転時間ごと |
|
ハンドルを操作して後輪を真っ直ぐ前に向ける。
各タイロッド(図 80)の端についているジャムナットをゆるめる。
Note: タイロッド外側に溝が切ってあるところのねじは左ねじですから注意してください。

レンチ用スロットを利用して、タイロッドを回転させる。
後輪の前と後ろで、左右のタイヤの中央線間距離を測る(アクスルの高さ位置で計測)。後ホイールの前側で測定した距離が、後側での測定よりも 6mm 小さければ適正である。
必要に応じてこの調整操作を繰り返す。
| 整備間隔 | 整備手順 |
|---|---|
| 使用するごとまたは毎日 |
|
| 100運転時間ごと |
|
| 2年ごと |
|
スクリーンとラジエター・オイルクーラを毎日清掃してください(ほこりの多い場所で使用するときはさらに間隔を詰めて清掃してください)。
ブレーキペダルの遊びが25 mm以上となったり、ブレーキの効きが悪いと感じられるようになったら、調整を行ってください。遊びとは、ブレーキペダルを踏み込んでから抵抗を感じるまでのペダルの行きしろを言います。
Note: 調整の前と後に、ホイールモータのバックラッシュ(ギアのガタ)を利用してドラムを前後にゆすり、ドラムが何にも接触していないことを確認してください。
遊びを減らす(ブレーキを締める)には、ブレーキケーブルのねじ山の前ナットをゆるめ、後ろのナットを締める(図 83)。

後ナットを締めてケーブルを後方に移動させて、ホイールがロックする前のブレーキペダルの遊びが 12.7 - 19 mm なるように調整する。
前ナットを締め、左右のケーブルが同じように動作することを確認する。
| 整備間隔 | 整備手順 |
|---|---|
| 800運転時間ごと |
|
| 2年ごと |
|
通常は 800 運転時間ごとにオイルを交換します。オイルが汚染されてしまった場合は油圧系統全体を洗浄する必要がありますので、Toro 代理店にご連絡ください。汚染されたオイルは乳液状になったり黒ずんだ色なったりします。
エンジンを止め、フードを開ける。
タンク(図 86)の下についているフィッティングの下に、オイルを受ける大型の容器を置く。

フィッティングからホースを外し、流れ出すオイルを容器に受ける。
オイルが全部流れ出たらホースを元通りに接続する。
油圧オイルタンクに約 30 リットルのオイルを入れる;「油圧系統を点検する」を参照。
Important: 指定された銘柄のオイル以外は使用しないでください。他のオイルを使用するとシステムを損傷する可能性があります。
タンクにキャップを取り付ける。
エンジンを始動し、全部の油圧装置を操作して内部にオイルを行き渡らせる。オイル漏れの有無も同時に点検する。
エンジンを止める。
油量を点検し、足りなければディップスティックの FULLマークまで補給する。
Important: 入れすぎないように注意すること。
| 整備間隔 | 整備手順 |
|---|---|
| 800運転時間ごと |
|
インジケータに油圧オイルフィルタの交換時期が表示されます(図 87)。エンジンが常温(運転中温度)で作動しているときにインジケータの表示が緑色のゾーンにあれば交換は不要です。表示が赤色の領域に入ったら、油圧フィルタを交換してください。

Important: 純正品以外のフィルタを使用すると関連機器の保証が適用されなくなる場合があります。
| 整備間隔 | 整備手順 |
|---|---|
| 使用するごとまたは毎日 |
|
毎日、油圧ホースと油圧ラインを点検し、漏れ、折れ、サポートのゆるみ、磨耗や腐食があれば交換してください。異常を発見したら必ず運転を行う前に修理してください。
高圧で噴出する作動油は皮膚を貫通し、身体に重大な損傷を引き起こす。
油圧を掛ける前に、油圧ラインやホースに傷や変形がないか接続部が確実に締まっているかを確認する。
油圧のピンホールリークやノズルからは作動油が高圧で噴出しているので、絶対に手などを近づけない。
リークの点検には新聞紙やボール紙を使う。
油圧関係の整備を行う時は、内部の圧力を確実に解放する。
万一、噴射液が体内に入ったら、直ちに専門医の治療を受ける。
バックラップ中にリールに触れると大けがをする。
リールその他の可動部に手指、足、衣類等を近づけないよう注意すること。
エンジンが動いている間は、止まったリールを絶対に手や足で回そうとしないこと。
Note: バックラップの時は、前3ユニット、後2ユニットがそれぞれ共に回転します。
平らな場所に駐車し、カッティングユニットを降下させ、エンジンを停止して、駐車ブレーキを掛け、リール回転スイッチを回転禁止位置とする。
ラッチのロックを外してフードを開けるとバックラップレバーが見える(図 93)。
各カッティングユニットのリールと下刃をバックラップ用に設定する;カッティングユニットのオペレーターズマニュアルを参照。
エンジンを始動し、アイドル回転にセットする。
バックラップ中にエンジン速度を変えるとリールが停止することがある。
バックラップ中は絶対にエンジン速度を変えないこと。
バックラップはアイドル速度以外では行わないこと。
バックラップレバーで、前のカッティングユニット又は後ろのカッティングユニット、あるいは両方を選択する(図 93)。
人身事故防止のため、カッティングユニットから十分離れてから次の手順に進むこと。
刈り込み/移動走行切り換えレバーを「刈り込み」にセットし、リール回転スイッチを回転許可にセットする。リールコントロールレバーを前に倒すとリールが回転してバックラップが始まる。
長い柄のブラシを使ってラッピングコンパウンドを塗布しながらラッピングを続ける。柄の短いブラシは絶対に使用しないこと。
リールの回転が止まってしまったり、回転が一定しない場合には、安定する速度までバックラップ速度を少しずつ上げていき、安定したところから希望する速度まで戻す。
バックラップ中にカッティングユニットの調整を行う場合は、必ず、ジョイスティックを後ろに倒してリールを停止し、リール回転スイッチを回転禁止にセットし、エンジンを停止させる。調整が終ったら4~8を行う。

バックラップするユニット全部に上記手順を行う。
バックラップが終了したら、バックラップレバーを通常の刈り込み位置に戻し、運転席を元にもどして固定し、カッティングユニットに付いているコンパウンドを完全に落とす。必要に応じてリールと下刃の間隔を調整する。リール回転速度を、希望の速度位置にセットする。
Important: バックラップスイッチをOFF に戻さないと、カッティングユニットを上昇させることができません。
Note: バックラップが終わったら、ベッドナイフの前端に軽くヤスリ掛けを行うとさらに切れ味が向上します。これによりベッドナイフ前端に形成されたバリを取り除きます。このとき刃先を削らないように注意してください。
トラクションユニット、カッティングユニット、エンジンをていねいに洗浄する。
タイヤ空気圧を点検する。全部のタイヤ空気圧を 83~103kPa に調整する。
ボルトナット類にゆるみながいか点検し、必要な締め付けを行う。
グリス注入部やピボット部全部をグリスアップする。余分のグリスやオイルはふき取る。
塗装のはがれている部分に軽く磨きをかけ、タッチアップする。金属部の変形を修理する。
バッテリーとケーブルに以下の作業を行う:
バッテリー端子からケーブルを外す。
バッテリー本体、端子、ケーブル端部を重曹水とブラシで洗浄する。
腐食防止のために両方の端子部にワセリン(Grafo 112X: P/N 505-47)を薄く塗る。
電極板の劣化を防止するため、60日ごとに24時間かけてゆっくりと充電する。
エンジンオイルを抜き取り、ドレンプラグをはめる。
オイルフィルタを外して捨てる。新しいオイルフィルタを取り付ける。
新しいエンジンオイルを所定量入れる。
エンジンを始動し、約2分間のアイドル運転を行う。
エンジンを止める。
燃料タンクから燃料を抜き取り、きれいな燃料で内部を洗浄する。
冷却水(エチレングリコール不凍液と水との 50/50 混合液)の量を点検し、凍結を考慮して必要に応じて補給する。
燃料系統の接続状態を点検し必要な締め付けを行う。
エアクリーナをきれいに清掃する。
エアクリーナの吸気口とエンジンの排気口を防水テープでふさぐ。
不凍液の量を確認し必要に応じ補給する(保管場所の最低気温を考慮すること)。

