| Vedlikeholdsintervall | Vedlikeholdsprosedyre |
|---|---|
| For hver bruk eller daglig |
|
Maskinen er en plentraktor med spolekniver som er beregnet for bruk av profesjonelle, innleide operatører i kommersielle applikasjoner. Den er hovedsakelig laget for å klippe gress på allerede godt vedlikeholdte parkplener, golfbaner, idrettsbaner og plener i kommersielle områder. Den er ikke beregnet på å klippe kratt, høyt gress og andre vekster langs motorveier eller til å brukes til landbruk.
Les denne håndboken nøye, slik at du lærer å bruke og vedlikeholde produktet på riktig måte og unngår person- eller produktskade. Du har ansvar for å bruke produktet på en riktig og sikker måte.
Du kan kontakte Toro direkte på www.Toro.com for informasjon om produkter og tilbehør, hjelp til å finne en forhandler eller for å registrere produktet ditt.
Hvis maskinen må repareres eller du trenger originale Toro-deler eller mer informasjon, kan du kontakte et autorisert forhandlerverksted eller Toros kundeserviceavdeling. Ha modell- og serienummer for hånden når du tar kontakt. Modell- og serienummer finnes på en plate som er festet på venstre side av rammen under fotstøtten. Skriv inn numrene i de tomme feltene:
Denne brukerhåndboken identifiserer mulige farer og identifiserer sikkerhetsbeskjeder gjennom sikkerhetsvarslingssymbolet (Figur 1), som varsler om en fare som kan føre til alvorlige skader eller dødsfall hvis man ikke tar de anbefalte forhåndsreglene.

I tillegg brukes to andre ord for å utheve informasjon. Viktig gjør oppmerksom på spesiell mekanisk informasjon og Merk henviser til generell informasjon som er verdt å huske.
Dette produktet er i samsvar med alle relevante europeiske direktiver. Se eget samsvarserklæringsskjema for produktet for detaljert informasjon.
CALIFORNIA
Proposition 65-advarsel
Staten California kjenner til at motoreksosen fra dette produktet inneholder kjemikalier som kan forårsake kreft, fosterskader og skade forplantningsevnen på andre måter.
Fordi det i noen områder finnes lokalt, delstatlig eller føderalt regelverk som krever at man bruker en gnistfanger på motoren i denne maskinen, inneholder lyddemperen en gnistfanger.
Originale Toro-gnistfangere er godkjent av amerikanske skogbruksmyndigheter.
Important: Denne motoren er utstyrt med en gnistfangerdemper. Det er i strid med Californias Public Resource Code, avsnitt 4442, å bruke denne motoren i skogs-, busk- eller gressområder uten en fungerende gnistfangerdemper, eller en motor som er begrenset, utstyrt og vedlikeholdt for å unngå brann. Andre stater eller føderale områder kan ha lignende lover.
Hvis føreren eller eieren bruker maskinen på feil måte eller utfører feil vedlikeholdsarbeid, kan det føre til personskader. Følg alltid disse forsiktighetsreglene for å unngå at det skjer en ulykke, og ta alltid hensyn til sikkerhetsvarselsymbolet, som betyr Forsiktig, Advarsel eller Fare – personlige sikkerhetsinstruksjoner. Hvis ikke disse instruksjonene blir tatt hensyn til, kan dette føre til at noen blir alvorlig skadet eller drept.
Instruksjonene nedenfor er tatt fra CEN-standard EN 836:1997, ISO-standard 5395:1990 og ANSI-standard B71.4-2012.
Les brukerhåndboken og annet opplæringsmateriell nøye. Gjør deg godt kjent med alle kontroller, sikkerhetssignaler og riktig bruk av utstyret.
Barn eller personer som ikke har lest bruksanvisningen, må ikke få lov til bruke eller utføre service på gressklipperen. Det kan hende at lokale forskrifter setter en aldersgrense for bruk av denne gressklipperen.
Du må aldri klippe hvis andre personer, spesielt barn, eller dyr befinner seg i nærheten.
Husk at føreren eller brukeren har ansvaret hvis andre personer eller deres eiendom utsettes for ulykker eller farer.
Ta aldri med passasjerer.
Alle førere og mekanikere bør selv sørge for at de får profesjonell opplæring. Eieren er ansvarlig for opplæring av brukerne. En slik opplæring bør legge vekt på:
Hvor nødvendig forsiktighet og konsentrasjon er når man kjører en plentraktor.
At man ikke får kontroll over en plentraktor som sklir i en bakke ved å bremse. De vanligste årsakene til at man mister kontroll over maskinen er:
for dårlig bakkegrep,
for høy hastighet,
utilstrekkelig bremsing,
at denne spesielle maskintypen ikke passer til arbeidet,
at det ikke er tatt hensyn til bakkeforhold, spesielt skråninger eller
feil kupling eller fordeling av belastning.
Eieren/brukeren kan forhindre og er ansvarlig for ulykker eller skader som han/hun, andre personer eller eiendom utsettes for.
Ha alltid på deg kraftig fottøy, langbukser, hjelm, vernebriller og hørselsvern når du bruker gressklipperen. Langt hår, løstsittende klær eller smykker kan sette seg fast i bevegelige deler. Ikke bruk maskinen uten sko eller med åpne sandaler.
Foreta en grundig inspeksjon der maskinen skal brukes og fjern alle gjenstander som kan slenges opp i luften.
Advarsel – drivstoff er meget brannfarlig. Ta følgende forholdsregler:
Drivstoff må lagres på kanner som er spesiallaget for dette formålet.
Fyll kun drivstoff utendørs og ikke røyk mens du fyller.
Fyll på drivstoff før du starter motoren. Ta aldri lokket av drivstofftanken eller fyll drivstoff mens motoren går eller er varm.
Hvis du søler drivstoff, må du ikke prøve å starte motoren. Flytt maskinen bort fra området hvor du sølte drivstoffet og unngå alt som kan antennes til all drivstoffdamp er forsvunnet.
Sett lokkene godt fast på alle drivstofftanker og -kanner.
Skift ut defekte lyddempere.
Vurder terrenget for å avgjøre hvilket tilbehør og utstyr som er nødvendig for å gjøre jobben på en sikker og riktig måte. Bruk bare tilbehør og utstyr som er godkjent av produsenten.
Kontroller at brukerens kontroller, sikkerhetsbryterne og verneplatene er montert og fungerer på korrekt måte. Ikke bruk maskinen hvis disse ikke fungerer som de skal.
Motoren må ikke brukes på et lukket sted der giftig kullos kan samle seg.
Gressklipperen må bare brukes i dagslys eller der det er god kunstig belysning.
Før du forsøker å starte motoren, må du koble ut alle knivkoblinger, sette motoren i fri og sette på parkeringsbremsen.
Husk at ingen skråninger er trygge. Vær ekstra forsiktig når du kjører i skråninger med gress. Slik unngår du at maskinen velter:
Unngå å bråstoppe eller starte med mye gass i oppover- eller nedoverbakker.
Kjør sakte i skråninger og når du svinger skarpt.
Vær oppmerksom på ujevnheter, hull og andre skjulte farer i terrenget.
Unngå brå svinger. Vær forsiktig når du rygger.
Bruk motvekt(er) eller hjulvekter når brukerhåndboken anbefaler det.
Vær oppmerksom på hull i bakken og andre skjulte farer i terrenget.
Se opp for trafikk når du krysser eller er i nærheten av veier.
Stopp knivene før du kjører på flater uten gress.
Pass alltid på at materialet ikke blåses ut mot personer i nærheten når utstyret brukes. La heller aldri noen oppholde seg i nærheten mens maskinen er i gang.
Maskinen må ikke brukes hvis verneplatene er defekte eller uten at sikkerhetsanordningene sitter på plass. Kontroller at alle sperrene er montert, at de er riktig justert og at de fungerer som de skal.
Endre ikke innstillingen for motorregulatoren eller kjør motoren med for høyt turtall. Hvis motoren går på for høyt turtall, øker faren for personskader.
Før du forlater førerens plass:
Stopp gressklipperen på en jevn flate.
Koble ut kraftoverføringen, og senk utstyret.
Skift til fri og sett på parkeringsbremsen.
Stopp motoren og ta ut nøkkelen.
Koble ut drivkraften til utstyret under transport eller når maskinen ikke er i bruk.
Stopp motoren og koble ut drivkraften til utstyret:
før du fyller drivstoff,
før du tar av gressoppsamleren(e),
før du justerer høyden hvis ikke justeringene kan gjøres fra førerens plass.
før du fjerner eventuelle tilstoppinger,
før du sjekker, rengjør eller utfører arbeid på gressklipperen eller
etter at du har truffet en gjenstand eller hvis det oppstår unormal vibrasjon. Undersøk om gressklipperen ble skadet, og reparer den før du starter den og bruker utstyret igjen.
Reduser motorhastigheten når du vil stoppe motoren. Hvis motoren har en stengingsventil, skal drivstofftilførselen slås av når du er ferdig med å klippe.
Hold hender og føtter borte fra klippeenhetene.
Se bak- og nedover før du rygger, slik at du ikke kjører på noen.
Kjør sakte, og vær forsiktig når du svinger og krysser veier og fortau. Stopp sylindrene/spolene hvis de ikke beveger seg.
Ikke bruk gressklipperen når du er påvirket av alkohol eller medisiner.
Lynnedslag kan forårsake alvorlige skader eller dødsfall. Hvis du ser/hører at lyn og tordenvær nærmer seg der du er, må du ikke bruke maskinen. Søk tilflukt!
Vær forsiktig når du skal sette maskinen på en tilhenger eller lastebil, og når du skal sette den ned på bakken igjen.
Vær forsiktig når du nærmer deg hjørner, busker, trær eller annet som reduserer synsfeltet.
Sørg for at alle mutre, bolter og skruer er stramme, for å være sikker på at utstyret er i god stand og trygt å bruke.
En maskin med drivstoff på tanken må aldri oppbevares innendørs der drivstoffdamp kan komme i kontakt med en åpen flamme eller gnister.
La motoren bli kald før maskinen settes på et lukket sted.
Unngå brannfare ved å holde motoren, lyddemperen, batterirommet og området der drivstoff oppbevares fritt for gress, løv og mye fett.
Kontroller gressoppsamleren regelmessig og se etter skader eller slitasje.
Hold alle delene i god stand, og sørg for at delene og de hydrauliske koblingene er tette. Skift ut slitte eller skadde deler og merker.
Hvis du må tappe drivstofftanken, skal dette gjøres utendørs.
Vær forsiktig når du justerer maskinen slik at du unngår å klemme fingre mellom bevegelige kniver og faste deler.
På maskiner med flere sylindere og/eller spoler må man være forsiktig fordi resten av sylindrene/spolene kan begynne å rotere når den ene sylinderen/spolen roterer.
Koble fra drivene, senk klippeenhetene, sett på parkeringsbremsen, stopp motoren og ta ut nøkkelen fra tenningen. Vent til alle bevegelige deler har stoppet før du foretar justeringer, rengjøring eller reparasjoner.
Fjern gress og rusk fra klippeenhetene, drivverk, lyddemperne og motoren for å unngå at det begynner å brenne. Tørk opp eventuelt olje- eller drivstoffsøl.
Bruk jekkstøtter til å støtte komponentene når det er nødvendig.
Vær forsiktig når du reduserer trykket i komponenter under trykk.
Koble fra batteriet før du foretar reparasjoner. Koble kabelen fra den negative polen først, og deretter den andre kabelen fra den positive polen. Når du kobler kablene til igjen, kobler du først til den positive polen og deretter den negative.
Vær forsiktig når du kontrollerer sylindrene/spolene. Bruk hansker, og vær forsiktig når du utfører service på dem.
Hold hender og føtter borte fra bevegelige deler. Du må aldri foreta justeringer mens motoren går hvis du kan unngå det.
Lad opp batteriene på et åpent sted med god ventilasjon og borte fra gnister eller åpen ild. Koble laderen fra strømuttaket før du kobler den til eller fra batteriet. Ha på deg beskyttelsesklær og bruk verktøy som er isolert.
Følgende liste inneholder sikkerhetsinformasjon som gjelder spesielt for Toro-produktene, eller annen viktig sikkerhetsinformasjon som ikke er inkludert i CEN-, ANSI- eller ISO-standardene.
Dette produktet kan amputere hender og føtter og slenge gjenstander opp i luften. Følg alltid alle sikkerhetsinstruksjoner for å unngå alvorlige skader eller dødsulykker.
Hvis du bruker dette produktet til andre formål enn det er beregnet på, kan du utsette deg selv eller andre for fare.
Motoreksos inneholder karbonmonoksid, som er en dødelig gift uten lukt.
Ikke kjør motoren innendørs eller på et innestengt område.
Lær deg hvordan du raskt kan stoppe motoren.
Bruk ikke maskinen hvis du har på deg sandaler, tennissko eller joggesko.
Bruk av vernesko og langbukser anbefales og er påbudt i henhold til enkelte lokale bestemmelser og forsikringsforskrifter.
Vær forsiktig når du håndterer drivstoff. Tørk opp eventuelt søl.
Kontroller daglig at sperrebryterne fungerer som de skal. Hvis en bryter ikke virker, skifter du den før du bruker maskinen.
Sitt på setet når du starter motoren.
Du må være oppmerksom når du bruker maskinen. Slik unngår du å miste kontrollen:
Ikke kjør i nærheten av bunkere, grøfter, bekker eller andre fareområder.
Reduser hastigheten når du tar skarpe svinger. Unngå å starte og stoppe plutselig.
Når du befinner deg i nærheten av eller krysser en vei, må du alltid overholde vikeplikten.
Bruk bremsene når du kjører nedover, slik at du kjører sakte framover og har kontroll over maskinen.
Hev klippeenheten når du kjører fra ett arbeidsområde til et annet.
Ikke ta på motoren, lyddemperen eller eksosrøret mens motoren er i gang eller like etter at den er stoppet. Disse områdene er svært varme, og du kan brenne deg på dem.
Hvis motoren stanser eller mister fart og ikke klarer å komme til toppen av skråningen, skal du ikke snu maskinen rundt. Du må alltid rygge sakte rett ned bakken.
Hvis en person eller et dyr plutselig kommer inn på eller befinner seg i nærheten av klippeområdet, må du slutte å klippe. Hvis du ikke er forsiktig når du bruker maskinen, kan kombinasjonen av bakkevinkelen, rikosjetter og feilplasserte sikkerhetsskydd føre til at noen skades av gjenstander som slynges gjennom luften. Ikke fortsett å klippe før disse er fjernet fra området.
Kontroller at alle koblingene for hydrauliske ledninger er tette, og at alle hydrauliske slanger og ledninger er i god stand før systemet settes under trykk.
Hold kropp og hender borte fra hull eller dyser som sprøyter ut hydraulisk væske under høyt trykk. Bruk papp eller papir til å lete etter lekkasjer, ikke hendene. Hydraulisk væske som kommer ut under trykk, kan trenge gjennom huden og forårsake alvorlige skader. Oppsøk legehjelp øyeblikkelig hvis olje kommer i direkte kontakt med huden.
Før du kobler fra eller utfører vedlikehold eller reparasjoner på det hydrauliske systemet, må du slippe ut alt trykket i systemet ved å stoppe motoren og senke klippeenhetene og det andre utstyret til bakkenivå.
Kontroller med jevne mellomrom at drivstoffledningene er tette, og at de ikke er slitte. Stram og reparer dem etter behov.
Hvis motoren må være i gang for å utføre en vedlikeholdsjustering, må du passe på at klær, hender, føtter og andre kroppsdeler ikke er i nærheten av klippeenhetene, tilbehør eller andre bevegelige deler. Hold alle på avstand.
La en autorisert Toro-forhandler kontrollere maksimal hastighet med en turteller, slik at det blir utført på en sikker og nøyaktig måte.
Ta kontakt med en autorisert Toro-forhandler hvis det er nødvendig med store reparasjoner eller du trenger hjelp.
Bruk kun tilbehør og reservedeler som er godkjent av Toro. Garantien kan bli ugyldig hvis du bruker tilbehør eller reservedeler som ikke er godkjente.
Denne enheten har et garantert lydstyrkenivå på 103 dBA, med en usikkerhetsverdi (K) på 1 dBA.
Lydstyrkenivået ble fastsatt iht. prosedyrene som er beskrevet i ISO 11094.
Denne enheten har et lydtrykknivå på 86 dBA ved operatørens øre, med en usikkerhetsverdi (K) på 1 dBA.
Lydtrykknivået ble fastsatt iht. prosedyrene som er beskrevet i EN 836.
Hånd-arm vibrasjonsnivå
Målt vibrasjonsnivå for høyre hånd = 0,98 m/s2
Målt vibrasjonsnivå for venstre hånd = 0,66 m/s2
Usikkerhetsverdi (K) = 0,5 m/s2
Målte verdier ble fastsatt iht. prosedyrene som er beskrevet i EN 836.
Hele karosseriet
Målt vibrasjonsnivå = 0,31 m/s2
Usikkerhetsverdi (K) = 0,15 m/s2
Målte verdier ble fastsatt iht. prosedyrene som er beskrevet i EN 836.
Motoren i denne maskinen er i samsvar med trinn EPA Tier 4 Final og 3b.
![]() |
Sikkerhetsmerker og instruksjoner er lett synlige for føreren og er plassert i nærheten av alle områder som representerer en potensiell fare. Bytt ut alle merker som er ødelagte eller mangler. |

















Note: Angi hva som er høyre og venstre side på maskinen ved å stå i normal arbeidsstilling.
Det ble pumpet ekstra mye luft i dekkene på fabrikken. Derfor må du slippe ut litt luft for å redusere trykket. Korrekt lufttrykk i for- og bakdekk er 0,83–1,03 bar.
Important: Oppretthold jevnt trykk i alle dekkene for å sikre enhetlig kontakt med dekket.
Trinnhøyden kan justeres for at kjøreturen skal være komfortabel for føreren.
Fjern de to boltene og mutterne som fester trinnbraketten til trekkenhetsrammen (Figur 2)

Hev eller senk trinnet til ønsket høyde og fest braketten til rammen igjen med de to skruene og mutterne.
Gjenta prosedyren på de andre trinnene.
Kontrollarmposisjonen kan justeres for at kjøreturen skal være komfortabel for føreren.
Fjern de to boltene som fester kontrollarmen til spaken til holdebraketten (Figur 3).

Drei kontrollarmen til ønsket stilling, og trekk til de to skruene.
Deler som er nødvendige for dette trinnet:
| Fremre slangefører, høyre | 1 |
| Fremre slangefører, venstre | 1 |
Fjern spolemotorene fra fraktbraketten.
Fjern fraktbraketten og kast den.
Fjern klippeenhetene fra kartongene. Monter og juster som beskrevet i henhold til klippeenhetens brukerhåndbok.
Kontroller at motvekten (Figur 4) er installert i den korrekte enden av klippeenheten som beskrevet i klippeenhetens brukerhåndbok.

Alle klippeenhetene sendes med dekkekompenseringsfjæren festet til høyre side av klippeenheten. Dekkekompenseringsfjæren må være festet på samme side av klippeenheten som spoledrivmotoren. Plasser dekkekompenseringsfjæren på nytt på følgende måte:
Fjern de to låseskruene og mutterne som fester stangbraketten til klippeenhetstappene (Figur 5).

Fjern flensmutteren som fester skruen på røret for fjær til bærerammetappen (Figur 5). Fjern enheten.
Monter skruen til fjærrøret på motsatt tapp på bærerammen og fest med flensmutteren. Skruehodet skal plasseres på utsiden av tappen som vist i Figur 6.

Monter de to stangbrakettene til klippeenhetstappene med låseskruene og mutterne (Figur 6).
Important: På klippeenhet nr. 4 (venstre foran) og 5 (høyre foran) (Figur 7), bruk monteringsmutterne for stangbraketten til å montere slangeførerne foran på klippenhetstappene (Figur 8). Slangeførerne skal lene mot midtre klippeenhet (Figur 8 og Figur 9).



Note: Når du installerer eller fjerner klippeenheten må du kontrollere at hårnålssplinten er installert i fjærstanghullet ved siden av stangbraketten. Når du ikke monterer eller fjerner klippeenheter, må hårnålssplinten være montert i hullet ved enden av stangen.
Senk alle løftearmene fullstendig.
Fjern låsestiften og hetten fra løftearmens dreiegaffel (Figur 10).

For de fremre klippeenhetene skyv en klippeenhet under løftearmen mens du fører bærerammen inn i løftearmens dreiegaffel (Figur 11).

Bruk følgende prosedyre på de bakre klipeenhetene når klippehøyden er over 1,9 cm.
Før hettedekselet over bærerammeakselen og løftearmsgaffelen.
Fest hetten og bærerammeakselen til løftearmsgaffelen med låsestiften. Bruk åpningen hvis en klippeenhet med styring er ønsket eller bruk hullet hvis klippeenheten skal være i låst posisjon (Figur 10).
Fest løftearmkjedet til kjedebraketten med låsestiften (Figur 13). Bruk det antallet kjedekoblinger som angis i klippeenhetens brukerhåndbok.

På klippeenhet nr. 4 (venstre foran) og 5 (høyre foran), sett spolemotorslangene inn i tilhørende slangeførere.
Dekk kileakselen i spolemotoren med rent smørefett.
Påfør olje i motorens O-ring og sett den på motorflensen.
Installer motoren ved å rotere den med klokken slik at motorflensene går klar av skruene (Figur 14). Roter motoren mot klokken til flensene omringer skruene, og trekk deretter til skruene.
Important: Påse at spolemotorslangene ikke vridd, knekt eller i fare for å bli klemt.

Dekkekompenseringsfjæren (Figur 15) overfører også vekt fra den fremre til den bakre valsen. (Dette er med på å redusere bølgemønsteret i dekket, også kjent som "ondulering".)
Important: Foreta fjærjusteringer med klippeenheten på trekkenheten, vendt rett fremover og senket til gulvet.
Kontroller at hårnålssplinten er installert i det bakre hullet på enden av stangen (Figur 15).

Trekk til sekskantmutrene foran på fjærstangen til den komprimerte lengden på fjæren er 12,7 cm på Reelmaster 5410 med klippeenheter på 12,7 cm eller 15,9 cm på Reelmaster 5510 med klippeenheter på 17,8 cm) (Figur 15).
Note: Ved bruk i ujevnt terreng bør du redusere fjærlengden med 12,7 mm. Bakkefølgingen vil reduseres noe.
Deler som er nødvendige for dette trinnet:
| Klippeenhetstøtte | 1 |
Når klippeenheten må tippes på siden for at man skal komme til motstål/spole, vipp opp baksiden av klippeenheten med støtten for å sikre at mutterne bak på enden av justeringsskruen til motstangen ikke hviler på arbeidsoverflaten (Figur 16).

Fest støtten til kjedebraketten med låsestiften (Figur 17).


Setejusteringsspaken (Figur 19) muliggjør at du kan justere setet foran og bak. Vektjusteringsknotten justerer setet for førerens vekt. Vektmåleren indikerer når setet er justert til førerens vekt. Høydejusteringsknotten justerer setet for førerens høyde.

Trekkpedalen (Figur 20) brukes til å kjøre framover og bakover. Trykk øverst på pedalen for å kjøre fremover og nederst for å kjøre bakover. Bakkehastigheten er avhengig av hvor mye du trykker ned pedalen. Hvis du vil oppnå maksimal hastighet når du kjører uten last, trykker du pedalen helt ned når motorhastighetsinnstillingen er i stillingen Fast.
Du stopper ved å redusere trykket fra foten på pedalen slik at den går tilbake til midtstillingen.

Når hastighetsbegrenseren for klipping (Figur 20) er vippet opp vil den kontrollere klippehastigheten og gjøre at klippeenhetene aktiveres. Hvert avstandsstykke justerer klippehastigheten med 0,8 km/t. Jo flere avstandsstykker du har oppå skruen, jo saktere vil du kjøre. For transport, vipp tilbake klippehastighetsbegrenseren og du kan oppnå maksimal transporthastighet.
Trykk inn bremsepedalen (Figur 20) for å stoppe maskinen.
For å aktivere parkeringsbremsen (Figur 20) trykker du ned parkeringsbremsepedalen og trykker toppen fremover for å låse. Når du vil ta av parkeringsbremsen trykker du begge bremsepedalene ned til parkeringsbremselåsen trekkes inn.
For å vippe rattet mot deg trykker du ned fotpedalen (Figur 20) og trekker rattårnet mot deg til den mest komfortabel posisjonen og deretter slipper du pedalen.
Motorhastighetsbryteren (Figur 21) har to måter å endre motorhastigheten på. Den kan økes eller reduseres i trinn på 100 o/min ved å trykke lett på bryteren. Ved å holde bryteren nede vil motoren automatisk gå til høy eller lav tomgang avhengig av hvilken side av bryteren som blir trykket ned.

Bryteren for aktivering/deaktivering (Figur 21) brukes sammen med kontrollspaken for senking og heving av klippeenhetene for å drive klippehodene.
InfoCenter LCD-displayet viser informasjon om maskinen, som driftsstatus, diverse diagnostikk og annen informasjon om maskinen (Figur 21).
Nøkkeltenningen (Figur 21) har tre stillinger: Av, på/kjør og start.
Denne spaken (Figur 21) hever og senker klippeenhetene og starter og stopper også kutterhodene når de er aktivert i klippemodus. Klippehodene kan ikke senkes når klippe-/transportbryteren er i transportstilling.
Trykk bryteren nedover for å slå på frontlyktene (Figur 21).
Bruk slipespakene sammen med kontrollspaken for senking og heving av klippeenhetene for å slipe spolene (Figur 22).

Når motoren kjører ved normale driftstemperaturer, se på indikatoren (Figur 23), den skal være i den grønne sonen. Når indikatoren er i den røde sonen bør de hydrauliske filterne skiftes ut.

Stikkontakten er en strømkilde på 12 volt til elektriske enheter (Figur 24).

InfoCenter LCD-displayet viser informasjon om maskinen, for eksempel driftsstatus og annen diagnostikk (Figur 25) InfoCenter har også et oppstartsskjermbilde og en hovedskjermbildet for informasjon. Du kan når som helst bytte mellom oppstartsskjermbildet og hovedskjermbildet for informasjon ved å trykke på en InfoCenter-knapp og velge en pil.

Venstre-knapp, Meny-/Tilbake-knapp – trykk på denne knappen for å få tilgang til InfoCenter-menyen. Du kan også bruke knappen til å gå ut av en meny du befinner deg i.
Midten-knapp – bruk denne knappen til å rulle ned i menyer.
Høyre-knapp – bruk denne knappen til å åpne en meny der en høyrepil angir at det finnes mer innhold.
Note: Hver enkelt knapp kan ha ulike formål avhengig av hva situasjonen krever. Hver knapp vil også være merket med et ikon som viser dens gjeldende funksjon.
| SERVICE DUE | Angir når planlagt vedlikehold skal utføres |
![]() | Motor o/min / status – Angir motorens o/min |
![]() | Timeteller |
![]() | Informasjonsikon |
![]() | Hurtig |
![]() | Sakte |
![]() | Drivstoffnivå |
![]() | Stasjonær gjenoppbygging påkrevd |
![]() | Glødepluggene er aktive |
![]() | Hev klippeenhetene |
![]() | Nedre klippeenheter |
![]() | Føreren må sitte i setet |
![]() | Parkeringsbremseindikator – angir at parkeringsbremsen er på |
![]() | Identifiserer hastigheten som høy (transport) |
![]() | Fri |
![]() | Identifiser hastigheten som lav (Klipping) |
![]() | Kjølemiddeltemperatur – Angir motorens kjølemiddeltemperatur i °C eller °F |
![]() | Temperatur (varm) |
![]() | Kraftuttaket er aktivert |
![]() | Avslått eller ikke tillatt |
![]() | Starte motoren |
![]() | Stopp eller nedstengning |
![]() | Motor |
![]() | Nøkkelbryter |
![]() | Angir når klippeenhetene senkes |
![]() | Angir når klippeenhetene heves |
![]() | PIN-kode |
![]() | CAN-bus |
![]() | InfoCenter |
![]() | Feil eller mislykket |
![]() | Lyspære |
![]() | Uttak for TEC-kontroller eller kontrollkabelen i nettet |
![]() | Bryter |
![]() | Føreren må slippe bryteren |
![]() | Føreren må endre til angitt tilstand |
| Symboler brukes ofte til å forme setninger. Noen eksempler er vist nedenfor | |
![]() | Føreren må sette maskinen i fri |
![]() | Motorstart avslått |
![]() | Motoren stanses |
![]() | Motorkjølevæske for varm |
![]() | Sitt ned eller koble inn parkeringsbremse |
Trykk på knappen for menytilgang mens du er i hovedskjermbildet for å få tilgang til InfoCenter-menysystemet. Du vil da komme til hovedmenyen. Se følgende tabeller for en oversikt over alternativene som er tilgjengelige fra menyene:
| Hovedmeny | |
| Menyelement | Beskrivelse |
| Feil | Menyen Feil inneholder en liste over de siste maskinfeilene. Se servicehåndboken eller ta kontakt med din autoriserte Toro-forhandler for mer informasjon om menyen Feil og informasjonen den inneholder. |
| Tjeneste | Menyen Tjeneste inneholder informasjon om maskinen som for eksempel antall brukstimer og liknende. |
| Diagnostikk | Menyen Diagnostikk viser tilstanden til hver bryter, sensor og kontrollutgang for maskinen. Dette kan brukes til å feilsøke visse problemer, siden du raskt vil få greie på hvilke maskinkontroller som er av- og påslått. |
| Innstillinger | Menyen Innstillinger gjør at du kan tilpasse og endre konfigurasjonsfaktorer på InfoCenter-skjermen. |
| Om | Menyen Om viser modellnummeret, serienummeret og programvareversjonen til maskinen din. |
| Tjeneste | |
| Menyelement | Beskrivelse |
| Hours | Oppgir samlet antall timer som maskinen, motoren, og kraftuttaket har vært på, samt antall timer som maskinen har blitt transportert og trengt vedlikehold. |
| Counts | Lister opp diverse hendelser maskinen har opplevd. |
| Diagnostikk | |
| Menyelement | Beskrivelse |
| Cuttings Units | Indikerer innganger, kvalifikatorer og utganger for heving og senking av klippeenheter. |
| Hi/Low Range | Indikerer innganger, kvalifikatorer og utganger for kjøring i transportmodus. |
| PTO | Indikerer innganger, kvalifikatorer og utganger for aktivering av kraftuttakskretsen. |
| Engine Run | Indikerer innganger, kvalifikatorer og utganger for aktivering av motoren. |
| Backlap | Indikerer innganger, kvalifikatorer og utganger for aktivering av slipefunksjonen. |
| Innstillinger | |
| Menyelement | Beskrivelse |
| Enheter | Kontrollerer enhetene som brukes i InfoCenter. Menyvalgene er Britisk og Metrisk |
| Språk | Kontrollerer språkene som brukes i InfoCenter*. |
| Bakgrunn | Kontrollerer lysstyrken til LCD-skjermen. |
| Kontrast | Kontrollerer kontrasten til LCD-skjermen. |
| F Sliping Å | Indikerer hastigheten for fremre spoler i slipemodus. |
| B Sliping Å | Indikerer hastigheten for bakre spoler i slipemodus. |
| Beskyttede menyer | Gir en person som er autorisert av selskapet med PIN-koden, tilgang til beskyttede menyer. |
| Auto Tomgang | Styrer hvor lang tid som skal gå før motoren går tilbake til lav tomgangskjøring når maskinen står stille. |
| Knivteller | Styrer antall kniver på spolen for spolehastighet. |
| Klippehastighet | Styrer bakkehastigheten for å avgjøre spolehastighet. |
| Klippehøyde | Styrer klippehøyde for å avgjøre spolehastighet. |
| F Hjul o/min | Viser beregnet spolehastighetsposisjon for de fremre spolene. Spolene kan også justeres manuelt. |
| B Hjul o/min | Viser beregnet spolehastighetsposisjon for de bakre spolene. Spolene kan også justeres manuelt. |
* Kun tekst som vises for føreren er oversatt. Skjermbilder for feil, tje og diagnostikk vises ved vedlikehold. Titlene vil være på valgt språk, men menyelementene vil være på engelsk.
| Om | |
| Menyelement | Beskrivelse |
| Modell | Viser maskinens modellnummer. |
| SN | Viser maskinens serienummer. |
| Revisjon av maskinkontroller | Viser programvarerevisjonen til hovedkontrolleren. |
| InfoCenter-revisjon | Viser programvarerevisjonen til InfoCenter. |
| CAN-bus | Viser bus-status for maskinkommunikasjon. |
Det finnes sju innstillinger for konfigurasjonsinnstillinger som kan justeres i menyen Innstillinger i InfoCenter: Auto Tomgang, Knivteller, Klippehastighet, Height of Cut (HOC)***, F Hjul Å , B Hjul. Disse innstillingene kan låses ved hjelp av den beskyttede menyen.
Note: Passordkoden programmert av distributøren før levering.
Note: PIN-koden for maskinen din fra fabrikken er enten 0000 eller 1234.Hvis du har endret PIN-koden og glemt koden, kontakt din autoriserte Toro-forhandler.
Fra HOVEDMENYEN bruker du midtknappen for å rulle ned til INNSTILLINGER-MENYEN og trykker på knappen til høyre (Figur 26).

I INNSTILLINGER-MENYEN bruker du midtknappen for å rulle ned til BESKYTTET MENY og trykker på knappen til høyre (Figur 27A).

Tast inn PIN-koden ved å trykke på midtknappen til det korrekte første sifferet vises, og trykk deretter på høyre knapp for å gå videre til neste siffer (Figur 27B og Figur 27C). Gjenta dette trinnet til det siste sifferet er angitt, og trykk på høyre knapp igjen.
Trykk på den midtre knappen for å taste inn PIN-koden (Figur 27D).
Vent til den røde indikatorlampen på InfoCenter lyser.
Note: Hvis InfoCenter godtar PIN-koden og den beskyttede menyen er åpen, vises ordet "PIN" i øvre høyre hjørne av skjermen.
Note: Drei nøkkelbryteren til AV-stillingen og deretter til På-stillingen for å låse den beskyttede menyen.
Du har evnen til å vise og endre innstillingene i den beskyttede menyen. Bla ned til alternativet for beskyttede innstillinger etter du har gått inn på den beskyttede menyen. Bruk den høyre knappen til å endre innstillingen. Angi de beskyttede innstillingene til AV. Dette vil gjøre det mulig å vise og endre innstillingene i den beskyttede menyen uten å taste inn PIN-koden. Ved å angi beskyttede innstillinger til På vil de beskyttede alternativene skjules, og de vil bare kunne endres ved å oppgi en PIN-kode for å endre innstillingen i den beskyttede menyen. Etter at du har angitt PIN-koden, vrir du nøkkelbryteren AV og tilbake til På-stillingen for å aktivere og lagre denne funksjonen.
Bla ned til Auto tomgang i menyen Innstillinger.
Trykk på høyre-knappen for å endre tiden for automatisk tomgang mellom AV, 8 sek., 10 sek., 15 sek., 20 sek. og 30 sek.
Bla ned til Knivteller i menyen Innstillinger
Trykk på den høyre knappen for å endre antall kniver mellom spoler med 5, 8 og 11 kniver.
Bla ned til Klippehastighet i menyen Innstillinger.
Trykk på den høyre knappen for å velge klippehastighet.
Bruk den midtre og høyre knappen for å velge ønsket klippehastighet stilt inn på den mekaniske klippehastighetsbegrenseren på trekkpedalen.
Trykk på den venstre knappen for å gå ut av Klippehastighet og lagre innstillingen.
Bla ned til Klippehøyde i menyen Innstillinger.
Trykk på den høyre knappen for å velge klippehøyde.
Bruk den venstre og høyre knappen til å velge ønsket klippehøydeinnstilling. (Hvis den eksakte innstillingen ikke vises, kan du velge nærmeste klippehøydeinnstilling fra listen som vises.)
Trykk på den venstre knappen for å gå ut av Klippehøyde og lagre innstillingen.
Selv om fremre og bakre spolehastighet beregnes ved å angi antall kniver, klippehastighet og klippehøyde i InfoCenter, kan innstillingen endres manuelt for å tilpasse til ulike klippeforhold.
Endre innstillinger for spolehastighet ved å rulle ned til F Hjul Å , B Hjul Å eller begge.
Trykk på den høyre knappen for å endre spolehastighetsverdi. Når spolehastigheten endres, fortsetter skjermen å vise den beregnede spolehastigheten basert på antall kniver, klippehastighet og klippehøyde som tidligere angitt, men den nye verdien vises også.
Note: Spesifikasjoner og konstruksjon kan forandres uten varsel.
| Spesifikasjon | ReelMaster® 5410-D | ReelMaster® 5510-D |
| Transportbredde | 228 cm | 233 cm |
| Klippebredde | 254 cm | 254 cm |
| Lengde | 282 cm | 282 cm |
| Høyde | 160 cm | 160 cm |
| Vekt(med væsker og utstyrt med klippeenheter med åtte kniver) | 1 335 kg | 1 420 kg |
| Motor | Yanmar 36 hk | Yanmar 36 hk |
| Drivstofftankkapasitet | 53 liter | 53 liter |
| Transporthastighet | 0–16 km/t | 0–16 km/t |
| Klippehastighet | 0–13 km/t | 0–13 km/t |
Et utvalg av Toro-godkjent tilbehør som kan brukes sammen med maskinen for å forbedre og utvide dens funksjoner er tilgjengelig. Ta kontakt med din autoriserte serviceforhandler, eller gå til www.Toro.com for å få en liste over godkjent tilbehør og utstyr.
Note: Angi hva som er høyre og venstre side på maskinen ved å stå i normal arbeidsstilling.
Dersom du lar nøkkelen stå i tenningsbryteren, kan noen utilsiktet starte motoren, noe som kan påføre deg eller andre personer alvorlige skader.
Senk klippeenhetene til bakken, sett på parkeringsbremsen og ta nøkkelen ut av tenningsbryteren før du utfører vedlikehold eller foretar justeringer på maskinen.
Før du starter motoren og bruker maskinen, må du sjekke oljenivået i veivhuset. Se Kontrollere motoroljenivået.
Under visse forhold er drivstoff er meget brannfarlig og svært eksplosivt. Brann eller eksplosjon forårsaket av drivstoff kan påføre deg og andre brannskader samt ødelegge eiendom.
Fyll opp drivstofftankene utendørs på et åpent område når motoren er kald. Tørk opp eventuelt drivstoffsøl.
Fyll aldri på drivstofftankene inni en lukket tilhenger.
Røyk aldri når du håndterer drivstoff, og hold deg borte fra åpen ild eller steder der drivstoffgass kan antennes av gnister.
Drivstoff må oppbevares på en godkjent kanne, utenfor barns rekkevidde. Kjøp aldri mer drivstoff enn til 30 dagers forbruk.
Ikke bruk uten at hele eksossystemet er på plass og i korrekt arbeidstilstand.
Under enkelte forhold ved fylling av drivstoff kan statisk elektrisitet utløses og føre til at gnister antenner drivstoffdamp. Brann eller eksplosjon forårsaket av drivstoff kan påføre deg og andre brannskader samt ødelegge eiendom.
Plasser alltid drivstoffbeholderne på bakken i god avstand fra sprederen før du fyller drivstoff.
Ikke fyll opp drivstoffkannen inne i et kjøretøy eller på en lastebil eller tilhenger, fordi tepper eller presenninger kan isolere kannen og hemme utladning av eventuell statisk elektrisitet.
Når dette lar seg gjøre, skal utstyr tas ut av lastebilen eller tilhengeren og fylles med bensin mens hjulene står på bakken.
Hvis dette ikke lar seg gjøre, bruker du en kanne til å fylle maskinen med drivstoff mens den står på en lastebil eller tilhenger i stedet for å fylle direkte fra pumpen.
Hvis du må fylle drivstoff direkte fra dysen på en drivstoffpumpe, skal dysen hele tiden være i kontakt med kanten på drivstofftanken eller kannens åpning, helt til påfyllingen er fullført.
Drivstoff kan føre til skader eller dødsfall hvis det svelges. Hvis du utsettes for damp fra drivstoff over lengre tid, kan dette føre til alvorlig skade og sykdom.
Unngå innånding av damp fra drivstoff over lengre tid.
Hold ansiktet unna dyse og drivstofftankåpning.
Hold drivstoffet unna øyne og hud.
Important: Bruk kun diesel med ultralavt svovelinnhold. Drivstoff med høyere innhold av svovel forringer dieseloksideringskatalysatoren (DOC), noe som forårsaker driftsproblemer og forkorter levetiden til motorkomponenter.Dersom du unnlater å følge følgende advarsler, kan det skade motoren.
Bruk aldri parafin eller bensin i stedet for dieseldrivstoff.
Bland aldri parafin eller brukt motorolje med dieseldrivstoffet.
Oppbevar aldri drivstoff i beholdere med sinkbelegg på innsiden.
Ikke bruk drivstofftilsetninger.
Cetaninnhold: 45 eller høyere
Svovelinnhold: Ultralavt svovelinnhold (<15 ppm)
| Spesifikasjon for dieseldrivstoff | Sted |
| ASTM D975 | USA |
| Nr. 1-D S15 | |
| Nr. 2-D S15 | |
| EN 590 | EU |
| ISO 8217 DMX | Internasjonalt |
| JIS K2204 klasse nr. 2 | Japan |
| KSM-2610 | Korea |
Bruk kun rent, ferskt dieseldrivstoff eller biodieseldrivstoff.
Ikke kjøp mer drivstoff enn det som kan brukes opp i løpet av 180 dager, dette for å sikre at drivstoffet er ferskt.
Bruk dieseldrivstoff av sommertype (nr. 2-D) ved temperaturer over -7 °C og drivstoff av vintertype (nr. 1-D eller nr. 1-D/2-D) under den temperaturen.
Note: Når du bruker drivstoff av vintertype ved lavere temperaturer, medfører det et lavere flammepunkt og kaldflytkarakteristika som gjør det lettere å starte, og som reduserer tetting av drivstoffilteret.Bruk av drivstoff av sommertype over -7 °C medfører lengre levetid for drivstoffpumpen, og gir økt effekt sammenlignet med drivstoff av vintertype.
Denne maskinen kan også bruke biodieselblandet drivstoff opptil B20 (20 % biodiesel, 80 % petroleumdiesel).
Svovelinnhold: Ultralavt svovelinnhold (<15 ppm)
Spesifikasjon for biodieseldrivstoff: AASTM D6751 eller EN 14214
Spesifikasjon for blandet drivstoff: AASTM D975, EN 590 eller JIS K2204
Important: Petroleumdieselandelen må ha ultralavt svovelinnhold.
Ta følgende forholdsregler:
Biodieselblandinger kan skade lakkerte overflater.
Bruk B5 (biodieselinnhold på 5 %) eller lavere blandinger i kaldt vær.
Hold øye med forseglinger, slanger og pakninger som kommer i kontakt med drivstoffet, da de kan forringes over tid.
Man kan forvente å oppleve tett drivstoffilter en tid etter å ha konvertert til biodieselblandinger.
Ta kontakt med din autoriserte Toro-forhandler hvis du ønsker mer informasjon om biodiesel.
53 l
Parker maskinen på en jevn flate.
Bruk en ren klut til å rengjøre området rundt tanklokket.
Ta lokket av drivstofftanken (Figur 28).

Fyll tanken til nivået er 6 til 13 mm under bunnen av påfyllingshalsen.
Skru tanklokket godt på etter at du har fylt tanken.
Note: Fyll på drivstofftanken etter hver bruk, hvis det er mulig. Dette vil minimere mulig oppsamling av kondensasjon inne i drivstofftanken.
| Vedlikeholdsintervall | Vedlikeholdsprosedyre |
|---|---|
| For hver bruk eller daglig |
|
Rengjør rester fra skjermen, oljekjøleren og den fremre siden av radiatoren hver dag, oftere hvis forholdene er svært støvete og skitne. Se i avsnittet Fjerne rester fra kjølesystemet.
Kjølesystemet er fylt med en oppløsning som er halvt om halvt med vann og frostvæske med etylenglykol. Kontroller kjølemiddelnivået i ekspansjonstanken hver dag før du starter motoren. Kapasiteten til kjølesystemet er omtrent 6,6 l.
Hvis motoren er varm, kan det hende at varm kjølevæske under trykk kommer ut, noe som kan forårsake brannsår.
Ikke åpne radiatorlokket når motoren går.
Bruk en klut når du åpner radiatorlokket. Åpne det forsiktig, slik at dampen kan slippe ut.
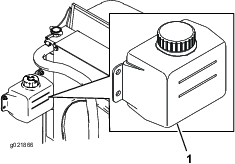
Kontroller kjølemiddelnivået i ekspansjonstanken (Figur 29).
Kjølemiddelnivået skal være mellom merkene på siden av tanken.

Hvis kjølemiddelnivået er lavt, tar du av lokket på ekspansjonstanken og etterfyller systemet. Ikke fyll på for mye.
Sett lokket på ekspansjonstanken.
| Vedlikeholdsintervall | Vedlikeholdsprosedyre |
|---|---|
| For hver bruk eller daglig |
|
Den hydrauliske beholderen fylles på fabrikken med rundt 30 l av hydraulisk olje av høy kvalitet. Kontroller den hydrauliske væsken før du starter maskinen for første gang, og deretter hver dag. Anbefalte erstatningsvæsker er:
| Toro Premium All Season Hydraulic Fluid (Tilgjengelig i spann på 19 l eller fat på 208 l. Se delekatalogen eller kontakt Toro-distributør for å få oppgitt delenumre.) |
Alternative væsker: Hvis Toro-væske ikke er tilgjengelig kan andre væsker brukes forutsatt at de oppfyller alle følgende materialegenskaps- og bransjespesifikasjoner. Vi anbefaler ikke bruk av syntetisk olje. Forhør deg med din leverandør av smøremiddel for å finne et produkt med passende egenskaper. Obs: Toro er ikke ansvarlig for skader som skyldes uegnede erstatninger. Bruk bare produkter fra anerkjente produsenter som kan stå for sine anbefalinger.
| Hydraulisk olje med høy viskositetsindeks og lavt flytpunkt mot slitasje, ISO VG 46 | |||
| Materielle egenskaper: | |||
| Viskositet, ASTM D445 | cSt ved 40 °C 44 til 50cSt ved 100 °C 7,9 til 8,5 | ||
| Viskositetsindeks ASTM D2270 | 140 til 160 | ||
| Flytepunkt, ASTM D97 | -37 °C til -45 °C | ||
| Bransjespesifikasjoner: | |||
| Vickers I-286-S (Quality Level), Vickers M-2950-S (Quality Level), Denison HF-0 | |||
Important: ISO VG 46-flergradsvæsken har vist seg å ha maksimal ytelse under en rekke ulike temperaturforhold. Når maskinen brukes i høye temperaturer (18 °C til 49 °C), kan hydraulikkvæsken ISO VG 68 gi forbedret ytelse.
Premium biologisk nedbrytbar hydraulikkvæske – Mobil EAL EnviroSyn 46H
Important: Mobil EAL EnviroSyn 46H er den eneste syntetiske og biologisk nedbrytbare oljen som er godkjent av Toro. Denne oljen er kompatibel med elastomerne som benyttes i Toros hydraulikksystemer, og er egnet til en rekke temperaturforhold. Denne oljen er kompatibel med tradisjonelle mineraloljer, men for å oppnå maksimal biologisk nedbrytbarhet og ytelse, må hydraulikksystemet tømmes fullstendig for tradisjonell olje. Oljen er også tilgjengelig i spann på 19 l eller fat på 208 liter fra Mobil-forhandlere.
Important: Mange hydrauliske væsker er nesten fargeløse, noe som gjør det vanskelig å oppdage lekkasjer. Et rødt fargestoff for den hydrauliske oljen er tilgjengelig i flasker på 20 ml. Én flaske er nok til 15–22 liter med hydraulisk olje. Bestill delenr. 44-2500 fra en autorisert Toro-forhandler. Dette røde fargestoffet anbefales ikke for bruk med biologisk nedbrytbare oljer. Bruk heller konditorfarge.
Parker maskinen på en jevn flate, senk klippeenhetene og stopp motoren.
Rengjør rundt påfyllingshalsen og lokket på den hydrauliske tanken (Figur 30). Ta lokket av påfyllingshalsen.

Fjern peilestaven fra påfyllingshalsen, og tørk av den med en ren fille. Før peilestaven ned i påfyllingshalsen før du tar den ut og kontroller oljenivået. Oljenivået bør være 6,3 mm fra full-merket på peilestaven. Ikke fyll på for mye.
Hvis nivået er lavt, fyller du på olje for å heve nivået til det full-merket.
Sett peilestaven og lokket på plass på påfyllingshalsen.
| Vedlikeholdsintervall | Vedlikeholdsprosedyre |
|---|---|
| For hver bruk eller daglig |
|
Kontroller kontakten mellom spole og motstål hver dag før du bruker maskinen, uavhengig av om klippekvaliteten var akseptabel tidligere. Det må være lett kontakt over hele lengden av spolen og motstålet (se Justere kontakten mellom spole og motstål i klippeenhetens brukerhåndbok).
| Vedlikeholdsintervall | Vedlikeholdsprosedyre |
|---|---|
| Etter første time |
|
| Etter de 10 første timene |
|
| Hver 250. driftstime |
|
Stram hjulmutrene til 94–122 N·m. etter 1–4 timers drift og igjen etter 10 timers drift. Stram deretter til etter 250 driftstimer.
Hvis du ikke opprettholder korrekt tilstramming av hjulmutrene kan det føre til personskader.
Important: Drivstoffsystemet tappes automatisk hvis noen av følgende situasjoner oppstår:
Første oppstart av en ny maskin.
Motoren har stoppet på grunn av for lite drivstoff.
Vedlikeholdsarbeid har blitt utført på komponenter i drivstoffsystemet.
Sitt på setet, hold foten av trekkpedalen slik at den er i nøytral stilling, aktiver parkeringsbremsen, sett motorhastighetsbryteren til den midtre stillingen og kontroller at bryteren for aktivering/deaktivering er i deaktiveringsstilling.
Ta foten av trekkpedalen, og kontroller at den står i fri.
Vri tenningsnøkkelen til Kjør-stillingen.
Når glødepluggindikatorlyset dempes, vrir du nøkkelen til Start. Slipp nøkkelen med en gang motoren starter, og la den gå tilbake til kjørestillingen. Varm opp motoren (uten belastning), og flytt deretter gasskontrollen til ønsket stilling.
Flytt alle kontrollene til nøytral stilling, aktiver parkeringsbremsen, flytt motorhastighetsbryteren til lav tomgangsstilling og la motoren nå lav tomgangshastighet.
Vri nøkkelen til av-stilling og ta den ut av tenningen.
For å oppnå konsekvent, høy klippekvalitet og et jevnt utseende etter klipping er det viktig at du stiller spolehastigheten til korrekt innstilling. Juster spolehastigheten på følgende måte:
I menyen Innstillinger i InfoCenter angir du antall kniver, klippehastighet og klippehøyde for å beregne korrekt spolehastighet.
Hvis ytterligere justeringer er påkrevd, ruller du ned til F Hjul Å , B Hjul Å eller begge i menyen Innstillinger.
Trykk på den høyre knappen for å endre spolehastighetsverdi. Når spolehastigheten endres, fortsetter skjermen å vise den beregnede spolehastigheten basert på antall kniver, klippehastighet og klippehøyde, men den nye verdien vises også.
Note: Spolehastigheten må kanskje heves eller senkes for å kompensere for dekkeforholdene.
Note: Klipping av gresset ved en hastighet som laster motoren fremmer DPF-regenerering.
Flytt maskinen til arbeidsstedet, og innrett maskinen utenfor arbeidsområdet for første klippelengde.
Påse at kraftuttaksbryteren er i DEAKTIVERT stilling.
Flytt spaken for klippehastighetsbegrenseren fremover.
Trykk på gasshastighetsbryteren for å angi motorhastigheten til HøY TOMGANG.
Bruk styrespaken til å senke klippeenhetene til bakken.
Trykk på kraftuttaksbryteren for å klargjøre klippeenhetene for drift.
Bruk styrespaken til å heve klippeenhetene fra bakken.
Begynn å kjøre maskinen mot klippeområdet, og senk klippeenhetene.
Note: Klipping av gresset ved en hastighet som laster motoren fremmer DPF-regenerering.
Når du har fullført klippelengden, bruk styrespaken til å løfte klippeenhetene.
Utfør en dråpeformet sving for å komme hurtig på plass til neste lengde.
Dieselpartikkelfilteret (DPF) er del av eksossystemet. Dieseloksideringskatalysatoren av DPF reduserer skadelige gasser, og sotfilteret fjerner sot fra motoreksosen.
DPF-regenereringsprosessen bruker varme fra motoreksosen til å brenne soten som har samlet seg på sotfilteret, slik at soten konverteres til aske, og tømmer kanalene til sotfilteret, slik at filtrert motoreksos strømmer ut av DPF.
Motorens datamaskin overvåker oppsamlingen av sot ved å måle mottrykk i DPF. Hvis mottrykket er for høyt, brennes ikke soten i sotfilteret gjennom normal motordrift. For å holde DPF tom for sot, husk følgende:
Passiv regenerering skjer kontinuerlig mens motoren går – kjør motoren ved full motorhastighet, når det er mulig, for å fremme DPF-regenerering.
Hvis mottrykket er for høyt, signaliserer motorens datamaskin til deg gjennom InfoCenter når ytterligere prosesser (hjelp- og tilbakestill-regenerering) kjører.
La prosessen for hjelp- og tilbakestill-regenerering fullføres før du slår av motoren.
Bruk og vedlikehold maskinen med funksjonen til DPF i tankene. Motorbelastning ved høy tomgangshastighet gir generelt tilstrekkelig eksostemperatur for DPF-regenerering.
Important: Begrens hvor mye tid som motoren går på tomgang eller kjøres på lav hastighet, for å redusere oppsamlingen av sot i sotfilteret.
Eksostemperaturen er varm (ca. 600°C) under parkert regenerering eller gjenopprettende regenerering av DPF. Varm eksos kan skade deg eller andre personer.
Bruk aldri motoren på et innestengt område.
Pass på at det ikke er brennbare materialer rundt eksossystemet.
Rør aldri en varm eksossystemkomponent.
Stå aldri nær eller rundt eksosrøret til maskinen.
Med tiden samler DPF opp sot i sotfilteret. Datamaskinen for motoren overvåker sotnivået i DPF.
Når nok sot er samlet opp, informerer datamaskinen deg om at det er tid for å regenerere dieselpartikkelfilteret.
DPF-regenerering er en prosess som varmer opp DPF for å konvertere sot til aske.
I tillegg til advarselsmeldinger reduserer datamaskinen kraften produsert av motoren ved forskjellige sotoppsamlingsnivåer.
| Indikasjonsnivå | Feilkode | Motoreffekt | Anbefalt tiltak |
| Nivå 1: Motoradvarsel |
![]() | Datamaskinen reduserer motorkraften til 85 % | Utfør en parkert regenerering så snart som mulig. Se Parkert regenerering. |
| Nivå 2: Motoradvarsel |
![]() | Datamaskinen reduserer motorkraften til 50 % | Utfør en gjenopprettende regenerering så snart som mulig. Se Gjenopprettende regenerering. |
Den lettere asken slippes ut gjennom eksossystemet, mens den tyngre asken samles i sotfilteret.
Aske er rester av regenereringsprosessen. Med tiden samler dieselpartikkelfilteret opp aske som ikke slippes ut med eksosen.
Datamaskinen for motoren beregner hvor mye aske som er samlet opp i DPF.
Når nok aske er samlet opp, sender motorens datamaskin informasjon til InfoCenter i form av et systemvarsel eller en motorfeil for å angi oppsamlingen av aske i DPF.
Varselet og feilen er indikasjoner på at det er tid for å utføre service på DPF.
I tillegg til advarslene reduserer datamaskinen kraften produsert av motoren ved forskjellige askeoppsamlingsnivåer.
| Indikasjonsnivå | Varsel eller feilkode | Motorhastighetsreduksjon | Motoreffekt | Anbefalt tiltak |
|---|---|---|---|---|
| Nivå 1: Systemvarsel |
![]() | Ingen | 100 % | Informer serviceavdelingen din at varsel nr. 179 vises i InfoCenter. |
| Nivå 2: Motoradvarsel |
![]() | Ingen | Datamaskinen reduserer motorkraften til 85 % | Vedlikehold DPF. Se Vedlikeholde dieseloksideringskatalysatoren (DOC) og sotfilteret |
| Nivå 3: Motoradvarsel |
![]() | Ingen | Datamaskinen reduserer motorkraften til 50 % | Vedlikehold DPF. Se Vedlikeholde dieseloksideringskatalysatoren (DOC) og sotfilteret |
| Nivå 4: Motoradvarsel |
![]() | Motorhastighet ved maks. moment over 200 o/min | Datamaskinen reduserer motorkraften til 50 % | Vedlikehold DPF. Se Vedlikeholde dieseloksideringskatalysatoren (DOC) og sotfilteret |
| Type regenerering | Betingelser for DPF-regenerering | DPF-beskrivelse av drift |
|---|---|---|
| Passiv | Oppstår under normal drift av maskinen ved høy motorhastighet eller høy motorbelastning | InfoCenter viser ikke et ikon som viser passiv regenerering. |
| Under passiv regenerering behandler DPF eksosgasser med høy varme, oksiderer skadelige utslipp og forbrenner sot til aske. | ||
| Se Passiv DPF-regenerering. | ||
| Hjelp | Oppstår som et resultat av lav motorhastighet, lav motorbelastning eller etter at datamaskinen registrerer mottrykk i DPF | Når ikonet for hjelp-/tilbakestill-regenerering vises i InfoCenter, pågår
en hjelp-regenerering. |
| Under hjelp-regenerering kontrollerer datamaskinen inntaksgassen for å øke eksostemperaturen, slik at hjelp-regenereringen kan utføres. | ||
| Se Hjelp-DPF-regenerering. | ||
| Tilbakestill | Oppstår etter hjelp-regenerering kun hvis datamaskinen oppdager at hjelp-regenerering ikke tilstrekkelig reduserte sotnivået | Når ikonet for hjelp-/tilbakestill-regenerering vises i InfoCenter, pågår
en regenerering. |
| Oppstår også hver 100. driftstime for å tilbakestille grunnsensoravlesningene | ||
| Under tilbakestill-regenerering kontrollerer datamaskinen inntaksgassen og drivstoffinjektorene for å øke eksostemperaturen under regenerering. | ||
| Se Tilbakestill-regenerering. |
| Type regenerering | Betingelser for DPF-regenerering | DPF-beskrivelse av drift |
|---|---|---|
| Parkert | Sotopphopning forekommer som et resultat av langvarig drift ved lav motorhastighet eller lav motorbelastning. Kan også oppstå som følge av bruk av feil drivstoff eller olje | Når ikonet for parkert regenerering vises i InfoCenter, er
en regenerering forespurt. |
| Datamaskinen registrerer mottrykk på grunn av sotopphopning og ber om en parkert regenerering | ||
| • Utfør parkert regenerering så snart som mulig for å unngå å måtte trenge en gjenopprettende gjenoppbygging. | ||
| • En parkert regenerering krever 30 til 60 minutter for å fullføres. | ||
| • Du må ha minst en ¼ tank med drivstoff i maskinen. | ||
| • Du må parkere maskinen for å utføre en gjenopprettende regenerering. | ||
| Se Parkert regenerering. | ||
| Gjenopprettende | Oppstår som et resultat av å ignorere forespørsler om parkert regenerering og la driften fortsette, slik at mer sot legges til når DPF allerede trenger en parkert regenerering | Når ikonet for gjenopprettende regenerering vises i InfoCenter, er
en gjenopprettende regenerering forespurt. |
| Ta kontakt med en autorisert Toro-forhandler for å få en servicetekniker til å utføre den gjenopprettende regenereringen. | ||
| • En gjenopprettende regenerering krever opptil 4 timer for å fullføres. | ||
| • Du må ha minst en ½ tank med drivstoff i maskinen. | ||
| • Du må parkere maskinen for å utføre en gjenopprettende regenerering. | ||
| Se Gjenopprettende regenerering. |
Passiv regenerering oppstår som en del av normal motorbruk.
Når du bruker maskinen, kjør motoren ved full motorhastighet, når det er mulig, for å fremme DPF-regenerering.

Ikonet for hjelp-/tilbakestill-regenerering vises i InfoCenter (Figur 37).
Datamaskinen tar kontroll over inntaksgassen for å øke temperaturen til motoreksosen.
Når du bruker maskinen, kjør motoren ved full motorhastighet, når det er mulig, for å fremme DPF-regenerering.
Ikonet
vises i InfoCenter mens hjelp-regenereringen
pågår.
Når det er mulig, ikke slå av motoren eller reduser motorhastigheten mens hjelp-regenerering pågår.
Important: La maskinen fullføre prosessen for hjelp-regenerering før motoren slås av.
Note: Hjelp-regenereringen er ferdig behandlet når ikonet
forsvinner fra InfoCenter.

Ikonet for hjelp-/tilbakestill-regenerering vises i InfoCenter (Figur 38).
Datamaskinen tar kontroll over inntaksgassen og endrer drivstoffinnsprøytingen for å øke temperaturen til motoreksosen.
Important: Ikonet for hjelp-/tilbakestill-regenerering viser at temperaturen på eksosen som slippes ut av maskinen, kan være varmere enn under vanlig drift.
Når du bruker maskinen, kjør motoren ved full motorhastighet, når det er mulig, for å fremme DPF-regenerering.
Ikonet
vises i InfoCenter mens tilbakestill-regenereringen
pågår.
Når det er mulig, ikke slå av motoren eller reduser motorhastigheten mens tilbakestill-regenerering pågår.
Important: La maskinen fullføre prosessen for tilbakestill-regenerering før motoren slås av.
Note: Tilbakestill-regenereringen er ferdig behandlet når ikonet
forsvinner fra InfoCenter.

Ikonet for forespørsel om parkert regenerering vises i InfoCenter (Figur 39).
Hvis en parkert regenerering er nødvendig, viser InfoCenter motoradvarsel SPN 3719, FMI 16 (Figur 40), og motorens datamaskin reduserer motorkraften til 85 %.

Important: Hvis du ikke fullfører en parkert regenerering innen 2 timer, reduserer motorens datamaskin motorkraften til 50 %.
En parkert regenerering krever 30 til 60 minutter for å fullføres.
Hvis du er autorisert av selskapet ditt, trenger du PIN-koden for å utføre prosessen for parkert regenerering.
Påse at maskinen har minst en ¼ tank med drivstoff.
Flytt maskinen ut til et område unna brennbare materialer.
Parker maskinen på en jevn flate.
Sørg for at trekkontroll- eller bevegelseskontrollspakene er i NøYTRAL stilling.
Hvis aktuelt, senk klippeenhetene og slå dem av.
Sett på parkeringsbremsen.
Sett gassen til lav TOMGANG-stilling.
Note: For instruksjoner om opplåsing av beskyttede menyer, se Få tilgang til beskyttede menyer.
Få tilgang til den beskyttede menyen, og lås opp undermenyen for de beskyttede innstillingene (Figur 41). Se Få tilgang til beskyttede menyer.

Naviger til HOVEDMENYEN, trykk på midtknappen for å rulle ned til SERVICEMENYEN, og trykk på knappen til høyre for å velge SERVICE-alternativet (Figur 42).
Note: InfoCenter skal vise PIN-indikatoren i øvre høyre hjørne av displayet.

I SERVICEMENYEN trykker du på den midtre knappen til alternativet DPF REGENERATION (DPF-regenerering) vises og trykker på knappen til høyre for å velge alternativet DPF REGENERATION (Figur 43).

Når meldingen "Initiate DPF Regen. Are you sure?" (Start DPF-regen. Er du sikker?) vises, trykker du på midtknappen (Figur 44).

Hvis kjølevæsketemperaturen er under
60 °C, vises
meldingen «Insure
is running and above 60C/140F» (Sørg
for at X er i gang med en temperatur over 60 °C / 140 °F»
(Figur 45).
Observer temperaturen på skjermen, og kjør maskinen ved full hastighet til temperaturen når 60 °C, og trykk deretter på midtknappen.
Note: Hvis kjølevæsketemperaturen er over 60 °C, hoppes det over denne skjermen.

Flytt gasskontrollen til LAV TOMGANG og trykk på midtknappen (Figur 46).

Følgende meldinger vises når prosessen for parkert regenerering begynner:
Meldingen "Initiating DPF Regen." (Starter DPF-regen.) vises (Figur 47).

Meldingen «Waiting on
» (Venter på
X) vises (Figur 48).

Datamaskinen avgjør om regenereringen kjører. Én av følgende meldinger vises i InfoCenter:
Hvis regenerering er tillatt, vises meldingen "Regen Initiated. Allow up to 30 minutes for completion" (Regenerering startet. Fullføringen kan ta opptil 30 minutter) i InfoCenter. Vent til maskinen har fullført prosessen for parkert regenerering (Figur 49).

Hvis regenereringsprosessen ikke er tillatt av motorens datamaskin, vises meldingen "DPF Regen Not Allowed" (DPF-regenerering ikke tillatt) i InfoCenter (Figur 50). Trykk på knappen til venstre for å avslutte og gå tilbake til startskjermen
Important: Hvis du ikke oppfyller alle kravene for regenerering, eller hvis mindre enn 50 timer har passert siden forrige regenerering, vises meldingen "DPF Regen Not Allowed" (DPF-regenerering ikke tillatt).

Når regenereringen er i gang, går InfoCenter tilbake til startskjermen og viser følgende ikoner:
![]() | Motoren er kald – vent. | |
![]() | Motoren er varm – vent. | |
![]() | Motoren er varm – regenerering pågår (prosent fullført). |
Parkert regenerering er fullført når meldingen "Regen Complete" (Regenerering fullført) vises i InfoCenter. Trykk på knappen til venstre for å avslutte og gå tilbake til startskjermen (Figur 51).

Hvis du ignorerer forespørselen om en parkert regenerering (vist i InfoCenter) og fortsetter å bruke maskinen, opphopes en kritisk mengde sot i DPF.
Hvis en gjenopprettende regenerering er nødvendig, viser InfoCenter motoradvarsel SPN 3719, FMI 16 (Figur 52), og motorens datamaskin reduserer motorkraften til 85 %.

Important: Hvis du ikke fullfører en gjenopprettende regenerering innen 15 minutter, reduserer motorens datamaskin motorkraften til 50 %.
Utfør en gjenopprettende regenerering når det er et tap av motorkraft og en parkert regenerering ikke effektivt kan rengjøre DPF for sot.
En gjenopprettende regenerering krever opptil 4 timer for å fullføres.
Du trenger en forhandlertekniker til å utføre prosessen for gjenopprettende regenerering. Kontakt en autorisert Toro-forhandler.
Du kan justere motvektsbalansen på de bakre løftearmene på klippeenheten for å kompensere for forskjellige dekke forhold og for å opprettholde en jevn klippehøyde i ujevnt terreng eller i områder der det bygges opp halm.
Du kan justere hver motvektsfjær til én av fire innstillinger. Hvert trinn hever eller senker motvekten på klippeenheten med 2,3 kg. Fjærene kan plasseres på baksiden av den første fjæraktuatoren for å fjerne all motvekten (fjerde stilling).
Sett maskinen på en jevn overflate, senk klippeenhetene, stopp motoren, sett på parkeringsbremsene og ta nøkkelen ut av tenningsbryteren.
Sett inn et rør eller lignende objekt på den lange fjærenden og sving det rundt fjæraktuatoren til ønsket stilling (Figur 53).
Fjærene er spent.
Vær forsiktig når du justerer dem.

Gjenta prosedyren på den andre fjæren.
Sett maskinen på en jevn overflate, senk klippeenhetene, stopp motoren, sett på parkeringsbremsene og ta nøkkelen ut av tenningsbryteren.
Løftearmsbryteren finnes under den hydrauliske tanken bak den fremre, høyre løftearmen (Figur 54).
Løsne bryterens festeskruer (Figur 54) og flytt bryteren ned for å heve løftearmens vendehøyde eller flytt bryteren opp for å senke løftearmens vendehøyde. Trekk til festeskruene.

I nødtilfeller kan du bevege maskinen ved å aktivere omløpsventilen i den hydrauliske pumpen med variabelt fortrengningsvolum og deretter skyve eller taue den.
Important: Ikke skyv eller tau maskinen med en større hastighet enn 3–4,8 km/t, siden dette kan føre til skader i det interne drivverket. Du må alltid åpne omløpsventilen når du vil skyve eller taue maskinen.
Omløpsventilen er plassert på venstre side av hydrostaten (Figur 55). Vri bolten halvannen omdreining for å åpne den og la olje gå utenom internt. Siden du går utenom giroljen, kan du flytte maskinen sakte uten at drivverket skades.

Lukk omløpsventilen før du starter motoren. Ikke stram ventilen med et moment på mer enn 7–11 N·m.
Important: Å kjøre motoren med omløpsventilen åpen vil føre til at drivverket overoppvarmes.
Note: Bruk jekkstøtter til å støtte maskinen når det er nødvendig.
Foran – rektangulær plate under akselrøret, innenfor hver av de fremre festepunktene (Figur 56).

Bak – rektangulært akselrør på bakakselen.
Maskinen er utstyrt med en diagnostikklampe som indikerer hvis maskinen har oppdaget en feilfunksjon. Diagnostikklampen sitter på InfoCenter, over skjermen (Figur 59). Når maskinen fungerer korrekt og nøkkelbryteren flyttes til På/Kjør-stilling, tennes diagnostikklampen et øyeblikk for å indikere at den fungerer som den skal. Når det vises en maskinvarselsmelding, lyser lampen. Når det vises en feilmelding, blinker lampen til feilen er avklart.

Formålet med sperrebryterne er å forhindre at motoren dreier eller starter bortsett fra om trekkpedalen er i fri, aktiverings-/deaktiveringsbryteren er i deaktiveringsstilling og heve-/senkekontrollen er i nøytral stilling. Motoren skal også stoppe når man trykker på trekkpedalen med enten føreren ute av setet eller parkeringsbremsen aktivert.
Hvis sikkerhetssperrebryterne utkobles eller ødelegges, kan maskinen fungere uventet og forårsake personskader.
Ikke rør sperrebryterne.
Sjekk sperrebryterne daglig, og bytt ut ødelagte brytere før du bruker maskinen.
| Vedlikeholdsintervall | Vedlikeholdsprosedyre |
|---|---|
| For hver bruk eller daglig |
|
Parker maskinen på en jevn flate, senk klippeenhetene, stopp motoren og aktiver parkeringsbremsen.
Drei nøkkelbryteren til på-stilling, men ikke start maskinen.
Finn den riktige bryterfunksjonen i menyen Diagnostikk på InfoCenter.
Endre hver av bryterne fra åpen til lukket hver for seg (dvs. sitt i setet, aktiver trekkpedalen osv.), og kontroller at tilstanden for hver av bryterne endres. Gjenta dette for alle brytere som du kan endre for hånd.
Hvis bryteren er lukket og korrekt indikator ikke endres, kontroller alle ledningene og koblingene til bryteren og/eller bryterne med et ohm-meter. Skift ut eventuelle defekte brytere og reparer eventuelle defekte ledninger.
Note: InfoCenter kan også oppdage utgangssolenoider eller releer som er slått på. Dette er en rask måte å avgjøre om det er enten en elektronisk eller en hydraulisk maskinfeil.
Parker maskinen på en jevn flate, senk klippeenhetene, stopp motoren og aktiver parkeringsbremsen.
Drei nøkkelbryteren til på-stilling og start maskinen.
Finn den riktige utgangsfunksjonen i menyen Diagnostikk på InfoCenter.
Sitt i setet og forsøk å drive ønsket funksjon på maskinen. Korrekt utgang skal endre tilstand for å indikere at ECM slår på denne funksjonen.
Note: Hvis korrekt utgang opplyses, bekreft at nødvendige inngangsbrytere er i påkrevde stillinger for å tillate at funksjonene inntreffer. Bekreft korrekt bryterfunksjon.Hvis utgang vises som på, som spesifisert, men maskinen ikke fungerer på korrekt måte, indikerer dette at det finnes et ikke-elektrisk problem. Reparer som nødvendig.
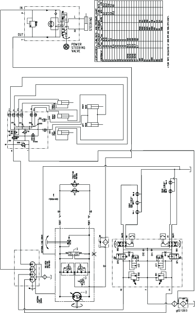
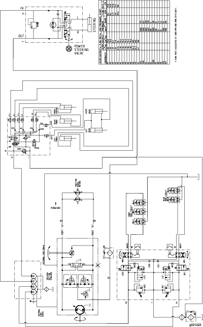
Bruk listen under til å identifisere og beskrive de forskjellige funksjonene til solenoidene i den hydrauliske manifolden. Hver solenoid må aktiveres for å tillate at funksjonen inntreffer.
| Solenoid | Funksjon |
| SP2 | Fremre spolekrets |
| SP1 | Bakre spolekrets |
| SVRV | Hev/senk klippeenhetene |
| SV1 | Hev/senk fremre klippeenheter |
| SV3 | Hev/senk bakre klippeenheter |
| SV2 | Hev eventuelle klippeenheter |
Før du klipper gress bør du øve på å bruke maskinen i et åpent område. Start motoren og la den gå. Bruk i fremover- og reversstilling. Senk og hev klippeenhetene og aktiver og deaktiver spolene. Når du føler at du kjenner maskinen kan du øve på å kjøre opp og ned skråninger ved ulike hastigheter.
Hvis en varsellampe tennes under drift må du stoppe maskinen umiddelbart og rette opp problemet før du fortsetter klippingen. Alvorlig skade kan inntreffe hvis du driver maskinen med en feil.
Start motoren, og flytt motorhastighetsbryteren til hurtigstillingen. Flytt aktivering-/deaktiveringsbryteren til aktiveringsstilling og bruk spaken for heve/senke klippeenheten til å kontrollere klippeenhetene (fremre klippeenheter er timet til å senkes før de bakre klippeenhetene). For å kjøre fremover og klippe gress, trykk trekkpedalen fremover.
Flytt aktiverings-/deaktiveringsbryteren til deaktiveringsstilling og hev klippeenhetene til transporteringsstilling. Flytt klippe-/transportspaken til transportstilling. Vær forsiktig når du kjører mellom gjenstander slik at du ikke skader maskinen eller klippeenhetene ved et uhell. Vær svært forsiktig når du bruker maskinen i bakker. Kjør sakte, og unngå krappe svinger i bakker, slik at gressklipperen ikke velter. Senk klippeenhetene ved kjøring i nedoverbakke for styringskontroll.
Note: Angi hva som er høyre og venstre side på maskinen ved å stå i normal arbeidsstilling.
| Vedlikeholdsintervall | Vedlikeholdsprosedyre |
|---|---|
| Etter første time |
|
| Etter de 10 første timene |
|
| For hver bruk eller daglig |
|
| Hver 50. driftstime |
|
| Hver 100. driftstime |
|
| Hver 200. driftstime |
|
| Hver 250. driftstime |
|
| Hver 400. driftstime |
|
| Hver 800. driftstime |
|
| Hver 6000. driftstime |
|
| Annet hvert år |
|
Ta kopi av denne siden for rutinemessig bruk.
| Vedlikeholdskontrollpunkt | For uke: | ||||||
|---|---|---|---|---|---|---|---|
| Ma. | Ti. | On. | To. | Fr. | Lø. | Sø. | |
| Kontroller at sikkerhetssperrene virker ordentlig. | |||||||
| Kontroller at bremsene virker som de skal. | |||||||
| Kontroller motorolje- og drivstoffnivået. | |||||||
| Tøm drivstoff-/vannutskilleren. | |||||||
| Kontroller luftfilterindikatoren. | |||||||
| Kontroller at det ikke er rusk i radiatoren eller på skjermen. | |||||||
| Kontroller uvanlige motorlyder.1 | |||||||
| Kontroller uvanlige driftslyder. | |||||||
| Kontroller oljenivået i det hydrauliske systemet. | |||||||
| Kontroller indikatoren for det hydrauliske filteret. 2 | |||||||
| Kontroller om de hydrauliske slangene er skadet. | |||||||
| Kontroller om det har oppstått væskelekkasjer. | |||||||
| Kontroller trykket i dekkene. | |||||||
| Kontroller at instrumentene virker. | |||||||
| Kontroller justeringen mellom spole og motstål. | |||||||
| Kontroller klippehøydejusteringen. | |||||||
| Kontroller alle smøreniplene for smøring. 3 | |||||||
| Lakker over ødelagt maling. | |||||||
|
1. Kontroller glødepluggene og injektormunnstykkene hvis maskinen er vanskelig å starte, hvis det kommer ut mye røyk, eller hvis motoren går ujevnt. 2. Kontroller med motoren i gang og oljen ved driftstemperatur 3. Straks etter hver vask, uansett hva som står oppført |
|||||||
| Kontroll utført av: | ||
| Punkt | Dato | Informasjon |
| 1 | ||
| 2 | ||
| 3 | ||
| 4 | ||
| 5 | ||
| 6 | ||
| 7 | ||
| 8 | ||
Important: Hvis du vil ha mer informasjon om vedlikeholdsprosedyrer, ser du i brukerhåndboken for motoren.

Dersom du lar nøkkelen stå i tenningsbryteren, kan noen utilsiktet starte motoren, noe som kan påføre deg eller andre personer alvorlige skader.
Fjern nøkkelen fra tenningen før du begynner med vedlikeholdsarbeid.
| Vedlikeholdsintervall | Vedlikeholdsprosedyre |
|---|---|
| Hver 50. driftstime |
|
Hvis du bruker maskinen under vanlige forhold, smører du alle lagrenes og hylsenes smørenipler etter hver 50. driftstime med nr. 2 litiumsbasert smørefett til vanlig bruk. Smør lagrene og hylsene umiddelbart etter hver vask, uansett hva som står oppført i intervallisten.
Plassering av og antall smørenipler er som følger:
Pumpedrivaksel (3) (Figur 61)

Klippeenhetens løftearmsylindre (2 hver) (Figur 62)

Løftearmsdreietapper (1 hver) (Figur 62)
Bæreramme og dreietapp for klippeenhet (2 hver) (Figur 63)

Løftearmsdreietappaksel (1 hver) (Figur 64)

Bakakselens parallellstag (2) (Figur 65)

Akselstyringsdreietapp (1) (Figur 66)

Styresylinderens kuleledd (2) (Figur 67)

Bremsepedal (1) (Figur 68)

| Vedlikeholdsintervall | Vedlikeholdsprosedyre |
|---|---|
| Hver 400. driftstime |
|
Kontroller om luftrenserkroppen er skadet slik at det kan føre til luftlekkasje. Skift ut hvis den er skadet. Kontroller kjølesystemslangen for slitasje eller skader.
Overhal filteret på luftrenseren kun når indikatoren (Figur 69) tilsier det. Hvis du skifter filteret før det er nødvendig, øker det bare risikoen for at det kommer inn smuss i motoren når filteret er fjernet.
Important: Pass på at dekselet sitter korrekt på og er forseglet rundt luftrenserkroppen.
Utløs låsene som fester luftrenserdekslet til luftrenserhuset (Figur 69).

Fjern dekslet fra luftrenserens kropp. Før du tar av filteret bruker du luft under lavt trykk (275 kPa, ren og tørr) for å fjerne store oppsamlinger av smuss mellom utsiden av filteret og boksen. Unngå bruk av luft under høyt trykk, som kan presse smuss gjennom filteret og inn i inntakstrakten.
Denne rengjøringsprosessen forhindrer at smuss flyttes til inntaket når filteret fjernes.
Ta ut og skift ut filteret (Figur 70).
Det anbefales ikke at det brukte elementet rengjøres, da det er mulighet for at filtermediet blir skadet. Inspiser det nye filteret for transportskade, kontroller forseglingsenden av filteret og kroppen. Ikke bruk et ødelagt filter. Sett inn det nye filteret ved å påføre trykk på den utvendige kanten av elementet for å sette det på plass i boksen. Ikke trykk på det elastiske midtpunktet til filteret.

Rengjør smussutstøtingsporten i det avtakbare dekslet. Fjern uttaksventilen i gummi fra dekselet, rengjør hulrommet og skift ut uttaksventilen.
Monter dekselet med uttaksventilen i gummi vendt nedover – mellom ca. kl. 5:00 til 7:00 sett fra enden.
Fest låsene.
Bruk motorolje av høy kvalitet med lavt askeinnhold som overholder eller overskrider følgende spesifikasjoner:
API-servicekategori CJ-4 eller høyere
ACEA-servicekategori E6
JASO-servicekategori DH-2
Important: Bruk av en annen motorolje enn API CJ-4 eller høyere, ACEA E6 eller JASO DH-2 kan føre til at dieselpartikkelfilteret tilstoppes eller forårsaker motorskade.
Bruk følgende viskositetsklasse for motorolje:
Anbefalt olje: SAE 15W-40 (over -17,8 °C)
Alternativ olje: SAE 10W-30 eller 5W-30 (alle temperaturer)
Toro Premium-motorolje er tilgjengelig fra din autoriserte Toro-forhandler med viskositetsklasse på enten 15W-40 eller 10W-30. Se delekatalogen for delenumre.
| Vedlikeholdsintervall | Vedlikeholdsprosedyre |
|---|---|
| For hver bruk eller daglig |
|
Important: Kontroller motoroljenivået daglig. Hvis motoroljenivået er over Full-merket på peilestaven, kan motoroljen være fortynnet med drivstoff.Hvis motoroljenivået er over Full-merket, skift motorolje.
Den beste tiden for å sjekke motoroljen er når motoren er kald før den har blitt startet for dagen. Hvis den allerede har blitt kjørt, la oljen flyte tilbake ned i bunnpannen i minst ti minutter før du sjekker oljen. Hvis oljenivået er på eller under ”add”-merket på peilestaven, tilfør mer olje til oljenivået når ”full”-merket. Ikke overfyll motoren med olje.
Important: Hold motoroljenivået mellom øvre og nedre grense på oljemåleren. Motoren kan svikte hvis du kjører den med for mye eller for lite olje.
Parker maskinen på en jevn flate. Åpne panserlåsene.
Åpne panseret.
Ta ut peilestaven, tørk av den, sett den ned igjen i røret, og ta den deretter ut igjen. Oljenivået skal være mellom Full- og Add-merket (Figur 71).

Hvis oljenivået er lavt, ta av oljelokket (Figur 71) og fyll på olje til nivået er mellom Full- og Add-merket. Ikke fyll på for mye.
Sett peilestaven på plass, og skru på oljelokket.
Lukk panseret, og fest det med låsene.
5,2 liter
| Vedlikeholdsintervall | Vedlikeholdsprosedyre |
|---|---|
| Hver 250. driftstime |
|
Skift olje og filter etter hver 250. driftstime.
Fjern tappepluggen (Figur 72) og la oljen renne ut i et tappefat. Når all oljen er tappet ut, setter du tappepluggen på igjen.

Ta av oljefilteret (Figur 72). Stryk et tynt lag med ren olje på den nye filterforseglingen før du skrur den på. Ikke stram for mye.
Tilsett olje til veivhuset, se Skifte motorolje og filter.
| Vedlikeholdsintervall | Vedlikeholdsprosedyre |
|---|---|
| Hver 6000. driftstime |
|
Hvis varselmeldingen vises i InfoCenter, nærmer DPF seg det anbefalte punktet for vedlikehold av dieseloksideringskatalysatoren og sotfilteret.

Hvis motorfeilene , eller vises i InfoCenter (Figur 74), rengjør sotfilteret med følgende trinn:



Se delen om motoren i servicehåndboken for informasjon om demontering og montering av dieseloksideringskatalysatoren og sotfilteret til DPF.
Kontakt din autoriserte Toro-forhandler for reservedeler eller service av dieseloksideringskatalysatoren og sotfilteret.
Kontakt din autoriserte Toro-forhandler for å få dem til å tilbakestille motorens elektriske kontrollenhet etter at du monterer et rent DPF.
Under visse forhold er diesel og dampen fra drivstoff svært brannfarlig og eksplosivt. En brann eller eksplosjon forårsaket av drivstoff, kan påføre deg og andre brannskader og forårsake skade på eiendom.
Bruk en trakt når du fyller tanken, og fyll den utendørs på et åpent sted når motoren er slått av og kald. Tørk opp eventuelt drivstoffsøl.
Tanken må ikke fylles helt opp. Fyll drivstoff på tanken helt til nivået er 6 til 13 mm under bunnen av påfyllingshalsen. Dette tomrommet i tanken gir drivstoffet plass til å utvide seg.
Røyk aldri når du håndterer drivstoff, og hold deg borte fra åpen ild eller steder der drivstoffgass kan antennes av gnister.
Oppbevar drivstoffet i en ren, godkjent beholder, og pass på at lokket er skrudd på.
| Vedlikeholdsintervall | Vedlikeholdsprosedyre |
|---|---|
| Hver 400. driftstime |
|
Tapp daglig vann og andre urenheter fra vannutskilleren (Figur 75). Skift filterboksen etter hver 400. driftstime.
Plasser en ren beholder under drivstoffilteret.
Løsne tappepluggen på bunnen av filterboksen, og åpne ventilen på toppen av boksmonteringen.

Rengjør området der filterboksen skal festes.
Fjern filterboksen og rengjør monteringsoverflaten.
Smør pakningen på filterboksen med ren olje.
Monter filterboksen for hånd til pakningen kommer i berøring med monteringsoverflaten, og drei den deretter en halv omdreining til.
Stram til tappepluggen på bunnen av filterboksen, og lukk ventilen på toppen av boksmonteringen.
| Vedlikeholdsintervall | Vedlikeholdsprosedyre |
|---|---|
| Hver 400. driftstime |
|
Motordrivstoffilteret må byttes ut hver 400. driftstime.
Rengjør området rundt drivstoffilterhodet (Figur 76).

Fjern filteret og rengjør hodemonteringsoverflaten (Figur 76).
Smør filterpakningen med ren motorsmøreolje. Se brukerhåndboken for motoren som følger med maskinen for mer informasjon.
Monter den tørre filterboksen for hånd til pakningen kommer i kontakt med filterhodet, og drei den deretter en halv omdreining til.
Start motoren, og se etter drivstofflekkasjer rundt filterhodet.
| Vedlikeholdsintervall | Vedlikeholdsprosedyre |
|---|---|
| Hver 400. driftstime |
|
Kontroller drivstoffledningene og koplingene hver 400. driftstime eller årlig, avhengig av hva som kommer først. Kontroller om koblingene er slitte, ødelagte eller løse.
The drivstoffoppsamlingsslangen, som finnes inne i drivstofftanken, er utstyrt med en skjerm som hindrer at smuss kommer inn i drivstoffsystemet. Fjern drivstoffoppsamlingsslangen og rengjør skjermen som nødvendig.
Important: Før du sveiser på maskinen, må du koble begge kablene fra batteriet, begge ledningsfastspennerne fra den elektroniske kontrollenheten og terminalkonnektoren fra vekselstrømsgeneratoren for å unngå skade på det elektriske systemet.
| Vedlikeholdsintervall | Vedlikeholdsprosedyre |
|---|---|
| Hver 50. driftstime |
|
Batteripoler, klemmer og tilknyttet tilbehør inneholder bly og blyforbindelser: kjemikalier som er kjente i staten California for å føre til kreft og forplantningsskader. Vask hendene etter at du har håndtert et batteri.
Elektrolytten i batteriet inneholder svovelsyre, en dødelig gift som også kan forårsake alvorlige brannskader.
Ikke drikk elektrolytt, og unngå kontakt med hud, øyne eller klær. Bruk vernebriller for å beskytte øynene og gummihansker for å beskytte hendene.
Fyll batteriet i nærheten av rent vann som kan brukes til å skylle huden.
Når batteriet lades, utvikles det gasser som kan eksplodere.
Røyk aldri i nærheten av batteriet, og hold gnister og åpen ild borte fra batteriet.
Kontroller batteriets tilstand ukentlig eller etter hver 50. driftstime. Hold batteripolene og hele batterikassen ren. Et skittent batteri lades sakte ut. Du rengjør batteriet ved å vaske hele kassen med en oppløsning av natron og vann. Skyll med rent vann.
Det er åtte sikringer i det elektriske systemet. Sikringsblokken (Figur 77) er plassert bak kontrollarmens tilgangspanel.


Maskinen må ikke bevege seg når du slipper opp trekkpedalen. Hvis dette skjer, må maskinen justeres på følgende måte:
Parker maskinen på en jevn overflate, slå av motoren og senk klippeenhetene ned på bakken.
Jekk opp fremsiden av maskinen til fordekkene er løftet fra gulvet. Støtt maskinen med jekkstøtter, slik at den ikke kan falle ned ved et uhell.
Note: På modeller med firehjulstrekk må også det venstre bakhjulet også være over verkstedsgulvet
På den høyre siden av hydrostaten, løsne festeskruen på trekkjusteringskammen (Figur 79).

Motoren må gå for at den endelige justeringen av trekkjusteringskammen skal kunne utføres. Dette kan føre til personskader.
For å beskytte deg mot personskade må du holde hender, føtter, ansiktet og andre kroppsdeler borte fra lyddemperen, andre varme deler i motoren og eventuelle deler som roterer.
Start motoren og roter den sekskantede kambolten i begge retninger til hjulene slutter å rotere.
Trekk til låsemutteren for å sikre justeringen.
Stopp motoren. Ta bort jekkstøttene, og senk maskinen ned på verkstedsgulvet.
Prøvekjør maskinen for å kontrollere at den ikke kryper.
| Vedlikeholdsintervall | Vedlikeholdsprosedyre |
|---|---|
| Hver 800. driftstime |
|
Vri rattet slik at bakhjulene peker rett fremover.
Løsne låsemutteren på begge ender av parallellstaget (Figur 80).
Note: Enden av parallellstaget med eksternt spor er venstregjenget.

Roter parallellstaget ved å bruke skrunøkkelslissen.
Mål avstanden foran og bak på bakhjulene i akselhøyde. Avstanden foran på bakhjulene skal være mindre enn 6 mm av avstanden som målt bak på bakhjulene.
Gjenta prosedyren etter behov.
| Vedlikeholdsintervall | Vedlikeholdsprosedyre |
|---|---|
| For hver bruk eller daglig |
|
| Hver 100. driftstime |
|
| Annet hvert år |
|
Fjern rusk fra den skjermen og radiator/oljekjøler daglig (rengjør oftere under skitne forhold).
Juster bremsene når det er mer enn 2,5 cm frigang på bremsepedalen, eller når bremsene ikke virker effektivt. Frigang er avstanden bremsepedalen kan beveges før du merker bremsemotstand.
Note: Bruk hjulmotorens motreaksjon til å vippe tromlene frem og tilbake for å sikre at tromlene har frigang før og etter justeringen.
Hvis du vil redusere frigangen til bremsepedalene, strammer du bremsene ved å løsne den fremre mutteren på bremsekabelens gjengeende (Figur 83).

Trekk til den bakre mutteren for å flytte kabelen bakover til bremsepedalene har en frigang på 1,27 til 1,9 cm, før hjulene låses.
Stram de fremre mutterne og kontroller at begge kablene igangsetter bremsene samtidig.
Hvis parkeringsbremsen ikke aktiveres, kreves en justering av bremsesperren.
Løsne de to skruene som fester parkeringsbremsespaken til rammen (Figur 84).

Trykk parkeringsbremsepedalen fremover til bremsesperrehaken aktiveres fullstendig på bremsesperren (Figur 84).
Stram de to skruene som låser justeringen.
Trykk ned bremsepedalen for å koble fra parkeringsbremsen.
Sjekk justeringen, og juster igjen etter behov.
| Vedlikeholdsintervall | Vedlikeholdsprosedyre |
|---|---|
| Etter de 10 første timene |
|
| Hver 100. driftstime |
|
Kontroller tilstanden og spenningen til remmen (Figur 85) etter hver 100. driftstime.
Remmen har riktig spenning når du kan trykke den ned 10 mm midt mellom remskivene med en kraft på 44 N.
Hvis du ikke kan trykke den ned 10 mm, løsner du monteringsboltene for generatoren (Figur 85). Øk eller reduser spenningen til generatorremmen, og stram til boltene. Kontroller hvor langt ned du kan trykke beltet, for å kontrollere at spenningen er riktig.

| Vedlikeholdsintervall | Vedlikeholdsprosedyre |
|---|---|
| Hver 800. driftstime |
|
| Annet hvert år |
|
Skift den hydrauliske oljen etter hver 800. driftstime under vanlige forhold. Hvis oljen blir forurenset, kontakter du den lokale Toro-forhandleren fordi systemet må tømmes. Forurenset olje ser melkeaktig eller svart ut sammenlignet med ren olje.
Slå av motoren og åpne panseret.
Plasser et stort tappefat under nippelen som er festet til bunnen av den hydrauliske væskebeholderen (Figur 86).

Koble slangen fra bunnen av nippelen og la den hydrauliske væsken renne ned i tappefatet.
Monter på slangen når den hydrauliske oljen slutter å renne.
Fyll beholderen med omtrent 30 liter hydraulisk olje. Se Kontrollere det hydrauliske systemet.
Important: Bruk bare de hydrauliske oljene som er angitt. Andre væsker kan skade systemet.
Sett lokket på beholderen.
Start motoren, og bruk alle hydrauliske kontroller til å fordele den hydrauliske oljen i systemet. Kontroller også om det har oppstått lekkasjer.
Stopp motoren.
Kontroller nivået på den hydrauliske oljen, og fyll på mer til nivået når opp til full-merket på peilestaven.
Important: Ikke fyll på for mye.
| Vedlikeholdsintervall | Vedlikeholdsprosedyre |
|---|---|
| Hver 800. driftstime |
|
Det hydrauliske systemet er utstyrt med en serviceintervallindikator (Figur 87). Når motoren kjører ved driftstemperatur, se på indikatoren, den skal være i den grønne sonen. Når indikatoren er i den røde sonen bør de hydrauliske filterne skiftes ut.

Important: Hvis du bruker eventuelle andre filter, kan dette føre til at garantien blir ugyldig for enkelte komponenter.
Sett maskinen på en jevn overflate, senk klippeenhetene, stopp motoren, sett på parkeringsbremsen og ta nøkkelen ut av tenningsbryteren.
Rengjør området rundt der filteret skal festes og plasser et tappefat under filterne (Figur 88) og (Figur 89).


Fjern filteret.
Smør pakningen på det nye filteret med hydraulisk olje.
Pass på at området der filteret skal festes er rent.
Monter filteret for hånd til pakningen kommer i berøring med monteringsoverflaten, og drei den deretter en halv omdreining til.
Gjenta prosedyren på det andre filteret.
Start motoren og la den gå i omtrent to minutter for å blåse luft ut fra systemet.
Stopp motoren og kontroller om det finnes lekkasjer.
| Vedlikeholdsintervall | Vedlikeholdsprosedyre |
|---|---|
| For hver bruk eller daglig |
|
Kontroller daglig hydrauliske ledninger og slanger for å kontrollere at det ikke er lekkasjer, at det ikke er knekk på dem, at ingen monteringsstøtter er løse, at ingen beslag er løse og at de ikke er slitt på grunn av værforhold eller kjemisk forringelse. Foreta alle nødvendige reparasjoner før bruk.
Hydraulisk væske som kommer ut under trykk, kan trenge gjennom huden og forårsake personskader.
Kontroller at alle hydrauliske ledninger og slanger er i god stand, og at alle hydrauliske koblinger og beslag er tette, før det hydrauliske systemet settes under trykk.
Hold kropp og hender borte fra hull eller dyser som sprøyter ut hydraulisk væske under høyt trykk.
Bruk kartong eller papir til å finne lekkasjer.
Før du utfører vedlikehold eller reparasjoner på det hydrauliske systemet, må du forsiktig slippe ut alt trykket.
Oppsøk legehjelp øyeblikkelig hvis olje kommer i direkte kontakt med huden.
Bruk teståpningene i det hydrauliske systemet til å teste trykket i det hydrauliske kretsene. Kontakt en lokal Toro-forhandler hvis du trenger hjelp.
Bruk teståpningene foran på de hydrauliske rørene (Figur 90) til å hjelpe til med feilsøking i trekkretsen.

Bruk teståpningene på klippeventilblokken (Figur 91) til å hjelpe til med feilsøking i klippekretsen.

Bruk teståpningene på heveventilblokken (Figur 92) til å hjelpe til med feilsøking i hevekretsen.

Kontakt med spolene eller andre bevelige deler kan føre til personskader.
Hold fingre, hender og klær borte fra spolene eller andre bevegelige deler.
Forsøk aldri å dreie spolene for hånd eller med føttene mens motoren er i gang.
Note: Alle de fremre og de bakre enhetene fungerer sammen ved sliping.
Sett maskinen på en jevn overflate, senk klippeenhetene, stopp motoren, sett på parkeringsbremsene og flytt aktiverings-/deaktiveringsbryteren til deaktiveringsposisjon.
Lås opp og hev setet for å vise slipespakene (Figur 93).
Foreta innledende spole til motstål-justeringer som er korrekte for sliping på alle klippeenhetene som skal slipes. Se i klippeenhetens brukerhåndbok.
Start maskinen, og la den gå på tomgang.
Endring av motorhastigheten mens du sliper kan føre til at spolene stopper.
Endre aldri motorhastigheten mens du sliper.
Sliping skal kun utføres mens motoren går på tomgang.
Velg enten fremre, bakre eller begge slipespaker for å bestemme hvilke spoler som slipes (Figur 93).
For å unngå personskader må du forsikre deg om at du går klar av klippeenhetene før du fortsetter.
Med klippe-/transportspaken i klippestilling, flytt aktiver-/deaktiverbryteren til aktiveringsstilling. Flytt kontrollen for å senke/heve klippeenhetene fremover for å starte slipeoperasjonen på utpekte spoler.
Påføre lappingsmasse med en børste med langt håndtak. Bruk aldri børster med korte håndtak.
Hvis spolene stopper eller blir uberegnelige ved sliping, velg en høyere spolehastighetsinnstilling til hastigheten stabiliseres, returner deretter spolehastigheten til hastigheten som du ønsker.
For å foreta en justering til klippeenhetene under sliping, slå av spolene ved å flytte kontrollen for senking/heving av klippeenhetene bakover, flytt aktiverings-/deaktiveringsbryteren til deaktiveringsstilling og slå av motoren. Etter at justeringene er fullført, gjenta trinnene 4 til og med 8.

Gjenta prosedyren for alle klippeenheter som du vil skal slipes.
Når du er ferdig, still slipespakene tilbake til klippestilling, senk setet og vask av all lappingsmassen fra klippeenhetene. Juster klippeenhetens spole til motstål etter behov. Juster klippeenhetens spolehastighet til ønsket klippestilling.
Important: Hvis slipebryteren ikke stilles tilbake til av-stilling eller sliping vil klippeenhetene ikke heves eller fungere på korrekt måte.
Note: For en bedre knivegg, dra en fil over forsiden av motstålet etter sliping. Dette vil fjerne alle ru eller skarpe kanter på kniveggen.
Rengjør trekkenheten, klippeenhetene og motoren grundig.
Kontroller trykket i dekkene. Fyll på alle klippeenhetens dekk til 0,83 til 1,03 bar.
Kontroller alle festene. Stram dem om nødvendig.
Smør alle smørepunkter og omdreiningspunkter. Tørk opp overflødig smøremiddel.
Bruk litt sandpapir på og mal malte områder som har fått riper eller rust. Reparer alle hakk i metallet.
Overhal batteriet og kablene:
Ta batteriklemmene av batteripolene.
Rengjør batteriet, klemmene og polene med en stålbørste og en oppløsning av natron.
Smør batteripolene og kabelklemmene med Grafo 112X (Toro-delenummer 505-47) eller vaselin for å forhindre korrosjon.
Lad batteriet sakte opp i 24 timer hver 60. dag for å forhindre blysulfatering av batteriet.
Tøm motoroljen fra bunnpannen, og sett tappepluggen tilbake.
Ta ut og kast oljefilteret. Sett inn et nytt oljefilter.
Fyll på oljetanken med tilmålt mengde motorolje.
Start motoren, og kjør den på tomgang i omtrent to minutter.
Stopp motoren.
Spyl drivstofftanken med rent, ferskt dieseldrivstoff.
Kontroller frostvæsken, og fyll på halvt om halvt med vann og frostvæske etter behov, avhengig av forventet minimumstemperatur der du bor.
Fest alle beslagene for drivstoffsystemet.
Rengjør og overhal luftrenseren grundig.
Forsegl inntaket til luftrenseren og eksosåpningen med værbestandig teip.
Kontroller frostvæskebeskyttelsen og tilsett som nødvendig for forventet minimumstemperatur i ditt område.

