| Onderhoudsinterval | Onderhoudsprocedure |
|---|---|
| Bij elk gebruik of dagelijks |
|
Deze machine is een zitmaaier met messenkooi bedoeld voor gebruik door professionele bestuurders in commerciële toepassingen. De machine is voornamelijk ontworpen voor het maaien van gras van goed onderhouden gazons in parken, golfbanen en sportvelden. De machine is niet ontworpen voor het maaien van lage struiken, het maaien van gras en andere begroeiing langs de snelweg, of voor gebruik in de landbouw.
Lees deze informatie zorgvuldig door, zodat u weet hoe u de machine op de juiste wijze moet gebruiken en onderhouden en om schade aan de machine en letsel te voorkomen. U bent verantwoordelijk voor het juiste en veilige gebruik van de machine.
U kunt op www.Toro.com rechtstreeks contact met Toro opnemen om informatie over producten en accessoires te verkrijgen, een verkoper te vinden of uw product te registreren.
Als u service, originele Toro onderdelen of aanvullende informatie nodig hebt, kunt u contact opnemen met een erkende servicedealer of met de klantenservice van Toro. U dient hierbij altijd het modelnummer en het serienummer van het product te vermelden. Het model- en serienummer bevinden zich op een plaatje dat zich links op het frame onder de voetsteun bevindt. U kunt de nummers noteren in de ruimte hieronder.
Er worden in deze handleiding een aantal mogelijke gevaren en een aantal veiligheidsberichten genoemd met de volgende veiligheidssymbolen (Figuur 1), die duiden op een gevaarlijke situatie die zwaar lichamelijk letsel of de dood tot gevolg kan hebben wanneer de veiligheidsvoorschriften niet in acht worden genomen.

Er worden in deze handleiding nog 2 woorden gebruikt om uw aandacht op bijzondere informatie te vestigen. Belangrijk attendeert u op bijzondere technische informatie en Opmerking duidt algemene informatie aan die bijzondere aandacht verdient.
Dit product voldoet aan alle relevante Europese richtlijnen, zie voor details de aparte productspecifieke conformiteitsverklaring.
CALIFORNIË
Proposition 65 Waarschuwing
De uitlaatgassen van de dieselmotor van dit product bevatten bestanddelen waarvan bekend is dat ze kanker, geboorteafwijkingen of andere schade aan de voortplantingsorganen kunnen veroorzaken.
Omdat er in sommige regio's nationale of plaatselijke voorschriften gelden die vereisen dat er een vonkenvanger op de motor van deze machine wordt gebruikt, is de geluiddemper voorzien van een vonkenvanger.
De originele vonkenvangers van Toro zijn goedgekeurd door de Forestry Service van de USDA (United States Department of Agriculture).
Important: De motor van dit product is uitgerust met een vonkenvanger. Als de machine zonder goed werkende vonkenvanger of goed onderhouden brandveilige motor wordt gebruikt in een bosgebied of op een met dicht struikgewas of gras begroeid terrein, handelt de bestuurder in strijd met de bepalingen van sectie 4442 van de Wet op de Openbare Hulpbronnen (Public Resources Code) van de Staat Californië. In andere landen of staten kunnen soortgelijke wetten van kracht zijn.
Onjuist gebruik of onderhoud door de gebruiker of eigenaar kan letsel veroorzaken. Om het risico van letsel te vermijden, dient u zich aan de volgende veiligheidsinstructies te houden en altijd op het veiligheidssymbool te letten, dat betekent Voorzichtig, Waarschuwing of Gevaar – 'instructie voor persoonlijke veiligheid'. Niet-naleving van de instructie kan leiden tot lichamelijk of dodelijk letsel.
De volgende instructies zijn ontleend aan CEN-norm EN 836:1997, ISO-norm 5395:1990 en ANSI B71.4-2012.
Lees of raadpleeg de gebruikershandleiding en ander instructiemateriaal zorgvuldig. Zorg ervoor dat u vertrouwd raakt met de bedieningsorganen en de veiligheidssymbolen en weet hoe u de machine moet gebruiken.
Laat kinderen of personen die de instructies niet kennen, nooit de maaimachine gebruiken of onderhoudswerkzaamheden daaraan verrichten. Voor de bestuurder kan een wettelijke minimumleeftijd gelden.
Houd iedereen weg uit het gebied waarin u de machine gebruikt, met name kinderen en huisdieren.
Onthoud dat de bestuurder verantwoordelijk is voor ongevallen of schade aan andere personen of hun eigendommen.
Het is niet toegestaan passagiers te vervoeren.
Elke bestuurder en monteur moet ervoor zorgen dat hij of zij professionele en praktische instructie krijgt. De eigenaar is verantwoordelijk voor de instructie van de gebruikers. Bij een dergelijke instructie moet de nadruk liggen op:
zorgvuldigheid en concentratie bij het werken met zitmaaiers;
als de machine op een helling begint te glijden, kan dat niet met de rem worden gecorrigeerd. De belangrijkste oorzaken voor het verliezen van de controle zijn:
onvoldoende grip van de wielen,
te snel rijden,
onjuist gebruik van de rem,
het type machine is niet geschikt voor het specifieke werk,
zich onvoldoende bewust zijn van de specifieke omstandigheden van het terrein, met name op hellingen,
onjuiste bevestiging en verdeling van lasten.
De eigenaar/gebruiker kan ongelukken voorkomen en is verantwoordelijk voor ongelukken, letsel van hemzelf/haarzelf of van anderen en schade aan eigendommen.
Draag tijdens het maaien altijd stevige schoenen, een lange broek, een helm, een veiligheidsbril en gehoorbescherming. Lang haar, losse kleding of sieraden kunnen worden gegrepen door bewegende onderdelen. Loop niet op blote voeten en draag ook geen schoenen met open tenen als u de machine gebruikt.
Inspecteer het terrein waarop u de maaimachine gaat gebruiken grondig en verwijder eventuele voorwerpen die door de machine kunnen worden uitgeworpen.
Waarschuwing – Brandstof is zeer ontvlambaar. Neem de volgende voorzorgsmaatregelen:
Bewaar brandstof uitsluitend in tanks of blikken die speciaal daarvoor bedoeld zijn.
Vul de brandstoftank nooit binnenshuis; tijdens het bijvullen niet roken.
Vul brandstof bij voordat u de motor start. Nooit de dop van de brandstoftank verwijderen of brandstof bijvullen als de motor loopt of heet is.
Probeer de motor niet te starten als er brandstof is gemorst. Verwijder de machine dan uit de buurt van de plek waar is gemorst, en voorkom elke vorm van open vuur of vonken totdat de brandstofdampen volledig zijn verdwenen.
Zorg ervoor dat de afsluitdoppen van brandstoftanks en -blikken weer goed vastzitten.
Vervang defecte geluiddempers/knalpotten.
Inspecteer het terrein om vast te stellen welke accessoires en werktuigen nodig zijn om goed en veilig te werken. Gebruik alleen door de fabrikant goedgekeurde accessoires en werktuigen.
Controleer of de dodemansknop, de veiligheidsschakelaars en de veiligheidsschermen zijn bevestigd en naar behoren werken. Gebruik de machine uitsluitend als deze naar behoren werkt.
Laat de motor nooit in een afgesloten ruimte lopen, omdat zich daar giftige koolmonoxidedampen kunnen verzamelen.
Maai uitsluitend bij daglicht of goed kunstlicht.
Alle werktuigkoppelingen uitschakelen, versnelling in de neutraalstand zetten en de parkeerrem in werking stellen voordat u de motor start.
Denk eraan dat elke helling gevaarlijk is. Het rijden op met gras begroeide hellingen vereist bijzondere zorgvuldigheid. Om te voorkomen dat de machine kantelt:
niet plotseling stoppen of gaan rijden bij het op- en afrijden van hellingen.
houd de snelheid laag bij het rijden op hellingen en in scherpe bochten;
let op bulten en kuilen en andere verborgen gevaren;
Maak geen scherpe bochten. Ga zorgvuldig te werk als u achteruitrijdt.
Gebruik contragewicht(en) of wielgewichten, als dit in de gebruikershandleiding wordt geadviseerd.
Let op kuilen in het terrein en andere verborgen gevaren.
Let op het verkeer als u in de buurt van een weg werkt of deze oversteekt.
Zet de maaimessen stil voordat u andere oppervlakken dan grasvelden oversteekt.
Bij gebruik van werktuigen nooit de afvoeropening naar omstanders toe richten of personen in de buurt van de werkende machine laten komen.
Gebruik de machine nooit als schermen, afdekplaten of andere beveiligingsmiddelen zijn beschadigd of ontbreken. Zorg ervoor dat alle interlockschakelaars zijn aangebracht, correct zijn afgesteld en naar behoren werken.
Verander de instellingen van de motor niet en laat de motor niet lopen met een te hoog toerental. De motor met te hoog toerental laten draaien kan de kans op lichamelijk letsel vergroten.
Voordat u de bestuurdersplaats verlaat:
machine laten stoppen op een horizontaal oppervlak;
aftakas uitschakelen en werktuigen laten zakken;
versnelling in neutraalstand zetten en parkeerrem in werking stellen;
de motor afzetten en het sleuteltje uit het contact nemen.
Schakel de aandrijving naar de werktuigen uit als u de machine transporteert of niet gebruikt.
Motor afzetten en aandrijving naar werktuigen uitschakelen:
voor het bijvullen van brandstof;
voor verwijdering van de grasvanger(s);
voordat u de maaihoogte instelt, tenzij die vanaf de bestuurderspositie kan worden ingesteld.
voordat u verstoppingen verwijdert;
voordat u de maaimachine gaat controleren, schoonmaken of werkzaamheden daaraan gaat verrichten;
als u een vreemd voorwerp heeft geraakt of de machine abnormaal begint te trillen. Controleer de maaimachine op beschadigingen en voer alle benodigde reparaties uit voordat u de machine opnieuw gebruikt.
Zet de gashendel terug terwijl de motor uitloopt. Als de machine met een brandstofafsluitklep is uitgerust, draai deze dan dicht als het maaiwerk voltooid is.
Houd uw handen en voeten uit de buurt van de maaidekken.
Kijk achterom en omlaag voordat u achteruitrijdt om er zeker van te zijn dat de weg vrij is.
Verminder uw snelheid en wees voorzichtig als u een bocht maakt of wegen en voetpaden oversteekt. Zet de cilinders/messenkooien stil als u niet maait.
Gebruik de maaimachine niet als u onder de invloed van alcohol of drugs bent.
Bliksem kan ernstig of dodelijk letsel veroorzaken. Als u bliksem ziet of donder hoort in het gebied, gebruik de machine dan niet; ga schuilen.
Wees voorzichtig als u de machine inlaadt op een aanhanger of een vrachtwagen of uitlaadt.
Wees voorzichtig bij het naderen van blinde hoeken, struiken, bomen, en andere objecten die het zicht kunnen belemmeren.
Draai alle moeren, bouten en schroeven regelmatig strak aan, zodat de machine steeds veilig in gebruik is.
Als er zich brandstof in de tank bevindt, mag u de machine niet opslaan in een afgesloten ruimte waar brandstofdampen in contact met open vuur of vonken kunnen komen.
Laat de motor afkoelen voordat u de machine in een afgesloten ruimte stalt.
Houd de motor, geluiddemper, accubehuizing en de brandstofopslagplaats vrij van overtollig vet, gras en bladeren om brandgevaar te verminderen.
Controleer de grasvanger regelmatig op slijtage en mankementen.
Zorg ervoor dat alle onderdelen in goede staat verkeren en alle bevestigingselementen en hydraulische aansluitingen stevig vastzitten. Vervang versleten of beschadigde onderdelen en stickers.
Als het nodig is de brandstoftank af te tappen, doe dit dan buiten.
Wees voorzichtig als u de machine afstelt, teneinde te voorkomen dat uw vingers bekneld raken tussen de draaiende messen en de vaste onderdelen van de machine.
Let op dat bij machines met meerdere cilinders/messenkooien, andere cilinders/messenkooien kunnen gaan draaien doordat u een cilinder/messenkooi draait.
Schakel de aandrijvingen uit, breng de maaidekken omlaag, stel de parkeerrem in werking, zet de motor af en verwijder het contactsleuteltje. Wacht totdat alle bewegende delen tot stilstand zijn gekomen voordat u de machine afstelt, reinigt of repareert.
Verwijder gras en vuil van de maaidekken, de aandrijvingen, de geluiddempers en de motor om brand te voorkomen. Neem gemorste olie of brandstof meteen op.
Plaats onderdelen op assteunen indien dit nodig is.
Haal voorzichtig de druk van onderdelen met opgeslagen energie.
Maak de accukabels los voordat u reparatiewerkzaamheden gaat verrichten. Maak eerst de minpool van de accu los en daarna de pluspool. Sluit eerst de pluspool van de accu aan en daarna de minpool.
Wees voorzichtig als u de cilinders/messenkooien controleert. Draag handschoenen en wees voorzichtig als u onderhoudswerkzaamheden uitvoert aan de messenkooien.
Houd uw handen en voeten uit de buurt van bewegende onderdelen. Stel indien mogelijk de machine niet af terwijl de motor loopt.
Laad de accu op in een open, goed geventileerde ruimte; doe dit niet in de buurt van vonken en open vuur. Haal de oplader uit het stopcontact voordat u deze aansluit op of losmaakt van de accu. Draag beschermende kleding en gebruik geïsoleerd gereedschap.
De volgende lijst bevat veiligheidsinstructies die specifiek zijn toegesneden op Toro-producten, of andere veiligheidsinstructies die niet zijn opgenomen in de CEN-, ISO- of ANSI-normen.
Dit product kan handen of voeten afsnijden en voorwerpen uitwerpen. Volg altijd alle veiligheidsinstructies op om ernstig of mogelijk dodelijk letsel te voorkomen.
Gebruik van dit product voor andere doeleinden dan het bedoelde gebruik kan gevaarlijk zijn voor de bestuurder of omstanders.
De uitlaatgassen van de motor bevatten koolmonoxide, een reukloos, dodelijk gif.
Laat de motor niet binnenshuis of in een afgesloten ruimte lopen.
Zorg ervoor dat u weet hoe u de motor snel kunt afzetten.
Draag geen tennisschoenen of gymschoenen als u de machine gebruikt.
Het verdient aanbeveling veiligheidsschoenen en een lange broek te dragen. Dit is verplicht op grond van diverse plaatselijke veiligheidsvoorschriften en verzekeringsbepalingen.
Wees voorzichtig als u omgaat met brandstof. Neem gemorste brandstof op.
Controleer elke dag of de interlockschakelaars goed functioneren. Als een schakelaar defect is, moet u deze vervangen voordat u de machine gebruikt.
Neem plaats op de bestuurdersstoel voordat u de motor start.
Let goed op als u de machine gebruikt. Om te voorkomen dat u de controle over de machine verliest, moet u de volgende instructies naleven:
Rij niet te dicht langs bunkers, greppels, sloten of andere gevaarlijke punten.
Verminder de snelheid als u een scherpe bocht maakt. Vermijd plotseling stoppen en starten.
Als u in de buurt van een weg werkt of deze oversteekt, moet u altijd voorrang verlenen.
Gebruik de bedrijfsremmen als u een helling afdaalt, om de snelheid laag te houden en de machine onder controle te houden.
De maaidekken moeten omhoog worden gebracht als u van het ene werkgebied naar het andere rijdt.
Raak de motor, de geluiddemper of de uitlaatpijp niet aan als de motor loopt of direct nadat u deze heeft afgezet. Deze kunnen heet zijn en brandwonden veroorzaken.
Als de motor afslaat of de machine vaart verliest en de top van een helling niet haalt, mag u de machine nooit keren. U moet dan altijd langzaam in een rechte lijn achterwaarts de helling af rijden.
Als er onverwachts een persoon of huisdier in of in de buurt van het maaigebied verschijnt, moet u stoppen met maaien. Onvoorzichtig gebruik in combinatie met de hoeken van het terrein, afkaatsingen en verkeerd geplaatste schermen kunnen leiden tot letsel als gevolg van uitgeworpen voorwerpen. Ga pas verder met maaien als er niets of niemand meer in het maaigebied is.
Zorg ervoor dat alle aansluitstukken van de hydraulische leidingen vastzitten en alle hydraulische slangen en leidingen in goede staat verkeren voordat u druk zet op het hydraulische systeem.
Houd lichaam en handen uit de buurt van kleine lekgaten of spuitmonden waaruit onder hoge druk hydraulische vloeistof ontsnapt. U kunt lekken in het hydraulische systeem opsporen met behulp van karton of papier. Doe dit niet met uw handen. Hydraulische vloeistof die onder druk ontsnapt, kan voldoende kracht hebben om door de huid heen te dringen, en letsel veroorzaken. Waarschuw onmiddellijk een arts als er hydraulische vloeistof is geïnjecteerd in de huid.
Voordat u het hydraulische systeem loskoppelt of werkzaamheden daaraan verricht, moet u alle druk in het systeem opheffen. Dit doet u door de motor af te zetten en de maaidekken en werktuigen neer te laten op de grond.
Controleer regelmatig of de brandstofleidingen goed vastzitten en slijtage vertonen. Indien nodig moet u ze vastzetten of repareren.
Als de motor moet lopen om onderhouds- of afstelwerkzaamheden uit te voeren, moet u uw kleding, handen, voeten en andere lichaamsdelen uit de buurt van de maaidekken, werktuigen en bewegende delen houden. Houd iedereen op afstand.
Ten behoeve van de veiligheid en een nauwkeurige afstelling moet u het maximale motortoerental door een erkende Toro-dealer laten controleren met een toerenteller.
Indien belangrijke reparaties nodig zijn of hulp is vereist, moet u contact opnemen met een erkende Toro-dealer.
Gebruik uitsluitend door Toro goedgekeurde werktuigen en onderdelen. De garantie kan komen te vervallen als werktuigen worden gebruikt die niet zijn goedgekeurd.
Deze machine heeft een geluidsniveau van 103 dBA met een onzekerheidswaarde (K) van 1 dBA.
Het geluidsniveau werd bepaald volgens de procedures in ISO 11094.
Deze machine oefent een geluidsdruk van 86 dBA uit op het gehoor van de bestuurder (met een onzekerheidswaarde (K) van 1 dBA).
De geluidsdruk werd bepaald volgens de procedures in EN 836.
Hand-arm
Gemeten trillingsniveau op de rechterhand = 0,98 m/s2
Gemeten trillingsniveau op de linkerhand = 0,66 m/s2
Onzekerheidswaarde (K) = 0,5 m/s2
De gemeten waarden zijn bepaald volgens de procedures in EN 836.
Gehele lichaam
Gemeten trillingsniveau = 0,31 m/s2
Onzekerheidswaarde (K) = 0,15 m/s2
De gemeten waarden zijn bepaald volgens de procedures in EN 836.
De motor van deze machine voldoet aan de eisen van EPA Tier 4 Final en fase 3b.
![]() |
Veiligheidsstickers en veiligheidsinstructies zijn gemakkelijk zichtbaar voor de bestuurder en bevinden zich bij plaatsen waar gevaar kan ontstaan. Vervang alle beschadigde of verdwenen stickers. |

















Note: Bepaal vanuit de normale bedieningspositie de linker- en rechterzijde van de machine.
De banden worden in de fabriek opzettelijk te hard opgepompt. U moet daarom voor gebruik wat lucht laten ontsnappen om de luchtdruk te verminderen. De voor- en achterbanden moeten een spanning hebben van 0,83-1,03 bar.
Important: Zorg ervoor dat alle banden steeds de juiste bandenspanning hebben voor een gelijkmatig contact met de grasmat.
De hoogte van de treeplanken kunnen worden aangepast aan de wensen van de bestuurder.
Verwijder de 2 bouten en moeren waarmee de beugels van de treeplank zijn bevestigd aan het frame van de tractie-eenheid (Figuur 2)

Zet de treeplank op de gewenste hoogte en zet de beugels weer vast aan het frame met de 2 bouten en moeren.
Herhaal deze procedure bij de andere treeplank.
De stand van de bedieningsarm kan worden aangepast aan de wensen van de gebruiker.
Draai de 2 bouten los waarmee de bedieningsarm is vastgezet aan de bevestigingsbeugel (Figuur 3).

Draai de bedieningsarm in de gewenste stand en zet de 2 bouten weer vast.
Benodigde onderdelen voor deze stap:
| Slanggeleider voorzijde rechts | 1 |
| Slanggeleider voorzijde links | 1 |
Haal de motoren van de messenkooien uit de transportbeugels.
Verwijder de transportbeugels en gooi deze weg.
Haal de maaidekken uit de dozen. U moet de maaidekken monteren en afstellen volgens de instructies in de Gebruikershandleiding.
Zorg ervoor dat het contragewicht (Figuur 4) wordt gemonteerd aan het juiste uiteinde van het maaidek volgens de instructies in de Gebruikershandleiding van het maaidek.

Alle maaidekken worden geleverd met de gazoncompensatieveer gemonteerd op de rechterkant van het maaidek. De gazoncompensatieveer moet worden gemonteerd aan dezelfde kant van het maaidek als de aandrijfmotor van de messenkooi. U stelt de stand van de gazoncompensatieveer als volgt af:
Draai de 2 slotbouten en de moeren los waarmee de stangbeugel is bevestigd aan de lippen op het maaidek (Figuur 5).

Verwijder de flensmoer waarmee de bout van de veerbuis is bevestigd aan de lip op het draagframe (Figuur 5). Verwijder het geheel.
Monteer de bout van de veerbuis aan de andere lip op het draagframe en zet deze vast met de flensmoer. De kop van de bout moet zich bevinden aan de buitenkant van de lip zoals wordt getoond in Figuur 6.

Monteer de stangbeugel aan de lippen op de maai-eenheid met de slotbouten en de moeren (Figuur 6).
Important: Op maaidek nummer 4 (links vooraan) en 5 (rechts vooraan) (Figuur 7) moet u de montagemoeren van de stangbeugel gebruiken om de slanggeleiders aan de voorzijde van de lippen van het maaidek te bevestigen. Figuur 8 De slanggeleiders moeten naar het middelste maaidek zijn gericht (Figuur 8 en Figuur 9).



Note: Als u de maaidekken monteert of verwijdert, moet u de R-pen in de opening voor de veerstang naast de stangbeugel plaatsen. Als u de maaidekken niet monteert of verwijdert, moet u de R-pen in het gat aan het uiteinde van de stang plaatsen.
Laat alle hefarmen helemaal neer.
Verwijder de borgpen en het kapje van het juk van het draaipunt van de hefarm (Figuur 10).

Als u een voormaaidek monteert, moet u het maaidek onder de hefarm schuiven, terwijl u de as van het draagframe in het juk van het draaipunt van de hefarm steekt (Figuur 11).

Ga als volgt te werk bij de montage van de achtermaaidekken als de maaihoogte hoger dan 19 mm is.
Verwijder de lynch-pen en de ring waarmee de as van het draaipunt van de hefarm is bevestigd aan de hefarm, en schuif de as uit de hefarm (Figuur 12).

Plaats het juk van de hefarm op de as van het draagframe (Figuur 11).
Steek de as van de hefarm in de hefarm en zet deze vast met de ring en de lynch-pen (Figuur 12).
Plaats het kapje op de as van het draagframe en het juk van de hefarm.
Zet het kapje en de as van het draagframe vast aan het juk van de hefarm met de borgpen. Gebruik de sleuf als een sturend maaidek is gewenst of de opening als het maaidek moet worden vastgezet in zijn stand (Figuur 10).
Bevestig de ketting van de hefarm aan de kettingbeugel met de borgpen (Figuur 13). Gebruik het aantal kettingschakels volgens de instructies in de Gebruikershandleiding van het maaidek.

Bij maaidek nr. 4 (links vooraan) en 5 (rechts vooraan) moet u de slangen van de motor van de messenkooi in de overeenkomende slanggeleider brengen.
Smeer schoon vet op de sleufas van de motor van de messenkooi.
Smeer olie op de O-ring van de motor van de messenkooi en plaats deze op de flens van de motor.
Plaats de motor door deze rechtsom te draaien zodat de flenzen van motor loskomen van de bouten (Figuur 14). Draai de motor linksom totdat de flenzen om de bouten zitten en draai vervolgens de bouten vast.
Important: Controleer of de slangen van de motor van de messenkooi niet zijn verdraaid, geknikt of het risico lopen te worden afgekneld.

De gazoncompensatieveer (Figuur 15) zorgt ervoor dat het gewicht van de voorste naar de achterste rol wordt verplaatst. (Dit voorkomt dat er een golfpatroon in de grasmat ontstaat, ook wel bekend als 'bobbing'.)
Important: Stel de veer af als het maaidek is gemonteerd aan de tractie-eenheid, recht naar voren wijst en is neergelaten op de vloer van de werkplaats.
Monteer de borgpen in de achterste opening in de veerstang (Figuur 15).

Draai de zeskantige moeren op het voorste uiteinde van de veerstang vast totdat de lengte van de samengedrukte veer 12,7 cm bedraagt op de Reelmaster 5410 maaidekken van 12,7 cm of 15,9 cm op de Reelmaster 5510 maaidekken van 17,8 cm (Figuur 15).
Note: Als u werkt op oneffen terrein, moet de veer 12,7 mm korter zijn. De machine zal het grondoppervlak iets minder goed volgen.
Benodigde onderdelen voor deze stap:
| Kick-standaard van maaidek | 1 |
Als het maaidek moet worden gekanteld om bij het ondermes/messenkooi te kunnen komen, moet u de achterkant van het maaidek ondersteunen met de kick-standaard zodat de moeren op het achtereind van de stelschroeven van de snijbalk niet op het werkvlak rusten (Figuur 16).

Bevestig de kick-standaard aan de kettingbeugel met de borgpen (Figuur 17).


Met de stoelverstelhendel (Figuur 19) kunt u de stoel naar voren en naar achteren schuiven. Met de instelhendel voor het gewicht kan de stoel worden aangepast aan het gewicht van de bestuurder. De meter voor de instelling van het gewicht geeft aan wanneer de stoel is ingesteld naar het gewicht van de bestuurder. Met de instelknop voor de hoogte kan de stoel worden aangepast aan de lengte van de bestuurder.

Het tractiepedaal (Figuur 20) regelt de beweging vooruit en achteruit. Om vooruit te rijden, moet u de bovenkant van het pedaal intrappen en om achteruit te rijden de onderkant van het pedaal. De rijsnelheid hangt af van hoever het pedaal wordt ingetrapt. Voor de maximale rijsnelheid zonder belasting trapt u het pedaal volledig in terwijl de gashendel op Snel staat.
Om te stoppen, laat u het tractiepedaal opkomen en weer terugkeren in de middelste stand.

Als de begrenzer voor de maaisnelheid (Figuur 20) is omhooggeklapt, kunt u de maaisnelheid regelen en de maaidekken inschakelen. Met elk afstandsstuk kunt u de maaisnelheid met ongeveer 0,8 km/u wijzigen. Hoe meer afstandsstukken u plaatst, des te lager zal de maaisnelheid zijn. Om de machine in de transportstand te zetten, klapt u de snelheidsbegrenzer terug en kunt u met de maximale transportsnelheid rijden.
Trap het rempedaal in (Figuur 20) om de machine te stoppen.
Om de parkeerrem in werking te stellen, (Figuur 20) moet u het rempedaal intrappen en de bovenkant naar voren drukken om dit vast te zetten. Om de parkeerrem uit te schakelen, trapt u het rempedaal in totdat de vergrendeling van de parkeerrem wordt ingetrokken.
Om het stuur in uw richting te kantelen, moet u het pedaal (Figuur 20) intrappen, de stuurkolom naar u toe trekken in een stand die voor u het meest comfortabel is en daarna uw voet van het pedaal halen.
Met de toerentalschakelaar (Figuur 21) kunt u het toerental op twee manieren veranderen. Door op de schakelaar te tikken kan het toerental in stappen van 100 tpm worden verhoogd of verlaagd. Hou een zijde van de schakelaar ingedrukt om de motor automatisch in hoog of laag stationair te schakelen.

De activerings-/blokkeringsschakelaars (Figuur 21) worden in combinatie met de maai-/hefhendel gebruikt om de maaidekken te bedienen.
Het InfoCenter lcd-scherm toont informatie zoals de bedrijfsmodus en diverse diagnostieken en andere informatie over de machine (Figuur 21).
De contactschakelaar (Figuur 21) heeft drie standen: uit, draaien en starten.
Met deze hendel (Figuur 21) kunt u de maaidekken omhoog en omlaag brengen om te maaien en de messen starten en tot stilstand brengen als de messen in de maaistand zijn gezet. De maaidekken kunnen niet worden neergelaten als de maai-/hefhendel in de transportstand staat.
Zet de schakelaar omlaag om de koplampen te ontsteken (Figuur 21).
De wethendels worden in combinatie met de maai-/hefhendel gebruikt om de messenkooien te wetten (Figuur 22).

Laat de motor lopen bij een normale bedrijfstemperatuur en kijk op de indicator (Figuur 23), deze moet in de groene zone staan. Als de indicator in de rode zone staat, moeten de hydraulische filters worden vervangen.

Het aansluitpunt is geschikt voor 12 V elektrische apparaten (Figuur 24).

Het InfoCenter lcd-scherm toont informatie over uw machine, onder meer de bedrijfsstatus en allerlei diagnostische informatie (Figuur 25). Het InfoCenter beschikt over een welkomstscherm en hoofdscherm. U kunt te allen tijde heen en weer gaan tussen het welkomstscherm en het hoofdscherm door een willekeurige welke knop in het InfoCenter te bedienen en dan op de richtingspijl te drukken.

Linkerknop, knop toegang tot menu/terug – druk op deze knop om naar de menu's van het InfoCenter te gaan. De knop dient om het huidige menu te verlaten.
Middelste knop – gebruik deze knop om naar beneden door menu's te bewegen.
Rechterknop – gebruik deze knop als een pijl naar rechts aangeeft dat er nog andere opties in het menu zijn.
Note: De knoppen kunnen verschillende functies vervullen afhankelijk van wat op dat moment nodig is. Voor elke knop is er een icoon dat de huidige functie weergeeft.
| SERVICE DUE | Geeft aan wanneer gepland onderhoud moet worden uitgevoerd |
![]() | Motortoerental/status – het toerental van de motor |
![]() | Urenteller |
![]() | Informatiepictogram |
![]() | Snel |
![]() | Langzaam |
![]() | Brandstofpeil |
![]() | Stationair herstel vereist |
![]() | Bougies zijn actief |
![]() | Maai-eenheden omhoog brengen |
![]() | Maai-eenheden omlaag brengen |
![]() | De bestuurder moet op de stoel zitten |
![]() | Indicator parkeerrem – geeft aan of de parkeerrem is ingeschakeld |
![]() | Geeft het hoge bereik aan (transport) |
![]() | Neutraalstand |
![]() | Geeft het lage bereik aan (Maaien) |
![]() | Koelvloeistoftemperatuur – de temperatuur van de motorkoelvloeistof in °C of °F |
![]() | Temperatuur (heet) |
![]() | Aftakas is ingeschakeld |
![]() | Geweigerd of niet toegestaan |
![]() | Motor – Starten |
![]() | Gestopt of uitgeschakeld |
![]() | Motor |
![]() | Contactschakelaar |
![]() | De maai-eenheden worden omlaag gebracht |
![]() | De maai-eenheden worden omhoog gebracht |
![]() | PIN-code |
![]() | CAN-bus |
![]() | InfoCenter |
![]() | Slecht of mislukt |
![]() | Gloeilamp |
![]() | Uitvoer van TEC-controller of bedieningskabel in kabelboom |
![]() | Schakelaar |
![]() | De bestuurder moet de schakelaar vrijgeven |
![]() | De bestuurder moet de status wijzigen in wat aangegeven wordt |
| Symbolen worden vaak gecombineerd in zinnen. Hier volgen enkele voorbeelden | |
![]() | De bestuurder moet de machine in neutraal zetten |
![]() | Motor weigert te starten |
![]() | Motor uitgeschakeld |
![]() | Motorkoelvloeistof te heet |
![]() | Ga zitten of schakel de parkeerrem in werking |
Druk in het hoofdscherm op de menuknop om naar het InfoCenter menusysteem te gaan. U gaat naar het hoofdmenu. Raadpleeg de volgende tabellen voor een overzicht van de opties die u hebt in de menu's:
| Hoofdmenu | |
| Menu-optie | Beschrijving |
| Storingen | Het menu Storingen bevat een lijst met de recente machinestoringen. Raadpleeg de Gebruikershandleiding of een erkende Toro-distributeur voor meer informatie over het menu Storingen en de informatie die het bevat. |
| Onderhoud | Het menu Onderhoud bevat informatie over de machine, zoals bedrijfsurentellers en andere cijfergegevens van die aard. |
| Diagnostiek | Het menu Diagnostiek geeft de status van elke machineschakelaar, sensor en bedieningsoutput aan. U kunt dit menu gebruiken om sommige problemen op te lossen. In het menu ziet u namelijk welke onderdelen in- en uitgeschakeld zijn. |
| Instellingen | In het menu Instellingen kunt u het InfoCenter-scherm configureren en aan uw voorkeuren aanpassen. |
| Machine | In het menu Machine ziet u het modelnummer, het serienummer en de versie van de software op uw machine. |
| Onderhoud | |
| Menu-optie | Beschrijving |
| Hours | Het totale aantal bedrijfsuren van de machine, motor en aftakas, alsook het aantal uren dat de machine getransporteerd is geweest en de tijd tot het volgende onderhoudsinterval. |
| Counts | Een overzicht van talrijke tellingen die de machine heeft uitgevoerd. |
| Diagnostisch systeem | |
| Menu-optie | Beschrijving |
| Maai-eenheden | Geeft de invoer, bepalende factoren en uitvoer voor het optillen en neerlaten van de maaidekken aan. |
| Hoog/laag bereik | Geeft de invoer, bepalende factoren en uitvoer voor het rijden in de transportmodus aan. |
| Aftakas | Geeft de invoer, bepalende factoren en uitvoer voor het inschakelen van het aftakascircuit aan. |
| Engine Run | Geeft de invoer, bepalende factoren en uitvoer voor het inschakelen van de motor aan. |
| Wetten | Geeft de invoer, bepalende factoren en uitvoer voor het inschakelen van de wetfunctie aan. |
| Instellingen | |
| Menu-optie | Beschrijving |
| Eenheden | Bepaalt de eenheden die gebruikt worden in het InfoCenter. De opties zijn Engels of metrisch |
| Taal | Bepaalt de taal die gebruikt wordt in het InfoCenter*. |
| Schermverlichting lcd | De helderheid van het lcd-scherm. |
| Contrast lcd | Het contrast van het lcd-scherm. |
| Front Backlap Reel Speed | Bepaalt de snelheid van de voorste messen in wetmodus. |
| Rear Backlap Reel Speed | Bepaalt de snelheid van de achterste messen in wetmodus. |
| Beveiligde menu's | Geeft een door uw bedrijf geautoriseerde persoon toegang tot de beveiligde menu's met een PIN-code. |
| Auto stationair | Bepaalt hoeveel tijd er verstrijkt voordat de machine bij stationair draaien naar laag stationair schakelt. |
| Aantal messen | Bepaalt het aantal messen van de messenkooi voor het messenkooitoerental. |
| Maaisnelheid | Regelt de rijsnelheid om het messenkooitoerental te bepalen. |
| Maaihoogte | Regelt de maaihoogte om het messenkooitoerental te bepalen. |
| V messenkooi tpm | De berekende toerentalstand van de voorste messenkooien. De messenkooien kunnen ook handmatig worden ingesteld. |
| A messenkooi tpm | De berekende toerentalstand van de achterste messenkooien. De messenkooien kunnen ook handmatig worden ingesteld. |
* Alleen gebruikerstekst wordt vertaald. De schermen fouten, onderhoud en diagnostiek hebben betrekking op onderhoud. De titels worden weergegeven in de ingestelde taal, maar de menu-items zijn in het Engels.
| Betreffende | |
| Menu-optie | Beschrijving |
| Model | Het modelnummer van de machine. |
| Serienummer | Het serienummer van de machine. |
| Machine Controller Revision | De softwareversie van de hoofdbedieningseenheid. |
| InfoCenter softwareversie | De softwareversie van het InfoCenter. |
| CAN-bus | De status van de communicatiebus van de machine. |
In het instellingenmenu van het InfoCenter kunt u 7 configuratie-instellingen voor de bediening veranderen: vertraging auto stationair, aantal messen, maaisnelheid, maaihoogte, V messenkooi tpm en A messenkooi tpm. U kunt deze instellingen vergrendelen door middel van de Beveiligde menu's.
Note: Bij levering van de machine is de oorspronkelijke code geprogrammeerd door uw distributeur.
Note: De standaard PIN-code van de machine is 0000 of 1234.Als u de PIN-code heeft gewijzigd en vergeten bent, neem dan contact op met uw erkende Toro distributeur voor hulp.
Scroll in het HOOFDMENU met de middelste knop naar beneden tot het INSTELLINGENMENU en druk op de rechterknop (Figuur 26).

Scroll in het INSTELLINGENMENU met de middelste knop naar beneden tot het BEVEILIGDE MENU en druk op de rechterknop (Figuur 27A).

Om de PIN-code in te voeren drukt u op de middelste knop tot het eerste gewenste cijfer verschijnt, druk dan op de rechterknop om naar het volgende cijfer te gaan (Figuur 27B en Figuur 27C). Herhaal dit tot het laatste cijfer is ingevoerd en druk dan nogmaals op de rechterknop.
Druk op de middelste knop om de PIN-code in te voeren (Figuur 27D).
Wacht tot het rode controlelampje van het InfoCenter oplicht.
Note: Als het InfoCenter de PIN-code accepteert en het beveiligde menu opent dan verschijnt "PIN" in de rechter bovenhoek van het scherm.
Note: Zet de contactschakelaar op UIT en dan op AAN om het beveiligde menu te vergrendelen.
In het beveiligde menu kunt u instellingen bekijken en wijzigen. Scroll in het beveiligde menu omlaag tot de optie Instellingen beveiligen. Wijzig de instelling met de rechterknop. Als u Instellingen beveiligen op UIT zet kunt u de instellingen in het beveiligde menu bekijken en wijzigen zonder de PIN-code in te voeren. Als u Instellingen beveiligen op AAN zet worden de beveiligde opties verborgen en moet u de PIN-code invoeren om de instellingen in het beveiligde menu te wijzigen. Na het instellen van de PIN-code moet u de contactschakelaar op UIT zetten en dan terug op AAN om deze optie te activeren en op te slaan.
Scroll in het instellingenmenu naar beneden tot u de functie Auto Stationair ziet.
Druk op de rechterknop om de instelling voor automatisch stationair draaien te wijzigen; de mogelijke opties zijn 8, 10, 15, 20, 30 seconden of UIT.
Scroll in het instellingenmenu naar beneden tot u de functie Aantal messen ziet
Druk op de rechterknop om het aantal messen te wijzigen; u kunt kiezen tussen 5, 8 of 11.
Scroll in het instellingenmenu naar beneden tot u de functie Maaisnelheid ziet.
Druk op de rechterknop om de maaisnelheid in te stellen.
Gebruik de middelste en de rechterknop om de gepaste maaisnelheidinstelling te selecteren op de mechanische maaisnelheidbegrenzer van het tractiepedaal.
Druk op de linkerknop om het maaisnelheidmenu te verlaten en de instelling te bewaren.
Scroll in het instellingenmenu naar beneden tot u de functie HOC ziet
Druk op de rechterknop om HOC te selecteren.
Gebruik de middelste en de rechterknop om de gewenste maaihoogte-instelling te kiezen. (Als de gewenste instelling niet wordt weergegeven, kies dan de HOC-instelling uit de lijst die deze het dichtst benadert).
Druk op de linkerknop om het menu HOC te verlaten en de instelling te bewaren.
De toerentallen van de voorste en achterste messenkooien worden berekend aan de hand van het aantal messen, de maaisnelheid en de maaihoogte-instelling in het InfoCenter. U kunt de instelling echter handmatig aanpassen aan verschillende maaiomstandigheden.
Om het toerental van de messenkooien te wijzigen, scrollt u naar beneden tot u V messenkooi tpm, A messenkooi tpm of beide ziet.
Druk op de rechterknop om het toerental te veranderen. Als de toerentalinstelling wordt gewijzigd, zal het display het toerental berekend op basis van de vorige instellingen van het aantal messen, de maaisnelheid en de maaihoogte blijven weergeven; u zult echter ook de nieuwe waarde zien.
Note: Specificaties en ontwerp kunnen zonder voorafgaande kennisgeving worden gewijzigd.
| Specificatie | ReelMaster® 5410-D | ReelMaster® 5510-D |
| Transportbreedte | 228 cm | 233 cm |
| Maaibreedte | 254 cm | 254 cm |
| Lengte | 282 cm | 282 cm |
| Hoogte | 160 cm | 160 cm |
| Gewicht(inclusief vloeistoffen en maaidekken met 8 messen) | 1335 kg | 1420 kg |
| Motor | Yanmar 36 pk | Yanmar 36 pk |
| Inhoud brandstoftank | 53 liter | 53 liter |
| Transportsnelheid | 0-16 km/u | 0-16 km/u |
| Maaisnelheid | 0-13 km/u | 0-13 km/u |
Een selectie van door Toro goedgekeurde werktuigen en accessoires is verkrijgbaar voor gebruik met de machine om de mogelijkheden daarvan te verbeteren en uit te breiden. Neem contact op met een erkende servicedealer of distributeur of bezoek www.Toro.com voor een lijst van alle goedgekeurde werktuigen en accessoires.
Note: Bepaal vanuit de normale bedieningspositie de linker- en rechterzijde van de machine.
Als u het sleuteltje in het contact laat, bestaat de kans dat iemand de motor per ongeluk start waardoor u en andere omstanders ernstig letsel kunnen oplopen.
Laat de maaidekken neer op de grond, stel de parkeerrem in werking en verwijder het sleuteltje uit het contact voordat u onderhouds- of afstelwerkzaamheden aan de machine verricht.
Voordat u de motor start en de machine in gebruik neemt, moet u het oliepeil in het carter van de motor controleren; zie Het motoroliepeil controleren.
In bepaalde omstandigheden is brandstof uiterst ontvlambaar en zeer explosief. Brand of explosie van brandstof kan brandwonden bij u of anderen en materiële schade veroorzaken.
Vul de brandstoftank in de open lucht wanneer de motor koud is. Eventueel gemorste brandstof opnemen.
Vul de brandstoftank nooit als de machine in een gesloten aanhanger staat.
Rook nooit wanneer u met brandstof bezig bent en houd de brandstof weg van open vlammen of vonken.
Brandstof in een goedgekeurd vat of blik en buiten bereik van kinderen bewaren. Koop nooit meer benzine dan u in 30 dagen kunt opmaken.
Gebruik de machine uitsluitend als het complete uitlaatsysteem is gemonteerd en naar behoren werkt.
In bepaalde omstandigheden kan tijdens het tanken statische elektriciteit worden ontladen, waardoor vonken ontstaan die brandstofdampen tot ontbranding kunnen brengen. Brand of explosie van brandstof kan brandwonden bij u of anderen en materiële schade veroorzaken.
Zet brandstofvaten altijd op de grond en uit de buurt van de machine voordat u de tank bijvult.
Brandstofvaten niet in een voertuig,vrachtwagen of op een aanhanger vullen, omdat bekleding of kunststof beplating het vat kan isoleren en de afvoer van statische lading kan bemoeilijken.
Als het praktisch mogelijk is, kunt u het best een machine eerst van de vrachtwagen of aanhanger halen en bijtanken als de machine met de wielen op de grond staat.
Als dit niet mogelijk is, verdient het de voorkeur dergelijke machines op een truck of aanhanger bij te vullen uit een draagbaar vat, en niet met behulp van een vulpistool van een pomp.
Als u een vulpistool moet gebruiken, dient u de vulpijp voortdurend in contact te houden met de rand van de brandstoftank of de opening van het vat, totdat het bijvullen voltooid is.
Brandstof is schadelijk of dodelijk bij inname. Langdurige blootstelling aan dampen kan leiden tot ernstig letsel en ziekte.
Voorkom dat u dampen lange tijd inademt.
Houd uw gezicht uit de buurt van het vulpistool en de opening van de brandstoftank.
Houd brandstof uit de buurt van ogen en huid.
Important: Gebruik uitsluitend diesel met een extreem laag zwavelgehalte. Brandstof met een hoger gehalte zwavel beschadigt de dieseloxidatiekatalysator (DOC). Dit zal leiden tot operationele problemen en verkort de levensduur van de motoronderdelen.Als de onderstaande waarschuwingen niet worden opgevolgd kan dit leiden tot schade aan de motor.
Gebruik geen kerosine of benzine in plaats van dieselbrandstof.
Meng nooit kerosine of motorolie met de dieselbrandstof.
Bewaar de brandstof nooit in vaten die van binnen verzinkt zijn.
Voeg geen additieven toe aan de brandstof.
Cetaangetal: 45 of hoger
Zwavelgehalte: ultralaag (< 15 ppm)
| Diesel specificatie | Locatie |
| ASTM D975 | VS |
| No. 1-D S15 | |
| No. 2-D S15 | |
| EN 590 | EU |
| ISO 8217 DMX | Internationaal |
| JIS K2204 Grade No. 2 | Japan |
| KSM-2610 | Korea |
Gebruik uitsluitend schone, verse diesel of biodiesel.
Koop brandstof in hoeveelheden die binnen 180 dagen kunnen worden gebruikt zodat u altijd verse brandstof heeft.
Gebruik zomerdieselbrandstof (nr. 2-D) bij temperaturen boven -7 °C en winterdieselbrandstof (nr. 1-D of nr. 1-D/2-D-mengsel) bij temperaturen beneden -7 °C.
Note: Gebruik van winterdieselbrandstof bij lage temperaturen biedt een lager vlampunt en een lager stolpunt. Dit vergemakkelijkt het starten en vermindert de kans dat de filters verstopt raken.Gebruik bij temperaturen boven -7 °C zomer- in plaats van winterdieselbrandstof om de brandstofpomp langer te laten meegaan en meer vermogen te ontwikkelen.
Deze machine kan ook gebruik maken van een dieselmengsel tot maximaal B20 (20% biodiesel, 80% diesel).
Zwavelgehalte: ultralaag (< 15 ppm)
Biodiesel specificatie: ASTM D6751 of EN 14214
Gemengde brandstof specificatie: ASTM D975, EN 590, of JIS K2204
Important: Het aandeel diesel moet een ultralaag zwavelgehalte hebben.
Neem de volgende voorzorgsmaatregelen in acht:
Biodieselmengsels kunnen gelakte oppervlakken beschadigen.
Gebruik B5 (biodieselinhoud 5%) of mengsels met een lager percentage in koud weer.
Controleer afdichtingen, slangen en pakkingen, die in contact met brandstof komen, omdat zij in de loop der tijd hierdoor kunnen worden aangetast.
De kans bestaat dat een brandstoffilter na verloop van tijd verstopt raakt, nadat u bent overgestapt op een biodieselmengsel.
Neem contact op met uw erkende Toro distributeur als u informatie over biodiesel wenst.
53 liter
Parkeer de machine op een horizontaal oppervlak.
Maak de omgeving van de dop van de brandstoftank schoon. Gebruik hiervoor een schone doek.
Verwijder de dop van de brandstoftank (Figuur 28).

Vul de brandstoftank tot 6 tot 13 mm vanaf de onderkant van de vulbuis.
Draai de tankdop na het vullen stevig vast.
Note: Vul de brandstoftank na elk gebruik indien dit mogelijk is. Dit beperkt mogelijke condensvorming in de brandstoftank tot een minimum.
| Onderhoudsinterval | Onderhoudsprocedure |
|---|---|
| Bij elk gebruik of dagelijks |
|
Verwijder dagelijks het vuil van de radiateur, de oliekoeler en de voorkant van de radiateur. Vaker reinigen bij extreem stoffige en vuile omstandigheden. Zei het hoofdstuk Vuil verwijderen uit het koelsysteem.
Het koelsysteem bevat een mengsel met een 50/50 verhouding van water en permanente ethyleenglycol-antivries. Controleer elke dag vóór het starten van de motor het koelvloeistofpeil in de expansietank. De inhoud van het koelsysteem is ongeveer 6,6 liter.
Als de motor heeft gelopen, kan de hete koelvloeistof, die onder druk staat, ontsnappen indien de radiateurdop wordt verwijderd. Dit kan brandwonden veroorzaken.
Verwijder de radiateurdop nooit als de motor loopt.
Gebruik een doek als u de radiateurdop verwijdert en draai de dop langzaam open om de stoom te laten ontsnappen.
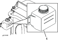
Controleer het koelvloeistofpeil in de expansietank (Figuur 29).
Het koelvloeistofpeil behoort tussen de markeringen op de zijkant van de tank te staan.

Als het koelvloeistofpeil te laag staat, verwijdert u de dop van de expansietank en vult u het systeem bij. Niet te vol vullen.
Plaats de dop van de expansietank terug.
| Onderhoudsinterval | Onderhoudsprocedure |
|---|---|
| Bij elk gebruik of dagelijks |
|
Het reservoir van het hydraulische systeem is in de fabriek gevuld met ongeveer 30 liter hoogwaardige hydraulische vloeistof. Controleer het peil van de hydraulische vloeistof voordat de motor voor het eerst wordt gestart, en vervolgens dagelijks. Aanbevolen wordt het reservoir bij te vullen met de volgende hydraulische vloeistof:
| Toro Premium All Season hydraulische vloeistof (verkrijgbaar in emmers van 19 liter of vaten van 208 liter. Zie de onderdelencatalogus van de Toro-dealer voor de onderdeelnummers. |
Andere vloeistoffen: Als de hydraulische vloeistof van Toro niet beschikbaar is, kunt u andere vloeistoffen gebruiken mits deze voldoen aan alle volgende materiaaleigenschappen en industriespecificaties: We raden af een synthetische vloeistof te gebruiken. Vraag uw smeermiddelenleverancier naar een geschikt product. Opmerking: Toro aanvaardt geen enkele aansprakelijkheid voor schade die wordt veroorzaakt door gebruik van verkeerde vervangende vloeistoffen. Gebruik daarom uitsluitend producten van gerenommeerde fabrikanten die garant staan voor de door hen aanbevolen vloeistoffen.
| ISO VG 46 slijtagewerende hydraulische vloeistof met hoge viscositeitsindex/laag stolpunt | |||
| Materiaaleigenschappen: | |||
| Viscositeit, ASTM D445 | cSt @ 40 °C 44 tot 50cSt @ 100 °C 7,9 tot 8,5 | ||
| Viscositeitsindex ASTM D2270 | 140 tot 160 | ||
| Stolpunt, ASTM D97 | -37 °C tot -45 °C | ||
| Industriespecificaties: | |||
| Vickers I-286-S (kwaliteitsniveau), Vickers M-2950-S (kwaliteitsniveau), Denison HF-0 | |||
Important: De ISO VG 46 Multigrade vloeistof blijkt een optimale werking te geven bij een groot aantal temperatuursomstandigheden. Voor gebruik bij constant hoge omgevingstemperaturen van 18 °C tot 49 °C, kan ISO VG 68 hydraulische vloeistof zorgen voor betere prestaties.
Hoogwaardige biologisch afbreekbare hydraulische vloeistof-Mobil EAL EnviroSyn 46H
Important: Mobil EAL EnviroSyn 46H is de enige synthetische biologisch afbreekbare vloeistof die Toro heeft goedgekeurd. Deze vloeistof is compatibel met de elastomeren die worden gebruikt in hydraulische systemen van Toro, en is geschikt voor een groot aantal temperatuursomstandigheden. Deze vloeistof is compatibel met gangbare minerale olie, maar met het oog op maximale biologische afbreekbaarheid en goede prestaties moet het hydraulische systeem grondig met gewone vloeistof worden gespoeld. De vloeistof is verkrijgbaar in emmers van 19 liter of vaten van 208 liter bij een Mobil-leverancier.
Important: Veel hydraulische vloeistoffen zijn bijna kleurloos, zodat het moeilijk is lekkages op te sporen. Er is een rode kleurstof voor de vloeistof in het hydraulisch systeem verkrijgbaar in flesjes van 20 ml. Één flesje is voldoende voor 15-22 liter hydraulische vloeistof. U kunt deze kleurstof bestellen bij een erkende Toro-dealer, Onderdeelnr. 44-2500. Wij adviseren de rode kleurstof niet te gebruiken voor biologisch afbreekbare vloeistoffen. Gebruik in plaats daarvan een kleurstof voor voedingsmiddelen
Plaats de machine op een horizontaal vlak, laat de maaidekken neer en zet de motor af.
Reinig de omgeving van de vulbuis en de dop van de hydraulische tank (Figuur 30). Verwijder de dop van de vulbuis.

Verwijder de peilstok uit de vulbuis en veeg deze af met een schone doek. Steek de peilstok in de vulbuis. Verwijder deze daarna en controleer het vloeistofpeil. Het vloeistofpeil moet 6,3 mm van de markering op de peilstok staan. Niet te vol vullen.
Als het peil te laag is, vult u voldoende vloeistof bij totdat het peil de vol-markering bereikt.
Plaats de peilstok en de dop op de vulbuis.
| Onderhoudsinterval | Onderhoudsprocedure |
|---|---|
| Bij elk gebruik of dagelijks |
|
Elke dag voordat u gaat maaien moet u het contact tussen het ondermes en de messenkooi controleren, ongeacht of de maaikwaliteit bij een eerdere maaibeurt aanvaardbaar is geweest. Er moet over de volle lengte een licht contact tussen de messenkooi en het ondermes zijn (zie Contact tussen snijplaat en messenkooi afstellen in de gebruikershandleiding ).
| Onderhoudsinterval | Onderhoudsprocedure |
|---|---|
| Na het eerste bedrijfsuur |
|
| Na de eerste 10 bedrijfsuren |
|
| Om de 250 bedrijfsuren |
|
Haal de wielmoeren aan met 94 tot 122 N·m. na 1-4 bedrijfsuren en opnieuw na 10 bedrijfsuren. Haal de wielmoeren daarna om de 250 bedrijfsuren aan.
Als de wielmoeren niet steeds de juiste torsie hebben, kan dit leiden tot lichamelijk letsel.
Important: Het brandstofsysteem ontlucht zichzelf indien zich een van de volgende situaties voordoet:
Eerste keer starten van een nieuwe machine.
De motor is gestopt omdat de brandstof op was.
Er is onderhoud uitgevoerd aan componenten van het brandstofsysteem.
Neem plaats op de bestuurdersstoel, haal uw voet van het tractiepedaal zodat deze in de neutraalstand komt, stel de parkeerrem in werking, zet de toerentalschakelaar op de middelste stand en controleer of de activerings-/blokkeringsschakelaar op Blokkeren is gezet.
Haal uw voet van het tractiepedaal en let erop dat het pedaal in de neutraalstand staat.
Draai het contactsleuteltje naar de stand Lopen.
Als het indicatielampje van de gloeibougie dooft, draait u het contactsleuteltje op Start. Laat het sleuteltje direct los als de motor start en laat dit weer terugkeren naar Lopen. Laat de motor (zonder lading) warm worden en zet vervolgens de gashendel in de gewenste stand.
Zet alle bedieningsorganen in de neutraalstand, stel de parkeerrem in werking, zet de toerentalschakelaar op laag stationair en laat de motor op een laag stationair toerental lopen.
Draai het sleuteltje op Uit en haal het uit het contact.
Om ervoor te zorgen dat de maaikwaliteit constant en van hoog niveau blijft en het gazon na het maaien een gelijkmatig uiterlijk krijgt, is het belangrijk dat de toerentalregeling van de messenkooien juist is afgesteld. U stelt het toerental van de messenkooien als volgt in:
In het InfoCenter (menu instellingen) kiest u het aantal messen, de maaisnelheid en de maaihoogte zodat het juiste messenkooitoerental wordt berekend.
Als verdere afstelling nodig is, kunt u in het menu instellingen naar beneden scrollen tot u V messenkooi tpm, A messenkooi tpm of beide ziet.
Druk op de rechterknop om het toerental te veranderen. Als de toerentalinstelling wordt gewijzigd, zal het display het toerental berekend op basis van de instellingen van het aantal messen, de maaisnelheid en de maaihoogte blijven weergeven; u zult echter ook de nieuwe waarde zien.
Note: Mogelijk moet u het toerental van de messenkooien verhogen of verlagen in verband met veranderingen in de gazonomstandigheden.
Note: Het maaien van gras op een snelheid waarop de motor wordt belast draagt bij aan de regeneratie van het DPF.
Breng de machine naar het werkterrein en stel deze buiten het maaigebied op om de eerste baan te maaien.
Verzeker dat de aftakasschakelaar op DISABLE/UITGESCHAKELD staat.
Duw de hendel van de maaisnelheidbegrenzer naar voren.
Druk op de gashendel-snelheidsschakelaar om het motortoerental op STATIONAIR - HOOG in te stellen.
Laat de maaidekken neer op de grond met de joystick.
Druk de aftakasschakelaar in om de maaidekken klaar te maken voor gebruik.
Til de maaidekken van de grond met de joystick.
Rij de machine naar het maaigebied en laat de maaidekken zakken.
Note: Het maaien van gras op een snelheid waarop de motor wordt belast draagt bij aan de regeneratie van het DPF.
Na met maaien van een baan heft u de maaidekken met de joystick.
Maak een druppelvormige bocht om de machine snel voor de volgende baan uit te lijnen.
Het dieselparticulaarfilter (DPF) is een onderdeel van het uitlaatsysteem. De oxidatie-katalysator van het DPF vermindert de hoeveelheid schadelijke gassen en het roetfilter vangt het roet in de uitlaatgassen op.
Bij de regeneratie van het DPF wordt het roet in het filter verbrand door de hitte van de uitlaatgassen. Hierbij wordt het roet omgezet tot as en worden de kanalen van het filter schoongemaakt zodat de gefilterde uitlaatgassen door het DPF kunnen stromen.
De computer van de motor bepaalt de mate van roetopbouw door de tegendruk van het DPF te meten. Een te hoge tegendruk betekent dat het roet in het filter niet verbrand wordt tijdens het normale bedrijf van de motor. Hou rekening met het volgende om roetopbouw in het DPF te voorkomen:
Passieve regeneratie wordt continu uitgevoerd zolang de motor loopt. Laat de motor indien mogelijk met vol toerental lopen tijdens de regeneratie van het DPF.
Als de tegendruk te hoog wordt zal de motorcomputer via het InfoCenter aangeven als er aanvullende processen (ondersteunde en reset regeneratie) worden uitgevoerd.
Laat deze processen volledig afronden voordat u de motor afzet.
Hou bij het gebruik en onderhoud van uw machine rekening met de werking van het DPF. Een belaste motor bij een stationair - hoog toerental produceert meestal uitlaatgassen die heet genoeg zijn voor de regeneratie van het DPF.
Important: Minimaliseer de tijd dat de motor stationair loopt, of dat u de machine op een laag toerental laat lopen, om de opbouw van roet in het filter te beperken.
Gedurende de DPF regeneratie met geparkeerde machine of herstel regeneratie is de uitlaattemperatuur hoog (ongeveer 600°C). De hete uitlaatgassen kunnen gevaar opleveren voor u of anderen.
Laat de motor nooit in een afgesloten ruimte lopen.
Zorg dat er geen brandbaar materiaal is in de buurt van het uitlaatsysteem.
Raak nooit enig onderdeel van een heet uitlaatsysteem aan.
Blijf nooit in de buurt van de uitlaat van de machine staan.
Na verloop van tijd bouwt zich roet op in het DPF. De computer van de motor bewaakt de roetopbouw in het DPF.
Als er teveel roetopbouw is geeft de computer aan dat regeneratie van het DPF nodig is.
Hierbij wordt het roet in het DPF verbrand tot as.
De computer geeft niet alleen een waarschuwing maar verlaagt het motorvermogen ook, afhankelijk van de mate van roetopbouw.
| Niveau | Foutcode | Motorvermogen | Aanbevolen actie |
| Niveau 1 Motorwaarschuwing |
![]() | De computer vermindert het motorvermogen tot 85% | Voer zo snel mogelijk een geparkeerde regeneratie uit, zie Geparkeerde regeneratie |
| Niveau 2 Motorwaarschuwing |
![]() | De computer vermindert het motorvermogen tot 50% | Voer zo snel mogelijk een herstel regeneratie uit, zie Herstel regeneratie |
De lichtere as wordt via het uitlaatsysteem naar buiten geblazen, de zwaardere as bouwt zich op in het in roetfilter.
Deze as is een overblijfsel van het regeneratieproces. Na verloop van tijd bouwt de as die niet met de uitlaatgassen naar buiten wordt geblazen zich op in het DPF.
De computer van de motor berekent de hoeveelheid as in het DPF.
Als er een zekere hoeveelheid as is opgebouwd in het DPF stuurt de computer van de motor deze informatie naar het InfoCenter als een bestuurdersadvies of een motorstoring.
Dit bestuurdersadvies en de storingsmelding geven aan dat het DPF onderhoud nodig heeft.
De computer geeft niet alleen een waarschuwing maar verlaagt het motorvermogen ook, afhankelijk van de mate van as-opbouw.
| Niveau | Advies of foutcode | Vermindering van het toerental | Motorvermogen | Aanbevolen actie |
|---|---|---|---|---|
| Niveau 1 Bestuurdersadvies |
![]() | Geen | 100% | Laat de onderhoudswerkplaats weten dat het InfoCenter Advies #179 toont. |
| Niveau 2 Motorwaarschuwing |
![]() | Geen | De computer vermindert het motorvermogen tot 85% | Geef het DPF een onderhoudsbeurt, zie Onderhoud van de dieseloxidatiekatalysator (DOC) en roetfilter |
| Niveau 3 Motorwaarschuwing |
![]() | Geen | De computer vermindert het motorvermogen tot 50% | Geef het DPF een onderhoudsbeurt, zie Onderhoud van de dieseloxidatiekatalysator (DOC) en roetfilter |
| Niveau 4 Motorwaarschuwing |
![]() | Toerental voor maximum koppel + 200 tpm | De computer vermindert het motorvermogen tot 50% | Geef het DPF een onderhoudsbeurt, zie Onderhoud van de dieseloxidatiekatalysator (DOC) en roetfilter |
| Soort regeneratie | Wanneer | Proces |
|---|---|---|
| Passief | Gedurende normaal bedrijf van de machine, bij een hoog toerental of hoge motorbelasting | Het InfoCenter toont geen pictogram tijdens passieve regeneratie. |
| Tijdens de passieve regeneratie gebruikt het DPF de hete uitlaatgassen voor het oxideren van schadelijke uitstoot en het verbranden van roet tot as. | ||
| Zie Passieve regeneratie van het DPF. | ||
| Assist/ondersteund | Vanwege een laag toerental, lage motorbelasting, of als de computer een hoge tegendruk meet in het DPF | Als het ondersteunde/reset regeneratie pictogram wordt weergegeven op het
InfoCenter wordt een ondersteunde regeneratie uitgevoerd. |
| Gedurende ondersteunde regeneratie regelt de computer de gasklep om de uitlaattemperatuur te verhogen en ondersteunde regeneratie mogelijk te maken. | ||
| Zie Ondersteunde regeneratie van het DPF. | ||
| Reset | Wordt alleen uitgevoerd na ondersteunde regeneratie indien de computer merkt dat de ondersteunde regeneratie de hoeveelheid roet niet voldoende heeft verminderd | Als het ondersteunde/reset regeneratie pictogram wordt weergegeven op het
InfoCenter wordt een regeneratie uitgevoerd. |
| Tevens elke 100 uur om de sensormetingen te resetten | ||
| Gedurende reset regeneratie regelt de computer de gasklep en de brandstofinjectie om de uitlaattemperatuur te verhogen. | ||
| Zie Reset regeneratie. |
| Soort regeneratie | Wanneer | Proces |
|---|---|---|
| Geparkeerd | Er is roet opgebouwd door lang werken bij een laag toerental of lage motorbelasting. Kan ook worden veroorzaakt door ongeschikte olie of brandstof. | Als het geparkeerde regeneratie pictogram wordt weergegeven op het
InfoCenter is regeneratie nodig. |
| De computer meet de tegendruk veroorzaakt door de roetopbouw en verzoekt om een geparkeerde regeneratie | ||
| • Voer de geparkeerde regeneratie zo snel mogelijk uit om een herstel regeneratie te voorkomen. | ||
| • Geparkeerde regeneratie duurt 30 tot 60 minuten. | ||
| • De brandstoftank moet minstens ¼ gevuld zijn. | ||
| • U moet de machine parkeren voor een herstel regeneratie. | ||
| Zie Geparkeerde regeneratie. | ||
| Recovery/herstel | Is nodig als het verzoek om geparkeerde regeneratie niet is opgevolgd, het verdere gebruik leidt tot nog meer roetopbouw in het DPF dat al geparkeerde regeneratie nodig heeft. | Als het herstel regeneratie pictogram wordt weergegeven op het
InfoCenter is herstel regeneratie nodig. |
| Neem contact op met een erkende Toro distributeur zodat een onderhoudsmonteur de herstel regeneratie kan uitvoeren. | ||
| • Herstel regeneratie kan tot 4 uur duren. | ||
| • De brandstoftank van de machine moet minstens ½ vol zijn. | ||
| • U moet de machine parkeren voor een herstel regeneratie. | ||
| Zie Herstel regeneratie. |
Passieve regeneratie wordt uitgevoerd tijdens de normale werking van de motor.
Laat de motor tijdens het gebruik van de machine zo veel mogelijk op het maximale toerental lopen om de regeneratie van het DPF te helpen.

Het pictogram ondersteunde regeneratie verschijnt op het InfoCenter (Figuur 37).
De computer regelt de gasklep om de uitlaattemperatuur te verhogen en ondersteunde regeneratie mogelijk te maken.
Laat de motor tijdens het gebruik van de machine zo veel mogelijk op het maximale toerental lopen om de regeneratie van het DPF te helpen.
Het
pictogram verschijnt op het InfoCenter tijdens
de ondersteunde regeneratie.
Indien mogelijk: schakel de motor niet uit en verlaag het toerental niet tijdens de ondersteunde regeneratie.
Important: Laat de machine de volledige ondersteunde regeneratie uitvoeren voordat u de motor afzet.
Note: De ondersteunde regeneratie is voltooid als het
pictogram op het InfoCenter
verschijnt.

Het pictogram ondersteunde/reset regeneratie verschijnt op het InfoCenter (Figuur 38).
De computer regelt de gasklep en de brandstofinjectie om de uitlaattemperatuur te verhogen.
Important: Het pictogram ondersteunde/reset regeneratie geeft aan dat de uitlaattemperatuur van uw machine hoger kan zijn dan bij normaal bedrijf.
Laat de motor tijdens het gebruik van de machine zo veel mogelijk op het maximale toerental lopen om de regeneratie van het DPF te helpen.
Het
pictogram verschijnt op het InfoCenter tijdens
de reset regeneratie.
Indien mogelijk: schakel de motor niet uit en verlaag het toerental niet tijdens de reset regeneratie.
Important: Laat de machine de volledige reset regeneratie uitvoeren voordat u de motor afzet.
Note: De reset regeneratie is voltooid als het
pictogram op het InfoCenter
verschijnt.

Het pictogram verzoek geparkeerde regeneratie verschijnt op het InfoCenter (Figuur 39).
Als geparkeerde regeneratie nodig is verschijnt op het InfoCenter Motorwaarschuwing SPN 3719, FMI 16 (Figuur 40) en de computer van de motor vermindert het vermogen tot 85%.

Important: Als u de geparkeerde regeneratie niet binnen 2 uur uitvoert vermindert de computer van de motor het vermogen tot 50%.
Geparkeerde regeneratie duurt 30 tot 60 minuten.
Met toestemming van uw werkgever kunt u de PIN-code invoeren om de geparkeerde regeneratie uit te voeren.
Verzeker dat de brandstoftank minstens ¼ vol is.
Parkeer de machine buiten, en op geruime afstand van brandbare materialen.
Parkeer de machine op een horizontaal oppervlak.
Verzeker dat tractiebediening of rijhendels op NEUTRAAL staan.
Indien van toepassing: laat de maai-eenheden zakken en schakel ze uit.
Stel de parkeerrem in werking.
Zet de gashendel op LAAG STATIONAIR .
Note: Voor informatie over het openen van beveiligde menu's, zie Toegang tot de beveiligde menu's.
Open het beveiligde menu en ontgrendel het beschermde submenu met instellingen (Figuur 41), zie Toegang tot de beveiligde menu's.

Ga naar het HOOFDMENU, druk op de middelste knop om te scrollen naar hetONDERHOUDSMENU, druk dan op de rechterknop om ONDERHOUD te kiezen (Figuur 42).
Note: Het InfoCenter moet de PIN-indicator in de rechterbovenhoek tonen.

In het ONDERHOUD MENU drukt u op de middelste knop totdat de REGENERATIE VAN HET DPF optie verschijnt, druk dan op de rechterknop om de optie REGENERATIE VAN HET DPF te kiezen (Figuur 43).

Als het bericht “Initiate DPF Regen. Are you sure?” (DPF regeneratie starten. Bent u zeker?) verschijnt drukt u op de middelste knop (Figuur 44).

Als de temperatuur van de koelvloeistof temperatuur
lager is dan 60°C verschijnt het bericht “Insure
is running and above 60C/140F”
(Figuur 45).
Lees de temperatuur af op het display en laat de machine met vol gas lopen tot de temperatuur 60° bereikt,druk dan op de middelste knop.
Note: Als de temperatuur van de koelvloeistof hoger is dan 60°C dan verschijnt dit bericht niet.

Zet de gashendel op LAAG STATIONAIR en druk op de middelste knop (Figuur 46).

De volgende berichten worden getoond als de geparkeerde regeneratie begint:
“Initiating DPF Regen.” (Figuur 47).

Daarna “Waiting on
” (Figuur 48).

De computer bepaalt of de regeneratie wordt uitgevoerd. Een van de volgende berichten verschijnt op het InfoCenter:
Als regeneratie mogelijk is verschijnt “Regen Initiated. Allow up to 30 minutes for completion” op het InfoCenter, wacht dan tot de machine de geparkeerde regeneratie heeft uitgevoerd (Figuur 49).

Als de motorcomputer de regeneratie niet toestaat verschijnt “DPF Regen Not Allowed” op het InfoCenter (Figuur 50). Druk op de linkerknop om het Home-scherm te verlaten
Important: Als niet alle voorwaarden voor de regeneratie vervuld zijn of de laatste regeneratie minder dan 50 uur geleden is verschijnt “DPF Regen Not Allowed”.

Gedurende de regeneratie gaat het InfoCenter naar het Home-scherm en toont de volgende pictogrammen:
![]() | De motor is koud - wachten. | |
![]() | De motor is warm - wachten. | |
![]() | De motor is heet - regeneratie wordt uitgevoerd (percentage voltooid). |
De geparkeerde regeneratie is voltooid als het bericht “Regen Complete” op het InfoCenter verschijnt. Druk op de linkerknop om het Home-scherm te verlaten (Figuur 51).

Als u geen aandacht schenkt aan het verzoek om geparkeerde regeneratie op het InfoCenter en de machine blijft gebruiken zal er zich een kritieke hoeveelheid roet opbouwen in het DPF.
Als een herstel regeneratie nodig is verschijnt op het InfoCenter motorwaarschuwing SPN 3719, FMI 16 (Figuur 52) en de motorcomputer vermindert het vermogen tot 85%.

Important: Als u de herstel regeneratie niet binnen 15 minuten uitvoert vermindert de motorcomputer het vermogen tot 50%.
Voer een herstel regeneratie uit als het motorvermogen lager wordt en geparkeerde regeneratie niet voldoende is om het roet uit het DPF te branden.
Herstel regeneratie kan tot 4 uur duren.
De herstel regeneratie moet door een monteur van de distributeur worden uitgevoerd, neem contact op met uw erkende Toro distributeur.
U kunt de tegendruk op de hefarmen van het achtermaaidek afstellen om de machine aan te passen voor verschillende gazonomstandigheden en ervoor te zorgen dat de maaihoogte constant blijft in zware omstandigheden of op terrein waar een viltlaag is ontstaan.
U kunt elke tegendrukveer instellen op vier verschillende standen. Elke stand verhoogt of verlaagt de tegendruk op het maaidek met 2,3 kg ten opzichte van de vorige stand. De veren kunnen worden geplaatst op de achterkant van de eerste actuator van de veer om alle tegendruk op te heffen (vierde stand).
Plaats de machine op een horizontaal oppervlak, laat de maaidekken neer, zet de motor af, stel de parkeerrem in werking en verwijder het sleuteltje uit het contact.
Breng een buis of vergelijkbaar voorwerp aan over het lange veeruiteinde en draai ze rond de actuator van de veer tot de gewenste stand (Figuur 53).
De veren staan onder spanning.
Wees voorzichtig bij het afstellen.

Herhaal deze procedure bij de andere veer.
Plaats de machine op een horizontaal oppervlak, laat de maaidekken neer, zet de motor af, stel de parkeerrem in werking en verwijder het sleuteltje uit het contact.
De schakelaar van de hefarm bevindt zich onder de hydraulische tank achter de hefarm rechts voor (Figuur 54).
Draai de bevestigingsschroeven van de schakelaar los (Figuur 54) en zet de schakelaar lager om de draaihoogte van de hefarm te verhogen of hoger om de draaihoogte te verlagen. Draai de bevestigingsschroeven vast.

In noodgevallen kan de machine vooruit worden bewogen door de omloopklep in de regelbare hydraulische pomp in werking te stellen en de machine te duwen of te slepen.
Important: U mag de machine niet sneller dan 3–4,8 km per uur duwen of slepen omdat anders de transmissie kan worden beschadigd. De omloopklep moet open zijn als de machine wordt geduwd of gesleept.
De omloopklep bevindt zich links van de hydrostaat (Figuur 55). Draai de omloopklep 1–1/2 slag om deze te openen en de olie inwendig om te laten leiden. Omdat de vloeistof wordt omgeleid, kan de machine worden voortbewogen zonder dat de transmissie wordt beschadigd.

Sluit de omloopklep voordat u de motor start. Sluit de klep met een torsie van maximaal 7-11 N·m.
Important: Als u de motor laat lopen met een geopende omloopklep, zal de transmissie oververhit raken.
Note: Plaats de machine op assteunen indien dit nodig is.
Voor – rechthoekig blok, onder de asbuis, aan de binnenzijde van beide voorwielen (Figuur 56).

Achter – rechthoekige asbuis op de achteras.
De machine is uitgerust met een diagnoselampje dat aangeeft dat het elektronische besturingssysteem een storing gevonden heeft. Het diagnoselampje bevindt zich op het InfoCenter, boven het display (Figuur 59). Als de machine naar behoren werkt en het contactsleuteltje naar de stand Aan/lopen wordt gedraaid, zal het diagnoselampje kort branden om te tonen dat het werkt. Als een machinestoring wordt weergegeven, gaat het lampje branden als er een mededeling is. Als een foutmelding wordt weergegeven, knippert het lampje tot de storing is opgelost.

De interlockschakelaars zijn bedoeld om aanslaan of starten van de motor alleen mogelijk te maken als het tractiepedaal in de neutraalstand is, de activerings-/blokkeringsschakelaar op Blokkeren is gezet en de maai-/hefhendel in de neutraalstand staat. Daarnaast wordt de motor uitgeschakeld als het tractiepedaal wordt ingetrapt terwijl de bestuurder niet op de stoel zit of de parkeerrem in werking is gesteld.
Niet-aangesloten of beschadigde interlockschakelaars kunnen onverwachte gevolgen hebben op de werking van de machine. Dit kan lichamelijk letsel veroorzaken.
Laat de interlockschakelaars ongemoeid.
Controleer elke dag de werking van de interlockschakelaars en vervang beschadigde schakelaars voordat u de machine weer in gebruik neemt.
| Onderhoudsinterval | Onderhoudsprocedure |
|---|---|
| Bij elk gebruik of dagelijks |
|
Plaats de machine op een horizontaal vlak, laat de maaidekken neer, zet de motor af en stel de parkeerrem in werking.
Draai het contactsleuteltje op Aan, maar start de motor niet.
Zoek de juiste schakelaarfunctie in het diagnostisch systeem van het InfoCenter.
Zet de schakelaars een voor een van open naar gesloten (d.w.z. ga op de stoel zitten, druk het tractiepedaal in, enz.) en controleer of de status van de schakelaar verandert. Herhaal deze procedure bij elke schakelaar die met de hand van de open in de gesloten stand kan worden gezet.
Als de schakelaar wordt gesloten zonder dat de bijbehorende indicator verandert, moet u alle kabels en aansluitingen naar de schakelaar controleren en/of de schakelaar doormeten met een weerstandsmeter. Vervang beschadigde schakelaars en repareer kapotte kabels.
Note: Het InfoCenter kan ook nagaan welke solenoïdes of relais van de outputs zijn ingeschakeld. Dit is een snelle manier om vast stellen of het om een storing in het elektrische of het hydraulische systeem van de machine gaat.
Plaats de machine op een horizontaal vlak, laat de maaidekken neer, zet de motor af en stel de parkeerrem in werking.
Draai het contactsleuteltje op Aan en start de machine.
Zoek de juiste outputfunctie in het diagnostisch systeem van het InfoCenter.
Neem plaats op de stoel en probeer de gewenste functie van de machine. Als de status van de juiste outputs verandert, duidt dit erop dat de ECM die functie inschakelt.
Note: Als de juiste outputs niet branden, moet u controleren of de vereiste inputschakelaars in de stand zijn gezet die nodig is om deze functie in te schakelen. Controleer of de schakelaar correct functioneert.Als de outputdisplays branden zoals is gespecificeerd, maar de machine niet naar behoren werkt, duidt dit op een defect dat niet van elektrische aard is. Indien nodig repareren.
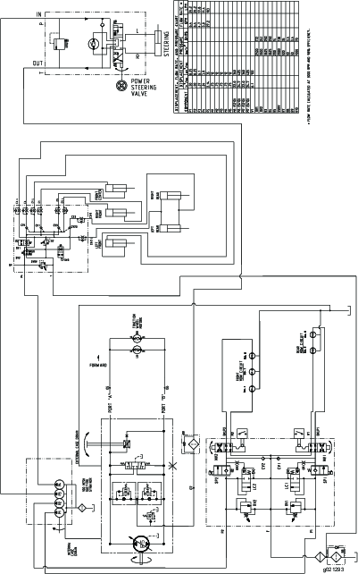
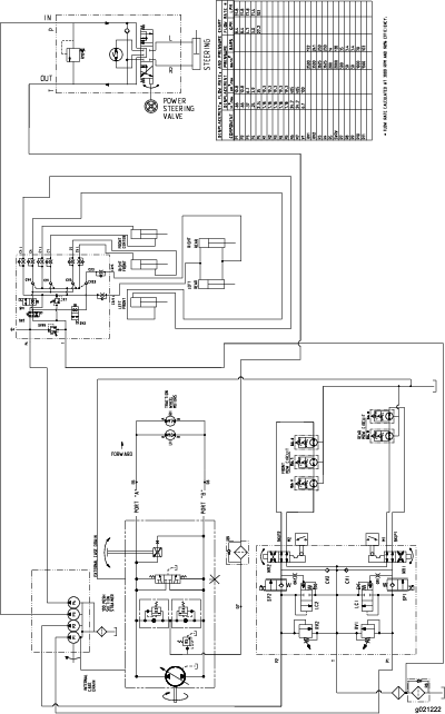
Raadpleeg onderstaande lijst voor een beschrijving van de verschillende functies van de solenoïdes in het verdeelstuk van het hydraulische systeem. Elke solenoïde moet worden geactiveerd om een functie in te schakelen.
| Solenoïde | Functie |
| SP2 | Circuit van voorste messenkooi |
| SP1 | Circuit van achterste messenkooi |
| SVRV | Maai-eenheden omhoog/omlaag brengen |
| SV1 | Voormaaidekken omhoog/omlaag brengen |
| SV3 | Achtermaaidekken omhoog/omlaag brengen |
| SV2 | Maai-eenheden omhoog brengen |
Voordat u gaat maaien, moet u zich op een open terrein oefenen in het gebruik van de machine. Start en stop de motor. Rij de machine vooruit en achteruit. Laat de maai-eenheden neer en hef ze op en schakel de messenkooien in en uit. Als u zich vertrouwd voelt met de machine, moet u zich oefenen in het helling opwaarts en afwaarts rijden bij verschillende snelheden.
Als een waarschuwingslampje tijdens het gebruik gaat branden, moet u de machine onmiddellijk stoppen en het probleem verhelpen voordat u verder gaat met maaien. Een machine met een defect kan ernstige schade oplopen als deze wordt gebruikt.
Start de motor en zet de toerentalschakelaar op Snel. Zet de activerings/blokkeringsschakelaar op Activeren en gebruik de maai-/hefhendel om de maaidekken omhoog en omlaag te brengen (de voormaaidekken zijn zo ingesteld dat zij eerder naar beneden komen dan de achtermaaidekken). Om vooruit te rijden en gras te maaien, moet u de tractiepedaal naar voren intrappen.
Zet de activerings-/blokkeringsschakelaar op Blokkeren en hef de maaidekken op in de transportstand. Zet de maai-/hefhendel in de Transportstand. Wees voorzichtig als u tussen objecten rijdt zodat u de machine of de maaidekken niet per ongeluk beschadigt. Wees extra voorzichtig wanneer u de machine op hellingen gebruikt. Rijd langzaam en maak geen scherpe bochten om omkantelen te voorkomen. Om beter in balans te kunnen blijven tijdens het sturen, moeten de maaidekken zijn neergelaten tijdens het afdalen.
Note: Bepaal vanuit de normale bedieningspositie de linker- en rechterzijde van de machine.
| Onderhoudsinterval | Onderhoudsprocedure |
|---|---|
| Na het eerste bedrijfsuur |
|
| Na de eerste 10 bedrijfsuren |
|
| Bij elk gebruik of dagelijks |
|
| Om de 50 bedrijfsuren |
|
| Om de 100 bedrijfsuren |
|
| Om de 200 bedrijfsuren |
|
| Om de 250 bedrijfsuren |
|
| Om de 400 bedrijfsuren |
|
| Om de 800 bedrijfsuren |
|
| Om de 6000 bedrijfsuren |
|
| Om de 2 jaar |
|
Gelieve deze pagina te kopiëren ten behoeve van gebruik bij routinecontroles.
| Gecontroleerde item | Voor week van: | ||||||
|---|---|---|---|---|---|---|---|
| Ma. | Di. | Wo. | Do. | Vr. | Za. | Zo. | |
| Werking van veiligheidssysteem controleren. | |||||||
| Werking van de remmen controleren. | |||||||
| Het peil van de motorolie en de brandstof controleren. | |||||||
| Brandstoffilter/waterafscheider aftappen. | |||||||
| Indicator voor verstopping in luchtfilter controleren. | |||||||
| Radiateur en scherm controleren op vuil. | |||||||
| Controleren of motor ongewone geluiden maakt.1 | |||||||
| Controleren op ongewone geluiden tijdens het gebruik. | |||||||
| Peil van hydraulische vloeistof controleren. | |||||||
| Indicator van het hydraulische filter controleren. 2 | |||||||
| Hydraulische slangen en leidingen op schade controleren. | |||||||
| Controleren op lekkages. | |||||||
| Controleer de bandenspanning. | |||||||
| Werking van instrumenten controleren. | |||||||
| Afstelling van contact tussen snijplaat en messenkooi controleren. | |||||||
| Maaihoogte-instelling controleren. | |||||||
| Controleren of de smeernippels moeten worden gesmeerd.3 | |||||||
| Beschadigde lak bijwerken. | |||||||
|
1. Controleer de gloeibougie en de spuitstukken van de injector als de motor moeilijk start, buitensporig veel rook afgeeft of ongelijkmatig loopt. 2. Controleren met draaiende motor en met de olie op bedrijfstemperatuur 3. Onmiddellijk na elke wasbeurt, ongeacht de voorgeschreven interval |
|||||||
| Controle uitgevoerd door: | ||
| Item | Datum | Informatie |
| 1 | ||
| 2 | ||
| 3 | ||
| 4 | ||
| 5 | ||
| 6 | ||
| 7 | ||
| 8 | ||
Important: Zie de gebruikershandleiding van de motor voor verdere onderhoudsprocedures.

Als u het sleuteltje in het contact laat, bestaat de kans dat iemand de motor per ongeluk start waardoor u en andere omstanders ernstig letsel kunnen oplopen.
Verwijder het sleuteltje uit het contact voordat u onderhoudswerkzaamheden uitvoert aan de machine.
| Onderhoudsinterval | Onderhoudsprocedure |
|---|---|
| Om de 50 bedrijfsuren |
|
Als de machine in normale omstandigheden wordt gebruikt, moet u alle lagers en lagerbussen om de 50 bedrijfsuren smeren met nr. 2 smeervet voor algemene doeleinden op lithiumbasis. Wij adviseren lagers en lagerbussen onmiddellijk na elke wasbeurt te smeren, ongeacht de voorgeschreven interval.
De smeerpunten en de hoeveelheden zijn als volgt:
Pompaandrijfas (3) (Figuur 61)

Cilinders van hefarmen van maaidek (2 elk) (Figuur 62)

Draaipunten van hefarmen (1 elk) (Figuur 62)
Draagframe van maaidek en draaipunt (2 elk) (Figuur 63)

As van draaipunt van hefarmen (1 elk) (Figuur 64)

Trekstang van achteras (2) (Figuur 65)

Draaipunt van asbesturing (1) (Figuur 66)

Kogelverbindingen van stuurcilinder (2) (Figuur 67)

Rempedaal (1) (Figuur 68)

| Onderhoudsinterval | Onderhoudsprocedure |
|---|---|
| Om de 400 bedrijfsuren |
|
Controleer de luchtfilterbehuizing op schade die een luchtlek kan veroorzaken. Vervang de luchtfilterbehuizing indien deze beschadigd is. Controleer het gehele luchtinlaatsysteem op lekken, beschadiging of losse slangklemmen.
Geef het luchtfilter uitsluitend een onderhoudsbeurt als de onderhoudsindicator (Figuur 69) dit aangeeft. Als u het luchtfilter vervangt voordat dit nodig is, wordt alleen maar de kans vergroot dat er vuil in de motor komt als het filter wordt verwijderd.
Important: Zorg ervoor dat het deksel goed vastzit en de luchtfilterbehuizing helemaal afsluit.
Maak de sluitingen los waarmee het deksel van het luchtfilter is bevestigd aan de luchtfilterbehuizing (Figuur 69).

Verwijder het deksel van de luchtfilterbehuizing. Alvorens het filter weg te halen, moet u met schone en droge perslucht onder lage druk (2,76 bar) grote hoeveelheden aangekoekt vuil verwijderen dat tussen de buitenkant van het filter en de filterbus zit. Gebruik geen perslucht onder hoge druk, omdat hierdoor vuil via the filter in het inlaatkanaal kan worden geblazen.
Deze reiniging voorkomt dat er vuil in de inlaat terechtkomt als het filter wordt verwijderd.
Verwijder en vervang het filter (Figuur 70).
Het wordt afgeraden het gebruikte element te reinigen omdat dit kan leiden tot beschadiging van de filtermedia. Inspecteer het nieuwe filter op transportschade en controleer het uiteinde van het filter (dit moet goed aansluiten) en de filterbehuizing. Een beschadigd element mag niet worden gebruikt. Plaats het nieuwe filter door de buitenring van het element aan te drukken om dit vast te zetten in de filterbus. Druk niet op het flexibele midden van het filter.

Reinig de opening van de vuiluitlaat in het afneembare deksel. Verwijder de rubberen uitlaatklep van het deksel, maak de holte schoon en plaats de klep terug.
Monteer het deksel met de rubberen uitlaatklep naar beneden gericht – in een stand tussen ongeveer 5:00 tot 7:00 uur, gezien vanaf het uiteinde.
Maak de sluitingen vast.
Gebruik hoogwaardige motorolie met een laag asgehalte, die aan de volgende specificaties voldoet:
API service category CJ-4 of hoger
ACEA service category E6
JASO service category DH-2
Important: Het gebruik van motorolie die niet voldoet aan API CJ-4 of hoger, ACEA E6, of JASO DH-2 kan leiden tot verstopping van het DPF of motorschade.
Gebruik motorolie met de volgende viscositeit:
Voorkeursolie: SAE 15W-40 (above -17,8°C)
Alternatieve olie: SAE 10W-30 of 5W-30 (voor alle temperaturen)
Toro Premium motorolie is verkrijgbaar bij uw erkende Toro distributeur, met een viscositeit van 15W-40 of 10W-30. Zie de onderdelencatalogus voor de onderdeelnummers.
| Onderhoudsinterval | Onderhoudsprocedure |
|---|---|
| Bij elk gebruik of dagelijks |
|
Important: Controleer het motoroliepeil dagelijks. Als de niveau van de motorolie hoger is dan het Vol-merkteken op de peilstok kan de olie verdund zijn met brandstof,in dat geval moet de olie vervangen worden.
De beste tijd om de motorolie te controleren is wanneer de motor koud is voordat deze is gestart voor de dag. Als hij al heeft gedraaid, moet u de olie eerst terug laten lopen gedurende tenminste 10 minuten voordat u controleert. Als het olieniveau op of onder de bijvulmarkering 'Add' op de peilstok staat, vul dan olie bij om het olieniveau bij het Vol-merkteken 'Full' te brengen. Giet niet te veel olie in de motor.
Important: Zorg ervoor dat het oliepeil tussen de markeringen voor het minimum- en het maximumpeil op de peilstok staat; de motor kan beschadigd worden indien deze te veel of te weinig olie bevat.
Parkeer de machine op een horizontaal oppervlak. Ontgrendel de motorkap.
Maak deze open.
Verwijder de peilstok uit de buis, veeg deze schoon en plaats de peilstok weer in de buis. Haal de peilstok er weer uit. Het oliepeil moet tot tussen de twee markeringen reiken (Figuur 71).

Als het oliepeil te laag is, moet u de vuldop verwijderen (Figuur 71) en olie bijvullen tot het peil tussen de twee markeringen komt. Niet te vol vullen.
Plaats de vuldop en de peilstok terug.
Sluit de motorkap en zet deze vast met de vergrendelingen.
5,2 liter
| Onderhoudsinterval | Onderhoudsprocedure |
|---|---|
| Om de 250 bedrijfsuren |
|
Vervang de olie en het filter om de 250 bedrijfsuur.
Verwijder de aftapplug (Figuur 72) en laat de olie in een opvangbak lopen. Als alle olie is weggelopen, plaatst u de aftapplug terug.

Verwijder het oliefilter (Figuur 72). Smeer een dun laagje schone olie op de nieuwe filterpakking voordat u deze vastschroeft. Niet te vast draaien.
Vul het carter met olie; zie Motorolie verversen en filter vervangen.
| Onderhoudsinterval | Onderhoudsprocedure |
|---|---|
| Om de 6000 bedrijfsuren |
|
Als advies op het InfoCenter verschijnt is het DPF binnenkort toe aan onderhoud van de dieseloxidatiekatalysator (DOC) en het roetfilter.

Als motorstoring , , of op het InfoCenter (Figuur 74) verschijnt, maak het roetfilter dan schoon zoals hieronder beschreven:



Zie het hoofdstuk over de motor in de Onderhoudshandleiding voor informatie over de demontage en montage van de dieseloxidatiekatalysator (DOC) en roetfilter van het DPF.
Neem contact op met uw erkende Toro distributeur voor vervangingsonderdelen of onderhoud van de dieseloxidatiekatalysator (DOC) en het roetfilter.
Neem contact op met uw erkende Toro distributeur voor een reset van de ECU van de motor na montage van een schoon DPF.
In bepaalde omstandigheden zijn dieselbrandstof en brandstofdampen uiterst ontvlambaar en explosief. Brand of explosie van brandstof kan brandwonden of materiële schade veroorzaken.
Gebruik een trechter of tuit; brandstof uitsluitend in de open lucht bij een afgezette of koude motor bijvullen. Eventueel gemorste brandstof opnemen.
Vul de brandstoftank niet helemaal. Vul de brandstoftank totdat het peil 6 mm tot 13 mm van de onderkant van de vulbuis staat. Dit geeft de brandstof in de tank ruimte om uit te zetten.
Rook nooit wanneer u met brandstof bezig bent en houd de brandstof weg van open vlammen of vonken.
Bewaar de brandstof in schone, veilige en goedgekeurde containers en zorg dat de dop op zijn plaats blijft.
| Onderhoudsinterval | Onderhoudsprocedure |
|---|---|
| Om de 400 bedrijfsuren |
|
Verwijder dagelijks water of ander vuil uit de waterafscheider (Figuur 75). Vervang de filterbus om de 400 bedrijfsuren.
Plaats een schone opvangbak onder het brandstoffilter.
Zet de aftapplug onderaan de filterbus los en open de klep bovenaan de bevestigingsbeugel van de bus.

Reinig de omgeving van de plaats waar de filterbus wordt gemonteerd.
Verwijder de filterbus en reinig de plaats waar deze wordt gemonteerd.
Smeer schone olie op de pakking van de filterbus.
Monteer de filterbus met de hand totdat de pakking contact maakt en draai deze vervolgens nog een halve slag verder.
Zet de aftapplug onderaan de filterbus vast en sluit de klep bovenaan de bevestigingsbeugel van de bus.
| Onderhoudsinterval | Onderhoudsprocedure |
|---|---|
| Om de 400 bedrijfsuren |
|
Het motorbrandstoffilter moet om de 400 bedrijfsuren worden vervangen.
Reinig de omgeving van de plaats waar het filter wordt gemonteerd (Figuur 76).

Verwijder het filter en reinig het filterkopplaatsingsoppervlak (Figuur 76).
Smeer de filterpakking met schone motorsmeerolie. Zie ook de Motorbedieningshandleiding bij de machine, voor verdere aanbevelingen.
Monteer de droge filterbus met de hand totdat de pakking contact maakt en draai deze vervolgens nog een halve slag verder.
Start de motor en controleer op brandstoflekkage rond de filterkop.
| Onderhoudsinterval | Onderhoudsprocedure |
|---|---|
| Om de 400 bedrijfsuren |
|
Controleer de brandstofleidingen en -verbindingen om de 400 bedrijfsuren of jaarlijks, waarbij de kortste periode moet worden aangehouden. Controleer ze op slijtage, beschadigingen of loszittende verbindingen.
De brandstofaanzuigbuis in de brandstoftank is voorzien van een rooster dat voorkomt dat er vuil in het brandstofsysteem komt. Verwijder de aanzuigbuis en reinig het rooster als dit nodig is.
Important: Voordat u laswerkzaamheden aan de machine verricht, moet u beide accukabels loskoppelen van de accu, beide stekkers van de kabelboom losmaken van de ECM en de accupoolconnector uit de wisselstroomdynamo halen om beschadiging van het elektrische systeem te voorkomen.
| Onderhoudsinterval | Onderhoudsprocedure |
|---|---|
| Om de 50 bedrijfsuren |
|
Accuklemmen, accupolen en dergelijke onderdelen bevatten lood en loodverbindingen. Van deze stoffen is bekend dat ze kanker en schade aan de voortplantingsorganen veroorzaken. Was altijd uw handen nadat u met deze onderdelen in aanraking bent geweest.
Accuzuur bevat zwavelzuur; dit is een dodelijk gif dat ernstige brandwonden veroorzaakt.
U mag accuzuur nooit inslikken en moet elk contact met huid, ogen of kleding vermijden. Draag een veiligheidsbril en rubberhandschoenen om uw ogen en handen te beschermen.
Vul de accu alleen bij op plaatsen waar schoon water aanwezig is om indien nodig uw huid af te spoelen.
Bij het opladen produceert de accu gassen die tot ontploffing kunnen komen.
Rook nooit in de buurt van de accu en zorg ervoor dat er geen vonken of vlammen vlakbij de accu komen.
Controleer de conditie van de accu elke week of om de 50 bedrijfsuren. Zorg ervoor dat de accuklemmen en de gehele accubehuizing schoon zijn omdat een vuile accu langzaam stroom afgeeft. Om de accu te reinigen, moet u de hele accubak wassen met een oplossing van natriumbicarbonaat en water. Omspoelen met schoon water.
Er zijn 8 zekeringen in het elektrische systeem. De zekeringhouder (Figuur 77) bevindt zich achter het inspectieluik op de bedieningsarm.


De machine mag niet kruipen als het tractiepedaal niet is ingetrapt. Als de machine kruipt, moet u de tractieaandrijving als volgt afstellen:
Parkeer de machine op een horizontaal oppervlak, zet de motor af en laat de maaidekken neer op de grond.
Krik de voorkant van de machine op tot de voorbanden vrijkomen van de vloer van de werkplaats. Zorg ervoor dat de machine steunt op de rustpunten van de krik om te voorkomen dat de machine per ongeluk valt.
Note: Bij modellen met vierwielaandrijving moeten ook de achterwielen vrijkomen van de vloer
Draai de borgmoer op de afstelnok van de tractie, rechts van de hydrostaat, los (Figuur 79).

De motor moet lopen zodat een laatste afstelling van de afstelnok van de tractie kan worden uitgevoerd. Dit kan lichamelijk letsel veroorzaken.
Houd gezicht, handen, voeten en andere lichaamsdelen uit de buurt van de geluiddemper, andere hete delen van de motor en draaiende onderdelen.
Start de motor en draai de zeskantige moer van de afstelnok in beide richtingen totdat de wielen ophouden met draaien.
Draai de borgmoer vast om de afstelling te borgen.
Zet de motor af. Haal de assteunen weg en laat de machine neer op de grond.
Maak een proefrit met de machine om er zeker van te zijn dat deze niet kruipt.
| Onderhoudsinterval | Onderhoudsprocedure |
|---|---|
| Om de 800 bedrijfsuren |
|
Draai het stuurwiel zodanig dat de achterwielen recht naar voren wijzen.
Draai de contramoeren aan de uiteinden van de trommel van de tractiestang los (Figuur 80).
Note: Het uiteinde van de trekstang met de groef op de buitenkant heeft een linkse draad.

Draai de trekstang. Gebruik hiervoor de sleutelsleuf
Meet de afstand bij de voorkant en achterkant van de achterwielen ter hoogte van de as. De afstand aan de voorkant van de achterwielen mag niet meer dan 6 mm verschillen van die aan de achterkant van de wielen.
Herhaal deze procedure als dit nodig is.
| Onderhoudsinterval | Onderhoudsprocedure |
|---|---|
| Bij elk gebruik of dagelijks |
|
| Om de 100 bedrijfsuren |
|
| Om de 2 jaar |
|
Verwijder dagelijks het vuil van het scherm en de radiateur/oliekoeler (vaker reinigen in vuile omstandigheden).
Zet de motor af en haal het sleuteltje uit het contact.
Verwijder grondig al het vuil dat zich rond het motorgedeelte bevindt.
Maak de sluiting los en draai het achterscherm open (Figuur 81).

Reinig beide zijden van de radiateur/oliekoeler grondig Figuur 82) met perslucht.

Sluit het scherm en maak de sluiting vast.
Stel de serviceremmen af als de rempedalen meer dan 2,5 cm speling hebben of als de remmen niet naar behoren functioneren. Met speling wordt de afstand bedoeld die het rempedaal wordt ingetrapt voordat er remweerstand wordt gevoeld.
Note: Gebruik de speling van de wielmotor om de trommels heen en weer te bewegen om te controleren of deze voor en na het afstellen vrij kunnen bewegen.
Om de speling op de rempedalen te verkleinen, draait u de remmen vast. Draai hiervoor de voorste moer op het draadeinde van de remkabel los (Figuur 83).

Draai de achterste moer vast om de kabel naar achteren te halen totdat de rempedalen 1,27 tot 1,9 cm speling hebben voordat het wiel blokkeert.
Draai de voorste moeren aan en controleer of beide kabels de remmen gelijktijdig in werking stellen.
Als de parkeerrem niet werkt, moet de rempal worden afgesteld.
Draai de 2 schroeven los waarmee de pal van de parkeerrem is bevestigd aan het frame (Figuur 84).

Trap het pedaal van de parkeerrem naar voren totdat de remvergrendeling de rempal geheel vastgrijpt (Figuur 84).
Draai de 2 schroeven vast om de afstelling te borgen.
Trap op het rempedaal om de parkeerrem vrij te zetten.
Controleer de afstelling en stel nogmaals af indien dit nodig is.
| Onderhoudsinterval | Onderhoudsprocedure |
|---|---|
| Na de eerste 10 bedrijfsuren |
|
| Om de 100 bedrijfsuren |
|
Controleer de conditie en de spanning van de riem (Figuur 85) om de 100 bedrijfsuren.
Bij een correcte spanning heeft de riem een speling van 10 mm als u halverwege tussen de poelies op de riem drukt met een kracht van 44 N.
Als de speling niet correct is (10 mm), moet u de montagebouten van de wisselstroomdynamo losdraaien (Figuur 85). Verhoog of verminder de spanning van de riem van de wisselstroomdynamo en draai de bouten vast. Controleer nogmaals de speling van de riem om zeker van te zijn dat de spanning correct is.

| Onderhoudsinterval | Onderhoudsprocedure |
|---|---|
| Om de 800 bedrijfsuren |
|
| Om de 2 jaar |
|
Ververs de hydraulische vloeistof in normale omstandigheden om de 800 bedrijfsuren. Als de vloeistof verontreinigd raakt, moet u contact opnemen met uw plaatselijke Toro-dealer omdat het systeem dient te worden schoongespoeld. Verontreinigde hydraulische vloeistof ziet er in vergelijking met schone vloeistof melkachtig of zwart uit.
Zet de motor af en open de motorkap.
Plaats een grote opvangbak onder de nippel aan de onderzijde van het hydraulische reservoir (Figuur 86).

Maak de slang los van de onderkant van de nippel en laat de hydraulische vloeistof in de opvangbak lopen.
Monteer de slang als er geen hydraulische vloeistof meer naar buiten komt.
Vul het reservoir met ongeveer 30 liter hydraulische vloeistof; zie Hydraulische vloeistof controleren.
Important: Gebruik uitsluitend de voorgeschreven typen hydraulische vloeistof. Andere vloeistoffen kunnen schade aan het systeem veroorzaken.
Plaats de dop weer op het reservoir.
Start de motor en gebruik alle hydraulische bedieningsorganen om de hydraulische vloeistof door het hele systeem te verspreiden. Controleer ook op lekkages.
Zet de motor af.
Controleer het peil van de hydraulische vloeistof en vul voldoende vloeistof bij totdat het peil de Vol-markering op de peilstok bereikt.
Important: Vul niet teveel vloeistof bij.
| Onderhoudsinterval | Onderhoudsprocedure |
|---|---|
| Om de 800 bedrijfsuren |
|
Het hydraulische systeem is voorzien van een onderhoudsintervalindicator (Figuur 87). Laat de motor lopen op bedrijfstemperatuur en kijk op de indicator. Deze moet in de groene zone staan. Als de indicator in de Rode zone staat, moeten de hydraulische filters worden vervangen.

Important: Als andere filters worden gebruikt, kan de garantie van bepaalde onderdelen komen te vervallen.
Plaats de machine op een horizontaal oppervlak, laat de maaidekken neer, zet de motor af, stel de parkeerrem in werking en verwijder het sleuteltje uit het contact.
Reinig de omgeving van de plaats waar het filter wordt gemonteerd, en plaats een opvangbak onder het filter (Figuur 88) en (Figuur 89).


Verwijder het filter.
Smeer hydraulische vloeistof op de pakking van het nieuwe filter.
Zorg ervoor dat de plaats waar het filter wordt bevestigd, schoon is.
Monteer het filter met de hand totdat de pakking contact maakt en draai deze vervolgens nog een halve slag verder.
Herhaal deze procedure bij het andere filter.
Start de motor en laat deze ongeveer 2 minuten lopen om lucht uit het systeem te verwijderen.
Zet de motor af en controleer op olielekkages.
| Onderhoudsinterval | Onderhoudsprocedure |
|---|---|
| Bij elk gebruik of dagelijks |
|
Controleer dagelijks de hydraulische leidingen en slangen op lekkages, kinken, loszittende steunen, slijtage, loszittende aansluitingen, slijtage door weersinvloeden en de inwerking van chemicaliën. Voer alle noodzakelijke reparaties uit voordat u de machine weer in gebruik neemt.
Hydraulische vloeistof die onder druk ontsnapt, kan door de huid heen dringen en letsel veroorzaken.
Controleer of alle hydraulische slangen en leidingen in goede staat verkeren en alle hydraulische aansluitingen en verbindingsstukken stevig vastzitten voordat u druk zet op het hydraulische systeem.
Houd lichaam en handen uit de buurt van kleine lekgaten of spuitmonden waaruit onder hoge druk hydraulische vloeistof ontsnapt.
U kunt lekken in het hydraulische systeem opsporen met behulp van karton of papier.
Hef alle druk in het hydraulische systeem op veilige wijze op, voordat u werkzaamheden gaat verrichten aan het hydraulische systeem.
Waarschuw onmiddellijk een arts als er hydraulische vloeistof is geïnjecteerd in de huid.
De testpoorten van het hydraulische systeem worden gebruikt om de druk in de hydraulische circuits te testen. Neem contact op met uw plaatselijke Toro-dealer als u hulp nodig heeft.
Gebruik de testpoorten op de voorste hydraulische buizen (Figuur 90) om problemen met het circuit van de tractie te verhelpen.

Gebruik de testpoorten op het verdeelstuk voor het maaien (Figuur 91) om problemen met het circuit voor het maaien te verhelpen.

Gebruik de testpoorten op het verdeelstuk voor de lift (Figuur 92) om problemen met het circuit van de lift te verhelpen.

Contact met de messenkooien of andere bewegende onderdelen kan lichamelijk letsel veroorzaken.
Houd vingers, handen of kleding uit de buurt van de messenkooien of andere bewegende onderdelen.
Probeer de messenkooien nooit met uw handen of voeten te draaien of aan te raken terwijl de motor draait.
Note: Tijdens het wetten zijn de voormaaidekken en de achterste maaidekken tegelijk in werking.
Plaats de machine op een horizontaal oppervlak, laat de maaidekken neer, zet de motor af, stel de parkeerrem in werking en zet de activerings-/blokkeringsknop op Blokkeren.
Ontgrendel de stoel en til deze omhoog zodat u bij de wethendels kunt komen (Figuur 93).
Stel het contact tussen de messenkooi en het ondermes af en zorg ervoor dat dit geschikt is voor het wetten bij alle maaidekken; zie de Gebruikershandleiding van het maaidek.
Start de motor en laat deze op een laag stationair toerental lopen.
Wanneer u het toerental van de motor tijdens het wetten verandert, kunnen de messenkooien tot stilstand komen.
Verander nooit het motortoerental tijdens het wetten.
Wet de messenkooien uitsluitend als de motor stationair loopt.
Kies met de voorste, achterste of beide wethendels de messenkooien die moeten worden gewet (Figuur 93).
Om lichamelijk letsel te voorkomen, dient u buiten het bereik van de maaidekken te zijn voordat u verdere werkzaamheden uitvoert.
Zet de maai-/hefhendel in de Maaistand en zet de activerings-/blokkeringsschakelaar op Blokkeren. Zet de maai-/hefhendel naar voren om te beginnen met wetten.
Breng de wet-pasta aan met de borstel met de lange steel. Gebruik nooit een borstel met een korte steel.
Als de messenkooien blijven vastzitten of instabiel worden tijdens het wetten, moet u het toerental van de messenkooien verhogen totdat de snelheid stabiliseert. Zet daarna het toerental weer op de gewenste snelheid.
Als u de maaidekken tijdens het wetten wilt afstellen, schakelt u de messenkooien uit door de maai-/hefhendel naar achteren te bewegen; zet de activerings-/blokkeringsschakelaar op Blokkeren en zet de motor af. Na de afstelling herhaalt u stappen tot 4 en met 8.

Herhaal deze procedure bij alle maaidekken die u wilt wetten.
Als u klaar bent met wetten, moet u de wethendels in de Maaistand zetten, de stoel laten zakken en alle wetpasta van de maaidekken wassen. Stel indien nodig het contact tussen de messenkooi en het ondermes af. Zet het toerental van de messenkooien in de gewenste maaistand.
Important: Als de wetschakelaar na het wetten niet in de UIT-stand worden gezet, zullen de maaidekken niet omhoog komen of naar behoren werken.
Note: Voor een betere snijrand moet u de voorkant van het ondermes bijvijlen als u klaar bent met wetten. Hiermee verwijdert u bramen of ruwe randen die kunnen zijn ontstaan op de snijrand.
Reinig de tractie-eenheid, de maaidekken en de motor grondig.
Controleer de bandenspanning. Breng alle banden op een spanning van 0,83 tot 1,03 bar.
Controleer of alle bevestigingen vastzitten; zet ze vast indien nodig.
Smeer alle smeer- en draaipunten. Neem overtollig vet op.
Plaatsen waar de lak is bekrast, beschadigd of geroest, moeten licht geschuurd en bijgewerkt worden. Eventuele deuken in de metalen carrosserie uitdeuken.
Verricht de volgende onderhoudswerkzaamheden aan de accu en de kabels:
Haal de accuklemmen los van de accupolen.
Reinig de accu, de klemmen en de polen met behulp van een staalborstel en een oplossing van zuiveringszout (natriumbicarbonaat).
Smeer een dun laagje Grafo 112X-vet (Toro onderdeelnr. 505-47) of vaseline op de kabelklemmen en de accupolen om corrosie te voorkomen.
Laad de accu om de 60 dagen 24 uur lang op om loodsulfatie van de accu te voorkomen.
Tap de motorolie af uit het carter en plaats de aftapplug weer terug.
Verwijder het oliefilter en gooi het weg. Plaats een nieuw oliefilter.
Vul het oliecarter met de aangegeven hoeveelheid motorolie.
Start de motor en laat deze ongeveer twee minuten stationair lopen.
Zet de motor af.
Spoel de brandstoftank om met verse, schone dieselbrandstof.
Controleer de antivriesbescherming en vul het systeem bij met een oplossing die half uit water, half uit antivries bestaat. Vul zoveel bij als nodig is met het oog op de plaatselijk te verwachten minimumtemperatuur.
Zet alle onderdelen van het brandstofsysteem weer goed vast.
Zorg ervoor dat het luchtfilter grondig worden gereinigd en een onderhoudsbeurt krijgt.
Plak de luchtfilterinlaat en de uitlaat af met weerbestendige tape.
Controleer de antivriesbescherming en vul zoveel bij als nodig is met het oog op de plaatselijk te verwachten minimumtemperatuur.

