| Underhållsintervall | Underhållsförfarande |
|---|---|
| Varje användning eller dagligen |
|
Maskinen är en åkgräsklippare med en knivcylinder som är avsedd att användas av yrkesförare som har anlitats för kommersiellt arbete. Den är främst konstruerad för att klippa gräs på väl underhållna golfbanor, parkgräsmattor, sportanläggningar och kommersiella anläggningar. Den är inte avsedd för att klippa snår, gräs och annat längs med motorvägen eller för jordbruksändamål.
Läs den här informationen noga så att du lär dig att använda och underhålla produkten på rätt sätt och för att undvika person- och produktskador. Du är ansvarig för att produkten används på ett korrekt och säkert sätt.
Kontakta gärna Toro direkt på www.Toro.com för att få information om produkter och tillbehör, få hjälp med att hitta en återförsäljare eller för att registrera din produkt.
Kontakta en auktoriserad serviceverkstad eller Toros kundservice och ha produktens modell- och artikelnummer till hands om du behöver service, Toro-originaldelar eller ytterligare information. Modell- och serienumren finns på en plåt som har monterats under fotstödet på ramens vänstra sida. Skriv in numren i det tomma utrymmet.
I den här bruksanvisningen anges potentiella risker och alla säkerhetsmeddelanden har markerats med en varningssymbol (Figur 1), som anger fara som kan leda till allvarliga personskador eller dödsfall om föreskrifterna inte följs.

Två andra ord används också i den här bruksanvisningen för att markera information. Viktigt anger speciell teknisk information och Observera anger allmän information som är värd att notera.
Denna produkt uppfyller alla relevanta europeiska direktiv. Mer information finns i den separata produktspecifika överensstämmelseförklaringen.
KALIFORNIEN
Proposition 65 Varning
Avgaserna från dieselmotorer och vissa avgaskomponenter innehåller ämnen som av den amerikanska delstaten Kalifornien anses orsaka cancer, fosterskador och andra fortplantningsskador.
I vissa regioner måste maskinens motor vara utrustad med en gnistsläckare på grund av lokala eller nationella bestämmelser. Därför finns en gnistsläckare inbyggd i ljuddämparen.
Toros originalgnistsläckare har godkänts av USDA Forestry Service.
Important: Denna motor är utrustad med en gnistsläckare. Det är ett brott mot avsnitt 4442 i Kaliforniens Public Resource Code att använda eller köra motorn på skogs-, busk- eller grästäckt mark utan en gnistsläckare som är i fullgott skick, eller utan att motorn är begränsad, utrustad och underhållen för att förhindra brand. Andra stater eller federala områden kan ha liknande lagar.
Felaktig användning eller felaktigt underhåll från förarens eller ägarens sida kan leda till personskador. För att minska risken för skador ska du alltid följa dessa säkerhetsanvisningar och uppmärksamma varningssymbolen. Symbolen betyder Var försiktig, Varning eller Fara – anvisning för personsäkerhet. Om anvisningarna inte följs kan detta leda till personskador eller dödsfall.
De anvisningar som följer härrör från CEN-standarden SS-EN 836:1997, ISO-standarden 5395:1990 och ANSI-standarden B71.4-2012.
Läs bruksanvisningen och allt annat utbildningsmaterial noga. Bekanta dig med reglagen och säkerhetsskyltarna, och lär dig hur maskinen ska användas.
Låt aldrig barn eller personer som inte har läst de här anvisningarna använda eller serva gräsklipparen. Lokala föreskrifter kan begränsa förarens ålder.
Klipp aldrig om människor, särskilt barn, eller husdjur befinner sig i närheten.
Kom ihåg att föraren är ansvarig för olyckor och risker som andra människor och deras ägodelar utsätts för.
Skjutsa inte passagerare.
Alla förare och mekaniker ska skaffa sig yrkesmässig och praktisk utbildning. Det är ägaren som ansvarar för att utbilda användarna. Utbildningen ska särskilt framhålla:
vikten av omsorg och koncentration vid arbete med åkmaskiner
att man inte kan återfå kontrollen över en åkmaskin som glider på en slänt genom att bromsa. De främsta anledningarna till att man förlorar kontrollen är:
otillräckligt däckgrepp
för hög hastighet
otillräcklig inbromsning
att maskintypen är olämplig för uppgiften
dålig kännedom om markförhållandenas betydelse, särskilt i sluttningar
felaktig inställning och lastfördelning.
Ägaren/användaren kan förebygga och ansvarar för olyckor eller skador som han/hon utsätter sig själv och andra människor eller egendom för.
Bär alltid ordentliga skor, långbyxor, hjälm, skyddsglasögon och hörselskydd vid klippning. Långt hår, löst sittande kläder eller smycken kan trassla in sig i rörliga delar. Kör inte maskinen barfota eller i sandaler.
Undersök noga det område där maskinen ska köras, och avlägsna alla föremål som kan slungas omkring av maskinen.
Varning – bränsle är mycket brandfarligt. Vidta följande säkerhetsåtgärder:
Förvara bränsle i dunkar avsedda för ändamålet.
Fyll bara på bränsle utomhus och rök inte vid påfyllning.
Fyll på bränsle innan du startar motorn. Ta aldrig av bränsletankens lock och fyll inte på bränsle medan motorn är igång eller när motorn är varm.
Om du spiller ut bränsle ska du inte försöka starta motorn utan flytta maskinen bort från spillet och undvika att skapa några gnistor tills bensinångorna har skingrats.
Sätt tillbaka locken på tankarna och dunkarna ordentligt.
Byt ut trasiga ljuddämpare.
Undersök terrängen för att avgöra vilka tillbehör och redskap som krävs för att utföra arbetet på ett bra och säkert sätt. Använd endast tillbehör och redskap som godkänts av tillverkaren.
Kontrollera att förarens närvaroreglage, säkerhetsbrytarna och skydden sitter fast och fungerar ordentligt. Kör inte maskinen om dessa inte fungerar som de ska.
Kör inte motorn i ett slutet utrymme där farlig koloxid kan ansamlas.
Klipp endast i dagsljus eller i bra belysning.
Koppla ur klippaggregatet, lägg i neutralläget och dra åt parkeringsbromsen innan motorn startas.
Kom ihåg att det inte finns några säkra sluttningar. Vid körning på grässlänter krävs särskild försiktighet. Undvik att välta genom att
inte starta och stanna plötsligt vid körning i upp- och nedförslut
köra maskinen sakta på slänter och i skarpa svängar
se upp för gupp, gropar och andra dolda faror
Sväng inte tvärt. Var försiktig vid backning.
Använda motvikt(er) eller hjulvikter när så föreslås i bruksanvisningen.
Se upp för hål i terrängen och andra dolda faror.
Se upp för trafik när du kör nära vägar eller korsar vägar.
Stanna knivarna innan du korsar ytor som ej är gräsbevuxna.
Rikta aldrig utkastet mot kringstående när redskap kopplats till, och låt ingen komma i närheten av maskinen när den är igång.
Kör aldrig maskinen med skadade skydd eller skärmar eller om skyddsanordningarna inte sitter på plats. Se till att alla säkerhetsbrytare sitter fast, är korrekt justerade och fungerar som de ska.
Ändra inte motorns varvtalsinställningar och rusa aldrig motorn. Om motorn körs vid för hög hastighet kan risken för personskador öka.
Gör följande innan du lämnar förarsätet:
Stanna på plan mark.
Koppla ur kraftuttaget och sänk ned redskapen.
Lägg i neutralläget och dra åt parkeringsbromsen.
Stäng av motorn och ta ur tändningsnyckeln.
Koppla ur redskapsdrivningen under transport och när maskinen inte används.
Stäng av motorn och koppla ur redskapsdrivningen:
innan du fyller på bränsle
innan du tar bort gräsuppsamlaren/-samlarna
innan du justerar klipphöjden, om den inte kan ställas in från förarplatsen
innan du rensar blockeringar
före kontroll, rengöring och arbete på klipparen
när du har kört på ett främmande föremål eller om det uppstår onormala vibrationer. Kontrollera noga om gräsklipparen har skadats och reparera skadorna innan du startar och kör den igen.
Minska motorns hastighetsinställning när du ska stanna motorn och stäng av bränsletillförseln efter klippningen om motorn är försedd med en bränslekran.
Håll händer och fötter borta från klippenheterna.
Titta bakåt och nedåt innan du backar för att se till att vägen är fri.
Sakta ner och var försiktig när du svänger och korsar vägar och trottoarer. Stäng av cylindrarna när du inte ska klippa.
Kör inte gräsklipparen om du är påverkad av alkohol, läkemedel eller andra droger.
Blixtnedslag kan leda till allvarliga personskador eller dödsfall. Om det blixtrar eller åskar i området ska maskinen inte användas. Sök skydd.
Var försiktig när du lastar av eller på maskinen på en släpvagn eller lastbil.
Var försiktig när du närmar dig hörn med skymd sikt, buskage, träd eller andra objekt som kan försämra sikten.
Håll samtliga muttrar, bultar och skruvar åtdragna så att maskinen är i säkert bruksskick.
Förvara aldrig maskinen med bränsle i tanken i en byggnad där bensinångor kan antändas av en öppen låga eller gnista.
Låt motorn svalna innan maskinen ställs undan i ett slutet utrymme.
Håll motorn, ljuddämparen, batterifacket och förvaringsutrymmet för bränsle fria från gräs, löv eller överflödigt smörjmedel för att minska brandrisken.
Kontrollera gräsuppsamlaren regelbundet och se efter om den är sliten eller trasig.
Håll alla delar i gott bruksskick och samtliga beslag och hydraulkopplingar åtdragna. Byt ut alla slitna och skadade delar och dekaler.
Om bränsletanken måste tömmas ska detta göras utomhus.
Var försiktig när justeringar utförs på maskinen för att undvika att fingrar fastnar mellan knivarna och maskinens fasta delar.
Var försiktig när en cylinder roteras på maskiner med flera cylindrar, eftersom de andra cylindrarna kan rotera med.
Koppla ur drivhjulen, sänk ned klippenheterna, lägg i parkeringsbromsen, stäng av motorn och ta ur nyckeln. Vänta tills all rörelse har stannat innan justering, rengöring eller reparation utförs.
Ta bort gräs och skräp från klippenheterna, drivhjulen, ljuddämparna och motorn för att undvika eldsvåda. Torka upp eventuellt olje- eller bränslespill.
Använd domkrafter för att stötta upp komponenter när det behövs.
Lätta försiktigt på trycket i komponenter med upplagrad energi.
Koppla ifrån batteriet innan du utför några reparationer. Lossa minuskabelanslutningen först och pluskabelanslutningen sist. Återanslut plus först och minus sist.
Var försiktig när du kontrollerar cylindrarna. Använd skyddshandskar och var försiktig när du underhåller cylindrarna.
Håll händer och fötter borta från rörliga delar. Gör helst inga justeringar när motorn är igång.
Ladda batterierna i ett öppet, välventilerat utrymme, på avstånd från gnistor och öppna lågor. Koppla ur laddaren innan den ansluts till eller kopplas från batteriet. Använd skyddskläder och isolerade verktyg.
Nedan finns säkerhetsinformation som gäller specifikt för Toro-produkter och annan säkerhetsinformation som du bör känna till som inte ingår i standarderna CEN, ISO och ANSI.
Maskinen kan slita av händer och fötter och slunga omkring föremål. Följ alltid alla säkerhetsanvisningar för att förhindra allvarliga skador eller dödsfall.
Det kan medföra fara för användaren och kringstående om maskinen används i andra syften än vad som avsetts.
Motoravgaser innehåller koloxid som är ett luktfritt och dödligt gift.
Kör inte motorn inomhus eller i ett slutet utrymme.
Lär dig att stänga av motorn snabbt.
Kör inte maskinen i tygskor eller tennisskor.
Vi rekommenderar att du använder skyddsskor och långbyxor, vilket också är ett krav enligt vissa lokala föreskrifter och försäkringsbestämmelser.
Hantera bränsle försiktigt. Torka upp allt utspillt bränsle.
Kontrollera säkerhetsbrytarna dagligen för att försäkra korrekt drift. Om en brytare inte fungerar ska denna bytas ut före drift.
Sätt dig på sätet innan du startar motorn.
Användning av maskinen kräver koncentration. Tänk på följande för att inte tappa kontrollen:
Kör inte i närheten av sandgropar, diken, bäckar eller andra faror.
Sänk farten vid skarpa svängar. Undvik att stanna och starta plötsligt.
Lämna alltid företräde när du korsar vägar.
Använd bromsarna vid klippning i nedförslut för att hålla en låg hastighet och behålla kontrollen över maskinen.
Lyft upp klippenheterna när du kör från en plats till en annan.
Rör inte motorn, ljuddämparen eller avgasröret när motorn är igång eller strax efter att den har stannat eftersom dessa områden kan vara så varma att du kan bränna dig.
Om du får motorstopp eller förlorar fart och inte kan köra ända upp för en backe ska du inte vända runt maskinen. Backa alltid långsamt rakt nedför sluttningen.
Sluta klippa om en person eller ett djur oväntat dyker upp i klippområdet eller i närheten av det. Vårdslös körning kombinerat med terrängvinklar, studsning eller felaktigt placerade säkerhetsskydd kan medföra skador från kringflygande föremål. Återuppta inte klipparbetet förrän området är fritt.
Se till att alla hydraulledningskopplingar är åtdragna och att alla hydraulslangar och -ledningar är i gott skick innan du tillför tryck till systemet.
Håll kropp och händer borta från småläckor eller munstycken som sprutar ut hydraulvätska under högtryck. Använd kartong eller papper för att upptäcka läckor, aldrig händerna. Hydraulvätska som sprutar ut under tryck kan ha tillräcklig kraft för att tränga in i huden och orsaka allvarliga skador. Sök läkare omedelbart om du träffas av en stråle hydraulvätska och vätskan tränger in i huden.
Sänk allt tryck i systemet genom att stanna motorn och sänka klippenheterna och redskapen till marken innan du kopplar ur eller utför något arbete på hydraulsystemet.
Kontrollera regelbundet att alla bränsleledningar är åtdragna och att de inte är slitna. Dra åt eller reparera dem efter behov.
Om motorn måste vara igång för att ett visst underhåll ska kunna utföras, ska klädesplagg, händer, fötter och andra kroppsdelar hållas borta från klippenheterna, redskapen och andra rörliga delar. Håll kringstående på avstånd.
Be en auktoriserad Toro-återförsäljare kontrollera maxhastigheten med en varvräknare för att försäkra säkerhet och noggrannhet.
Kontakta en auktoriserad Toro-återförsäljare vid eventuellt behov av större reparationer eller assistans.
Använd endast redskap och reservdelar som godkänts av Toro. Garantin kan ogiltigförklaras om ej godkända redskap använts.
Maskinen har en garanterad ljudeffektnivå på 103 dBA, som omfattar ett osäkerhetsvärde (K) på 1 dBA.
Ljudeffektsnivån har fastställts enligt de rutiner som beskrivs i ISO 11094.
Enheten har en ljudtrycksnivå vid förarens öra på 86 dBA, som omfattar ett osäkerhetsvärde (K) på 1 dBA.
Ljudtrycksnivån har fastställts enligt de rutiner som beskrivs i SS-EN 836.
Hand/arm
Uppmätt vibrationsnivå för höger hand = ,98 m/s2
Uppmätt vibrationsnivå för vänster hand = ,66 m/s2
Osäkerhetsvärde (K) = 0,5 m/s2
Uppmätta värden har fastställts enligt de förfaranden som beskrivs i SS-EN 836.
Hela kroppen
Uppmätt vibrationsnivå = 0,31 m/s2
Osäkerhetsvärde (K) = 0,15 m/s2
Uppmätta värden har fastställts enligt de förfaranden som beskrivs i SS-EN 836.
Maskinens motor uppfyller kraven i EPA Tier 4 Final och stage 3b.
![]() |
Säkerhetsdekalerna och anvisningarna är fullt synliga för föraren och finns nära alla potentiella farozoner. Dekaler som har skadats eller ramlat bort ska bytas ut eller ersättas. |

















Note: Vänster och höger sida på maskinen är lika med förarens vänstra respektive högra sida vid normal körning.
Däcken levereras med förhöjt tryck. Lufta därför däcken en aning för att minska trycket. Lufttrycket i fram- och bakdäcken ska ligga mellan 0,83 och 1,03 bar.
Important: Se till att trycket är lika i alla däck, så att maskinen får jämn kontakt med gräset.
Det går att ställa in fotstegens höjd så att de sitter bekvämt för föraren.
Ta bort de två bultar och muttrar som håller fast fotstegets fästen på traktorenhetens ram (Figur 2)

Höj eller sänk fotsteget till önskad höjd, och sätt fast fästena på ramen igen med hjälp av de två bultarna och muttrarna.
Upprepa proceduren med det andra fotsteget.
Det går att ställa in reglagearmens läge så att den sitter bekvämt för föraren.
Lossa de två bultar som håller fast reglagearmen på fästkonsolen (Figur 3).

Vrid reglagearmen till önskat läge och dra åt de två bultarna.
Delar som behövs till detta steg:
| Främre slangstyrning (höger) | 1 |
| Främre slangstyrning (vänster) | 1 |
Demontera cylindermotorerna från transportfästena.
Demontera transportfästena och kasta dem.
Ta ut klippenheterna ur kartongerna. Montera och justera dem i enlighet med anvisningarna i bruksanvisningen till klippenheterna.
Kontrollera att motvikten (Figur 4) har monterats på rätt sida av klippenheten i enlighet med anvisningarna i bruksanvisningen till klippenheterna.

Alla klippenheter levereras med gräsutjämningsfjädern monterad på klippenhetens högra sida. Gräsutjämningsfjädern måste monteras på samma sida av klippenheten som cylinderns drivmotor. Flytta gräsutjämningsfjädern på följande sätt:
Demontera de två vagnskruvar och muttrar som håller fast stångbeslaget på klippenhetens flikar (Figur 5).

Demontera den flänsmutter som håller fast fjäderrörets bult på bärramens flik (Figur 5). Demontera enheten.
Montera fjäderrörets bult på bärramens motsatta flik, och fäst skruven med flänsmuttern. Skruvens huvud ska placeras mot flikens yttersida i enlighet med Figur 6.

Montera stångbeslaget på klippenhetens flikar med hjälp av vagnsbultarna och muttrarna (Figur 6).
Important: Använd stångbeslagets fästmuttrar när du monterar slangstyrningen längst fram på klippenhetens flikar (Figur 8) på den fjärde (vänster fram) och femte (höger fram) klippenheten (Figur 7). Slangstyrningen ska luta mot klippenheten i mitten (Figur 8 ochFigur 9).



Note: Sätt hårnålssprinten i fjäderstångens hål bredvid stångbeslaget när du monterar eller demonterar klippenheterna. När du inte monterar eller demonterar klippenheterna måste hårnålssprinten sitta i hålet i stångens ände.
Sänk ned alla lyftarmar helt.
Demontera låsstiftet och locket på lyftarmens svängok (Figur 10).

Vid montering av de främre klippenheterna ska en klippenhet skjutas in under lyftarmen samtidigt som bärramens axel förs upp och in i lyftarmens svängok (Figur 11).

Följ anvisningarna nedan för att montera de bakre klippenheterna när klipphöjden är över 1,9 cm.
Sätt på locket över bärramens axel och lyftarmens ok.
Fäst locket och bärramens axel på lyftarmens ok med hjälp av låsstiftet. Använd skåran om du vill kunna styra klippenheten eller hålet om klippenheten ska låsas fast i ett läge (Figur 10).
Fäst lyftarmens kedja på kedjefästet med låsstiftet (Figur 13). Använd så många kedjelänkar som rekommenderas i bruksanvisningen till klippenheterna.

För in cylindermotorns slangar i respektive slangstyrning på den fjärde (vänster fram) och femte (höger fram) klippenheten.
Stryk på rent fett på cylindermotorns räfflade axel.
Olja in cylindermotorns o-ring och montera den på motorflänsen.
Montera motorn genom att vrida den medurs så att motorflänsarna går fria från skruvarna (Figur 14). Vrid motorn moturs så att skruvarna omges av flänsarna, och dra sedan åt skruvarna.
Important: Se till att cylindermotorns slangar inte är vridna, har snott sig eller kan komma i kläm.

Gräsutjämningsfjädern (Figur 15) överför vikt från den främre till den bakre valsen. (Detta hjälper till att minska förekomsten av det speciella vågformade mönster i gräsmattan som kallas för ”ondulering” eller ”bobbing”.)
Important: Medan du justerar fjädern ska du ha klippenheten monterad på traktorenheten, riktad rakt fram och nedsänkt till verkstadsgolvet.
Se till att hårnålssprinten sitter i det bakre hålet på fjäderstången (Figur 15).

Dra åt sexkantsmuttrarna på fjäderstångens främre ände till dess att fjäderns komprimerade längd är 12,7 cm på Reelmaster 5410 med 5 tums klippenheter, eller 15,9 cm på Reelmaster 5510 med 7 tums klippenheter (Figur 15).
Note: Förkorta fjäderns längd med 12,7 mm om du ska använda maskinen i ojämn terräng. Detta medför en något minskad kontakt med marken.
Delar som behövs till detta steg:
| Stöd till klippenheten | 1 |
Om du behöver välta klippenheten för att få tillgång till underkniven eller cylindern, ska du lägga klippenhetens bakdel på stödet så att inte muttrarna på bakre delen av underknivstångens justerskruvar vilar mot arbetsytan (Figur 16).

Fäst stödet i kedjefästet med låsstiftet (Figur 17).


Med hjälp av sätesjusteringsspaken (Figur 19) kan du flytta sätet framåt och bakåt. Med viktjusteringsreglaget kan du anpassa sätet efter förarens vikt. Viktmätaren anger när sätet har anpassats efter förarens vikt. Med längdjusteringsreglaget kan du anpassa sätet efter förarens längd.

Med gaspedalen (Figur 20) kan du reglera körningen framåt och bakåt. Tryck ned pedalens övre del för att köra framåt och dess nedre del för att backa. Hastigheten varierar beroende på hur långt du trampar ned pedalen. Om du vill köra med maxhastigheten utan last ska du trampa ned pedalen helt och ställa in motorns hastighet på snabbt läge.
Du stannar genom att försiktigt lyfta foten från gaspedalen och låta pedalen återgå till mittläget.

När klipphastighetsbegränsaren (Figur 20) vrids upp reglerar den klipphastigheten och gör så att klippenheterna kan kopplas in. Varje distansbricka justerar klipphastigheten med cirka 0,8 km i timmen. Ju fler distansbrickor du sätter på bulten, desto långsammare går maskinen. Under transport ska du vrida ned klipphastighetsbegränsaren så att du får maximal transporthastighet.
Trampa ner bromspedalen (Figur 20) för att stanna maskinen.
Om du vill lägga i parkeringsbromsen (Figur 20) ska du trampa ned bromspedalen och trycka den övre delen framåt för att spärra den. För att frigöra parkeringsbromsen ska du trampa ned bromspedalen tills parkeringsbromsspärren lossas.
Om du vill luta ratten mot dig ska du trampa ned fotpedalen (Figur 20) och dra ratten mot dig så att den sitter bekvämt, och sedan släppa upp pedalen.
Motorhastighetsknappen (Figur 21) har två lägen för ändring av motorhastigheten. Om du trycker kort på knappen kan motorhastigheten ökas eller minskas i steg om 100 varv/minut. Om du håller knappen intryckt går maskinen automatiskt till hög eller låg tomgång, beroende på vilken ände av knappen som är nedtryckt.

Använd brytaren för inkoppling/urkoppling (Figur 21) tillsammans med reglagespaken för höjning/sänkning av klippenheterna för att styra skärhuvudena.
På LCD-skärmen InfoCenter visas information om din maskin, t.ex. driftsstatus, diagnostik och övrig information om maskinen (Figur 21).
Det finns tre lägen för tändningslåset (Figur 21): Av, På/Kör och Start.
Med det här reglaget (Figur 21) kan du höja och sänka klippenheterna samt starta och stoppa skärhuvudena när de har aktiverats i klippläget. Det går inte att sänka skärhuvudena när spaken för klippning/transport har satts i transportläget.
Vrid omkopplaren nedåt för att tända strålkastarna (Figur 21).
Använd slipningsspakarna tillsammans med reglaget för höjning/sänkning av klippenheterna för att slipa cylindrarna (Figur 22).

Kontrollera indikatorn (Figur 23) vid normal driftstemperatur när motorn är igång. Den bör befinna sig i det gröna området. Byt ut hydraulfiltren om lampan befinner sig i det röda området.

Eluttaget är en 12 volts strömkälla för elektroniska apparater (Figur 24).

LCD-skärmen InfoCenter visar information om din maskin, t.ex. driftsstatus, diagnostik och övrig information om maskinen (Figur 25). InfoCenter har en startskärm och en huvudinformationsskärm. Du kan växla mellan startskärmen och huvudinformationsskärmen närsomhelst genom att trycka på någon av InfoCenter-knapparna och sedan välja lämplig riktningspil.

Vänster knapp, menyåtkomst-/tillbakaknapp – tryck på den här knappen för att öppna InfoCenter-menyerna. Du kan använda den för att gå ut ur menyn som du använder.
Mittenknapp – använd den här knappen för att bläddra nedåt i menyerna.
Högerknapp – använd den här knappen för att öppna en meny där en högerpil visar att det finns mer innehåll.
Note: Varje knapps funktion kan ändras beroende på vad tillfället kräver. Vid varje knapp visas en ikon som förklarar den aktuella funktionen.
| SERVICE DUE | Anger när schemalagd service bör utföras |
![]() | Motorvarvtal/-status – visar motorns varvtal |
![]() | Timmätare |
![]() | Infoikon |
![]() | Snabbt |
![]() | Långsamt |
![]() | Bränslenivå |
![]() | Stationär regenerering krävs |
![]() | Glödstiften har aktiverats |
![]() | Höj upp klippenheterna |
![]() | Sänk ned klippenheterna |
![]() | Föraren måste sitta på stolen |
![]() | Parkeringsbromsindikator – anger när parkeringsbromsen är PÅ |
![]() | Identifierar området som högt (transport) |
![]() | Neutralläge |
![]() | Identifierar området som lågt (Klippning) |
![]() | Kylvätsketemperatur – visar temperaturen på motorns kylvätska i antingen °C eller °F |
![]() | Temperatur (hög) |
![]() | Kraftuttaget är inkopplat |
![]() | Nekas eller ej tillåtet |
![]() | Motor, start |
![]() | Stopp eller avstängning |
![]() | Motor |
![]() | Tändningslås |
![]() | Anger när klippenheterna sänks ned |
![]() | Anger när klippenheterna höjs upp |
![]() | PIN-kod |
![]() | CAN-buss |
![]() | InfoCenter |
![]() | Ogiltig eller misslyckad |
![]() | Lampa |
![]() | Utmatning från TEC-styrenheten eller styrkabel i kablage |
![]() | Brytare |
![]() | Föraren måste frisläppa brytaren |
![]() | Föraren ska ändra till det angivna läget |
| Symbolerna kombineras ofta och skapar meningar. Vissa av exemplen visas nedan. | |
![]() | Föraren ska ställa maskinerna i neutralläget |
![]() | Motorstart nekad |
![]() | Motorn stängs av |
![]() | Motorns kylvätska är för varm |
![]() | Sitt ned eller lägg i parkeringsbromsen |
Tryck på menyåtkomstknappen i huvudskärmen för att få åtkomst till InfoCenters menysystem. Då kommer du till huvudmenyn. Se följande tabeller för en sammanfattning av vilka alternativ som finns tillgängliga från menyerna:
| Huvudmeny | |
| Menyobjekt | Beskrivning |
| Fel | Felmenyn innehåller en lista med de senaste maskinfelen som uppstått. Läs servicehandboken eller kontakta din auktoriserade Toro-återförsäljare för mer information om felmenyn och informationen som finns där. |
| Service | Servicemenyn innehåller information om maskinen som t.ex. antal brukstimmar och andra liknande siffror. |
| Diagnostik | Diagnostikmenyn visar statusen för alla brytare, givare och styruteffekt på maskinen. Den kan användas för att felsöka vissa problem eftersom den snabbt visar vilka av maskinens reglage som är på och av. |
| Inställningar | Med hjälp av inställningsmenyn kan du anpassa och ändra konfigurationsvariabler på InfoCenter-skärmen. |
| Om | I menyn Om står maskinens modellnummer, artikelnummer och programvaruversion. |
| Service | |
| Menyobjekt | Beskrivning |
| Hours | Anger det totala antal timmar som maskinen, motorn och kraftuttaget har varit på samt antalet timmar som maskinen har transporterats och när det är dags för service. |
| Counts | Anger händelser som har inträffat i maskinen. |
| Diagnostik | |
| Menyobjekt | Beskrivning |
| Cutting Units | Anger indata, kvalificerare och utdata för höjning och sänkning av klippenheterna. |
| Hi/Low Range | Anger indata, kvalificerare och utdata för körning i transportläge. |
| PTO | Anger indata, kvalificerare och utdata för aktivering av kraftuttagskretsen. |
| Engine Run | Anger indata, kvalificerare och utdata för start av motorn. |
| Backlap | Anger indata, kvalificerare och utdata för hantering av slipningsfunktionen. |
| Inställningar | |
| Menyobjekt | Beskrivning |
| Enheter | Styr enheterna som används på InfoCenter. Menyalternativen är brittiska standardenheter eller metriska |
| Språk | Styr språken som används på InfoCenter*. |
| Bakgrundsbelysning | Styr LCD-skärmens ljusstyrka. |
| Kontrast | Styr LCD-skärmens kontrast. |
| Front Backlap Reel Speed | Styr hastigheten hos de främre cylindrarna i slipningsläge. |
| Rear Backlap Reel Speed | Styr hastigheten hos de bakre cylindrarna i slipningsläge. |
| Låsta menyer | Med en PIN-kod kan en person som har godkänts av företaget få åtkomst till låsta menyer. |
| Auto. tomgång | Styr den tid det tar innan motorn går på låg tomgång när maskinen inte används. |
| Antal knivar | Styr antalet knivar på cylindern för cylinderhastighet. |
| Klipphast. | Styr markhastigheten för bestämning av cylinderhastigheten. |
| Klipphöjd | Styr klipphöjden för bestämning av cylinderhastigheten. |
| Varvtal för främre cylinder | Visar de främre cylindrarnas beräknade hastighet. Cylindrarna kan också justeras manuellt. |
| Varvtal för bakre cylinder | Visar de bakre cylindrarnas beräknade hastighet. Cylindrarna kan också justeras manuellt. |
* Endast text som är riktad mot föraren är översatt. Skärmarna Fel, Service och Diagnostik visas vid service. Rubrikerna visas på det valda språket men menyobjekten är på engelska.
| Om | |
| Menyobjekt | Beskrivning |
| Modell | Visar maskinens modellnummer. |
| Art.nr | Visar maskinens artikelnummer. |
| Maskinstyrenhetens versionsnummer | Visar versionsnumret för masterstyrenheten. |
| InfoCenter-versionsnummer | Visar versionsnumret för InfoCenter. |
| CAN-buss | Visar status för maskinens kommunikationsbuss. |
Det finns sju inställningar för driftskonfigurering som kan justeras på inställningsmenyn i InfoCenter: Tidsfördröjning för auto. tomgång, Antal knivar, Klipphast., Klipphöjd, F-cylinder Å och B-cylinder Å . Inställningarna kan låsas med hjälp av den låsta menyn.
Note: Den initiala lösenordskoden har programmerats av återförsäljaren vid leverans.
Note: Den fabriksinställda PIN-koden för maskinen är antingen 0000 eller 1234.Om du har ändrat PIN-koden och därefter glömt den nya koden kan du kontakta din Toro-auktoriserade återförsäljare för att få hjälp.
På HUVUDMENYN bläddrar du ned till INSTäLLNINGSMENYN med hjälp av mittknappen och trycker därefter på den högra knappen (Figur 26).

På INSTäLLNINGSMENYN bläddrar du ned till den LåSTA MENYN med hjälp av mittknappen och trycker därefter på den högra knappen (Figur 27A).

Ange PIN-koden genom att trycka på mittknappen tills rätt första siffra visas. Tryck sedan på högerknappen för att gå till nästa siffra (Figur 27B och Figur 27C). Upprepa detta steg tills den sista siffran har skrivits in och tryck på högerknappen igen.
Tryck på mittknappen för att ange PIN-koden (Figur 27D).
Vänta tills den röda indikatorlampan på InfoCenter tänds.
Note: Om InfoCenter bekräftar PIN-koden och den låsta menyn blir tillgänglig visas ordet ”PIN” i skärmens övre högra hörn.
Note: Spärra den låsta menyn genom att vrida tändningslåset till läget AV och sedan till läget På.
Du kan visa och ändra inställningarna i den låsta menyn. När du har fått åtkomst till den låsta menyn bläddrar du ned till alternativet Lås inställn. Tryck på högerknappen för att ändra inställningen. Om du ställer in Lås inställn. på AV kan du se och ändra inställningarna i den låsta menyn utan att ange PIN-koden. Om du ställer in Lås inställn. på På döljs de låsta alternativen och du måste ange PIN-koden för att ändra inställningarna i den låsta menyn. När du har angivit PIN-koden vrider du tändningslåset till läget AV och tillbaka till läget På för att aktivera och spara funktionen.
Bläddra ned till Auto. tomgång i inställningsmenyn.
Tryck på högerknappen för att ändra tiden för automatisk tomgång mellan AV, 8 s, 10 s, 15 s, 20 s och 30 s.
Bläddra till Antal knivar på inställningsmenyn.
Tryck på högerknappen för att ändra mellan cylindrar med 5, 8 och 11 knivar.
Bläddra till Klipphast. på inställningsmenyn.
Tryck på högerknappen för att välja klipphastighet.
Välj lämplig klipphastighet för gaspedalens mekaniska klipphastighetsbegränsare med hjälp av mitten- och högerknappen.
Avsluta och spara klipphastighetsinställningen genom att trycka på vänsterknappen.
Bläddra till Klipphöjd på inställningsmenyn.
Välj Klipphöjd genom att trycka på högerknappen.
Välj lämplig klipphöjdsinställning med hjälp av mitten- och högerknappen. (Om den exakta inställningen inte visas väljer du närmaste klipphöjdsinställning i listan som visas).
Avsluta och spara klipphöjdsinställningen genom att trycka på vänsterknappen.
Hastigheten för de främre och bakre cylindrarna beräknas utifrån den information om antal knivar, klipphastighet och klipphöjd som anges i InfoCenter, men inställningen kan även ändras manuellt och därmed anpassas till olika klippförhållanden.
Ändra inställningarna för cylinderhastighet genom att bläddra till Varvtal för främre cylinder och/eller Varvtal för bakre cylinder.
Ändra värdet för cylinderhastighet genom att trycka på högerknappen. När hastighetsinställningen har ändrats kommer det värde som har beräknats utifrån angiven information om antal knivar, klipphastighet och klipphöjd fortsätta att visas på displayen tillsammans med det nya värdet.
Note: Delarnas specifikationer och utformning kan ändras utan föregående meddelande.
| Specifikationer | ReelMaster® 5410-D | ReelMaster® 5510-D |
| Transportbredd | 228 cm | 233 cm |
| Klippbredd | 254 cm | 254 cm |
| Längd | 282 cm | 282 cm |
| Höjd | 160 cm | 160 cm |
| Vikt(med vätskor och klippenheter med åtta knivar monterade) | 1 335 kg | 1 420 kg |
| Motor | Yanmar 36 hk | Yanmar 36 hk |
| Bränsletankens kapacitet | 53 liter | 53 liter |
| Transporthastighet | 0–16 km/h | 0–16 km/h |
| Klipphastighet | 0–13 km/h | 0–13 km/h |
Det finns ett urval av godkända Toro-redskap och -tillbehör som du kan använda för att förbättra och utöka maskinens kapacitet. Kontakta en auktoriserad serviceverkstad eller återförsäljare eller gå till www.Toro.com för att se en lista över alla godkända redskap och tillbehör.
Note: Vänster och höger sida på maskinen är lika med förarens vänstra respektive högra sida vid normal körning.
Om du lämnar nyckeln i tändningslåset kan någon starta motorn av misstag och skada dig eller någon annan person allvarligt.
Sänk ned klippenheterna till marken, lägg i parkeringsbromsen och ta ur nyckeln ur tändningslåset innan du utför service eller gör några justeringar på maskinen.
Innan du startar motorn och använder maskinen ska du kontrollera oljenivån i motorns vevhus. Se Kontrollera oljenivån i motorn.
Under vissa förhållanden är bränsle extremt brandfarligt och mycket explosivt. Brand eller explosion i bränsle kan orsaka brännskador och materiella skador.
Fyll tanken på en öppen plats utomhus, när motorn är kall. Torka upp utspillt bränsle.
Fyll aldrig på bränsletanken i en sluten släpvagn.
Rök aldrig när du handskas med bensin och håll dig borta från öppen eld eller platser där bensinångor kan antändas av gnistor.
Förvara bränslet i en godkänd dunk och håll den utom räckhåll från barn. Köp aldrig mer bränsle än vad som går åt inom en månad.
Kör inte utan att ha hela avgassystemet på plats och i gott fungerande skick.
Vid tankning under vissa förhållanden kan statisk elektricitet frigöras och orsaka gnistor som kan antända bensinångorna. Brand eller explosion i bränsle kan orsaka brännskador och materiella skador.
Ställ alltid bränsledunkar på marken en bit bort från ditt fordon före påfyllning.
Fyll inte på bränsledunkar inne i ett fordon eller på lastbilsflak eller släp, eftersom plastmattor och liknande kan isolera dunken och förlänga urladdningstiden för statisk elektricitet.
Lasta av maskinen från lastbilen eller släpet om så är praktiskt möjligt och fyll på bränsle när maskinen står på marken.
Fyll på maskinen från en dunk hellre än med munstycket på en bränslepump om det inte är möjligt att lasta av maskinen från lastbilen eller släpet.
Om tankning måste ske från bränslepump ska du hela tiden ha kontakt mellan munstycket på bränslepumpen och kanten på tank- eller dunköppningen tills tankningen är klar.
Bränsle är skadligt eller dödligt om det förtärs. Längre exponering för bränsleångor kan orsaka allvarliga skador och sjukdom.
Undvik att andas in bränsleångor under en längre tid.
Håll ansiktet borta från munstycket och bränsletankens öppning.
Håll bränsle borta från ögon och hud.
Important: Använd endast dieselbränsle med mycket låg svavelhalt. Bränsle med högre svavelhalt försämrar dieseloxideringskatalysatorn (DOC), vilket orsakar funktionsproblem och förkortar livslängden på motorkomponenterna.Underlåtenhet att följa nedanstående försiktighetsåtgärder kan skada motorn.
Använd aldrig fotogen eller bensin istället för dieselbränsle.
Blanda aldrig fotogen eller använd motorolja med dieselbränslet.
Förvara aldrig bränsle i behållare med zinkplätering på insidan.
Använd inte bränsletillsatser.
Cetantal: 45 eller högre
Svavelhalt: mycket låg svavelhalt (< 15 ppm)
| Specifikationer för dieselbränsle | Plats |
| ASTM D975 | USA |
| Nr 1-D S15 | |
| Nr 2-D S15 | |
| EN 590 | EU |
| ISO 8217 DMX | Internationell |
| JIS K2204 klass nr 2 | Japan |
| KSM-2610 | Korea |
Använd endast ren, färsk diesel eller biogasbränslen.
Köp inte mer bränsle än vad som går åt inom 180 dagar så att det garanterat är färskt.
Använd diesel för sommarbruk (nr 2-D) vid temperaturer över −7 °C och bränsle för vinterbruk (nr 1-D eller en blandning av nr 1-D/2-D) under −7 °C.
Note: Användning av bränsle för vinterbruk vid lägre temperaturer ger lägre flampunkts- och flytpunktsegenskaper, vilket gör att maskinen startar lättare och att inte bränslefiltret sätts igen i lika hög grad.Om diesel för sommarbruk används vid temperaturer över −7 °C bidrar det till att pumpen håller längre och har större effekt jämfört med bränsle för vinterbruk.
Maskinen kan också använda ett biodieselbränsle, upp till B20 (20 % biodiesel, 80 % petroleumdiesel).
Svavelhalt: mycket låg svavelhalt (< 15 ppm)
Specifikation för biodieselbränsle: ASTM D6751 eller SS-EN 14214
Specifikation för blandat bränsle: ASTM D975, SS-EN 590 eller JIS K2204
Important: Petroleumdieselandelens svavelhalt måste vara mycket låg.
Vidta följande säkerhetsåtgärder:
Biodieselblandningar kan skada målade ytor.
Använd B5 (andel biodiesel är 5 %) eller blandningar med mindre biodieselandel vid kallt väder.
Kontrollera tätningar, slangar, packningar som kommer i kontakt med bränsle, eftersom de kan försämras över tiden.
Vid byte till biodiesel kan bränslefiltret sättas igen efter en tid.
Kontakta din auktoriserade Toro-återförsäljare om du vill ha mer information om biodiesel.
53 liter
Parkera maskinen på en plan yta.
Gör rent runt tanklocket med en ren trasa.
Ta bort locket från bränsletanken (Figur 28).

Fyll på bränsle i tanken tills det återstår 6–13 mm till påfyllningsrörets underkant.
Sätt tillbaka tanklocket och dra åt ordentligt när du har fyllt på tanken.
Note: Fyll om möjligt på tanken varje gång maskinen har använts. Detta minimerar eventuell ansamling av kondens i bränsletanken.
| Underhållsintervall | Underhållsförfarande |
|---|---|
| Varje användning eller dagligen |
|
Ta bort skräp från gallret, oljekylaren och kylarens framsida dagligen, eller oftare vid extremt dammiga och smutsiga förhållanden. Se avsnittet Ta bort skräp från kylsystemet.
Kylsystemet fylls med en 50/50-blandning av vatten och permanent frostskyddsmedel med etylenglykol. Kontrollera kylvätskenivån i expansionstanken varje dag innan du startar motorn. Kylsystemets kapacitet är 6,6 liter.
Om motorn har varit igång kan det trycksatta, heta kylmedlet läcka ut och orsaka brännskador.
Ta inte bort kylarlocket när motorn är igång.
Ta hjälp av en trasa för att öppna kylarlocket och öppna locket sakta så att ånga kan komma ut.
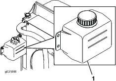
Kontrollera kylvätskenivån i expansionstanken (Figur 29).
Nivån bör ligga mellan markeringarna på sidan av tanken.

Ta bort locket på expansionstanken och fyll på systemet om kylvätskenivån är låg. Fyll inte på för mycket.
Skruva på locket till expansionstanken.
| Underhållsintervall | Underhållsförfarande |
|---|---|
| Varje användning eller dagligen |
|
Maskinens hydraultank fylls på fabriken med ca 30 liter högkvalitativ hydraulvätska. Kontrollera hydraulvätskenivån innan motorn startas för första gången och därefter dagligen. Rekommenderad utbytesvätska:
| Hydraulvätska av typen Toro Premium All Season (finns i 19 liters spannar eller 208 liters fat). Se reservdelskatalogen eller en Toro-återförsäljare för artikelnummer.) |
Alternativa vätskor: Om Toro-vätskan inte finns att få kan andra vätskor användas förbehållet att de uppfyller följande materialegenskaper och branschspecifikationer. Vi rekommenderar inte att du använder syntetisk vätska. Fråga din oljedistributör om råd för att hitta en tillfredsställande produkt. Obs! Toro ansvarar inte för skador som uppstått till följd av att felaktiga vätskor använts. Använd därför endast produkter från ansedda tillverkare som ansvarar för sina rekommendationer.
| Högt viskositetsindex/nötningsförhindrande hydraulvätska, med låg flytpunkt, av typen ISO VG 46 | |||
| Materialegenskaper: | |||
| Viskositet, ASTM D445 | cSt vid 40 °C 44 till 50cSt vid 100 °C 7,9 till 8,5 | ||
| Viskositetsindex, ASTM D2270 | 140 till 160 | ||
| Flytpunkt, ASTM D97 | -37 °C till -45 °C | ||
| Branschspecifikationer: | |||
| Vickers I-286-S (kvalitetsnivå), Vickers M-2950-S (kvalitetsnivå), Denison HF-0 | |||
Important: Den flergradiga hydraulvätskan ISO VG 46 har visat sig ge optimal prestanda vid en mängd olika temperaturförhållanden. Hydraulvätskan ISO VG 68 kan ge bättre prestanda vid användning i konstant höga omgivningstemperaturer, dvs. 18 till 49 °C.
Biologiskt nedbrytbar premiumhydraulvätska – MobilEAL EnviroSyn 46H
Important: Mobil EAL EnviroSyn 46H är den enda syntetiska, biologiskt nedbrytbara vätskan som har godkänts av Toro. Vätskan kan blandas med de elastomerer som används i Toros hydraulsystem och kan användas i många olika temperaturer. Vätskan kan blandas med traditionella mineraloljor, men för största möjliga biologiska nedbrytbarhet och prestanda bör hydraulsystemet sköljas noga så att inga traditionella oljor finns kvar. Du kan köpa oljan i dunkar om 19 liter eller fat om 208 liter hos din Mobil-återförsäljare.
Important: Många hydraulvätskor är nästintill färglösa, vilket gör det svårt att upptäcka läckor. Det finns en rödfärgstillsats till hydrauloljan i flaskor om 20 ml. En flaska räcker till 15–22 liter hydraulolja. Beställ artikelnr 44-2500 från en auktoriserad Toro-återförsäljare. Rödfärgen bör inte användas tillsammans med biologiskt nedbrytbara vätskor. Använd hushållsfärg istället.
Parkera maskinen på en plan yta, sänk klippenheterna och stäng av motorn.
Gör rent omkring påfyllningsröret och locket på hydraultanken (Figur 30). Ta bort locket från påfyllningsröret.

Ta ut oljestickan ur påfyllningsröret och torka av den med en ren trasa. För in oljestickan i påfyllningsröret, och ta sedan ut den igen och kontrollera oljenivån. Nivån ska ligga inom 6,3 mm från markeringen på oljestickan. Fyll inte på för mycket.
Fyll på lämplig vätska så att den når upp till markeringen FULL, om nivån är låg.
Sätt tillbaka oljestickan och locket på påfyllningsröret.
| Underhållsintervall | Underhållsförfarande |
|---|---|
| Varje användning eller dagligen |
|
Kontrollera kontakten mellan cylindern och underkniven dagligen innan du använder maskinen, även om klippkvaliteten tidigare har varit acceptabel. Det ska vara lätt kontakt längs med cylinderns och underknivens hela längd (se avsnittet om att justera cylindern till underkniven i bruksanvisningen till klippenheterna).
| Underhållsintervall | Underhållsförfarande |
|---|---|
| Efter den första timmen |
|
| Efter de första 10 timmarna |
|
| Var 250:e timme |
|
Dra åt hjulmuttrarna till ett moment på 94–122 N·m efter 1–4 timmars drift och igen efter 10 timmars drift. Dra sedan åt muttrarna var 250:e timme.
Om hjulmuttrarna inte dras åt ordentligt kan det leda till personskador.
Important: Bränslesystemet kommer automatiskt att avluftas i följande fall:
Vid den första starten av en ny maskin.
Motorn har stannat till följd av att bränslet har tagit slut.
Underhåll har utförts på komponenter i bränslesystemet.
Sitt på sätet, håll foten borta från gaspedalen så att den är i neutralläget, lägg i parkeringsbromsen, sätt motorhastighetsknappen i mittläget och se till så att brytaren för inkoppling/urkoppling är i det urkopplade läget.
Ta bort foten från gaspedalen och kontrollera att pedalen är i neutralläget.
Vrid tändningsnyckeln till körläget.
Vid tändningsnyckeln till Start när glödindikatorn slocknar. Släpp nyckeln omedelbart när motorn startar och låt den gå tillbaka till körläget. Låt motorn bli varm (utan belastning) och flytta sedan gasreglaget till önskad position.
Flytta alla reglage till neutralläget, lägg i parkeringsbromsen, sätt motorhastighetsknappen i läget för låg tomgång och låt motorn sänka farten till låg tomgång.
Vrid nyckeln till det avslagna läget och ta ut den ur tändningslåset.
Det är viktigt att hastigheten för cylindrarna ställs in korrekt så att du åstadkommer en jämn klippning av hög kvalitet och erhåller ett enhetligt resultat. Justera cylinderhastigheten på följande sätt:
Beräkna lämplig cylinderhastighet genom att ange antal knivar, klipphastighet och klipphöjd på inställningsmenyn i InfoCenter.
Om det krävs fler justeringar bläddrar du till Varvtal för främre cylinder och/eller Varvtal för bakre cylinder på inställningsmenyn.
Ändra värdet för cylinderhastighet genom att trycka på högerknappen. När hastighetsinställningen har ändrats kommer det värde som har beräknats utifrån angiven information om antal knivar, klipphastighet och klipphöjd fortsätta att visas på displayen tillsammans med det nya värdet.
Note: Cylinderhastigheten kan behöva ökas eller minskas för att kompensera för gräsförhållandena.
Note: Att klippa gräs med en hastighet som utsätter motorn för belastning förbättrar DPF-regenereringen.
Flytta maskinen till arbetsområdet och placera den utanför klippområdet när du börjar klippa.
Kontrollera att kraftuttagsbrytaren är i det URKOPPLADE läget.
Flytta klipphastighetsbegränsarens spak framåt.
Tryck på gasreglagebrytaren för att ställa in motorns varvtal på HöG TOMGåNG.
Använd styrspaken för att sänka ned klippenheterna till marken.
Tryck på kraftuttagsbrytaren för att förbereda klippenheterna för drift.
Använd styrspaken för att höja upp klippenheterna från marken.
Börja köra maskinen mot klippområdet och sänk ned klippenheterna.
Note: Att klippa gräs med en hastighet som utsätter motorn för belastning förbättrar DPF-regenereringen.
När du är klar med klippsträckan använder du styrspaken för att höja upp klippenheterna.
Genomför en tårformad sväng för att snabbt komma i läge för nästa klippsträcka.
Dieselpartikelfiltret (DPF) ingår i avgassystemet. Katalysatorn för dieseloxidering i dieselpartikelfiltret minskar mängden skadliga gaser och tar bort sot från motorns avgasrör.
Dieselpartikelfiltrets regenereringsprocess använder värme från avgasröret till att förbränna sot som ansamlats på sotfiltret, vilket omvandlar sotet till aska och rensar kanalerna i sotfiltret så att filtrerade avgaser från motorn flödar ut ur dieselpartikelfiltret.
Motorns dator övervakar mängden sot genom att mäta baktrycket i dieselpartikelfiltret. Om baktrycket är för högt kan sotet inte förbrännas i sotfiltret då motorn går normalt. Tänk på följande för att hålla dieselpartikelfiltret fritt från sot:
Passiv regenerering förekommer kontinuerligt medan motorn är igång. Kör motorn på fullt motorvarvtal när det är möjligt för att främja DPF-regenerering.
Om baktrycket är för högt talar motorns dator om via InfoCenter när ytterligare processer (stöd- och återställningsregenerering) är igång.
Låt processen för stöd- och återställningsregenerering slutföras innan du stänger av motorn.
Använd och underhåll maskinen med dieselpartikelfiltrets funktioner i åtanke. Motorbelastning på tomgång med högt motorvarvtal producerar i allmänhet tillräcklig avgastemperatur för DPF-regenereringen.
Important: Minimera tiden som motorn går på tomgång eller kör motorn på ett lägre varvtal för att minska ansamlingen av sot i sotfiltret.
Avgastemperaturen är mycket hög (ca 600 °C) under den parkerade regenereringen eller återställningsregenereringen av dieselpartikelfiltret. Heta avgaser kan skada dig eller andra människor.
Kör aldrig motorn i ett slutet utrymme.
Se till att det inte finns något brännbart material runt avgassystemet.
Rör aldrig vid en het avgassystemskomponent.
Stå aldrig vid eller i närheten av maskinens avgasrör.
Med tiden samlas sot i dieselpartikelfiltrets sotfilter. Motorns dator övervakar sotnivån i dieselpartikelfiltret.
När tillräckligt med sot har ansamlats meddelar datorn dig att det är dags att regenerera dieselpartikelfiltret.
DPF-regenerering är en process som värmer upp dieselpartikelfiltret, vilket omvandlar sotet till aska.
Förutom att ge varningsmeddelanden minskar datorn även motorns effekt vid olika nivåer av sotansamling.
| Indikeringsnivå | Felkod | Motoreffekt | Rekommenderad åtgärd |
| Nivå 1: Motorvarning |
![]() | Datorn minskar motoreffekten till 85 % | Utför en parkerad regenerering så snart som möjligt. Se Parkerad regenerering. |
| Nivå 2: Motorvarning |
![]() | Datorn minskar motoreffekten till 50 % | Utför en återställningsregenerering så snart som möjligt. Se Återställningsregenerering. |
Lättare aska töms ut genom avgassystemet. Tyngre aska ansamlas i sotfiltret.
Aska är en biprodukt av regenereringsprocessen. Med tiden ansamlas aska i dieselpartikelfiltret, som inte töms ut genom motorns avgasrör.
Motorns dator beräknar mängden aska som har ansamlats i dieselpartikelfiltret.
När tillräckligt med aska ansamlats skickar motorns dator information till InfoCenter i form av ett systemmeddelande eller motorfel för att ange ansamling av aska i dieselpartikelfiltret.
Systemmeddelandet och felen är tecken på att dieselpartikelfiltret behöver servas.
Förutom att ge varningsmeddelanden minskar datorn även motorns effekt vid olika nivåer av askansamling.
| Indikeringsnivå | Meddelande eller felkod | Minskning av motorvarvtal | Motoreffekt | Rekommenderad åtgärd |
|---|---|---|---|---|
| Nivå 1: Systemmeddelande |
![]() | Ingen | 100 % | Meddela serviceavdelningen att meddelande nr 179 visas i InfoCenter. |
| Nivå 2: Motorvarning |
![]() | Ingen | Datorn minskar motoreffekten till 85 % | Utför service på dieselpartikelfiltret. Se Serva dieseloxideringskatalysatorn (DOC) och sotfiltret |
| Nivå 3: Motorvarning |
![]() | Ingen | Datorn minskar motoreffekten till 50 % | Utför service på dieselpartikelfiltret. Se Serva dieseloxideringskatalysatorn (DOC) och sotfiltret |
| Nivå 4: Motorvarning |
![]() | Motorvarvtal vid högsta åtdragning + 200 varv/minut | Datorn minskar motoreffekten till 50 % | Utför service på dieselpartikelfiltret. Se Serva dieseloxideringskatalysatorn (DOC) och sotfiltret |
| Typ av regenerering | Förutsättningar för DPF-regenerering | Beskrivning av DPF-drift |
|---|---|---|
| Passiv | Inträffar under normal användning av maskinen vid högt motorvarvtal eller hög motorbelastning | InfoCenter visar inte en symbol som anger passiv regenerering. |
| Under passiv regenerering utsänder dieselpartikelfiltret mycket varma avgaser, oxiderar skadliga utsläpp och bränner sot till aska. | ||
| Se Passiv DPF-regenerering. | ||
| Stöd | Inträffar som ett resultat av lågt motorvarvtal, låg motorbelastning eller när datorn upptäcker baktryck i dieselpartikelfiltret | När symbolen för stöd-/återställningsregenerering
( ) visas
i InfoCenter pågår en stödregenerering. |
| Under stödregenerering styr datorn insugningsreglaget för att öka avgastemperaturen, vilket aktiverar stödregenereringen. | ||
| Se DPF-stödregenerering. | ||
| Återställning | Inträffar endast efter stödregenereringen om datorn upptäcker att stödregenereringen inte minskade sotnivån tillräckligt | När symbolen för stöd-/återställningsregenerering
( ) visas
i InfoCenter pågår en regenerering. |
| Det sker även var 100:e timme för att återställa de grundläggande sensoravläsningarna | ||
| Under återställningsregenereringar styr datorn insugningsreglage och bränsleinsprutare för att öka avgastemperaturen under regenereringen. | ||
| Se Återställningsregenerering. |
| Typ av regenerering | Förutsättningar för DPF-regenerering | Beskrivning av DPF-drift |
|---|---|---|
| Parkerad | Sot ansamlas till följd av långvarig drift vid låga motorvarvtal eller låg motorbelastning. Detta kan också inträffa som följd av felaktig användning av bränsle eller olja | När symbolen för parkerad
regenerering ( ) visas i InfoCenter har en regenerering begärts. |
| Datorn upptäcker baktryck på grund av att sot har ansamlats och begär en parkerad regenerering | ||
| • Genomför en parkerad regenerering så snart som möjligt så att du slipper behöva genomföra en återställningsregenerering. | ||
| • En parkerad regenerering tar 30–60 minuter. | ||
| • Tanken måste vara minst ¼ full. | ||
| • Du måste parkera maskinen för att kunna genomföra en återställningsregenerering. | ||
| Se Parkerad regenerering. | ||
| Återställning | Inträffar om du har ignorerat begäran om parkerad regenerering och fortsatt köra enheten, vilket orsakar en ännu större ansamling av sot när dieselpartikelfiltret redan är i behov av en parkerad regenerering | När symbolen för återställningsregenerering
( ) visas
i InfoCenter har en återställningsregenerering begärts. |
| Kontakta en auktoriserad Toro-återförsäljare för att få hjälp av en servicetekniker, som utför återställningsregenereringen. | ||
| • En återställningsregenerering tar upp till fyra timmar att slutföra. | ||
| • Tanken måste vara minst halvfull. | ||
| • Du måste parkera maskinen för att kunna genomföra en återställningsregenerering. | ||
| Se Återställningsregenerering. |
Passiv regenerering genomförs som en del av motorns vanliga drift.
När du använder maskinen ska du köra motorn på fullt motorvarvtal så ofta du kan för att främja DPF-regenereringen.

Symbolen för stöd-/återställningsregenerering visas i InfoCenter (Figur 37).
Datorn övertar kontrollen av insugsreglaget för att höja temperaturen på motorns avgaser.
När du använder maskinen ska du köra motorn på fullt motorvarvtal så ofta du kan för att främja DPF-regenerering.
Symbolen
visas i InfoCenter medan stödregenereringen
pågår.
Om möjligt, stäng inte av motorn eller minska motorns varvtal medan stödregenereringen pågår.
Important: Låt maskinen slutföra stödregenereringsprocessen innan du stänger av motorn.
Note: Stödregenereringen är slutförd när symbolen
försvinner från
InfoCenter.

Symbolen för stöd-/återställningsregenerering visas i InfoCenter (Figur 38).
Datorn övertar kontrollen av insugsreglaget och ändrar processen för bränsleinsprutning för att höja temperaturen på motorns avgaser.
Important: Symbolen för stöd-/återställningsregenerering visar att maskinens avgastemperatur kan vara varmare än under regelbunden drift.
När du använder maskinen ska du köra motorn på fullt motorvarvtal så ofta du kan för att främja DPF-regenerering.
Symbolen
visas i InfoCenter medan återställningsregenereringen
pågår.
Om möjligt, stäng inte av motorn eller minska motorns varvtal medan återställningsregenereringen pågår.
Important: Låt maskinen slutföra återställningsregenereringsprocessen innan du stänger av motorn.
Note: Återställningsregenereringen är slutförd
när symbolen
försvinner från InfoCenter.

Symbolen för begäran om parkerad regenerering visas i InfoCenter (Figur 39).
Om en parkerad regenerering krävs visar InfoCenter motorvarning SPN 3719, FMI 16 (Figur 40) och motorns dator minskar motoreffekten till 85 %.

Important: Om du inte genomför en parkerad regenerering inom två timmar minskar motorns dator motoreffekten till 50 %.
En parkerad regenerering tar 30–60 minuter.
Om du är auktoriserad av ditt företag måste du ange PIN-koden för att genomföra en parkerad regenerering.
Kontrollera att maskinens tank är minst ¼ full.
Flytta maskinen utomhus till ett område utan brandfarligt material.
Ställ maskinen på ett plant underlag.
Kontrollera att gaspedalerna eller rörelsereglagespakarna är i NEUTRALLäGET.
Sänk ned klippenheterna och stäng av dem (om tillämpligt).
Koppla in parkeringsbromsen.
Ställ in gasreglaget på LåG TOMGåNG.
Note: Anvisningar om hur du låser upp låsta menyer finns i avsnittet Åtkomst till låsta menyer.
Gå till den låsta menyn och lås upp undermenyn med låsta inställningar (Figur 41). Se Åtkomst till låsta menyer.

Gå till HUVUDMENYN, tryck på mittknappen för att bläddra ned till SERVICEMENYN och tryck sedan på högerknappen för att välja alternativet SERVICE (Figur 42).
Note: PIN-symbolen bör nu visas i skärmens övre högra hörn i InfoCenter.

I SERVICEMENYN ska du trycka på mittknappen tills alternativet DPF REGENERATION (DPF-regenerering) visas, och sedan trycker du på högerknappen för att välja alternativet DPF REGENERATION (DPF-regenerering) (Figur 43).

När ”Initiate DPF Regen. Are you sure?” (”Påbörja DPF-regen. Är du säker?”) visas trycker du på mittknappen (Figur 44).

Om kylvätsketemperaturen understiger 60 °C visas meddelandet
”Insure
is running and above 60C/140F” (”Kontrollera att är
igång och är över 60 °C”) (Figur 45).
Övervaka temperaturen på displayen och kör motorn på full gas tills temperaturen når 60 °C, och tryck därefter på mittknappen.
Note: Om kylvätsketemperaturen överstiger 60 °C hoppas denna skärm över.

För gasreglaget till LåG TOMGåNG och tryck på mittknappen (Figur 46).

Följande meddelanden visas när den parkerade regenereringen inleds:
Meddelandet ”Initiating DPF Regen.” (”Startar DPF-regen.”) visas (Figur 47).

Meddelandet ”Waiting on
” (”Väntar
på ”) visas (Figur 48).

Datorn känner av huruvida regenereringen pågår. Ett av följande meddelanden visas i InfoCenter:
Om regenereringen är tillåten visas meddelandet ”Regen Initiated. Allow up to 30 minutes for completion” (”Regen. har startats. Det kan ta upp till 30 minuter innan den är klar”) i InfoCenter. Vänta tills den parkerade regenereringsprocessen har slutförts (Figur 49).

Om regenereringsprocessen inte tillåts av motorns dator visas meddelandet ”DPF Regen Not Allowed” (”DPF-regen. tillåts inte”) i InfoCenter (Figur 50). Tryck på vänsterknappen för att gå tillbaka till huvudskärmen.
Important: Om inte alla krav för regenereringen uppfylls, eller om mindre än 50 timmar har gått sedan den senaste regenereringen, visas meddelandet ”DPF Regen Not Allowed” (”DPF-regen. tillåts inte”).

När regenereringen är igång återgår InfoCenter till startskärmen och visar följande symboler:
![]() | Motorn är kall – vänta. | |
![]() | Motorn är varm – vänta. | |
![]() | Motorn varm – regenerering pågår (procentandel slutförd). |
Den parkerade regenereringen är genomförd när meddelandet ”Regen Complete” (”Regen. slutförd”) visas på InfoCenter. Tryck på vänsterknappen för att gå tillbaka till huvudskärmen (Figur 51).

Om du ignorerar begäran om en parkerad regenerering (visas i InfoCenter) och fortsätter att använda maskinen kan en kritisk mängd sot byggs upp i dieselpartikelfiltret.
Om en återställningsregenerering krävs visar InfoCenter motorvarning SPN 3719, FMI 16 (Figur 52) och motorns dator minskar motoreffekten till 85 %.

Important: Om du inte genomför en återställningsregenerering inom 15 minuter sänker motorns dator motoreffekten till 50 %.
Utför en återställningsregenerering när ett motorstopp inträffar och en parkerad regenerering inte effektivt kan rengöra dieselpartikelfiltret från sot.
En återställningsregenerering tar upp till fyra timmar att slutföra.
En tekniker från en återförsäljare måste utföra återställningsregenereringen. Kontakta en auktoriserad Toro-distributör.
Du kan justera motvikten på den bakre klippenhetens lyftarmar för att kompensera för olika gräsförhållanden och bibehålla en jämn klipphöjd även om marken är ojämn eller i områden med mycket torrt gräs.
Varje motviktsfjäder kan justeras till en av fyra inställningar. För varje steg ökas eller minskas klippenhetens motvikt med 2,3 kg. Du kan placera fjädrarna på baksidan av det första fjäderdonet för att eliminera all motvikt (fjärde läget).
Ställ maskinen på en plan yta, sänk ned klippenheterna, stäng av motorn, lägg i parkeringsbromsen och ta ut nyckeln ur tändningslåset.
Sätt ett rör eller liknande på den långa fjäderänden och vrid det runt fjäderdonet till önskat läge (Figur 53).
Fjädrarna är spända.
Var försiktig när du justerar dem.

Upprepa proceduren för den andra fjädern.
Ställ maskinen på en plan yta, sänk ned klippenheterna, stäng av motorn, lägg i parkeringsbromsen och ta ut nyckeln ur tändningslåset.
Lyftarmsbrytaren sitter under hydraultanken, bakom den främre, högra lyftarmen (Figur 54).
Lossa brytarens fästskruvar (Figur 54) och flytta ned brytaren för att öka lyftarmens vändhöjd eller flytta upp brytaren för att minska vändhöjden. Dra åt fästskruvarna.

I nödfall kan maskinen flyttas genom att man aktiverar förbikopplingsventilen i den varierbara hydraulpumpen och sedan knuffar eller bogserar maskinen.
Important: Bogsera inte maskinen snabbare än 3–4,8 km/h eftersom transmissionen kan skadas. Förbikopplingsventilen måste alltid vara öppen när maskinen knuffas eller bogseras.
Förbikopplingsventilen sitter till vänster om hydrostaten (Figur 55). Vrid bulten 1,5 varv för att öppna ventilen och låta olja avledas internt. Eftersom vätskan avleds kan maskinen flyttas långsamt utan att transmissionen skadas.

Stäng förbikopplingsventilen innan du startar motorn. Använd dock högst 7–11 N·m åtdragningsmoment för att stänga ventilen.
Important: Om motorn körs med öppen förbikopplingsventil leder det till överhettning av transmissionen.
Note: Använd domkrafter för att stötta upp maskinen när det behövs.
Fram – fyrkantigt belägg under axelröret inuti båda framdäcken (Figur 56).

Bak – fyrkantigt axelrör på bakaxeln.
Maskinen är utrustad med en diagnoslampa som visar om ett funktionsfel upptäcks i maskinen. Diagnoslampan sitter i InfoCenter, ovanför displayskärmen (Figur 59). När maskinen fungerar som den ska och tändningslåset vrids till det påslagna läget/körläget tänds diagnoslampan kortvarigt vilket indikerar att lampan fungerar korrekt. När ett informationsmeddelande visas tänds lampan. När ett felmeddelande visas blinkar lampan tills felet har åtgärdats.

Syftet med säkerhetsbrytarna är att förhindra motorn från att starta om inte gaspedalen är i neutralläget, brytaren för inkoppling/urkoppling är i det urkopplade läget och reglaget för höjning/sänkning av klippenheterna är i neutralläget. Dessutom ska motorn stanna om gaspedalen trycks ned då föraren inte sitter på sätet eller om parkeringsbromsen ligger i.
Om säkerhetsbrytarna är frånkopplade eller skadade kan maskinen plötsligt aktiveras vilket i sin tur kan leda till personskador.
Gör inga otillåtna ändringar på säkerhetsbrytarna.
Kontrollera säkerhetsbrytarnas funktion dagligen och byt ut eventuella skadade brytare innan maskinen körs.
| Underhållsintervall | Underhållsförfarande |
|---|---|
| Varje användning eller dagligen |
|
Parkera maskinen på en plan yta, sänk ned klippenheterna, stäng av motorn och lägg i parkeringsbromsen.
Vrid tändningsnyckeln till det påslagna läget, men starta inte maskinen.
Leta upp aktuell brytarfunktion på diagnostikmenyn i InfoCenter.
Ändra varje brytare en och en, från påslagen till avstängd (dvs. sitt på sätet, trampa ned gaspedalen osv.) och observera att statusen hos motsvarande brytare ändras. Upprepa den här proceduren för alla brytare som du kan ändra manuellt.
Om en brytare stängs av och relevant indikator inte ändras ska du kontrollera samtliga sladdar och anslutningar till brytaren och/eller kontrollera brytarna med en ohmmeter. Byt ut eventuella brytare som är defekta och reparera eventuella sladdar som är skadade.
Note: På InfoCenter-skärmen visas även information om vilka utgångselektromagneter eller utgångsreläer som är påslagna. Detta är ett snabbt sätt att avgöra om en maskins funktionsfel är av elektrisk eller hydraulisk natur.
Parkera maskinen på ett plant underlag, sänk ned klippenheterna, stäng av motorn och lägg i parkeringsbromsen.
Vrid tändningslåset till påslaget läge och starta maskinen.
Leta upp aktuell utgångsfunktion på diagnostikmenyn i InfoCenter.
Sitt på sätet och försök aktivera önskad funktion på maskinen. Relevanta utgångsindikatorer bör ändra status för att visa att den elektroniska styrmodulen slår på funktionen.
Note: Om inte rätt utgångsindikatorer tänds ska du kontrollera att de ingångsbrytare som krävs befinner sig i rätt lägen för att tillåta funktionen. Kontrollera att brytarna fungerar som de ska.Om utgångsindikatorerna är tända enligt specifikationerna men maskinen inte fungerar som den ska, tyder detta på att problemet inte är elektriskt. Reparera om det behövs.
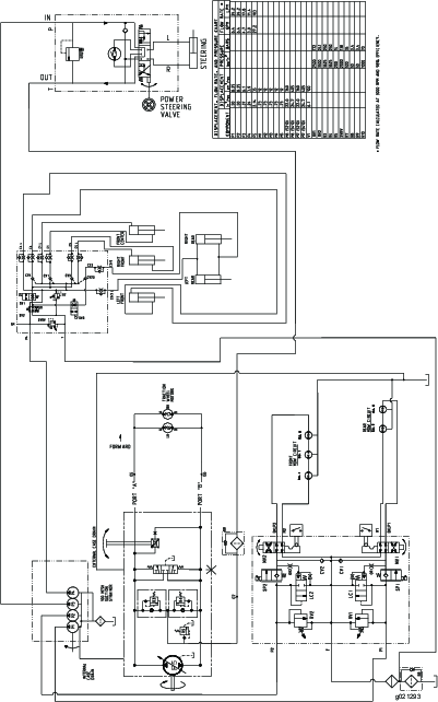
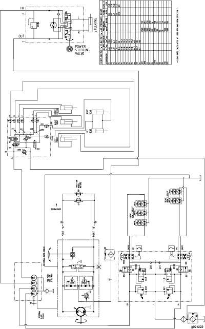
Använd listan nedan för att identifiera och beskriva elektromagneternas olika funktioner i hydraulgrenröret. Varje elektromagnet måste vara ansluten för att funktionen ska fungera.
| Elektromagnet | Funktion |
| SP2 | Främre cylinderkrets |
| SP1 | Bakre cylinderkrets |
| SVRV | Lyfta/sänka klippenheterna |
| SV1 | Lyfta/sänka de främre klippenheterna |
| SV3 | Lyfta/sänka de bakre klippenheterna |
| SV2 | Höja klippenheterna |
Öva dig på att köra maskinen på ett öppet område innan du klipper gräs med den för första gången. Starta och stäng av motorn. Kör framåt och backa. Sänk och höj klippenheterna och koppla in och ur cylindrarna. När du har bekantat dig med maskinen övar du på att köra uppför och nedför sluttningar med olika hastigheter.
Om en varningslampa tänds under drift ska maskinen stannas omedelbart och problemet åtgärdas innan driften återupptas. Om maskinen körs med ett funktionsfel kan allvarliga skador uppstå.
Starta motorn och sätt motorhastighetsknappen i det snabba läget. Flytta brytaren för inkoppling/urkoppling till det inkopplade läget och använd reglaget för höjning/sänkning av klippenheterna till att styra klippenheterna (de främre klippenheterna är inställda så att de sänks före de bakre klippenheterna). Tryck gaspedalen framåt för att köra framåt och klippa gräset.
Flytta brytaren för inkoppling/urkoppling till det urkopplade läget och höj upp klippenheterna till transportläget. Flytta spaken för klippning/transport till transportläget. Var försiktig när du kör mellan föremål så att du inte skadar maskinen eller klippenheterna av misstag. Var extra försiktig när du kör maskinen på lutande underlag. Kör sakta och undvik tvära svängar i sluttningar, för att undvika att välta. Sänk ned klippenheterna om du ska köra nedför en sluttning för att få bättra kontroll över styrningen.
Note: Vänster och höger sida på maskinen är lika med förarens vänstra respektive högra sida vid normal körning.
| Underhållsintervall | Underhållsförfarande |
|---|---|
| Efter den första timmen |
|
| Efter de första 10 timmarna |
|
| Varje användning eller dagligen |
|
| Var 50:e timme |
|
| Var 100:e timme |
|
| Var 200:e timme |
|
| Var 250:e timme |
|
| Var 400:e timme |
|
| Var 800:e timme |
|
| Var 6000:e timme |
|
| Vartannat år |
|
Kopiera sidan och använd den regelbundet.
| Kontrollpunkt | Vecka: | ||||||
|---|---|---|---|---|---|---|---|
| Mån. | Tis. | Ons. | Tors. | Fre. | Lör. | Sön. | |
| Kontrollera säkerhetsbrytarnas funktion. | |||||||
| Kontrollera bromsens funktion. | |||||||
| Kontrollera motoroljenivån och bränslenivån. | |||||||
| Töm vatten-/bränsleseparatorn. | |||||||
| Kontrollera luftfiltrets igensättningsindikator. | |||||||
| Undersök om det finns skräp i kylaren eller gallret. | |||||||
| Kontrollera ovanliga motorljud.1 | |||||||
| Kontrollera ovanliga driftljud. | |||||||
| Kontrollera hydrauloljenivån. | |||||||
| Kontrollera hydraulfiltrets indikator. 2 | |||||||
| Se till att det inte finns skador på hydraulslangarna. | |||||||
| Undersök om systemet har oljeläckor. | |||||||
| Kontrollera däcktrycket. | |||||||
| Kontrollera instrumentfunktionen. | |||||||
| Kontrollera justeringen av cylinder mot underkniv. | |||||||
| Kontrollera klipphöjdsinställningen. | |||||||
| Kontrollera om någon smörjnippel behöver smörjas. 3 | |||||||
| Bättra på skadad lack. | |||||||
|
1. Undersök glödstift och insprutarmunstycken om motorn är trögstartad eller om överdrivet mycket rök eller ojämn gång uppmärksammas. 2. Utför kontrollen med motorn igång och oljan vid driftstemperatur 3. Omedelbart efter varje tvätt, oavsett intervallet i listan |
|||||||
| Kontrollen utförd av: | ||
| Artikel | Datum | Information |
| 1 | ||
| 2 | ||
| 3 | ||
| 4 | ||
| 5 | ||
| 6 | ||
| 7 | ||
| 8 | ||
Important: Mer information om ytterligare underhållsförfaranden finns i motorbruksanvisningen.

Om du lämnar nyckeln i tändningslåset kan någon råka starta motorn av misstag och skada dig eller någon annan person allvarligt.
Ta ut nyckeln ur tändningslåset innan du utför något underhåll.
| Underhållsintervall | Underhållsförfarande |
|---|---|
| Var 50:e timme |
|
Om maskinen används under normala förhållanden ska du smörja alla smörjnipplar för lagren och bussningarna var 50:e körtimme med universalfett nr 2 på litiumbas. Smörj lagren och bussningarna omedelbart efter varje tvätt, oavsett vilket intervall som anges i listan.
Smörjnipplarnas placering och antal är som följer:
Pumpdrivaxel (3) (Figur 61)

Klippenheternas lyftarmscylindrar (2 var) (Figur 62)

Lyftarmens svängtappar (1 var) (Figur 62)
Klippenhetens bärram och svängtapp (2 var) (Figur 63)

Lyftarmens svängaxel (1 var) (Figur 64)

Bakaxelns dragstång (2) (Figur 65)

Axelns styrtapp (1) (Figur 66)

Styrcylinders kulleder (2) (Figur 67)

Bromspedal (1) (Figur 68)

| Underhållsintervall | Underhållsförfarande |
|---|---|
| Var 400:e timme |
|
Undersök luftrenaren för att se om det finns skador som kan orsaka en luftläcka. Byt ut om den är skadad. Undersök hela luftintagssystemet för att se om det finns läckor, skador eller lösa slangklämmor.
Utför bara service på luftrenarfiltret när serviceindikatorn (Figur 69) anger att det krävs. Om du byter luftfiltret tidigare ökar det risken för att smuts kommer in i motorn när filtret har avlägsnats.
Important: Se till att kåpan sitter som den ska och sluter tätt runt luftrenaren.
Lossa spärrhakarna som håller fast luftrenarkåpan på luftrenarhuset (Figur 69).

Ta bort kåpan från luftrenaren. Använd lågtrycksluft (276 kPa [40 psi], ren och torr) innan du avlägsnar filtret för att ta bort stora ansamlingar skräp som packats mellan filtrets utsida och skålen. Undvik att använda högtrycksluft eftersom denna kan tvinga smutsen genom filtret och in i luftintagsröret.
Denna rengöringsprocess förhindrar att det kommer in skräp i luftintaget när filtret tas bort.
Ta bort och byt ut filtret (Figur 70).
Vi rekommenderar inte att du rengör det använda filtret eftersom det då finns risk för att filtret skadas. Undersök om det nya filtret har några transportskador genom att kontrollera filtrets förseglade ände och själva filtret. Använd inte ett skadat filter. Sätt i det nya filtret genom att trycka på dess yttre kant för att fästa det i skålen. Tryck inte mitt på filtret där det är böjligt.

Rengör öppningen till smutsutblåsningen i den avtagbara kåpan. Avlägsna gummiutloppsventilen från kåpan, rengör håligheten och byt ut utloppsventilen.
Montera kåpan och placera gummiutloppsventilen i nedåtläge – mellan ca klockan 5 till klockan 7 sett från änden.
Fäst spärrhakarna.
Använd högkvalitativ motorolja med låg askhalt som uppfyller eller överträffar följande specifikationer:
API-servicekategori CJ-4 eller högre
ACEA-servicekategori E6
JASO-servicekategori DH-2
Important: Om motorolja av annan typ än API CJ-4 eller högre, ACEA E6 eller JASO DH-2 används kan detta orsaka att dieselpartikelfiltret täpps igen eller att motorn skadas.
Använd motorolja med följande viskositetsgrad:
Rekommenderad olja: SAE 15W-40 (över -17,8 °C)
Alternativ olja: SAE 10W-30 eller 5W-30 (alla temperaturer)
Toro Premium-motorolja med oljeviskositet på 15W-40 eller 10W-30 kan köpas hos din auktoriserade Toro-återförsäljare. Se reservdelskatalogen för artikelnummer.
| Underhållsintervall | Underhållsförfarande |
|---|---|
| Varje användning eller dagligen |
|
Important: Kontrollera motoroljan dagligen. Om oljenivån är ovanför markeringen Full på oljestickan kan motoroljan vara utspädd med bränsle.Om oljenivån är ovanför markeringen Full ska du byta motoroljan.
Det är bäst att kontrollera motoroljan när motorn är kall, innan den har startats för dagen. Om motorn redan har varit igång, ska du låta oljan rinna tillbaka ned till sumpen i minst 10 minuter innan du kontrollerar den. Fyll på olja tills nivån når upp till markeringen ”Full” på oljestickan om nivån ligger på eller under markeringen ”Add”.Fyll inte på för mycket olja i motorn.
Important: Motoroljenivån ska ligga mellan den övre och den nedre markeringen på oljestickan. Motorn kan gå sönder om du kör den med för mycket eller för lite olja.
Parkera maskinen på en plan yta. Lås upp motorhuvens spärrhakar.
Öppna motorhuven.
Ta ut oljestickan, torka av den, sätt tillbaka den i röret och dra ut den igen. Oljenivån ska ligga mellan fullmarkeringen och påfyllningsmärket (Figur 71).

Om oljenivån är låg ska du ta bort påfyllningslocket (Figur 71) och fylla på med olja tills nivån ligger mellan fullmarkeringen och påfyllningsmärket. Fyll inte på för mycket.
Sätt tillbaka påfyllningslocket och oljestickan.
Stäng motorhuven och lås den med spärrhakarna.
5,2 liter
| Underhållsintervall | Underhållsförfarande |
|---|---|
| Var 250:e timme |
|
Byt oljan och filtret var 250:e körtimme.
Ta bort avtappningspluggen (Figur 72) och låt oljan rinna ned i ett avtappningskärl. Sätt tillbaka avtappningspluggen när oljan har tappats ur.

Avlägsna oljefiltret (Figur 72). Stryk på ett tunt lager ren olja på den nya filterpackningen innan den skruvas på. Dra inte åt för hårt.
Fyll på olja i vevhuset, se Byta motoroljan och filtret.
| Underhållsintervall | Underhållsförfarande |
|---|---|
| Var 6000:e timme |
|
Om systemmeddelande visas i InfoCenter är det nästan dags för service av dieseloxideringskatalysatorn och sotfiltret i dieselpartikelfiltret.

Om motorfel (Kontrollera motor), (Kontrollera motor) eller (Kontrollera motor) visas i InfoCenter (Figur 74) ska du rengöra sotfiltret genom att följa stegen nedan:



I avsnittet om motorn i servicehandboken finns information om demontering och montering av dieseloxideringskatalysatorn och sotfiltret i dieselpartikelfiltret.
Kontakta din auktoriserade Toro-återförsäljare om du behöver reservdelar eller service för dieseloxideringskatalysatorn och sotfiltret.
Kontakta din auktoriserade Toro-återförsäljare så att de kan återställa motorns styrenhet när du har monterar ett rent dieselpartikelfilter.
Under vissa omständigheter är dieselbränsle och bränsleångor mycket brandfarliga och explosiva. Bränslebrand eller explosion kan skada dig själv och andra och orsaka materiella skador.
Använd en tratt och fyll på tanken utomhus på en öppen plats när motorn är avstängd och kall. Torka upp utspillt bränsle.
Fyll inte tanken helt full. Fyll på bränsle i tanken tills det återstår 6 till 13 mm till påfyllningsrörets underkant. Det tomma utrymmet behövs för bränslets expansion.
Rök aldrig när du handskas med bensin och håll dig borta från öppen eld eller platser där bensinångor kan antändas av gnistor.
Förvara bränsle i en ren, säkerhetsgodkänd behållare och se till att locket sitter på.
| Underhållsintervall | Underhållsförfarande |
|---|---|
| Var 400:e timme |
|
Töm ut vatten eller andra föroreningar från vattenseparatorn (Figur 75) dagligen. Byt ut filterskålen var 400:e arbetstimme.
Sätt en ren behållare under bränslefiltret.
Lossa avtappningspluggen längst ned på filterskålen och öppna ventilationsöppningen överst på behållaren.

Rengör området där filterskålen ska monteras.
Avlägsna filterskålen och rengör fästytan.
Smörj packningen på filterskålen med ren olja.
Montera filterskålen för hand tills packningen vidrör fästytan och vrid sedan ytterligare ett halvt varv.
Dra åt avtappningspluggen längst ned på filterskålen och stäng ventilationsöppningen överst på behållaren.
| Underhållsintervall | Underhållsförfarande |
|---|---|
| Var 400:e timme |
|
Motorbränslefiltret ska bytas ut efter 400 timmars drift.
Gör rent omkring bränslefilterhuvudet (Figur 76).

Demontera filtret och rengör filterhuvudets monteringsyta (Figur 76).
Smörj filterpackningen med ren motorsmörjolja. Mer information finns i den bruksanvisning till motorn som levererades med maskinen.
Montera den torra filterskålen för hand tills packningen kommer i kontakt med filterhuvudet, och vrid den sedan ytterligare ett halvt varv.
Starta motorn och kontrollera om det finns bränsleläckor kring filterhuvudet.
| Underhållsintervall | Underhållsförfarande |
|---|---|
| Var 400:e timme |
|
Kontrollera bränsleledningar och anslutningar var 400:e timme eller en gång om året, beroende på vilket som inträffar först. Undersök om de har skador eller lösa anslutningar eller om de har försämrats på något annat sätt.
Bränsleupptagningsröret som sitter på bränsletankens insida är utrustad med ett filter för att förhindra att skräp kommer in i bränslesystemet. Avlägsna bränsleupptagningsröret och rengör filtret vid behov.
Important: Om du behöver svetsa något på maskinen ska du först lossa båda kablarna från batteriet samt koppla bort båda ledningsnätskontakterna från den elektroniska styrmodulen och kabelanslutningen från generatorn, för att undvika skador på elsystemet.
| Underhållsintervall | Underhållsförfarande |
|---|---|
| Var 50:e timme |
|
Batteripoler, kabelanslutningar och tillbehör till dessa innehåller bly och blykomponenter: kemikalier som staten Kalifornien anser orsaka cancer och fortplantningsskador. Tvätta händerna när du har hanterat batteriet.
Batterielektrolyt innehåller svavelsyra som är ett dödligt gift och som orsakar allvarliga brännskador.
Drick inte elektrolyten och undvik kontakt med hud, ögon och kläder. Använd skyddsglasögon för att skydda ögonen och gummihandskar för att skydda händerna.
Fyll på batteriet på en plats där du har tillgång till rent vatten och kan skölja av huden.
När batteriet laddas bildas explosiva gaser.
Rök aldrig nära batteriet och håll det borta från gnistor och lågor.
Kontrollera batteriets tillstånd varje vecka eller var 50:e körtimma. Se till att hålla kabelanslutningarna och batterilådan rena eftersom ett smutsigt batteri långsamt kommer att laddas ur. Rengör batteriet genom att tvätta hela lådan med en lösning bestående av natriumbikarbonat och vatten. Skölj med rent vatten.
Det finns åtta säkringar i elsystemet. Säkringsblocket (Figur 77) sitter bakom reglagearmens åtkomstpanel.


Maskinen får inte ”krypa” när gaspedalen släpps upp. Om den kryper ska du justera inställningen på följande vis:
Parkera maskinen på en plan yta, stäng av motorn och sänk ned klippenheterna till marken.
Hissa upp maskinens framdel tills dess att framhjulen inte vidrör verkstadsgolvet. Stötta maskinen med domkrafter så att den inte kan ramla ned av misstag.
Note: På fyrhjulsdrivna modeller måste bakhjulen också vara upplyfta från verkstadsgolvet.
Lossa låsmuttern på hjuldrivningens justeringskam på höger sida av hydrostaten (Figur 79).

Motorn måste vara igång för att slutjusteringen ska kunna utföras på hjuldrivningens justeringskam. Det kan leda till personskador.
Håll händer, fötter, ansikte och andra kroppsdelar på behörigt avstånd från ljuddämparen, andra heta motordelar och alla roterande delar.
Starta motorn och vrid den sexkantiga kambulten i valfri riktning tills hjulen slutar att snurra.
Dra åt låsmuttern för att säkra justeringen.
Stäng av motorn. Ta bort domkrafterna och sänk ned maskinen till verkstadsgolvet.
Testkör maskinen och kontrollera att den inte kryper.
| Underhållsintervall | Underhållsförfarande |
|---|---|
| Var 800:e timme |
|
Vrid ratten så att bakhjulen pekar rakt fram.
Lossa kontramuttern i båda ändar av dragstången (Figur 80).
Note: Den ände av dragstången som har en yttre skåra är vänstergängad.

Vrid dragstången med hjälp av nyckelskåran.
Mät avståndet framtill och baktill på bakhjulen i axelhöjd. Avståndet framtill på bakhjulen ska vara mindre än 6 mm av det avstånd som uppmätts baktill på hjulen.
Upprepa proceduren efter behov.
| Underhållsintervall | Underhållsförfarande |
|---|---|
| Varje användning eller dagligen |
|
| Var 100:e timme |
|
| Vartannat år |
|
Avlägsna eventuellt skräp från gallret och kylaren/oljekylaren dagligen (oftare vid smutsiga arbetsförhållanden).
Justera fotbromsarna om bromspedalens rörelseavstånd överstiger 2,5 cm eller om bromsarna inte fungerar effektivt. Det fria spelet är det avstånd bromspedalen förflyttar sig innan bromsmotståndet känns av.
Note: Använd hjulmotorns kuggspel för att vicka trummorna fram och tillbaka så att de säkert kan röra sig fritt efter justeringen.
Dra åt bromsarna genom att lossa den främre muttern på bromskabelns gängade ände för att minska bromspedalernas spel (Figur 83).

Dra åt den bakre muttern så att kabeln förs bakåt tills bromspedalerna har ett spel på 1,27–1,9 cm innan hjulen låses.
Dra åt de främre muttrarna och se till så att båda kablarna aktiverar bromsarna samtidigt.
Om parkeringsbromsen inte kan aktiveras måste bromsens spärrhake justeras.
Lossa de två skruvar som håller fast parkeringsbromsens spärrhake på ramen (Figur 84).

Tryck parkeringsbromspedalen framåt tills bromsspärren griper in helt i parkeringsbromsens spärrhake (Figur 84).
Dra åt de två skruvarna för att fixera justeringen.
Tryck ned bromspedalen för att frigöra parkeringsbromsen.
Kontrollera justeringen och ändra vid behov igen.
| Underhållsintervall | Underhållsförfarande |
|---|---|
| Efter de första 10 timmarna |
|
| Var 100:e timme |
|
Kontrollera remmens skick och spännkraft (Figur 85) var 100:e körtimme.
Om remmen är korrekt spänd kan den böjas ned 10 mm med en kraft på 44 N·m mittemellan remskivorna.
Om nedböjningen inte är 10 mm lossar du generatorns fästbultar (Figur 85). Öka eller minska generatorremmens spännkraft och dra åt skruvarna. Kontrollera remmens nedböjning igen för att säkerställa att spännkraften är korrekt.

| Underhållsintervall | Underhållsförfarande |
|---|---|
| Var 800:e timme |
|
| Vartannat år |
|
Byt ut hydraulvätskan efter var 800:e arbetstimme vid normala förhållanden. Om vätskan förorenas kontaktar du din lokala Toro-återförsäljare eftersom systemet måste spolas. Förorenad hydraulvätska är mjölkaktig eller svart jämfört med ren olja.
Stäng av motorn och lyft upp motorhuven.
Ställ ett stort avtappningskärl under fästet som sitter på hydraultankens undersida (Figur 86).

Koppla bort slangen från fästet och låt hydraulvätskan rinna ner i avtappningskärlet.
Sätt tillbaka slangen när all hydraulvätska har tömts ut.
Fyll tanken med ca 30 liter hydraulvätska; se Kontrollera hydraulvätskan.
Important: Använd endast specificerade hydraulvätskor. Andra oljor kan orsaka skador på systemet.
Sätt tillbaka tanklocket.
Starta motorn och använd samtliga hydraulreglage för att sprida hydrauloljan i hela systemet. Undersök också om det finns några läckor.
Stäng av motorn.
Kontrollera hydraulvätskenivån och fyll på tillräckligt så att nivån når upp till markeringen ”Full” på oljestickan.
Important: Fyll inte på för mycket.
| Underhållsintervall | Underhållsförfarande |
|---|---|
| Var 800:e timme |
|
Hydraulsystemet är utrustat med en serviceintervallsindikator (Figur 87). Kontrollera indikatorn vid driftstemperatur när motorn är igång. Den bör befinna sig i det gröna området. Byt ut hydraulfiltren om lampan befinner sig i det röda området.

Important: Om du använder något annat filter kan garantin för några av komponenterna bli ogiltig.
Ställ maskinen på en plan yta, sänk ned klippenheterna, stäng av motorn, lägg i parkeringsbromsen och ta ut nyckeln ur tändningslåset.
Rengör området där filtret ska monteras och sätt ett avtappningskärl under filtret i (Figur 88) och (Figur 89).


Ta bort filtret.
Smörj det nya filtrets packning med hydraulolja.
Kontrollera att området där filtret ska monteras är rent.
Montera filtret för hand tills packningen vidrör fästytan och vrid sedan ytterligare ett halvt varv.
Upprepa proceduren för det andra filtret.
Starta motorn och låt den gå i cirka två minuter för att lufta systemet.
Stäng av motorn och undersök om det finns läckor.
| Underhållsintervall | Underhållsförfarande |
|---|---|
| Varje användning eller dagligen |
|
Kontrollera hydraulledningarna och slangarna dagligen för att se om det finns tecken på läckor, vridna ledningar, lösa fäststöd, slitage, lösa beslag, väderslitage eller kemiskt slitage. Reparera alla skador innan du kör maskinen igen.
Hydraulolja som läcker ut under tryck kan tränga in i huden och orsaka skada.
Se till att alla hydraulvätskeslangar och ledningar är i gott skick och att alla hydraulanslutningar och nipplar är åtdragna innan hydraulsystemet trycksätts.
Håll kropp och händer borta från småläckor eller munstycken som sprutar ut hydraulvätska under högtryck.
Använd en kartong- eller pappersbit för att hitta hydraulläckor.
Lätta på allt tryck i hydraulsystemet på ett säkert sätt innan något arbete utförs i hydraulsystemet.
Sök läkare omedelbart om du blir träffad av en vätskestråle och vätskan tränger in i huden.
Använd hydraulsystemets kontrollportar för att kontrollera trycket i hydraulkretsarna. Kontakta din lokala Toro-återförsäljare för hjälp.
Använd kontrollportarna på de främre hydraulrören (Figur 90) vid felsökning av drivkretsen.

Använd kontrollportarna på klippgrenrörsblocket (Figur 91) vid felsökning av klippkretsen.

Använd kontrollporten på lyftgrenrörsblocket (Figur 92) vid felsökning av lyftkretsen.

Om man kommer i kontakt med cylindrar eller andra rörliga delar kan detta orsaka personskador.
Håll fingrar, händer och kläder på avstånd från cylindrarna och andra rörliga delar.
Försök aldrig att vrida cylindrarna för hand eller med foten när motorn är igång.
Note: Under slipning arbetar samtliga främre enheter tillsammans och samtliga bakre enheter tillsammans.
Ställ maskinen på en plan yta, sänk ned klippenheterna, stäng av motorn, lägg i parkeringsbromsen och flytta inkopplings-/urkopplingsbrytaren till urkopplat läge.
Lossa och höj upp sätet för att frilägga slipningsspakarna (Figur 93).
Utför de första justeringarna av cylinder mot underkniv som behövs för slipning på samtliga klippenheter som ska slipas: läs mer i bruksanvisningen till klippenheterna.
Starta motorn och låt den gå på låg tomgång.
Om motorns hastighet ändras under slipningen kan cylindrarna stanna.
Ändra aldrig motorhastigheten under slipningen.
Slipa endast när motorn går på tomgång.
Välj den främre, bakre eller bägge slipningsspakarna för att bestämma vilka enheter som ska slipas (Figur 93).
Var noga med att hålla avstånd till klippenheterna innan du fortsätter med arbetet, för att undvika personskador.
Sätt reglaget för klippning/transport i läget för klippning och flytta brytaren för inkoppling/urkoppling till det inkopplade läget. Flytta reglaget för höjning/sänkning av klippenheterna framåt för att påbörja slipningen på de cylindrar som ska slipas.
Stryk på slippasta med en långskaftad borste. Använd aldrig en borste med kort skaft.
Om cylindrarna stannar eller går ojämnt vid slipning kan du välja en högre hastighetsinställning tills hastigheten stabiliseras, och sedan ändra tillbaka cylinderhastigheten till den hastighet som önskas.
Om du vill justera klippenheterna under slipningen ska du stänga av cylindrarna genom att flytta reglaget för höjning/sänkning av klippenheterna bakåt och brytaren för inkoppling/urkoppling till det urkopplade läget samt stänga av motorn. Upprepa steg 4 till 8 när du är klar med justeringarna.

Upprepa förfarandet för alla klippenheter som ska slipas.
När du är klar ska du sätta tillbaka slipningsreglagen i klippläget, fälla ned sätet och tvätta bort all slippasta från klippenheterna. Justera klippenhetscylindern mot underkniven efter behov. Justera klippenhetens cylinderhastighet till önskad klippinställning.
Important: Om slipningsbrytaren inte ställs tillbaka till det avstängda läget efter slipningen kommer klippenheterna inte att höjas upp eller fungera som de ska.
Note: Dra en fil över underknivens framsida när slipningen har avslutats så blir skäreggen bättre. Det avlägsnar eventuella grader ("skägg") eller ojämna kanter som kan uppstå på skäreggen.
Rengör traktorenheten, klippenheterna och motorn ordentligt.
Kontrollera däcktrycket. Pumpa upp alla däck på traktorenheten till mellan 0,82 och 1,03 bar.
Kontrollera alla fästelement och dra åt dem om de är lösa.
Smörj alla smörjnipplar och böjaxlar. Torka av överflödigt fett.
Sandpappra lätt och måla i områden där färgen har skrapats av, flagat eller rostat. Reparera eventuella bucklor i metallchassit.
Serva batteriet och kablarna på följande sätt:
Ta bort batteriets kabelanslutningar från batteripolerna.
Rengör batteriet, kabelanslutningarna och polerna med en stålborste och bakpulverlösning.
Fetta in kabelanslutningarna och batteriposterna med smörjfett av typen Grafo 112X (skin-over) (Toro-artikelnr 505-47) eller vaselin för att förhindra korrosion.
Ladda långsamt upp batteriet i 24 timmar var 60:e dag för att förhindra att det blysulfateras.
Töm motoroljan från kärlet och sätt tillbaka avtappningspluggen.
Ta bort och kasta oljefiltret. Montera ett nytt oljefilter.
Fyll på oljekärlet med rätt mängd motorolja.
Starta motorn och kör den på tomgång i ca två minuter.
Stäng av motorn.
Spola bränsletanken med färskt, rent dieselbränsle.
Kontrollera frostskyddsmedlet och fyll på med en 50/50-blandning av vatten och frostskyddsmedel, så att du klarar de lägsta temperaturerna under vintern.
Säkra bränslesystemets alla nipplar.
Rengör och serva luftrenaren ordentligt.
Täta luftrenarens inlopp och avgasutloppet med väderbeständig tejp.
Kontrollera frostskyddsmedlet och fyll på vid behov så att maskinen klarar de lägsta temperaturerna under vintern.

