| Intervalo de assistência | Procedimento de manutenção |
|---|---|
| Em todas as utilizações ou diariamente |
|
Esta máquina é um cortador de relva com transporte de utilizador e cilindro de lâminas destinada a ser utilizada por operadores profissionais contratados em aplicações comerciais. Foi principalmente concebida para cortar a relva em parques, campos de golfe, campos desportivos e relvados comerciais bem mantidos. Não foi concebida para cortar arbustos, cortar relva e outras ervas ao longo de autoestradas nem para utilizações agrícolas.
Leia estas informações cuidadosamente para saber como utilizar o produto, como efetuar a sua manutenção de forma adequada, evitar ferimentos pessoais e danos no produto. A utilização correta e segura do produto é da exclusiva responsabilidade do utilizador.
Pode contactar a Toro diretamente através do site www.toro.com para obter informações sobre produtos e acessórios, para obter o contacto de um representante ou para registar o seu produto.
Sempre que necessitar de assistência, peças genuínas Toro ou informações adicionais, entre em contacto com um representante de assistência autorizado ou com o serviço de assistência Toro, indicando os números de modelo e de série do produto. Os números de modelo e de série encontram-se numa chapa montada no lado esquerdo da estrutura por baixo do apoio de pé. Escreva os números no espaço fornecido.
Este manual identifica potenciais perigos e tem mensagens de segurança identificadas pelo símbolo de alerta de segurança (Figura 1), que identifica perigos que podem provocar ferimentos graves ou mesmo a morte, se não respeitar as precauções recomendadas.

Neste manual são ainda utilizados 2 termos para identificar informações importantes. A palavra Importante chama a atenção para informações especiais de ordem mecânica e a palavra Nota sublinha informações gerais que requerem especial atenção.
Este produto cumpre todas as diretivas europeias relevantes, para mais informações consultar a folha de Declaração de conformidade (DOC) em separado, específica do produto.
CALIFÓRNIA
Proposição 65 Aviso
É do conhecimento do Estado da Califórnia que os gases de escape a alguns dos componentes deste veículo contêm químicos que podem provocar cancro, defeitos congénitos ou outros problemas reprodutivos.
Como em algumas áreas existem regulamentos locais, estatais ou federais que exigem a utilização de um silenciador de escape no motor desta máquina, foi incorporado um silenciador de escape no conjunto do tubo de escape.
Os silenciadores de escape genuínos da Toro são aprovados pelo USDA Forestry Service.
Important: Este motor está equipado com um silenciador de escape e proteção contra chamas. Utilizar ou operar o motor em qualquer terreno com floresta, arbustos ou relva sem um silenciador de escape e proteção contra chamas mantido em boas condições ou motor adaptado, equipado e mantido para a prevenção de fogo é uma violação da secção 4442 do código de recursos públicos da Califórnia. Poderão existir leis semelhantes noutros estados ou zonas federais.
A utilização ou manutenção indevida do veículo por parte do utilizador ou do proprietário pode provocar lesões. De modo a reduzir o risco de ferimentos, respeite estas instruções de segurança e preste sempre atenção ao símbolo de alerta de segurança, que indica Cuidado, Aviso ou Perigo – instruções de segurança pessoal. O não cumprimento desta instrução pode resultar em acidentes pessoais ou mesmo em morte.
As seguintes instruções constam das normas CEN EN 836:1997, ISO 5395:1990 e ANSI B71.4-2012.
Leia atentamente o Manual do utilizador e o restante material de formação. Familiarize-se com os controlos, sinais de segurança e com a utilização apropriada do equipamento.
Nunca permita que se aproximem do cortador crianças ou pessoas que desconheçam as instruções de utilização e manutenção do cortador. Os regulamentos locais podem determinar restrições relativamente à idade do utilizador.
Nunca corte a relva com pessoas por perto, sobretudo no caso de crianças ou animais de estimação.
Não se esqueça que o operador ou utilizador é o único responsável por qualquer acidente e outros perigos causados a outrem ou aos seus bens.
Não transporte passageiros.
Os condutores e mecânicos devem procurar receber formação profissional. A formação dos utilizadores é da responsabilidade do proprietário. A respetiva formação deve destacar:
o cuidado e a concentração a ter durante a utilização deste tipo de equipamento;
o controlo da máquina numa inclinação não será recuperado com a utilização do travão. As principais razões para a perda do controlo são:
aderência insuficiente das rodas;
excesso de velocidade;
travagens inadequadas;
o tipo de máquina é inadequado para a tarefa;
falta de atenção às possíveis consequências do estado do piso, especialmente em declives;
engate incorreto ou má distribuição da carga.
O proprietário/utilizador pode evitar e é responsável por acidentes ou lesões provocados em si próprio, em terceiros ou em bens de qualquer tipo.
Enquanto cortar a relva, use sempre calçado resistente, calças compridas, chapéu resistente, óculos de segurança e proteção auricular. O cabelo solto, roupas largas e jóias poderão ficar presos nas peças móveis. Nunca utilize o equipamento se usar sandálias ou estiver descalço.
Examine atentamente a área onde irá utilizar o equipamento, retirando qualquer objeto que possa ser projetado pela máquina.
Aviso – O combustível é altamente inflamável. Tome as seguintes precauções:
Armazene o combustível em recipientes concebidos especialmente para o efeito.
Abasteça sempre o veículo no exterior e não fume enquanto o fizer.
Adicione o combustível antes de pôr o motor em funcionamento. Nunca tire o tampão do depósito de combustível nem adicione combustível se o motor estiver a funcionar ou demasiado quente.
Em caso de derrame de combustível, não tente ligar o motor, afaste a máquina do local onde se verificou o derrame, evitando criar qualquer fonte de ignição até que os vapores do combustível se tenham dissipado.
Volte a colocar as tampas dos depósitos e dos recipientes com segurança.
Substitua os silenciadores avariados.
Verifique o estado do terreno para determinar quais os acessórios e engates necessários para executar a tarefa de forma adequada e segura. Utilize apenas acessórios e engates aprovados pelo fabricante.
Verifique que os comandos de presença do utilizador, os interruptores de segurança e os resguardos estão corretamente montados e a funcionar corretamente. Não utilize a máquina se estes componentes não estiverem a funcionar corretamente.
Não utilize o motor em espaços confinados onde se acumulem gases de monóxido de carbono.
A operação de corte deve ser efetuada apenas com luz natural ou com iluminação artificial adequada.
Antes de tentar pôr o motor a funcionar, desative as embraiagens de engate das lâminas, coloque a alavanca das mudanças em ponto morto e aplique o travão de estacionamento.
Tenha em conta que não existem declives seguros. Os percursos em declives relvados requerem um cuidado especial. Para prevenir o capotamento:
não arranque nem pare bruscamente quando estiver a subir ou a descer um declive.
deve ser mantida uma velocidade baixa da máquina em declives e curvas apertadas.
esteja atento a lombas e valas e a outros perigos ocultos.
Não faça curvas apertadas. Tenha cuidado ao fazer marcha-atrás.
Use contrapeso(s) ou pesos de rodas quando tal for sugerido no manual do utilizador.
Esteja atento a buracos no terreno e a outros perigos ocultos.
Tome atenção ao tráfego quando utilizar a máquina perto de vias de circulação ou sempre que tiver de atravessá-las.
Pare a rotação das lâminas antes de atravessar superfícies que não sejam relvadas.
Quando utilizar algum engate, nunca efetue descargas se houver alguém por perto, nem permita que alguém se aproxime da máquina enquanto esta estiver a funcionar.
Nunca utilize a máquina com coberturas ou proteções danificadas, ou sem os dispositivos de segurança devidamente colocados. Certifique-se de que todos os interruptores de segurança se encontram montados, ajustados e a funcionar corretamente.
Não altere os valores do regulador do motor nem acelere demasiado o motor. Se utilizar o motor a velocidades excessivas, pode aumentar o risco de danos pessoais.
Antes de abandonar o lugar do utilizador:
pare numa zona nivelada;
desative a tomada de força e desça os engates;
passe para ponto morto e aplique o travão de estacionamento;
pare o motor e retire a chave.
Desative a transmissão dos engates durante o transporte ou quando não os estiver a utilizar.
Pare o motor e desative a transmissão dos engates:
antes de reabastecer;
antes de retirar os recetores de relva;
antes de fazer ajustes da altura, a não ser que o mesmo possa ser feito a partir do lugar do condutor.
antes de limpar obstruções;
antes de examinar, limpar ou reparar o cortador;
após embater num objeto estranho ou em caso de vibrações anormais. Inspecione o cortador quanto a danos e proceda a reparações antes de voltar a utilizar o equipamento.
Reduza a velocidade do motor ao desligar o motor e, se este estiver equipado com uma válvula de corte, desligue a alimentação do combustível ao terminar o trabalho de corte.
Mantenha mãos e pés afastados das unidades de corte.
Antes de recuar, olhe para trás e para baixo de modo a evitar acidentes.
Abrande e tome as precauções necessárias quando virar e atravessar estradas ou passeios. Desative os cilindros quando terminar a operação de corte.
Não utilize a máquina quando se encontrar sob o efeito de álcool ou drogas.
Os raios podem causar ferimentos graves ou morte. Se forem vistos raios ou ouvidos trovões na área, não opere a máquina – procure abrigo.
Tome todas as precauções necessárias quando colocar ou retirar a máquina de um atrelado ou camião.
Tome todas as precauções necessárias quando se aproximar de esquinas sem visibilidade, arbustos, árvores ou outros objetos que possam obstruir o seu campo de visão.
Mantenha todas as porcas e parafusos bem apertados para se assegurar que o equipamento funciona em condições de segurança.
Nunca guarde o veículo com combustível no depósito, armazenado num local fechado onde os gases possam entrar em contacto com chamas ou faíscas.
Espere que o motor arrefeça antes de o armazenar em ambiente fechado.
Para reduzir o risco de incêndio, mantenha o motor, silenciador, compartimento da bateria e a área de armazenamento de combustível livres de aparas de relva, folhas ou massa lubrificante em excesso.
Verifique o nível de desgaste ou deterioração do depósito de recolha de relva com frequência.
Mantenha todas as peças em boas condições de trabalho e componentes hidráulicos corretamente apertados. Substitua todos os autocolantes ilegíveis e peças danificadas.
Se tiver que drenar o depósito de combustível, faça-o no exterior.
Tenha cuidado ao fazer ajustes na máquina, para não entalar os dedos nas lâminas em movimento ou em peças fixas da máquina.
Em máquinas multicilindros/multirolos esteja atento ao facto de que a rotação de um cilindro pode provocar a rotação de outros cilindros.
Desative as transmissões, baixe as unidades de corte, engate o travão de estacionamento, desligue o motor e retire a chave da ignição. Antes de efetuar o ajuste, a limpeza ou a reparação da máquina, aguarde até que esta pare por completo.
Elimine as aparas de relva e detritos das unidades de corte, transmissões, silenciadores e do motor, de modo a evitar riscos de incêndio. Limpe as zonas que tenham óleo ou combustível derramado.
Utilize apoios para suportar os componentes da máquina sempre que necessário.
Cuidadosamente, liberte a pressão dos componentes com energia acumulada.
Desligue a máquina antes de efetuar qualquer reparação. Desligue o terminal negativo em primeiro lugar e o terminal positivo no final. Volte a ligar o terminal positivo em primeiro lugar e o terminal negativo no final.
Tome todas as precauções necessárias quando efetuar a verificação dos cilindros. Use luvas e tome as devidas precauções durante a respetiva manutenção.
Mantenha as mãos e os pés longe de peças em movimento. Se possível, não efetue qualquer ajuste quando o motor se encontrar em funcionamento.
Carregue as baterias num espaço aberto e bem ventilado, longe de faíscas e chamas. Retire a ficha do carregador da tomada antes de o ligar à bateria/desligar da bateria. Utilize roupas adequadas e ferramentas com isolamento.
A lista que se segue contém informações de segurança específicas dos produtos Toro, assim como outra informação útil não incluída nas normas CEN, ISO ou ANSI.
Este produto pode provocar a amputação de mãos e pés, e a projeção de objetos. Respeite sempre todas as instruções de segurança, de modo a evitar lesões graves ou mesmo a morte.
Se a máquina for utilizada com qualquer outro propósito, poderá pôr em perigo o utilizador ou outras pessoas.
Os gases de escape contêm monóxido de carbono, um gás inodoro e venenoso que poderá provocar a morte.
Nunca ligue o motor num espaço fechado.
Aprenda a parar rapidamente o motor.
Não utilize a máquina quando calçar sandálias, ténis ou sapatilhas.
Recomenda-se a utilização de sapatos de proteção e calças compridas, por vezes exigidos por alguns regulamentos de segurança locais.
Manuseie o combustível com cuidado. Limpe todo o combustível derramado.
Verifique o funcionamento dos interruptores de segurança diariamente, de modo a garantir que a máquina funciona de forma correta. Se um interruptor apresentar qualquer defeito, deverá ser substituído antes de utilizar a máquina.
Antes de pôr o motor a funcionar, instale-se no banco do condutor.
A utilização da máquina requer atenção. Para evitar qualquer perda de controlo:
Não conduza a máquina nas proximidades de bancos de areia, depressões, cursos de água ou outros perigos.
Reduza a velocidade ao efetuar curvas pronunciadas. Evite paragens e arranques bruscos.
Quando se aproximar de cruzamentos, dê sempre a prioridade a quem se apresentar pela direita.
Utilize os travões de serviço nas descidas, de modo a reduzir a velocidade de avanço e manter o controlo da máquina.
Suba as unidades de corte quando conduzir a máquina de uma zona de trabalho para outra.
Não toque no motor, panela de escape ou silenciador, quando o motor se encontrar em funcionamento, ou logo depois de o ter parado, pois tratam-se de áreas que se podem encontrar a uma temperatura suscetível de provocar queimaduras graves.
Se o motor parar ou perder potência numa subida e não for possível atingir o cimo da mesma, não inverta a direção da máquina. Recue lentamente e a direito ao descer o declive.
Quando uma pessoa ou um animal surgir repentinamente na área de corte, pare imediatamente de cortar. Uma utilização descuidada, combinada com a inclinação do terreno, ricochetes ou resguardos colocados incorretamente, pode provocar ferimentos devido a objetos projetados. Não deverá retomar a operação até que a zona se encontre deserta.
Certifique-se de que todas as ligações hidráulicas se encontram bem apertadas e em bom estado de conservação antes de colocar o sistema sob pressão.
Afaste o corpo e as mãos de fugas ou bicos que projetem fluido hidráulico de alta pressão. Utilize papel ou cartão para encontrar fugas e não as mãos. O fluido hidráulico sob pressão pode penetrar na pele e provocar lesões graves. Em caso de penetração do fluido na pele, consulte imediatamente um médico.
Antes de desligar ou executar qualquer tarefa no sistema hidráulico, deve retirar a pressão do sistema, desligando o motor e fazendo baixar as unidades de corte e os acessórios.
Verifique regularmente o aperto e o desgaste das tubagens de combustível. Aperte-as ou repare-as conforme necessário.
Se for necessário colocar o motor em funcionamento para executar qualquer ajuste, deverá manter as mãos, pés, roupa e outras partes do corpo longe do motor e outras peças em movimento. Mantenha todas as pessoas longe da máquina.
Para garantir a segurança e precisão do motor, solicite a um distribuidor autorizado da Toro a verificação do regime máximo do motor com um conta-rotações.
Se for necessário efetuar reparações de vulto ou se alguma vez necessitar de assistência, contacte um distribuidor Toro autorizado.
Use unicamente engates e peças sobressalentes aprovados pela Toro. A garantia poderá ser anulada se utilizar a máquina com acessórios ou engates não aprovados.
Esta unidade apresenta um nível de potência acústica garantido de 103 dBA, que inclui um Valor de incerteza (K) de 1 dBA.
O nível de potência acústica foi determinado de acordo com os procedimentos descritos na ISO 11094.
Esta unidade apresenta um nível de pressão sonora no ouvido do operador de 86 dBA, que inclui um Valor de incerteza (K) de 1 dBA.
O nível de pressão acústica foi determinado de acordo com os procedimentos descritos na EN 836.
Mão-Braço
Nível de vibração medido na mão direita = 0,98 m/s2
Nível de vibração medido na mão esquerda = 0,66 m/s2
Valor de incerteza (K) = 0,5 m/s2
Os valores medidos foram determinados de acordo com os procedimentos descritos na EN 836.
Estrutura
Nível de vibração medido = 0,31 m/s2
Valor de incerteza (K) = 0,15 m/s2
Os valores medidos foram determinados de acordo com os procedimentos descritos na EN 836.
O motor desta máquina possui a conformidade Nível 4 Final das normas EPA e etapa 3b.
![]() |
Os autocolantes de segurança e de instruções são facilmente visíveis e situam-se próximo das zonas de potencial perigo. Substitua todos os autocolantes danificados ou perdidos. |

















Note: Determine os lados direito e esquerdo da máquina a partir da posição normal de utilização.
Os pneus são colocados sob pressão excessiva aquando do seu envio. Portanto, deve libertar algum ar para reduzir a pressão. A pressão de ar correta nos pneus dianteiros e traseiros é de 0,83 a 1,03 bar.
Important: Mantenha sempre uma pressão idêntica em todos os pneus, de modo a garantir um contacto uniforme com a relva.
A altura dos degraus pode ser ajustada para maior conforto dos operadores.
Retire os 2 parafusos e porcas que prendem os suportes do degrau à estrutura da unidade de tração (Figura 2)

Levante ou baixe o degrau até à altura desejada e volte a prender os suportes à estrutura com os 2 parafusos e porcas.
Repita o procedimento para o outro degrau.
A posição do braço de controlo pode ser ajustada para maior conforto dos operadores.
Solte os 2 parafusos que prendem o braço de controlo ao suporte de retenção (Figura 3).

Rode o braço de controlo até à posição desejada e aperte os 2 parafusos.
Peças necessárias para este passo:
| Guia de tubos frontal-direito | 1 |
| Guia de tubos frontal-esquerdo | 1 |
Retire os motores dos cilindros para fora dos suportes de envio.
Retire os suportes de envio e deite fora.
Retire as unidades de corte das respetivas embalagens. Proceda à respetiva montagem e aos ajustes conforme descrito no Manual do utilizador da unidade de corte.
Certifique-se de que o contrapeso (Figura 4) está instalado na extremidade adequada da unidade de corte conforme descrito no Manual do utilizador da unidade de corte.

Todas as unidades de corte são enviadas com a mola de compensação de relva montada do lado direito da unidade de corte. A mola de compensação da relva deve ser montada do mesmo lado da unidade de corte que o motor da transmissão do cilindro. Reposicione a compensação de relva como se segue:
Retire os 2 parafusos e porcas da carroçaria que prendem o suporte da barra aos separadores da unidade de corte (Figura 5).

Retire a porca flangeada que prende o parafuso com cabeça do tubo de mola ao separador da estrutura de suporte (Figura 5). Retire o conjunto.
Monte o parafuso no tubo da mola no separador oposto na estrutura de suporte e prenda com a porca flangeada. A cabeça do parafuso deve ser colocada no lado de fora do separador conforme ilustrado na Figura 6.

Monte o suporte da barra nos separadores da unidade de corte com os parafusos e porcas da carroçaria (Figura 6).
Important: Nas unidades de corte n.º 4 (frontal esquerda) e n.º 5 (frontal direita) (Figura 7), utilize as porcas de montagem do suporte da barra para instalar os guias de tubos na frente dos separadores da unidade de corte (Figura 8). Os guias de tubos devem inclinar para a unidade de corte central (Figura 8 e Figura 9).



Note: Quando instalar ou remover as unidades de corte certifique-se de que o contrapino do gancho está montado no orifício da haste da mola junto ao suporte da barra. Quando não instalar nem remover as unidades de corte, tem de ter instalado o contrapino no furo da extremidade da barra.
Baixe completamente todos os braços de elevação.
Retire o pino de encaixe e tampa da forquilha da articulação do braço de elevação (Figura 10).

Nas unidades de corte dianteiras, faça deslizar uma unidade de corte sob o braço de elevação enquanto insere o veio da estrutura de suporte para cima para dentro da forquilha da articulação do braço de elevação (Figura 11).

Utilize o seguinte procedimento nas unidades de corte traseiras quando a altura de corte for superior a 19 mm.
Retire o pino de sujeição e a anilha que prende o veio da articulação do braço de elevação ao braço de elevação e faça deslizar o veio de articulação do braço de elevação para fora do braço de elevação (Figura 12).

Insira a forquilha do braço de elevação no veio da estrutura de suporte (Figura 11).
Insira o veio do braço de elevação no braço de elevação e prenda-o com a anilha e o pino de sujeição (Figura 12).
Insira a tampa sobre o veio da estrutura de suporte e forquilha do braço de elevação.
Prenda a tampa e o veio da estrutura de suporte à forquilha do braço de elevação com o pino de encaixe. Utilize a ranhura se pretender direcionar a unidade de corte ou utilize o orifício se pretender bloquear a unidade de corte na posição (Figura 10).
Prenda corrente do braço de elevação ao suporte da corrente com o pino de encaixe (Figura 13). Utilize o número de elos da corrente conforme descrito no Manual do utilizador da unidade de corte.

Nas unidades de corte n.º 4 (frontal esquerda) e n.º 5 (frontal direita), insira os tubos do motor do cilindro no respetivo guia de tubos.
Revista o veio estriado do motor do cilindro com massa lubrificante limpa.
Lubrifique o O-ring do motor do cilindro e instale-o na flange do motor.
Instale o motor rodando-o no sentido dos ponteiros do relógio de forma a que as flanges do motor se afastem dos parafusos (Figura 14). Rode o motor no sentido contrário aos ponteiros do relógio até que as flanges envolvam os parafusos e apertem os parafusos.
Important: Certifique-se de que os tubos do motor dos cilindros não estão torcidos, vincados ou em risco de ficarem entalados.

A mola de compensação de relva (Figura 15) transfere peso do cilindro dianteiro para o cilindro traseiro. (Isto ajuda a reduzir o efeito ondulado na relva, também conhecido como ondulação ou “bobbing”.)
Important: Faça ajustes na mola com a unidade de corte montada na unidade de tração, a apontar a direito para a frente e descida até ao nível do chão da oficina.
Certifique-se de que o contrapino do gancho está instalado no orifício traseiro na haste da mola (Figura 15).

Aperte as porcas sextavadas na extremidade dianteira da haste da mola até que o comprimento comprimido da mola seja de 12,7 cm nas unidades de corte Reelmaster 5410 de 12,7 cm ou de 15,9 cm nas unidades de corte Reelmaster 5510 de 17,8 cm (Figura 15).
Note: Quando trabalhar em terrenos agrestes diminua o comprimento da mola em 12,7 mm. O acompanhamento do solo fica ligeiramente diminuído.
Peças necessárias para este passo:
| Apoio da unidade de corte | 1 |
Se for necessário inclinar a unidade de corte para que a lâmina de corte e o cilindro fiquem expostos, coloque um apoio por baixo da unidade de corte para assegurar que as porcas nos parafusos de ajuste da extremidade traseira da barra de apoio não fiquem apoiadas sobre a superfície de trabalho (Figura 16).

Prenda a apoio ao suporte da corrente com o pino de encaixe (Figura 17).


A alavanca de ajuste do banco (Figura 19) permite-lhe ajustar o banco para a frente e para trás. O manípulo de ajuste do peso ajusta o banco ao peso do operador. O indicador de peso indica quando o banco está ajustado ao peso do operador. O manípulo de ajuste da altura ajusta o banco à altura do operador.

O pedal de tração (Figura 20) permite controlar o avanço e recuo da máquina. Pressione a zona superior do pedal para deslocar a máquina para a frente e a zona inferior para deslocar a máquina para trás. A velocidade depende da pressão exercida sobre o pedal. Para obter a velocidade máxima sem carga, deverá pressionar completamente o pedal quando o regulador se encontrar na posição FAST (rápido).
Para parar, reduza a pressão exercida sobre o pedal, até que este volte à posição central.

Quando o limitador da velocidade de corte (Figura 20) está voltado para cima controla a velocidade de corte e permite que as unidades de corte sejam engatadas. Cada espaçador ajusta a velocidade de corte em 0,8 km/h. Quanto mais espaçadores tiver na parte de cima do parafuso quanto mais devagar anda. Para transportar, incline para trás o limitador da velocidade de corte e obterá a velocidade de transporte máxima.
Prima o pedal do travão (Figura 20) para parar a máquina.
Para engatar o travão de estacionamento, empurre para baixo o pedal do travão e pressione a parte de cima para a frente em direção ao trinco (Figura 20). Para libertar o travão de estacionamento, deverá o pedal do travão até que o bloqueio do travão de estacionamento desengate.
Para inclinar o volante da direção na sua direção, carregue no pedal (Figura 20) para baixo, e puxe o volante para si para a posição mais confortável e, em seguida, solte o pedal.
O interruptor da velocidade do motor (Figura 21) tem dois modos de alterar a velocidade do motor. Carregando momentaneamente no interruptor, a velocidade do motor pode ser aumentada ou diminuída em incrementos de 100 rpm. Mantendo pressionado o interruptor move automaticamente para ralenti elevado ou reduzido, dependendo de que extremidade do interruptor é pressionada.

Utilize o interruptor de ativação/desativação (Figura 21) juntamente com a alavanca de controlo de subida/descida das unidades de corte para operar as cabeças de corte.
O ecrã LCD InfoCenter mostra informações acerca da máquina como, por exemplo, o estado de operação e vários diagnósticos e outras informações acerca da máquina (Figura 21).
A ignição (Figura 21) tem três posições: Desligar, Funcionar e Arrancar.
Esta alavanca (Figura 21) sobe e desce as unidades de corte e aciona e bloqueia as cabeças de corte quando as cabeças de corte estão ativadas para o modo de corte. As cabeças de corte não podem ser baixadas quando a alavanca de corte/transporte está na posição de transporte.
Articule o interruptor para baixo para ligar os faróis (Figura 21).
Utilize as alavancas de retificação juntamente com a alavanca de controlo de subida/descida das unidades de corte para retificar os cilindros (Figura 22).

Com o motor funcionar na temperatura de operação normal, consulte o indicador (Figura 23); deve estar na zona Verde. Quando o indicador estiver na zona Vermelha, deve substituir os filtros hidráulicos.

O ponto de corrente é uma fonte de alimentação de 12 volts para dispositivos eletrónicos (Figura 24).

O ecrã LCD InfoCenter apresenta informações sobre sua máquina, como o estado de utilização, os vários diagnósticos e outras informações sobre a máquina (Figura 25). Existe um ecrã de inicialização e um ecrã de informações principal do InfoCenter. Pode alternar entre o ecrã de inicialização e o ecrã de informações principal a qualquer altura pressionando qualquer um dos botões do InfoCenter e, em seguida, selecionando a seta direcional adequada.

Botão esquerdo, Botão de acesso ao menu/retroceder – pressione este botão para aceder aos menus InfoCenter. Também o pode utilizar para sair de qualquer menu que esteja a utilizar.
Botão do meio – utilize este botão para se deslocar pelos menus.
Botão direito – utilize este botão para abrir um menu em que uma seta para a direita indica conteúdo adicional.
Note: O objetivo de cada botão pode mudar, dependendo do que é requerido no momento. Cada botão terá a indicação de um ícone apresentando a função atual.
| SERVICE DUE | Indica quando deve ser efetuada a manutenção programada |
![]() | RPM/estado do motor – indica as RPM do motor |
![]() | Contador de horas |
![]() | Ícone info |
![]() | Rápido |
![]() | Lento |
![]() | Nível de combustível |
![]() | Necessária regeneração estacionária |
![]() | As velas de incandescência estão ativas |
![]() | Levantar as unidades de corte |
![]() | Baixar as unidades de corte |
![]() | O utilizador tem de se sentar no banco |
![]() | Indicador de travão de estacionamento – indica quando o travão de estacionamento está acionado |
![]() | Identifica a gama como alta (Transporte) |
![]() | Ponto morto |
![]() | Identifica a gama como baixa (Corte) |
![]() | Temperatura do líquido de arrefecimento – indica a temperatura do líquido de arrefecimento em °C ou °F |
![]() | Temperatura (quente) |
![]() | A tomada de força está engatada |
![]() | Negado ou não permitido |
![]() | Arranque do motor |
![]() | Interromper ou desligar |
![]() | Motor |
![]() | Ignição |
![]() | Indica quando as unidades de corte estão a ser baixadas |
![]() | Indica quando as unidades de corte estão a ser levantadas |
![]() | PIN |
![]() | CAN bus |
![]() | InfoCenter |
![]() | Avariado ou com falha |
![]() | Lâmpada |
![]() | Saída do controlador TEC ou fio de controlo na cablagem |
![]() | Interruptor |
![]() | O utilizador tem de soltar o interruptor |
![]() | O utilizador deve mudar para o estado indicado |
| Os símbolos são frequentemente combinados para formar frases. São mostrados alguns exemplos a seguir | |
![]() | O utilizador deve colocar a máquina em ponto-morto |
![]() | Arranque do motor negado |
![]() | Desligamento do motor |
![]() | Líquido de arrefecimento do motor muito quente |
![]() | Sentar ou engatar o travão de estacionamento |
Para aceder ao sistema de menus InfoCenter, pressione o botão de acesso ao menu quando está no menu principal. Isto vai levá-lo ao menu principal. Consulte as tabelas seguintes para obter uma sinopse das opções disponíveis dos menus:
| Menu principal | |
| Item de menu | Descrição |
| Falhas | O menu Falhas contém uma lista da falhas recentes da máquina. Consulte o Manual de manutenção ou o Distribuidor autorizado Toro para mais informações acerca do menu Falhas e as informações aqui contidas. |
| Serviço | O menu Serviço contém informações sobre a máquina como, por exemplo, contadores das horas de utilização e outros números semelhantes. |
| Diagnóstico | O menu Diagnóstico apresenta o estado de cada interruptor, sensor e saída de controlo da máquina. Pode utilizar isto para solucionar determinados problemas, uma vez que o informa rapidamente que controlos da máquina estão ligados e quais estão desligados. |
| Definições | O menu Definições permite-lhe personalizar e modificar as variáveis de configuração no ecrã InfoCenter. |
| Acerca | O menu Acerca indica o número do modelo, número de série e versão de software da sua máquina. |
| Serviço | |
| Item de menu | Descrição |
| Hours | Indica o número total de horas em que a máquina, o motor e a tomada de força estiveram a funcionar, bem como o número de horas em que a máquina foi transportada e assistência devida. |
| Counts | Indica as várias contagens que a máquina sofreu. |
| Diagnóstico | |
| Item de menu | Descrição |
| Unidades de corte | Indica os dados de introdução, qualificação e saída para elevar e descer as unidades de corte. |
| Gama alta/baixa | Indica os dados de introdução, qualificação e saída para conduzir no modo de transporte. |
| PTO | Indica os dados de introdução, qualificação e saída para permitir o circuito da tomada de força. |
| Engine Run | Indica os dados de introdução, qualificação e saída para ligar o motor. |
| retificação por retrocesso (backlap) | Indica os dados de introdução, qualificação e saída para operar a função de retificação. |
| Definições | |
| Item de menu | Descrição |
| Unidades | Controla as unidades utilizadas no InfoCenter. As escolhas do menu são inglês ou métricas |
| Idioma | Controla o idioma utilizado no InfoCenter*. |
| Retroiluminação LCD | Controla o brilho do ecrã LCD. |
| Contraste LCD | Controla o contraste do ecrã LCD. |
| Velocidade do cilindro de retificação frontal | Controla a velocidade dos cilindros frontais no modo de retificação. |
| Velocidade do cilindro de retificação traseiro | Controla a velocidade dos cilindros traseiros no modo de retificação. |
| Menus protegidos | Permite que uma pessoa autorizada pela sua empresa tenha acesso a menus protegidos utilizando o PIN. |
| Ralenti automático | Controla a quantidade de tempo permitido antes de o motor regressar a baixo ralenti quando a máquina está estacionária. |
| Contagem das lâminas | Controla o número de lâminas no cilindro para a velocidade do cilindro. |
| Vel. de corte | Controla a velocidade para determinar a velocidade do cilindro. |
| Altura de corte | Controla a altura de corte para determinar a velocidade do cilindro. |
| RPM do cilindro frontal | Indica a posição da velocidade calculada do cilindro dos cilindros frontais. Os cilindros podem ser ajustados manualmente. |
| RPM cilindro traseiro | Indica a posição da velocidade calculada do cilindro dos cilindros traseiros. Os cilindros podem ser ajustados manualmente. |
* Apenas o texto “voltado para o utilizador” é traduzido. Os ecrãs Falhas, Assistência e Diagnóstico são “voltados para a assistência”. Os títulos estarão no idioma selecionado, mas os itens de menu estão em inglês.
| Acerca | |
| Item de menu | Descrição |
| Modelo | Indica o número do modelo da máquina. |
| NS | Indica o número de série da máquina. |
| Revisão do controlador da máquina | Indica a revisão de software do controlador principal. |
| Revisão InfoCenter | Indica a revisão de software do InfoCenter. |
| CAN Bus | Indica o estado communication bus da máquina. |
Há 7 definições de configuração de funcionamento que são ajustáveis no menu de definições do InfoCenter: atraso tempo ralenti automático, Contagem das lâminas, Velocidade de corte, Altura de corte), RPM cilindro frontal e RPM cilindro traseiro. Estas definições podem ser bloqueadas utilizando o Menu Protegido.
Note: No momento da entrega, é programada a palavra-passe inicial pelo distribuidor.
Note: O PIN por defeito vindo de fábrica para a sua máquina é 0000 ou 1234.Se alterar o PIN e se se esquecer do mesmo, contacte o representante autorizado Toro.
A partir do menu PRINCIPAL, utilize o botão central para ir até ao menu de DEFINIçõES e prima o botão direito (Figura 26).

No menu de DEFINIçõES, utilize o botão central para ir até ao menu PROTEGIDO e prima o botão direito (Figura 27).

Para introduzir o PIN, prima o botão central até surgir o primeiro dígito correto e depois prima o botão direito para avançar para o próximo dígito (Figura 27B e Figura 27C). Repita este passo até o último dígito ser introduzido e prima o botão direito mais uma vez.
Prima o botão do meio para introduzir o PIN (Figura 27D).
Aguarde até a luz vermelha indicadora do InfoCenter se acender.
Note: Se o InfoCenter aceitar o PIN e o menu protegido tiver sido desbloqueado, é apresentada a palavra “PIN” no canto superior direito do ecrã.
Note: Se rodar o interruptor da ignição para a posição DESLIGAR e depois para a posição LIGAR bloqueia o menu protegido.
Pode alterar a capacidade para visualizar e alterar as definições no menu protegido. Assim que tiver acedido ao menu protegido, percorra até encontrar a opção de definições protegidas. Utilize o botão direito para alterar a definição. Definir as definições protegidas para DESLIGAR permite visualizar e alterar as definições no menu protegido sem introduzir um PIN. Definir as definições protegidas para LIGAR oculta as opções protegidas e obriga a introduzir o PIN para alterar as definições no menu protegido. Depois de definir o PIN, rode o interruptor da ignição para DESLIGAR e novamente para LIGAR para ativar e gravar esta funcionalidade.
No menu Definições, percorra até Ralenti automático.
Prima o botão direito para alterar o tempo de ralenti automático entre Desligar, 8S, 10S, 15S, 20S e 30S.
No menu Definições, percorra até Contagem das lâminas.
Pressione o botão direito para alterar a contagem das lâminas entre 5, 8 ou 11 lâminas.
No menu Definições, percorra até Velocidade de corte.
Pressione o botão direito para selecionar a velocidade de corte.
Utilize o botão central e direito para selecionar uma velocidade de corte adequada definida no limitador de velocidade de corte mecânico no pedal de tração.
Pressione o botão esquerdo para sair da velocidade de corte e guardar a definição.
No menu Definições, percorra até Altura de corte.
Pressione o botão direito para selecionar a altura de corte.
Utilize o botão central e direito para selecionar a definição de altura de corte adequada. (Se não for indicada a definição exata, selecione a definição de altura de corte mais aproximada da lista).
Pressione o botão esquerdo para sair da altura de corte e guardar a definição.
Embora as velocidades do cilindro frontal e traseiro sejam calculadas pela introdução do número de lâminas, velocidade de corte e altura de corte no InfoCenter, a definição pode ser alterada manualmente para acomodar as diferentes condições de corte.
Para alterar as definições de velocidade do cilindro, deslize para baixo para RPM do cilindro frontal, RPM do cilindro traseiro ou ambos.
Pressione o botão direito para alterar o valor de velocidade do cilindro. Quando a definição da velocidade é alterada, o ecrã continua a mostrar a velocidade calculada do cilindro com base na contagem das lâminas, velocidade de corte e altura de corte previamente introduzidas, mas também é indicado o novo valor.
Note: As especificações e o desenho do produto estão sujeitos a alterações sem aviso prévio.
| Especificações | ReelMaster® 5410-D | ReelMaster® 5510-D |
| Largura de transporte | 228 cm | 233 cm |
| Largura de corte | 254 cm | 254 cm |
| Comprimento | 282 cm | 282 cm |
| Altura | 160 cm | 160 cm |
| Peso(com unidades de corte de 8 lâminas e fluidos) | 1.335 kg | 1.420 kg |
| Motor | Yanmar 36 cv | Yanmar 36 cv |
| Capacidade do depósito de combustível | 53 litros | 53 litros |
| Velocidade de transporte | 0–16 km/h | 0–16 km/h |
| Velocidade de corte | 0–13 km/h | 0–13 km/h |
Está disponível uma seleção de engates e acessórios aprovados pela Toro para utilização com a máquina, para melhorar e expandir as suas capacidades. Contacte um representante ou um distribuidor autorizado ou vá a www.Toro.com para uma lista de todos os engates e acessórios aprovados.
Note: Determine os lados direito e esquerdo da máquina a partir da posição normal de operação.
Se deixar a chave na ignição, alguém pode ligar acidentalmente o motor e feri-lo a si ou às pessoas que se encontrarem próximo da máquina.
Baixe as unidades de corte até ao solo, aplique o travão de estacionamento e retire a chave do interruptor da ignição antes de fazer manutenção ou ajustes na máquina.
Antes de ligar o motor e utilizar a máquina, verifique o nível do óleo no cárter do motor; consulte a Verificação do nível de óleo do motor.
Em determinadas circunstâncias, o combustível é extremamente inflamável e altamente explosivo. Um incêndio ou explosão de combustível pode resultar em queimaduras e danos materiais.
Encha os depósitos de combustível no exterior, num espaço aberto, quando o motor estiver frio. Limpe todo o combustível derramado.
Nunca encha os depósitos de combustível num atrelado fechado.
Não fume quando se encontrar próximo de combustível e mantenha-se afastado de todas as fontes de chama ou faíscas que possam inflamar os vapores existentes nesse meio.
Guarde o combustível num recipiente aprovado e mantenha longe do alcance das crianças. Nunca adquira mais do que o combustível necessário para 30 dias.
Não utilize a máquina sem que todos os componentes do sistema de escape estejam corretamente montados e em boas condições de funcionamento.
Em determinadas condições durante o abastecimento, pode ser libertada eletricidade estática que provoca uma faísca que pode inflamar os vapores do combustível. Um incêndio ou explosão provocado(a) por combustível pode resultar em queimaduras e danos materiais.
Coloque sempre os recipientes de combustível no chão, longe do veículo, antes de os encher.
Não encha os recipientes de combustível no interior de uma carrinha, outro veículo ou um atrelado, porque os revestimentos do interior ou a cobertura de plástico da carrinha podem isolar o recipiente e abrandar a perda de energia estática do mesmo.
Sempre que possível, retire a máquina do veículo ou do atrelado e encha o depósito da máquina com as respetivas rodas no chão.
Se tal não for possível, abasteça a máquina no veículo ou no atrelado a partir de um recipiente portátil e não do bico de abastecimento normal.
Se tiver de utilizar um bico de abastecimento, mantenha-o em contacto permanente com o anel exterior do depósito de combustível ou com a abertura do recipiente até concluir a operação.
O combustível pode ser prejudicial ou mesmo fatal quando ingerido. A exposição prolongada a vapores pode provocar lesões graves ou doenças.
Evite inalar vapores durante muito tempo.
Mantenha a cara afastada do bico e da abertura do depósito de combustível.
Mantenha o combustível afastado dos olhos e da pele.
Important: Utilize apenas gasóleo com ultra baixo conteúdo de enxofre. O combustível com taxas mais elevadas de enxofre degrada o catalisador de oxidação diesel (DOC), o que causa problemas operacionais e encurta a vida útil entre manutenções dos componentes do motor.A não observação das seguintes precauções pode danificar o motor.
Nunca utilize querosena nem gasolina em vez de gasóleo.
Nunca misture querosena nem óleo do motor com o gasóleo.
Nunca guarde o combustível em recipientes com revestimento interior de zinco.
Não utilize aditivos de combustível.
Classificação de cetanos: 45 ou superior
Teor de enxofre: ultra baixo conteúdo de enxofre (<15 ppm)
| Especificações do gasóleo | Local |
| ASTM D975 | EUA |
| N.º 1-D S15 | |
| N.º 2-D S15 | |
| EN 590 | União Europeia |
| ISO 8217 DMX | Internacional |
| JIS K2204 classificação N.º 2 | Japão |
| KSM-2610 | Coreia |
Utilize apenas gasóleo limpo ou biodiesel.
Adquira combustível em quantidades que possam ser usadas no prazo de 180 dias para assegurar a pureza do combustível.
Utilize gasóleo de verão (N.º 2-D) a temperaturas superiores a -7°C e gasóleo de inverno (N.º 1-D ou mistura N.º 1-D/2-D) abaixo de -7°C.
Note: A utilização de gasóleo de inverno a temperaturas inferiores proporciona um ponto de inflamação mais baixo e características de fluxo frio que facilitam o arranque e reduzem a obstrução do filtro de combustível.A utilização de gasóleo de verão acima de -7°C contribui para uma maior duração da bomba de combustível e maior potência quando comparado com o gasóleo de inverno.
Esta máquina também pode usar um combustível com mistura de biodiesel até B20 (20% biodiesel, 80% gasóleo).
Teor de enxofre: ultra baixo conteúdo de enxofre (<15 ppm)
Especificações do biodiesel: ASTM D6751 ou EN14214
Especificações da mistura de combustível: ASTM D6751, EN14214 ou JIS K2204
Important: A parte de gasóleo tem de ser de ultra baixo teor de enxofre.
Tome as seguintes precauções:
As misturas de biodiesel podem danificar as superfícies pintadas.
Utilize misturas B5 (conteúdo de biodiesel de 5%) ou inferiores no tempo frio.
Verifique os vedantes, tubos e juntas em contacto com o combustível, uma vez que podem degradar-se ao longo do tempo.
Pode ocorrer obstrução do filtro durante algum tempo após mudar para misturas de biodiesel.
Contacte o distribuidor autorizado Toro, se desejar mais informações sobre o biodiesel.
53 litros
Estacione a máquina numa superfície plana.
Utilize um pano limpo para limpar zona em redor da tampa do depósito de combustível.
Retire a tampa do depósito de combustível (Figura 28).

Adicione combustível, até que o nível se encontre entre 6 a 13 mm abaixo da extremidade inferior do tubo de enchimento.
Aperte novamente a tampa no depósito de combustível após o seu enchimento.
Note: Se for possível, encha o depósito de combustível após cada utilização. Isto minimiza uma eventual formação de condensação dentro do depósito de combustível.
| Intervalo de assistência | Procedimento de manutenção |
|---|---|
| Em todas as utilizações ou diariamente |
|
Remova diariamente os detritos do painel, do arrefecedor do óleo e da parte da frente do radiador; efetue essa operação com maior frequência em condições de trabalho mais poeirentas ou de maior sujidade. Consulte a secção em detritos.
O sistema de arrefecimento está cheio com uma solução de 50/50 de água e anticongelante etileno glicol. Verifique o nível do líquido de arrefecimento existente no depósito secundário, no início de cada dia de trabalho, antes de ligar o motor. A capacidade do sistema de arrefecimento é de 6,6 litros.
Se o motor esteve em funcionamento, o líquido de refrigeração pressurizado e quente pode derramar-se e provocar queimaduras.
Não abra o tampão do radiador quando o motor estiver a funcionar.
Use um trapo quando abrir o tampão do radiador, fazendo-o lentamente para permitir a saída do vapor.
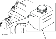
Verifique o nível de líquido de arrefecimento do depósito secundário (Figura 29).
Este deve situar-se entre as marcas existentes no exterior do depósito.

Se o nível do líquido de arrefecimento do motor estiver baixo, retire o tampão do depósito de expansão e encha o sistema. Não encha demasiado.
Coloque o tampão do depósito de expansão.
| Intervalo de assistência | Procedimento de manutenção |
|---|---|
| Em todas as utilizações ou diariamente |
|
O reservatório da máquina é enchido na fábrica com aproximadamente 30 litros de fluido hidráulico de grande qualidade. Verifique o nível de fluido hidráulico antes de ligar o motor pela primeira vez e diariamente, a partir daí. O fluido de substituição recomendado é o seguinte:
| Fluido hidráulico Toro Premium All Season (Disponível em recipientes de 19 litros ou tambores de 208 litros. Consulte o catálogo das peças ou o distribuidor Toro para saber quais são os números destas peças. |
Outros fluidos: Se não estiver disponível fluido Toro podem utilizar-se outros fluídos desde que satisfaçam todas as seguintes propriedades de material e especificações industriais. Não recomendamos a utilização de fluido sintético. Consulte o seu distribuidor de lubrificantes para adquirir um produto satisfatório. Nota: A Toro não assume a responsabilidade por danos causados devido ao uso de substitutos inadequados, pelo que recomendamos a utilização exclusiva de produtos de fabricantes com boa reputação no mercado.
| Fluido hidráulico antidesgaste com índice de viscosidade elevada/ponto de escoamento baixo, ISO VG 46 | |||
| Propriedades do material: | |||
| Viscosidade, ASTM D445 | cSt 40° C: 44 a 50cSt a 100° C: 7,9 a 8,5 | ||
| Índice de viscosidade ASTM D2270 | 140 para 160 | ||
| Ponto de escoamento, ASTM D97 | -37° C até -45° C | ||
| Especificações industriais: | |||
| Vickers I-286-S (nível de qualidade), Vickers M-2950-S (nível de qualidade), Denison HF-0 | |||
Important: O fluído multigraduado ISO VG 46 proporciona uma performance otimizada num amplo leque de temperaturas. Para a operação em temperaturas ambiente consistentemente elevadas, de 18° C a 49° C, o fluido hidráulico ISO VG 68 pode permitir um desempenho melhorado.
Fluido hidráulico biodegradável Premium – Mobil EAL EnviroSyn 46H
Important: Mobil EAL EnviroSyn 46H é o único fluido biodegradável sintético aprovado pela Toro. Este fluido é compatível com os elastómeros utilizados nos sistemas hidráulicos da Toro e é adequado a uma vasta gama de condições térmicas. Este fluido é compatível com óleos minerais convencionais, mas para um desempenho e biodegradabilidade máximos deve remover totalmente o fluido convencional do sistema hidráulico. O óleo encontra-se disponível em contentores de 19 litros ou tambores de 208 litros junto do seu distribuidor Mobil.
Important: A maioria dos fluidos são incolores, o que dificulta a deteção de fugas. Encontra-se à sua disposição um aditivo vermelho para o óleo do sistema hidráulico, em recipientes de 20ml. Um recipiente é suficiente para 15 a 22 litros de óleo hidráulico. Poderá encomendar a peça n.º 44-2500 ao seu distribuidor Toro. Este aditivo vermelho não é recomendado para utilização com fluidos biodegradáveis. Utilize corantes alimentares.
Coloque a máquina numa superfície nivelada, baixe as unidades de corte e desligue o motor.
Limpe a zona em redor do tubo de enchimento e da tampa do depósito hidráulico (Figura 30). Retire a tampa do tubo de enchimento.

Retire a vareta do tubo de enchimento e limpe-a com um pano limpo. Introduza a vareta no tubo de enchimento, retire-a e verifique o nível de fluido. O nível do fluido deve estar a 6.3 mm da marca da vareta. Não encha demasiado.
Se o nível estiver baixo, adicione fluido suficiente para elevar o nível até à marca “Full” (cheio).
Coloque a vareta e a tampa no tubo de enchimento.
| Intervalo de assistência | Procedimento de manutenção |
|---|---|
| Em todas as utilizações ou diariamente |
|
Diariamente e antes de iniciar a operação, verifique o contacto entre a lâmina de corte e o cilindro, ainda que a qualidade de corte tenha sido considerada anteriormente aceitável. Tem de existir um contacto ligeiro entre a lâmina de corte e o cilindro, em todo o comprimento dos mesmos (consulte a secção sobre o ajuste do cilindro à lâmina de corte, no Manual do utilizador da unidade de corte).
| Intervalo de assistência | Procedimento de manutenção |
|---|---|
| Após a primeira hora |
|
| Após as pimeiras 10 horas |
|
| A cada 250 horas |
|
Aperte as porcas das rodas com 94 a 122 N·m após 1–4 horas de funcionamento e novamente após 10 horas de funcionamento. Aperte, a partir daí, a cada 250 horas.
A não observância de um binário de aperto adequado das porcas das rodas pode dar origem a lesões.
Important: A purga do sistema de combustível é efetuada automaticamente quando se verificar uma das seguintes situações:
Arranque inicial de uma máquina nova.
Paragem do motor por falta de combustível.
Manutenção dos componentes do sistema de combustível.
Sente-se no banco, levante o pé do pedal de tração de forma a ficar em ponto morto, engate o travão de estacionamento, coloque o interruptor de velocidade do motor na posição Mid e certifique-se de que o interruptor de ativação/desativação está na posição de desativação (Disable).
Retire o pé do pedal de tração e certifique-se de que este se encontra na posição neutra.
Rode a chave da ignição para a posição RUN (arrancar).
Quando a luz indicadora das velas apagar, rode a chave da ignição para a posição START (ligar). Liberte imediatamente a chave quando o motor arrancar, deixando-a regressar à posição RUN (arrancar). Deixe o motor aquecer (sem carga) e depois desloque a alavanca do regulador para a posição desejada.
Desloque todos os controlos para a posição de Ponto morto, aplique o travão de estacionamento, desloque o interruptor de velocidade do motor para a posição de ralenti baixo e deixe o motor atingir a velocidade de ralenti baixo.
Rode a chave da ignição para a posição Off (desligar) e retire-a do interruptor.
Para se obter um corte consistente de alta qualidade e um aspeto uniforme depois do corte é importante ajustar corretamente os controlos da velocidades dos cilindros. Ajuste a velocidade dos cilindros do seguinte modo:
No InfoCenter, no menu definições, introduza a contagem das lâminas, velocidade de corte e altura de corte para calcular a velocidade adequada do cilindro.
Se forem necessários mais ajustes, no menu definições, deslize para baixo para RPM do cilindro frontal, RPM do cilindro traseiro ou ambos.
Pressione o botão direito para alterar o valor de velocidade do cilindro. Quando a definição da velocidade é alterada, o ecrã continua a mostrar a velocidade calculada do cilindro com base na contagem das lâminas, velocidade de corte e altura de corte, mas também é indicado o novo valor.
Note: A velocidade dos cilindros pode ter de ser aumentada ou diminuída para compensar as diferentes condições da relva.
Note: Cortar a relva a uma taxa que aplique carga sobre o motor promove a regeneração do DPF.
Mova a máquina para a área de trabalho e alinhe-a pelo exterior da área de corte para a primeira passagem de corte.
Certifique-se de que o interruptor da tomada de força está na posição DESATIVADO.
Mova a alavanca do limitador da velocidade de corte para a frente.
Prima o interruptor da velocidade da aceleração para definir a velocidade do motor para RALENTI ALTO.
Utilize o joystick para descer as unidades de corte.
Prima o interruptor da tomada de força para preparar as unidades de corte para a operação.
Utilize o joystick para levantar as unidades de corte.
Comece a mover a máquina na direção da área de corte e desça as unidades de corte.
Note: Cortar a relva a uma taxa que aplique carga sobre o motor promove a regeneração do DPF.
Quando concluir a passagem de corte, utilize o joystick para levantar as unidades de corte.
Efetue uma volta em forma de gota para alinhar rapidamente para a próxima passagem.
A regeneração do filtro de partículas de gasóleo (DPF) faz parte do sistema de escape. O catalisador de oxidação diesel do DPF reduz os gases nocivos e o filtro de fuligem remove a fuligem do escape do motor.
O processo de regeneração do DPF utiliza o calor do escape do motor para incinerar as partículas acumuladas no filtro de fuligem, convertendo a fuligem em cinzas, e limpa os canais do filtro de fuligem para que o escape do motor filtrado flua pelo DPF.
O computador do motor monitoriza a acumulação de fuligem ao medir a pressão no DPF. Se a pressão for demasiado elevada, a fuligem não está a ser incinerada no filtro de partículas fuligem do funcionamento normal do motor. Para manter o DPF sem fuligem, não se esqueça do seguinte:
A regeneração passiva ocorre continuamente enquanto o motor está a trabalhar — coloque o motor a trabalhar na velocidade máxima, quando possível, para promover a regeneração do DPF.
Se a pressão for demasiado elevada, o computador do motor dá esta indicação através do InfoCenter quando processos adicionais (assistir e repor regeneração) estiverem a ser executados.
Deixe concluir o processo de regeneração assistida e de reposição antes de desligar o motor.
Opere e faça a manutenção da sua máquina tendo em mente a função do DPF. De um modo geral, a carga do motor a uma velocidade do motor no ralenti alto produz uma temperatura de escape adequada para a regeneração do DPF.
Important: Minimize o tempo em que o motor está ao ralenti ou opere o motor a uma velocidade do motor baixa para ajudar a reduzir a acumulação de fuligem no filtro de fuligem.
A temperatura de escape é quente (aproximadamente 600 °C durante a regeneração do DPF em estacionamento ou a regeneração de recuperação. Os gases quentes do escape podem feri-lo a si ou a outras pessoas.
Nunca opere o motor num espaço fechado.
Certifique-se de que não existem materiais inflamáveis perto do sistema de escape.
Nunca toque num componente do sistema de escape que esteja quente.
Nunca se aproxime do tubo de escape da máquina.
Ao longo do tempo, o DPF acumula fuligem no filtro de fuligem. O computador do motor monitoriza o nível de fuligem no DPF.
Quando se acumular fuligem suficiente, o computador informa-o de que está na hora de regenerar o filtro de partículas de gasóleo.
A regeneração do DPF é um processo que aquece o DPF para converter a fuligem em cinzas.
Para além das mensagens de aviso, o computador reduz a potência gerada pelo motor em diferentes níveis de acumulação de fuligem.
| Nível da indicação | Código da falha | Classificação da potência do motor | Ação recomendada |
| Nível 1: aviso do motor |
![]() | O computador diminui a potência do motor para 85%. | Efetue uma regeneração com a máquina estacionada assim que possível; consulte Regeneração em estacionamento. |
| Nível 2: aviso do motor |
![]() | O computador diminui a potência do motor para 50%. | Efetue uma regeneração de recuperação assim que possível; consulte Regeneração de recuperação. |
As cinzas mais leves são descarregadas através do sistema de escape; as cinzas mais pesadas são recolhidas no filtro de fuligem.
As cinzas são os resíduos do processo de regeneração. Ao longo do tempo, o filtro de partículas de gasóleo acumula cinzas que não são descarregadas pelo escape do motor.
O computador do motor calcula a quantidade de cinzas acumuladas no DPF.
Quando tiverem sido acumuladas cinzas suficientes, o computador do motor envia informações para o InfoCenter sob a forma de aviso do sistema ou falha do motor para indicar que existe acumulação de cinzas no DPF.
O aviso e as falhas são indicadores de que está na hora da manutenção do DPF.
Para além dos avisos, o computador reduz a potência gerada pelo motor em diferentes níveis de acumulação de cinzas.
| Nível da indicação | Código da falha ou conselho | Redução da velocidade do motor | Classificação da potência do motor | Ação recomendada |
|---|---|---|---|---|
| Nível 1: conselho do sistema |
![]() | Não | 100% | Informe o departamento de manutenção se o Conselho n.º 179 surgir no InfoCenter. |
| Nível 2: aviso do motor |
![]() | Não | O computador diminui a potência do motor para 85%. | Efetue a manutenção do DPF; consulte Assistência ao catalisador de oxidação diesel (DOC) e filtro de fuligem |
| Nível 3: aviso do motor |
![]() | Não | O computador diminui a potência do motor para 50%. | Efetue a manutenção do DPF; consulte Assistência ao catalisador de oxidação diesel (DOC) e filtro de fuligem |
| Nível 4: aviso do motor |
![]() | Velocidade do motor na rotação máxima + 200 rpm | O computador diminui a potência do motor para 50%. | Efetue a manutenção do DPF; consulte Assistência ao catalisador de oxidação diesel (DOC) e filtro de fuligem |
| Tipo de regeneração | Condições para a regeneração do DPF | Descrição da operação DPF |
|---|---|---|
| Passiva | Ocorre durante o funcionamento normal da máquina a uma velocidade do motor elevada ou com carga de motor elevada | O InfoCenter não mostra um ícone relativo à regeneração passiva. |
| Durante a regeneração passiva, o DPF processa gases de escape muito quentes, ao oxidar as emissões nocivas e reduzir a fuligem a cinzas. | ||
| Consulte a Regeneração do DPF passiva. | ||
| Assistida | Ocorre em resultado da velocidade do motor baixa, da carga do motor baixa ou após o computador detetar pressão no DPF. | Quando o ícone da regeneração assistida/de
recuperação surge no InfoCenter, está em curso uma
regeneração assistida. |
| Durante a regeneração assistida, o computador controla a aceleração de entrada para aumentar a temperatura de escape, o que possibilita a ocorrência da regeneração assistida. | ||
| Consulte a Regeneração do DPF assistida. | ||
| Reposição | Ocorre apenas após a regeneração assistida, se o computador detetar que a regeneração assistida não reduziu suficientemente o nível de fuligem. | Quando o ícone da regeneração
assistida/de recuperação surge no InfoCenter, está
em curso uma regeneração. |
| Também ocorre a cada 100 horas para repor as leituras do sensor de base. | ||
| Durante a regeneração de reposição, o computador controla a aceleração de entrada e os injetores de combustível para aumentar a temperatura de escape durante a regeneração. | ||
| Consulte a Regeneração de reposição. |
| Tipo de regeneração | Condições para a regeneração do DPF | Descrição da operação DPF |
|---|---|---|
| Estacionada | A acumulação de fuligem ocorre em resultado de funcionamento prolongado a uma velocidade do motor baixa ou a uma carga do motor baixa. Também pode ocorrer em resultado da utilização incorreta de combustível ou óleo. | Quando o ícone da regeneração
em estacionamento surge no InfoCenter, é necessária
uma regeneração. |
| O computador deteta a pressão devido à acumulação de fuligem e exige uma regeneração em estacionamento. | ||
| • Efetue a regeneração em estacionamento assim que possível para evitar uma regeneração de recuperação. | ||
| • A regeneração em estacionamento demora entre 30 a 60 minutos. | ||
| • Tem de ter, pelo menos, ¼ do depósito do combustível cheio. | ||
| • Tem de estacionar a máquina para efetuar uma regeneração de recuperação. | ||
| Consulte a Regeneração em estacionamento. | ||
| Recuperação | Ocorre em resultado de ignorar pedidos de regeneração em estacionamento e de continuar a utilizar a máquina, acumulando mais fuligem quando o DPF está já a necessitar da regeneração em estacionamento. | Quando o ícone da regeneração
de recuperação surge no InfoCenter, é necessária
uma regeneração de recuperação. |
| Contacte o seu Distribuidor autorizado Toro para que um técnico de manutenção efetue a regeneração de recuperação. | ||
| • A regeneração de recuperação demora cerca de 4 horas. | ||
| • Tem de ter, pelo menos, ½ do depósito do combustível cheio. | ||
| • Tem de estacionar a máquina para efetuar uma regeneração de recuperação. | ||
| Consulte a Regeneração de recuperação. |
A regeneração passiva ocorre como parte do funcionamento normal do motor.
Enquanto a máquina está a trabalhar, coloque o motor a trabalhar na velocidade máxima, quando possível, para promover a regeneração do DPF.

O ícone da regeneração assistida/de reposição surge no InfoCenter (Figura 37).
O computador controla a aceleração de entrada para aumentar a temperatura do escape do motor.
Enquanto a máquina está a trabalhar, coloque o motor a trabalhar na velocidade máxima, quando possível, para promover a regeneração do DPF.
O ícone
surge no InfoCenter enquanto está a decorrer
a regeneração assistida.
Sempre que possível, não desligue o motor nem reduza a velocidade do motor enquanto a regeneração assistida está a decorrer.
Important: Deixe a máquina concluir o processo de regeneração assistida antes de desligar o motor.
Note: A regeneração assistida acabou de ser processada
quando o ícone
desaparece do InfoCenter.

O ícone da regeneração assistida/de reposição surge no InfoCenter (Figura 38).
O computador controla a aceleração de entrada e altera a operação da injeção de combustível para aumentar a temperatura do escape do motor.
Important: O ícone de regeneração assistida/de reposição indica que a temperatura de escape que sai da máquina pode ser mais quente do que durante o funcionamento regular.
Enquanto a máquina está a trabalhar, coloque o motor a trabalhar na velocidade máxima, quando possível, para promover a regeneração do DPF.
O ícone
surge no InfoCenter enquanto está a decorrer
a regeneração de reposição.
Sempre que possível, não desligue o motor nem reduza a velocidade do motor enquanto a regeneração de reposição está a decorrer.
Important: Deixe a máquina concluir o processo de regeneração de reposição antes de desligar o motor.
Note: A regeneração de reposição acabou
de ser processada quando o ícone
desaparece do InfoCenter.

O ícone de pedido de regeneração em estacionamento surge no InfoCenter (Figura 39).
Se for necessária uma regeneração em estacionamento, o InfoCenter mostra o aviso do motor SPN 3719, FMI 16 (Figura 40) e o computador do motor reduz a potência do motor para 85%.

Important: Se não concluir uma regeneração em estacionamento no prazo de 2 horas, o computador do motor reduz a potência do motor para 50%.
A regeneração em estacionamento demora entre 30 a 60 minutos.
Se tiver autorização da sua empresa, precisa do PIN para efetuar o processo de regeneração em estacionamento.
Certifique-se de que a máquina tem, pelo menos, ¼ do depósito cheio.
Mova a máquina para o exterior, para uma área afastada de materiais combustíveis.
Estacione a máquina numa superfície plana.
Certifique-se de que as alavancas do controlo da tração ou do controlo do movimento estão na posição PONTO MORTO.
Se aplicável, baixe as unidades de corte e desligue-as.
Engate o travão de mão.
Coloque o acelerador na posição de RALENTI baixo.
Note: Para mais instruções sobre desbloqueio dos menus protegidos, consulte a Aceder aos menus protegidos.
Aceda ao menu protegido e desbloqueie o submenu de definições protegidas (Figura 41); consulte Aceder aos menus protegidos.

Vá até ao MENU PRINCIPAL, prima o botão central para ir até ao MENU DE MANUTENçãO e prima o botão direito para selecionar a opção de MANUTENçãO (Figura 42).
Note: O InfoCenter deve mostrar o indicador do PIN no canto superior direito do ecrã.

No MENU DE MANUTENçãO, prima o botão do meio até surgirem as opções de REGENERAçãO DO DPF e prima o botão direito para selecionar a opção de REGENERAçãO DO DPF (Figura 43).

Quando surgir a mensagem “Initiate DPF Regen. Are you sure?” (Iniciar Regen. DFP. Tem a certeza?) , prima o botão central (Figura 44).

Se a temperatura do líquido de refrigeração
for inferior a 60°C, surge a mensagem “Insure
is running and above 60°C/140°F”
(Confirme que está a trabalhar e acima de 60°C/140°F)
(Figura 45).
Observe a temperatura no ecrã e coloque a máquina a trabalhar na aceleração máxima até a temperatura atingir 60°C; depois prima o botão central.
Note: Se a temperatura do líquido de refrigeração estiver acima de 60°C, este ecrã não é mostrado.

Mova o controlo da aceleração para RALENTI BAIXO e prima o botão central (Figura 46).

Surge a seguinte mensagem quando inicia o processo de regeneração em estacionamento:
“Initiating DPF Regen.” (A iniciar Regen. DPF) é apresentada (Figura 47).

Surge a mensagem “Waiting on
” (À espera
de) (Figura 48).

O computador determina se a regeneração é executada. Surge uma das seguintes mensagens no InfoCenter:
Se a regeneração for permitida, surge a mensagem “Regen Initiated. Allow up to 30 minutes for completion” (Regen. iniciada. Aguarde 30 minutos até ser concluída) no InfoCenter; aguarde até que a máquina conclua o processo de regeneração em estacionamento (Figura 49).

Se o processo de regeneração não for permitido pelo computador do motor, surge a mensagem “DPF Regen Not Allowed” (Regen. do DPF não autorizada) no InfoCenter (Figura 50). Prima o botão esquerdo para sair para o ecrã inicial.
Important: Se não cumpriu todos os requisitos para a regeneração ou se passaram menos de 50 horas desde a última regeneração, surge a mensagen “DPF Regen Not Allowed” (Regen. do DPF não permitida).

Enquanto a regeneração estiver a decorrer, o InfoCenter volta para o ecrã inicial e mostra os seguintes ícones:
![]() | O motor está frio – aguarde. | |
![]() | O motor está quente – aguarde. | |
![]() | Motor quente – regeneração em curto (percentagem de conclusão). |
A regeneração em estacionamento está concluída quando a mensagem “Regen Complete” (Regen. completa) surge no InfoCenter. Prima o botão esquerdo para sair para o ecrã inicial (Figura 51).

Se ignorar o pedido de regeneração em estacionamento (apresentado no InfoCenter) e continuar a utilizar a máquina, acumula-se uma grande quantidade de fuligem no DPF.
Se for necessária uma regeneração de recuperação, o InfoCenter mostra o aviso do motor SPN 3719, FMI 16 (Figura 52) e o computador do motor reduz a potência do motor para 85%.

Important: Se não concluir uma regeneração de recuperação no prazo de 15 minutos, o computador do motor reduz a potência do motor para 50%.
Efetue uma regeneração de recuperação sempre que existir uma perda de potência do motor e uma regeneração em estacionamento não conseguir efetivamente limpar o DPF de fuligem.
A regeneração de recuperação demora cerca de 4 horas.
Precisa que um técnico do distribuidor efetue o processo de regeneração de recuperação; contacte o seu Distribuidor autorizado Toro.
Pode ajustar o contrapeso nos braços de elevação da unidade de corte traseira para compensar condições de relva diferentes e para manter uma altura de corte uniforme em condições severas ou em áreas onde se acumula palha.
Pode ajustar cada mola do contrapeso para um dos quatro ajustes. Cada incremento aumenta ou diminui o contrapeso da unidade de corte em 2,3 kg. As molas podem ser colocadas na parte de trás do primeiro atuador de mola para retirar o contrapeso (quarta posição).
Coloque a máquina numa superfície nivelada, baixe as unidades de corte, desligue o motor, engate o travão de estacionamento e retire a chave da ignição.
Insira um tubo ou objeto semelhante na extremidade da mola comprida e incline-a em redor do atuador da mola para a posição desejada (Figura 53).
As molas estão sob tensão.
Tenha cuidado ao ajustá-las.

Repita o procedimento para a outra mola.
Coloque a máquina numa superfície nivelada, baixe as unidades de corte, desligue o motor, engate o travão de estacionamento e retire a chave da ignição.
O interruptor do braço de elevação encontra-se por baixo do depósito hidráulico por trás do braço de elevação direito dianteiro (Figura 54).
Solte os parafusos de montagem do interruptor (Figura 54) e desloque o interruptor para baixo para aumentar a altura de viragem do braço de elevação ou desloque o interruptor para cima para diminuir a altura de viragem do braço de elevação. Aperte os parafusos de montagem.

Em caso de emergência, pode empurrar ou rebocar a máquina acionando a válvula de distribuição na bomba hidráulica de deslocação variável.
Important: Não reboque a máquina a uma velocidade superior a 3–4,8 km/h porque o sistema interno de transmissão pode sofrer danos. A válvula de derivação deverá ser aberta sempre que a máquina for empurrada ou rebocada.
A válvula de derivação está localizada no lado esquerdo do hidrostato (Figura 55). Rode o parafuso 1,5 voltas para abrir para permitir a passagem do óleo internamente. Após este procedimento, torna-se possível deslocar lentamente a máquina sem danificar a transmissão.

Feche a válvula de derivação antes de ligar o motor. Não deverá, no entanto, utilizar uma força de aperto superior a 7–11 N·m quando fechar a válvula.
Important: Ligar o motor com a válvula de derivação aberta vai provocar o sobreaquecimento da transmissão.
Note: Utilize apoios para suportar a máquina sempre que necessário.
Dianteira – pastilha retangular, por baixo do tubo do eixo, dentro de cada pneu dianteiro (Figura 56).

Traseira – tubo do eixo retangular no eixo traseiro.
A máquina está equipada com uma luz de diagnóstico que indica se a máquina deteta uma avaria. A luz de diagnóstico encontra-se no InfoCenter, acima do ecrã (Figura 59). Quando a máquina está a funcionar corretamente e o interruptor da chave é movido para a posição On/Run, a luz de diagnóstico acende por momentos para indicar que a luz está a funcionar corretamente. Quando é apresentada uma mensagem de aviso da máquina, a luz acende enquanto a mensagem está presente. Quando é apresentada uma mensagem de falha, a luz pisca até que a falha seja solucionada.

O objetivo dos interruptores de segurança é evitar o arranque ou a ligação do motor, exceto nos casos em que o pedal de tração esteja na posição de ponto morto, o interruptor de ativação/desativação esteja na posição de desativação (Disable) e a alavanca de controlo de subida/descida das unidades de corte esteja na posição de ponto morto. Adicionalmente, o motor para quando se carregar no pedal de tração com o operador levantado do banco ou com o travão de estacionamento engatado.
A máquina poderá arrancar inesperadamente se os interruptores de bloqueio de segurança se encontrarem desligados ou danificados e provocar lesões.
Não desative os interruptores de bloqueio.
Verifique o funcionamento dos interruptores de bloqueio diariamente e substitua todos os interruptores danificados antes de utilizar a máquina.
| Intervalo de assistência | Procedimento de manutenção |
|---|---|
| Em todas as utilizações ou diariamente |
|
Coloque a máquina numa superfície plana, baixe as unidades de corte, desligue o motor e engate o travão de estacionamento.
Rode a chave na ignição para a posição On, mas não ligue o motor.
Localize a função adequada do interruptor no menu de diagnóstico no InfoCenter.
Individualmente, altere cada um dos interruptores de aberto para fechado (ou seja, sente-se no banco, engate o pedal de tração, etc.) e anote o estado adequado das alterações do interruptor. Repita isto para todos os interruptores que pode alterar à mão.
Se o interruptor estiver fechado e o indicador correspondente não alterar, verifique todos os fios e ligações e depois verifique todos os interruptores com um ohmímetro. Substitua todos os interruptores danificados e repare todos os fios danificados.
Note: O InfoCenter também pode detetar quais os solenóides de saída ou relés que estão acionados. Esta é uma forma rápida de determinar se uma avaria da máquina é elétrica ou hidráulica.
Coloque a máquina numa superfície plana, baixe as unidades de corte, desligue o motor e engate o travão de estacionamento.
Rode a chave na ignição para a posição On e ligue a máquina.
Localize a função adequada da saída no menu de diagnóstico no InfoCenter.
Sente-se no banco e tente aceder à função pretendida da máquina. As saídas adequadas devem acender-se para indicar que o ECM está a ativar essa função.
Note: Se as saídas corretas não se acenderem, verifique se os interruptores de entrada correspondentes estão nas posições corretas para que essa função seja ativada. Verifique se as funções dos interruptores estão corretas.Se as saídas estiverem acesas como especificado e a máquina não funcionar corretamente, isso significa que o problema não tem uma origem elétrica. Efetue as reparações necessárias.
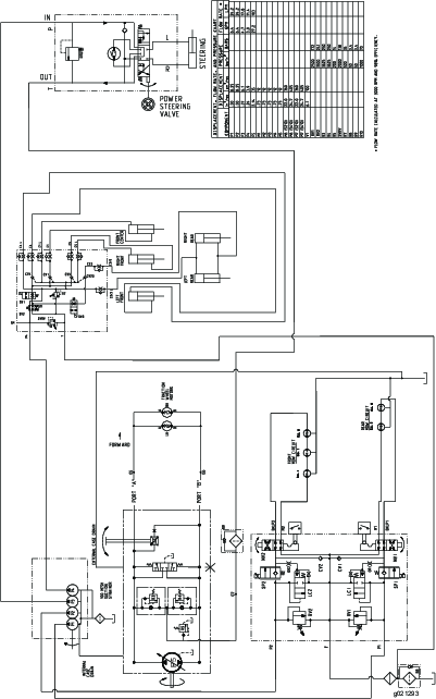
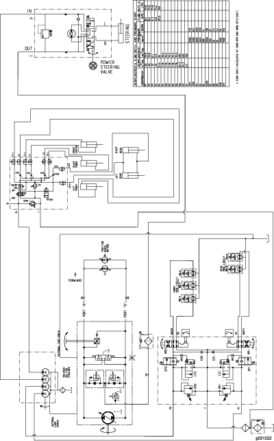
Utilize a lista seguinte para identificar e descrever as diferentes funções dos solenóides no coletor hidráulico. Cada solenóide deve ser ativado de forma a que a função possa ocorrer.
| Solenóide | Função |
| SP2 | Circuito do cilindro dianteiro |
| SP1 | Circuito do cilindro traseiro |
| SVRV | Elevar/Descer as unidades de corte |
| SV1 | Elevar/Descer as unidades de corte dianteiras |
| SV3 | Elevar/Descer as unidades de corte traseiras |
| SV2 | Subir quaisquer unidades de corte |
Antes de cortar a relva, treine a utilização da máquina num espaço aberto. Ligue e desligue o motor. Pratique a marcha para a frente e a marcha-atrás. Levante e baixe as unidades de corte e engate e desengate os cilindros. Quando se sentir à vontade com a máquina, pratique a subida e a descida de terrenos inclinados a diferentes velocidades.
Se se acender uma luz de advertência durante a operação, pare imediatamente a máquina e solucione o problema antes de continuar. Se continuar a utilizar a máquina com uma avaria pode danificar gravemente a máquina.
Ponha o motor a funcionar e coloque o interruptor de velocidade do motor na posição Fast (rápido). Coloque o interruptor de ativação/desativação na posição de ativação (Enable) e utilize a alavanca de controlo de subida/descida das unidades de corte para as controlar (as unidades de corte dianteiras são baixadas antes das unidades de corte traseiras). Para avançar e cortar a relva, carregue no pedal de tração para a frente.
Mova o interruptor de ativação/desativação para a posição de desativação (Disable) e eleve as unidades de corte para a posição de transporte. Desloque a alavanca de Corte/Transporte para a posição de transporte. Tenha cuidado ao conduzir por entre objetos para não danificar acidentalmente a máquina e as unidades de corte. Tome todas as precauções necessárias quando utilizar a máquina em declives. Conduza lentamente e evite mudanças de direção bruscas, de modo a prevenir qualquer capotamento. Baixe as unidades de corte quando descer terrenos inclinados para manter o controlo da direção.
Note: Determine os lados direito e esquerdo da máquina a partir da posição normal de utilização.
| Intervalo de assistência | Procedimento de manutenção |
|---|---|
| Após a primeira hora |
|
| Após as pimeiras 10 horas |
|
| Em todas as utilizações ou diariamente |
|
| A cada 50 horas |
|
| A cada 100 horas |
|
| A cada 200 horas |
|
| A cada 250 horas |
|
| A cada 400 horas |
|
| A cada 800 horas |
|
| A cada 6000 horas |
|
| Cada 2 anos |
|
Copie esta página para uma utilização de rotina.
| Verificações de manutenção | Para a semana de: | ||||||
|---|---|---|---|---|---|---|---|
| 2ª | 3ª | 4ª | 5ª | 6ª | Sáb. | Dom. | |
| Verifique o funcionamento dos interruptores de segurança. | |||||||
| Verifique o funcionamento dos travões. | |||||||
| Verifique o óleo do motor e o nível do combustível. | |||||||
| Efetue a drenagem do separador de combustível/água. | |||||||
| Verifique o indicador de bloqueio do filtro do ar. | |||||||
| Verifique se existem detritos no radiador e no painel. | |||||||
| Procure ruídos estranhos no motor.1 | |||||||
| Verifique os ruídos estranhos de funcionamento. | |||||||
| Verifique o nível de óleo do sistema hidráulico. | |||||||
| Verifique o indicador de filtro hidráulico. 2 | |||||||
| Verifique se as mangueiras hidráulicas se encontram danificadas. | |||||||
| Verifique se há fuga de fluidos. | |||||||
| Verifique a pressão dos pneus. | |||||||
| Verifique o funcionamento do painel de instrumentos. | |||||||
| Verifique o ajuste do cilindro à lâmina de corte. | |||||||
| Verifique o ajuste da altura do corte. | |||||||
| Verifique todos os bocais de lubrificação. 3 | |||||||
| Retoque a pintura danificada. | |||||||
|
1. Em caso de arranque difícil, verifique as velas de incandescência e os injetores; poderá ainda verificar-se alguma produção excessiva de fumo ou um funcionamento irregular da máquina. 2. Verifique com o motor ligado e com o óleo à temperatura de funcionamento 3. Imediatamente após cada lavagem, independentemente do intervalo previsto |
|||||||
| Inspeção executada por: | ||
| Item | Data | Informação |
| 1 | ||
| 2 | ||
| 3 | ||
| 4 | ||
| 5 | ||
| 6 | ||
| 7 | ||
| 8 | ||
Important: Para informações detalhadas sobre os procedimentos de manutenção adicionais, consulte o manual de utilização do motor.

Se deixar a chave na ignição, alguém pode ligar acidentalmente o motor e feri-lo a si ou às pessoas que se encontrarem próximo da máquina.
Retire a chave da ignição antes de fazer qualquer revisão.
| Intervalo de assistência | Procedimento de manutenção |
|---|---|
| A cada 50 horas |
|
Se operar máquina em condições normais, lubrifique todos os bocais de lubrificação dos rolamentos e casquilhos passadas cada 50 horas de operação com massa lubrificante à base de lítio n.º 2 para utilizações gerais. Lubrifique os rolamentos e casquilhos imediatamente após cada lavagem, independentemente do intervalo previsto.
A localização dos bocais de lubrificação e as quantidades são as seguintes:
Veio propulsor da bomba (3) (Figura 61)

Cilindros do braço de elevação da unidade de corte (2 de cada) (Figura 62)

Articulações do braço de elevação (1 de cada) (Figura 62)
Estrutura de suporte e articulação da unidade de corte (2 de cada) (Figura 63)

Veio da articulação do braço de elevação (1 de cada) (Figura 64)

Barra de ligação do eixo traseiro (2) (Figura 65)

Articulação da direção do eixo (1) (Figura 66)

Rótulas do cilindro de direção (2) (Figura 67)

Pedal do travão (1) (Figura 68)

| Intervalo de assistência | Procedimento de manutenção |
|---|---|
| A cada 400 horas |
|
Verifique se existe algum dano no corpo do filtro de ar que possa provocar uma fuga de ar. Substitua caso danificado. Verifique todo o sistema de admissão para ver se tem fugas, se está danificado ou se há braçadeiras de tubos soltas.
Faça a manutenção ao filtro de ar apenas quando o indicador de manutenção (Figura 69) o exigir. Mudar o filtro de ar antes de ser necessário apenas aumenta a possibilidade de entrar sujidade no motor quando se retira o filtro.
Important: Certifique-se de que a cobertura está corretamente assente e veda com o corpo do filtro de ar.
Liberte os trincos que fixam a cobertura do filtro de ar ao respetivo corpo (Figura 69).

Retire a cobertura do corpo do filtro de ar. Antes de remover o filtro, utilize ar de baixa pressão (2,76 bar, limpo e seco) para ajudar a retirar grandes acumulações de detritos que se encontram entre o lado de fora do filtro e o recipiente. Evite a utilização de ar de alta pressão, que pode forçar a entrada de sujidade no sistema de admissão através do filtro.
Este processo de limpeza evita que a sujidade migre para dentro da admissão quando se retira o filtro.
Retire e substitua o filtro (Figura 70).
Não se recomenda a limpeza do elemento usado devido a possibilidade de danos no meio do filtro. Inspecione o filtro novo para ver se sofreu danos durante o transporte, verificando a extremidade vedante do filtro e o corpo. Não utilize um elemento danificado. Insira um filtro novo aplicando pressão no anel exterior do elemento para o assentar no recipiente. Não pressione no centro flexível do filtro.

Limpe a porta de ejeção de sujidade que se encontra na tampa amovível. Retire a válvula de saída em borracha para fora da tampa, limpe a cavidade e volte a colocar a válvula de saída.
Instale a tampa orientando a válvula de saída de borracha para uma posição descendente – entre cerca de 5:00 a 7:00 quando vista da extremidade.
Prenda os trincos.
Utilize óleo de motor de alta qualidade com nível baixo de cinzas que satisfaça ou ultrapasse as seguintes especificações:
Categoria API CJ-4 ou superior
Categoria ACEA E6
Categoria JASO DH-2
Important: Utilizar óleo de motor que não seja API CJ-4 ou superior, ACEA E6 ou JASO DH-2 pode fazer com que o filtro de partículas de gasóleo fique entupido ou danifique o motor.
Utilize o seguinte grau de viscosidade do óleo de motor:
Óleo preferido: SAE 15W-40 (acima de 0°F)
Óleo alternativo: SAE 10W-30 ou 5W-30 (todas as temperaturas)
O óleo Toro Premium Engine encontra-se disponível no seu distribuidor autorizado Toro no grau de viscosidade 15W-40 ou 10W-30. Consulte o catálogo das peças para saber quais são os números das peças.
| Intervalo de assistência | Procedimento de manutenção |
|---|---|
| Em todas as utilizações ou diariamente |
|
Important: Verifique o nível de óleo do motor diariamente. Se o nível de óleo do motor estiver acima da marca Cheio na vareta, o óleo do motor pode diluir-se com o combustível;Se o nível de óleo do motor estiver acima da marca Cheio na vareta, mude o óleo do motor.
A melhor altura para verificar o nível de óleo do motor será quando o motor estiver frio antes do dia de trabalho começar. Se já tiver funcionado, espere 10 minutos até o óleo voltar para o reservatório e verifique depois. Se o nível de óleo estiver exatamente na marca ou abaixo da marca Adicionar na vareta, adicione óleo até o nível atingir a marca Cheio. Não encha muito o motor com óleo.
Important: Mantenha o nível de óleo do motor entre os limites superior e inferior no medidor do óleo; o motor pode falhar se trabalhar com demasiado ou com pouco óleo.
Estacione a máquina numa superfície nivelada. Desengate os trincos da cobertura do motor.
Abra a cobertura do motor.
Retire a vareta, limpe-a, coloque-a no tubo e volte a retirá-la em seguida. O nível de óleo deve estar entre marca Cheio e a marca Adicionar (Figura 71).

Se o nível de óleo estiver baixo, retire o tampão de enchimento (Figura 71) e adicione óleo até que fique entre a marca “Full” (cheio) e a marca “Add” (adicionar). Não encha demasiado.
Volte a montar a tampa e a vareta.
Feche a cobertura do motor e fixe-a com os trincos.
5,2 litros
| Intervalo de assistência | Procedimento de manutenção |
|---|---|
| A cada 250 horas |
|
Substitua o óleo e o filtro após cada 250 horas de funcionamento.
Retire o tampão de escoamento (Figura 72) e deixe o óleo escorrer para um recipiente adequado. Quando o óleo for drenado, volte a montar o tampão de escoamento.

Retire o filtro do óleo (Figura 72). Aplique uma leve camada de óleo limpo no vedante do filtro novo antes de o montar. Não aperte demasiado.
Junte óleo ao cárter; consulte Substituição do óleo e filtro do motor.
| Intervalo de assistência | Procedimento de manutenção |
|---|---|
| A cada 6000 horas |
|
Se surgir a mensagem de no InfoCenter, o DPF está perto do ponto recomendado de manutenção do catalisador de oxidação diesel e do filtro de fuligem.

Se as falhas do motor , ou (verificar motor spn 3251 fmi 0, verificar motor spn 3720 fmi 0 ou verificar motor spn 3720 fmi 16) surgirem no InfoCenter (Figura 74), limpe o filtro de fuligem seguindo estes passos:



Consulte a secção Motor no Manual de manutenção para obter mais informações sobre desmontagem e montagem do catalisador de oxidação diesel e do filtro de fuligem do DPF.
Consulte o Distribuidor autorizado Toro para mais informações sobre o catalisador de oxidação diesel e peças de substituição ou manutenção do filtro de fuligem.
Contacte o Distribuidor autorizado Toro para repor a ECU do motor depois de instalar um DPF limpo.
Em determinadas condições, o gasóleo e respetivos gases podem tornar-se inflamáveis e explosivos. Um incêndio ou explosão de combustível poderá provocar queimaduras e danos materiais.
Utilize sempre um funil e encha o depósito de combustível no exterior, numa zona aberta, quando o motor se encontrar desligado e frio. Limpe todo o combustível derramado.
Não encha completamente o depósito de combustível. Adicione combustível ao depósito de combustível, até que o nível se encontre entre 6 e 13 mm abaixo da extremidade inferior do tubo de enchimento. Este espaço no depósito permite a expansão do combustível.
Não fume quando se encontrar próximo de combustível e mantenha-se afastado de todas as fontes de chama ou faíscas que possam inflamar os vapores existentes nesse meio.
Guarde o combustível num recipiente limpo e seguro e mantenha-o sempre bem fechado.
| Intervalo de assistência | Procedimento de manutenção |
|---|---|
| A cada 400 horas |
|
Drene diariamente a água ou outros contaminantes do separador de água (Figura 75). Substitua o recipiente do filtro após cada 400 horas de funcionamento.
Coloque um recipiente limpo debaixo do filtro de combustível.
Desenrosque o tampão de drenagem na parte inferior do recipiente do filtro e abra a ventilação da parte superior da montagem do recipiente.

Limpe a zona de montagem do recipiente do filtro.
Retire o recipiente do filtro e limpe a superfície de montagem.
Lubrifique a junta vedante do filtro com óleo limpo.
Monte o recipiente do filtro manualmente até que a junta entre em contacto com a superfície de montagem, rodando em seguida esse recipiente mais ½ volta.
Aperte o tampão de drenagem na parte inferior do recipiente do filtro e feche a ventilação da parte superior da montagem do recipiente.
| Intervalo de assistência | Procedimento de manutenção |
|---|---|
| A cada 400 horas |
|
O filtro de combustível do motor deve ser substituído a cada 400 horas de funcionamento.
Limpe a zona em torno da cabeça do filtro de combustível (Figura 76).

Retire o filtro e limpe a superfície de montagem da cabeça do filtro (Figura 76).
Lubrifique a junta do filtro com óleo de motor lubrificante limpo. Consulte o Manual do utilizador do motor, incluído na máquina, para obter informações adicionais.
Monte o recipiente seco do filtro, manualmente, até que a junta entre em contacto com a cabeça do filtro, rodando em seguida o filtro mais ½ volta.
Ligue o motor e verifique se há fugas de combustível em redor da cabeça do filtro.
| Intervalo de assistência | Procedimento de manutenção |
|---|---|
| A cada 400 horas |
|
Verifique as tubagens e ligações a cada 400 horas de funcionamento ou anualmente, o que acontecer primeiro. Verifique se existem sinais de deterioração, danos ou ligações soltas.
O tubo de recolha de combustível, localizado no interior do depósito de combustível, está equipado com um filtro para evitar que entre sujidade no sistema de combustível. Retire o tubo de recolha de combustível e limpe o filtro conforme necessário.
Important: Antes de efetuar qualquer soldagem na máquina, desligue ambos os cabos da bateria, os fios do módulo de controlo eletrónico e o conector do terminal do alternador de modo a evitar danos no sistema elétrico.
| Intervalo de assistência | Procedimento de manutenção |
|---|---|
| A cada 50 horas |
|
Os bornes, terminais e restantes acessórios da bateria contêm chumbo e derivados de chumbo. É do conhecimento do Estado da Califórnia que estes produtos químicos podem provocar cancro e problemas reprodutivos. Lave as mãos após o manuseamento.
O eletrólito da bateria contém ácido sulfúrico, uma substância extremamente venenosa que pode provocar queimaduras graves.
Não beba eletrólito e evite qualquer contacto com a pele, olhos e vestuário. Utilize óculos de proteção para proteger os olhos e luvas de borracha para proteger as mãos.
Ateste a bateria apenas em locais onde exista água limpa para lavar as mãos.
O carregamento da bateria gera gases que podem provocar explosões.
Nunca fume perto da bateria e mantenha-a afastada de faíscas e chamas.
Verifique o estado da bateria semanalmente ou após cada 50 horas de funcionamento. Mantenha os terminais e toda a caixa da bateria em perfeitas condições de limpeza já que uma bateria suja descarrega mais rapidamente. Para limpar a bateria, deverá lavar toda a caixa com uma solução de bicarbonato de sódio e água. Enxague com água limpa.
Existem 8 fusíveis no sistema elétrico. O bloco de fusíveis (Figura 77) encontra-se por trás do painel de acesso do braço de controlo.


A máquina não pode deslizar quando soltar o pedal de tração. Se isso acontecer, ajuste o seguinte:
Coloque a máquina numa superfície nivelada, desligue o motor e baixe as unidades de corte até ao chão.
Levante a frente da máquina até que os pneus frontais levantem do chão. Utilize apoios de forma a evitar qualquer queda acidental.
Note: Nos modelos de tração às 4 rodas, também deve levantar os pneus traseiros
No lado direito do hidróstato, solte a porca de bloqueio no excêntrico de ajuste da tração (Figura 79).

O motor tem que estar a funcionar para que se possa efetuar um ajuste final no excêntrico de tração. Estas situações poderão provocar acidentes pessoais.
Mantenha as mãos, pés, cara e outras partes do corpo afastadas da panela do escape, de outras partes quentes do motor e de componentes em rotação.
Ponha o motor a trabalhar e rode o sextavado do excêntrico em qualquer direção até que a roda deixe de rodar.
Aperte a porca de bloqueio para manter o ajuste.
Desligue o motor. Retire os apoios e baixe a máquina.
Teste a máquina para ter a certeza de que não desliza.
| Intervalo de assistência | Procedimento de manutenção |
|---|---|
| A cada 800 horas |
|
Rode o volante de modo a que as rodas traseiras fiquem a direito.
Desaperte a porca de bloqueio em cada extremidade da barra de direção (Figura 80).
Note: A extremidade da barra de direção com a ranhura externa é uma rosca esquerda.

Utilizando uma ranhura de chave, rode a barra de direção
Meça a distância na dianteira e traseira dos pneus traseiros à altura do eixo. A distância nas rodas dianteiras e traseiras deve ser inferior a 6 mm da distância medida na traseira das rodas.
Repita o procedimento, conforme necessário.
| Intervalo de assistência | Procedimento de manutenção |
|---|---|
| Em todas as utilizações ou diariamente |
|
| A cada 100 horas |
|
| Cada 2 anos |
|
Retire diariamente os detritos do painel, do dispositivo de arrefecimento do óleo e do radiador ou com mais frequência em condições de muita sujidade).
Desligue o motor e retire a chave do interruptor da ignição.
Limpe cuidadosamente todos os detritos da área do motor.
Desprenda a braçadeira e articule para abrir o painel traseiro (Figura 81).

Limpe os dois lados do dispositivo de arrefecimento de óleo e o radiador (Figura 82) com ar comprimido.

Feche o painel e prenda o trinco.
Efetue o ajuste dos travões de serviço se o pedal de travão apresentar uma folga superior a 2,5 cm ou quando os travões não funcionarem de forma eficaz. Folga é a distância percorrida pelo pedal antes de se verificar qualquer resistência ao movimento.
Note: Utilize a folga do motor da roda para mover os tambores para a frente e para trás para assegurar que estes estão livres antes e depois do ajuste.
Para reduzir a folga dos pedais dos travões, aperte os travões desapertando a porca dianteira que se encontra na extremidade roscada do cabo dos travões (Figura 83).

Aperte a porca traseira para deslocar o cabo para trás até que os pedais dos travões apresentem uma folga de 1,27 a 1,9 cm.
Aperte as porcas dianteiras, certificando-se de que ambos os cabos atuam ao mesmo tempo sobre os travões.
Se o travão de estacionamento não engatar, é necessário um ajuste na lingueta do travão.
Solte os 2 parafusos que prendem a lingueta do travão de estacionamento à estrutura (Figura 84).

Carregue no pedal do travão para a frente até o detentor do estacionamento engatar completamente na lingueta do travão (Figura 84).
Aperte os 2 parafusos que bloqueiam o ajuste.
Prima o pedal do travão para libertar o travão de estacionamento.
Verifique o ajuste e reajuste se for necessário.
| Intervalo de assistência | Procedimento de manutenção |
|---|---|
| Após as pimeiras 10 horas |
|
| A cada 100 horas |
|
Verifique o estado e a tensão da correia (Figura 85) após cada 100 horas de funcionamento.
Uma tensão adequada deverá permitir um desvio de 10 mm quando for aplicada uma força de 44 N numa zona intermédia da correia entre as duas polias.
Se a deslocação obtida não for igual a 10 mm, deve desapertar os parafusos de montagem do alternador (Figura 85). Aumente ou diminua a tensão da correia do alternador e aperte os parafusos. Verifique uma vez mais a deslocação da correia para se certificar de que a tensão está correta.

| Intervalo de assistência | Procedimento de manutenção |
|---|---|
| A cada 800 horas |
|
| Cada 2 anos |
|
Substitua o fluido hidráulico após cada 800 horas de funcionamento, quando utilizar a máquina em condições normais. Se o fluido tiver sido contaminado, deverá entrar em contacto com o seu distribuidor Toro para efetuar uma lavagem do sistema. O fluido contaminado tem uma aparência leitosa ou negra quando comparado com óleo limpo.
Pare o motor e levante o capot.
Coloque um recipiente de escoamento grande debaixo do encaixe preso à parte de baixo do reservatório do fluido hidráulico (Figura 86).

Desligue a tubagem da parte de baixo da união e deixe o fluido hidráulico escorrer para o recipiente.
Instale o tubo quando o fluido hidráulico parar de escorrer.
Encha o reservatório com aproximadamente 30 litros de fluido hidráulico; consulte a secção Verificação do fluido hidráulico.
Important: Utilize apenas os fluidos hidráulicos especificados. A utilização de outros fluidos poderá danificar o sistema.
Em seguida, volte a montar a tampa do reservatório.
Ligue o motor e utilize todos os comandos hidráulicos, de modo a distribuir o fluido hidráulico por todo o sistema. Verifique ainda se existem fugas.
Desligue o motor.
Verifique o nível de fluído hidráulico e adicione fluido suficiente para elevar o nível até à marca “Full” (cheio) na vareta.
Important: Não encha demasiado.
| Intervalo de assistência | Procedimento de manutenção |
|---|---|
| A cada 800 horas |
|
O sistema hidráulico encontra-se equipado com um indicador do intervalo de assistência (Figura 87). Com o motor a funcionar na temperatura de operação, consulte o indicador, deve estar na zona Verde. Quando o indicador estiver na zona Vermelha, deve substituir os filtros hidráulicos.

Important: A utilização de outros filtros poderá anular a garantia de alguns componentes.
Coloque a máquina numa superfície nivelada, baixe as unidades de corte, desligue o motor, engate o travão de estacionamento e retire a chave da ignição.
Limpe a área à volta da área de montagem do filtro e coloque um recipiente de drenagem por baixo do filtro (Figura 88) e (Figura 89).


Retire o filtro.
Lubrifique o vedante do filtro novo com óleo hidráulico.
Certifique-se de que a zona de montagem do filtro se encontra limpa.
Monte o filtro manualmente até que a junta entre em contacto com a superfície de montagem, rodando em seguida o filtro mais 1/2 volta.
Repita o procedimento para o outro filtro.
Ligue o motor e deixe funcionar a máquina durante dois minutos para eliminar o ar do sistema.
Desligue o motor e verifique se existem fugas.
| Intervalo de assistência | Procedimento de manutenção |
|---|---|
| Em todas as utilizações ou diariamente |
|
Diariamente, verifique as tubagens e as mangueiras hidráulicas, prestando especial atenção a fugas, tubagens dobradas, suportes soltos, desgaste, uniões soltas e danos provocados pelas condições atmosféricas ou por agentes químicos. Efetue todas as reparações necessárias antes de utilizar a máquina.
O fluido hidráulico que sai sob pressão pode penetrar na pele e provocar lesões.
Certifique-se de que todas as tubagens e uniões do fluido hidráulico se encontram bem apertadas e em bom estado de conservação antes de colocar o sistema sob pressão.
Mantenha o seu corpo e mãos longe de fugas ou bicos que projetem fluido hidráulico sob pressão.
Utilize um pedaço de cartão ou papel para detetar fugas do fluido hidráulico.
Alivie com segurança toda a pressão do sistema hidráulico antes de executar qualquer trabalho neste sistema.
Em caso de penetração do fluido na pele, consulte imediatamente um médico.
Utilize as portas de teste do sistema hidráulico para testar a pressão nos circuitos hidráulicos. Se necessitar de assistência, contacte o seu distribuidor Toro.
Utilize as portas de teste nos tubos hidráulicos dianteiros (Figura 90) para dar assistência na resolução de problemas do circuito de tração.

Utilize as portas de teste no bloco do coletor de corte (Figura 91) para dar assistência na resolução de problemas do circuito de corte.

Utilize a porta de teste no bloco do coletor de elevação (Figura 92) para dar assistência na resolução de problemas do circuito de elevação.

Tocar nos cilindros ou noutras peças em movimento pode provocar lesões graves.
Mantenha os dedos, mãos e roupa afastados dos cilindros e de todas as outras peças em movimento.
Nunca tente rodar os cilindros com a mão ou com o pé enquanto o motor está em funcionamento.
Note: durante a retificação, todas as unidades dianteiras funcionam em conjunto; as unidades traseiras também funcionam em conjunto.
Coloque a máquina numa superfície nivelada, baixe as unidades de corte, desligue o motor, engate o travão de estacionamento e coloque o interruptor de ativação/desativação na posição de desativação.
Desbloqueie e levante o banco para expor as alavancas de retificação (Figura 93).
Faça os ajustes iniciais do cilindro à lâmina de corte, adequados à retificação em todas as unidades de corte que quer retificar; consulte o Manual do utilizador da unidade de corte.
Ligue o motor e faça-o funcionar ao ralenti lento.
Mudar a velocidade do motor ao retificar pode fazer com que os cilindros vão abaixo.
Nunca mude a velocidade do motor durante a retificação.
Faça a retificação apenas com o motor ao ralenti.
Selecione as alavancas de retificação dianteiras, traseiras ou ambas para determinar quais as unidades a retificar (Figura 93).
Para evitar ferimentos pessoais certifique-se de que está afastado das unidades de corte antes de continuar.
Com a alavanca de corte/transporte na posição de corte, desloque o interruptor de ativação/desativação para a posição de ativar. Desloque para a frente a alavanca de controlo de subida/descida das unidades de corte, para iniciar a retificação nos respetivos cilindros.
Aplique o produto de retificação com uma escova de cabo comprido. Nunca utilize uma escova de cabo curto.
Se os cilindros forem abaixo ou ficarem erráticos ao retificar, selecione um valor de velocidade maior do cilindro até que a velocidade estabilize e, em seguida, volte a colocar a velocidade do cilindro para o valor ou para a sua velocidade desejada.
Para ajustar as unidades de corte durante a retificação, desative os cilindros, deslocando a alavanca de controlo de subida/descida das unidades de corte para trás; coloque o interruptor de ativação/desativação na posição de desativação (Disable) e desligue o motor. Depois de concluir os ajustes, repita os passos 4 a 8.

Repita este procedimento para todas as unidades de corte a retificar.
Quando concluir, volte a colocar as alavancas de retificação na posição de corte, baixe o banco e lave todo o produto de retificação das unidades de corte. Ajuste o cilindro da unidade de corte às lâminas, conforme necessário. Ajuste a velocidade do cilindro da unidade de corte para a definição desejada.
Important: Se o interruptor de retificação não voltar à posição Off (desligar) após a retificação, as unidades de corte não se elevam ou deixam de funcionar devidamente.
Note: Para um melhor fio de corte, passe uma lima na frente da lâmina de corte depois de concluída a retificação. Assim, reduz imperfeições ou arestas que se possam ter formado no fio de corte.
Limpe bem a unidade de tração, unidades de corte e motor.
Verifique a pressão dos pneus. Encha todos os pneus de tração com 0,83 a 1,03 bar.
Verifique todos os dispositivos de fixação para ver se estão soltos e aperte-os conforme necessário.
Lubrifique todos os bocais de lubrificação e pontos de articulação. Limpe a massa lubrificante em excesso.
Lixe e retoque todas as zonas riscadas, estaladas ou enferrujadas. Efetue a reparação de todas as mossas existentes no corpo metálico.
Efetue a manutenção da bateria e dos cabos da seguinte forma:
Retire os terminais dos bornes da bateria.
Limpe a bateria, terminais e bornes com uma escova de arame e uma solução de bicarbonato de sódio.
Cubra os terminais do cabo e os bornes da bateria com lubrificante Grafo 112X (peça Toro n.º 505-47) ou vaselina para evitar qualquer corrosão.
Carregue a bateria lentamente durante 24 horas, de 2 em 2 meses, para evitar a sulfatização do chumbo da bateria.
Drene o óleo do motor do recipiente e coloque o tampão de escoamento.
Retire o filtro do óleo. Coloque um novo filtro de óleo.
Encha o cárter do óleo com a quantidade designada de óleo do motor.
Ligue o motor e faça-o funcionar a uma velocidade intermédia durante dois minutos.
Desligue o motor.
Lave o depósito de combustível com gasóleo novo e limpo.
Verifique a proteção anticongelante e adicione uma solução de água e anticongelante adequada à temperatura mínima prevista para a zona.
Aperte todas as uniões do sistema de combustível.
Limpe e efetue a manutenção da estrutura do filtro de ar.
Vede a entrada do filtro de ar e a saída de gases com fita impermeável.
Verifique a proteção anticongelante e adicione conforme necessário para a temperatura mínima prevista para a zona.

