CALIFORNIA
Proposition 65 Warning
Den här produkten innehåller en eller flera kemikalier som av den amerikanska delstaten Kalifornien anses orsaka cancer, fosterskador och andra fortplantningsskador.
Parkera maskinen p en plan yta.
Koppla in parkeringsbromsen.
Stng av motorn och tag ut nyckeln.
Ta bort stena.
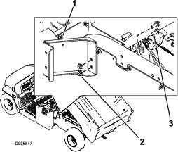
Koppla loss batteriet. Se bruksanvisningen.
Hj lastflaket till tmningslget och skra det med stttan.
Delar som behövs till detta steg:
| Vnster gelfste | 1 |
| Hger gelfste | 1 |
| Rr | 2 |
| Vnster vindrutestd | 1 |
| Hger vindrutestd | 1 |
| Vnster bakplatta | 1 |
| Hger bakplatta | 1 |
| Vnster framplatta | 1 |
| Hger framplatta | 1 |
| Vnster hrnstdvinkel | 1 |
| Hger hrnstdvinkel | 1 |
| Bakre tvrbindning | 1 |
| Frmre tvrbindning | 1 |
| Bromslamell | 2 |
| Tvrgende rr | 2 |
| Flnsmutter (5/16tum) | 38 |
| Flnsmutter (1/4tum) | 4 |
| Vagnsskruv (5/16x1tum) | 20 |
| Sexkantsflnsskruv (3/8x 1tum) | 4 |
| Flnsmutter (tum) | 4 |
| Sexkantsflnsskruv (5/16x 1tum) | 2 |
| Vagnskruv (5/16x 1tum) | 4 |
| Klmma | 4 |
| Solskrm | 1 |
| Ttningsbricka | 6 |
| Sexkantsflnsskruv (1/4x 1tum) | 6 |
| Distansbricka (9/32x 5/8tum) | 2 |
| Planbricka | 2 |
| Sexkantskruv (1/4x 21/2tum) | 2 |
| Fstplatta | 2 |
| Vagnskruv (5/16x 2tum) | 8 |
| Plastbricka | 4 |
| Flnsbussning | 2 |
| Friktionsbricka | 2 |
| Vagnsskruv (5/16x3/4tum) | 4 |
| Takstdsfste | 2 |
| Sjlvgngande skruv (1/4 x 1/2 tum) | 2 |
| Frmre std | 1 |
| Sexkantsflnsskruv (x1tum) | 2 |
Note: Dra bara t eventuella fstelement om s anges.
Montera det vnstra gelfstet s hr:
Ta bort niten frn den vnstra panelen bakom den bakre stessockeln (Figure 1).
Montera det vnstra gelfstet med 2 sexkantsflnsskruvar (3/8x1tum) och 2 muttrar (3/8tum) enligt Figure 1.

Fst fstet bakom det bakre stessockeln med 1 sexkantskruv (1/4x 21/2tum), 1 planbricka (5/16tum), 1 distansbricka (9/32x 5/8tum) och 1 flnsmutter (1/4tum) enligt Figure 2.

Upprepa detta steg nr du monterar det hgra gelfstet p maskinens hgra sida.
Anvnd mtten som visas i Figure 3 och borra 2 hl (5/16tum) i golvplattans utsida p maskinens vnstra och hgra sida.

Anvnd mtten som visas i Figure 4 och borra 1 hl (5/16tum) i fotgavelns utsida p maskinens vnstra och hgra sida.

Fst vindrutestdets mittfste p maskinen med 2 sexkantsflnsskruvar (5/16x 1tum) och 2 muttrar (5/16tum) i hlen du borrade (Figure 5).

Fst vindrutestdets nedre fste p maskinens vnstra sida med 4 vagnsskruvar (5/16x 1tum) och 4 flnsmuttrar (5/16tum) i hlen du borrade i steg2 (Figure 6).

Montera de bakre rren lst p de bakre gelfstena med 8 vagnsskruvar (5/16x2tum), 2 fstplattor och 8 muttrar (5/16tum) enligt Figure 7.

Montera de vnstra och hgra bakre plattorna lst vid rren med hjlp av 4 vagnsskruvar (5/16x13/4tum), 2 bromslameller och 4 flnsmuttrar (5/16tum) enligt Figure 8.

Montera de vnstra och hgra frmre plattorna och hrnvinkelstden lst till de tvrgende rren och de vnstra och hgra vindrutestden med 8 vagnsskruvar (5/16x13/4tum) och 8 flnsmuttrar (5/16tum) enligt Figure 9.

Montera den bakre tvrbindningen lst till de tvrgende rren och bakre plattorna med 4 vagnsskruvar (5/16x1tum), 4 vagnsskruvar (5/16xtum) och 8 flnsmuttrar (5/16tum) enligt Figure 10.

Montera den frmre tvrbindningen lst till de frmre plattorna och hrnstdvinklarna med 4 vagnsskruvar (5/16x13/4tum) och 4 flnsmuttrar (5/16tum) enligt Figure 11.
Montera det frmre stdet p den frmre tvrbindningen med 2 sexkantsflnsskruvar (x1tum) och 2 flnsmuttrar (tum) enligt Figure 11.

Dra t alla lsa fstelement.
Montera de 2 takstdfstena till de tvrgende rren med 2 sjlvgngande skruvar (1/4x1/2tum) enligt Figure 12.

Fll ned solskrmen.
Anvnd hlet verst p takstdsfstet som mall och borra ett hl p 7,9mm p respektive sida om solskrmen (Figure 13).

Montera solskrmen p takstdsfstet med 2 klmmor, 2 ttningsbrickor och 2 sexkantskruvar (1/4x1tum) enligt Figure 14.

Montera solskrmen p de frmre plattorna med 2 klmmor, 2 ttningsbrickor och 2 sexkantskruvar (1/4x1tum) enligt Figure 15.
Important: Applicera gngttningsmassa p sexkantskruvarna (1/4x1tum) innan du monterar.

Montera solskrmen p den bakre tvrbindningen med 2 sexkantskruvar (1/4x1tum), 2 ttningsbrickor, 2 friktionsbrickor, 4 plastbrickor och 2 flnsbussningar (Figure 16).
Important: Applicera gngttningsmassa p sexkantskruvarna (1/4x1tum) innan du monterar.
Important: Kontrollera att plastbrickorna har monterats p bde verdelen och underdelen p solskrmen eftersom detta frhindrar att solskrmen skadas.

Anslut batteriet. Se bruksanvisningen.