CALIFORNIA
Proposition 65 Warning
此产品包含加利福尼亚州已知的能致癌、致出生缺陷或损害生殖系统的化学物质。
将机器停在水平地面上。
接合驻车刹车。
关闭发动机并拔下钥匙。
卸下座椅。
断开电池;请参阅操作员手册。
将货斗升起至倾倒位置,并用支撑杆固定。
此程序中需要的物件:
| 左环形支架 | 1 |
| 右环形支架 | 1 |
| 支撑管 | 2 |
| 左风挡支撑 | 1 |
| 右风挡支撑 | 1 |
| 左后安装板 | 1 |
| 右后安装板 | 1 |
| 左前安装板 | 1 |
| 右前安装板 | 1 |
| 左角撑板 | 1 |
| 右角撑板 | 1 |
| 后交联 | 1 |
| 前交联 | 1 |
| 支撑板 | 2 |
| 交联管 | 2 |
| 凸缘螺母(5/16 英寸) | 38 |
| 凸缘螺母( 英寸) | 4 |
| 托架螺栓(5/16 x 1 英寸) | 20 |
| 六角凸缘螺栓( x 1 英寸) | 4 |
| 凸缘螺母( 英寸) | 4 |
| 六角凸缘螺栓(5/16 x 1 英寸) | 2 |
| 托架螺栓 (5/16 x 1 英寸) | 4 |
| 夹子 | 4 |
| 遮阳篷 | 1 |
| 密封垫圈 | 6 |
| 六角凸缘螺栓( x 1 英寸) | 6 |
| 隔片(9/32 x 英寸) | 2 |
| 扁平垫圈 | 2 |
| 六角头螺栓( x 2 英寸) | 2 |
| 安装板 | 2 |
| 托架螺栓 (5/16 x 2 英寸) | 8 |
| 塑料垫圈 | 4 |
| 凸缘轴套 | 2 |
| 摩擦垫圈 | 2 |
| 托架螺栓(5/16 x 英寸) | 4 |
| 车顶支撑架 | 2 |
| 自攻螺丝( x 英寸) | 2 |
| 前支架 | 1 |
| 六角凸缘螺栓( x 1 英寸) | 2 |
Note: 除非有特别说明,否则不要上紧任何紧固件。
按照以下方式安装左环形支架:
使用Figure 3 中所示的尺寸,在机器左右侧的底板外侧钻 2 个孔(5/16 英寸)。

使用Figure 4 中所示的尺寸,在机器左右侧的脚踏板外侧钻 1 个孔(5/16 英寸)。

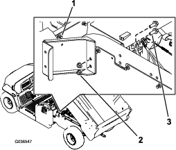
用 2 个六角凸缘螺栓(5/16 x 1 英寸)和 2 个螺母(5/16 英寸)将风挡支撑的中间支架固定到机器上钻出的孔内(Figure 5)。

用 4 个托架螺栓(5/16 x 1 英寸)和 4 个凸缘螺母(5/16 英寸)将风挡支撑的下支架固定到机器左侧步骤 2 中钻出的孔内(Figure 6)。

如Figure 7 所示,用 8 个托架螺栓(5/16 x 2 英寸)、2 个安装板和 8 个螺母(5/16 英寸)将后支撑管松松地安装到后环形支架上。

如Figure 8 所示,用 4 个托架螺栓(5/16 x 1 英寸)、2 个支撑板和 4 个凸缘螺母(5/16 英寸)将左、右后安装板松松地安装到支撑管上。

如Figure 9 所示,用 8 个托架螺栓(5/16 x 1 英寸)和 8 个凸缘螺母(5/16 英寸)将左、右前安装板和角撑板松松地安装到交联管和左、右风挡支撑上。

如Figure 10 所示,用 4 个托架螺栓(5/16 x 1 英寸)和 8 个凸缘螺母(5/16 英寸)将后交联松松地安装到交联管和后安装板上。

如Figure 11 所示,用 4 个托架螺栓(5/16 x 1 英寸)和 4 个凸缘螺母(5/16 英寸)将前交联松松地安装到前安装板和角撑板上。
如Figure 11 所示,用 2 个六角凸缘螺栓( x 1 英寸)和 2 个凸缘螺母( 英寸),将前支架安装到前交联上。

上紧所有松的紧固件。
如Figure 12 所示,用 2 个自攻螺丝( x 英寸)将 2 个车顶支架安装到交联管上。

放下遮阳篷。
用车顶支撑架顶部的孔作为模板,在遮阳篷的两侧分别钻一个 7.9mm 的孔(Figure 13)。

如Figure 14 所示,用 2 个夹子、2 个密封垫圈和 2 个六角凸缘螺栓( x 1 英寸)将遮阳篷安装到车顶支撑架上。

如Figure 15 所示,用 2 个夹子、2 个密封垫圈和 2 个六角头螺栓( x 1 英寸)将遮阳篷安装到前安装板上。
Important: 安装之前,在六角凸缘螺栓( x 1 英寸)上涂抹防松螺纹油。

用 2 个六角凸缘螺栓( x 1 英寸)、2 个密封垫圈、2 个摩擦垫圈、4 个塑料垫圈和 2 个凸缘轴套将遮阳篷安装到后交联上(Figure 16)。
Important: 安装之前,在六角凸缘螺栓( x 1 英寸)上涂抹防松螺纹油。
Important: 确保将塑料垫圈安装到遮阳篷的顶部和底部,因为这样可防止遮阳篷受损。

连接电池;请参阅操作员手册。