CALIFORNIA
Proposition 65 Warning
В соответствии с информацией, имеющейся в распоряжении компетентных органов штата Калифорния, данное вещество содержит химическое соединение (соединения), отнесенные к категории канцерогенных, способных вызвать врождённые пороки и оказывающих вредное воздействие на репродуктивную систему человека.
.
.
.
.
; . .
.
Детали, требуемые для этой процедуры:
| 1 | |
| 1 | |
| 2 | |
| 1 | |
| 1 | |
| 1 | |
| 1 | |
| 1 | |
| 1 | |
| 1 | |
| 1 | |
| 1 | |
| 1 | |
| 2 | |
| 2 | |
| (5/16) | 38 |
| ( ) | 4 |
| (5/16x 1) | 20 |
| ( x 1 ) | 4 |
| () | 4 |
| (5/16 x /1 ) | 2 |
| (5/16x 1) | 4 |
| 4 | |
| 1 | |
| 6 | |
| ( x 1 ) | 6 |
| (9/32 x ) | 2 |
| 2 | |
| ( x 2) | 2 |
| 2 | |
| (5/16 x 2 ) | 8 |
| 4 | |
| 2 | |
| 2 | |
| (5/16 x ) | 4 |
| 2 | |
| ( x ) | 2 |
| 1 | |
| ( x 1 ) | 2 |
Note: , .
:
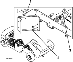
(5/16 ) , Figure 3, .

(5/16 ) , Figure 4, .

(5/16 x 1 ), , (5/16 ) (Figure 5).

4 (5/16 x 1 ) 4 (5/16 ), , 2 (Figure 6).

, , 8 (5/16 x 2), 8 (5/16 ), Figure 7.

, , 4 (5/16 x 1 ), 4 (5/16 ), Figure 8.

, , , , 8 (5/16 x 1) 8 (5/16), Figure 9.

, , , 4 (5/16 x 1 ), 4 (5/16 x ) 8 (5/16 ), Figure 10.

, , , 4 (5/16 x 1 ) 4 (5/16 ), Figure 11.
2 ( x 1 ) 2 (), Figure 11.

.
( x ), Figure 12.

.
, 7,9 (Figure 13).

, , ( x 1), Figure 14.

, , ( x 1), Figure 15.
Important: ( x 1) .

( x 1), , , 4 (Figure 16).
Important: ( x 1) .
Important: , , .

; . .