CALIFORNIA
Proposition 65 Warning
É do conhecimento do Estado da Califórnia que um ou vários produtos químicos deste produto podem provocar cancro, defeitos congénitos ou outros problemas reprodutivos.
Estacione a mquina numa superfcie nivelada.
Engate o travo de estacionamento.
Desligue o motor do e retire a chave da ignio.
Remoo dos bancos.
Desligue a bateria; consulte o Manual do utilizador.
Eleve a caixa de carga para a posio de descarga e fixe-a com a barra de apoio.
Peças necessárias para este passo:
| Suporte com volta esquerdo | 1 |
| Suporte com volta direito | 1 |
| Tubo | 2 |
| Suporte do limpa para-brisas esquerdo | 1 |
| Suporte do limpa para-brisas direito | 1 |
| Placa traseira esquerda | 1 |
| Placa traseira direita | 1 |
| Placa dianteira esquerda | 1 |
| Placa dianteira direita | 1 |
| Placa de canto esquerda | 1 |
| Placa de canto direita | 1 |
| Ligao cruzada traseira | 1 |
| Ligao cruzada dianteira | 1 |
| Placa posterior | 2 |
| Tubo de ligao cruzada | 2 |
| Porca flangeada (5/16pol.) | 38 |
| Porca flangeada ( pol.) | 4 |
| Parafuso de carroaria (5/16pol. x 1pol.) | 20 |
| Parafuso flangeado hexagonal (pol. x 1pol.) | 4 |
| Porca flangeada (pol.) | 4 |
| Parafuso flangeado hexagonal (5/16pol. x 1pol.) | 2 |
| Parafuso de carroaria (5/16pol. x 1pol.) | 4 |
| Clipe | 4 |
| Toldo | 1 |
| Anilha vedante | 6 |
| Parafuso flangeado hexagonal (pol. x 1pol.) | 6 |
| Espaador (9/32pol. x pol.) | 2 |
| Anilha plana | 2 |
| Parafuso de cabea sextavada ( pol. x 2pol.) | 2 |
| Placa de montagem | 2 |
| Parafuso de carroaria (5/16 pol. x 2pol.) | 8 |
| Anilha de plstico | 4 |
| Casquilho da flange | 2 |
| Anilha de frico | 2 |
| Parafuso de carroaria (5/16pol. x pol.) | 4 |
| Suporte de apoio do teto | 2 |
| Parafuso autorroscante (pol. x pol.) | 2 |
| Suporte frontal | 1 |
| Parafuso flangeado sextavado (pol. x1 pol.) | 2 |
Note: No aperte quaisquer fixadores, excepto quando instrudo.
Instale o suporte com volta esquerdo da seguinte forma:
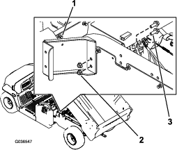
Retire o rebite do painel esquerdo por trs da base do banco traseiro (Figure 1).
Instale o suporte com volta esquerdo utilizando 2 parafusos flangeados hexagonais (pol. x 1pol.) e duas porcas (pol.) como se mostra na Figure 1.

Prenda o suporte por trs da base do banco traseiro utilizando um parafuso de cabea hexagonal (pol. x 2pol.), uma anilha plana (5/16pol.), um espaador (9/32pol. x pol.) e uma porca flangeada (pol.), como se mostra na Figure 2.

Repita este passo para instalar o suporte com volta direito no lado direito da mquina.
Utilizando as dimenses indicadas na Figure 3, faa 2 furos (5/16pol.) no exterior da placa do piso nos lados esquerdo e direito da mquina.

Utilizando as dimenses indicadas na Figure 4, faa 1 furo (5/16pol.) no exterior da placa dos ps nos lados esquerdo e direito da mquina.

Prenda o suporte do meio do suporte do limpa pra-brisas mquina utilizando dois parafusos flangeados sextavados (5/16x 1pol.) e duas porcas (5/16pol.) nos furos que realizou (Figure 5).

Prenda o suporte inferior do suporte do limpa para-brisas ao lado esquerdo da mquina utilizando quatro parafusos da carroaria (5/16pol. x 1pol.) e quatro porcas flangeadas (5/16pol.) nos furos que realizou no passo 2 (Figure 6).

Instale sem apertar as tubagens traseiras nos suportes com volta traseiros utilizando 8 parafusos de carroaria (2pol.), 2 placas de montagem e 8 porcas (5/16pol.), como se mostra na Figure 7.

Instale sem apertar as placas traseiras esquerda e direita nas tubagens utilizando 4 parafusos de carroaria (5/16 pol. x 1pol.), 2 placas posteriores e 4 porcas flangeadas (5/16 pol.), como se mostra na Figure 8.

Instale sem apertar as placas dianteiras esquerda e direita e as placas de canto nas tubagens da ligao cruzada e nos suportes do limpa para-brisas esquerdo e direito utilizando 8 parafusos de carroaria (5/16 pol. x 1pol.) e 4 porcas flangeadas (5/16pol.), como se mostra na Figure 9.

Instale sem apertar a ligao cruzada traseira nas tubagens da ligao cruzada e nas placas traseiras utilizando 4 parafusos de carroaria (5/16 pol. x 1pol.), 4 parafusos de carroaria (5/16 pol. x pol.) e 8 porcas flangeadas (5/16 pol.), como se mostra na Figure 10.

Instale sem apertar a ligao cruzada dianteira nas placas dianteiras e nas placas de canto utilizando quatro parafusos de carroaria (5/16pol. x 1pol.) e quatro porcas flangeadas (5/16pol.), como se mostra na Figure 11.
Instale o suporte frontal na travessa frontal utilizando dois parafusos haxagonais flangeados ( pol. x 1 pol.) e duas porcas flangeadas ( pol.) conforme na Figure 11.

Aperte todos os fixadores soltos.
Instale os dois suportes de apoio do teto nas tubagens da ligao cruzada utilizando dois parafusos autorroscantes (pol. x pol.), como se mostra na Figure 12.

Coloque o toldo para baixo.
Utilizando o orifcio na parte superior do suporte de apoio do teto como modelo, faa um furo de 7,9mm em cada lado do toldo (Figure 13).

Instale o toldo no suporte de apoio do teto utilizando dois clipes, dois anilhas vedantes e dois parafusos flangeados hexagonais (pol. x 1pol.), como se mostra na Figure 14.

Instale o toldo nas placas dianteiras utilizando dois clipes, duas anilhas vedantes e dois parafusos flangeados hexagonais (pol. x 1pol.), como se mostra na Figure 15.
Important: Aplique adesivo de roscas nos parafusos flangeados hexagonais (pol. x 1pol.) antes de instalar.

Instale o toldo na ligao cruzada traseira utilizando dois parafusos flangeados hexagonais (pol. x 1pol.), duas anilhas vedantes, duas anilhas de frico, quatro anilhas de plstico e dois casquilhos da flange (Figure 16).
Important: Aplique adesivo de roscas nos parafusos flangeados hexagonais (pol. x 1pol.) antes de instalar.
Important: Certifique-se de que as anilhas de plstico so colocadas na parte de cima e na parte de baixo do toldo, visto que isto previne danos no toldo.

Ligue a bateria; consulte o Manual do utilizador.