CALIFORNIA
Proposition 65 Warning
Il presente prodotto contiene una o più sostanze chimiche che nello Stato della California sono considerate cancerogene e causa di anomalie congenite o di altre problematiche della riproduzione.
Parcheggiate la macchina su terreno pianeggiante.
Inserite il freno di stazionamento.
Spegnete il motore e togliete la chiave.
Rimuovete i sedili
Scollegate la batteria; fate riferimento al vostro Manuale dell'operatore.
Sollevate il pianale in posizione di scarico e fissatelo con l’asta di supporto.
Parti necessarie per questa operazione:
| Staffa sinistra ad anello | 1 |
| Staffa destra ad anello | 1 |
| Tubo | 2 |
| Supporto del parabrezza di sinistra | 1 |
| Supporto del parabrezza di destra | 1 |
| Piastra posteriore sinistra | 1 |
| Piastra posteriore destra | 1 |
| Piastra anteriore sinistra | 1 |
| Piastra anteriore destra | 1 |
| Rinforzo angolo sinistro | 1 |
| Rinforzo angolo destro | 1 |
| Collegamento trasversale posteriore | 1 |
| Collegamento trasversale anteriore | 1 |
| Piastra di supporto | 2 |
| Tubo di collegamento trasversale | 2 |
| Dado flangiato (5/16") | 38 |
| Dado flangiato (") | 4 |
| Bullone a testa tonda (5/16" x 1") | 20 |
| Bullone esagonale flangiato (" x 1") | 4 |
| Dado flangiato (") | 4 |
| Bullone esagonale flangiato (5/16" x 1") | 2 |
| Bullone a testa tonda (5/16" x 1") | 4 |
| Graffetta | 4 |
| Parasole | 1 |
| Rondella di tenuta | 6 |
| Bullone esagonale flangiato (" x 1") | 6 |
| Distanziale (9/32" x ") | 2 |
| Rondella piana | 2 |
| Bullone a testa esagonale (" x 2") | 2 |
| Piastra di montaggio | 2 |
| Bullone a testa tonda (5/16" x 2") | 8 |
| Rondella di plastica | 4 |
| Boccola flangiata | 2 |
| Rondella di frizione | 2 |
| Bullone a testa tonda (5/16" x ") | 4 |
| Staffa di supporto del tetto | 2 |
| Vite autofilettante (" x ") | 2 |
| Supporto anteriore | 1 |
| Bullone esagonale flangiato (" x 1") | 2 |
Note: Non serrate alcun dispositivo di fissaggio tranne quando indicato.
Montate la staffa sinistra ad anello nel modo seguente:
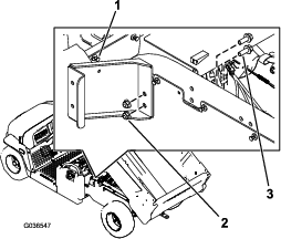
Rimuovete il ribattino dal pannello sinistro dietro la base del sedile posteriore (Figure 1).
Montate la staffa sinistra ad anello utilizzando 2 bulloni esagonali flangiati ("x 1") e 2 dadi (") come illustrato nella Figure 1.

Fissate la staffa dietro la base del sedile utilizzando 1bullone a testa esagonale ("x 2"), 1 rondella piana (5/16"), 1 distanziale (9/32" x ") e 1 dado flangiato ("), come illustrato nella Figure 2.

Ripetete questa fase per montare la staffa destra ad anello sul lato destro della macchina.
Utilizzando le dimensioni nella Figure 3, praticate 2 fori (5/16") all'esterno del pianale, sui lati sinistro e destro della macchina.

Utilizzando le dimensioni nella Figure 4, praticate 1 foro (5/16") all'esterno della pedana, sui lati sinistro e destro della macchina.

Fissate la staffa centrale del supporto del parabrezza alla macchina utilizzando 2 bulloni esagonali flangiati (5/16"x 1") e 2 dadi (5/16"), nei fori praticati in precedenza (Figure 5).

Fissate la staffa inferiore del supporto del parabrezza al lato sinistro della macchina utilizzando 4 bulloni a testa tonda (5/16"x 1") e 4 dadi flangiati (5/16"), nei fori praticati nel passaggio 2 (Figure 6).

Montate, senza serrarli, i tubi posteriori sulle staffe posteriori ad anello utilizzando 8 bulloni a testa tonda (5/16" x 2"), 2 piastre di montaggio e 8 dadi (5/16") come illustrato nella Figure 7.

Montate, senza serrarle, le piastre posteriori sinistra e destra sui tubi utilizzando 4 bulloni a testa tonda (5/16" x 1"), 2 piastre di supporto e 4 dadi flangiati (5/16") come illustrato nella Figure 8.

Montate, senza serrarle, le piastre anteriori sinistra e destra e i rinforzi degli angoli sui tubi di collegamento trasversale e sui supporti del parabrezza sinistro e destro, utilizzando 8 bulloni a testa tonda (5/16" x 1") e 8 dadi flangiati (5/16") come illustrato nella Figure 9.

Montate, senza serrarlo, il collegamento trasversale posteriore sui tubi di collegamento trasversale e le piastre posteriori utilizzando 4 bulloni a testa tonda (5/16" x 1"), 4 bulloni a testa tonda (5/16" x ") e 8 dadi flangiati (5/16") come illustrato nella Figure 10.

Montate, senza serrarlo, il collegamento trasversale anteriore alle piastre anteriori e ai rinforzi degli angoli utilizzando 4 bulloni a testa tonda (5/16" x 1") e 4 dadi flangiati (5/16") come illustrato nella Figure 11.
Montate i supporti anteriori sul collegamento trasversale utilizzando 2 bulloni esagonali flangiati (" x 1") e 2 dadi flangiati ("), come illustrato nella Figure 11.

Serrate tutti i dispositivi di fissaggio lenti.
Montate le 2 staffe di supporto del tetto sui tubi di collegamento trasversale utilizzando 2 viti autofilettanti (" x "), come illustrato nella Figure 12.

Abbassate il parasole.
Utilizzando il foro nella parte superiore della staffa di supporto del tetto come riferimento, praticate un foro di 7,9mm su ciascun lato del parasole (Figure 13).

Installate il parasole sulla staffa di supporto del tetto utilizzando 2 graffette, 2 rondelle di tenuta e 2 bulloni a testa esagonale (" x 1") come mostrato nella Figure 14.

Installate il parasole sulle piastre anteriori utilizzando 2 graffette, 2 rondelle di tenuta e 2 dadi esagonali flangiati (" x 1"), come mostrato nella Figure 15.
Important: Applicate un composto frenafiletti sui bulloni esagonali flangiati (" x 1") prima del montaggio.

Montate il parasole sul collegamento trasversale posteriore utilizzando 2 bulloni esagonali flangiati (" x 1"), 2 rondelle di tenuta, 2 rondelle di frizione, 4 rondelle di plastica e 2 boccole flangiate (Figure 16).
Important: Applicate un composto frenafiletti sui bulloni esagonali flangiati (" x 1") prima del montaggio.
Important: Assicuratevi che le rondelle di plastica siano montate sulla parte superiore e inferiore del parasole, dal momento che ci evita di danneggiare il parasole.

Collegate la batteria; fate riferimento al vostro Manuale dell’operatore.