CALIFORNIA
Proposition 65 Warning
Tämä tuote sisältää kemikaaleja, jotka Kalifornian osavaltion tietojen mukaan aiheuttavat syöpää, synnynnäisiä epämuodostumia tai lisääntymiseen liittyvää haittaa.
Pyski kone tasaiselle alustalle.
Kytke seisontajarru.
Sammuta moottori ja irrota virta-avain.
Irrota istuimet.
Kytke akku irti. Katso kyttopas.
Nosta kuljetuslava tyhjennysasentoon ja tue se kannatintangolla.
Vaiheeseen tarvittavat osat:
| Vasen silmukkakannatin | 1 |
| Oikea silmukkakannatin | 1 |
| Putki | 2 |
| Vasen tuulilasin tuki | 1 |
| Oikea tuulilasin tuki | 1 |
| Vasen takalevy | 1 |
| Oikea takalevy | 1 |
| Vasen etulevy | 1 |
| Oikea etulevy | 1 |
| Vasen kulmatuki | 1 |
| Oikea kulmatuki | 1 |
| Takaristituki | 1 |
| Eturistituki | 1 |
| Taustakilpi | 2 |
| Ristiputki | 2 |
| Laippamutteri (5/16tuumaa) | 38 |
| Laippamutteri (1/4tuumaa) | 4 |
| Lukkopultti (5/161-tuumaa) | 20 |
| Kuusiolaippapultti (3/81tuumaa) | 4 |
| Laippamutteri (tuumaa) | 4 |
| Kuusiolaippapultti (5/161tuumaa) | 2 |
| Lukkopultti (5/161tuumaa) | 4 |
| Kiinnike | 4 |
| Hikisysuoja | 1 |
| Tiivistealuslaatta | 6 |
| Kuusiolaippapultti (1/41tuumaa) | 6 |
| Vlikappale (9/325/8 tuumaa) | 2 |
| Litte aluslaatta | 2 |
| Kuusiokantapultti (1/42-1/2tuumaa) | 2 |
| Kiinnityslevy | 2 |
| Lukkopultti (5/162tuumaa) | 8 |
| Muovialuslaatta | 4 |
| Laippaholkki | 2 |
| Kitka-aluslaatta | 2 |
| Lukkopultti (5/163/4tuumaa) | 4 |
| Katon tukikannatin | 2 |
| Itsekierteittv ruuvi (1/21/4 tuumaa) | 2 |
| Etutuki | 1 |
| Kuusiolaippapultti (1-tuumaa) | 2 |
Note: l kirist kiinnikkeit, ellei niin ohjeisteta tekemn.
Asenna vasen silmukkakannatin seuraavalla tavalla:
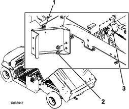
Irrota niitti takaistuimen jalustan takana olevasta vasemmasta paneelista (Figure 1).
Asenna vasen silmukkakannatin kahdella kuusiolaippapultilla (3/81tuumaa) ja kahdella mutterilla (3/8tuumaa) kuvan mukaisesti (Figure 1).

Kiinnit kannatin takaistuimen jalustan taakse yhdell kuusiokantapultilla (1/42-1/2tuumaa), yhdell littell aluslaatalla (5/16tuumaa), yhdell vlikappaleella (9/325/8tuumaa) ja yhdell laippamutterilla (1/4tuumaa) kuvan mukaisesti (Figure 2).

Asenna oikea silmukkakannatin koneen oikealle puolelle toistamalla tm vaihe.
Kyt kuvassa olevia mittoja (Figure 3) ja poraa kaksi reik (5/16tuumaa) lattialevyn ulkopuolelle koneen vasemmalla ja oikealla puolella.

Kyt kuvassa olevia mittoja (Figure 4) ja poraa yksi reik (5/16tuumaa) jalkalevyn ulkopuolelle koneen vasemmalla ja oikealla puolella.

Kiinnit tuulilasin tuen keskimminen kannatin koneeseen kahdella kuusiolaippapultilla (5/161tuumaa) ja kahdella mutterilla (5/16tuumaa) porattujen reikien kautta (Figure 5).

Kiinnit tuulilasin tuen alempi kannatin koneen vasemmalle puolelle neljll lukkopultilla (5/161tuumaa) ja neljll laippamutterilla (5/16tuumaa) vaiheessa 2 porattujen reikien kautta (Figure 6).

Asenna takaputket lyssti takana oleviin silmukkakannattimiin kahdeksalla lukkopultilla (5/162tuumaa), kahdella kiinnityslevyll ja kahdeksalla mutterilla (5/16tuumaa) kuvan mukaisesti (Figure 7).

Asenna vasen ja oikea takalevy lyssti putkiin neljll lukkopultilla (5/161-3/4tuumaa), kahdella taustakilvell ja neljll laippamutterilla (5/16tuumaa) kuvan mukaisesti (Figure 8).

Asenna vasen ja oikea etulevy ja kulmatuet lyssti ristiputkiin ja vasempaan ja oikeaan tuulilasin tukeen kahdeksalla lukkopultilla (5/161-3/4tuumaa) ja kahdeksalla laippamutterilla (5/16tuumaa) kuvan mukaisesti (Figure 9).

Asenna takaristituki lyssti ristiputkiin ja takalevyihin neljll lukkopultilla (5/161-3/4tuumaa), neljll lukkopultilla (5/163/4tuumaa) ja kahdeksalla laippamutterilla (5/16tuumaa) kuvan mukaisesti (Figure 10).

Asenna eturistituki lyssti etulevyihin ja kulmatukiin neljll lukkopultilla (5/161-3/4tuumaa) ja neljll laippamutterilla (5/16tuumaa) kuvan mukaisesti (Figure 11).
Asenna etutuki eturistitukeen kahdella kuusiolaippapultilla (1-tuumaa) ja kahdella laippamutterilla (tuumaa) kuvan mukaisesti (Figure 11).

Kirist kaikki lyst kiinnikkeet.
Asenna kaksi katon tukikannatinta ristiputkiin kahdella itsekierteittvll ruuvilla (1/41/2tuumaa) kuvan mukaisesti (Figure 12).

Aseta hikisysuoja alas.
Kyt mallina katon tukikannattimen ylosassa olevaa reik ja poraa 7,9mm:n (5/16tuuman) reik hikisysuojan molemmille puolille (Figure 13).

Asenna hikisysuoja katon tukikannattimeen kahdella kiinnikkeell, kahdella tiivistealuslaatalla ja kahdella kuusiolaippapultilla (1/41tuumaa) kuvan mukaisesti (Figure 14).

Asenna hikisysuoja etulevyihin kahdella kiinnikkeell, kahdella tiivistealuslaatalla ja kahdella kuusiolaippapultilla (1/41tuumaa) kuvan mukaisesti (Figure 15).
Important: Lis kierrelukitetta kuusiolaippapultteihin (1/41tuumaa) ennen asennusta.

Asenna hikisysuoja takaristitukeen kahdella kuusiolaippapultilla (1/41tuumaa), kahdella tiivistealuslaatalla, kahdella kitka-aluslaatalla, neljll muovialuslaatalla ja kahdella laippaholkilla (Figure 16).
Important: Lis kierrelukitetta kuusiolaippapultteihin (1/41tuumaa) ennen asennusta.
Important: Varmista, ett muovialuslaatat asennetaan hikisysuojan yl- ja alaosaan, sill nin ehkistn hikisysuojan vaurioituminen.

Kytke akku. Listietoja on kyttoppaassa.