CALIFORNIA
Proposition 65 Warning
Ce produit contient une ou des substances chimiques considérées par l'état de Californie comme capables de provoquer des cancers, des anomalies congénitales ou d'autres troubles de la reproduction.
Garez la machine sur un sol plat et horizontal.
Serrez le frein de stationnement.
Coupez le moteur et enlevez la cl de contact.
Enlevez les siges.
Dbranchez la batterie; voir le Manuel de l'utilisateur.
Levez le plateau de chargement en position dchargement et bloquez-le en position avec la bquille.
Pièces nécessaires pour cette opération:
| Support anse gauche | 1 |
| Support anse droit | 1 |
| Tube | 2 |
| Support de pare-brise gauche | 1 |
| Support de pare-brise droit | 1 |
| Plaque arrire gauche | 1 |
| Plaque arrire droite | 1 |
| Plaque avant gauche | 1 |
| Plaque avant droite | 1 |
| Gousset d'angle gauche | 1 |
| Gousset d'angle droit | 1 |
| Tube de liaison transversale arrire | 1 |
| Tube de liaison transversale avant | 1 |
| Plaque d'appui | 2 |
| Tube de liaison transversale | 2 |
| crou embase (5/16") | 38 |
| crou embase (") | 4 |
| Boulon de carrosserie (5/16"x1") | 20 |
| Boulon embase hexagonale ("x1") | 4 |
| crou embase (") | 4 |
| Boulon embase hexagonale (5/16"x1") | 2 |
| Boulon de carrosserie (5/16"x1") | 4 |
| Clip | 4 |
| Pare-soleil | 1 |
| Rondelle d'tanchit | 6 |
| Boulon embase hexagonale ("x1") | 6 |
| Entretoise (9/32"x") | 2 |
| Rondelle plate | 2 |
| Boulon tte hexagonale ("x2") | 2 |
| Plaque de montage | 2 |
| Boulon de carrosserie (5/16"x2") | 8 |
| Rondelle en plastique | 4 |
| Douille embase | 2 |
| Rondelle de frottement | 2 |
| Boulon de carrosserie (5/16"x") | 4 |
| Support de pavillon | 2 |
| Vis autotaraudeuse ("x") | 2 |
| Support avant | 1 |
| Boulon embase hexagonale ("x1") | 2 |
Note: Sauf indication contraire, ne serrez pas les fixations.
Montez le support anse gauche comme suit:
Enlevez le rivet du panneau gauche derrire le socle du sige arrire (Figure 1).
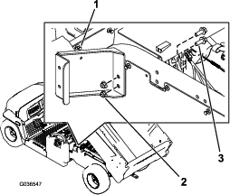
Montez le support anse gauche au moyen de 2 boulons embase hexagonale ("x1") et 2 crous ("), comme montr la Figure 1.

Fixez le support derrire le socle du sige arrire l'aide de 1 boulon embase hexagonale ("x2"), 1 rondelle plate (5/16"), 1 entretoise (9/32"x") et 1 crou embase ("), comme montr la Figure 2.

Rptez cette procdure pour monter le support anse droit sur le ct droit de la machine.
En vous aidant des dimensions indiques la Figure 3, percez 2 trous (5/16") l'extrieur du panneau de plancher sur les cts droit et gauche de la machine.

En vous aidant des dimensions indiques la Figure 4, percez 1 trou (5/16") l'extrieur du repose-pied sur les cts droit et gauche de la machine.

Fixez la patte centrale du support de pare-brise la machine en insrant 2 boulons embase hexagonale (5/16"x1") et 2 crous (5/16") dans les trous que vous avez percs (Figure 5).

Fixez la patte infrieure du support de pare-brise au ct gauche de la machine en insrant 4 boulons embase hexagonale (5/16"x1") et 4 crous (5/16") dans les trous que vous avez percs l'opration 2 (Figure 6).

Fixez lgrement les tubes arrire aux supports anse arrire l'aide de 8 boulons de carrosserie (5/16"x2"), 2 plaques de montage et 8 crous (5/16"), comme montr la Figure 7.

Fixez lgrement les plaques arrire gauche et droite aux tubes l'aide de 4 boulons de carrosserie (5/16"x1"), 2 plaques d'appui et 4 crous embase (5/16"), comme montr la Figure 8.

Fixez lgrement les plaques avant gauche et droite et les goussets d'angle aux tubes de liaison transversales, et les supports de pare-brise gauche et droit l'aide de 8 boulons de carrosserie (5/16"x1") et 8 crous embase (5/16"), comme montr la Figure 9.

Fixez lgrement la liaison transversale arrire aux tubes et aux plaques arrire l'aide de 4 boulons de carrosserie (5/16"x1"), 4 boulons de carrosserie (5/16"x") et 8 crous embase (5/16"), comme montr la Figure 10.

Fixez lgrement la liaison transversale avant aux plaques avant et aux goussets d'angle l'aide de 4 boulons de carrosserie (5/16"x1") et 4 crous embase (5/16"), comme montr la Figure 11.
Fixez le support avant la liaison transversale avant l'aide de 2 boulons embase hexagonale ("x1") et 2 crous embase ("), comme montr la Figure 11.

Serrez toutes les fixations qui en ont besoin.
Fixez les 2 supports de pavillon aux tubes de liaison transversale l'aide de 2 vis autotaraudeuses ("x"), comme montr la Figure 12.

Abaissez le pare-soleil.
En vous servant du trou dans le haut du support de pavillon comme gabarit, percez un trou de 7,9mm de chaque ct du pare-soleil (Figure 13).

Fixez le pare-soleil au support de pavillon l'aide de 2 clips, 2 rondelles d'tanchit et 2 boulons embase hexagonale ("x1"), comme montr la Figure 14.

Fixez le pare-soleil aux plaques avant l'aide de 2 clips, 2 rondelles d'tanchit et 2 boulons embase hexagonale ("x1"), comme montr la Figure 15.
Important: Appliquez du frein-filet sur les boulons embase hexagonale ("x1") avant de les mettre en place.

Fixez le pare-soleil la liaison transversale arrire l'aide de 2 boulons embase hexagonale ("x1"), 2 rondelles de frottement, 4 rondelles en plastique et 2 douilles embase (Figure 16).
Important: Appliquez du frein-filet sur les boulons embase hexagonale ("x1") avant de les mettre en place.
Important: Montez les rondelles en plastique en haut et en bas du pare-soleil pour protger le pare-soleil des dommages.

Branchez la batterie; voir le Manuel de l'utilisateur.