CALIFORNIA
Proposition 65 Warning
Dette produkt indeholder et eller flere kemikalier, der ifølge staten Californien er kræftfremkaldende og giver medfødte defekter eller forplantningsskader.
Parker maskinen p en plan flade.
Aktiver parkeringsbremsen.
Sluk motoren, og tag nglen ud.
Afmonter sderne.
Frakobl batteriet. Se betjeningsvejledningen.
Hv ladet til aflsningspositionen, og fastgr det med stttepinden.
Dele, der skal bruges til dette trin:
| Venstre sljfebeslag | 1 |
| Hjre sljfebeslag | 1 |
| Rr | 2 |
| Venstre forrudesttte | 1 |
| Hjre forrudesttte | 1 |
| Venstre, bageste plade | 1 |
| Hjre, bageste plade | 1 |
| Venstre frontplade | 1 |
| Hjre frontplade | 1 |
| Venstre hjrnebeslag | 1 |
| Hjre hjrnebeslag | 1 |
| Bageste krydsforbindelse | 1 |
| Forreste krydsforbindelse | 1 |
| Bagplade | 2 |
| Krydsforbindelsesrr | 2 |
| Flangemtrik (5/16") | 38 |
| Flangemtrik (") | 4 |
| Brddebolt (5/16"x1") | 20 |
| Sekskantet flangebolt (3/8x 1tomme) | 4 |
| Flangemtrik (") | 4 |
| Sekskantet flangebolt (5/16x 1tomme) | 2 |
| Brddebolt (5/16x 1tomme) | 4 |
| Klemme | 4 |
| Solskrm | 1 |
| Forseglingsskive | 6 |
| Sekskantet flangebolt (1/4x 1tomme) | 6 |
| Afstandsbsning (9/32x 5/8tomme) | 2 |
| Flad skive | 2 |
| Sekskantbolt (x 2") | 2 |
| Monteringsplade | 2 |
| Brddebolt (5/16x 2tommer) | 8 |
| Plastikskive | 4 |
| Flangebsning | 2 |
| Friktionsskive | 2 |
| Brddebolt (5/16" x ") | 4 |
| Tagstttebeslag | 2 |
| Selvskrende skrue (1/4x 1/2tomme) | 2 |
| Forreste sttte | 1 |
| Sekskantet flangebolt ("x 1") | 2 |
Note: Stram ikke nogen fastgrelsesanordninger, undtagen nr du bliver bedt om det.
Monter venstre sljfebeslag som flger:
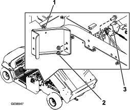
Fjern nitten fra venstre panel bag den bageste sdeplade (Figure 1).
Monter venstre sljfebeslag med to sekskantede flangebolte (3/8x 1tomme) og to mtrikker (3/8tomme) som vist i Figure 1.

Fastgr beslaget bag den bageste sdeplade med en bolt ("x 2"), en flad spndeskive (5/16"), en afstandsbsning (9/32"x 5/8") og en mtrik (") som vist i Figure 2.

Gentag dette trin for at montere det hjre sljfebeslag p maskinens hjre side.
Brug mlene vist i Figure 3, og bor to huller (5/16 tomme) i ydersiden af gulvpladen p venstre og hjre side af maskinen.

Brug mlene vist i Figure 4, og bor et hul (5/16 tomme) i ydersiden af trinbrttet p venstre og hjre side af maskinen.

Fastgr det midterste beslag p forrudesttten til maskinen med 2 sekskantede flangebolte (5/16x 1tomme) og 2 mtrikker (5/16tomme) i de huller, du borede (Figure 5).

Fastgr det nederste beslag p forrudesttten til venstre side af maskinen med fire brddebolte (5/16x 1tomme) og fire flangemtrikker (5/16tomme) i de huller, du borede i trin2 (Figure 6).

Fastgr de bageste rr lst p de bageste sljfebeslag med otte brddebolte (5/16 x 2 tommer), to monteringsplader og otte mtrikker (5/16 tomme) som vist i Figure 7.

Fastgr de bageste monteringsplader til venstre og hjre lst p rrene med fire brddebolte (5/16 x 1-3/4 tomme), to bagplader og fire flangemtrikker (5/16 tomme) som vist i Figure 8.

Fastgr venstre og hjre frontplade og hjrnebeslagene lst p krydsforbindelsesrrene og venstre og hjre forrudesttte med otte brddebolte (5/16" x 1") og otte flangemtrikker (5/16") som vist i Figure 9.

Fastgr den bageste krydsforbindelse lst p krydsforbindelsesrrene og de bageste plader med fire brddebolte (5/16 x 1-3/4 tomme), fire brddebolte (5/16 x 3/4 tomme) og otte flangemtrikker (5/16 tomme) som vist i Figure 10.

Fastgr den forreste krydsforbindelse lst p frontpladerne og hjrnebeslagene med fire brddebolte (5/16 x 1-3/4 tomme) og fire flangemtrikker (5/16 tomme) som vist i Figure 11.
Fastgr den forreste sttte p den forreste krydsforbindelse med 2 sekskantede flangebolte (" x 1") og 2 flangemtrikker (") som vist i Figure 11.

Tilspnd alle lse fastgrelsesanordninger.
Fastgr de to tagstttebeslag p krydsforbindelsesrrene med to selvskrende skruer (1/4 x 1/2 tomme) som vist i Figure 12.

St solskrmen ned.
Brug hullet i toppen af tagstttebeslaget som skabelon, og bor et hul p 7,9 mm (5/16 tomme) p hver side af solskrmen (Figure 13).

Monter solskrmen p tagstttebeslaget med to clips, to forseglingsskiver og to sekskantede flangebolte (1/4 x 1 tomme) som vist i Figure 14.

Fastgr solskrmen p frontpladerne med to clips, to forseglingsskiver og to sekskantede flangebolte (1/4 x 1 tomme) som vist i Figure 15.
Important: Pfr gevindlseklbemiddel p de sekskantede flangebolte (1/4 x 1 tomme) inden montering.

Fastgr solskrmen p den bageste krydsforbindelse med to sekskantede flangebolte (1/4 x 1 tomme), to forseglingsskiver, to friktionsskiver, fire plastikskiver og to flangebsninger (Figure 16).
Important: Pfr gevindlseklbemiddel p de sekskantede flangebolte (1/4 x 1 tomme) inden montering.
Important: Srg for, at plastikskiverne er fastgjort p toppen og bunden af solskrmen, da dette forhindrer beskadigelse af solskrmen.

Tilslut batteriet. Se betjeningsvejledningen.