CALIFORNIA
Proposition 65 Warning
Este producto contiene una o más sustancias químicas que el Estado de California considera causantes de cáncer, defectos congénitos o trastornos del sistema reproductor.
Aparque la mquina en una superficie nivelada.
Accione el freno de estacionamiento.
Apague el motor y retire la llave.
Retire los asientos.
Desconecte la batera; consulte el Manual del operador.
Eleve la plataforma de carga a la posicin de volcado y sujtela con la varilla de sujecin.
Piezas necesarias en este paso:
| Soporte de bucle izquierdo | 1 |
| Soporte de bucle derecho | 1 |
| Tubo | 2 |
| Apoyo de parabrisas izquierdo | 1 |
| Montante derecho del parabrisas | 1 |
| Placa trasera, izquierda | 1 |
| Placa trasera, derecha | 1 |
| Placa delantera, izquierda | 1 |
| Placa delantera, derecha | 1 |
| Refuerzo de esquina izquierdo | 1 |
| Refuerzo de esquina derecho | 1 |
| Enlace transversal trasero | 1 |
| Enlace transversal delantero | 1 |
| Chapa de refuerzo | 2 |
| Tubo de enlace transversal | 2 |
| Tuerca con arandela prensada (5/16") | 38 |
| Tuerca con arandela prensada (") | 4 |
| Perno de cuello cuadrado (5/16" x 1") | 20 |
| Perno hexagonal con arandela prensada (" x 1") | 4 |
| Tuerca con arandela prensada (") | 4 |
| Perno hexagonal con arandela prensada (5/16" x 1") | 2 |
| Perno de cuello cuadrado (5/16" x 1") | 4 |
| Abrazadera | 4 |
| Toldo | 1 |
| Arandela sellante | 6 |
| Perno hexagonal con arandela prensada (" x 1") | 6 |
| Espaciador (9/32" x ") | 2 |
| Arandela plana | 2 |
| Perno de cabeza hexagonal (" x 2") | 2 |
| Placa de montaje | 2 |
| Perno de cuello cuadrado (5/16" x 2") | 8 |
| Arandela de plstico | 4 |
| Casquillo con brida | 2 |
| Arandela de friccin | 2 |
| Perno de cuello cuadrado (5/16" x ") | 4 |
| Soporte del techo | 2 |
| Tornillo autorroscante (" x ") | 2 |
| Soporte delantero | 1 |
| Perno hexagonal con arandela prensada (" x 1") | 2 |
Note: No apriete las fijaciones excepto cuando se le indique.
Instale el soporte de bucle como se indica a continuacin:
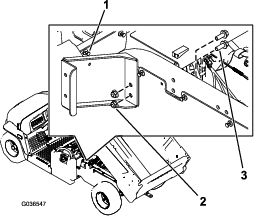
Retire el remache del panel izquierdo detrs de la base del asiento trasero (Figure 1).
Instale el soporte de bucle izquierdo con 2 pernos hexagonales con arandela prensada ("x1") y 2 tuercas ("), tal y como se muestra en la Figure 1.

Sujete el soporte detrs de la base del asiento trasero con 1 perno (" x 2"), 1 arandela plana (5/16"), 1 espaciador (9/32" x ") y 1 tuerca con arandela prensada ("), tal y como se muestra en la Figure 2.

Repita este paso para instalar el soporte de bucle derecho en la parte derecha de la mquina.
Con las dimensiones mostradas en Figure 3, realice 2 taladros (5/16") en la parte exterior de la chapa del suelo en los laterales derecho e izquierdo de la mquina.

Con las dimensiones mostradas en Figure 4, realice 1 taladro (5/16") en la parte exterior de la placa del suelo en los laterales derecho e izquierdo de la mquina.

Fije el soporte del medio del apoyo del parabrisas a la mquina con 2 pernos hexagonales con arandela prensada (5/16" x 1") y 2 tuercas (5/16") en los taladros que ha realizado (Figure 5).

Fije el soporte inferior del apoyo del parabrisas a la izquierda de la mquina con 4 pernos de cuello cuadrado (5/16" x 1") y 4 tuercas con arandela prensada (5/16") en los taladros que ha realizado en el paso 2 (Figure 6).

Instale provisionalmente los tubos traseros a los soportes de bucle traseros con 8 pernos de cuello cuadrado (5/16" x 2"), 2 placas de montaje y 8 tuercas (5/16"), tal y como muestra en la Figure 7.

Instale provisionalmente las placas traseras derecha e izquierda a los tubos con 4 pernos de cuello cuadrado (5/16" x 1"), 2 chapas de refuerzo y 4 tuercas con arandela prensada (5/16"), tal y como muestra en la Figure 8.

Instale provisionalmente las placas traseras derecha e izquierda y los refuerzos de esquina a los tubos de enlace transversal y los apoyos del parabrisas derecho e izquierdo con 8 pernos de cuello cuadrado (5/16" x 1") y 8 tuercas con arandela prensada (5/16"), tal y como muestra en la Figure 9.

Instale provisionalmente el enlace transversal trasero a los tubos de enlace transversal y las placas traseras con 4 pernos de cuello cuadrado (5/16" x 1"), 4 pernos de cuello cuadrado (5/16" x ") y 8 tuercas con arandela prensada (5/16"), tal y como muestra en la Figure 10.

Fije provisionalmente el enlace transversal delantero a las placas delanteras y a los refuerzos de esquina con 4 pernos de cuello cuadrado (5/16" x 1") y 4 tuercas con arandela prensada (5/16"), tal y como se muestra en la Figure 11.
Fije el soporte delantero al enlace transversal con 2 pernos hexagonales con arandela prensada (" x 1") y 2 tuercas con arandela prensada ("), tal y como se muestra en la Figure 11.

Apriete todas las fijaciones sueltas.
Instale los 2 soportes de techo a los tubos de enlace transversal con 2 tornillos autorroscantes (" x "), tal y como se muestra en la Figure 12.

Baje el toldo.
Usando como plantilla el taladro de la parte superior del soporte del techo, perfore un taladro de 7,9mm en cada lado del toldo (Figure 13).

Instale el toldo en el soporte del techo con 2 clips, 2 arandelas sellantes y 2 pernos hexagonales con arandela prensada (" x 1"), tal y como se muestra en Figure 14.

Instale el toldo a las placas delanteras con 2 abrazaderas, 2 arandelas sellantes y 2 pernos hexagonales con arandela prensada (" x 1"), tal y como se muestra en Figure 15.
Important: Aplique sellador de roscas a los pernos hexagonales con arandela prensada (" x 1") antes de la instalacin.

Instale el toldo en el enlace transversal trasero con 2 pernos hexagonales con arandela prensada (" x 1"), 2 arandelas sellantes, 2 arandelas de friccin, 4 arandelas de plstico y 2 casquillos con brida (Figure 16).
Important: Aplique sellador de roscas a los pernos hexagonales con arandela prensada (" x 1") antes de la instalacin.
Important: Asegrese de que las arandelas de plstico estn instaladas en la parte superior e inferior del toldo, ya que esto evita daos en el toldo.

Conecte la batera; consulte el Manual del operador.