CALIFORNIA
Proposition 65 Warning
Dette produktet inneholder et kjemikalie eller kjemikalier som staten California vet forårsaker kreft, fødselsdefekter eller forplantningsskade.
Parker maskinen p en jevn flate.
Sett p parkeringsbremsen.
Sl av motoren og ta ut nkkelen.
Ta ut setene.
Koble fra batteriet. Se brukerhndboken.
Hev lasteplanet til tmmeposisjon, og fest det med stttestangen.
Deler som er nødvendige for dette trinnet:
| Venstre bylebrakett | 1 |
| Hyre bylebrakett | 1 |
| Rr | 2 |
| Venstre frontrutesttte | 1 |
| Hyre frontrutesttte | 1 |
| Venstre bakplate | 1 |
| Hyre bakplate | 1 |
| Venstre frontplate | 1 |
| Hyre frontplate | 1 |
| Venstre hjrnebeslag | 1 |
| Hyre hjrnebeslag | 1 |
| Bakre tverrbinding | 1 |
| Fremre tverrbinding | 1 |
| Bakplate | 2 |
| Tverrbindingsrr | 2 |
| Flensmutter (5/16tomme) | 38 |
| Flensmutter (1/4tomme) | 4 |
| Lsebolt (5/16x 1tomme) | 20 |
| Flensbolt med sekskanthode (3/8x 1tomme) | 4 |
| Flensmutter (tomme) | 4 |
| Flensbolt med sekskanthode (5/16x 1tomme) | 2 |
| Lsebolt (5/16x 1tomme) | 4 |
| Klemme | 4 |
| Solskjerm | 1 |
| Tetningsskive | 6 |
| Flensbolt med sekskanthode (1/4x 1tomme) | 6 |
| Avstandsstykke (9/32x 5/8tomme) | 2 |
| Flat skive | 2 |
| Sekskantbolt (1/4x 2-1/2tommer) | 2 |
| Monteringsplate | 2 |
| Lsebolt (5/16x 2tommer) | 8 |
| Plastskive | 4 |
| Flensfring | 2 |
| Spennskive | 2 |
| Lsebolt (5/16x 3/4tomme) | 4 |
| Takstttebrakett | 2 |
| Selvgjengende skrue (1/4x 1/2tomme) | 2 |
| Fremre sttte | 1 |
| Flensbolt med sekskanthode (x1tomme) | 2 |
Note: Ikke stram alle festene unntatt nr det er angitt.
Monter den venstre bylebraketten som flger:
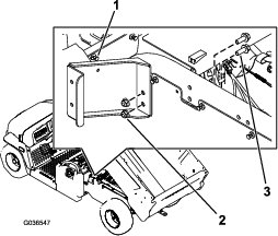
Fjern naglen fra venstre panel bak den bakre setebasen (Figure 1).
Monter den venstre bylebraketten med to flensbolter med sekskanthode (3/8x 1tomme) og to muttere (3/8tomme) som vist i Figure 1.

Fest braketten bak den bakre setebasen med n sekskantbolt (1/4x 2-1/2tomme), n flat skive (5/16tomme), ett avstandsstykke (9/32x 5/8tomme) og n flensmutter (1/4tomme) som vist i Figure 2.

Gjenta dette for montere den hyre bylebraketten p hyre side av maskinen.
Bruk mlene vist i Figure 3 til bore to hull (5/16tomme) i utsiden av gulvplaten p venstre og hyre side av maskinen.

Bruk mlene vist i Figure 4 til bore ett hull (5/16tomme) i utsiden av fotbrettet p venstre og hyre side av maskinen.

Fest den midtre braketten p frontrutesttten til maskinen med to flensbolter med sekskanthode (5/16x 1tomme) og to muttere (5/16tomme) i hullene du boret (Figure 5).

Fest den nedre braketten p frontrutesttten til venstre side av maskinen med fire lsebolter (5/16x 1tomme) og fire flensmuttere (5/16tomme) i hullene du boret i trinn2 (Figure 6).

Monter de bakre slangene lst til de bakre bylebrakettene med tte lsebolter (5/16x 2tommer), to monteringsplater og tte muttere (5/16tomme) som vist i Figure 7.

Monter venstre og hyre bakplater lst til rrene med fire lsebolter (5/16x 1-3/4tomme), to festeplater og fire flensmuttere (5/16tomme) som vist i Figure 8.

Monter venstre og hyre frontplater og hjrnebeslag lst til tverrbindingsrrene og venstre og hyre frontrutesttter med tte lsebolter (5/16x 1-3/4tommer) og tte flensmuttere (5/16tomme) som vist i Figure 9.

Monter den bakre tverrbindingen lst til tverrbindingsrrene og bakplatene med fire lsebolter (5/16x 1-3/4tommer), fire lsebolter (5/16x 3/4tomme) og tte flensmuttere (5/16tomme) som vist i Figure 10.

Monter fremre tverrbinding lst til frontplatene og hjrnebeslagene med fire lsebolter (5/16x 13/4tomme) og fire flensmuttere (5/16tomme) som vist i Figure 11.
Monter den fremre sttten til fremre tverrbinding med 2 flensbolter med sekskanthode (x1tommer) og 2 flensmuttere (tomme) som vist i Figure 11.

Stram til alle de lse festene.
Monter de to takstttebrakettene til tverrbindingsrrene med to selvgjengende skruer (1/4x 1/2tomme) som vist i Figure 12.

Sett solskjermen ned.
Bruk hullet i toppen av takstttebraketten som mal, og bor et 7,9 mm (5/16 tomme) hull p hver side av solskjermen (Figure 13).

Monter solskjermen til frontplatene med to klemmer, to forseglingsskiver og to flensbolter med sekskanthode (1/4x 1tomme) som vist i Figure 14.

Monter solskjermen til frontplatene med to klemmer, to forseglingsskiver og to flensbolter med sekskanthode (1/4x 1tomme) som vist i Figure 15.
Important: Pfr gjengeforseglermiddel til flensboltene med sekskanthode (1/4x 1tomme) fr montering.

Monter solskjermen til den bakre tverrbindingen med to flensbolter med sekskanthode (1/4 x 1 tomme), to forseglingsskiver, to spennskiver, fire plastskiver og to flensfringer (Figure 16).
Important: Pfr gjengeforseglermiddel til flensboltene med sekskanthode (1/4x 1tomme) fr montering.
Important: Pse at plastskivene er montert p toppen og bunnen av solskjermen, da dette forhindrer skade p solskjermen.

Koble til batteriet. Se brukerhndboken.