CALIFORNIA
Proposition 65 Warning
Dieses Produkt enthält eine Chemikalie oder Chemikalien, die laut den Behörden des Staates Kalifornien krebserregend wirken, Geburtsschäden oder andere Defekte des Reproduktionssystems verursachen.
Stellen Sie die Maschine auf einer ebenen Flche ab.
Aktivieren Sie die Feststellbremse.
Stellen Sie den Motor ab und ziehen Sie den Zndschlssel ab.
Entfernen Sie die Sitze.
Schlieen Sie die Batterie ab, siehe Bedienungsanleitung.
Heben Sie die Ladepritsche an und sttzen sie mit der Sttzstange ab.
Für diesen Arbeitsschritt erforderliche Teile:
| Linke Schleifenhalterung | 1 |
| Rechte Schleifenhalterung | 1 |
| Rohr | 2 |
| Linke Windschutzscheibensttze | 1 |
| Rechte Windschutzscheibensttze | 1 |
| Hintere Platte, links | 1 |
| Hintere Platte, rechts | 1 |
| Vordere Platte, links | 1 |
| Vordere Platte, rechts | 1 |
| Linke Eckenverstrkung | 1 |
| Rechte Eckenverstrkung | 1 |
| Hintere Querverbindung | 1 |
| Vordere Querverbindung | 1 |
| Sttzplatte | 2 |
| Querverbindungsrohr | 2 |
| Bundmutter (5/16") | 38 |
| Bundmutter (") | 4 |
| Schlossschraube (5/16"x1") | 20 |
| Sechskantschraube mit Flansch ("x1") | 4 |
| Bundmutter (") | 4 |
| Sechskantschraube mit Flansch (5/16"x1") | 2 |
| Schlossschraube (5/16"x1") | 4 |
| Clip | 4 |
| Sonnendach | 1 |
| Dichtungsscheibe | 6 |
| Sechskantschraube mit Flansch ("x1") | 6 |
| Distanzstck (9/32"x") | 2 |
| Flachscheibe | 2 |
| Sechskantschraube ("x2") | 2 |
| Befestigungsplatte | 2 |
| Schlossschraube (5/16"x2") | 8 |
| Kunststoffscheibe | 4 |
| Bundbchse | 2 |
| Reibscheibe | 2 |
| Schlossschraube (5/16"x") | 4 |
| Dachsttzhalterung | 2 |
| Blechschraube (x") | 2 |
| Vordere Sttze | 1 |
| Sechskantschraube mit Flansch ("x1") | 2 |
Note: Ziehen Sie die Befestigungen erst fest, wenn Sie dazu aufgefordert werden.
Befestigen Sie die linke Schleifenhalterung wie folgt:
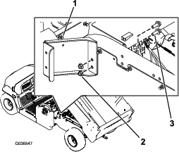
Entfernen Sie die Niete von der linken Platte hinter dem Rcksitzunterteil (Figure 1).
Befestigen Sie die linke Schleifenhalterung mit zwei Sechskantschrauben mit Flansch ("x1") und zwei Muttern ("), wie in Figure 1 abgebildet.

Befestigen Sie die Halterung mit einer Sechskantschraube ("x2"), einer Flachscheibe (5/16"), einem Distanzstck (9/32"x") und einer Bundmutter (") hinter dem hinteren Sitzunterteil, wie in Figure 2 abgebildet.

Wiederholen Sie diesen Schritt fr den Einbau der rechten Schleifenhalterung an der rechten Seite der Maschine.
Verwenden Sie die in Figure 3 abgebildeten Abmessungen und bohren Sie zwei 5/16" groe Lcher in die Auenseite der Bodenplatte an der linken und rechten Seite der Maschine.

Verwenden Sie die in Figure 4 abgebildeten Abmessungen und bohren Sie ein 5/16" groes Loch in die Auenseite des Trittbretts an der linken und rechten Seite der Maschine.

Befestigen Sie die mittlere Halterung der Windschutzscheibensttze mit zwei Sechskantschrauben mit Flansch (5/16"x1") und zwei Muttern (5/16") in den Bohrlchern an der Maschine (Figure 5).

Befestigen Sie die untere Halterung der Windschutzscheibensttze mit vier Schlossschrauben (5/16"x1") und vier Bundmuttern (5/16") in den in Schritt2 gebohrten Lchern an der linken Seite der Maschine (Figure 6).

Befestigen Sie die hinteren Rohre lose mit acht Schlossschrauben (5/16"x2"), zwei Befestigungsplatten und acht Muttern (5/16") an den hinteren Schleifenhalterungen, wie in Figure 7 abgebildet.

Befestigen Sie die hinteren Platten an der linken und rechten Seite lose mit vier Schlossschrauben (5/16"x1"), zwei Sttzplatten und vier Bundmuttern (5/16") an den Rohren, wie in Figure 8 abgebildet.

Befestigen Sie die linke und rechte Platte vorne und die Eckenverstrkungen lose mit acht Schlossschrauben (5/16"x1") und acht Bundmuttern (5/16") an den Querverbindungsrohren und den linken und rechten Windschutzscheibensttzen, wie in Figure 9 abgebildet.

Befestigen Sie die hintere Querverbindung lose mit vier Schlossschrauben (5/16"x1"),vier Schlossschrauben (5/16"x") und acht Bundmuttern (5/16") an den Querverbindungsrohren und den hinteren Platten, wie in Figure 10 abgebildet.

Befestigen Sie die vordere Querverbindung lose mit vier Schlossschrauben (5/16"x1") und vier Bundmuttern (5/16") an den vorderen Platten und den Eckenverstrkungen, wie in Figure 11 abgebildet.
Befestigen Sie die vordere Sttze mit zwei Sechskantschrauben mit Flansch ("x1") und zwei Bundmuttern (") an der vorderen Querverbindung, wie in Figure 11 abgebildet.

Ziehen Sie alle losen Befestigungen an.
Befestigen Sie die zwei Dachsttzhalterungen mit zwei Blechschrauben ("x") an den Querverbindungsrohren, wie in Figure 12 abgebildet.

Stelen Sie das Sonnendach ab.
Verwenden Sie das Loch an der Oberseite der Dachsttzhalterung als Bohrschablone und bohren Sie ein Loch mit 7,9mm Durchmesser auf jeder Seite des Sonnendachs (Figure 13).

Befestigen Sie das Sonnendach mit zwei Clips, zwei Dichtungsscheiben und zwei Sechskantschrauben mit Flansch ("x1") an den Dachsttzhalterungen, wie in Figure 14 dargestellt.

Befestigen Sie das Sonnendach mit zwei Clips, zwei Dichtungsscheiben und zwei Sechskantschrauben mit Flansch ("x1") an den vorderen Platten, wie in Figure 15 abgebildet.
Important: Tragen Sie vor dem Einsetzen Gewindesperrmittel auf die Sechskantschrauben mit Flansch ("x1") auf.

Befestigen Sie das Sonnendach mit zwei Sechskantschrauben mit Flansch ("x1"), zwei Dichtungsscheiben, zwei Reibscheiben, vier Kunststoffscheiben und zwei Bundbchsen an der hinteren Querverbindung (Figure 16).
Important: Tragen Sie vor dem Einsetzen Gewindesperrmittel auf die Sechskantschrauben mit Flansch ("x1") auf.
Important: Stellen Sie sicher dass die Kunststoffscheiben unten und oben auf dem Sonnendach aufgelegt sind, um eine Beschdigung des Sonnendaches zu verhindern.

Schlieen Sie die Batterie an, siehe Bedienungsanleitung.