| Intervalo de assistência | Procedimento de manutenção |
|---|---|
| A cada 50 horas |
|
| A cada 400 horas |
|
A plataforma de corte de relva com lâmina rotativa é montada em máquinas com transporte de utilizador e destina-se a ser utilizada por operadores profissionais contratados em aplicações comerciais. Foi principalmente concebida para cortar a relva em parques, campos desportivos e relvados comerciais bem mantidos. Não foi concebida para cortar arbustos.
Important: Para maximizar a segurança, o desempenho e o funcionamento adequado da máquina, leia atentamente e compreenda o conteúdo deste Manual do Utilizador. Se desrespeitar estas instruções de funcionamento ou a inexistência de formação adequada, a possibilidade de ferimentos pode surgir. Para mais informações sobre as práticas de funcionamento seguro, incluindo dicas de segurança e materiais de formação, consulte www.Toro.com.
Pode contactar a Toro diretamente através do site www.toro.com para obter informações sobre produtos e acessórios, para obter o contacto de um representante ou para registar o seu produto.
Sempre que necessitar de assistência, peças genuínas Toro ou informações adicionais, entre em contacto com um representante de assistência autorizado ou com o serviço de assistência Toro, indicando os números de modelo e de série do produto. A Figura 1 mostra onde se encontram os números de série e modelo do produto. Escreva os números no espaço fornecido.
Important: Com o seu dispositivo móvel, pode ler o código QR no autocolante do número de série (se equipado) para aceder à garantia, peças e outras informações do produto.

Este manual identifica potenciais perigos e tem mensagens de segurança identificadas pelo símbolo de alerta de segurança (Figura 2), que sinaliza um perigo que pode provocar ferimentos graves ou mesmo a morte, se não respeitar as precauções recomendadas.

Este manual utiliza duas palavras para destacar informações. Importante chama atenção para informações especiais de ordem mecânica e Nota sublinha informações gerais que requerem especial atenção.
Este produto cumpre todas as diretivas europeias relevantes. Para mais informações, consulte a Declaração de incorporação (DOI) no verso desta publicação.
CALIFÓRNIA
Proposição 65 Aviso
É do conhecimento do Estado da Califórnia que a utilização deste produto pode causar exposição a químicos que podem provocar cancro, defeitos congénitos ou outros problemas reprodutivos.
Esta máquina foi concebida de acordo com a norma EN ISO 5395-3:2013 e ANSI B71.4-2017.
Este produto é capaz de amputar mãos e pés e projetar objetos. Respeite sempre todas as instruções de segurança, de modo a evitar ferimentos pessoais graves.
Se a máquina for utilizada para um fim diferente da sua utilização prevista, poderá pôr em perigo o utilizador e outras pessoas.
Leia e compreenda o conteúdo deste manual do utilizador antes de ligar o motor.
Tenha toda a atenção durante a operação da máquina. Não faça qualquer atividade que cause distrações; caso contrário, podem ocorrer ferimentos ou danos materiais.
Não coloque as mãos ou os pés perto de componentes em movimento da máquina.
Não opere a máquina sem que todos os resguardos e outros dispositivos protetores de segurança estejam instalados e a funcionar.
Mantenha-se afastado de qualquer abertura de descarga. Mantenha as pessoas e animais a uma distância segura da máquina.
Mantenha as crianças afastadas da área de operação. Nunca permita que crianças utilizem a máquina.
Estacione a máquina numa superfície nivelada, desça as unidades de corte, desengate as transmissões, engate o travão de estacionamento (se equipado), desligue o motor e retire a chave antes de sair da posição do operador seja por que motivo for.
A utilização ou manutenção inadequada desta máquina pode provocar ferimentos. De modo a reduzir o risco de ferimentos, deverá respeitar estas instruções de segurança e prestar sempre atenção ao símbolo de alerta de segurança, que indica Cuidado, Aviso ou Perigo – instrução de segurança pessoal. O não cumprimento destas instruções pode resultar em ferimentos pessoais ou mesmo em morte.
Pode encontrar tópicos adicionais das informações de segurança nas respetivas secções ao longo deste Manual do utilizador.
Leia atentamente o Manual do utilizador da unidade de tração e o restante material de formação. Familiarize-se com os controlos, sinais de segurança e com a utilização apropriada do equipamento. Se o utilizador ou mecânico não compreender o idioma do manual, compete ao proprietário a tarefa de lhes transmitir essas informações.
Familiarize-se com o funcionamento seguro do equipamento, com os controlos do utilizador e com os sinais de segurança.
O proprietário/operador pode prevenir e é responsável por acidentes que possam causar ferimentos pessoais ou danos materiais.
Use vestuário adequado, incluindo proteção para os olhos, calçado resistente antiderrapante, calças compridas e proteção para os ouvidos. Prenda cabelo comprido e não use joias pendentes.
Verifique a zona onde o equipamento irá ser utilizado e retire todos os objetos como, por exemplo, pedras, brinquedos e arames que possam ser projetados pela máquina.
Verifique que os comandos de presença do utilizador, interruptores de segurança e resguardos estão corretamente montados e em bom estado. Não utilize a máquina se estes componentes não estiverem a funcionar corretamente.
Pare a máquina, retire a chave e aguarde que todas as peças móveis parem antes de inspecionar o acessório depois de atingir um objeto ou se existir uma vibração anormal na máquina. Efetue todas as reparações necessárias antes de retomar o funcionamento.
Mantenha as mãos e pés longe das unidades de corte.
Mantenha todas as peças em boas condições de trabalho e as partes corretamente apertadas. Substitua todos os autocolantes gastos ou danificados.
Uma lâmina desgastada ou danificada pode partir-se, podendo levar à projeção de um fragmento contra o utilizador ou alguém que esteja por perto e provocar lesões graves ou até mesmo a morte.
Inspecione periodicamente se a lâmina apresenta sinais de desgaste ou outros danos.
Tome todas as precauções necessárias quando efetuar a verificação das lâminas. Envolva as lâminas ou utilize luvas e tome todas as precauções necessárias quando efetuar a manutenção das lâminas. Substitua ou afie apenas as lâminas, não as endireite ou solde.
Em máquinas multilâminas, esteja atento ao facto de que a rotação de uma lâmina pode provocar a rotação das restantes.
Verifique com frequência os parafusos de fixação da lâmina para assegurar que estes se encontram apertados ao binário especificado.
![]() |
Os autocolantes de segurança e instruções estão facilmente visíveis para o operador e situam-se próximo das zonas de potencial perigo. Substitua todos os autocolantes danificados ou perdidos. |










Se deixar a chave na ignição, alguém pode ligar acidentalmente o motor e feri-lo a si ou às pessoas que se encontrarem próximo da máquina.
Retire a chave da ignição antes de fazer qualquer revisão.
Se ligar o motor e o veio da tomada de força rodar, pode dar origem a ferimentos graves.
Não ligue o motor nem engate o interruptor PTO quando o veio da tomada de força não estiver ligado à caixa de engrenagens na unidade de corte.
Note: Determine os lados direito e esquerdo da máquina a partir da posição normal de utilização.
Important: Se a unidade de corte de descarga lateral de 183 cm (modelo 31336) estiver montada num modelo de unidade de tração 30307, 30308, 30309, 30343, 30344 ou 30345 com número de série anterior a 311000301, instale o kit de alinhamento da unidade de corte (peça número 120-6599) na unidade de corte antes de ser montado na unidade de tração.
Uma abertura de descarga sem proteção pode fazer com que a máquina projete objetos na direção do utilizador ou outras pessoas e provocar ferimentos graves. Além disso, há o risco de contacto com a lâmina.
Não opere a máquina a não ser que monte uma placa de cobertura, uma placa de mulch ou uma calha e depósito de recolha de relva.
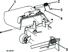
Certifique-se de que o defletor de relva está em baixo.
Remova a braçadeira de cabos que prende o defletor de relva à parte superior da plataforma e baixe o defletor.
Coloque a extremidade esquerda em gancho J da mola em torno da extremidade da plataforma
Coloque a extremidade em gancho J da mola em torno do defletor de relva (Figura 3).
Important: Tem de ser capaz de descer o defletor de relva para a posição. Suba o defletor para testar se desce por completo.

Peças necessárias para este passo:
| Braço de elevação direito | 1 |
| Braço de elevação esquerdo | 1 |
Num dos lados da unidade de tração, desaperte (não retire) as porcas das rodas que prendem o conjunto do pneu e roda aos pinos roscados da roda da frente.
Levante a máquina de modo a levantar a roda dianteira do chão. Utilize apoios ou suporte a máquina de forma a evitar qualquer queda acidental.
Retire as porcas da roda e desloque o conjunto da roda e do pneu para fora do pino roscado.
Retire os braços de suspensão da palete.
Retire o pino de articulação e contrapino de cada braço de suspensão.
Monte um braço de elevação no apoio da articulação com um pino de articulação e um contrapino (Figura 4). Monte o braço de elevação com a dobra posicionada para fora.
Coloque a mola de retorno do travão na patilha no braço de elevação (Figura 4).

Instale o conjunto do pneu e roda. Aperte as porcas das rodas com 102 a 108 N m.
Repita o procedimento no lado oposto da máquina.
Retire as duas anilhas de encosto, passador de forquilha e perno de gancho de cada suporte da roda giratória na unidade de corte (Figura 5).
Mova a unidade de corte para a posição em frente da unidade de tração.
Pressione o interruptor de elevação para a frente para a posição FLUTUAçãO. Empurre os braços de elevação para baixo até que os furos no braço de elevação fiquem alinhados com os furos nos braços da roda giratória (Figura 5).

Prenda o braço de elevação ao braço da roda giratória com duas anilhas de encosto, um passador de forquilha e um perno de gancho.
Posicione as anilhas de encosto entre o braço de elevação e o suporte do braço de elevação (Figura 5) e insira a extremidade do contrapino na ranhura da patilha do braço da roda giratória para fixar o contrapino.
Repita o procedimento para o braços de elevação oposto.
Ligue a unidade de tração e eleve a unidade de corte.
Deslize o veio da tomada de força macho para o veio da tomada de força fêmea, alinhe os furos de montagem no veio de entrada da caixa de velocidades com os furos no veio da tomada de força e deslize-os em conjunto.

Prenda com um pino de segurança.
Aperte os parafusos e as porcas.
Antes de operar a máquina, lubrifique-a para assegurar as características de lubrificação adequadas; consulte Lubrificação. Não realizar uma lubrificação adequada pode causar uma falha prematura de peças vitais.
Note: As especificações e o desenho do produto estão sujeitos a alterações sem aviso prévio.
| Largura de corte | 1,829 m |
| Altura de corte | Ajustável de 25 a 127 mm em incrementos de 13 mm |
| Peso líquido | Modelo 31335 – 251 kg Modelo 31336 – 292 kg |
Está disponível uma seleção de engates e acessórios aprovados pela Toro para utilização com a máquina, para melhorar e expandir as suas capacidades. Contacte o distribuidor ou o centro de assistência autorizado ou vá a www.Toro.com para obter uma lista de todos os engates e acessórios aprovados.
Para se certificar do máximo desempenho e da continuação da certificação de segurança da máquina, utilize apenas acessórios e peças sobressalentes genuínos da Toro. Os acessórios e peças sobressalentes produzidos por outros fabricantes poderão tornar-se perigosos e a sua utilização pode anular a garantia do produto.
Note: Determine os lados direito e esquerdo da máquina a partir da posição normal de operação.
Se deixar a chave na ignição, alguém pode ligar acidentalmente o motor e feri-lo a si ou às pessoas que se encontrarem próximo da máquina.
Retire a chave da ignição antes de fazer qualquer revisão.
| Intervalo de assistência | Procedimento de manutenção |
|---|---|
| A cada 50 horas |
|
| A cada 400 horas |
|
A caixa de velocidades foi concebida para funcionar com o lubrificante para engrenagens SAE 80-90. Apesar de a caixa de velocidades ser vendida com lubrificante de fábrica, verifique o seu nível antes de operar a unidade de corte. A capacidade da caixa de velocidades é de 283 ml.
Estacione a máquina e a unidade de corte numa superfície plana.
Retire a vareta/tampão de enchimento da parte superior da caixa de engrenagens (Figura 7) e verifique se há lubrificante entre as marcas da vareta. Se o nível de lubrificante estiver baixo, adicione lubrificante suficiente até o nível ficar entre as marcas.

A altura de corte é ajustável de 25 a 127 mm em incrementos de 13 mm. Para efetuar o ajuste da altura de corte na unidade de corte frontal, deverá colocar os eixos das rodas giratórias nos orifícios superiores ou inferiores das forquilhas da roda giratória, adicionando ou retirando, para o efeito, um igual número de espaçadores que aí se encontram.
Ponha o motor em funcionamento e levante as unidades de corte de maneira a poder alterar a altura de corte. Desligue o motor e retire a chave da ignição depois de a plataforma da unidade de corte ser elevada.
Coloque os eixos da roda giratória nos mesmos orifícios, em todas as forquilhas da roda giratória. Consulte Figura 8, Figura 9 e Figura 10 para determinar os orifícios corretos para a configuração.


Note: Quando utilizar alturas de corte de 64 mm ou superiores, é preciso que o parafuso do eixo esteja introduzido no orifício inferior da forquilha da roda giratória para evitar que a relva se acumule entre a roda e a forquilha. Quando utilizar alturas de corte inferiores a 64 mm e detetar acumulação de relva, inverta o sentido de marcha da máquina para retirar as aparas de relva da zona da roda/forquilha.
Retire a tampa de fixação do eixo roscado (Figura 8) e desloque o fuso para fora do braço da roda giratória.
Coloque os 2 calços (3 mm) no eixo, tal como se encontravam originalmente. Estes calços são necessários para atingir a mesma altura ao longo de toda a largura das unidades de corte. Desloque um número apropriado de espaçadores de 13 mm para o eixo para obter a altura de corte desejada; em seguida, desloque a anilha para o eixo.
Consulte Figura 9 para determinar as combinações de espaçadores para a configuração.
Empurre o fuso da roda giratória ao longo do braço de suporte da roda giratória. Coloque os calços (tal como se encontravam inicialmente) e os espaçadores restantes no eixo. Volte a montar a tampa de fixação para fixar a estrutura.
Note: Quando utilizar alturas de corte de 25 mm, 38 mm ou ocasionalmente 51 mm, deverá mudar os patins e rolo para os orifícios mais altos.
Retire a tampa de fixação do eixo (Figura 10).

Note: O conjunto da forquilha da roda giratória traseira não tem de ser removido do braço da roda giratória para alterar a altura de corte.
Remova ou adicione espaçadores em forma de ”C” na parte mais estreita do eixo, por baixo da roda giratória, para obter a altura de corte desejada. Certifique-se de que os calços, não os espaçadores, estão em contacto com a parte superior e inferior do braço.
Volte a montar a tampa de fixação para fixar a estrutura.
Certifique-se de que as quatro rodas giratórias estão reguladas para a mesma altura de corte.
Note: Quando utilizar alturas de corte de 25 mm, 38 mm ou ocasionalmente 51 mm, deverá mudar os patins e rolo para os orifícios mais altos.
Note: Se a unidade de corte for para utilizar na definição de altura de corte de 25 ou 38 mm, os rolos da unidade de corte têm de ser reposicionados nos furos superiores do suporte.
Ajuste os rolos frontais do seguinte modo:
Remova o parafuso e porca que prende o eixo do rolo ao suporte da plataforma (Figura 11).

Deslize o eixo para fora dos furos do suporte inferior, alinhe o rolo com os furos superiores e instale o eixo.
Instale o parafuso e porca para prender os conjuntos.
Ajuste os rolos traseiros (internos) como se mostra na Figura 12.

Os patins devem ser montados na posição mais baixa quando operar com alturas de corte superiores a 64 mm e na posição mais alta quando operar com alturas de corte inferiores a 64 mm.
O ajuste dos patins é efetuado através da remoção do parafuso flangeado e das porcas, colocando-os na posição pretendida e instalando os dispositivos de fixação (Figura 13).

Sempre que mudar a altura de corte, deve ajustar também a altura dos rolos antidanos.
Depois de regular a altura de corte, ajuste os rolos retirando a porca flangeada, a bucha, a cunha e o parafuso (Figura 14).

Selecione um orifício de modo que o rolo antidanos fique posicionado o mais próximo possível da altura de corte pretendida.
Coloque a porca flangeada, a bucha, a cunha e o parafuso. Aperte com uma força de 54 a 61 N·m.Figura 14
Pode ajustar o fluxo da descarga do cortador para diferentes tipos de condições de corte. Posicione os bloqueios do excêntrico e o abafador para proporcionar a melhor qualidade de corte.
Ajuste os bloqueios do excêntrico, rodando a alavanca para cima para libertar o bloqueio do excêntrico (Figura 15).
Ajuste o abafador e os bloqueios do excêntrico nas ranhuras para o fluxo de descarga pretendido.
Rode novamente a alavanca para apertar o abafador e os bloqueios do excêntrico (Figura 15).
Se os bloqueios do excêntrico não bloquearem o abafador na posição correta ou estiverem excessivamente apertados, desaperte a alavanca e rode o bloqueio do excêntrico. Ajuste o bloqueio do excêntrico até atingir a pressão de bloqueio pretendida.

As imagens seguintes constituem apenas recomendações. Os ajustes variam consoante o tipo de relva, teor de humidade, e altura da relva.
Note: Se a potência do motor diminuir e a velocidade do cortador no solo se mantiver, abra o abafador.
Esta é a posição totalmente recuada. A utilização sugerida para esta posição é a seguinte:
Utilize para condições de corte de relva curta, leve
Utilize em condições secas
Para aparas de relva mais pequenas
Impele as aparas de relva para uma maior distância do cortador

Utilize esta posição na recolha. Alinhe sempre com a abertura do soprador.

Esta é a posição totalmente aberta. A utilização sugerida para esta posição é a seguinte:
Utilize em condições de corte de relva alta, densa
Utilize em condições húmidas
Baixa o consumo de energia do motor
Permite uma maior velocidade em condições exigentes

A inclinação da unidade de corte é a diferença na altura de corte da parte da frente da lâmina para a parte de trás da lâmina. Utilize uma inclinação da lâmina de cerca de 8 mm. O que significa que a parte de trás da lâmina fica 8 mm mais alta que a parte da frente.
Coloque a máquina numa superfície nivelada da oficina.
Ajuste as unidades de corte para a altura de corte desejada.
Rode uma lâmina de forma a que fique a apontar para a frente.
Utilize uma régua pequena para medir a distância entre o chão e a ponta dianteira da lâmina. Rode a ponta da lâmina para trás e meça novamente a distância entre o chão e a ponta da lâmina.
Subtraia a dimensão da frente da de trás para calcular a inclinação da lâmina.
Ajuste os calços, nos braços da roda giratória frontal ou traseira, para obter inclinação da unidade de corte necessária (Figura 19).

Devido às diferenças existentes nas condições de relva e nos valores de equilíbrio da unidade de tração, deverá efetuar um corte experimental de relva e verificar os resultados antes de iniciar a operação propriamente dita.
Ajuste a unidade de corte para a altura de corte desejada; consulte Ajuste da altura de corte.
Verifique e ajuste a pressão dos pneus dianteiros e traseiros para 1,38 bar.
Verifique e ajuste a pressão dos pneus da roda giratória para 3,45 bar.
Verifique se há lâminas empenadas; consulte Deteção de lâminas deformadas.
Efetue o corte da relva numa zona de ensaio para determinar se todas as unidades de corte se encontram à mesma altura.
Caso ainda seja necessário proceder a ajustes na unidade de corte, procure uma superfície plana, usando uma régua de 2 m ou maior.
Para medir melhor a planicidade da lâmina, selecione a altura de corte mais elevada; consulte Ajuste da altura de corte.
Baixe a unidade de corte até à superfície plana. Retire as coberturas da zona superior da unidade de corte.
Rode a lâmina de cada eixo até que as suas extremidades se encontrem viradas para a frente e para trás.
Meça a distância existente entre o chão e a ponta dianteira da lâmina.
Ajuste os calços na(s) forquilha(s) da roda giratória de forma a que coincidam com a altura de corte fixada no autocolante; consulte a Ajuste da altura de corte.
Este cortador dispõe de um defletor de relva articulado que dispersa as aparas para o lado e para baixo em direção à relva.
Sem o defletor de relva, cobertura de descarga, ou o conjunto completo do depósito de recolha de relva montados, o utilizador e outras pessoas estão expostos ao contacto com a lâmina e aos detritos projetados. O contacto com a(s) lâmina(s) rotativa(s) do cortador e os detritos projetados causarão ferimentos ou até mesmo a morte.
Nunca remova o defletor de relva do cortador porque o defletor de relva encaminha os materiais para baixo na direção da relva. Se o defletor de relva se danificar, substitua-o imediatamente.
Nunca coloque as mãos ou pés debaixo do cortador.
Nunca tente limpar a área de descarga ou as lâminas do cortador a não ser que mova a tomada de força (PTO) para a posição DESLIGAR, rode a chave da ignição para a posição Desligar e retire a chave.
Certifique-se de que o defletor de relva está em baixo.
Efetue a operação de corte ao fim da manhã para evitar os efeitos do orvalho (formação de montículos de relva) ou ao fim da tarde para evitar os danos provocados pela ação direta do sol na relva acabada de cortar.
Retire cerca de 25 mm ou não exceda 1/3 das folhas da relva ao cortar. Em casos de relva excecionalmente viçosa e densa, poderá optar pela altura de corte imediatamente a seguir.
Em condições normais, a operação deverá ser realizada em intervalos de 4 ou 5 dias. Mas lembre-se sempre de que o crescimento da relva nunca é uniforme. Para manter sempre a mesma altura de corte, o que constitui um bom método, terá de efetuar operações mais frequentes no início da primavera; à medida que o crescimento abranda, a meio do Verão, a operação de corte apenas deverá ser efetuada a cada 8 a 10 dias. Se não tiver efetuado a operação de corte durante algum tempo, devido às condições atmosféricas ou por qualquer outra razão, deverá efetuar uma operação inicial, com uma altura de corte elevada, e repetir a operação 2-3 dias mais tarde, utilizando uma altura de corte mais baixa.
Uma lâmina afiada, ao contrário de uma lâmina em mau estado, corta de forma mais eficaz, sem danificar ou rasgar a relva. Quando se rasga ou danifica a relva, esta fica castanha nas extremidades, cresce irregularmente e torna-se mais suscetível a doenças.
Para garantir o máximo desempenho da máquina, limpe a parte inferior da caixa da unidade de corte após cada utilização. Se permitir a acumulação de resíduos na caixa da unidade de corte da máquina, irá prejudicar o seu desempenho.
Recomendamos uma inclinação da lâmina de 8 mm. Uma inclinação superior a 8 mm diminui a eficácia, a qualidade de corte e produz aparas maiores. Uma inclinação inferior a 8 mm aumenta a eficácia da máquina, a qualidade de corte e reduz a produção de aparas.
| Intervalo de assistência | Procedimento de manutenção |
|---|---|
| Após as pimeiras 2 horas |
|
| Após as pimeiras 10 horas |
|
| Em todas as utilizações ou diariamente |
|
| A cada 50 horas |
|
| A cada 400 horas |
|
Se deixar a chave na ignição, alguém pode ligar acidentalmente o motor e feri-lo a si ou às pessoas que se encontrarem próximo da máquina.
Retire a chave da ignição antes de fazer qualquer revisão.
| Intervalo de assistência | Procedimento de manutenção |
|---|---|
| Em todas as utilizações ou diariamente |
|
| A cada 50 horas |
|
A máquina possui bocais de lubrificação que deverão ser lubrificados regularmente com massa lubrificante nº 2 para utilizações gerais, à base de lítio.
Lubrifique as seguintes áreas:
Coloque a máquina e a unidade de corte numa superfície plana e baixe a unidade de corte. Retire a vareta/tampão de enchimento da parte superior da caixa de engrenagens (Figura 24) e verifique se há lubrificante entre as marcas da vareta. Se o nível de lubrificante estiver baixo, adicione lubrificante de engrenagens SAE 80-90 wt. até que o nível fique entre as marcas. A capacidade da caixa de velocidades é de 283 ml.

Important: Os dispositivos de fixação das coberturas desta máquina foram concebidos para permanecer na cobertura após remoção. Desaperte algumas voltas todos os dispositivos de fixação de cada cobertura de forma a que a cobertura fique solta, mas ainda presa e então desaperte-os até que a cobertura saia completamente. Isto vai evitar que perca acidentalmente os parafusos dos fixadores.
Coloque a máquina numa superfície nivelada, baixe a unidade de corte até ao nível do chão, mova a alavanca de elevação para a posição FLUTUAçãO, desligue o motor e engate o travão de mão.
Retire os pernos de gancho e os pinos de segurança que fixam os braços de elevação aos suportes do braço da roda giratória (Figura 25).

Rode a unidade de corte afastando-a da unidade de tração, separando as secções macho e fêmea do veio da tomada de força (Figura 26).

Se ligar o motor e o veio da tomada de força rodar, pode dar origem a ferimentos graves.
Não ligue o motor nem engate o interruptor da PTO quando o veio da tomada de força não estiver ligado à caixa de velocidades na unidade de corte.
Coloque a máquina numa superfície nivelada e desligue o motor.
Mova a unidade de corte para a posição em frente da unidade de tração.
Deslize o veio macho da tomada de força ao veio fêmea da tomada de força (Figura 26).
Pressione o interruptor de elevação para a frente para a posição FLUTUAçãO. Empurre um braço de elevação para baixo até que os furos no braço fiquem alinhados com os furos do suporte do braço da roda giratória e possa inserir a haste de altura de corte nas pastilhas do braço de elevação (Figura 27).
Prenda o braço de elevação no braço da roda giratória com duas anilhas de encosto, um passador de forquilha e um perno de gancho, posicione as anilhas de encosto entre o braço de elevação e o suporte do braço de elevação (Figura 27) e insira a extremidade do perno de gancho na ranhura da patilha do braço da roda giratória para fixar o perno de gancho.
Repita o procedimento para o braços de elevação oposto.
Ligue a unidade de tração e eleve a unidade de corte.

Os braços da roda giratória possuem casquilhos apertados no topo e no fundo da tubagem, que podem desgastar-se após muitas horas de utilização.
Para verificar os casquilhos, desloque a forquilha da roda giratória para a frente e para trás e para os lados Se o fuso da roda giratória estiver solto, significa que os casquilhos estão gastos e devem ser substituídos.
Levante a unidade de corte para que as rodas fiquem levantadas do chão. Bloqueie a unidade de corte para não cair acidentalmente.
Retire a tampa de fixação, espaçador(es) e anilha de apoio do cimo do fuso da roda giratória.
Retire o fuso da roda giratória para fora do tubo de montagem. Mantenha a arruela de apoio e o(s) espaçador(es) no fundo do fuso.
Introduza um punção para cavilhas na zona superior ou inferior do tubo de montagem e retire o casquilho para fora do tubo (Figura 28). Retire igualmente o outro casquilho do tubo. Limpe o interior dos tubos para remover a sujidade.

Aplique lubrificante no interior e exterior dos novos casquilhos. Introduza os casquilhos nos tubos de montagem, utilizando um martelo e uma placa plana.
Verifique se o fuso da roda giratória apresenta desgaste e substitua-o se estiver danificado.
Empurre o eixo da roda giratória através dos casquilhos e tubo de montagem, deslize a anilha de encosto e espaçador(es) no eixo e instale a tampa de tensionamento no fuso da roda giratória.
| Intervalo de assistência | Procedimento de manutenção |
|---|---|
| Após as pimeiras 2 horas |
|
| Após as pimeiras 10 horas |
|
| A cada 50 horas |
|
Retire a porca de bloqueio do parafuso que fixa o conjunto da roda, no respetivo suporte (Figura 29). Fixe a roda giratória e retire o parafuso da forquilha ou do braço articulado.

Retire o rolamento do cubo da roda e deixe cair o espaçador do rolamento para fora (Figura 29). Retire o rolamento do lado oposto ao do cubo da roda.
Verifique se existe algum desgaste nos rolamentos, no espaçador e no interior do cubo da roda. Substitua todas as peças danificadas.
Para montar a roda giratória, basta pressionar o rolamento para dentro do cubo da roda. Quando montar os rolamentos, pressione a corrediça exterior dos mesmos.
Introduza o espaçador do rolamento no cubo da roda. Pressione o outro rolamento contra à extremidade aberta do cubo da roda para encaixar o respetivo espaçador dentro do cubo da roda.
Monte a estrutura da roda giratória entre a forquilha da roda giratória e fixe-a nessa posição com o parafuso e a porca de bloqueio.
Coloque a máquina numa superfície plana. Levante a unidade de corte, engate o travão de mão, ponha o pedal de tração na posição de ponto-morto, desloque a alavanca da tomada de força para a posição DESLIGAR, desligue o motor e retire a chave da ignição. Bloqueie a unidade de corte para não cair acidentalmente.
Rode a lâmina até que as suas extremidades se encontrem viradas para a frente e para trás. Meça a distância entre o interior da unidade de corte e a parte cortante na zona dianteira da lâmina (Figura 30), e lembre-se desta dimensão.

Rode a extremidade oposta da lâmina para a frente. Meça a distância entre a unidade de corte e a parte cortante da lâmina na mesma posição referida no ponto 2. A diferença entre as medidas obtidas nos ponto 2 e 3 não devem exceder 3 mm. Se a dimensão exceder os 3 mm, substitua a lâmina porque esta se encontra deformada; consulte Desmontagem e montagem da lâmina(s).
A lâmina deve ser substituída quando atingir um objeto sólido e quando se encontrar desequilibrada ou deformada. Utilize sempre lâminas sobressalentes genuínas Toro para garantir um desempenho seguro e eficaz. Nunca utilize lâminas produzidas por outros fabricantes porque podem tornar-se perigosas.
Coloque a unidade de corte na posição mais alta, engate o travão de estacionamento, pare o motor e retire a chave da ignição. Bloqueie a unidade de corte para não cair acidentalmente.
Fixe a extremidade da lâmina utilizando um pedaço de tecido ou uma luva grossa. Retire o parafuso da lâmina, o recipiente antidanos e lâmina do eixo (Figura 31).

Instale a lâmina, com a aba voltada para a unidade de corte, com o recipiente antidanos e o parafuso da lâmina. Aperte a porca de bloqueio com 115 a 149 N·m.
Important: A parte curva da lâmina tem de estar a apontar para o interior da unidade de corte para assegurar uma boa capacidade de corte.
| Intervalo de assistência | Procedimento de manutenção |
|---|---|
| Após as pimeiras 10 horas |
|
| Em todas as utilizações ou diariamente |
|
| A cada 50 horas |
|
Uma lâmina desgastada ou danificada pode partir-se, podendo levar à projeção de um fragmento contra o utilizador ou alguém que esteja por perto e provocar lesões graves ou até mesmo a morte.
Inspecione periodicamente se a lâmina apresenta sinais de desgaste ou outros danos.
Não tente endireitar uma lâmina que esteja dobrada.
Não solde uma lâmina partida ou rachada.
Substitua uma lâmina gasta ou danificada por uma lâmina nova Toro para assegurar uma continuação da certificação de segurança do produto.
Tanto as partes cortantes como a parte curva (parte virada para cima oposta à parte cortante) contribuem para uma boa qualidade de corte. A parte curva é importante, pois levanta a relva e permite obter um corte regular. No entanto, a parte curva está sujeita a um desgaste gradual durante o funcionamento da máquina, o que é perfeitamente normal. À medida que a parte curva se gasta, também diminui a qualidade do corte, mesmo que as partes cortantes se encontrem afiadas. A parte cortante da lâmina deve manter-se afiada para que a relva seja cortada e não arrancada. Verifica-se uma parte cortante romba quando a relva apresenta extremidades acastanhadas e rasgadas. Afie a parte cortante para corrigir esta situação.
Estacione a máquina numa superfície nivelada. Levante a unidade de corte, engate o travão de mão, ponha o pedal de tração na posição de ponto-morto, desloque a alavanca da tomada de força para a posição DESLIGAR, desligue o motor e retire a chave da ignição.
Examine cuidadosamente as extremidades da lâmina, prestando especial atenção à zona onde se encontram as partes curvas e planas da lâmina (Figura 32). Verifique o estado da lâmina antes da operação de corte, pois a areia e outros materiais abrasivos podem ter desgastado o metal que liga as partes curva e plana da lâmina. Se der conta de desgaste (Figura 32), substitua a lâmina; consulte Desmontagem e montagem da lâmina(s).

Se a lâmina continuar a sofrer este tipo de desgaste irá formar-se uma ranhura entre a aba e a parte plana da lâmina (Figura 32). Eventualmente, pode soltar-se algum pedaço da lâmina e projetar-se, ferindo-o a si ou a qualquer pessoa próxima.
Inspecione periodicamente se a lâmina apresenta sinais de desgaste ou outros danos.
Substitua uma lâmina gasta ou danificada por uma lâmina nova Toro para assegurar uma continuação da certificação de segurança do produto.
Inspecione as extremidades de corte de todas as lâminas. Afie as extremidades de corte se estas apresentarem sinais de desgaste ou ranhuras. Afie apenas o lado superior da parte cortante e mantenha o ângulo de corte original para garantir um desempenho eficaz da lâmina (Figura 33). A lâmina mantém o equilíbrio se for retirada a mesma quantidade de metal de ambas as partes cortantes.

Note: Retire as lâminas e afie-as num amolador; consulte “Remoção da lâmina de corte”. Após afiar a parte cortante, monte a lâmina com o recipiente antidanos e o parafuso da lâmina. A parte curva da lâmina tem de estar na parte de cima da lâmina. Aperte a porca de bloqueio com 115 a 149 Nm.
| Intervalo de assistência | Procedimento de manutenção |
|---|---|
| A cada 50 horas |
|
A correia da transmissão da lâmina, apertada pela polia intermédia da mola, tem uma longa duração. No entanto, após muitas horas de utilização, esta deve apresentar alguns sinais de desgaste. Os sinais apresentados por uma correia desgastada são: ruído durante a rotação da correia, perda de eficácia das lâminas aquando do corte, extremidades desfiadas, marcas de queimaduras e rachas. Substitua a correia se notar algum destes sinais.
Baixe a unidade de corte até ao chão. Retire as coberturas da correia da zona superior da unidade de corte e coloque as coberturas à parte.
Utilizando uma uma chave de aperto ou ferramenta semelhante, afaste a polia intermédia (Figura 34) da correia da transmissão para libertar a tensão da correia e permitir que esta saia das polias da caixa de engrenagens (Figura 35).


Retire a correia gasta das polias e da polia intermédia.
Coloque a nova correia nas polias de eixo e na estrutura da polia intermédia, como se mostra na Figura 36.

Instale as coberturas da correia.
Uma abertura de descarga sem proteção pode fazer com que a máquina projete objetos na direção do utilizador ou outras pessoas e provocar ferimentos graves. Além disso, há o risco de contacto com a lâmina.
Não opere a máquina a não ser que monte uma placa de cobertura, uma placa de mulch ou uma calha e depósito de recolha de relva.
Certifique-se de que o defletor de relva está em baixo.
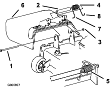
Retire a porca de bloqueio, o parafuso, a mola e a cunha que fixam o defletor aos apoios de articulação (Figura 37). Se o defletor de relva estiver danificado ou gasto, retire-o.
Coloque o espaçador e a mola no defletor de relva. Coloque a extremidade em L por trás da extremidade da plataforma.
Note: Certifique-se de que a extremidade em L da mola está montada por trás da extremidade da plataforma antes de colocar o parafuso como se mostra na Figura 37.
Coloque o parafuso e a porca. Coloque a extremidade em gancho J da mola em torno do defletor de relva (Figura 37).
Important: Tem de ser capaz de descer o defletor de relva para a posição. Suba o defletor para testar se desce por completo.
