| Onderhoudsinterval | Onderhoudsprocedure |
|---|---|
| Om de 50 bedrijfsuren |
|
| Om de 400 bedrijfsuren |
|
Dit maaidek met draaiende messen wordt op een zitmaaier gemonteerd en is bedoeld voor gebruik door professionele bestuurders en voor commerciële toepassingen. De machine is voornamelijk ontworpen voor het maaien van gras van goed onderhouden gazons in parken, sportvelden en golfbanen. De machine is niet ontworpen voor het maaien van struikgewas.
Important: Om de veiligheid en de prestaties van deze machine te optimaliseren en een juist gebruik ervan te garanderen, moet u de inhoud van deze Gebruikershandleiding zorgvuldig lezen en volledig begrijpen. Als u nalaat deze bedieningsinstructies op te volgen of geen goede training krijgt, kan dit leiden tot letsel. Ga naar www.Toro.com voor meer informatie over veilige bediening, inclusief veiligheidstips en trainingsmaterialen.
U kunt op www.Toro.com rechtstreeks contact met Toro opnemen om informatie over producten en accessoires te verkrijgen, een verkoper te vinden of uw product te registreren.
Als u service, originele Toro onderdelen of aanvullende informatie nodig hebt, kunt u contact opnemen met een erkende servicedealer of met de klantenservice van Toro. U dient hierbij altijd het modelnummer en het serienummer van het product te vermelden. De locatie van het plaatje met het modelnummer en het serienummer van het product is aangegeven op Figuur 1. U kunt de nummers noteren in de ruimte hieronder.
Important: U kunt met uw mobiel apparaat de QR-code op het plaatje met het serienummer (indien aanwezig) scannen om toegang te krijgen tot de garantie, onderdelen en andere productinformatie.

Deze handleiding wijst u op mogelijke gevaren en bevat veiligheidswaarschuwingen die u kunt herkennen aan het waarschuwingspictogram (Figuur 2), dat wijst op een gevaar dat ernstig letsel of de dood kan veroorzaken indien u nalaat de voorgeschreven maatregelen te treffen.

Er worden in deze handleiding twee woorden gebruikt om uw aandacht op bijzondere informatie te vestigen. Belangrijk attendeert u op bijzondere technische informatie en Opmerking duidt algemene informatie aan die bijzondere aandacht verdient.
Dit product voldoet aan alle relevante Europese richtlijnen. Voor meer informatie, zie de inbouwverklaring aan het einde van deze handleiding.
CALIFORNIË
Proposition 65 Waarschuwing
Gebruik van dit product kan leiden tot blootstelling aan chemische stoffen waarvan de Staat Californië weet dat ze kanker, geboorteafwijkingen en andere schade aan het voortplantingssysteem veroorzaken.
Deze machine is ontworpen in overeenstemming met de EN-norm ISO 5395-3:2013 en B71.4-2017 van het ANSI (American National Standards Institute).
Dit product kan handen of voeten afsnijden en voorwerpen uitwerpen. Volg altijd alle veiligheidsinstructies op om ernstig letsel te voorkomen.
Dit product gebruiken voor andere doeleinden dan het bedoelde gebruik kan gevaarlijk zijn voor u of voor omstanders.
Lees deze Gebruikershandleiding en zorg ervoor dat u deze begrijpt voordat u de motor start.
Geef uw volledige aandacht als u de machine gebruikt. Zorg ervoor dat u met niets anders bezig bent waardoor u kunt worden afgeleid, anders kunnen er letsels ontstaan of kan eigendom worden beschadigd.
Houd handen en voeten uit de buurt van de bewegende onderdelen van de machine.
Gebruik de machine enkel als de nodige schermen en andere beveiligingsmiddelen aanwezig zijn en naar behoren werken.
Blijf uit de buurt van afvoeropeningen. Houd omstanders en huisdieren op een veilige afstand van de machine.
Laat geen kinderen het werkgebied betreden. Laat kinderen nooit de machine bedienen.
Parkeer de machine op een horizontaal oppervlak, laat de maai-eenheden zakken, schakel de aandrijvingen uit, stel de parkeerrem in werking (indien aanwezig), zet de motor af en neem het sleuteltje uit het contact voordat u de bestuurderspositie om welke reden ook verlaat.
Onjuist gebruik of onderhoud van deze machine kan letsel tot gevolg hebben. Om het risico op letsel te vermijden, dient u zich aan de volgende veiligheidsinstructies te houden en altijd op het veiligheidssymbool te letten, dat betekent Voorzichtig, Waarschuwing of Gevaar – instructie voor persoonlijke veiligheid. Niet-naleving van deze instructies kan leiden tot lichamelijk of dodelijk letsel.
Indien nodig vindt u bijkomende veiligheidsinformatie in deze Gebruikershandleiding.
Lees de Gebruikershandleiding van de tractie-eenheid en het overige instructiemateriaal zorgvuldig. Zorg ervoor dat u vertrouwd raakt met de bedieningsorganen en de veiligheidssymbolen en weet hoe u de machine moet gebruiken. Als de bestuurder of de monteur de taal waarin de handleiding is geschreven, niet machtig is, moet de eigenaar ervoor zorgen dat deze de inhoud van het materiaal begrijpt.
Zorg ervoor dat u vertrouwd raakt met de bedieningsorganen en de veiligheidssymbolen, en weet hoe u de machine veilig kunt gebruiken.
De eigenaar/gebruiker is verantwoordelijk voor ongelukken die persoonlijk letsel of materiële schade kunnen veroorzaken, en hij dient zulke ongelukken te voorkomen.
Draag geschikte kleding, waaronder oogbescherming, stevige schoenen met een gripvaste zool, een lange broek en gehoorbescherming. Draag lang haar niet los en draag geen losse juwelen.
Inspecteer het terrein waarop u de maaimachine gaat gebruiken en verwijder eventuele voorwerpen die de machine kan uitwerpen.
Controleer of de dodemansknop, de veiligheidsschakelaars en de veiligheidsschermen zijn bevestigd en naar behoren werken. Gebruik de machine uitsluitend als deze naar behoren werkt.
Stop de machine, verwijder het sleuteltje en wacht totdat alle bewegende onderdelen tot stilstand zijn gekomen voordat u het werktuig controleert nadat u een voorwerp heeft geraakt of de machine abnormaal begint te trillen. Voer alle noodzakelijke reparaties uit voordat u de machine weer in gebruik neemt.
Houd uw handen en voeten uit de buurt van de maaidekken.
Zorg ervoor dat alle onderdelen in goede staat verkeren en alle bevestigingselementen stevig vastzitten. Vervang versleten of beschadigde stickers.
Een versleten of beschadigd mes kan breken en een stuk van het mes kan worden uitgeworpen in de richting van de bestuurder of omstanders en ernstig lichamelijk of dodelijk letsel toebrengen.
Controleer op gezette tijden het maaimes op slijtage of beschadigingen.
Wees voorzichtig als u de messen controleert. Omwikkel de maaimessen of draag handschoenen en wees voorzichtig als u onderhoudswerkzaamheden aan de maaimessen verricht. De maaimessen mogen alleen worden vervangen of geslepen, probeer ze nooit recht te maken of er aan te lassen.
Let op dat bij machines met meerdere maaimessen andere messen kunnen gaan draaien doordat u 1 mes draait.
Controleer regelmatig of de montagebouten van de maaimessen nog met de juiste torsie zijn vastgedraaid.
![]() |
Veiligheidsstickers en veiligheidsinstructies zijn gemakkelijk zichtbaar voor de bestuurder en bevinden zich bij plaatsen waar gevaar kan ontstaan. Vervang alle beschadigde of verdwenen stickers. |










Als u het sleuteltje in het contact laat, bestaat de kans dat iemand de motor per ongeluk start waardoor u en andere omstanders ernstig letsel kunnen oplopen.
Verwijder het sleuteltje uit het contact voordat u onderhoudswerkzaamheden uitvoert aan de machine.
Als de motor wordt gestart en de aftakas kan draaien, kan dit ernstig letsel tot gevolg hebben.
U mag de motor niet starten en de aftakashendel niet inschakelen als de aftakas niet is aangesloten op de tandwielkast van de maai-eenheid.
Note: Bepaal vanuit de normale bestuurderspositie de linker- en rechterzijde van de machine.
Important: Als de maai-eenheid van 183 cm (modelnummer 31336) wordt bevestigd op tractie-eenheid model 30307, 30308, 30309, 30343, 30344 of 30345 met een serienummer vóór 311000301 moet u de uitlijnset (onderdeelnummer 120-6599) op de maai-eenheid monteren voordat deze aan de tractie-eenheid wordt bevestigd.
Als de uitworpopening niet afgedekt is, kan de machine voorwerpen uitwerpen naar u of naar omstanders; dit kan ernstig letsel veroorzaken. Daarnaast kunt u ook in contact komen met het mes.
Gebruik de machine niet zonder afdekplaat, mulchplaat of een grasafvoer en een grasvanger.
Controleer of de grasgeleider omlaag staat.
Verwijder de kabelbinder waarmee de grasgeleider bovenaan het maaidek is bevestigd en laat de grasgeleider zakken.
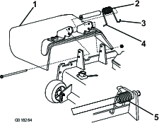
Plaats het linker J-vormige haakuiteinde van de veer rond de rand van het maaidek.
Plaats het rechter J-vormige haakeind van de veer om de grasgeleider (Figuur 3).
Important: U moet de grasgeleider omlaag kunnen brengen op zijn plaats. Til de grasgeleider omhoog om ervoor te zorgen dat deze volledig omlaag klapt.

Benodigde onderdelen voor deze stap:
| Rechter hefarm | 1 |
| Linker hefarm | 1 |
Draai aan 1 zijde van de tractie-eenheid de wielmoeren los waarmee het wiel en de band zijn bevestigd aan de tapeinden van het voorwiel, maar verwijder de wielmoeren niet.
Krik de machine omhoog totdat het voorwiel vrij komt van de grond. Gebruik assteunen of plaats blokken om te voorkomen dat machine per ongeluk valt.
Verwijder de wielmoeren en schuif het wiel en de band van de wieltappen.
Verwijder de hefarmen van de pallet.
Verwijder de draaipen en de borgpen uit de hefarmen.
Monteer een hefarm aan de draaibeugel met een draaipen en een borgpen (Figuur 4). Monteer de hefarm met de knik naar buiten gericht.
Haak de contraveer van de rem aan de lip op de hefarm (Figuur 4).

Monteer de wielen en banden. Haal de wielmoeren aan met 102 tot 108 Nm.
Herhaal deze procedure aan de andere kant van de machine.
Verwijder de 2 drukringen, de gaffelpen en de R-pen uit de beugels van de zwenkwielarmen van de maaieenheid (Figuur 5).
Plaats het maaidek vóór de tractie-eenheid.
Zet de hefschakelaar vooruit in de ZWEEFSTAND. Druk een hefarm omlaag totdat de openingen in de hefarm zijn uitgelijnd met de openingen in de beugel van de zwenkwielarm (Figuur 5).

Bevestig de hefarm aan de zwenkwielarm met de 2 drukringen, een gaffelpen en een R-pen.
Plaats de drukringen tussen de hefarm en de beugel van de zwenkwielarm (Figuur 5) en steek het uiteinde van de gaffelpen in de sleuf in de lip van de zwenkwielarm om de gaffelpen te borgen.
Herhaal de procedure voor de tegenoverliggende hefarm.
Start de tractie-eenheid en breng het maaidek omhoog.
Schuif de mannelijke aftakas in de vrouwelijke aftakas, lijn de montageopeningen in de ingangsschacht van de tandwielkast uit met de openingen in de aftakasschacht en schuif deze in elkaar.

Bevestig deze met een rolpen.
Draai de bouten en moeren vast.
Voordat u de machine gebruikt, moet ze gesmeerd worden zodat een goede smering is gewaarborgd; zie Smering. Als de machine niet goed is gesmeerd, kunnen belangrijke onderdelen hierdoor voortijdig slijten of defect raken.
Note: Specificaties en ontwerp kunnen zonder voorafgaande kennisgeving worden gewijzigd.
| Maaibreedte | 1,829 m |
| Maaihoogte | Instelbaar van 25 tot 127 mm in stappen van 13 mm. |
| Nettogewicht | Model 31335: 251 kg Model 31336: 292 kg |
Een selectie van door Toro goedgekeurde werktuigen en accessoires is verkrijgbaar voor gebruik met de machine om de mogelijkheden daarvan te verbeteren en uit te breiden. Neem contact op met een erkende servicedealer of distributeur of bezoek www.Toro.com voor een lijst van alle goedgekeurde werktuigen en accessoires.
Om de beste prestaties te verkrijgen en er zeker van te zijn dat de machine altijd veilig kan worden gebruikt, moet u ter vervanging uitsluitend originele Toro onderdelen en accessoires gebruiken. Gebruik ter vervanging nooit onderdelen en accessoires van andere fabrikanten, omdat dit gevaarlijk kan zijn. Dit kan ertoe leiden dat de garantie op het product komt te vervallen.
Note: Bepaal vanuit de normale bedieningspositie de linker- en rechterzijde van de machine.
Als u het sleuteltje in het contact laat, bestaat de kans dat iemand de motor per ongeluk start waardoor u of andere omstanders ernstig letsel kunnen oplopen.
Verwijder het sleuteltje uit het contact voordat u onderhoudswerkzaamheden uitvoert aan de machine.
| Onderhoudsinterval | Onderhoudsprocedure |
|---|---|
| Om de 50 bedrijfsuren |
|
| Om de 400 bedrijfsuren |
|
De tandwielkast is ontworpen voor gebruik met SAE 80-90 tandwielolie. De tandwielkast is in de fabriek gevuld met olie; het oliepeil moet echter worden gecontroleerd voordat de maai-eenheid voor de eerste keer wordt gebruikt. De inhoud van de tandwielkast is 283 ml.
Parkeer de machine en de maai-eenheid op een horizontaal oppervlak.
Verwijder de peilstok/vulplug op de bovenkant van de tandwielkast (Figuur 7) en controleer of het peil van de tandwielolie tussen de merktekens op de peilstok staat. Als het oliepeil te laag is, vult u voldoende olie bij totdat het peil tussen de markeringen op de peilstok staat.

U kunt de maaihoogte instellen van 25 tot 127 mm, in stappen van 13 mm. Om de maaihoogte in te stellen plaatst u de assen van de zwenkwielen in de bovenste of onderste gaten van de zwenkwielvorken. Vervolgens moet u een gelijk aantal afstandsstukken op de zwenkwielvorken aanbrengen of verwijderen.
Start de motor en breng het maaidek omhoog zodat deze vrijkomt van de grond en de maaihoogte kan worden gewijzigd. Zet de motor af en verwijder het sleuteltje nadat de maai-eenheid is opgeheven.
Plaats de assen van de zwenkwielen in dezelfde openingen in de zwenkwielvorken. Raadpleeg Figuur 8,Figuur 9 en Figuur 10 om vast te stellen wat de correcte openingen voor de instelling van de maaihoogte zijn.


Note: Als de machine wordt gebruikt bij een maaihoogte van 64 mm of hoger, moet de asbout worden geplaatst in de onderste opening van het zwenkwielvork om te voorkomen dat er zich gras opeenhoopt tussen het wiel en de vork. Als u machine gebruikt bij een maaihoogte van 64 mm of lager en ontdekt dat er aangekoekt gras tussen het wiel en de vork zit, moet u de machine in de tegengestelde richting laten werken om het maaisel te verwijderen.
Verwijder de klemkap van de spilas (Figuur 8) en schuif de as uit de zwenkwielarm.
Plaats de twee opvulstukken (van 3 mm) op de spilas zoals deze oorspronkelijk waren geplaatst. Deze opvulstukken zijn nodig om ervoor te zorgen dat de maaidekken over de gehele breedte horizontaal staan. Schuif het benodigde aantal afstandsstukken van 13 mm op de spilas om de gewenste maaihoogte te bereiken; schuif daarna de klemring op de as.
Raadpleeg Figuur 9 om vast te stellen wat de combinaties van afstandsstukken voor de instelling zijn.
Druk de zwenkwielas door de zwenkwielarm. Plaats de opvulstukken (zoals deze oorspronkelijk zijn geplaatst) en de overige afstandsblokken op de spilas. Monteer het klemkapje om alles goed vast te zetten.
Note: Als u de machine afstelt op maaihoogten van 25 mm, 38 mm of in sommige gevallen 51 mm, moet u de glijders en de rollen in de bovenste openingen plaatsen.
Verwijder het klemkapje van de spilas (Figuur 10).

Note: De achterste zwenkwielvorkconstructie hoeft niet van de zwenkwielarm te worden verwijderd om de maaihoogte te veranderen.
Om de gewenste maaihoogte te bereiken, moet u C-vormige stukken toevoegen of verwijderen bij het smalle gedeelte van de spilas, onder de zwenkwielarm. Zorg ervoor dat de ringen (en niet de afstandsstukken) contact maken met de bovenzijde en de onderzijde van de zwenkwielarm.
Monteer het klemkapje om alles goed vast te zetten.
Zorg ervoor dat alle vier de zwenkwielen op dezelfde maaihoogte zijn ingesteld.
Note: Als u de machine afstelt op maaihoogten van 25 mm, 38 mm of in sommige gevallen 51 mm, moet u de glijders en de rollen in de bovenste openingen plaatsen.
Note: Indien u de maai-eenheid gebruikt op maaihoogtes 25 of 38 mm, verplaats de rollen van de maai-eenheid dan naar de bovenste beugelopening.
Stel de voorrol als volgt af:
Verwijder de schroef en de moer waarmee de rolschacht vastzit aan de maaidekbeugel (Figuur 11).

Schuif de schacht uit de onderste beugelopeningen, lijn de rol uit met de bovenste openingen en monteer de schacht.
Installeer de schroef en moer om vast te zetten.
Stel de achterste (interne) rollen af zoals wordt getoond in Figuur 12.

De glijders moeten in de laagste stand worden gemonteerd als de machine wordt gebruikt bij een maaihoogte van meer dan 64 mm, en in de hoogste stand als de machine wordt gebruikt bij een maaistand van minder dan 64 mm.
Om de glijders af te stellen, moet u de flensbout en de moeren verwijderen. Vervolgens zet u de glijders in de gewenste stand en monteert u de bevestigingen weer (Figuur 13).

Als u de maaihoogte wijzigt, stel dan de hoogte van de antiscalpeerrollen in.
Nadat u de maaihoogte hebt ingesteld, moet u de flensmoer, de lagerbus, het afstandsstuk en de bout verwijderen om de rollen in te stellen (Figuur 14).

Kies een opening en let er hierbij op dat de antiscalpeerrol is geplaatst bij de dichtstbijzijnde, door u gewenste corresponderende maaihoogte.
Monteer de flensmoer, de lagerbus, het afstandsstuk en de bout. Vastdraaien met een torsie van 54 tot 61 Nm (Figuur 14).
U kunt de uitworp van de maaier aanpassen aan de maaiomstandigheden. Zorg ervoor dat u de sluitnokken en de plaat zodanig plaatst dat u het beste maairesultaat verkrijgt.
Verstel de sluitnokken door de hendel omhoog te draaien; hierbij komen de sluitnokken los (Figuur 15).
Plaats de plaat en de sluitnokken op zodanige wijze in de sleuven dat de machine de gewenste afvoer heeft.
Draai de hendel terug om de plaat en de sluitnokken vast te zetten (Figuur 15).
Als de sluitnokken de plaat niet goed vergrendelen of te strak zijn, draait u de hendel los en draait u de sluitnok. Stel de sluitnok af tot u de gewenste sluitdruk hebt verkregen.

De volgende afbeeldingen zijn uitsluitend bedoeld als aanbeveling. De instelling is afhankelijk van de soort gras, het vochtgehalte en de hoogte van het gras.
Note: Als het motorvermogen afneemt en de rijsnelheid van de maaimachine hetzelfde blijft, opent u de plaat.
Dit is de volledig achterwaartse stand. Deze stand wordt aanbevolen voor de volgende gevallen:
Maaiomstandigheden met kort, licht gras
Droge omstandigheden
Kleine hoeveelheid maaisel
Werpt maaisel verder weg van de maaimachine

Zet de plaat in deze stand als u het maaisel opvangt. Altijd uitlijnen met de opening van de blazer.

Dit is de volledig open stand. Deze stand wordt aanbevolen in de volgende gevallen:
Maaiomstandigheden met hoog, dicht gras
Vochtige omstandigheden
Vermindert het energieverbruik van de motor
Maakt hogere rijsnelheid mogelijk in zware omstandigheden

De schuinstand van het maaidek is het verschil in de maaihoogte van de voorkant van het mesvlak tot de achterkant van het mesvlak. Gebruik een messchuinstand van 8 mm. Dit wil zeggen dat de achterkant van het mesvlak 8 mm hoger is dan de voorkant.
Plaats de machine op een horizontaal oppervlak.
Stel het maaidek in op de gewenste maaihoogte.
Draai een mes zodat dit recht naar voren wijst.
Meet met een korte liniaal de afstand van de grond tot de voorste rand van het mes. Draai de rand van het mes achterwaarts en meet de afstand van de grond tot de rand van het mes.
Trek de afstand aan de voorkant van de afstand aan de achterkant om de schuinstand te berekenen.
Stel de ringen van de voorste of achterste zwenkwielen af om de gewenste schuinstand van de maaieenheid te verkrijgen (Figuur 19).

In verband met verschillen in gazoncondities en de instellingen van het tegengewicht van de tractie-eenheid, verdient het aanbeveling een deel van het gazon te maaien en het uiterlijk ervan controleren voordat u het gazon echt gaat maaien.
Stel het maaidek in op de gewenste maaihoogte; zie De maaihoogte instellen.
Controleer of de voor- en achterbanden een spanning van 1,38 bar hebben. Indien nodig moet u ze oppompen totdat de bandenspanning correct is.
Controleer of de banden van alle zwenkwielen een spanning van 3,45 bar hebben.
Controleer op kromme messen; zie Controleren op kromme messen.
Maai het gras in een testgebied om te controleren of alle maai-eenheden op dezelfde hoogte maaien.
Als de maai-eenheden nog moeten worden afgesteld, zoek dan een vlak oppervlak met een rechte rand van minstens 2 meter.
Om het mesvlak gemakkelijker te meten, moet u de machine in de hoogste maaistand zetten; zieDe maaihoogte instellen.
Laat het maaidek neer op een vlak oppervlak. Verwijder de kappen van de bovenkant van de maaidekken.
Draai het mes op elke as totdat de uiteinden in de lengterichting liggen.
Meet de afstand van de grond tot de voorste rand van het mes.
Stel de opvulstukken op de zwenkwielvork(en) af zodat de maaihoogte overeenstemt met de sticker; zie De maaihoogte instellen.
Het maaidek is uitgerust met een scharnierende grasgeleider, die het maaisel zijwaarts en omlaag naar het gazon afvoert.
Als de grasgeleider, afsluiter van de afvoer of de grasvanger niet op de juiste plaats zijn gemonteerd, is er gevaar voor contact met de messen of uitgeworpen voorwerpen voor uzelf en anderen. Contact met het draaiende maaimes en uitgeworpen voorwerpen kan lichamelijk of dodelijk letsel veroorzaken.
Verwijder de grasgeleider niet van de maaier, want de grasgeleider voert het maaisel af naar het gazon. Een beschadigde grasgeleider moet direct worden vervangen.
Steek nooit handen of voeten onder het maaidek.
U mag het uitwerpgebied en de maaimessen uitsluitend reinigen als u de aftakasschakelaar hebt uitgeschakeld, het contactsleuteltje naar de stand UIT hebt gedraaid en het sleuteltje hebt verwijderd.
Controleer of de grasgeleider omlaag staat.
Maai laat in de ochtend om te vermijden dat het gras door dauw op kluitjes bij elkaar gaat zitten, of laat in de middag om te voorkomen dat het directe zonlicht het gevoelige, pas gemaaide gras schaadt.
Verwijder bij het maaien ongeveer 25 mm of niet meer dan ⅓ van de grassprieten. Bij zeer lang, mals en dicht gras moet u wellicht de maaihoogte-instelling een stap omhoog zetten.
In de meeste normale omstandigheden moet u ongeveer om de 4 of 5 dagen uw gazon maaien. Houd er echter rekening mee dat gras niet het hele jaar door even snel groeit. Om dezelfde maaihoogte aan te houden, iets wat wij sterk aanbevelen, moet u daarom in het vroege voorjaar vaker maaien; als het gras midden in de zomer minder snel gaat groeien, moet u slechts om de 8 tot 10 dagen maaien. Als u gedurende een langere periode niet kunt maaien door de weersomstandigheden of om andere redenen, mag u de eerstvolgende keer niet te kort maaien. Maai vervolgens 2 of 3 dagen later met een lagere maaihoogte-instelling.
Een scherp mes snijdt het gras netjes af, zonder rukken of scheuren, zoals een bot mes wel zou doen. Als het gras inscheurt of kapot wordt getrokken, wordt het bruin aan de punten, waardoor het gras minder goed groeit en vatbaarder wordt voor ziekten.
Om optimale resultaten te waarborgen, moet de onderkant van de maaikast na iedere maaibeurt worden gereinigd. Als zich grasresten kunnen ophopen op de maaikast, zullen de maairesultaten verslechteren.
Toro adviseert een schuinstand van 8 mm. Als de schuinstand meer dan 8 mm is, zal dit leiden tot minder benodigd vermogen, grover maaisel en een slechtere maaikwaliteit. Als de schuinstand minder dan 8 mm is, zal dit leiden tot meer benodigd vermogen, fijner maaisel en een betere maaikwaliteit.
| Onderhoudsinterval | Onderhoudsprocedure |
|---|---|
| Na de eerste 2 bedrijfsuren |
|
| Na de eerste 10 bedrijfsuren |
|
| Bij elk gebruik of dagelijks |
|
| Om de 50 bedrijfsuren |
|
| Om de 400 bedrijfsuren |
|
Als u het sleuteltje in het contact laat, bestaat de kans dat iemand de motor per ongeluk start waardoor u en andere omstanders ernstig letsel kunnen oplopen.
Verwijder het sleuteltje uit het contact voordat u onderhoudswerkzaamheden uitvoert aan de machine.
| Onderhoudsinterval | Onderhoudsprocedure |
|---|---|
| Bij elk gebruik of dagelijks |
|
| Om de 50 bedrijfsuren |
|
De machine is voorzien van smeerpunten die u regelmatig moet smeren met nr. 2 lithiumvet.
Smeer de volgende punten:
Plaats het maaidek op een horizontaal oppervlak en breng het maaidek omlaag. Verwijder de peilstok/vulplug op de bovenkant van de tandwielkast (Figuur 24) en controleer of het peil van de tandwielolie tussen de merktekens op de peilstok staat. Als het oliepeil laag is, vul dan SAE 80-90 tandwielolie bij tot het peil zich tussen de markeringen bevindt. De inhoud van de tandwielkast is 283 ml.

Important: De bevestigingen op de deksels van deze machine zijn zo ontworpen dat ze op het deksel blijven zitten nadat de bevestiging is losgemaakt. Draai alle bevestigingen op elk deksel een paar slagen losser zodat het deksel loszit maar nog wel bevestigd is en draai de bevestigingen daarna pas helemaal los totdat het deksel eraf komt. Hiermee voorkomt u dat u per ongeluk de bouten van de borgringen losdraait.
Parkeer de machine op een horizontaal oppervlak, laat de maai-eenheid neer, zet de hefhendel in de ZWEEFSTAND, zet de motor af en stel de parkeerrem in werking.
Verwijder de R-pennen en de gaffelpennen waarmee de hefarmen zijn bevestigd aan de beugels van de zwenkwielarmen (Figuur 25).

Rol het maaidek bij de tractie-eenheid vandaan en ontkoppel het mannelijke en vrouwelijke gedeelte van de aftakas (Figuur 26).

Als de motor wordt gestart en de aftakas gaat draaien kan dit ernstig lichamelijk letsel tot gevolg hebben.
U mag de motor niet starten en de aftakashendel niet inschakelen als de aftakas niet is aangesloten op de tandwielkast van de maai-eenheid.
Plaats de machine op een horizontaal oppervlak en zet de motor af.
Plaats het maaidek vóór de tractie-eenheid.
Schuif de mannelijke aftakas in de vrouwelijke aftakas (Figuur 26).
Zet de hefschakelaar vooruit in de ZWEEFSTAND. Druk een hefarm omlaag totdat de openingen in de hefarm zijn uitgelijnd met de openingen in de beugel van de zwenkwielarm en u de maaihoogtestang in de blokken van de hefarm kunt brengen (Figuur 27).
Bevestig de hefarm aan de zwenkwielarm; gebruik hierbij 2 drukringen, een gaffelpen en een R-pen. Plaats de drukringen tussen de hefarm en de beugel van de zwenkwielarm (Figuur 27) en steek het uiteinde van de gaffelpen in de sleuf in de lip van de zwenkwielarm om de gaffelpen te borgen.
Herhaal de procedure voor de tegenoverliggende hefarm.
Start de tractie-eenheid en breng het maaidek omhoog.

In de boven- en onderkant van de buis in de zwenkwielarmen zitten lagerbussen gedrukt. Deze lagerbussen zullen na vele bedrijfsuren slijten.
Om de lagerbussen te controleren, moet u de zwenkwielvork naar voren en naar achteren en van links naar rechts bewegen. Als de zwenkwielas los in de lagerbussen zit, zijn de lagerbussen versleten en zijn deze aan vervanging toe.
Breng het maaidek omhoog zodat de wielen vrijkomen van de grond. Zet het maaidek vast om te voorkomen dat dit per ongeluk naar beneden valt.
Verwijder het klemkapje, de afstandsstuk(ken) en de drukring van de bovenkant van de zwenkwielas.
Trek de zwenkwielas uit de buis waarin deze is bevestigd. Laat de drukring en afstandsstuk(ken) onder op de as zitten.
Sla een drevel in de boven- of onderkant van de bevestigingsbuis en tik de lagerbus uit de buis (Figuur 28). Tik ook de andere lagerbus uit de buis. Reinig de binnenkant van de buizen.

Smeer vet aan de binnen- en buitenkant van de nieuwe lagerbussen. Druk de lagerbussen voorzichtig in de bevestigingsbuis met behulp van een hamer en een vlakke plaat.
Controleer de zwenkwielas op slijtage en vervang deze in geval van beschadiging.
Duw de zwenkwielas door de lagerbussen en de bevestigingsbuis, schuif de drukring en afstandsstuk(ken) op de as, en plaats het klemkapje op de zwenkwielas.
| Onderhoudsinterval | Onderhoudsprocedure |
|---|---|
| Na de eerste 2 bedrijfsuren |
|
| Na de eerste 10 bedrijfsuren |
|
| Om de 50 bedrijfsuren |
|
Verwijder de borgmoer van de bout waarmee het zwenkwiel is bevestigd aan de zwenkwielvork (Figuur 29). Pak het zwenkwiel vast en schuif de bout uit de vork of draaiarm.

Verwijder het lager uit de wielnaaf en laat het lager eruit vallen (Figuur 29). Verwijder het lager vanaf de andere kant van de wielnaaf.
Controleer de lagers, het afstandsstuk en de binnenkant van de wielnaaf op slijtage. Beschadigde delen vervangen.
Om het zwenkwiel in elkaar te zetten, drukt u het lager in de wielnaaf. Om de lagers te monteren, moet u op de buitenste loopring van het lager drukken.
Schuif het afstandsstuk van het lager in de wielnaaf. Druk het andere lager in het open uiteinde van de wielnaaf om het afstandsstuk van het lager in de wielnaaf vast te zetten.
Plaats de zwenkwielset in de zwenkwielvork en zet deze vast op zijn plaats met behulp van een bout en een borgmoer.
Plaats de machine op een horizontaal oppervlak. Breng de maai-eenheid omhoog, stel de parkeerrem in werking, zet het tractiepedaal in de neutraalstand en schakel de aftakas UIT. Zet daarna de motor af en verwijder het sleuteltje uit het contact. Zet het maaidek vast om te voorkomen dat dit per ongeluk naar beneden valt.
Draai het mes totdat de uiteinden in de lengterichting liggen. Meet de afstand vanaf de binnenkant van het maaidek tot de voorste snijrand van het mes (Figuur 30) en onthoud deze afstand.

Draai de tegenovergestelde uiteinden van de messen naar voren. Meet de afstand tussen het maaidek en de snijrand van het mes op dezelfde plaats als bij stap 2. Het verschil tussen de afstanden die zijn gemeten bij stap2 en 3 mag niet meer bedragen dan 3 mm. Als het verschil meer dan 3 mm bedraagt, is het mes krom en moet het worden vervangen; zie Mes(sen) verwijderen en monteren.
Een mes moet worden vervangen als u vast voorwerp heeft geraakt, of als het mes uit balans, krom of versleten is. Gebruik ter vervanging altijd originele Toro messen zodat u zeker bent van een veilig gebruik en optimale prestaties. Gebruik nooit messen van andere fabrikanten, omdat deze gevaarlijk kunnen zijn.
Breng het maaidek omhoog naar de hoogste stand, stel de parkeerrem in werking, zet de motor af en verwijder het sleuteltje uit het contact. Zet het maaidek vast om te voorkomen dat dit per ongeluk naar beneden valt.
Pak het uiteinde van het mes vast met een doek of een dikke, gevoerde handschoen. Verwijder de mesbout, de antiscalpeercup en het mes van de as (Figuur 31).

Plaats het mes met de vleugel in de richting van het maaidek en bevestig de antiscalpeercup en de mesbout. Draai de mesbout vast met een torsie van 115 tot 149 N·m.
Important: Het gebogen deel van het mes moet naar de binnenzijde van de maai-eenheid wijzen om een goede maaikwaliteit te garanderen.
| Onderhoudsinterval | Onderhoudsprocedure |
|---|---|
| Na de eerste 10 bedrijfsuren |
|
| Bij elk gebruik of dagelijks |
|
| Om de 50 bedrijfsuren |
|
Een versleten of beschadigd mes kan breken en een stuk van het mes kan worden uitgeworpen in de richting van de bestuurder of omstanders en ernstig lichamelijk of dodelijk letsel toebrengen.
Controleer op gezette tijden het maaimes op slijtage of beschadigingen.
Probeer nooit een verbogen mes weer recht te buigen.
U mag gebroken of gescheurde messen niet lassen.
Vervang een versleten of beschadigd mes door een nieuw Toro mes om er zeker van te zijn dat de machine altijd veilig kan worden gebruikt.
Zowel de snijranden als de vleugel – dat is het deel dat naar boven steekt tegenover de snijrand – zorgen ervoor dat het mes een goede maaikwaliteit levert. De vleugel is belangrijk omdat dit het gras rechtop zet zodat het gelijkmatig wordt gemaaid. De vleugel zal echter tijdens het gebruik langzaam slijten, en dit is normaal. Als de vleugel slijt, zal de maaikwaliteit geleidelijk aan enigszins afnemen, hoewel de snijranden scherp blijven. De snijrand van het mes moet scherp zijn zodat het gras wordt gemaaid en niet wordt afgescheurd. De snijrand is kennelijk bot als de punten van de grassprieten bruin zijn of kapot zijn gescheurd. Slijp de snijranden om dit te verhelpen.
Parkeer de machine op een horizontaal oppervlak. Breng de maai-eenheid omhoog, stel de parkeerrem in werking, zet het tractiepedaal in de neutraalstand en schakel de aftakas UIT. Zet daarna de motor af en verwijder het sleuteltje.
Controleer nauwkeurig de uiteinden van het maaimes, in het bijzonder op de plaats waar het platte en het gebogen deel samenkomen (Figuur 32). Omdat het metaal dat het platte en het gebogen deel van het mes verbindt, kan wegslijten door zand en ander schurend materiaal, moet u dit steeds controleren voordat u gaat maaien. Als u een slijtplek (Figuur 32) ontdekt, moet u het mes vervangen: zie Mes(sen) verwijderen en monteren.

Als het mes gaat slijten, kan er een groef ontstaan tussen de wiek en het platte deel van het mes (Figuur 32). Uiteindelijk kan dan een stuk van het mes afbreken en van onder de maaikast worden weggeslingerd waardoor de bestuurder of een omstander ernstig letsel kan oplopen.
Controleer op gezette tijden het maaimes op slijtage of beschadigingen.
Vervang een versleten of beschadigd mes door een nieuw Toro mes om er zeker van te zijn dat de machine altijd veilig kan worden gebruikt.
Controleer de snijranden van alle messen. Als de snijranden niet scherp zijn of bramen vertonen, moeten ze worden geslepen. Gebruik een vijl om de bovenkant van het mes te slijpen en de oorspronkelijke snijhoek te behouden en te zorgen dat het mes scherp blijft (Figuur 33). Het mes zal in balans blijven als dezelfde hoeveelheid metaal aan beide snijranden wordt weggehaald.

Note: Verwijder de messen en slijp ze op een slijpmachine, zie Het maaimes verwijderen. Nadat de snijranden zijn geslepen, monteert u het mes met de antiscalpeercup en de mesbout. De vleugelen moeten zich aan de bovenzijde van het mes bevinden. Draai de mesbout vast met een torsie van 115 tot 149 Nm.
| Onderhoudsinterval | Onderhoudsprocedure |
|---|---|
| Om de 50 bedrijfsuren |
|
De drijfriem van het maaimes, die wordt gespannen door de veerbelaste spanpoelie, is vervaardigd van zeer duurzaam materiaal. De riem zal echter na vele bedrijfsuren tekenen van slijtage gaan vertonen. Tekenen dat een riem aan het slijten is zijn: gieren tijdens het draaien van de riem, als de messen slippen tijdens het maaien, gerafelde randen, schroeiplekken en scheuren. Vervang de riem als u een van deze dingen merkt.
Laat de maaidekken neer tot op de grond. Verwijder de drijfriemkappen die boven op het maaidek zitten. Zet de drijfriemkappen weg.
Trek de poelie van de tandwielkast weg van de onderste drijfriem (Figuur 34) om deze te ontspannen en laat de drijfriem loskomen van de poelies. Gebruik hiervoor een momentsleutel of soortgelijk gereedschap (Figuur 35).


Verwijder de oude riem van de aspoelies en de spanpoelie.
Leg de nieuwe riem rond de aspoelies en de spanpoelie Figuur 36.

Plaats de drijfriemkappen terug.
Als de uitworpopening niet afgedekt is, kan de machine voorwerpen uitwerpen naar u of naar omstanders; dit kan ernstig letsel veroorzaken. Daarnaast kunt u ook in contact komen met het mes.
Gebruik de machine niet zonder afdekplaat, mulchplaat of een grasafvoer en een grasvanger.
Controleer of de grasgeleider omlaag staat.
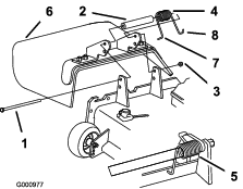
Verwijder de borgmoer, bout, veer en afstandsstuk waarmee de bevestigingen van de grasgeleider vastzitten op de draaibeugels (Figuur 37). Verwijder een beschadigde of versleten grasgeleider.
Plaats een afstandsstuk en de veer op de grasgeleider. Plaats het Leind van de veer achter de rand van het maaidek.
Note: Zorg ervoor dat het L-vormige eind van de veer is gemonteerd achter de rand van het maaidek voordat u de bout plaatst zoals wordt aangegeven in Figuur 37.
Monteer de bout en de moer. Plaats het J-vormige haakuiteinde van de veer om de grasgeleider (Figuur 37).
Important: U moet de grasgeleider omlaag kunnen brengen op zijn plaats. Til de grasgeleider omhoog om te controleren of deze volledig omlaag klapt.
