| Underhållsintervall | Underhållsförfarande |
|---|---|
| Var 50:e timme |
|
| Var 400:e timme |
|
Detta gräsklippardäck med rotorknivar monteras på en åkmaskin och är avsett att användas av yrkesförare som har anlitats för kommersiellt arbete. Den är primärt konstruerad för att klippa gräs på väl underhållna parkgräsmattor, sportanläggningar och kommersiella anläggningar. Den är inte konstruerad för klippning i snår.
Important: För att öka säkerheten och prestandan samt säkerställa en korrekt hantering av maskinen ska du noggrant läsa och till fullo förstå innehållet i den här bruksanvisningen. Underlåtenhet att följa driftanvisningarna eller genomgå lämplig utbildning kan leda till personskador. Du hittar mer information om säker användning, bland annat i form av säkerhetsråd och utbildningsmaterial, på https://www.toro.com/sv-se.
Kontakta gärna Toro direkt på www.Toro.com för att få information om produkter och tillbehör, få hjälp med att hitta en återförsäljare eller för att registrera din produkt.
Kontakta en auktoriserad återförsäljare eller Toros kundservice och ha produktens modell- och artikelnummer till hands om du har behov av service, Toro-originaldelar eller ytterligare information. Figur 1 visar var på produkten modell- och serienumren sitter. Skriv numren i det tomma utrymmet.
Important: Skanna rutkoden på serienummerdekalen (i förekommande fall) med en mobil enhet för att få tillgång till information om garanti, reservdelar och annat.

I den här bruksanvisningen anges potentiella risker och alla säkerhetsmeddelanden har markerats med en varningssymbol (Figur 2), som anger fara som kan leda till allvarliga personskador eller dödsfall om föreskrifterna inte följs.

Två ord används också i den här bruksanvisningen för att markera information. Viktigt anger speciell teknisk information och Observera anger allmän information som bör ges särskild uppmärksamhet.
Denna produkt uppfyller alla relevanta europeiska direktiv. Mer information finns i försäkran om inbyggnad i slutet av det här dokumentet.
KALIFORNIEN
Proposition 65 Varning
Användning av produkten kan orsaka kemikalieexponering som av den amerikanska delstaten Kalifornien anses orsaka cancer, fosterskador och andra fortplantningsskador.
Maskinen har utformats i enlighet med SS-EN ISO 5395-3:2013 och ANSI B71.4-2017.
Maskinen kan slita av händer och fötter och kasta omkring föremål. Följ alltid alla säkerhetsanvisningar för att undvika allvarliga personskador.
Det kan medföra fara för dig och kringstående om maskinen används i andra syften än vad som avsetts.
Läs och se till att du har förstått innehållet i den här bruksanvisningen innan du startar motorn.
Var fullt koncentrerad på maskinen när du använder den. Delta inte i aktiviteter som kan distrahera dig, eftersom personskador eller skador på egendom då kan uppstå.
Håll händer och fötter på avstånd från maskinens rörliga delar.
Kör endast maskinen om skydd och andra säkerhetsanordningar sitter på plats och fungerar.
Håll avstånd till utkastaröppningen. Håll kringstående och husdjur på säkert avstånd från maskinen.
Håll barn på säkert avstånd från arbetsområdet. Låt aldrig barn använda maskinen.
Parkera maskinen på ett plant underlag, sänk ned klippenheterna, koppla ur drivhjulen, koppla in parkeringsbromsen (om den finns), stäng av motorn och ta ut nyckeln innan du lämnar förarplatsen av någon anledning.
Felaktigt bruk eller underhåll av maskinen kan leda till personskador. För att minska risken för skador ska du alltid följa säkerhetsanvisningarna och uppmärksamma varningssymbolen. Symbolen betyder Var försiktig, Varning eller Fara – anvisning om personsäkerhet. Underlåtenhet att följa anvisningarna kan leda till personskador eller dödsfall.
Ytterligare säkerhetsinformation finns i den här bruksanvisningen.
Läs bruksanvisningen för traktorenheten och övrigt utbildningsmaterial noga. Bekanta dig med reglagen och säkerhetsskyltarna, och lär dig hur maskinen ska användas. Om förare eller mekaniker inte kan läsa texten är det ägarens ansvar att förklara innehållet i materialet för dem.
Lär dig hur du använder utrustningen på ett säkert sätt och bekanta dig med manöverorgan och säkerhetsskyltar.
Ägaren/operatören kan förebygga och ansvarar för olyckor som kan ge upphov till personskador eller skador på egendom.
Använd lämpliga kläder, inklusive ögonskydd, långbyxor, ordentliga och halkfria skor samt hörselskydd. Sätt upp långt hår och använd inte lösa smycken.
Inspektera området där maskinen ska köras ordentligt och avlägsna alla föremål, som stenar, leksaker och ledningar, som kan slungas omkring av maskinen.
Kontrollera att förarens närvaroreglage, säkerhetsbrytare och skydd sitter fast och fungerar som de ska. Kör inte maskinen om dessa inte fungerar som de ska.
Stanna maskinen, dra ut nyckeln och vänta tills alla rörliga delar har stannat innan du undersöker redskapet om du kör på ett föremål eller om maskinen vibrerar på ett onormalt sätt. Reparera alla skador innan du börjar köra maskinen igen.
Håll händer och fötter borta från klippenheterna.
Håll alla delar i gott bruksskick och samtliga beslag åtdragna. Byt ut alla slitna eller skadade dekaler.
En sliten eller skadad kniv kan gå sönder och en bit av kniven kan slungas ut mot dig eller någon kringstående, vilket kan leda till allvarliga personskador eller dödsfall.
Kontrollera om kniven är sliten eller skadad med jämna mellanrum.
Var försiktig när du kontrollerar knivarna. Linda in knivarna i något eller ta på dig handskar, och var försiktig när du servar knivarna. Knivarna får endast bytas ut eller slipas – de ska aldrig rätas ut eller svetsas.
Var försiktig när en kniv roteras på maskiner med flera knivar, eftersom den kan få även andra knivar att börja rotera.
Kontrollera knivarnas fästskruvar ofta för att se till att de är åtdragna enligt specifikationerna.
![]() |
Säkerhetsdekalerna och anvisningarna är fullt synliga för föraren och finns nära alla potentiella farozoner. Ersätt dekaler som har skadats eller saknas. |










Om du lämnar nyckeln i tändningslåset kan någon av misstag starta motorn och skada dig eller någon annan person allvarligt.
Ta ut nyckeln ur tändningslåset innan du utför något underhåll.
Om motorn är igång och kraftuttagsaxeln får rotera kan detta leda till allvarliga skador.
Starta inte motorn och koppla inte in kraftuttagsbrytaren om inte kraftuttagsaxeln är ansluten till klippenhetens växellåda.
Note: Vänster och höger sida på maskinen är lika med förarens vänstra respektive högra sida vid normal körning.
Important: Om den 183 cm breda klippenheten med sidoutkast (modell 31336) ska monteras på en traktorenhet av modell 30307, 30308, 30309, 30343, 30344 eller 30345 med ett serienummer som är lägre än 311000301, ska en riktningssats för klippenheten (artikelnummer 120-6599) monteras på klippenheten innan den senare monteras på traktorenheten.
Om utkastaröppningen inte är täckt kan maskinen slunga ut föremål i riktning mot föraren eller kringstående och därmed orsaka allvarliga skador. Det skulle också kunna medföra kontakt med knivarna.
Kör inte maskinen utan en täckplåt, mullplåt eller gräsutkastare och gräsuppsamlare.
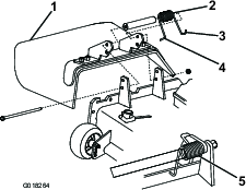
Kontrollera att gräsriktaren är i nedfällt läge.
Ta bort kabelbandet som fäster gräsriktaren på däckets ovansida och sänk ned gräsriktaren.
Sätt fjäderns vänstra J-formade ände runt däckkanten
Placera fjäderns högra J-formade ände runt gräsriktaren (Figur 3).
Important: Du måste kunna sänka ned gräsriktaren i sitt läge. Lyft upp riktaren för att kontrollera att den går ned helt.

Delar som behövs till detta steg:
| Höger lyftarm | 1 |
| Vänster lyftarm | 1 |
Lossa (men ta inte bort) de hjulmuttrar som säkrar hjul- och däckanordningen mot framhjulstapparna på ena sidan av traktorenheten.
Hissa upp maskinen tills framhjulet lyfter från marken. Använd domkrafter eller palla upp maskinen så att den inte faller ned.
Ta bort hjulmuttrarna och skjut av hjul- och däckanordningen från tapparna.
Ta bort lyftarmarna från pallen.
Ta bort svängtappen och en saxpinnen från respektive lyftarm.
Montera en lyftarm på tappfästet med en svängtapp och en saxpinne (Figur 4). Montera lyftarmen med böjen utåt.
Kroka fast bromsreturfjädern i tappen på lyftarmen (Figur 4).

Montera hjulet och däckanordningen. Dra åt hjulmuttrarna till mellan 102 och 108 Nm.
Upprepa proceduren på maskinens andra sida.
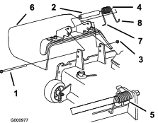
Ta bort de två tryckbrickorna, sprintbulten och hårnålssprinten från respektive hjularmsfäste på klippenheten (Figur 5).
Placera klippenheten i rätt läge framför traktorenheten.
Tryck lyftbrytaren framåt till det FLYTANDE läget. Tryck ned en lyftarm tills hålen i lyftarmen kommer i linje med hålen i hjularmsfästet (Figur 5).

Fäst lyftarmen på hjularmen med de två tryckbrickorna, en sprintbult och en hårnålssprint.
Placera tryckbrickorna mellan lyftarmen och hjularmsfästet (Figur 5) och för in saxpinnens ände i springan i hjularmstappen för att fästa den.
Upprepa proceduren på den motsatta lyftarmen.
Starta traktorenheten och höj klippenheten.
Skjut in kraftuttagets hanaxel i kraftuttagets honaxel, justera monteringshålen i växellådans ingående axel efter hålen i kraftuttagets axel och skjut ihop dem.

Säkra monteringen med en rulltapp.
Dra åt skruvarna och muttrarna.
Innan maskinen används måste den smörjas så att den får rätt smörjegenskaper. Se Smörjning. Om du inte smörjer maskinen på rätt sätt kommer viktiga komponenter att gå sönder i förtid.
Note: Delarnas specifikationer och utformning kan ändras utan föregående meddelande.
| Klippbredd | 1,829 m |
| Klipphöjd | Kan ställas in från 25 till 127 mm i steg om 13 mm. |
| Totalvikt | Modell 31335: 251 kg Modell 31336: 292 kg |
Det finns ett urval av godkända Toro-redskap och -tillbehör som du kan använda för att förbättra och utöka maskinens kapacitet. Kontakta en auktoriserad serviceverkstad eller återförsäljare eller gå till www.Toro.com för att se en lista över alla godkända redskap och tillbehör.
Använd endast originalreservdelar och tillbehör från Toro för att garantera optimal prestanda och fortlöpande säkerhet för produkten. Det kan vara farligt att använda reservdelar och tillbehör från andra tillverkare och det kan göra produktgarantin ogiltig.
Note: Vänster och höger sida på maskinen är lika med förarens vänstra respektive högra sida vid normal körning.
Om du lämnar nyckeln i tändningslåset kan någon råka starta motorn av misstag och skada dig eller någon annan person allvarligt.
Ta ut nyckeln ur tändningslåset innan du utför något underhåll.
| Underhållsintervall | Underhållsförfarande |
|---|---|
| Var 50:e timme |
|
| Var 400:e timme |
|
Växellådan är konstruerad för att drivas med olja av typen SAE 80–90. Även om växellådan levereras med olja från fabriken, bör oljenivån kontrolleras innan klippenheten tas i drift. Växellådan rymmer 283 ml.
Parkera maskinen och klippenheten på en plan yta.
Ta ut oljestickan/påfyllningspluggen från ovansidan av växellådan (Figur 7) och kontrollera att oljenivån ligger mellan markeringarna på oljestickan. Fyll på med olja så att nivån ligger mellan markeringarna, om nivån är låg.

Klipphöjden kan ställas in till mellan 25 och 127 mm, i steg om 13 mm. Ställ in klipphöjden genom att placera svänghjulsaxlarna i hjulgafflarnas övre eller nedre hål och lägg till eller ta bort samma antal distanser från hjulgafflarna.
Starta motorn och lyft klippenheten från golvet så att klipphöjden kan ändras. Stäng av motorn och ta ut nyckeln när klippenheten har höjts.
Sätt svänghjulsaxlarna i samma hål i alla hjulgafflar. Se Figur 8,Figur 9 och Figur 10 för att avgöra vilka hål som är korrekta för inställningen.


Note: Om du använder en klipphöjd på 64 mm eller mer måste du montera axelbulten i det nedre hjulgaffelhålet för att undvika att gräs ansamlas mellan hjulet och gaffeln. Om du använder en klipphöjd som är lägre än 64 mm och märker att gräs ansamlas, ska du backa maskinen så att gräsklippet dras bort från hjul-/gaffelområdet.
Ta bort spännlocket från spindelaxeln (Figur 8) och skjut ut spindeln ur svänghjulsarmen.
Placera de två mellanläggen (1/8 tum) på spindelaxeln såsom de satt från början. Mellanläggen krävs för att man ska få jämn höjd över hela klippenheternas bredd. Skjut på ett lämpligt antal ½-tums distansbrickor på spindelaxeln för att få önskad klipphöjd. Skjut sedan på brickan på axeln.
Se Figur 9 för att avgöra vilka distanskombinationer som är korrekta för inställningen.
Skjut svänghjulsspindeln genom svänghjulsarmen. Montera mellanläggen (såsom de satt från början) och de återstående distansbrickorna på spindelaxeln. Sätt tillbaka spännlocket så att allt sitter stadigt.
Note: Om du vill ha en klipphöjd på 25 mm, 38 mm eller ibland 51 mm, ska du flytta medarna och valsen till de översta hålen.
Ta bort spännlocket från spindelaxeln (Figur 10).

Note: Du behöver inte ta bort den bakre hjulgaffeln från hjularmen när du ska ändra klipphöjden.
Ta bort eller lägg till C-formade distansbrickor vid det smala partiet på spindelaxeln, under hjularmen för att få önskad klipphöjd. Se till att mellanläggsbrickorna – inte distansbrickorna – är i kontakt med svänghjulsarmens övre och nedre del.
Sätt tillbaka spännlocket så att allt sitter stadigt.
Se till att alla fyra svänghjulen har samma klipphöjdsinställning.
Note: Om du vill ha en klipphöjd på 25 mm, 38 mm eller ibland 51 mm, ska du flytta medarna och valsen till de översta hålen.
Note: Justera om valsen till de översta fästhålen om du använder en klipphöjdsinställning på 25 eller 38 mm.
Justera de främre valsarna på följande sätt:
Ta bort skruven och muttern som håller fast valsaxeln på däckfästet (Figur 11).

Dra ut axeln ur de nedre fästhålen, passa in valsen efter de översta hålen och montera axeln.
Sätt fast skruven och muttern så att allt sitter stadigt.
Justera de bakre (inre) valsarna enligt Figur 12.

Montera medarna i det nedre läget när du använder klipphöjder över 64 mm och i det övre läget när du använder klipphöjder under 64 mm.
Justera medarna genom att ta bort flänsbulten och muttrarna, placera medarna i önskat läge och sätta tillbaka fästelementen (Figur 13).

Justera antiskalvalsarnas höjd om du ändrar klipphöjden.
När du har ställt in klipphöjden ska du justera valsarna genom att ta bort flänsmuttern, bussningen, distansbrickan och bulten (Figur 14).

Välj hål så att antiskalvalsen befinner sig så nära den önskade klipphöjden som möjligt.
Montera flänsmuttern, bussningen, distansbrickan och skruven. Dra åt till ett moment på 54–61 Nm (Figur 14).
Utkastarens skärm kan ställas in för olika typer av klippning. Placera kamlåsen och skärmen så att du får bästa klippkvalitet.
Justera kamlåsen genom att svänga upp spaken för att lossa kamlåset (Figur 15).
Ställ in skärmen och kamlåsen i skårorna för önskat utkastarläge.
Sväng tillbaka spaken för att dra åt skärmen och kamlåsen (Figur 15).
Lossa spaken och vrid på kamlåset om kamlåsen inte låser skärmen på plats eller om den sitter för hårt. Justera kamlåset tills du har uppnått önskat låstryck.

Följande visningsbilder är endast rekommendationer. Vilka justeringar som bör göras varierar beroende på grästyp, fuktinnehåll och gräsets höjd.
Note: Öppna skärmen om motorn tappar effekt och gräsklipparens hastighet är densamma.
Det här läget är ”helt bakåt”. Det här läget rekommenderas för:
används för kort, lättklippt gräs
används vid torra förhållanden
används för kortare gräsklipp
kastar iväg gräsklippet längre bort från gräsklipparen

Använd det här läget vid uppsamling. Lägg det alltid i linje med blåsaröppningen.

Det här läget är ”helt öppet”. Det här läget
används för långt, tätt gräs
används vid våta förhållanden
sänker motorns effektförbrukning
tillåter högre hastighet vid svåra förhållanden

Klippenhetens lutning är skillnaden i klipphöjd mellan knivplanets främre del och knivplanets bakre del. Använd en knivlutning på 8 mm. Det innebär att knivbladets bakkant är 8 mm högre än dess framkant.
Placera maskinen på en jämn yta på verkstadsgolvet.
Ställ in klippenheten på önskad klipphöjd.
Rotera en kniv så att den pekar rakt framåt.
Använd en kort linjal och mät från golvet till längst fram på knivbladet. Rotera knivspetsen så att den pekar bakåt och mät avståndet från golvet till knivens spets.
Subtrahera frammåtten med bakmåtten för att räkna ut knivens lutning.
Justera mellanläggen, på de främre eller bakre hjularmarna, så att klippenheten får rätt lutning (Figur 19).

På grund av skillnader i gräsförhållandena och traktorenhetens motviktsinställning rekommenderar vi att gräset grovklipps och utseendet kontrolleras innan den egentliga klippningen påbörjas.
Ställ in klippenheten på önskad klipphöjd. Se Justera klipphöjden.
Kontrollera och justera trycket i traktorns fram- och bakdäck till 1,38 bar.
Kontrollera och justera däcktrycket i alla hjulen till 3,45 bar.
Kontrollera att knivarna inte är böjda. Se Kontrollera om någon kniv är böjd.
Klipp gräset på ett testområde och kontrollera att alla klippenheter klipper med samma höjd.
Om någon klippenhet behöver justeras ytterligare ska du välja ut en plan yta med en rak kant på minst två meter.
Öka klipphöjden till det högsta läget för att göra det lättare att mäta knivplanet. Se Justera klipphöjden.
Sänk ned klippenheten till den plana ytan. Ta bort kåporna ovanpå klippenheterna.
Rotera kniven på varje spindel tills ändarna vetter framåt/bakåt.
Mät från golvet till längst fram på skäreggen.
Justera mellanläggen på hjulgafflarna så att klipphöjden stämmer överens med dekalen. Se Justera klipphöjden.
Klipparen har en fällbar gräsriktare som sprider ut det klippta gräset åt sidan och ner i gräsmattan.
Om ingen gräsriktare, utkastarlucka eller komplett gräsuppsamlare har monterats kan du och andra komma i kontakt med knivarna eller träffas av utslungat skräp. Kontakt med roterande kniv(ar) och utslungat skräp kan orsaka skador eller innebära livsfara.
Ta inte bort gräsriktaren från klipparen eftersom den riktar avfallet ned mot gräset. Byt omedelbart ut gräsriktaren om den skadas.
För aldrig in händerna eller fötterna under klipparen.
Försök aldrig att rensa utkastaren eller knivarna utan att först stänga AV kraftuttaget (knivreglagebrytaren), vrida tändningsnyckeln till det avstängda läget samt ta ur nyckeln.
Kontrollera att gräsriktaren är i nedfällt läge.
Klipp antingen en bit in på förmiddagen för att undvika daggen som får gräset att klumpa ihop sig eller sent på eftermiddagen för att undvika de skador som direkt solljus kan orsaka på den känsliga, nyklippta gräsmattan.
Klipp av cirka 2,5 cm eller högst en tredjedel av grässtrået. Vid klippning av ovanligt frodigt och tätt gräs kan det vara nödvändigt att höja klipphöjdsinställningen ytterligare ett steg.
I normala fall behöver gräs klippas cirka var fjärde till var femte dag. Kom dock ihåg att gräs inte växer lika snabbt under de olika årstiderna. Det innebär att om du vill behålla samma längd på gräset – vilket är en god vana – behöver du klippa oftare under tidig vår, och eftersom grästillväxten avtar mitt på sommaren ska det då endast klippas var åttonde till tionde dag. Om du inte kan klippa gräset under en längre period på grund av vädret eller andra skäl, bör du först klippa med en högre klippinställning och därefter klippa igen två till tre dagar senare med en lägre klippinställning.
En slipad kniv klipper rent utan att slita och rycka av grässtråna som ett slött knivblad. Om gräset slits och rycks av gulnar det i ändarna, vilket försämrar tillväxten och ökar risken för sjukdomar.
Rengör undersidan av gräsklipparkåpan efter varje användningstillfälle för bästa möjliga prestanda. Om beläggning tillåts att bildas i gräsklipparkåpan försämras klipprestandan.
Toro rekommenderar en knivlutning på 8 mm. En lutning som överstiger 8 mm medför minskat effektbehov, större gräsklipp och sämre klippkvalitet. En lutning som är mindre än 8 mm medför ökat effektbehov, mindre gräsklipp och bättre klippkvalitet.
| Underhållsintervall | Underhållsförfarande |
|---|---|
| Efter de första 2 timmarna |
|
| Efter de första 10 timmarna |
|
| Varje användning eller dagligen |
|
| Var 50:e timme |
|
| Var 400:e timme |
|
Om du lämnar nyckeln i tändningslåset kan någon av misstag starta motorn och skada dig eller någon annan person allvarligt.
Ta ut nyckeln ur tändningslåset innan du utför något underhåll.
| Underhållsintervall | Underhållsförfarande |
|---|---|
| Varje användning eller dagligen |
|
| Var 50:e timme |
|
Maskinen har smörjnipplar som måste smörjas regelbundet med fett nr 2 på litiumbas.
Smörj följande områden:
Ställ maskinen och klippenheten på en plan yta och sänk ned klippenheten. Ta ut oljestickan/påfyllningspluggen från ovansidan av växellådan (Figur 24) och kontrollera att oljenivån ligger mellan markeringarna på oljestickan. Om oljenivån är låg fyller du på olja av typen SAE 80-90 tills nivån ligger mellan markeringarna. Växellådan rymmer 283 ml.

Important: Fästelementen på maskinens skyddsplåtar är konstruerade så att de ska sitta kvar på plåten efter att de har lossats. Lossa alla fästelement på varje plåt något så att plåten sitter löst, men inte är helt loss. Gå sedan tillbaka och lossa dem helt så att plåten kan tas bort. På så sätt lossar du inte bultarna från hållarna av misstag.
Parkera maskinen på en jämn yta, sänk klippenheten till golvet, för lyftspaken till FLYTANDE läge, stäng av motorn och koppla in parkeringsbromsen.
Avlägsna hårnålssprintarna och sprintbultarna som fäster lyftarmarna vid hjularmsfästena (Figur 25).

Rulla bort klippenheten från traktorenheten och skilj kraftuttagsaxelns han- och hondelar åt (Figur 26).

Allvarliga skador kan inträffa om motorn startas och kraftuttagsaxeln tillåts rotera.
Starta inte motorn och koppla inte in kraftuttagsspaken om inte kraftuttagsaxeln är ansluten till klippenhetens växellåda.
Ställ maskinen på en plan yta och stäng av motorn.
Placera klippenheten i rätt läge framför traktorenheten.
Skjut in kraftuttagets hanaxel i kraftuttagets honaxel (Figur 26).
Tryck lyftbrytaren framåt till det FLYTANDE läget. Tryck ned en lyftarm tills hålen i lyftarmen kommer i linje med hålen i hjularmsfästet och du kan föra in klipphöjdsstången i lyftarmsfästena (Figur 27).
Fäst lyftarmen på hjularmen med två tryckbrickor, en sprintbult och en hårnålssprint, placera tryckbrickorna mellan lyftarmen och hjularmsfästet (Figur 27) och för in saxpinnens ände i springan i hjularmstappen för att fästa den.
Upprepa proceduren på den motsatta lyftarmen.
Starta traktorenheten och höj klippenheten.

På hjularmarna har bussningar pressats in i den övre och nedre delen av röret, och efter många körtimmar slits dessa bussningar.
Kontrollera bussningarna genom att flytta svänghjulsgaffeln fram och tillbaka och från sida till sida. Om svänghjulsspindeln är lös inuti bussningarna är bussningarna slitna och måste bytas ut.
Höj upp klippenheten så att hjulen lyfter från marken. Palla upp klippenheten så att den inte kan falla.
Ta bort spännlocket, distansbrickorna och tryckbrickan från svänghjulsspindelns ovansida.
Dra ut svänghjulsspindeln ur monteringsröret. Låt tryckbrickan och distansbrickan/-brickorna sitta kvar längst ned på spindeln.
Skjut in ett pinndorn i monteringsrörets övre eller nedre del och skjut ut bussningen ur röret (Figur 28). Skjut också ut den andra bussningen ur röret. Rengör insidan på rören och ta bort all smuts.

Stryk på fett på insidan och utsidan av de nya bussningarna. Skjut in bussningarna i monteringsröret med en hammare och en platt skiva.
Kontrollera om hjulspindeln är sliten och byt ut den om den är skadad.
Skjut hjulspindeln genom bussningarna och monteringsröret, skjut tryckbrickan och distansbrickorna på plats på spindeln och montera spännlocket på hjulspindeln.
| Underhållsintervall | Underhållsförfarande |
|---|---|
| Efter de första 2 timmarna |
|
| Efter de första 10 timmarna |
|
| Var 50:e timme |
|
Lossa låsmuttern från skruven som fäster svänghjulet i hjulgaffeln (Figur 29). Ta tag i svänghjulet och skjut ut skruven ur gaffeln eller svängarmen.

Ta bort lagret från hjulnavet och låt lagerdistansbrickan falla ut (Figur 29). Ta bort lagret från hjulnavets motsatta sida.
Kontrollera om lagren, distansbrickorna eller insidan av hjulnavet är slitna. Byt ut skadade delar.
Montera ihop svänghjulet igen genom att skjuta in lagret i hjulnavet. Tryck på den yttre lagerbanan när du monterar lagren.
Skjut in lagerdistansbrickan i hjulnavet. Skjut in det andra lagret i den öppna änden på hjulnavet så att lagerdistansbrickan sitter fast inuti hjulnavet.
Sätt svänghjulet i hjulgaffeln och fäst det med skruven och låsmuttern.
Ställ maskinen på en plan yta. Höj upp klippenheten, koppla in parkeringsbromsen, flytta gaspedalen till neutralläget, sätt kraftuttagsspaken i det AVSTäNGDA läget, stäng av motorn och ta ut tändningsnyckeln. Palla upp klippenheten så att den inte kan falla.
Rotera kniven tills ändarna vetter framåt och bakåt. Mät avståndet mellan klippenhetens insida till knivseggens spets (Figur 30). Kom ihåg måttet.

Rotera kniven så att dess motsatta ände riktas framåt. Mät avståndet mellan klippenheten och knivseggen på samma sätt som i steg 2. Skillnaden mellan måtten i steg 2 och 3 får inte vara större än 3 mm. Om skillnaden är större än 3 mm är kniven böjd och måste bytas ut, se Demontera och montera knivarna.
Kniven måste bytas ut om du har kört på ett hårt föremål eller om kniven är obalanserad, sliten eller böjd. Använd alltid originalknivar från Toro för att garantera säkerhet och optimal prestanda. Använd aldrig knivar från andra tillverkare eftersom dessa kan vara farliga.
Höj upp klippenheten till det högsta läget, lägg i parkeringsbromsen, stäng av motorn och ta ut tändningsnyckeln. Palla upp klippenheten så att den inte kan falla.
Fatta tag i knivens ände med en trasa eller en tjockt vadderad handske. Ta bort knivskruven, antiskalbehållaren och kniven från spindelaxeln (Figur 31).

Montera knivseglet med framsidan mot klippenheten med antiskalbehållaren och knivskruven. Dra åt knivskruven till 115–149 Nm.
Important: Knivens böjda del måste alltid vara vänd mot klippenhetens insida för att klippningen ska bli rätt.
| Underhållsintervall | Underhållsförfarande |
|---|---|
| Efter de första 10 timmarna |
|
| Varje användning eller dagligen |
|
| Var 50:e timme |
|
En sliten eller skadad kniv kan gå sönder och en bit av kniven kan slungas ut mot dig eller någon kringstående, vilket kan leda till allvarliga personskador eller dödsfall.
Kontrollera om kniven är sliten eller skadad med jämna mellanrum.
Försök inte att räta ut en böjd kniv.
Svetsa inte ihop en trasig eller sprucken kniv.
Byt ut en sliten eller skadad kniv mot en ny kniv från Toro för att säkerställa att produkten fortsätter att uppfylla säkerhetscertifieringarna.
Både knivseggarna och seglet – den uppåtvända delen mittemot eggen – bidrar till en god klippkvalitet. Seglet är viktigt eftersom det drar gräset rätt upp och därmed bidrar till en jämn klippning. Seglet kommer dock att slitas gradvis under arbetet, och detta är helt normalt. Allteftersom seglet slits ned kommer klippkvaliteten att försämras något även om knivseggarna är vassa. Knivens egg måste vara vass så att gräset klipps snarare än slits av. Om grässpetsarna ser bruna och avslitna ut är det ett tydligt tecken på att eggarna är slöa. Slipa dem i så fall för att åtgärda problemet.
Parkera maskinen på en plan yta. Höj upp klippenheten, koppla in parkeringsbromsen, flytta gaspedalen till neutralläget, sätt kraftuttagsspaken i det AVSTäNGDA läget, stäng av motorn och ta ut nyckeln.
Undersök knivseggarna noggrant, i synnerhet där knivens flata och böjda del möts (Figur 32). Kontrollera kniven innan du använder gräsklipparen eftersom sand och slipande material kan slita bort metallen som förenar knivens flata och böjda delar. Byt ut kniven om den är sliten (Figur 32). Se Demontera och montera knivarna.

Om du låter en kniv bli sliten bildas ett spår mellan seglet och knivens flata del (Figur 32). Till slut kan en bit av kniven gå av och slungas ut från under kåpan och kanske skada dig eller kringstående allvarligt.
Kontrollera om kniven är sliten eller skadad med jämna mellanrum.
Byt ut en sliten eller skadad kniv mot en ny kniv från Toro för att säkerställa att produkten fortsätter att uppfylla säkerhetscertifieringarna.
Kontrollera samtliga knivars eggar. Slipa knivseggarna om de är slöa eller hackiga. Slipa endast knivseggens översta del och behåll den ursprungliga skärvinkeln för bästa skärpa (Figur 33). Kniven förblir balanserad om lika mycket metall avlägsnas från båda eggarna.

Note: Ta bort knivarna och slipa dem på en slipmaskin. Se avsnittet Ta bort kniven. När du har slipat knivseggarna monterar du kniven med antiskalbehållaren och knivskruven. Knivseglen måste vara ovanför kniven. Dra åt knivskruven till 115–149 Nm.
| Underhållsintervall | Underhållsförfarande |
|---|---|
| Var 50:e timme |
|
Knivdrivremmen, som spänns av den fjäderbelastade mellanremskivan, är mycket hållbar. Efter många timmars användning kan dock remmen visa tecken på slitage. Tecken på slitage är: tjut när remmen roterar, slirande knivar vid gräsklippning, fransiga remkanter, brännmärken och sprickor. Byt ut remmen vid tecken på något av detta.
Sänk ned klippenheten till verkstadsgolvet. Ta bort remkåporna från klippenhetens ovansida och ställ dem åt sidan.
Använd en momentnyckel eller något liknande verktyg för att flytta mellanremskivan (Figur 34) bort från drivremmen för att minska spänningen och låta remmen glida av växellådsskivan (Figur 35).


Ta bort den gamla remmen runt spindelskivorna och mellanremskivan.
Dra den nya remmen runt spindelskivorna och mellanremskivan i enlighet med Figur 36.

Montera remkåporna.
Om utkastaröppningen inte är täckt kan maskinen slunga ut föremål i riktning mot föraren eller kringstående och därmed orsaka allvarliga skador. Det skulle också kunna medföra kontakt med knivarna.
Kör inte maskinen utan en täckplåt, mullplåt eller gräsutkastare och gräsuppsamlare.
Kontrollera att gräsriktaren är i nedfällt läge.
Ta bort låsmuttern, skruven, fjädern och distansbrickan som håller fast gräsriktaren på tappfästena (Figur 37). Demontera den skadade eller slitna gräsriktaren.
Sätt distansbrickan och fjädern på gräsriktaren. Placera fjäderns L-formade ände bakom däckkanten.
Note: Se till att fjäderns L-formade ände sitter bakom däckkanten innan du monterar bulten enligt Figur 37.
Montera bulten och muttern. Placera fjäderns J-formade ände runt gräsriktaren (Figur 37).
Important: Du måste kunna sänka ned gräsriktaren i sitt läge. Lyft upp riktaren för att kontrollera att den går ned helt.
