| 整備間隔 | 整備手順 |
|---|---|
| 50運転時間ごと |
|
| 400運転時間ごと |
|
このロータリーカッティングデッキは、乗用型の装置に取り付けて使用する専門業務用の製品であり、そのような業務に従事するプロのオペレータが運転操作することを前提として製造されています。この製品は、集約的で高度な管理を受けているスポーツフィールドや商用目的で使用される芝生に対する刈り込み管理を行うことを主たる目的として製造されております。本機は、雑草地の刈り取りを目的とした機械ではありません。
Important: この機械に本来の性能を発揮させ安全にお使いいただくために、このオペレーターズマニュアルに記載されている内容を十分にご理解ください。適切な講習を受けなかったり、正しい操作方法を守らなかったりすると、けがをする恐れがあります。安全な運転操作や安全確保のためのヒントなどについて、より詳しい情報はこちらへ:www.Toro.com。
弊社のウェブサイト www.Toro.com で製品やアクセサリ情報の閲覧、代理店についての情報閲覧、お買い上げ製品の登録などを行っていただくことができます。
整備について、また純正部品についてなど、分からないことはお気軽に弊社代理店またはカスタマーサービスにおたずねください。お問い合わせの際には、必ず製品のモデル番号とシリアル番号をお知らせください。図 1にモデル番号とシリアル番号を刻印した銘板の取り付け位置を示します。いまのうちに番号をメモしておきましょう。
Important: シリアル番号デカルについている QR コード(無い場合もあります)をモバイル機器でスキャンすると、製品保証、パーツその他の製品情報にアクセスできます。

この説明書では、危険についての注意を促すための警告記号(図 2)を使用しております。これらは死亡事故を含む重大な人身事故を防止するための注意ですから、必ずお守りください。

この他に2つの言葉で注意を促しています。重要 は製品の構造などについての注意点を、注はその他の注意点を表しています。
この製品は、関連する全ての欧州指令に適合しています。詳細についてはこの冊子の末尾にあるDOI(適合宣誓書)をご覧ください。
カリフォルニア州
第65号決議による警告
米国カリフォルニア州では、この製品を使用した場合、ガンや先天性異常などを誘発する物質に触れる可能性があるとされております。
この機械は、EN ISO 5395-3:2013 規格およびANSI B71.4-2017 規格に適合しています。
この機械は手足を切断したり物をはね飛ばしたりする能力があります。重大な人身事故を防ぐため、すべての注意事項を厳守してください。
この機械は本来の目的から外れた使用をすると運転者本人や周囲の人間に危険な場合があります。
エンジンを始動する前に必ずこのオペレーターズマニュアルをお読みになり、内容をよく理解してください。
この機械を運転する時は常に十分な注意を払ってください。運転中は運転操作に集中してください;注意散漫は事故の大きな原因となります。
機械の可動部の近くには絶対に手足を近づけないでください。
ガードなどの安全保護機器が正しく取り付けられていない時は、運転しないでください。
排出口の近くに手足などを近づけないでください。周囲の人や動物を十分に遠ざけてください。
作業場所に子供を近づけないでください。子供に運転させないでください。
どんな場合でも、運転位置を離れる時には、平らな場所に停車し、カッティングユニットを下降させ、駆動装置を解除し、駐車ブレーキ(装着車の場合)を掛け、エンジンを停止させてキーを抜き取ってください。
間違った使い方や整備不良は人身事故などの原因となります。事故を防止するため、以下に示す安全上の注意や安全注意標識のついている遵守事項は必ずお守りください 「注意」、「警告」、および「危険」 の記号は、人身の安全に関わる注意事項を示しています。これらの注意を怠ると死亡事故などの重大な人身事故が発生する恐れがあります。
このオペレーターズマニュアルの他の場所に書かれている注意事項も必ずお守りください。
トラクションユニットのオペレーターズマニュアルや関連するトレーニング資料をよくお読みください。各部の操作方法や本機の正しい使用方法に十分慣れておきましょう。オペレータが日本語を読めない場合には、オーナー の責任において、このオペレーターズマニュアル の内容を十分に説明してください。
安全な運転操作、各部の操作方法や安全標識などに十分慣れておきましょう。
オーナーやオペレータは自分自身や他の安全に責任があり、オペレータやユーザーの注意によって物損事故や人身事故を防止することができます。
作業にふさわしい服装をする;安全めがね、すべりにくく安全な靴、長ズボン、聴覚保護具を着用してください。長い髪は束ねてください。垂れ下がるような装飾品は身に着けないでください。
作業場所をよく確認し、石、おもちゃ、針金など機械にはね飛ばされる可能性のあるものはすべて取り除いてください。
オペレータコントロールやインタロックスイッチなどの安全装置が正しく機能しているか、また安全カバーなどが外れたり壊れたりしていないか点検してください。これらが正しく機能しない時には機械を使用しないでください。
異物をはね飛ばしたときや機体に異常な振動を感じたときにはまずマシンを停止し、キーを抜き取り、各部の動きが完全に止まってからよく点検してください。異常を発見したら、作業を再開する前にすべて修理してください。
カッティングユニットに手足を近づけないでください。
各部品が良好な状態にあり、ボルトナット類が十分にしまっているか常に点検してください。読めなくなったステッカーは貼り替えてください。
磨耗の進んだブレードや破損したブレードは、回転中にちぎれて飛び出す場合があり、これが起こるとオペレータや周囲の人間に多大の危険を及ぼし、最悪の場合には死亡事故となる。
ブレードが磨耗や破損していないか定期的に点検すること。
ブレードを点検する時には安全に十分注意してください。ブレードをウェスでくるむか、安全手袋をはめ、十分に注意して取り扱ってください。ブレードは研磨または交換のみ行い、たたいて修復したり溶接したりしないでください。
複数のブレードを持つ機械では、1つのブレードを回転させると他も回転する場合がありますから注意してください。
ブレードの取り付けボルトやナットが所定のトルクで締め付けられているか、頻繁に点検してください。
![]() |
危険な部分の近くには、見やすい位置に安全ラベルや指示ラベルを貼付しています。破損したりはがれたりした場合は新しいラベルを貼付してください。 |










始動キーをつけたままにしておくと、誰でもいつでもエンジンを始動させることができ、危険である。
整備・調整作業の前には必ず始動キーを抜いておくこと。
PTO シャフトを接続したままでエンジンが始動すると重大な人身事故が発生する恐れがある。
PTO シャフトがカッティングユニットのギアボックスに接続されるまでは、エンジンを始動してPTOスイッチを操作してはならない。
Note: 前後左右は運転位置からみた方向です。
Important: 72" 側方排出カッティングデッキ(モデル 31336)を、モデル 30307, 30308, 30309, 30343, 30344 または 31336 トラクションユニットに取り付ける場合で、これらのトラクションユニットのシリアル番号が 311000301 よりも小さい場合には、最初にカッティングユニット整列キット(パーツ番号 120–6599)をデッキに取り付ける必要があります。
排出口がデフレクタなどで覆われていないと、デッキから異物が飛び出して人に当たる恐れがあり、このようなことが実際におこると深刻な人身事故になりかねない。また、ブレードに触れて大怪我をする可能性もある。
必ず、カバープレート、マルチプレート、またはシュートと集草バッグを取り付けて運転すること。
デフレクタが降りた位置になっているのを必ず確認しておくこと。
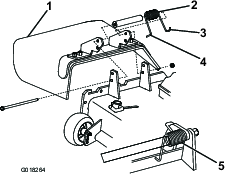
グラスデフレクタをデッキ上部に固定しているケーブルタイを切断し、デフレクタを下に降ろす。
スプリングの左側の J 形フック部をデッキのエッジに引っ掛ける。
スプリングの右側のJ-フックの端部をデフレクタに引っ掛ける(図 3)。
Important: デフレクタを所定位置まで降ろすことができなければいけません。デフレクタを手で上位置に持ち上げ、手を離すと自然に下位置になることを確認してください。

この作業に必要なパーツ
| 右昇降アーム | 1 |
| 左昇降アーム | 1 |
トラクションユニットの右前輪または左前輪のホイールナットをゆるめる(外さないこと)。
機体前部をジャッキアップして前輪を床から浮かす。落下事故防止のために、ジャッキスタンドや支持ブロックなどを使ってサポートする。
ゆるめたホイールナットを外し、タイヤとホイールを機体から外す。
出荷用パレットから昇降アームを取り出す。
各昇降アームからピボットピンとコッターピンを抜き取る。
ピボットピン 1 本、コッターピン1 本を使って、ピボットブラケットに昇降アームを取り付ける(図 4)。昇降アームを、曲がった部分が外側を向くようにして取り付ける。
ブレーキリターン・スプリングを昇降アームのタブ引っ掛ける(図 4)。

ホイール&タイヤアセンブリを取り付ける。ホイールナットを 102-108N·m(6.2-8.9kg.m = 75-80ft-lb)にトルク締めする。
同様の方法で機体の反対側でも作業を行う。
カッティングユニットの各キャスタアームのブラケットから、スラストワッシャ2枚、クレビスピン1本、ヘアピンコッター1本を取る(図 5)。
カッティングデッキをトラクションユニットの前に置く。
昇降スイッチを前位置フロート位置にセットする。昇降レバーを押し下げて、昇降アームの穴とキャスタアーム・ブラケットの穴とを整列させる(図 5)。

スラストワッシャ(2枚)、クレビスピン、ヘアピンコッターを使って、昇降アームをキャスタアームに固定する。
昇降うアームとキャスタアームブラケットの間にスラストワッシャを入れ(図 5)、コッターピンを、キャスタアーム・タブのスロットに差し込んで固定する。
もう一方の昇降アームにも同じ作業を行う。
トラクションユニットを始動し、カッティングユニットを上昇させる。
オスメスの PTO シャフトを連結し、ギアケースの入力シャフトの取り付け穴と PTO シャフトの穴とを整列させて相互に接続する。

ロールピンで固定する。
ボルトとナットを締めつける。
機械がその性能を正しく発揮できるように、使用を開始する前に、各部の潤滑を行ってください;潤滑を参照。この作業を怠るとマシンに急激な磨耗が発生しますから注意してください。
Note: 仕様および設計は予告なく変更される場合があります。
| 刈幅 | 1.829 mm |
| 刈高 | 25 - 127 mm の範囲で 13 mm 刻みで調整可能 |
| 純重量 | モデル 31335: 251 kg モデル 31336: 292 kg |
トロが認定した各種のアタッチメントやアクセサリがそろっており、マシンの機能をさらに広げることができます。 詳細は弊社の正規サービスディーラ、または代理店へお問い合わせください;弊社のウェブサイト www.Toro.com でもすべての認定アタッチメントとアクセサリをご覧になることができます。
いつも最高の性能と安全性を維持するために、必ずToroの純正部品をご使用ください。他社の部品やアクセサリを御使用になると危険な場合があり、製品保証を受けられなくなる場合がありますのでおやめください。
Note: 前後左右は運転位置からみた方向です。
始動キーをつけたままにしておくと、誰でもいつでもエンジンを始動させることができ、危険である。
整備・調整作業の前には必ずエンジンを停止し、キーを抜いておくこと。
| 整備間隔 | 整備手順 |
|---|---|
| 50運転時間ごと |
|
| 400運転時間ごと |
|
ギアボックスに使用するオイルは SAE 80-90w のギア用潤滑油です。適量のオイルを入れて出荷していますが、カッティングユニットを使用する前に点検してください。ギアボックスの容量は 283 ml です。
マシンとカッティングユニットを平らな場所に駐車する。
ギアボックスの上部についているディップスティック兼給油プラグ(図 7)を取り、オイルの量が、ディップスティックについている2本のマークの間にあることを確認する。油量が少なければ2本のマークの中間まで補給する。

刈高の調整範囲は 25 - 127 mm、調整間隔は 13 mm 刻みです。刈高を調整するには、キャスタホイールのアクスルをキャスタフォークの上の穴または下の穴にセットし、キャスタフォークに同数のスペーサを追加または取り外す。
エンジンを始動し、刈高の調整ができる程度にカッティングユニットを床から上げる。カッティングユニットを上昇させたらエンジンを止め、キーを抜き取る。
キャスタホイールのアクスルをキャスタフォークの上穴または下穴にセット(全部のキャスタフォークで同じ穴に統一)する。セッティング用の穴の選択については図 8、図 9および図 10 を参照のこと。


Note: 刈高が 64 mm 以上の場合は、ホイールとフォークの間に刈りかすがたまるのを防止するために、アクスルボルトをキャスタフォークの下側の穴にセットしてください。刈高を 64 mm 未満に設定しているのにホイールとフォークの間に刈りかすがたまる場合には、バック走行して刈りかすを振り落としてください。
スピンドルシャフトからテンショニングキャップを取り(図 8)、キャスタアームからスピンドルを抜き出す。
シム(3 mm)を2枚スピンドルのシャフトに通す(当初の状態と同じに)。これらのシムは、デッキ全体の左右の水平調整に必要となる。希望する刈高に必要な枚数のスペーサ(13 mm 厚)をスピンドルシャフトに通し、その上からワッシャを取り付ける。
刈高と、必要なシムの組み合わせとの関係は図 9にて確認してください:
キャスタアームにキャスタスピンドルを通す。スピンドルシャフトにシムを取り付け(当初の状態と同じに)、残りのスペーサも取り付ける。テンショニングキャップを取り付けてアセンブリを固定する。
Note: 刈高25 mm、38 mm、また場合により 51 mm で使用する時には、スキッド(そり)とローラを一番高い穴にセットして使ってください。
スピンドルシャフトからテンショニングキャップを外す(図 10)。

Note: 刈高の調整に、後キャスタフォークアセンブリをキャスタアームから取り外す必要はありません。
スピンドルシャフトについている C 型スペーサを、必要に応じてシャフトの細くなっている部分から抜き取ってキャスタアームの下側に移して刈高を調整する。キャスタアームの上部および下部にシムが当たっている(スペーサでなく)ことを確認する。
テンショニングキャップを取り付けてアセンブリを固定する。
4つのキャスタホイールがすべて同じ刈高にセットされていることを確認する。
Note: 刈高 25 mm、38 mm、また場合により 51 mm で使用する時には、スキッド(そり)とローラを一番高い穴にセットして使ってください。
刈高 64 mm 以上にて使用する場合には、スキッドを下位置に取り付け、それ以下の刈高で使用する場合には、上位置に取り付けます。
スキッドの調整は、フランジボルトとナットを外して行います(図 13)。

以下に挙げる図は、あくまでも参考です。草種や湿度、ターフの草丈などにより設定を変えてください。
Note: 走行速度が変わらないのにモアの回転速度が落ちてくる場合にはバッフルを開いてください。
一番後ろにセットした状態です。以下のような条件で使うのに適しています:
草丈が低く、軽い刈り込みのとき
芝生が乾いているとき
刈りかすが少ない刈り込み
刈りかすを遠くへ飛ばしたい刈り込み。

集草を行うのに適した設定です。 いつも、ブロアの開口部に整列させる。

一番開いた状態です。この位置への設定は、以下のような条件のときにお奨めします:
草丈が高く、密に茂っているとき
芝生がぬれているとき
エンジンからのパワーの消費を下げたい場合
重い芝刈り作業を、走行速度を上げて行いたい時

カッティングユニットのピッチとは、ブレードを前後方向に向けたときのブレードの前後における床からの高さの差を言います。ブレードのピッチを 8 mm に調整する。これは、ブレードを前後に向けて先端の高さを比べたとき、前よりも後ろの方が 8 mm 高くなっている状態を言います。
作業場の平らな場所に駐車する。
カッティングユニットを希望の刈高にセットする。
まず、1本のブレードを前後方向に向ける。
短い定規を使って、床面からブレードの前側の刃先までの高さを測る。ブレードを半回転させて後方に回し、床面からこの切っ先までの高さを測る。
後方での測定値から前方での測定値を引いた値がブレードのピッチとなる。
前または後キャスタアームにシムを入れてカッティングユニットに必要なピッチを出す(図 19)。

各ターフのコンディションは同じでなく、またトラクションユニットのカウンタバランスの設定も様々ですので、本格作業を開始する前に試験刈りを行って、刈りあがりを確認することをお奨めします。
カッティングデッキを希望する刈高に調整する;刈り高の調整を参照。
トラクションユニットの前後のタイヤの空気圧を点検・調整する(138 kPa = 1.4 kg/cm2 = 20 psi)。
すべてのキャスタタイヤの空気圧を 345 kPa(3.5 kg/cm2 = 50 psi)に調整する。
ブレードが曲がっていないか点検する;ブレードの変形を調べるを参照。
テスト区域を刈って、全部のカッティングユニットが同じ刈高で刈っているかどうかを見る。
さらにカッティングユニットの調整が必要な場合には、長さ 2 m 程度またはそれ以上長い直定規を使って、平らな床面を探す。
測定を容易にするため、一番高い刈高に設定する;刈り高の調整を参照。
平らな床の上にカッティングユニットを降下させる。カッティングユニットの上部からカバーを外す。
ブレードが前後方向を指すように回転させる。
床面からブレードの刃先までの高さを測る。
刈高が合わない場合には、シムをキャスタフォークに取り付けて調整する;刈り高の調整を参照。
カッティングデッキ(モア)には、刈りカスを横下方向へ向けるデフレクタが取り付けられています。
デフレクタや、排出カバー、または集草アセンブリを確実に取り付けずに使用すると、人がブレードに触れたり、ブレードに跳ね飛ばされたものが人に当たったりするなどして極めて危険である。回転中のブレードに触れたり、跳ね飛ばされた物に当たると、けがをするばかりでなく場合によっては死亡する。
デフレクタは刈かすなどの排出方向をターフに向けるための部品ですから、機械から取り外したりしないでください。デフレクタが破損している場合には直ちに交換すること。
刈り込みデッキの下には絶対に手足を差し入れないこと。
刈り込みデッキの排出部や刈り込みブレードの近くを清掃する時には、必ず PTO(ブレードコントローラスイッチ) をOFFにし、エンジンのキーを抜き取る。
デフレクタが降りた位置になっているのを必ず確認しておくこと。
刈り込みは、朝露を避けて遅めの午前中か、直射日光を避けて午後遅くに行いましょう。露があると草がかたまりになりやすく、また刈りたてのターフは強い直射日光に当たるとダメージを受けます。
一度に切り取る長さは25 mm以内に抑えましょう。草丈の1/3 以上は刈り取らないのが原則です。成長期の密生している芝生では刈り高設定をさらに一目盛り上げる必要があるかもしれません。
通常の環境では、だいたい 4-5 日に1回の刈り込みが必要になります。しかし、草の生長速度は色々な条件によって左右され、一定ではありません。したがって、同じ草丈を維持できるような日数間隔で刈り込みを行うのが良い指標となります;春などのように芝草が非常に旺盛に成長する時期には刈り込み回数を増やし、成長速度が遅い時期には 8-10 日に1回の刈り込みでも大丈夫です。悪天候などの理由により刈り込みできない日が何日も続いてしまった場合には、最初に高めの刈高で刈り、その後 2-3日してから刈高を下げるようにするとよいでしょう。
刃先が鋭利であれば、芝草の切り口もきれいです。そのような切り口は茶色に変色し、芝草の成長に悪影響を与えるだけでなく、病害の発生なども助長します。
きれいな刈りあがりを維持するために、芝刈り作業が終わったらホースと水道水でカッティングユニットの裏側を洗浄してください。刈りかすがこびりつくと、刈り込みの性能が十分に発揮されなくなります。
トロでは、ブレードのピッチを8 mm に調整することを推奨しています。 ピッチを大きく(8 mm以上)すると、刈り込みに必要なパワーは小さくなりますが、クリップが大きくなり、刈り上がりが悪くなります。ピッチを小さく(8 mm以下)すると、刈り込みに必要なパワーは大きくなりますが、クリップが小さくなり、刈り上がりが向上します。
| 整備間隔 | 整備手順 |
|---|---|
| 使用開始後最初の 2 時間 |
|
| 使用開始後最初の 10 時間 |
|
| 使用するごとまたは毎日 |
|
| 50運転時間ごと |
|
| 400運転時間ごと |
|
始動キーをつけたままにしておくと、誰でもいつでもエンジンを始動させることができ、危険である。
整備・調整作業の前には必ず始動キーを抜いておくこと。
| 整備間隔 | 整備手順 |
|---|---|
| 使用するごとまたは毎日 |
|
| 50運転時間ごと |
|
定期的に、全部の潤滑個所にNo.2汎用リチウム系グリスを注入します。
以下の各部のグリスアップを行う:
マシンとカッティングユニットを平らな場所に駐車させ、カッティングユニットを降下させる。ギアボックスの上部についているディップスティック兼給油プラグ(図 24)を取り、オイルの量が、ディップスティックについている2本のマークの間にあることを確認する。油量が少なければ、SAE 80-90 wt. ギア用潤滑油を 2 本のマークの中間まで補給する。ギアボックスの容量は 283 ml です。

Important: カバーについているボルトナット類は、カバーを外しても、カバーから外れません。全部のボルト類を数回転ずつゆるめてカバーが外れかけた状態にし、それから、全部のボルト類を完全にゆるめてカバーを外すようにしてください。このようにすれば、誤ってリテーナからボルトを外してしまうことがありません。
平らな場所に駐車しエンジンを停止する。
カッティングユニットをトラクションユニットの前に置く。
オスの PTO シャフトとメスの PTO シャフトを接続する(図 26)。
昇降スイッチを前位置フロート位置にセットする。昇降アームを押し下げて、昇降アームについている穴とキャスタアームのブラケットについている穴を整列させ、昇降アームのパッドに刈高ロッドを挿入できるようにする(図 27)。
昇降アームをキャスタアームに固定する;スラストワッシャ(2枚)、クレビスピン、ヘアピンコッターを使用する。昇降アームとキャスタアームブラケットの間にスラストワッシャを入れ(図 27)、コッターピンを、キャスタアーム・タブのスロットに差し込んで固定する。
もう一方の昇降アームにも同じ作業を行う。
トラクションユニットを始動し、カッティングユニットを上昇させる。

キャスタアームのチューブには上側と下側にブッシュがはめ込んでありますが、これらのブッシュは使用に伴って磨耗してきます。
ブッシュを点検するには、キャスタフォークを前後左右に揺り動かして見ます。ブッシュの中でキャスタのシャフトがぐらついているようならブッシュの磨耗が進んでいると判断し、交換してください。
カッティングユニットを上昇させて、ホイールを床から浮かす。カッティングユニットが落下しないように支持ブロックでサポートする。
各キャスタスピンドルの上部についているトーショニングキャップ、スペーサ、スラストワッシャを外す。
キャスタスピンドルをチューブから引き抜く。スラストワッシャとスペーサは、スピンドルの一番下に残しておく。
ピンポンチを使って、チューブの上または下からブッシュをたたき出す(図 28)。もう1個のブッシュについても同様にして取り出す。チューブの内部をきれいに清掃する。

新しいブッシュの内外面にグリスを塗る。ハンマーと平たい板を使って、ブッシュをチューブにたたき込む。
キャスタシャフトを点検し、必要に応じて交換する。
ブッシュと取り付けチューブにキャスタスピンドルを通し、もう 1 枚のスラストワッシャと残りのスペーサをスピンドルに取り付け、テンショニングキャップをキャスタスピンドルに取り付ける。
| 整備間隔 | 整備手順 |
|---|---|
| 使用開始後最初の 2 時間 |
|
| 使用開始後最初の 10 時間 |
|
| 50運転時間ごと |
|
キャスタホイール・アセンブリをキャスタフォークの間に保持しているボルトのロックナット(図 29)を外す。キャスタホイールをつかんでおいて、ボルトをフォークまたはピボットアームから抜き取る。

ホイールのハブからベアリングを外して、ベアリングスペーサを床に落とす(図 29)。ホイールハブの反対側にあるベアリングを取る。
ベアリング、スペーサ、ホイールハブの内側の状態を点検する。磨耗したり破損したりしている部品は交換する。
キャスタホイールを組み立てるには、まず、ホイールのハブにベアリングを押し込む。ベアリングを取り付ける時、ベアリングの外側のレース部分を押すように注意すること。
ホイールのハブにベアリングスペーサを入れる。もう一個のベアリングをホイールハブの空いている側に取り付けてハブ内部のスペーサを固定する。
キャスタフォークの間にキャスタホイール・アセンブリを入れ、ボルトとロックナットで固定する。
平らな場所に駐車する。カッティングユニットを上昇させ、駐車ブレーキを掛け、走行ペダルをニュートラルに戻し、PTO レバーが OFF 位置であることを確認し、エンジンを停止しキーを抜き取る。カッティングユニットが落下しないように支持ブロックでサポートする。
ブレードが前後方向を指すように回転させる。カッティングユニットの天井から各ブレードの前端の刃先までの距離(図 30)を測り、測定値を記録する。

ブレードを半回転させてもう一方の切っ先を前に向ける。上記2で行ったと同方法で、ユニットの天井から各ブレードの前端の刃先までの距離測る。2での測定結果と3での測定結果との差が3 mm 以内であれば適正とする。差が3 mm よりも大きい場合には、そのブレードは曲がっていて危険であるから交換する;ブレードの取り外しと取り付けを参照。
ブレードが堅いものに当たった、バランスが取れていない、磨耗した、曲がったなどの場合には新しいものと交換してください。安全を確保し、適切な刈りを行うために、ブレードは必ず Toro 社の純正品をお使いください。他社のブレードを使用すると危険な場合がありますから絶対にやめてください。
カッティングユニットを一番高い位置まで上昇させ、駐車ブレーキを掛け、エンジンを停止させてキーを抜き取る。カッティングユニットが落下しないように支持ブロックでサポートする。
ぼろきれや厚いパッドの入った手袋を使ってブレードの端部をしっかり握る。スピンドルのシャフトからブレードボルト、芝削り防止カップ、ブレードを取り外す(図 31)。

ブレードを取り付ける時は、セール(立ち上がっている部分)がカッティングデッキの天井を向くように取り付け、芝削り防止カップをつけてブレードボルトで固定する。各ブレードボルトを 115-149 N·m(11.8-15.2 kg.m=85-110 ft-lb)にトルク締めする。
Important: ブレードの立っている側(セイル部)がカッティングユニットの天井を向くのが正しい取り付け方です。
| 整備間隔 | 整備手順 |
|---|---|
| 使用開始後最初の 10 時間 |
|
| 使用するごとまたは毎日 |
|
| 50運転時間ごと |
|
磨耗の進んだブレードや破損したブレードは、回転中にちぎれて飛び出す場合があり、これが起こるとオペレータや周囲の人間に多大の危険を及ぼし、最悪の場合には死亡事故となる。
ブレードが磨耗や破損していないか定期的に点検すること。
曲がったブレードを整形しないこと。
割れたり欠けたりしたブレードは絶対に溶接で修理しないこと。
安全性を確保し保証するために、磨耗や破損したブレードは必ず純正のブレードと交換してください。
高品質の刈りを実現するためには、刃先と、刃先の反対側にある立ち上がった部分であるセール部の両方が重要です。セール部は、風を起こして草を真っ直ぐに立て、均一な刈りを実現するものです。しかしセールは使用に伴って徐々に磨耗してきます。そしてこの磨耗に伴って、刃先が鋭く維持されていても、刈りの質は幾分か落ちてきます。草を引きちぎるのでなく、カットするためには、当然刃先が鋭利でなければなりません。刈りあとを見て、切り口がささくれ立っていたり茶色に変色しているのは刃先が鈍くなっている証拠です。このような状態が見られたら、ブレードを研磨してください。
平らな場所に駐車する。カッティングユニットを上昇させ、駐車ブレーキを掛け、走行ペダルをニュートラルに戻し、PTO レバーが OFF 位置であることを確認し、エンジンを停止してキーを抜き取る。
ブレードの切っ先を注意深く観察、特に、直線部と曲線部が交わる部分をよく観察する(図 32)。この、直線部と曲線部の交差域は、砂などによる磨耗が進みやすい部分なので、機械を使用するまえによく点検することが必要。磨耗が進んでいる場合(図 32)にはブレードを交換する;ブレードの取り外しと取り付けを参照。

ブレードの磨耗を放置すると、ブレードのセール部と平坦部との間に割れ目が発生する(図 32)。この割れ目が拡大すると、最終的にはブレードがちぎれてハウジングの下から飛び出し、これがオペレータや周囲の人に重大な人身事故となる。
ブレードが磨耗や破損していないか定期的に点検すること。
安全性を確保し保証するために、磨耗や破損したブレードは必ず純正のブレードと交換してください。
全部のブレードの刃先を丁寧に点検する。刃先が鈍くなっていたり欠けていたりした場合には研磨する。研磨は刃先の上面だけに行い、刃の元々の角度を変えないように十分注意する(図 33)。ブレードの左右を均等に削れば、バランスを狂わすことなく研磨を行うことができる。

Note: ブレードを取り外し、研磨機で研磨する;「ブレードの取り外し」を参照。研磨後、ブレードを取り付ける時は、セール(立ち上がっている部分)がカッティングデッキの天井を向くように取り付け、芝削り防止カップをつけてブレードボルトで固定する。ブレードのセイル部がブレード上部になるようにすること。ブレードボルトを 115-149 N∙m(11.8-15.2 kg.m=85-110 ft-lb)にトルク締めする。
| 整備間隔 | 整備手順 |
|---|---|
| 50運転時間ごと |
|
ブレードを駆動しているベルトはスプリング付きのアイドラで張りを調整されており、非常に耐久性が高く、長期間にわたって使用することができます。しかし長期間のうちに必ず磨耗が現れてきます。磨耗の兆候として:ベルトが回転するときにきしみ音がする、刈り込み中にベルトが滑ってブレードが回らない、ベルトの縁がほつれている、焼けた跡がある、割れているなどがあります。これらを発見したらベルトを交換してください。
排出口がデフレクタなどで覆われていないと、デッキから異物が飛び出して人に当たる恐れがあり、このようなことが実際におこると深刻な人身事故になりかねない。また、ブレードに触れて大怪我をする可能性もある。
必ず、カバープレート、マルチプレート、またはシュートと集草バッグを取り付けて運転すること。
デフレクタが降りた位置になっているのを必ず確認しておくこと。
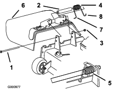
デフレクタをピボットブラケットに固定しているロックナット、ボルト、スプリング、スペーサを外す(図 37)。デフレクタを取り外す。
デフレクタにスペーサとスプリングを取り付ける。スプリングの L 字形の端部をデッキのエッジ後ろに取り付ける。
Note: 必ずスプリングの L 字形端部をデッキ後部のエッジに引っ掛け、それから 図 37 のようにボルトを取り付けてください。
ボルトとナットを取り付ける。スプリングの右側の J 字形フックを、デフレクタに引っ掛ける(図 37)。
Important: デフレクタを所定位置まで降ろすことができなければいけません。デフレクタを手で上向きにし、自力で下まで完全に下がることを確認してください。
