| Huoltoväli | Huoltotoimenpide |
|---|---|
| 50 käyttötunnin välein |
|
| 400 käyttötunnin välein |
|
Tämä pyöriväteräinen vaakatasoleikkuupöytä asennetaan ajoleikkuriin, ja se on tarkoitettu ammattimaiseen kaupalliseen käyttöön. Se on tarkoitettu pääasiassa puistojen, urheilukenttien ja kaupallisten kiinteistöjen viheralueiden ruohonleikkuuseen. Sitä ei ole tarkoitettu pensaiden leikkuuseen.
Important: Tämän käyttöoppaan sisältö on luettava huolellisesti ja ymmärrettävä täysin, jotta koneen paras mahdollinen turvallisuus, suorituskyky ja toiminta voidaan varmistaa. Näiden käyttöohjeiden tai asianmukaisen koulutuksen laiminlyönti saattaa aiheuttaa onnettomuuden. Lisätietoja turvallisista käyttötavoista sekä turvaohjeita ja koulutusmateriaaleja on osoitteessa www.Toro.com.
Voit ottaa yhteyden Toroon suoraan osoitteessa www.Toro.com, jos tarvitset tietoja tuotteista ja lisävarusteista, lähimmästä jälleenmyyjästä tai jos haluat rekisteröidä tuotteesi.
Aina kun tarvitset huoltoa, alkuperäisiä Toro-varaosia tai lisätietoja, ota yhteys valtuutettuun huoltoliikkeeseen tai Toron asiakaspalveluun. Ota tällöin tuotteen malli- ja sarjanumerot valmiiksi esiin. Kuva 1 näyttää laitteen malli ja sarjanumeron sijainnin. Kirjoita numerot annettuun tilaan.
Important: Skannaamalla sarjanumerokilvessä (jos varusteena) olevan QR-koodin mobiililaitteella saat tuotetietoja sekä takuu- ja varaosatietoja.

Tässä käyttöoppaassa esiintyvä varoitusmerkintä (Kuva 2) ilmaisee vaaratilannetta, josta saattaa olla seurauksena vakava tapaturma tai jopa kuolema, jos suositellut varotoimenpiteet laiminlyödään.

Tässä käyttöoppaassa käytetään kahta termiä tietojen korostamiseksi. Tärkeää kiinnittää huomiota mekaanisiin erikoistietoihin ja Huomautus korostaa erityishuomion ansaitsevia yleistietoja.
Tämä tuote on asiaankuuluvien eurooppalaisten direktiivien mukainen. Lisätietoja on tämän julkaisun lopussa olevassa liittämisvakuutuksessa.
KALIFORNIA
Lakiesityksen 65 mukainen varoitus
Tämän tuotteen käyttäminen voi altistaa kemikaaleille, jotka Kalifornian osavaltion tietojen mukaan aiheuttavat syöpää, synnynnäisiä epämuodostumia tai muuta lisääntymiseen liittyvää haittaa.
Tämä kone on suunniteltu EN ISO 5395-3:2013 -standardin ja ANSI B71.4-2017 -määrityksen mukaisesti.
Tämä tuote voi katkaista jalan tai käden sekä singota esineitä. Noudata aina kaikkia turvallisuusohjeita, jotta vakavilta loukkaantumisilta vältytään.
Tuotteen käyttäminen muuhun kuin sen aiottuun käyttötarkoitukseen voi olla vaarallista käyttäjälle ja sivullisille.
Lue ja sisäistä tämän käyttöoppaan sisältö ennen moottorin käynnistämistä.
Koneen käyttö vaatii käyttäjän täyden huomion. Jos käyttäjän huomio keskittyy muualle, saattaa seurata henkilö- tai omaisuusvahinko.
Älä laita käsiä tai jalkoja koneen liikkuvien osien lähelle.
Älä käytä konetta ilman paikallaan olevia ja toimivia suojuksia ja muita suojalaitteita.
Älä mene heittoaukkojen eteen. Pidä sivulliset ja lemmikit turvallisen matkan päässä koneesta.
Älä päästä lapsia käyttöalueelle. Älä anna lasten käyttää konetta.
Pysäköi kone tasaiselle alustalle, laske leikkuuyksiköt, vapauta käytöt, kytke seisontajarru (jos varusteena), sammuta moottori ja irrota virta-avain ennen kuin poistut käyttäjän paikalta.
Laitteen asiaton käyttö tai huolto voi aiheuttaa tapaturman. Vähennä loukkaantumisriskiä noudattamalla näitä turvallisuusohjeita ja kiinnittämällä aina huomiota varoitusmerkkiin, joka tarkoittaa varoitusta, vaaraa tai hengenvaaraa – henkilöturvallisuusohjeet. Ohjeiden noudattamatta jättäminen saattaa johtaa henkilövahinkoon tai kuolemaan.
Lisää turvallisuusohjeita on tämän käyttöoppaan eri kohdissa.
Lue ajoyksikön käyttöopas ja muu koulutusmateriaali huolellisesti. Tutustu ohjauslaitteisiin, turvamerkintöihin ja laitteen oikeaoppiseen käyttöön. Jos käyttäjä tai mekaanikko ei ymmärrä oppaan kieltä, omistajan on selitettävä hänelle sen sisältö.
Tutustu laitteen turvallisen käytön ohjeisiin, ohjauslaitteisiin ja turvamerkintöihin.
Omistaja ja käyttäjä voivat estää loukkaantumisia tai omaisuusvahinkoja aiheuttavat tapaturmat ja ovat siksi vastuussa niistä.
Pukeudu asianmukaisesti. Käytä silmäsuojaimia, tukevia liukastumisen estäviä kenkiä, pitkiä housuja ja kuulosuojaimia. Sido pitkät hiukset. Älä käytä riippuvia koruja.
Tarkasta alue, jolla konetta on tarkoitus käyttää, ja poista kaikki esineet, jotka se voi singota, kuten kivet, leikkikalut ja johdot.
Tarkista, että käyttäjän pitokytkimet, turvakytkimet ja kilvet ovat paikoillaan ja toimivat oikein. Älä käytä konetta, mikäli ne eivät toimi asianmukaisesti.
Pysäytä kone, irrota virta-avain ja odota, että kaikki liikkuvat osat ovat pysähtyneet, ennen kuin tarkistat lisälaitteen, jos kone osuu esteeseen tai tärisee epätavallisesti. Suorita tarvittavat korjaukset ennen koneen käytön jatkamista.
Pidä kädet ja jalat etäällä leikkuuyksiköistä.
Pidä kaikki osat hyvässä kunnossa ja kaikkien laitteiden kiinnitykset tiukalla. Vaihda kaikki kuluneet tai vaurioituneet tarrat.
Kulunut tai vaurioitunut terä voi rikkoutua ja terän pala voi sinkoutua käyttäjään tai ohikulkijaan päin, mikä voi aiheuttaa vakavan henkilövahingon tai kuoleman.
Terä on tarkistettava säännöllisesti kulumisen ja vaurioiden varalta.
Ole varovainen, kun tarkastat teriä. Kiedo terien ympärille esimerkiksi kangas tai käytä käsineitä ja noudata varovaisuutta teriä huoltaessasi. Terät saa ainoastaan vaihtaa tai teroittaa. Niitä ei saa suoristaa eikä hitsata.
Ole varovainen käsitellessäsi moniteräisiä koneita, sillä yhden terän kääntäminen saattaa kääntää myös muita teriä.
Tarkista terien kiinnityspulttien kiristysmomentti säännöllisesti.
![]() |
Turva- ja ohjetarrat on sijoitettu hyvin näkyville paikoille mahdollisten vaara-alueiden lähettyville. Korvaa vioittuneet tai kadonneet tarrat uusilla. |










Jos jätät avaimen virtalukkoon, joku voi vahingossa käynnistää moottorin ja vahingoittaa vakavasti lähellä olijoita.
Irrota avain virtalukosta ennen huoltoa.
Jos moottori käynnistetään ja voimanulosoton akseli pääsee kääntymään, seurauksena voi olla vakava tapaturma.
Älä käynnistä moottoria ja kytke voimanulosoton kytkintä, jos voimanulosoton akselia ei ole kytketty leikkuuyksikön vaihteistoon.
Note: Koneen vasen ja oikea puoli määritellään normaalista käyttöasennosta käsin.
Important: Jos 183 cm:n sivulle heittävä leikkuuyksikkö, malli 31336, asennetaan ajoyksikkömalliin 30307, 30308, 30309, 30343, 30344 tai 30345, jonka sarjanumero on aikaisempi kuin 311000301, on ensin asennettava leikkuuyksikön kohdistussarja (osanumero 120-6599) leikkuuyksikön asentamiseksi ajoyksikköön.
Jos heittoaukko ei ole peitossa, kone saattaa singota esineitä käyttäjän tai sivullisten suuntaan, mistä voi olla seurauksena vakava tapaturma. Seurauksena voi olla myös kosketus terään.
Älä koskaan käytä konetta ilman suojuslevyä, leikkuujätelevyä tai ruohosuppiloa ja ruohonkerääjää.
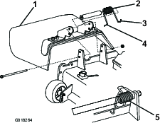
Tarkista, että suuntain on ala-asennossa.
Irrota nippuside, jolla suuntain on kiinnitetty leikkuupöydän päälle, ja laske suuntainta.
Aseta jousen vasen J-koukkupää leikkuupöydän reunan ympärille.
Aseta jousen oikea J-koukkupää suuntaimen ympärille (Kuva 3).
Important: Suuntain on pystyttävä laskemaan asentoonsa. Nosta suuntain ylös ja tarkista, että se on laskettavissa täysin alas.

Vaiheeseen tarvittavat osat:
| Oikea nostovarsi | 1 |
| Vasen nostovarsi | 1 |
Löysää (älä irrota) ajoyksikön toiselta puolelta pyöränmuttereita, joilla pyörä ja rengaskokoonpano on kiinnitetty etupyörän tappeihin.
Nosta kone ylös siten, että etupyörä nousee ylös maasta. Käytä tunkkeja tai tue kone niin, ettei se pääse putoamaan.
Irrota pyörän mutterit ja liu’uta pyörä- ja rengaskokoonpano tapeista.
Irrota nostovarret alustasta.
Irrota saranatappi ja sokka nostovarsista.
Asenna nostovarsi kääntökannattimeen tapilla ja sokalla (Kuva 4). Asenna nostovarsi siten, että siinä oleva taite on ulkopuolella.
Kiinnitä jarrun palautusjousi nostovarren kielekkeeseen (Kuva 4).

Asenna pyörä- ja rengaskokoonpano. Kiristä pyöränmutterit momenttiin 102–108 N·m.
Suorita samat toimenpiteet koneen vastakkaisella puolella.
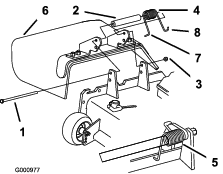
Irrota kaksi painealuslaattaa, liitintappi ja sokka leikkuuyksikön jokaisesta kääntöpyörän varren pidikkeestä (Kuva 5).
Siirrä leikkuuyksikkö ajoyksikön eteen oikeaan kohtaan.
Paina nostokytkintä eteenpäin KELLUNTA-asentoon. Työnnä nostovartta alaspäin, kunnes nostovarren aukot ovat kohdakkain kääntöpyörän varren pidikkeen aukkojen kanssa (Kuva 5).

Kiinnitä nostovarsi kääntöpyörän varteen kahdella painealuslaatalla, yhdellä liitintapilla ja sokalla.
Aseta painealuslaatat nostovarren ja kääntöpyörän varren pidikkeen (Kuva 5) väliin ja työnnä sokan pää kääntöpyörän varren kielekkeessä olevaan aukkoon.
Toista menettely vastakkaisella nostovarrella.
Käynnistä ajoyksikkö ja nosta leikkuuyksikkö.
Liu’uta voimanulosoton urosakseli voimanulosoton naarasakseliin. Kohdista vaihteiston tuloakselin asennusaukot voimanulosoton akselin aukkojen kanssa ja liu’uta ne yhteen.

Kiinnitä ne putkisokalla.
Kiristä pultit ja mutterit.
Kone on rasvattava ennen käyttöä oikeiden voiteluominaisuuksien varmistamiseksi. Katso kohta Voitelu. Koneen rasvauksen laiminlyönti saattaa aiheuttaa tärkeiden osien ennenaikaisen vioittumisen.
Note: Ominaisuuksia ja rakennetta voidaan muuttaa ilmoittamatta.
| Leikkuuleveys | 1,829 m |
| Leikkuukorkeus | Säädettävissä 25–127 mm:n korkeudelle 13 mm:n välein |
| Nettopaino | Malli 31335: 251 kg Malli 31336: 292 kg |
Koneeseen on saatavana valikoima Toron hyväksymiä lisälaitteita ja -varusteita, joiden avulla voidaan parantaa ja laajentaa sen ominaisuuksia. Ota yhteys valtuutettuun huoltoliikkeeseen tai jakelijaan tai siirry osoitteeseen www.Toro.com, josta löytyy luettelo hyväksytyistä lisälaitteista ja -varusteista.
Käytä vain aitoja Toro-varaosia ja -lisävarusteita, jotta kone toimisi parhaalla mahdollisella tavalla ja sen turvasertifiointi pysyisi voimassa. Muiden valmistajien varaosat ja lisävarusteet voivat osoittautua vaarallisiksi, ja niiden käyttö voi johtaa tuotteen takuun raukeamiseen.
Note: Koneen vasen ja oikea puoli määritellään normaalista käyttöasennosta käsin.
Jos jätät avaimen virtalukkoon, joku voi vahingossa käynnistää moottorin ja vahingoittaa vakavasti lähellä olijoita.
Irrota avain virtalukosta ennen huollon aloitusta.
| Huoltoväli | Huoltotoimenpide |
|---|---|
| 50 käyttötunnin välein |
|
| 400 käyttötunnin välein |
|
Vaihteistossa on käytettävä SAE 80–90 -vaihteistoöljyä. Vaikka vaihteisto toimitetaan tehtaalta voiteluaineella täytettynä, tarkista voiteluaineen määrä ennen leikkuuyksikön käyttöä. Vaihteiston tilavuus on 283 ml.
Pysäköi kone ja leikkuuyksikkö tasaiselle alustalle.
Irrota mittatikku/täyttötulppa vaihteiston yläosasta (Kuva 7) ja varmista, että voiteluaineen pinta on mittatikun merkintöjen välissä. Jos voiteluainetta on liian vähän, lisää voiteluainetta niin paljon, että pinta nousee merkintöjen väliin.

Leikkuukorkeudeksi voidaan säätää 25–127 mm (13 mm:n välein). Kun säädät leikkuukorkeutta, aseta kääntöpyörän akselit kääntöpyörän haarukoiden ylimpiin tai alimpiin reikiin ja lisää (tai poista) yhtä suuri määrä välikappaleita kääntöpyörän haarukoihin.
Käynnistä moottori ja nosta leikkuuyksikkö maasta, jotta leikkuukorkeutta voidaan muuttaa. Nosta leikkuuyksikkö ja sammuta sitten moottori ja irrota virta-avain.
Aseta kääntöpyörän akselit kääntöpyörän haarukoihin toisiaan vastaaviin reikiin. Katso asetuksiin sopivat reiät kuvista (Kuva 8,Kuva 9 ja Kuva 10).


Note: Kun konetta käytetään 64 mm:n tai sitä korkeammalla leikkuukorkeudella, akselipultti on asennettava kääntöpyörän haarukan alempaan reikään, jotta pyörän ja haarukan väliin ei keräänny ruohoa. Kun konetta käytetään 64 mm:ä alemmilla leikkuukorkeuksilla ja ruohoa kerääntyy, aja konetta vastakkaiseen suuntaan leikkuujätteiden poistamiseksi pyörän/haarukan alueelta.
Irrota kiristyskanta kara-akselista (Kuva 8) ja liu’uta kara pois kääntöpyörän varresta.
Aseta kaksi välilevyä (3 mm) kara-akselille alkuperäisasennuksen mukaisesti. Näiden välilevyjen avulla leikkuuyksiköt saadaan vaakasuoraan koko leveydeltään. Liu’uta sopiva määrä 13 mm:n välikappaleita kara-akselille halutun leikkuukorkeuden saavuttamiseksi. Liu’uta sitten aluslaatta akselin päälle.
Katso asetuksiin sopivat välikappaleyhdistelmät kuvasta (Kuva 9).
Paina kääntöpyörän kara kääntöpyörän varren läpi. Asenna välilevyt (alkuperäisasennuksen mukaisesti) sekä jäljellä olevat välikappaleet kara-akselille. Varmista kokoonpano asentamalla kiristyskanta.
Note: Kun leikkuukorkeus on 25 mm, 38 mm tai toisinaan 51 mm, jalakset ja rulla on siirrettävä ylimpiin aukkoihin.
Irrota kiristyskanta kara-akselista (Kuva 10).

Note: Takakääntöpyörän haarukkakokoonpanoa ei tarvitse irrottaa kääntöpyörän varresta leikkuukorkeuden muuttamista varten.
Poista tai lisää C:n muotoisia välikappaleita kara-akselin kapeassa osassa kääntöpyörän varren alapuolella, kunnes leikkuukorkeus on haluttu. Varmista, että välilevyt (ei välikappaleet) ovat kääntöpyörän varren ylä- ja alaosaa vasten.
Varmista kokoonpano asentamalla kiristyskanta.
Varmista, että kaikki neljä kääntöpyörää on asetettu samalle leikkuukorkeudelle.
Note: Kun leikkuukorkeus on 25 mm, 38 mm tai toisinaan 51 mm, jalakset ja rulla on siirrettävä ylimpiin aukkoihin.
Note: Jos leikkuuyksikköä käytetään 25 mm:n tai 38 mm:n leikkuukorkeusasetuksella, aseta leikkuuyksikön rullat kannattimen ylimpiin aukkoihin.
Säädä eturullat seuraavalla tavalla:
Irrota ruuvi ja mutteri, joilla rulla-akseli on kiinni leikkuupöydän kiinnikkeessä (Kuva 11).

Liu'uta akseli irti pidikkeen alemmista aukoista, kohdista rulla ylempien aukkojen kanssa ja asenna akseli.
Kiinnitä kokoonpanot asentamalla ruuvi ja mutteri.
Säädä takarullat (sisärullat) kuvan mukaisesti (Kuva 12).

Jalakset on asetettava ala-asentoon ajettaessa yli 64 mm:n leikkuukorkeuksilla ja yläasentoon leikkuukorkeuden ollessa alle 64 mm.
Säädä jalaksia irrottamalla laippapultit ja mutterit, siirtämällä jalakset haluttuun asentoon ja asentamalla kiristimet takaisin (Kuva 13).

Kun säädät leikkuukorkeutta, säädä samalla nurmisuojarullien korkeus.
Leikkurin heittovirtausta voidaan säätää erilaisten leikkuuolosuhteiden mukaan. Säädä pikalukot ja levitin siten, että leikkuujälki on mahdollisimman hyvä.
Kun haluat säätää pikalukkoja, avaa pikalukko kääntämällä vipu (Kuva 15).
Säädä levitin ja pikalukot koloihin haluttua heittovirtausta vastaaviksi.
Kiinnitä levitin ja pikalukot kääntämällä vipu takaisin paikalleen (Kuva 15).
Jos pikalukot eivät lukitse levitintä paikalleen tai jos se on liian tiukalla, löysää vipua ja käännä pikalukkoa. Säädä pikalukkoa, kunnes lukitusvoima on oikea.

Seuraavat luvut ovat vain suosituksia. Säädöt vaihtelevat ruohotyypin, ruohon sisältämän kosteuden sekä ruohon korkeuden mukaan.
Note: Jos moottorin teho ei tunnu riittävän, vaikka leikkurin nopeus pysyy entisellään, avaa levitintä.
Tämä on taka-asento. Tätä asentoa suositellaan käytettäväksi seuraavissa olosuhteissa:
Ruoho on lyhyttä ja kevyttä.
Ruoho on kuivaa.
Leikkuujätteestä halutaan pienempää.
Leikkuujätteen halutaan päätyvän kauemmaksi leikkurista.

Tätä asentoa käytetään, kun leikkuujätteet kerätään ruohonkeräimeen. Kohdista se aina puhaltimen aukkoon.

Tämä on täysin auki -asento. Tätä asentoa suositellaan käytettäväksi seuraavissa olosuhteissa:
Ruoho on pitkää ja tiheää.
Ruoho on märkää.
Kun halutaan vähentää moottorin tehonkulutusta.
Kun halutaan lisätä ajonopeutta raskaissa olosuhteissa.

Leikkuupöydän pitkittäiskaltevuus tarkoittaa leikkuukorkeuden erotusta terätason etureunan ja takareunan välillä. Terän suositeltava kaltevuus on 8 mm. Tällöin terätason takareuna on 8 mm korkeammalla kuin etureuna.
Pysäköi kone tasaiselle alustalle työpajan lattialle.
Aseta leikkuuyksikkö haluttuun leikkuukorkeuteen.
Käännä yksi terä niin, että se osoittaa suoraan eteenpäin.
Mittaa lyhyen viivaimen avulla etäisyys lattiasta terän etukärkeen. Käännä terän kärki taakse ja mittaa etäisyys lattiasta terän kärkeen.
Laske terän kaltevuus vähentämällä etumitta takamitasta.
Aseta tarvittava leikkuuyksikön kaltevuus säätämällä etu- tai takakääntöpyörän varren välilevyjä (Kuva 19).

Nurmiolojen ja ajoyksikön vastapainoasetusten erojen vuoksi kannattaa tehdä koeleikkuu ja tarkastaa leikkuujälki ennen varsinaisen leikkuun aloittamista.
Aseta leikkuuyksikkö haluttuun leikkuukorkeuteen kohdan Leikkuukorkeuden säätö ohjeiden mukaisesti.
Tarkista ja säädä etu- ja takarenkaiden rengaspaineeksi 1,38 bar.
Tarkista ja säädä kaikkien kääntöpyörien rengaspaineeksi 3,45 bar.
Tarkista, että terät eivät ole taipuneet. Katso kohta Taipuneen terän tarkistus.
Leikkaa ruohoa koealueelta ja varmista, että kaikki leikkuuyksiköt ovat samalla leikkuukorkeudella.
Jos leikkuuyksiköitä on vielä säädettävä, aja kone tasaiselle alustalle käyttäen apuna vähintään 2 m:n suorasyrjäviivainta.
Terätason mittaamisen helpottamiseksi leikkuukorkeus on nostettava ylimpään asentoonsa. Lisätietoja on kohdassa Leikkuukorkeuden säätö.
Laske leikkuuyksikkö tasaiselle pinnalle. Irrota leikkuuyksiköiden päällä olevat suojukset.
Käännä terää kullakin karalla, kunnes päät osoittavat eteen- ja taaksepäin.
Mittaa lattiasta leikkuuterän etukärkeen.
Säädä kääntöpyörän haarukoita välilevyillä siten, että leikkuukorkeus on tarran mukainen. Lisätietoja on kohdassa Leikkuukorkeuden säätö.
Leikkurissa on kääntyvä suuntain, joka levittää leikkuujätteen sivulle ja alas nurmeen päin.
Ellei suuntainta, poistolevyä tai ruohonkerääjää ole asennettu, liikkuvat terät ja ilmaan sinkoutuvat roskat saattavat vahingoittaa käyttäjää tai sivullisia. Teräkosketus tai ulossinkoutuva jäte voi aiheuttaa loukkaantumisen tai kuoleman.
Älä irrota suuntainta leikkurista, sillä se ohjaa materiaalin nurmea kohti. Jos suuntain vaurioituu, vaihda se heti.
Älä koskaan pane käsiä tai jalkoja leikkurin alle.
Siirrä voimanulosotto (teräkytkin, PTO) POIS-asentoon, käännä virta-avain pysäytysasentoon ja irrota avain aina ennen poistoalueen tai leikkuuterien puhdistamista.
Tarkista, että suuntain on ala-asennossa.
Leikkaa aamupäivällä välttääksesi kastetta, joka aiheuttaa ruohon paakkuuntumista, tai myöhään iltapäivällä välttääksesi vaurioita, joita suora auringonvalo voi aiheuttaa herkälle vastaleikatulle nurmelle.
Leikkaa yhden leikkuun aikana noin 25 mm tai korkeintaan 1/3 ruohon korkeudesta. Poikkeuksellisen rehevässä ja tiheässä ruohikossa leikkuukorkeutta voidaan joutua korottamaan seuraavaan asetukseen.
Normaaliolosuhteissa nurmi on tarpeen leikata noin 4–5 päivän välein. Ruohon kasvunopeus kuitenkin vaihtelee. Nurmen leikkuukorkeuden voi säilyttää tasaisena (mikä on suotavaa) leikkaamalla keväällä useammin. Ruohon kasvu hidastuu keskikesällä, joten nurmen voi leikata sen jälkeen 8–10 päivän välein. Jos et pääse leikkaamaan ruohoa pitkään aikaan sääolosuhteiden tai muiden syiden vuoksi, leikkaa ensin korkealla leikkuukorkeusasetuksella ja leikkaa uudelleen 2–3 päivän kuluttua matalammalla korkeusasetuksella.
Terävä terä leikkaa puhtaasti repimättä tai silppuamatta ruohoa tylsän terän lailla. Repimisen ja silppuamisen seurauksena ruoho muuttuu ruskeaksi reunoilta, kasvu heikentyy ja alttius taudeille kasvaa.
Jotta kone toimisi parhaalla mahdollisella tavalla, puhdista leikkuukotelon alapuoli aina käytön jälkeen. Jos leikkuukoteloon pääsee muodostumaan jäänteitä, leikkuuteho heikentyy.
Toro suosittaa terän kaltevuudeksi 8 mm. Yli 8 mm:n kaltevuus vähentää tehontarvetta, kasvattaa leikkuujätteen kappalekokoa ja heikentää leikkuujäljen laatua. Alle 8 mm:n kaltevuus lisää tehontarvetta, pienentää leikkuujätteen kappalekokoa ja parantaa leikkuujälkeä.
| Huoltoväli | Huoltotoimenpide |
|---|---|
| 2 ensimmäisen käyttötunnin jälkeen |
|
| 10 ensimmäisen käyttötunnin jälkeen |
|
| Aina ennen käyttöä tai päivittäin |
|
| 50 käyttötunnin välein |
|
| 400 käyttötunnin välein |
|
Jos jätät avaimen virtalukkoon, joku voi vahingossa käynnistää moottorin ja vahingoittaa vakavasti lähellä olijoita.
Irrota avain virtalukosta ennen huoltoa.
| Huoltoväli | Huoltotoimenpide |
|---|---|
| Aina ennen käyttöä tai päivittäin |
|
| 50 käyttötunnin välein |
|
Koneessa on rasvanippoja, jotka on voideltava säännöllisesti litiumpohjaisella yleisrasvalla nro 2.
Voitele seuraavat kohdat:
Aseta kone ja leikkuuyksikkö tasaiselle alustalle ja laske leikkuuyksikkö. Irrota mittatikku/täyttötulppa vaihteiston yläosasta (Kuva 24) ja varmista, että voiteluaineen pinta on mittatikun merkintöjen välissä. Jos voiteluainetta on liian vähän, lisää SAE 80-90 -vaihteistoöljyä, kunnes sen taso on merkkien välissä. Vaihteiston tilavuus on 283 ml.

Important: Tämän koneen suojusten kiinnikkeiden on tarkoitus pysyä kiinni suojuksessa sen irrotuksen jälkeen. Löysää kunkin suojuksen kaikkia kiinnikkeitä muutama kierros niin, että suojus on löysällä mutta kuitenkin yhä paikallaan. Löysää sitten kiinnikkeitä lisää, kunnes suojus irtoaa. Näin vältetään pulttien irtoaminen vahingossa pidikkeistä.
Pysäköi kone tasaiselle alustalle, laske leikkuuyksikkö lattialle, siirrä nostovipu KELLUNTA-asentoon, sammuta moottori ja kytke seisontajarru.
Irrota sokat ja liitintapit, jotka kiinnittävät nostovarret kääntöpyörän varren pidikkeisiin (Kuva 25).

Vieritä leikkuuyksikkö erilleen ajoyksiköstä sekä erota PTO-akselin uros- ja naarasosat (Kuva 26).

Moottorin käynnistäminen ja voimanulosoton akselin liikkuminen voi aiheuttaa vakavia henkilövahinkoja.
Älä käynnistä moottoria ja kytke voimanulosoton vipua, jos voimanulosoton akselia ei ole kytketty leikkuuyksikön vaihteistoon.
Pysäköi kone tasaiselle alustalle ja sammuta moottori.
Siirrä leikkuuyksikkö ajoyksikön eteen oikeaan kohtaan.
Liu’uta voimanulosoton urosakseli voimanulosoton naarasakseliin (Kuva 26).
Paina nostokytkintä eteenpäin KELLUNTA-asentoon. Työnnä nostovartta alaspäin, kunnes nostovarren aukot ovat kohdakkain kääntöpyörän varren pidikkeen aukkojen kanssa ja leikkuukorkeustanko voidaan työntää nostovarren laattoihin (Kuva 27).
Kiinnitä nostovarsi kääntöpyörän varteen kahdella painealuslaatalla, yhdellä liitintapilla ja sokalla. Aseta painealuslaatat nostovarren ja kääntöpyörän varren pidikkeen (Kuva 27) väliin ja työnnä sokan pää kääntöpyörän varren kielekkeessä olevaan aukkoon.
Toista menettely vastakkaisella nostovarrella.
Käynnistä ajoyksikkö ja nosta leikkuuyksikkö.

Kääntöpyörien varsien holkit on painettu putken ylä- ja alapäähän, ja runsaan käytön jälkeen holkit kuluvat.
Tarkasta holkit siirtämällä kääntöpyörän haarukkaa edestakaisin ja sivulta toiselle. Jos kääntöpyörän kara on löysällä holkkien sisällä, holkit ovat kuluneet ja ne on vaihdettava.
Nosta leikkuuyksikköä, jotta pyörät nousevat irti lattiasta. Tue leikkuuyksikkö siten, ettei se pääse vahingossa putoamaan alas.
Irrota kiristyskanta, välilevy(t) ja aluslaatta kääntöpyörän karan päältä.
Vedä kääntöpyörän kara ulos asennusputkesta. Jätä aluslaatta ja välilevy(t) karan alaosaan.
Aseta pistepuikko asennusputken ylä- tai alapäähän ja vedä holkki ulos putkesta (Kuva 28). Ota myös toinen holkki putkesta. Puhdista putkien sisäpuoli.

Levitä rasvaa uusien holkkien sisä- ja ulkopintaan. Siirrä holkit asennusputkeen käyttämällä vasaraa ja litteää levyä.
Tarkista, ettei kääntöpyörän karassa ole kulumia ja vaihda se tarvittaessa.
Työnnä kääntöpyörän kara holkkien ja asennusputken läpi. Liu’uta painealuslaatta ja välilevyt karaan ja asenna kiristyskanta kääntöpyörän karaan.
| Huoltoväli | Huoltotoimenpide |
|---|---|
| 2 ensimmäisen käyttötunnin jälkeen |
|
| 10 ensimmäisen käyttötunnin jälkeen |
|
| 50 käyttötunnin välein |
|
Irrota lukkomutteri pultista, jolla kääntöpyöräkokoonpano on kiinnitetty kääntöpyörän haarukan väliin (Kuva 29). Tartu kääntöpyörään ja liu’uta pultti haarukasta tai kääntövarresta.

Irrota laakeri pyörännavasta ja päästä laakerin välikappale putoamaan (Kuva 29). Irrota laakeri pyörännavan vastakkaiselta puolelta.
Tarkasta, etteivät laakerit, välilevy ja pyörännavan sisäpuoli ole kuluneet. Vaihda vaurioituneet osat.
Työnnä laakeri pyörännapaan kääntöpyörän kokoamista varten. Asentaessasi laakereita paina laakerin ulompaa vierintäpintaa.
Liu'uta laakerin välilevy pyörännapaan. Työnnä toinen laakeri pyörännavan avoimeen päähän siten, että se kiinnittyy pyörännavan sisällä olevaan laakerin välilevyyn.
Asenna kääntöpyöräkokoonpano kääntöpyörän haarukan väliin ja kiinnitä se pultilla ja lukkomutterilla.
Pysäköi kone tasaiselle alustalle. Nosta leikkuuyksikkö, kytke seisontajarru, aseta ajopoljin vapaalle, kytke voimanulosoton (PTO) vipu POIS-asentoon, pysäytä moottori ja irrota avain virtalukosta. Tue leikkuuyksikkö siten, ettei se pääse vahingossa putoamaan alas.
Käännä terää, kunnes päät osoittavat eteen- ja taaksepäin. Mittaa etäisyys leikkuuyksikön sisäpinnasta terän etuosan leikkuusärmään (Kuva 30) ja merkitse mitta muistiin.

Käännä terän vastakkainen pää osoittamaan eteenpäin. Mittaa leikkuuyksikön ja terän leikkuusärmän etäisyys samassa asennossa kuin vaiheessa 2. Vaiheiden 2 ja 3 välisten mittojen ero ei saa olla yli 3 mm. Jos etäisyys on yli 3 mm, vaihda terä, koska se on taipunut. Katso kohta Terien irrotus ja asennus.
Terä on vaihdettava, jos se on osunut kiinteään esineeseen tai jos se on epätasapainossa, kulunut tai taipunut. Käytä aina alkuperäisiä Toro-vaihtoteriä, jotta turvallisuus ja suorituskyky olisivat parhaat mahdolliset. Älä käytä muiden valmistajien valmistamia teriä, sillä ne voivat aiheuttaa vaaratilanteita.
Nosta leikkuuyksikkö yläasentoon, kytke seisontajarru, pysäytä moottori ja irrota avain virtalukosta. Tue leikkuuyksikkö siten, ettei se pääse vahingossa putoamaan alas.
Tartu terän päähän liinan tai paksun hansikkaan avulla. Irrota teräpultti, nurmisuojakupu ja terä kara-akselista (Kuva 31).

Asenna terä (siipi kohti leikkuuyksikköä) sekä nurmisuojakupu ja teräpultti. Kiristä teräpultti momenttiin 115–149 N·m.
Important: Terän kaarevan puolen on osoitettava leikkuuyksikön sisäpuolta kohti, jotta leikkuujäljestä tulee moitteeton.
| Huoltoväli | Huoltotoimenpide |
|---|---|
| 10 ensimmäisen käyttötunnin jälkeen |
|
| Aina ennen käyttöä tai päivittäin |
|
| 50 käyttötunnin välein |
|
Kulunut tai vaurioitunut terä voi rikkoutua ja terän pala voi sinkoutua käyttäjään tai ohikulkijaan päin, mikä voi aiheuttaa vakavan henkilövahingon tai kuoleman.
Terä on tarkistettava säännöllisesti kulumisen ja vaurioiden varalta.
Älä yritä suoristaa taipunutta terää.
Älä hitsaa murtunutta tai haljennutta terää.
Vaihda kulunut tai vaurioitunut terä uuteen Toro-terään, jotta varmistat tuotteen turvallisuuden jatkossakin.
Sekä leikkuusärmät että siipi (ylöspäin käännetty osa leikkuusärmää vastapäätä) vaikuttavat leikkuutulokseen. Siipi on tärkeä osa, sillä se nostaa ruohon pystyyn ja tuottaa tasaisen leikkuutuloksen. Siipi kuitenkin kuluu vähitellen käytön aikana, mikä on täysin normaalia. Sitä mukaa kun siipi kuluu, leikkuutuloksen laatu heikentyy hieman, vaikka leikkuusärmät olisivat terävät. Terän leikkuusärmän on oltava terävä, jotta ruoho leikkautuu eikä repeydy. Leikkuusärmä on tylsä, kun ruohon kärjet ovat ruskeat ja repeytyneet. Teroita leikkuusärmät, jotta leikkuutulos parantuu.
Pysäköi kone tasaiselle alustalle. Nosta leikkuuyksikkö, kytke seisontajarru, aseta ajopoljin vapaalle, kytke voimanulosoton (PTO) vipu POIS-asentoon, pysäytä moottori ja irrota avain virtalukosta.
Tarkasta terän leikkuusärmät huolellisesti. Kiinnitä huomiota varsinkin kohtiin, joissa terän tasaiset ja käyrät osat kohtaavat (Kuva 32). Tarkista terä ennen koneen käyttöä, koska hiekka ja hankaavat materiaalit voivat kuluttaa metallia, jolla terän tasaiset ja käyrät osat liittyvät toisiinsa. Vaihda terä, jos siinä on kulumisen merkkejä (Kuva 32). Katso kohta Terien irrotus ja asennus.

Jos terän annetaan kulua, siiven ja terän tasaisen osan väliin muodostuu ura (Kuva 32). Terästä voi lopulta irrota pala, joka voi sinkoutua kotelon alta ja aiheuttaa vakavan loukkaantumisen.
Terä on tarkistettava säännöllisesti kulumisen ja vaurioiden varalta.
Vaihda kulunut tai vaurioitunut terä uuteen Toro-terään, jotta varmistat tuotteen turvallisuuden jatkossakin.
Tarkista kaikkien terien leikkuusärmät. Teroita leikkuusärmät, jos ne ovat tylsät tai urautuneet. Teroita vain leikkuusärmän yläosa ja säilytä alkuperäinen leikkuukulma terävyyden varmistamiseksi (Kuva 33). Terä säilyttää tasapainonsa, kun molemmista leikkuusärmistä poistetaan metallia yhtä paljon.

Note: Irrota terät ja teroita ne hiomalaitteella. Katso kohtaa Terän irrotus. Asenna leikkuusärmien teroituksen jälkeen terä, nurmisuojakupu ja teräpultti. Teräsiipien on oltava terän päällä. Kiristä teräpultti momenttiin 115–149 N·m.
| Huoltoväli | Huoltotoimenpide |
|---|---|
| 50 käyttötunnin välein |
|
Jousikuormitteisen kiristinpyörän avulla kiristettävä terän käyttöhihna on hyvin kestävä. Hihna kuitenkin kuluu ajan mittaan. Kuluneen hihnan merkkejä ovat: vinkuminen hihnan pyöriessä, luistavat terät ruohoa leikattaessa, rispaantuneet reunat, palojäljet ja murtumat. Vaihda hihna, jos jokin näistä tiloista ilmenee.
Laske leikkuuyksikkö työpajan lattialle. Irrota hihnasuojukset leikkuuyksikön päältä ja aseta ne syrjään.
Käytä momenttiavainta tai vastaavaa työkalua ja siirrä kiristinpyörä (Kuva 34) irti käyttöhihnasta, niin hihnan jännitys vapautuu ja hihna voidaan vetää pois vaihteiston hihnapyörän päältä (Kuva 35).


Irrota vanha hihna karapyörien ja kiristinpyörän ympäriltä.
Asenna uusi hihna karapyörien ja kiristinpyöräkokoonpanon ympärille. Katso Kuva 36.

Asenna hihnasuojukset.
Jos heittoaukko ei ole peitossa, kone saattaa singota esineitä käyttäjän tai sivullisten suuntaan, mistä voi olla seurauksena vakava tapaturma. Seurauksena voi olla myös kosketus terään.
Älä koskaan käytä konetta ilman suojuslevyä, leikkuujätelevyä tai ruohosuppiloa ja ruohonkerääjää.
Tarkista, että suuntain on ala-asennossa.
Irrota lukkomutteri, pultti, jousi ja välikappale, jotka kiinnittävät suuntaimen kääntökannattimiin (Kuva 37). Irrota vaurioitunut tai kulunut suuntain.
Aseta välikappale ja jousi suuntaimeen. Aseta jousen L-pää leikkuupöydän reunan taakse.
Note: Varmista, että jousen L-pää on asennettu leikkuupöydän reunan taakse ennen pultin asennusta kuvan mukaisesti (Kuva 37).
Asenna pultti ja mutteri. Aseta jousen J-koukkupää suuntaimen ympärille (Kuva 37).
Important: Suuntain on pystyttävä laskemaan asentoonsa. Nosta suuntain ylös ja testaa, että se on laskettavissa täysin alas.
