| Intervalo de mantenimiento y servicio | Procedimiento de mantenimiento |
|---|---|
| Cada 50 horas |
|
| Cada 400 horas |
|
Esta carcasa de corte de cuchillas rotativas se monta en una máquina con conductor, y está diseñada para ser usada por operadores profesionales contratados en aplicaciones comerciales. Está diseñada principalmente para segar césped bien mantenido en parques, campos deportivos y zonas verdes comerciales. No está diseñado para cortar maleza.
Important: Para maximizar la seguridad, el rendimiento y la operación correcta de la máquina, lea cuidadosamente y comprenda perfectamente el contenido de este Manual del operador. No seguir estas instrucciones de uso o utilizar el equipo sin haber recibido una formación correcta pueden dar lugar a lesiones personales. Para obtener más información sobre las prácticas seguras de funcionamiento, incluidos consejos de seguridad y materiales de formación, visite www.Toro.com.
Usted puede ponerse en contacto directamente con Toro en www.Toro.com si desea información sobre productos y accesorios, o si necesita localizar un distribuidor o registrar su producto.
Cuando necesite asistencia técnica, piezas genuinas Toro o información adicional, póngase en contacto con un Servicio Técnico Autorizado o con Asistencia al Cliente de Toro, y tenga a mano los números de modelo y serie de su producto. Figura 1 identifica la ubicación de los números de modelo y serie en el producto. Escriba los números en el espacio provisto.
Important: Con su dispositivo móvil, puede escanear el código QR de la pegatina del número de serie (en su caso) para acceder a información sobre la garantía, las piezas, y otra información sobre el producto.

Este manual identifica peligros potenciales y contiene mensajes de seguridad identificados por el símbolo de alerta de seguridad (Figura 2), que señala un peligro que puede causar lesiones graves o la muerte si usted no sigue las precauciones recomendadas.

Este manual utiliza 2 palabras más para resaltar información. Importante llama la atención sobre información mecánica especial, y Nota resalta información general que merece una atención especial.
Este producto cumple todas las directivas europeas aplicables. Para obtener más detalles, consulte la Declaración de Incorporación (DOI) al final de esta publicación.
CALIFORNIA
Advertencia de la Propuesta 65
El uso de este producto puede provocar la exposición a sustancias químicas que el Estado de California considera causantes de cáncer, defectos congénitos u otros trastornos del sistema reproductor.
Esta máquina se ha diseñado con arreglo a lo estipulado en las norma EN ISO 5395-3:2013 y ANSI B71.4-2017.
Este producto es capaz de amputar manos y pies y de lanzar objetos al aire. Siga siempre todas las instrucciones de seguridad con el fin de evitar lesiones personales graves.
El uso de este producto para otros propósitos que los previstos podría ser peligroso para usted y para otras personas.
Lea y comprenda el contenido de este manual del operador antes de arrancar el motor.
Preste toda su atención al utilizar la máquina. No realice ninguna actividad que genere distracciones, de lo contrario pueden producirse lesiones o daños en la propiedad.
No coloque las manos o los pies cerca de componentes en movimiento de la máquina.
No utilice la máquina a menos que tenga instalados y estén en funcionamiento todos los protectores y otros dispositivos de seguridad.
Manténgase alejado de cualquier apertura de descarga. Mantenga a otras personas y a los animales a una distancia prudencial de la máquina.
Mantenga alejados a los niños de la zona de trabajo. Nunca permita a los niños utilizar la máquina.
Aparque la máquina en una superficie nivelada, baje las unidades de corte, desengrane las transmisiones, ponga el freno de estacionamiento (si la máquina lo tiene), apague el motor y retire la llave antes de abandonar el puesto del operador por cualquier razón.
El uso o mantenimiento incorrecto de esta máquina puede causar lesiones. Para reducir el peligro de lesiones, cumpla estas instrucciones de seguridad y preste atención siempre al símbolo de alerta de seguridad, que significa Cuidado, Advertencia o Peligro – instrucción relativa a la seguridad personal. El incumplimiento de estas instrucciones puede dar lugar a lesiones personales o la muerte.
Puede encontrar información de seguridad adicional en todo este Manual del operador, en las secciones pertinentes.
Lea detenidamente el Manual del operador de la unidad de tracción y otros materiales de formación. Familiarícese con los controles, con las señales de seguridad y con el uso correcto del equipo. Si el operador o el mecánico no saben leer el idioma de este manual, es responsabilidad del propietario explicarles este material.
Familiarícese con la operación segura del equipo, los controles del operador y las señales de seguridad.
El propietario/operador puede prevenir y es responsable de cualquier accidente que pudiera provocar lesiones personales o daños materiales.
Lleve ropa adecuada, incluida protección ocular, calzado resistente y antideslizante, pantalones largos y protección auricular. Si tiene el pelo largo, recójaselo, y no lleve prendas o joyas sueltas.
Inspeccione el área donde se va a utilizar el equipo y retire todos los objetos, como por ejemplo piedras, juguetes y alambres, que pudieran ser arrojados por la máquina.
Compruebe que los controles de presencia del operador, los interruptores de seguridad y los protectores de seguridad están colocados y que funcionan correctamente. No utilice la máquina si no funcionan correctamente.
Detenga la máquina, retire la llave y espere a que se detengan todas las piezas en movimiento antes de inspeccionar el accesorio después de golpear un objeto o si se produce una vibración anormal en la máquina. Realice todas las reparaciones necesarias antes de volver a utilizar la máquina.
Mantenga las manos y los pies alejados de las unidades de corte.
Mantenga todas las piezas en buenas condiciones de funcionamiento, y todos los herrajes bien apretados. Sustituya cualquier pegatina desgastada o deteriorada.
Una cuchilla desgastada o dañada puede romperse, y un trozo de la cuchilla podría ser arrojado hacia usted u otra persona, provocando lesiones personales graves o la muerte.
Inspeccione periódicamente las cuchillas, para asegurarse de que no están desgastadas ni dañadas.
Tenga cuidado al comprobar las cuchillas. Envuelva las cuchillas o lleve guantes, y extreme las precauciones al manejar las cuchillas. Las cuchillas únicamente pueden ser cambiadas o afiladas; no las enderece ni las suelde nunca.
En máquinas con múltiples cuchillas, tenga cuidado puesto que girar una cuchilla puede hacer que giren otras cuchillas.
Compruebe frecuentemente los pernos de montaje de las cuchillas para asegurarse de que están correctamente apretados según las especificaciones.
![]() |
Las pegatinas de seguridad e instrucciones están a la vista del operador y están ubicadas cerca de cualquier zona de peligro potencial. Sustituya cualquier pegatina que esté dañada o que falte. |










Si deja la llave en el interruptor de encendido, alguien podría arrancar el motor accidentalmente y causar lesiones graves a usted o a otras personas.
Retire la llave del interruptor de encendido antes de realizar ninguna operación de mantenimiento.
Si se arranca el motor y se deja girar el árbol de la TDF, podrían provocarse lesiones graves.
No arranque el motor ni accione el interruptor de la TDF a menos que el árbol de la TDF esté conectado a la caja de engranajes de la unidad de corte.
Note: Los lados derecho e izquierdo de la máquina se determinan desde la posición normal del operador.
Important: Si se monta la unidad de corte de descarga lateral de 152 cm (Modelo 31336) en una unidad de tracción Modelo 30307, 30308, 30309, 30343, 30344 o 30345 con un número de serie anterior a 311000301, instale el kit de alineación de las unidades de corte (Pieza N.º 120-6599) para montar la unidad de corte en la unidad de tracción.
Si el hueco de descarga se deja destapado, el cortacésped podría arrojar objetos hacia usted o hacia otras personas y causar lesiones graves. También podría producirse un contacto con la cuchilla.
No utilice la máquina, a menos que instale una tapa, una placa de mulching o un conducto de hierba y un recogedor.
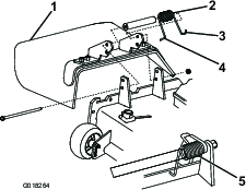
Compruebe que el deflector de hierba está bajado.
Retire la brida que sujeta el deflector de hierba a la parte superior de la carcasa, y baje el deflector.
Coloque el gancho en J del extremo izquierdo del muelle alrededor del reborde de la carcasa
Coloque el gancho en J del extremo derecho del muelle alrededor del deflector de hierba (Figura 3).
Important: Debe poder bajar el deflector de hierba a su posición. Eleve el deflector para verificar que puede bajar del todo.

Piezas necesarias en este paso:
| Brazo de elevación derecho | 1 |
| Brazo de elevación izquierdo | 1 |
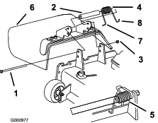
En un lado de la unidad de tracción, afloje (pero no retire) las tuercas que fijan el conjunto de rueda y neumático a los espárragos de las ruedas delanteras.
Eleve la máquina con un gato hasta que la rueda delantera no toque el suelo. Coloque soportes fijos debajo de la máquina o bloquéela para evitar que se caiga accidentalmente.
Retire las tuercas de la rueda y retire el conjunto de rueda y neumático de los pernos.
Retire los brazos de elevación del palet.
Retire el pasador de giro y el pasador de horquilla de cada brazo de elevación.
Monte un brazo de elevación en el soporte pivotante con un pasador de giro y un pasador de seguridad (Figura 4). Monte el brazo de elevación con la curva hacia fuera.
Enganche el muelle de retorno del freno en la pestaña del brazo de elevación (Figura 4).

Instale el conjunto de rueda y neumático. Apriete las tuercas de las ruedas a entre 102 y 108 N·m.
Repita el procedimiento en el otro lado de la máquina.
Retire las 2 arandelas de empuje, la chaveta y el pasador del soporte del brazo de cada rueda giratoria de la unidad de corte (Figura 5).
Coloque la unidad de corte delante de la unidad de tracción.
Presione el interruptor de elevación hacia adelante, a la posición de FLOTACIóN. Empuje hacia abajo uno de los brazos de elevación hasta que los taladros del brazo de elevación estén alineados con los taladros del soporte del brazo de la rueda giratoria (Figura 5).

Fije el brazo de elevación al brazo de la rueda giratoria con las 2 arandela de empuje, un pasador de horquilla y una chaveta.
Coloque las arandelas de empuje entre el brazo de elevación y el soporte del brazo de la rueda giratoria (Figura 5) e introduzca el extremo del pasador de horquilla en la ranura de la pestaña del brazo de la rueda giratoria para retener el pasador.
Repita este procedimiento en el otro brazo de elevación.
Arranque la unidad de tracción y eleve la unidad de corte.
Introduzca el árbol macho de la toma de fuerza en el árbol hembra de la toma de fuerza, alinee los taladros de montaje del eje primario de la caja de engranajes con los taladros del árbol de la TDF y júntelos.

Fíjelos con un pasador cilíndrico.
Apriete los pernos y las tuercas.
Antes de utilizar la máquina, debe engrasarse para asegurar unas características de lubricación correctas; consulte Lubricación. Si la máquina no es engrasada correctamente habrá fallos prematuros de piezas críticas.
Note: Las especificaciones y diseños están sujetos a modificación sin previo aviso.
| Anchura de corte | 1,829 m |
| Altura de corte | Ajustable de 25 a 127 mm en incrementos de 13 mm |
| Peso neto | Modelo 31335: 251 kg Modelo 31336: 292 kg |
Está disponible una selección de aperos y accesorios homologados por Toro que se pueden utilizar con la máquina a fin de potenciar y aumentar sus prestaciones. Póngase en contacto con su Servicio Técnico Autorizado o visite www.Toro.com para obtener una lista de todos los accesorios y aperos homologados.
Para asegurar un rendimiento óptimo y mantener la certificación de seguridad de la máquina, utilice solamente piezas y accesorios genuinos Toro. Las piezas de repuesto y accesorios de otros fabricantes podrían ser peligrosos, y su uso podría invalidar la garantía del producto.
Note: Los lados derecho e izquierdo de la máquina se determinan desde la posición normal del operador.
Si deja la llave en el interruptor de encendido, alguien podría arrancar el motor accidentalmente y causar lesiones graves a usted o a otras personas.
Retire la llave de contacto antes de realizar cualquier operación de mantenimiento.
| Intervalo de mantenimiento y servicio | Procedimiento de mantenimiento |
|---|---|
| Cada 50 horas |
|
| Cada 400 horas |
|
La caja de engranajes está diseñada para funcionar con lubricante para engranajes de peso SAE 80-90. Aunque la caja de engranajes se entrega de fábrica llena de lubricante, compruebe el nivel antes de utilizar la unidad de corte. La capacidad de la caja de engranajes es de 283 ml.
Aparque la máquina y la unidad de corte en una superficie nivelada.
Retire la varilla/ tapón de llenado de la parte superior de la caja de engranajes (Figura 7) y compruebe que el lubricante está entre las marcas de la varilla. Si el nivel de lubricante es bajo, añada suficiente lubricante para que el nivel quede entre las marcas.

La altura de corte es ajustable de 25 a 127 mm en incrementos de 13 mm. Para ajustar la altura de corte, coloque los ejes de las ruedas giratorias en los taladros superiores o inferiores de las horquillas, y añada o retire el mismo número de espaciadores de las horquillas.
Arranque el motor y eleve la unidad de corte del suelo para poder cambiar la altura de corte. Apague el motor y retire la llave cuando haya elevado la unidad de corte.
Coloque los ejes de las ruedas giratorias en el mismo taladro en todas las horquillas. Consulte Figura 8, Figura 9 y Figura 10 para saber cuáles son los taladros adecuados para esta configuración.


Note: Cuando se utiliza el ajuste de altura de corte de 64 mm o más, el perno del eje debe instalarse en el taladro inferior de la horquilla de la rueda giratoria para evitar una acumulación de hierba entre la rueda y la horquilla. Cuando se utilizan alturas de corte de menos de 64 mm y se detecta una acumulación de hierba, cambie el sentido de avance de la máquina para arrastrar y eliminar los recortes de la zona de la rueda/horquilla.
Retire el casquillo tensor del eje (Figura 8) y deslice el eje fuera del brazo de la rueda giratoria.
Coloque los 2 suplementos (1/8 pulgada) en el eje de la misma forma que en la instalación original. Estos suplementos son necesarios para obtener el mismo nivel en toda la anchura de las unidades de corte. Coloque el número adecuado de espaciadores de 1/2" en el eje para conseguir la altura de corte deseada y, a continuación, coloque la arandela en el eje.
Consulte Figura 9 para saber la combinación de espaciadores para esta configuración.
Inserte el eje por el brazo de la rueda giratoria. Coloque los suplementos (igual que en la instalación original) y los demás espaciadores en el eje. Coloque el casquillo tensor para fijar el conjunto.
Note: Cuando se usen alturas de corte de 25 mm, 38 mm, u ocasionalmente de 51 mm, mueva los patines y las ruedas niveladoras a los taladros más altos.
Retire el casquillo tensor del eje de la rueda (Figura 10).

Note: No es necesario retirar la horquilla de la rueda giratoria trasera del brazo para cambiar la altura de corte.
Retire o añada espaciadores en forma de C al segmento estrecho del eje, debajo del brazo de la rueda giratoria, hasta obtener la altura de corte deseada. Asegúrese de que los suplementos, y no los espaciadores, están en contacto con la parte superior y la parte inferior del brazo de la rueda giratoria.
Coloque el casquillo tensor para fijar el conjunto.
Asegúrese de que las cuatro ruedas giratorias están a la misma altura de corte.
Note: Cuando se usen alturas de corte de 25 mm, 38 mm, u ocasionalmente de 51 mm, mueva los patines y las ruedas niveladoras a los taladros más altos.
Note: Para utilizar la unidad de corte con el ajuste de altura de corte de 25 o 38 mm, vuelva a colocar los rodillos de la unidad de corte en los taladros superiores de los soportes.
Ajuste los rodillos delanteros del siguiente modo:
Retire el tornillo y la tuerca que fijan el eje del rodillo al soporte de la carcasa (Figura 11).

Retire el eje de los taladros inferiores del soporte, alinee el rodillo con los taladros superiores e instale el eje.
Instale el tornillo y la tuerca para fijar los conjuntos.
Ajuste los rodillos traseros (internos) tal y como se muestra en la Figura 12.

Los patines deben montarse en la posición inferior cuando se utilizan alturas de corte de más de 64 mm y en la posición superior con alturas de corte de menos de 64 mm.
Para ajustar los patines, retire el perno y las tuercas, coloque los patinetes en la posición deseada y vuelva a colocar los pernos y las tuercas (Figura 13).

Cada vez que usted cambie la altura de corte, ajuste también la altura de los rodillos protectores del césped.
Después de ajustar la altura de corte, ajuste los rodillos retirando la tuerca con arandela prensada, el casquillo, el espaciador y el perno (Figura 14).

Seleccione el taladro que hará que el rodillo protector del césped esté lo más próximo posible a la altura de corte deseada.
Instale la tuerca con arandela prensada, el casquillo, el espaciador y el perno. Apriete a entre 54 y 61 N·m (Figura 14).
El flujo de descarga del cortacésped puede ajustarse para diferentes condiciones de siega. Coloque los bloqueos de leva y el deflector para obtener la mejor calidad de corte.
Ajuste los bloqueos de leva levantando la palanca para aflojar el bloqueo de leva (Figura 15).
Ajuste el deflector y los bloqueos de leva en las ranuras según el flujo de descarga deseado.
Devuelva la palanca a su posición original para apretar el deflector y los bloqueos de leva (Figura 15).
Si las levas no inmovilizan correctamente el deflector, o si éste está demasiado apretado, afloje la palanca y luego gire el bloqueo de leva. Ajuste el bloqueo de leva hasta obtener la presión de bloqueo deseada.

Las figuras siguientes son simplemente recomendaciones de uso. Los ajustes variarán según el tipo de hierba, el contenido de humedad y la altura de la hierba.
Note: Si la potencia del motor empieza a caer, y la velocidad de avance del cortacésped es la misma, abra más el deflector.
Esta es la posición más atrasada. El uso recomendado para esta posición es el siguiente:
Usar para condiciones de siega de hierba corta y ligera
Usar en condiciones secas
Para recortes de hierba más pequeños
Propulsa los recortes de hierba más lejos del cortacésped

Utilice esta posición para ensacar. Alinéelo siempre con la abertura del deflector.

Ésta es la posición más abierta posible. Los usos recomendados para esta posición son:
Usar para condiciones de siega de hierba larga y densa
Usar en condiciones húmedas
Reduce el consumo del motor
Permite una mayor velocidad sobre el terreno en condiciones pesadas

La inclinación longitudinal de la unidad de corte es la diferencia de altura de corte entre la parte delantera del plano de la cuchilla hasta la parte trasera del plano de la cuchilla. Utilice una inclinación de las cuchillas de 8 mm. Es decir, la parte trasera del plano de la cuchilla está 8 mm más alta que la parte delantera.
Coloque la máquina en una superficie nivelada en el suelo del taller.
Ajuste la unidad de corte a la altura de corte deseada.
Gire una cuchilla hasta que apunte hacia adelante.
Utilice una regla corta para medir desde el suelo hasta la punta delantera de la cuchilla. Gire el extremo de la cuchilla hacia atrás, y mida desde el suelo hasta el extremo de la cuchilla.
Reste la dimensión delantera a la dimensión trasera para calcular la inclinación de la cuchilla.
Ajuste los suplementos de los brazos de las ruedas giratorias delanteras o traseras hasta obtener la inclinación de la unidad de corte (Figura 19).

Debido a diferencias en la condición del césped y en los ajustes de contrapeso de la unidad de tracción, se recomienda hacer una prueba de corte y comprobar el aspecto de la hierba antes de empezar la siega formal.
Ajuste la unidad de corte a la altura de corte deseada; consulte Ajuste de la altura de corte.
Compruebe la presión de los neumáticos delanteros y traseros y ajústela a 1,38 bar.
Compruebe la presión de los neumáticos de las ruedas giratorias y ajústela a 345 kPa.
Compruebe que las cuchillas no están dobladas; consulte Verificación de la rectilinealidad de las cuchillas.
Corte la hierba en una zona de prueba para determinar si todas las unidades de corte están a la misma altura.
Si es necesario ajustar aún más las unidades de corte, busque una superficie plana usando un borde recto de 2 m o más.
Para facilitar la medición del plano de las cuchillas, eleve la altura de corte a la posición más alta; consulte Ajuste de la altura de corte.
Baje la unidad de corte sobre la superficie plana. Retire las cubiertas de la parte superior de las unidades de corte.
Gire la cuchilla de cada eje hasta que los extremos estén orientados hacia adelante y hacia atrás.
Mida desde el suelo hasta la punta delantera del filo de corte.
Ajuste los suplementos de las horquillas de las ruedas giratorias hasta que la altura de corte se corresponda con la marca de la pegatina; consulte Ajuste de la altura de corte.
El cortacésped cuenta con un deflector de hierba abisagrado que dispersa los recortes de hierba a un lado y hacia abajo, hacia el césped.
Si la máquina no tiene correctamente montado un deflector de hierba, una tapa de descarga o un recogedor completo, usted y otras personas están expuestos a contacto con las cuchillas y a residuos lanzados al aire. El contacto con las cuchillas de corte en rotación o con los residuos lanzados al aire causará lesiones o la muerte.
No retire el deflector de hierba del cortacésped porque el deflector de hierba dirige el material hacia abajo al césped. Si el deflector de hierba se deteriora alguna vez, sustitúyalo inmediatamente.
No coloque nunca las manos o los pies debajo del cortacésped.
No intente nunca despejar la zona de descarga o las cuchillas del cortacésped sin mover el mando de la TDF (control de las cuchillas/TDF) a la posición de DESENGRANADO, girar la llave de contacto a desconectado y retirar la llave.
Compruebe que el deflector de hierba está bajado.
Siegue a última hora de la mañana para evitar el rocío, que hace que se agolpe la hierba, o a última hora de la tarde para evitar los daños que puede causar la luz solar directa en la hierba recién cortada y sensible.
Corte aproximadamente 25 mm, o no más de un tercio, de la hoja de hierba. Si la hierba es excepcionalmente densa y frondosa, es posible que tenga que elevar la altura de corte en una posición.
En la mayoría de los casos, tendrá que segar cada 4–5 días aproximadamente. Pero recuerde, la hierba crece a velocidades distintas según las temporadas. Esto quiere decir que para mantener la misma altura de corte, lo cual es una buena práctica, será necesario segar más a menudo a principios de la primavera; cuando disminuya la velocidad de crecimiento de la hierba a mediados del verano, siegue solamente cada 8–10 días. Si no puede segar durante un periodo prolongado debido a las condiciones climáticas o por otros motivos, corte primero con una altura de corte más alta y, después de 2 a 3 días, vuelva a cortar con un ajuste más bajo.
Una cuchilla afilada corta limpiamente sin desgarrar o picar las hojas de hierba, que es lo que haría una cuchilla sin filo. Si se rasgan o se deshilachan, los bordes de las hojas se secarán, se retardará su crecimiento y se favorecerá la aparición de enfermedades.
Para asegurar el mejor rendimiento, limpie los bajos de la carcasa del cortacésped después de cada uso. Si se deja que se acumulen residuos en el alojamiento de las cuchillas, se reducirá el rendimiento de corte.
Recomendamos una inclinación de las cuchillas de 8 mm. Con una inclinación de más de 8 mm, se necesitará menos potencia, los recortes serán más largos y la calidad de corte será menor. Con una inclinación de menos de 8 mm, se necesitará más potencia, los recortes serán más pequeños y la calidad de corte será mayor.
| Intervalo de mantenimiento y servicio | Procedimiento de mantenimiento |
|---|---|
| Después de las primeras 2 horas |
|
| Después de las primeras 10 horas |
|
| Cada vez que se utilice o diariamente |
|
| Cada 50 horas |
|
| Cada 400 horas |
|
Si deja la llave en el interruptor de encendido, alguien podría arrancar el motor accidentalmente y causar lesiones graves a usted o a otras personas.
Retire la llave del interruptor de encendido antes de realizar ninguna operación de mantenimiento.
| Intervalo de mantenimiento y servicio | Procedimiento de mantenimiento |
|---|---|
| Cada vez que se utilice o diariamente |
|
| Cada 50 horas |
|
La máquina tiene engrasadores que deben ser lubricados regularmente con grasa de litio Nº 2.
Lubrique las zonas siguientes:
Casquillos (4) del eje de la horquilla de las ruedas giratorias (Figura 20).

Cojinetes del eje (3) (situados debajo de la polea) (Figura 21).

Cojinetes del eje del brazo tensor (Figura 21)
Pivotes de los brazos de elevación delanteros (2) (Figura 22)

Pivotes de los brazos de elevación traseros (2) (Figura 23)

Coloque la máquina y la unidad de corte en una superficie nivelada y baje la unidad de corte. Retire la varilla/el tapón de llenado de la parte superior de la caja de engranajes (Figura 24) y compruebe que el lubricante está entre las marcas de la varilla. Si el nivel de lubricante es bajo, añada suficiente lubricante SAE 80-90 para que el nivel quede entre las marcas. La capacidad de la caja de engranajes es de 283 ml.

Important: Las fijaciones de las cubiertas de esta máquina están diseñadas para que queden sujetas a la cubierta después de retirarse ésta. Afloje todas las fijaciones de cada cubierta unas cuantas vueltas hasta que la cubierta esté suelta pero aún sujeta, luego vuelva a aflojarlas hasta que la cubierta quede libre. Esto evita la posibilidad de retirar accidentalmente los pernos de los retenedores.
Aparque la máquina en una superficie nivelada, baje la unidad de corte al suelo, mueva la palanca de elevación a la posición de FLOTACIóN, apague el motor y accione el freno de estacionamiento.
Retire las chavetas y los pasadores de horquilla que fijan los brazos de elevación a los soportes de los brazos de las ruedas giratorias (Figura 25).

Aleje la unidad de corte de la unidad de tracción, separando las secciones macho y hembra del árbol de la TDF (Figura 26).

Si arranca el motor y el árbol de la TDF empieza a rotar, podrían producirse lesiones graves.
No arranque el motor ni accione la palanca de la TDF a menos que el árbol de la TDF esté conectado a la caja de engranajes de la unidad de corte.
Coloque la máquina en una superficie nivelada y pare el motor.
Coloque la unidad de corte delante de la unidad de tracción.
Introduzca el árbol macho de la TDF en el árbol hembra de la TDF (Figura 26).
Presione el interruptor de elevación hacia adelante, a la posición de FLOTACIóN. Empuje hacia abajo uno de los brazos de elevación hasta que los taladros del brazo de elevación estén alineados con los taladros del soporte del brazo de la rueda giratoria y pueda insertar la varilla de ajuste de altura de corte en los alojamientos del brazo de elevación (Figura 27).
Fije el brazo de elevación al brazo de la rueda giratoria con las 2 arandela de empuje, un pasador de horquilla y una chaveta, coloque las arandelas de empuje entre el brazo de elevación y el soporte del brazo de la rueda giratoria (Figura 27) e introduzca el extremo del pasador de horquilla en la ranura de la pestaña del brazo de la rueda giratoria para retener el pasador.
Repita este procedimiento en el otro brazo de elevación.
Arranque la unidad de tracción y eleve la unidad de corte.

Los brazos de las ruedas giratorias tienen casquillos colocados a presión en las partes superior e inferior del tubo, que se desgastarán después de muchas horas de uso.
Para comprobar los casquillos, mueva la horquilla hacia delante y hacia atrás y de un lado a otro. Si el eje tiene holgura dentro de los casquillos, los casquillos están desgastados; cámbielos.
Levante la unidad de corte de manera que las ruedas queden levantadas del suelo. Bloquee la unidad de corte para evitar que se caiga accidentalmente.
Retire el casquillo tensor, el/los suplemento (s) y la arandela de empuje de la parte superior del husillo de la rueda giratoria.
Retire el husillo del tubo de montaje. Deje la arandela de empuje y el/los suplemento(s) en la parte inferior del husillo.
Inserte un botador fino en la parte superior o inferior del tubo de montaje y dé golpes hasta retirar el casquillo del tubo (Figura 28). Retire también el otro casquillo del tubo. Limpie el interior de los tubos para eliminar toda suciedad.

Aplique grasa al interior y al exterior de los casquillos nuevos. Utilice un martillo y una chapa plana para introducir los casquillos nuevos en el tubo de montaje.
Inspeccione el husillo para ver si está desgastado, y cámbielo si está dañado.
Introduzca el eje de la rueda giratoria a través de los casquillos y del tubo de montaje, deslice la arandela de empuje y los espaciadores en el eje e instale el casquillo tensor en el eje.
| Intervalo de mantenimiento y servicio | Procedimiento de mantenimiento |
|---|---|
| Después de las primeras 2 horas |
|
| Después de las primeras 10 horas |
|
| Cada 50 horas |
|
Retire la contratuerca del perno que sujeta el conjunto de la rueda giratoria en la horquilla (Figura 29). Sujete la rueda giratoria y retire el perno de la horquilla o del brazo de pivote.

Retire el cojinete de la rueda y deje que se caiga el suplemento del cojinete (Figura 29). Retire el cojinete del otro lado de la rueda.
Compruebe los cojinetes, el suplemento y el interior de la rueda por si estuvieran desgastados. Sustituya cualquier pieza dañada.
Para ensamblar la rueda giratoria, coloque el cojinete en el cubo de la rueda. Al instalar los cojinetes, empuje en el anillo de rodadura exterior de los mismos.
Deslice el suplemento del cojinete en el cubo de la rueda. Coloque el otro cojinete en la parte abierta del cubo de la rueda para fijar el suplemento dentro del cubo.
Instale el conjunto de la rueda giratoria entre la horquilla y fíjelo con el perno y la contratuerca.
Coloque la máquina en una superficie nivelada. Levante la unidad de corte, accione el freno de estacionamiento, ponga el pedal de tracción en punto muerto, ponga la palanca de la TDF en posición de DESENGRANADO, apague el motor y retire la llave de contacto. Bloquee la unidad de corte para evitar que se caiga accidentalmente.
Gire la cuchilla hasta que los extremos estén orientados hacia adelante y hacia atrás. Mida desde el interior de la unidad de corte al filo de corte en la parte delantera de la cuchilla (Figura 30) y recuerde esta dimensión.

Gire hacia adelante el otro extremo de la cuchilla. Mida entre la unidad de corte y el filo de corte de la cuchilla en la misma posición que en el paso 2. La diferencia entre las dimensiones obtenidas en los pasos 2 y 3 no debe superar los 3 mm. Si esta dimensión es de más de 3 mm, cambie la cuchilla porque está doblada; consulte Cómo retirar e instalar la(s) cuchilla(s).
La cuchilla debe cambiarse si golpea un objeto sólido, o si está desequilibrada, doblada o desgastada. Utilice siempre piezas de repuesto genuinas de Toro para garantizar la seguridad y un rendimiento óptimo. No utilice nunca cuchillas de otros fabricantes, puesto que podrían ser peligrosas.
Eleve la unidad de corte a la posición más alta, ponga el freno de estacionamiento, pare el motor y retire la llave de contacto. Bloquee la unidad de corte para evitar que se caiga accidentalmente.
Sujete el extremo de la cuchilla usando un paño o un guante grueso. Retire del eje de la cuchilla el perno de la cuchilla, el protector de césped y la cuchilla (Figura 31).

Instale la cuchilla – la vela hacia la unidad de corte – con el protector de césped y el perno de la cuchilla. Apriete el perno de la cuchilla a 115–149 N·m.
Important: La parte curva de la cuchilla debe apuntar hacia el interior de la unidad de corte para asegurar un corte correcto.
| Intervalo de mantenimiento y servicio | Procedimiento de mantenimiento |
|---|---|
| Después de las primeras 10 horas |
|
| Cada vez que se utilice o diariamente |
|
| Cada 50 horas |
|
Una cuchilla desgastada o dañada puede romperse, y un trozo de la cuchilla podría ser arrojado hacia usted u otra persona, provocando lesiones personales graves o la muerte.
Inspeccione periódicamente las cuchillas, para asegurarse de que no están desgastadas ni dañadas.
No intente enderezar una cuchilla doblada.
No suelde una cuchilla rota o agrietada.
Cambie cualquier cuchilla desgastada o dañada por una cuchilla Toro nueva para asegurar que el producto siga cumpliendo la certificación de seguridad.
Tanto el filo de corte como la vela – la parte inclinada hacia arriba frente al filo de corte – contribuyen a una buena calidad de corte. La vela es importante porque levanta y endereza la hoja de hierba, así produciendo un corte homogéneo. No obstante, la vela se desgasta gradualmente durante la operación, y esto es normal. A medida que la vela se desgasta, la calidad de corte disminuye algo, aunque los filos estén afilados. El filo de corte de la cuchilla debe estar afilado para que la hierba sea cortada en vez de desgarrada. Cuando las puntas de las hojas de hierba tienen un aspecto marrón y desgarrado, es señal de que el filo no está afilado. Afile la cuchilla para corregir esta condición.
Aparque la máquina en una superficie nivelada. Levante la unidad de corte, accione el freno de estacionamiento, ponga el pedal de tracción en punto muerto, ponga la palanca de la TDF en posición de DESENGRANADO, apague el motor y retire la llave.
Examine cuidadosamente los extremos de corte de la cuchilla, sobre todo en el punto de reunión entre la parte plana y la parte curva de la cuchilla (Figura 32). Puesto que la arena y los materiales abrasivos pueden desgastar el metal que conecta las partes curva y plana de la cuchilla, compruebe la cuchilla antes de utilizar la máquina. Si se aprecia desgaste (Figura 32), cambie la cuchilla; consulte Cómo retirar e instalar la(s) cuchilla(s).

Si se permite que la cuchilla se desgaste, se formará una hendidura entre la vela y la parte plana de la cuchilla (Figura 32). Con el tiempo, una parte de la cuchilla podría desprenderse y salir lanzada desde debajo de la carcasa, posiblemente causando lesiones graves a usted o a otra persona.
Inspeccione periódicamente las cuchillas, para asegurarse de que no están desgastadas ni dañadas.
Cambie cualquier cuchilla desgastada o dañada por una cuchilla Toro nueva para asegurar que el producto siga cumpliendo la certificación de seguridad.
Inspeccione los filos de corte de todas las cuchillas. Afile los filos de corte si están romos o tienen mellas. Afile únicamente la parte superior del filo y mantenga el ángulo de corte original para asegurar un filo correcto (Figura 33). La cuchilla permanecerá equilibrada si se retira la misma cantidad de metal de ambos filos de corte.

Note: Retire las cuchillas y afílelas con una afiladora; consulte Cómo retirar las cuchillas. Después de afilar los filos de corte, instale la cuchilla con el protector de césped y el perno de la cuchilla. Las velas de la cuchilla deben estar en la parte superior de la misma. Apriete el perno de la cuchilla a entre 115 y 149 N·m.
| Intervalo de mantenimiento y servicio | Procedimiento de mantenimiento |
|---|---|
| Cada 50 horas |
|
La correa de transmisión de las cuchillas, tensada por la polea tensora tensada con muelle, es muy resistente. No obstante, después de muchas horas de uso la correa mostrará señales de desgaste. Estas señales de desgaste son: chirridos cuando la correa está en movimiento, las cuchillas resbalan durante la siega, bordes deshilachados, quemaduras y grietas. Cambie la correa si observa cualquiera de estas condiciones.
Baje la unidad de corte al suelo del taller. Retire las cubiertas de las correas de la parte superior de la unidad de corte y apártelas.
Usando una llave dinamométrica u otra herramienta similar, aleje la polea tensora (Figura 34) de la correa de transmisión para aliviar la tensión de la correa y poder retirar la correa de la polea de la caja de engranajes (Figura 35).


Retire la correa gastada de las poleas libres y de la polea tensora.
Pase la correa nueva alrededor de las poleas de los ejes y del conjunto de la polea tensora, según se muestra en Figura 36.

Instale las cubiertas de las correas.
Si el hueco de descarga se deja destapado, el cortacésped podría arrojar objetos hacia usted o hacia otras personas y causar lesiones graves. También podría producirse un contacto con la cuchilla.
No utilice la máquina, a menos que instale una tapa, una placa de mulching o un conducto de hierba y un recogedor.
Compruebe que el deflector de hierba está bajado.
Retire la contratuerca, el perno, el muelle y el espaciador que sujetan el deflector a los soportes de pivote (Figura 37). Retire el deflector de hierba dañado o desgastado.
Coloque el espaciador y el muelle en el deflector de hierba. Coloque el extremo en L del muelle detrás del reborde de la carcasa.
Note: Asegúrese de colocar el extremo en L del muelle detrás del reborde de la carcasa antes de instalar el perno, según se muestra en la Figura 37.
Instale el perno y la tuerca. Coloque el gancho en J del muelle alrededor del deflector de hierba (Figura 37).
Important: Debe poder bajar el deflector de hierba a su posición. Levante el deflector para verificar que puede bajar del todo.
