| Cadenza di manutenzione | Procedura di manutenzione |
|---|---|
| Ogni 50 ore |
|
| Ogni 400 ore |
|
Il piatto di taglio rotante viene montato su macchine con operatore a bordo ed è stato pensato per l'utilizzo in applicazioni professionali da parte di operatori professionisti del verde. Il suo scopo principale è quello di tagliare l'erba di parchi, campi sportivi e aree verdi commerciali. Non è indicato per il taglio di cespugli.
Important: Per massimizzare sicurezza, prestazioni e funzionamento corretto di questa macchina, leggete e comprendete per intero i contenuti di questo Manuale dell'operatore. Il mancato rispetto delle presenti istruzioni operative o l'assenza di formazione adeguata possono determinare infortuni. Per ulteriori informazioni sulle pratiche operative sicure, inclusi i suggerimenti relativi alla sicurezza e il materiale per la formazione, visitate il sito web www.Toro.com.
Per informazioni su prodotti e accessori, sulla ricerca di un distributore o per la registrazione del vostro prodotto, potete contattare direttamente Toro all'indirizzo www.Toro.com.
Per assistenza, ricambi originali Toro o ulteriori informazioni, rivolgetevi a un Distributore Toro autorizzato o ad un Centro Assistenza Toro ed abbiate sempre a portata di mano il numero del modello ed il numero di serie del prodotto. Figura 1 indica la posizione del numero del modello e del numero di serie sul prodotto. Scrivete i numeri negli spazi previsti.
Important: Con il vostro dispositivo mobile, potete scansionare il codice QR sull'adesivo del numero di serie (se presente) per accedere a informazioni su garanzia, ricambi e altre informazioni sui prodotti.

Questo manuale identifica pericoli potenziali e riporta messaggi di sicurezza evidenziati dal simbolo di avviso di sicurezza (Figura 2), che segnala un pericolo che può causare gravi infortuni o la morte se non osserverete le precauzioni raccomandate.

Per evidenziare le informazioni vengono utilizzate due parole. Importante indica informazioni meccaniche di particolare importanza e Nota evidenzia informazioni generali di particolare rilevanza.
Questo prodotto è conforme a tutte le direttive europee pertinenti. Per maggiori dettagli, consultate la Dichiarazione di incorporazione sul retro di questa pubblicazione.
CALIFORNIA
Avvertenza norma "Proposition 65"
L'utilizzo del presente prodotto potrebbe esporre a sostanze chimiche che nello Stato della California sono considerate cancerogene e causa di anomalie congenite o di altre problematiche della riproduzione.
Questa macchina è stata progettata in conformità con EN ISO 5395-3:2013 e ANSI B71.4-2017.
Questo prodotto è in grado di amputare mani e piedi, e di scagliare oggetti. Rispettate sempre tutte le norme di sicurezza per evitare gravi lesioni personali.
L'utilizzo di questo prodotto per scopi non conformi alle funzioni per cui è stato concepito può essere pericoloso per voi e gli astanti.
Leggete e comprendete il contenuto di questo Manuale dell'operatore prima di avviare il motore.
Prestate la massima attenzione mentre utilizzate la macchina. Non svolgete nessuna attività che vi possa distrarre; in caso contrario potrebbero verificarsi infortuni o danni.
Non infilate le mani o i piedi accanto alle parti in movimento della macchina.
Non utilizzate la macchina se non sono montate e funzionanti tutte le protezioni e gli altri dispositivi di sicurezza sulla macchina.
Restate lontani dalle aperture di scarico. Tenete gli astanti e gli animali domestici a distanza di sicurezza dalla macchina.
Tenete i bambini lontano dall’area di lavoro. Non permettete mai che bambini e ragazzi utilizzino la macchina.
Parcheggiate la macchina su una superficie pianeggiante, abbassate gli apparati di taglio, disinnestate le trasmissioni, inserite il freno di stazionamento (se presente), spegnete il motore e rimuovete la chiave prima di abbandonare la posizione operativa per qualsiasi motivo.
L'errato utilizzo o l'errata manutenzione di questa macchina può causare infortuni. Per ridurre il rischio di incidenti, rispettate le seguenti norme di sicurezza e fate sempre attenzione al simbolo di allarme che indica Attenzione, Avvertenza o Pericolo – norme di sicurezza personali. Il mancato rispetto di queste istruzioni può provocare infortuni o la morte.
Potete trovare informazioni di sicurezza aggiuntive se necessarie in questo Manuale dell'operatore.
Leggete con attenzione il Manuale dell'operatore per il trattorino e altro materiale di formazione. Acquisite dimestichezza con i comandi, gli adesivi di sicurezza e il corretto utilizzo della macchina. Nel caso in cui l'operatore o il meccanico non siano in grado di leggere la lingua del presente manuale, spetta al proprietario spiegarne loro il contenuto.
Familiarizzate con il sicuro funzionamento dell'apparecchiatura, dei comandi dell'operatore e degli adesivi di sicurezza.
Il proprietario/operatore può impedire ed è responsabile di incidenti che possano causare infortuni personali o danni alla proprietà.
Indossate abbigliamento consono, comprendente occhiali di protezione, calzature robuste e antiscivolo, pantaloni lunghi e protezioni per l'udito. Legate i capelli lunghi e non indossate gioielli pendenti.
Ispezionate l'area dove utilizzerete la vostra attrezzatura e rimuovete tutti gli oggetti, come sassi, giocattoli e fili, che la macchina potrebbe eventualmente scagliare.
Controllate che i comandi dell'operatore, gli interruttori di sicurezza e le protezioni siano collegati e correttamente funzionanti. Se non funzionano correttamente, non azionate la macchina.
Arrestate la macchina, togliete la chiave e attendete che tutte le parti in movimento si arrestino prima di ispezionare l'accessorio per escludere danni dopo aver colpito un oggetto o se si avvertono vibrazioni anomale sulla macchina. Eseguite tutte le necessarie riparazioni prima di riprendere l'attività.
Tenete mani e piedi a distanza dagli apparati di taglio.
Mantenete tutte le parti in buone condizioni operative e tutti i componenti ben serrati. Sostituite tutti gli adesivi consumati o danneggiati.
Le lame consumate o danneggiate possono spezzarsi e scagliare frammenti verso di voi o gli astanti, causando gravi ferite o anche la morte.
Controllate la lama ad intervalli regolari, per accertare che non sia consumata o danneggiata.
Prestate la massima attenzione quando controllate le lame. Durante gli interventi di manutenzione, avvolgete le lame o indossate guanti adatti allo scopo e fate attenzione. Sostituite o affilate solo le lame; non raddrizzatele né saldatele.
Su macchine multilama, ricordate che la rotazione di 1 lama può provocare la rotazione anche di altre lame.
Controllate di frequente i bulloni di fissaggio per essere certi che siano serrati come da specifiche.
![]() |
Gli adesivi di sicurezza e di istruzione sono chiaramente visibili e sono affissi accanto a zone particolarmente pericolose. Sostituite gli adesivi danneggiati o smarriti. |










Se lasciate la chiave nell'interruttore di accensione, qualcuno potrebbe accidentalmente avviare il motore e ferire gravemente voi o altre persone.
Togliete la chiave dall'interruttore di accensione prima di ogni intervento di manutenzione.
L'avvio del motore quando l'albero della presa di forza è libero di ruotare potrebbe causare lesioni gravi.
Non avviate il motore e non azionate l'interruttore PDF quando l'albero della presa di forza non è collegato agli ingranaggi dell'apparato di taglio.
Note: Stabilite i lati sinistro e destro della macchina dalla normale posizione di guida.
Important: Se l'apparato di taglio con scarico laterale da 183 cm (modello 31336) viene montato su un trattorino modello 30307, 30308, 30309, 30343, 30344 o 30345 con un numero di serie precedente a 311000301, montate il kit di allineamento dell'apparato di taglio (n. cat. 120--6599) per il montaggio dell'apparato di taglio sul trattorino.
Lasciando scoperta l’apertura di scarico si permette alla macchina di scagliare oggetti verso di voi o verso astanti, causando gravi lesioni. Inoltre, è possibile venire a contatto con la lama.
Non azionate la macchina senza aver montato una piastra di copertura, una piastra per mulching o una guida di scarico e un cesto di raccolta.
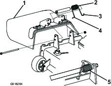
Accertatevi che il deflettore di sfalcio sia abbassato.
Rimuovete il serracavo che fissa il deflettore di sfalcio sopra il piatto di taglio e abbassate il deflettore.
Posizionate l'estremità sinistra a J della molla attorno al bordo del piatto di taglio
Infilate l'estremità destra a J della molla attorno al deflettore di sfalcio (Figura 3).
Important: Dovete riuscire ad abbassare il deflettore dell'erba in posizione. Sollevate il deflettore per garantire che si abbassi in posizione completamente abbassata.

Parti necessarie per questa operazione:
| Braccio di sollevamento destro | 1 |
| Braccio di sollevamento sinistro | 1 |
Su un lato del trattorino, allentate (senza rimuoverli) i dadi delle ruote che fissano il gruppo ruota-pneumatico ai tenoni della ruota anteriore.
Sollevate la macchina con un martinetto fino a staccare la ruota anteriore dal suolo. Sostenete la macchina con dei cavalletti o bloccatela per prevenirne la caduta accidentale.
Rimuovete i dadi della ruota ed estraete il gruppo ruota-pneumatico dai tenoni.
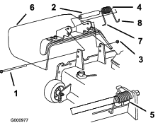
Staccate i bracci di sollevamento dal pallet.
Togliete il perno di articolazione e la coppiglia da ogni braccio di sollevamento.
Montate un braccio di sollevamento sulla staffa orientabile con un perno girevole e una coppiglia (Figura 4). Montate il braccio di sollevamento con la parte piegata collocata verso l'esterno.
Agganciate la molla di ritorno del freno alla linguetta presente sul braccio di sollevamento (Figura 4).

Montate il gruppo ruota-pneumatico. Serrate i dadi delle ruote a 102 - 108 N∙m.
Ripetete la procedura sull'altro lato della macchina.
Rimuovete 2 rondelle di spinta, il perno con testa e la coppiglia da ogni staffa del braccio della ruota orientabile sull'apparato di taglio (Figura 5).
Collocate l'apparato di taglio in posizione, davanti all'unità motrice.
Premete l'interruttore di sollevamento in avanti, in posizione di FLOTTAZIONE. Spingete il braccio di sollevamento verso il basso in modo che i relativi fori siano allineati con quelli della staffa del braccio della ruota orientabile (Figura 5).

Fissate il braccio di sollevamento al braccio della ruota orientabile con le 2 rondelle di spinta, un perno con testa e una coppiglia.
Posizionate le rondelle di spinta tra il braccio di sollevamento e la staffa del braccio della ruota orientabile (Figura 5) e inserite l'estremità della coppiglia nella scanalatura nell'aletta del braccio della ruota orientabile, per fissare la coppiglia.
Ripetete l'operazione sul braccio di sollevamento opposto.
Avviate il trattorino e sollevate l'elemento di taglio.
Fate scorrere l'albero della PDF maschio nella controparte femmina, allineate i fori di montaggio nell'albero di ingresso della scatola ingranaggi con i fori nell'albero della PDF e fateli scorrere insieme.

Fissateli con un perno a rullo.
Serrate i bulloni e i dadi.
Prima di utilizzare la macchina, deve essere ingrassata per assicurare caratteristiche di lubrificazione idonee; fate riferimento a Lubrificazione. In caso di mancato corretto ingrassaggio della macchina, si verificherà l'avaria prematura di componenti importanti.
Note: Specifiche e disegno sono soggetti a variazione senza preavviso.
| Larghezza di taglio | 1,829 m |
| Altezza di taglio | Regolabile da 25 a 127 mm in incrementi di 13 mm |
| Peso netto | Modello 31335: 251 kg Modello 31336: 292 kg |
È disponibile una gamma di attrezzi ed accessori approvati da Toro per l'impiego con la macchina, per ottimizzare ed ampliare le sue applicazioni. Richiedete la lista degli attrezzi ed accessori approvati ad un Centro Assistenza Toro o ad un Distributore, oppure visitate www.Toro.com.
Per garantire prestazioni ottimali e mantenere sempre la macchina in conformità alle norme di sicurezza, utilizzate esclusivamente ricambi e accessori originali Toro. Ricambi e accessori di altri produttori potrebbero risultare pericolosi e il loro impiego potrebbe far decadere la garanzia del prodotto.
Note: Stabilite i lati sinistro e destro della macchina dalla normale posizione di guida.
Se lasciate la chiave nell'interruttore di accensione, qualcuno potrebbe accidentalmente avviare il motore e ferire gravemente voi od altre persone.
Togliete la chiave di accensione prima di ogni intervento di manutenzione.
| Cadenza di manutenzione | Procedura di manutenzione |
|---|---|
| Ogni 50 ore |
|
| Ogni 400 ore |
|
La scatola ingranaggi è progettata per funzionare con lubrificante per ingranaggi SAE 80-90W. Sebbene la scatola ingranaggi sia spedita con lubrificante di fabbrica, verificate il livello prima di utilizzare l'apparato di taglio. La capacità della scatola ingranaggi è pari a 283 ml.
Parcheggiate la macchina e l'apparato di taglio su una superficie pianeggiante.
Rimuovete l'asta di livello/tappo di riempimento dalla parte superiore della scatola ingranaggi (Figura 7) e assicuratevi che il lubrificante sia compreso tra i segni sull'asta di livello. Se il lubrificante è insufficiente, rabboccatelo fino a raggiungere il livello compreso tra i segni.

L'altezza di taglio è regolabile da 25 a 127 mm in incrementi di 13 mm. Per regolare l'altezza di taglio, posizionate i fuselli delle ruote orientabili nei fori superiori o inferiori delle forcelle delle ruote orientabili, aggiungete o togliete un numero uguale di distanziali dalle forcelle.
Avviate il motore e sollevate l'apparato di taglio dal suolo per cambiare l'altezza di taglio. Spegnete il motore e togliete la chiave una volta sollevato l'apparato di taglio.
Posizionate gli assali delle ruote orientabili negli stessi fori di tutte le forcelle. Fate riferimento a Figura 8,Figura 9 e Figura 10 per determinare i fori adeguati all'impostazione voluta.


Note: Quando lavorate con altezze di taglio di 64 mm o superiori, inserite il bullone dell'assale nel foro inferiore della forcella della ruota orientabile per impedire l'accumulazione di ritagli d'erba falciata tra la ruota e la forcella. Quando lavorate con altezze di taglio inferiori a 64 mm e notate depositi di erba falciata, invertite la direzione della macchina per eliminare i frammenti di erba dalle adiacenze della ruota e della forcella.
Togliete il cappuccio di tensione dall'asse del mandrino (Figura 8) ed estraete il mandrino dal braccio della ruota orientabile.
Montate i due spessori (3 mm) sull'asse del mandrino come erano montati in origine. Questi spessori servono per ottenere un livellamento sull'intera larghezza degli apparati di taglio. Fate scorrere il numero opportuno di distanziali da 1/2" sull'asse del mandrino per ottenere l'altezza di taglio desiderata, poi fate scorrere la rondella sull'albero.
Fate riferimento a Figura 9 per determinare le combinazioni di distanziali necessari per l'impostazione voluta.
Spingete il mandrino della ruota orientabile nel braccio della ruota orientabile. Montate gli spessori (come in origine) e i distanziali rimanenti sull'asse del mandrino. Montate il cappuccio di tensione per fissare il gruppo.
Note: Quando usate altezze di taglio di 25 mm, 38 mm o talvolta di 51 mm, spostate i pattini e il rullo nei fori superiori.
Rimuovete il cappuccio di tensione dall’asse del mandrino (Figura 10).

Note: Il gruppo della forcella della ruota orientabile posteriore non deve necessariamente essere rimosso dal braccio della ruota orientabile per modificare l'altezza di taglio.
Rimuovete o aggiungete distanziali a C nella porzione stretta dell'asse del mandrino, sotto al braccio della ruota orientabile, per ottenere l'altezza di taglio desiderata. Assicuratevi che gli spessori, non i distanziali, siano a contatto con la parte superiore e inferiore del braccio della ruota orientabile.
Montate il cappuccio di tensione per fissare il gruppo.
Assicuratevi che tutte e quattro le ruote orientabili siano impostate alla stessa altezza di taglio.
Note: Quando usate altezze di taglio di 25 mm, 38 mm o talvolta di 51 mm, spostate i pattini e il rullo nei fori superiori.
Note: Se utilizzate l'apparato di taglio alle impostazioni dell'altezza di taglio di 25 o 38 mm, riposizionate i rulli dell'apparato di taglio nei fori superiori della staffa.
Regolate i rulli anteriori nel modo seguente:
Rimuovete la vite e il dado che fissano l'albero del rullo alla staffa del piatto di taglio (Figura 11).

Estraete l'albero dai fori inferiori della staffa, allineate il rullo ai fori superiori e montate l'albero.
Montate la vite e il dado per fissare gli elementi.
Regolate i rulli posteriori (interni), come illustrato nella Figura 12.

I pattini devono essere montati nella posizione inferiore durante l'utilizzo ad altezze di taglio superiori a 64 mm e in una posizione superiore durante l'utilizzo ad altezze di taglio inferiori a 64 mm.
Per regolare i pattini rimuovete il bullone flangiato e i dadi, posizionate i pattini come desiderate e montate i dispositivi di fissaggio (Figura 13).

Quando cambiate l’altezza di taglio, regolate l’altezza dei rulli antistrappo.
Dopo avere regolato l'altezza di taglio, regolate i rulli togliendo il dado flangiato, la boccola, il distanziale ed il bullone (Figura 14).

Scegliete il foro in modo da posizionare il rullo antistrappo all'altezza di taglio corrispondente più vicina all'altezza richiesta.
Montate il dado flangiato, la boccola, il distanziale ed il bullone. Serrate a una coppia di 54 - 61 N∙m (Figura 14).
Potete regolare il flusso di scarico del tosaerba per varie condizioni di falciatura. Posizionate i blocchi delle camme ed il deflettore in modo da ottenere la migliore qualità di taglio.
Regolate i blocchi delle camme girando la leva verso l'alto per allentare il blocco della camma (Figura 15).
Regolate il deflettore e i blocchi delle camme negli intagli per ottenere il flusso di scarico opportuno.
Spostate la leva sopra per serrare il deflettore e i blocchi delle camme (Figura 15).
Se i blocchi delle camme non bloccano il deflettore in posizione, o se il deflettore è troppo stretto, allentate la leva e girate il blocco delle camme. Regolate il blocco della camma fino ad ottenere la pressione di bloccaggio desiderata.

Le seguenti figure sono solo raccomandazioni. Le regolazioni variano a seconda del tipo di erba, del tenore di umidità e dell'altezza dell'erba.
Note: Se il motore perde potenza e la velocità di trasferimento del tosaerba non è cambiata, aprite il deflettore.
Questa è la posizione completamente arretrata. Si consiglia l’utilizzo di questa posizione nei seguenti casi:
Erba corta e condizioni di falciatura leggera
Quando l'erba è asciutta
Per sfalcio di dimensioni ridotte
Per espellere lo sfalcio lontano dal tosaerba

Utilizzate questa posizione per la raccolta dello sfalcio. Allineatelo sempre con l'apertura del soffiatore.

Questa è la posizione completamente aperta. Si consiglia l’utilizzo di questa posizione nei seguenti casi:
Erba alta e fitta
Quando l'erba è bagnata
Riduce il consumo energetico del motore
Consente una velocità di trasporto superiore in condizioni pesanti

L'angolo di inclinazione degli apparati di taglio corrisponde alla differenza dell'altezza di taglio tra la parte anteriore e quella posteriore del livello della lama. Utilizzate un'inclinazione della lama di 8 mm, vale a dire, il retro del piano della lama è 8 mm più alto del davanti.
Posizionate la macchina su una superficie pianeggiante in officina.
Regolate l'apparato di taglio all'altezza di taglio desiderata.
Ruotate una lama in modo che sia orientata direttamente in avanti.
Utilizzate una riga più corta per misurare da terra fino alla punta anteriore della lama. Ruotate poi l'estremità della lama verso la parte posteriore, e misurate la distanza tra il pavimento e l'estremità della lama.
Per calcolare l'angolo d'inclinazione della lama, sottraete la dimensione ottenuta per la misurazione anteriore da quella ottenuta dalla misurazione posteriore.
Regolate gli spessori, davanti o dietro i bracci delle ruote orientabili, per ottenere il passo corretto dell'apparato di taglio (Figura 19).

Poiché sono possibili differenze nelle condizioni dell'erba e nelle regolazioni di contrappeso dell'unità motrice, si consiglia di falciare l'erba e di controllarne l'aspetto prima di iniziare il taglio effettivo.
Regolate l'apparato di taglio all'altezza di taglio desiderata; vedere la Regolazione dell'altezza di taglio.
Controllate la pressione degli pneumatici anteriori e posteriori del trattorino e regolatela a 1,38 bar.
Controllate la pressione delle ruote orientabili e regolatela a 345 kPa.
Controllate le lame curve; fate riferimento a Verifica dell'assenza di curvatura della lama.
Falciate l'erba in una zona di prova, al fine di stabilire se l'altezza degli apparati di taglio sia uguale.
Se sono ancora necessarie regolazioni dell'apparato di taglio, trovate una superficie piana utilizzando un regolo di 2 m o più.
Per agevolare la misurazione del livello della lama, alzate l'altezza di taglio alla massima posizione; vedere Regolazione dell'altezza di taglio.
Abbassate l'apparato di taglio sulla superficie pianeggiante. Togliete i carter dalla parte superiore degli apparati di taglio.
Girate la lama su ciascun mandrino fino a disporla in parallelo con la lunghezza della macchina.
Misurate dal suolo alla punta anteriore del tagliente.
Regolate gli spessori sulla forcella (o forcelle) orientabile affinché corrispondano all'adesivo dell'altezza di taglio; fate riferimento a Regolazione dell'altezza di taglio.
Il tosaerba è dotato di un deflettore incernierato che sparge lo sfalcio ai lati e verso il terreno.
Se il deflettore di sfalcio, il coperchio dello scarico o il cesto di raccolta completo non sono montati, voi ed altre persone correte il rischio di venire a contatto con la lama e con oggetti scagliati dal tosaerba. Il contatto con le lame rotanti e con i detriti scagliati può provocare gravi infortuni o la morte.
Non rimuovete il deflettore dello sfalcio dal tosaerba perché il deflettore dello sfalcio indirizza il materiale verso il tappeto erboso. Nel caso in cui il deflettore sia danneggiato, sostituitelo immediatamente.
Non infilate mai le mani o i piedi sotto il tosaerba.
Non provate mai a pulire l'area di scarico o le lame del tosaerba a meno che non abbiate spostato la presa di forza (interruttore di comando delle lame, PDF) in posizione di SPEGNIMENTO, ruotato la chiave di accensione in posizione di spegnimento e rimosso la chiave.
Accertatevi che il deflettore di sfalcio sia abbassato.
Tosate in tarda mattinata per evitare la brina che provoca accumuli di sfalcio o nel tardo pomeriggio per evitare i danni causati dalla luce diretta del sole sull'erba sensibile, appena falciata.
Falciate circa 25 mm, o comunque non più di un terzo del filo d'erba. Nel caso di tappeti erbosi lussureggianti e fitti, è talvolta necessario alzare l'altezza di taglio alla regolazione successiva.
In linea di massima, in condizioni normali dovrete tosare ogni 4-5 giorni circa. Ricordate: l'erba cresce a ritmi diversi in stagioni diverse. Ciò significa che per mantenere la stessa altezza di taglio, come consigliato, dovreste tosare con maggiore frequenza all'inizio della primavera, mentre a metà estate, quando l'erba cresce a un ritmo inferiore, dovreste tosare solo ogni 8–10 giorni. Se non potete effettuare la tosatura per un periodo di tempo prolungato a causa delle condizioni meteorologiche o altri motivi, tosate prima a un'altezza di taglio superiore, quindi di nuovo 2 o 3 giorni dopo con un'impostazione dell'altezza inferiore.
La lama affilata falcia con precisione, senza strappare o sminuzzare i fili d'erba come nel caso delle lame smussate. Quando l'erba viene strappata o spezzata, tende a scurirsi all'estremità; questo ne indebolisce la crescita e aumenta la vulnerabilità alle malattie.
Per assicurare le migliori prestazioni, pulite il sottoscocca del tosaerba ogni volta che finite di usarlo. Se lascerete accumulare i residui nella scocca, ridurrete le prestazioni di taglio.
Si consiglia un passo della lama di 8 mm. Con un passo superiore a 8 mm è necessaria una minore potenza, si ottengono aree di taglio più ampie e una qualità di taglio inferiore. Con un passo inferiore a 8 mm è necessaria una maggiore potenza, si ottengono aree di taglio più ridotte e una qualità di taglio migliore.
| Cadenza di manutenzione | Procedura di manutenzione |
|---|---|
| Dopo le prime 2 ore |
|
| Dopo le prime 10 ore |
|
| Prima di ogni utilizzo o quotidianamente |
|
| Ogni 50 ore |
|
| Ogni 400 ore |
|
Se lasciate la chiave nell'interruttore di accensione, qualcuno potrebbe accidentalmente avviare il motore e ferire gravemente voi o altre persone.
Togliete la chiave dall'interruttore di accensione prima di ogni intervento di manutenzione.
| Cadenza di manutenzione | Procedura di manutenzione |
|---|---|
| Prima di ogni utilizzo o quotidianamente |
|
| Ogni 50 ore |
|
La macchina è dotata di raccordi per ingrassaggio che devono essere lubrificati a intervalli regolari con grasso n. 2 al litio.
Lubrificate le seguenti zone:
Boccole (4) dell'asse della forcella delle ruote orientabili (Figura 20).

Cuscinetti (3) dell'asse del mandrino (situati sotto la puleggia) (Figura 21)

Cuscinetti dell'asse della leva di rinvio (Figura 21)
Perni dei bracci di sollevamento, anteriori (2) (Figura 22)

Perni dei bracci di sollevamento, posteriori (2) (Figura 23)

Parcheggiate la macchina e l'apparato di taglio su una superficie piana e abbassate l'apparato di taglio. Rimuovete l'asta di livello/tappo di riempimento dalla parte superiore della scatola ingranaggi (Figura 24) e assicuratevi che il lubrificante sia compreso tra i segni sull'asta di livello. Se il livello del lubrificante è basso, aggiungete lubrificante per ingranaggi SAW 80-90W fino a quando il livello non è compreso tra i segni. La capacità della scatola ingranaggi è pari a 283 ml.

Important: Gli elementi di fissaggio presenti sui coperchi di questa macchina sono progettati in modo tale che rimangano agganciati ai coperchi dopo la loro rimozione. Allentate di alcuni giri tutti gli elementi di fissaggio su ogni coperchio, così che il coperchio risulti mobile ma ancora agganciato, quindi allentate completamente gli elementi di fissaggio fino a liberare del tutto il coperchio. Questa procedura vi impedisce di staccare accidentalmente del tutto i bulloni dagli elementi di fissaggio.
Parcheggiate la macchina su una superficie pianeggiante, abbassate l'apparato di taglio a terra, spostate la leva di sollevamento in posizione di FLOTTAZIONE, spegnete il motore e inserite il freno di stazionamento.
Rimuovete le coppiglie a forcina e i perni con testa che fissano i bracci di sollevamento alle staffe dei bracci delle ruote orientabili (Figura 25).

Allontanate l'apparato di taglio dal trattorino, separando le sezioni maschio e femmina dell'albero della presa di forza (Figura 26).

Se avviate il motore e l'albero della PDF può ruotare, possono verificarsi gravi infortuni.
Non avviate il motore né innestate la leva della PDF quando l'albero della PDF non è collegato alla scatola ingranaggi sull'apparato di taglio.
Parcheggiate la macchina su una superficie piana e spegnete il motore.
Collocate l'apparato di taglio in posizione, davanti al trattorino.
Inserite l'albero della presa di forza maschio nell'albero della presa di forza femmina (Figura 26).
Premete l'interruttore di sollevamento in avanti, in posizione di FLOTTAZIONE. Spingete in basso un braccio di sollevamento fino a quando i fori nel braccio di sollevamento non sono allineati ai fori nella staffa del braccio della ruota orientabile e non potete inserire l'asta dell'altezza di taglio nei cuscinetti del braccio di sollevamento (Figura 27).
Fissate il braccio di sollevamento al braccio della ruota orientabile con 2 rondelle di spinta, un perno con testa e una coppiglia a forcina, posizionate le rondelle di spinta tra il braccio di sollevamento e la staffa del braccio della ruota orientabile (Figura 27) e inserite l'estremità della coppiglia nella scanalatura nell'aletta del braccio della ruota orientabile, per fissare la coppiglia.
Ripetete l'operazione sul braccio di sollevamento opposto.
Avviate il trattorino e sollevate l'elemento di taglio.

I bracci orientabili sono dotati di boccole pressate nella parte superiore e inferiore del tubo e, dopo diverse ore di funzionamento, le boccole si usurano.
Per controllare le boccole, spostate la forcella della ruota orientabile avanti e indietro e da un lato all'altro. Se il mandrino delle ruote orientabili è lento all'interno delle boccole, le boccole sono usurate; sostituitele.
Alzate l'apparato di taglio, in modo che le ruote siano sollevate da terra. Bloccate l'apparato di taglio per impedire che cada accidentalmente.
Togliete il cappuccio di tensione, il distanziale (o distanziali) e la rondella di spinta dalla parte superiore del mandrino della ruota orientabile.
Estraete il mandrino della ruota orientabile dal tubo di fissaggio. Lasciate la rondella di spinta e il distanziale (o distanziali) sulla base del mandrino.
Inserite un punteruolo nella parte superiore o inferiore del tubo di fissaggio, e spingete la boccola fuori del tubo (Figura 28). Estraete dal tubo anche l'altra boccola. Pulite l'interno dei tubi di fissaggio.

Lubrificate le nuove boccole all'interno ed all'esterno con del grasso. Con un martello ed una piastra piatta inserite le boccole nel tubo di fissaggio.
Controllate che il mandrino della ruota orientabile non sia consumato, e sostituitelo se è danneggiato.
Spingete il mandrino della ruota orientabile attraverso le boccole e il tubo di montaggio, fate scorrere la rondella di spinta e il distanziale (o distanziali) sul mandrino e montate il cappuccio di tensione sul mandrino della ruota orientabile.
| Cadenza di manutenzione | Procedura di manutenzione |
|---|---|
| Dopo le prime 2 ore |
|
| Dopo le prime 10 ore |
|
| Ogni 50 ore |
|
Togliete il dado di bloccaggio dal bullone che fissa la rotella orientabile alla forcella (Figura 29). Afferrate la ruota orientabile ed estraete la vite a testa cilindrica dalla forcella o dal braccio di rotazione.

Togliete il cuscinetto dal mozzo della ruota e lasciate cadere il distanziale del cuscinetto (Figura 29). Togliete il cuscinetto dalla parte opposta del mozzo della ruota.
Controllate che i cuscinetti, il distanziale e l'interno del mozzo non siano usurati. Sostituite le parti avariate.
Per montare la ruota orientabile, inserite il cuscinetto nel mozzo della ruota. Durante il montaggio dei cuscinetti, premete l'anello esterno del cuscinetto.
Fate scorrere il distanziale del cuscinetto nel mozzo della ruota. Spingete l'altro cuscinetto nell'estremità aperta del mozzo della ruota, in modo da imprigionare il distanziale all'interno del mozzo.
Montate il gruppo ruota orientabile tra le forcelle, e fissatelo in sede con il bullone e il dado di bloccaggio.
Parcheggiate la macchina su terreno pianeggiante. Sollevate l'apparato di taglio, inserite il freno di stazionamento, mettete in folle il pedale di comando della trazione, mettete la leva della PDF in posizione di SPEGNIMENTO, spegnete il motore e togliete la chiave di accensione. Bloccate l'apparato di taglio per impedire che cada accidentalmente.
Girate la lama fino a disporla in parallelo con la lunghezza della macchina. Misurate la distanza tra l'interno dell'apparato di taglio e il tagliente sulla parte anteriore della lama (Figura 30), e annotatevela.

Girate in avanti l'estremità opposta delle lama. Misurate la distanza tra l'apparato di taglio e il tagliente della lama nella stessa posizione di cui al punto 2. La differenza tra le misure rilevate nelle voci 2 e 3 non deve superare i 3 mm. Se la dimensione supera i 3 mm, la lama è curva e dovete sostituirla; fate riferimento a Rimozione e montaggio della lama (o delle lame) .
Sostituite la lama se colpisce un corpo solido, se è sbilanciata, consumata o incurvata. Utilizzate solo lame di ricambio originali Toro per garantire sicurezza e prestazioni ottimali. Non utilizzate mai lame di altre marche, in quanto possono essere pericolose.
Sollevate al massimo l'apparato di taglio, inserite il freno di stazionamento, spegnete il motore e togliete la chiave di accensione. Bloccate l'apparato di taglio per impedire che cada accidentalmente.
Afferrate l'estremità della lama con un cencio o un guanto bene imbottito. Togliete il bullone, la coppa antistrappo e la lama dall’asse del mandrino (Figura 31).

Montate la lama con la costa rivolta verso il piatto di taglio, servendovi della coppa antistrappo e del bullone della lama. Serrate il bullone della lama a un valore compreso tra 115 e 149 N∙m.
Important: Perché tagli correttamente, il lato curvo della lama deve essere rivolto verso l'interno dell'apparato di taglio.
| Cadenza di manutenzione | Procedura di manutenzione |
|---|---|
| Dopo le prime 10 ore |
|
| Prima di ogni utilizzo o quotidianamente |
|
| Ogni 50 ore |
|
Le lame consumate o danneggiate possono spezzarsi e scagliare frammenti verso di voi o gli astanti, causando gravi ferite o anche la morte.
Controllate la lama ad intervalli regolari, per accertare che non sia consumata o danneggiata.
Non tentate di raddrizzare una lama incurvata.
Non saldate una lama rotta o crepata.
Sostituite una lama consumata o danneggiata con una lama Toro nuova, per garantire che il prodotto sia sempre conforme alle norme di sicurezza.
Sia i taglienti sia la costa, cioè la parte rivolta in alto opposta al tagliente, contribuiscono alla buona qualità del taglio. La costa è importante perché solleva l'erba in verticale, consentendo in questo modo un taglio uniforme. La costa si consuma, tuttavia, con l'utilizzo; questo tipo di usura è normale. Quando la costa si usura, la qualità del taglio si deteriora, anche se i taglienti sono affilati. Il tagliente della lama deve essere affilato, in modo che l'erba venga tagliata anziché strappata. Quando le estremità dell'erba sono marroni e sminuzzate è evidente che il tagliente è ormai smussato. Per correggere questa condizione, affilate i taglienti
Parcheggiate la macchina su terreno pianeggiante. Sollevate l'apparato di taglio, inserite il freno di stazionamento, mettete in folle il pedale di comando della trazione, mettete la leva della PDF in posizione di SPEGNIMENTO, spegnete il motore e togliete la chiave.
Verificate accuratamente i taglienti, con particolare attenzione ai punti d'incontro delle sezioni piatta e curva della lama (Figura 32). Sabbia e materiali abrasivi possono consumare il metallo che connette le sezioni piatta e curva della lama, per cui si consiglia di controllare la lama prima di usare la macchina. Se notate dell'usura (Figura 32), sostituite la lama; fate riferimento a Rimozione e montaggio della lama (o delle lame) .

Se continuate ad usare la lama usurata, si forma una scanalatura tra la costa e la sezione piatta della lama (Figura 32). Alla fine, un pezzo di lama può staccarsi e venire lanciato dal sottoscocca, con il rischio di ferire gravemente voi o gli astanti.
Controllate la lama ad intervalli regolari, per accertare che non sia consumata o danneggiata.
Sostituite una lama consumata o danneggiata con una lama Toro nuova, per garantire che il prodotto sia sempre conforme alle norme di sicurezza.
Esaminate i taglienti di tutte le lame, e affilateli se fossero ottusi o scheggiati. Affilate soltanto la parte superiore del tagliente e mantenete l'angolo di taglio originale per garantire l'affilatura (Figura 33). La lama rimane bilanciata soltanto se viene rimossa una quantità uguale di metallo da entrambi i taglienti.

Note: Rimuovete le lame e affilatele con un'affilatrice; vedere Rimozione delle lame. Dopo avere affilato i taglienti, montate la lama insieme alla coppa antistrappo e al bullone della lama. La costa deve trovarsi sulla parte superiore della lama. Serrate il bullone della lama tra 115 e 149 N∙m.
| Cadenza di manutenzione | Procedura di manutenzione |
|---|---|
| Ogni 50 ore |
|
La cinghia di trasmissione della lama, tesa dalla puleggia tendicinghia a molla, ha una lunga durata. Tuttavia, dopo molte ore di funzionamento, presenterà segni di usura. Questi sono: stridio durante la rotazione della cinghia, slittamento delle lame durante il taglio dell’erba, bordi sfilacciati, segni di bruciatura e spaccature. Sostituite la cinghia se si verifica una delle seguenti situazioni:
Abbassate al suolo l'apparato di taglio. Togliete i copricinghia dalla parte superiore dell’apparato di taglio e metteteli da parte.
Con una chiave dinamometrica o uno strumento simile, allontanate la puleggia tendicinghia (Figura 34) dalla cinghia di trasmissione per allentare la tensione della cinghia e staccarla dalla puleggia degli ingranaggi (Figura 35).


Togliete la vecchia cinghia dalle pulegge del mandrino e dalla puleggia tendicinghia.
Montate la nuova cinghia attorno alle pulegge del mandrino e alla puleggia tendicinghia, come illustrato in Figura 36.

Montate i copricinghia.
Lasciando scoperta l’apertura di scarico si permette alla macchina di scagliare oggetti verso di voi o verso astanti, causando gravi lesioni. Inoltre, è possibile venire a contatto con la lama.
Non azionate la macchina senza aver montato una piastra di copertura, una piastra per mulching o una guida di scarico e un cesto di raccolta.
Accertatevi che il deflettore di sfalcio sia abbassato.
Togliete il dado di bloccaggio, il bullone, la molla e il distanziale che fissano il deflettore alle staffe orientabili del tosaerba (Figura 37). Togliete il deflettore di sfalcio se è danneggiato o consumato.
Inserite un distanziale e la molla sul deflettore di sfalcio. Collocate l'estremità a L della molla dietro il bordo della scocca.
Note: Assicuratevi che l'estremità a L della molla sia montata dietro il bordo del piatto di taglio prima di montare il bullone, come illustrato nella Figura 37.
Montate il bullone e il dado. Infilate l'estremità a J della molla attorno al deflettore di sfalcio (Figura 37).
Important: Dovete riuscire ad abbassare il deflettore dell'erba in posizione. Alzate il deflettore e verificate che quando scatta si abbassi completamente.
