| Vedligeholdelsesintervaller | Vedligeholdelsesprocedure |
|---|---|
| For hver 50 timer |
|
| For hver 400 timer |
|
Dette græsklippeskjold med roterende skæreknive er monteret på en plænetraktor og er beregnet til brug af professionelle, ansatte operatører i kommercielle anvendelsesområder. Den er primært beregnet til klipning af græs på velholdte plæner i parker, på sportsbaner og kommercielle områder. Den er ikke beregnet til at klippe krat.
Important: For at sikre maksimal sikkerhed, ydeevne og korrekt betjening af denne maskine skal du omhyggeligt læse og forstå indholdet i denne betjeningsvejledning. Manglende overholdelse af anvisningerne i betjeningsvejledningen eller manglende grundig undervisning kan medføre personskade. For at få flere oplysninger om sikker driftspraksis, herunder sikkerhedstip og uddannelsesmaterialer, henvises til www.Toro.com.
Du kan kontakte Toro direkte på www.Toro.com for at få oplysninger om produkter og tilbehør, hjælp til at finde en forhandler og for at registrere dit produkt.
Når du har brug for service, originale Toro-dele eller yderligere oplysninger, bedes du kontakte en autoriseret serviceforhandler eller Toros kundeservice samt have produktets model- og serienummer parat. Figur 1 angiver, hvor model- og serienummeret er placeret på produktet. Skriv numrene, hvor der er gjort plads til dette.
Important: Scan QR-koden på serienummermærkaten (hvis udstyret hermed) med din mobilenhed for at tilgå garanti, reservedele og andre produktoplysninger.

Denne vejledning advarer dig om mulige farer og giver dig særlige sikkerhedsoplysninger ved hjælp af advarselssymbolet (Figur 2), der angiver en fare, som kan forårsage alvorlig personskade eller død, hvis du ikke følger de anbefalede forholdsregler.

Denne betjeningsvejledning bruger to ord til at fremhæve oplysninger. Vigtigt henleder opmærksomheden på særlige mekaniske oplysninger, og Bemærk angiver generel information, som det er værd at lægge særligt mærke til.
Dette produkt overholder alle relevante EU-direktiver. Få yderligere oplysninger i inkorporeringserklæringen bagest i denne udgivelse.
CALIFORNIEN
Advarsel i henhold til erklæring nr. 65
Brug af dette produkt kan medføre eksponering over for kemikalier, der ifølge staten Californien er kræftfremkaldende og giver medfødte defekter eller andre forplantningsskader.
Denne maskine er designet i overensstemmelse med EN ISO 5395-3:2013 og ANSI B71.4-2017.
Dette produkt kan afskære hænder og fødder samt udslynge genstande. Følg altid sikkerhedsforskrifterne for at undgå alvorlig personskade.
Brug af dette produkt til andre end det tiltænkte formål kan udsætte dig selv og omkringstående for fare.
Læs og forstå indholdet i denne betjeningsvejledning, før du starter motoren.
Betjening af maskinen kræver din fulde opmærksomhed. Giv dig ikke i kast med aktiviteter, der afleder opmærksomheden, da dette kan medføre person- eller tingsskade.
Hold hænder og fødder væk fra bevægelige maskinkomponenter.
Betjen ikke maskinen, uden at alle værn og øvrige sikkerhedsanordninger sidder korrekt på plads og virker på maskinen.
Hold afstand til udblæsningsåbninger. Hold omkringstående og kæledyr på sikker afstand af maskinen.
Hold børn væk fra arbejdsområdet. Lad aldrig børn betjene maskinen.
Parker maskinen på en plan overflade, sænk klippeenhederne til jorden, udkobl drevene, aktiver parkeringsbremsen (hvis en sådan er monteret), sluk for motoren, og tag nøglen ud, inden du forlader førersædet, uanset årsagen.
Hvis maskinen betjenes eller vedligeholdes forkert, kan der være risiko for personskade. Operatøren skal altid følge sikkerhedsforskrifterne og være opmærksom på advarselssymbolet, der betyder Forsigtig, Advarsel eller Fare – ”personlig sikkerhedsanvisning” for at nedsætte risikoen for personskade. Hvis disse forskrifter ikke følges, kan det medføre personskade eller død.
Du kan finde yderligere sikkerhedsoplysninger, hvor det er nødvendigt, forskellige steder i denne betjeningsvejledning.
Læs omhyggeligt traktionsenhedens betjeningsvejledning samt andet uddannelsesmateriale. Bliv fortrolig med betjeningsanordningerne og sikkerhedssymbolerne, samt hvordan udstyret bruges korrekt. Hvis operatøren eller en mekaniker ikke kan læse og forstå det sprog, som vejledningen er skrevet på, er det ejerens ansvar at forklare dette materiale for dem.
Bliv fortrolig med anvisningerne for sikker betjening af udstyret samt med betjeningsanordningerne og sikkerhedssymbolerne.
Ejeren/operatøren kan forhindre og er ansvarlig for ulykker, som kan forårsage personskade eller tingsskade.
Bær korrekt beklædning, herunder beskyttelsesbriller, kraftigt, skridsikkert fodtøj, lange bukser og høreværn. Sæt langt hår op, og bær ikke løsthængende smykker.
Undersøg området, hvor udstyret skal anvendes, og fjern alle genstande som f.eks. sten, legetøj og ledninger, som maskinen kan slynge.
Kontroller, at dødemandsgrebene, sikkerhedskontakter og afskærmninger er korrekt påmonteret og fungerer korrekt. Betjen ikke maskinen, hvis de ikke fungerer korrekt.
Stands maskinen, tag nøglen ud, og vent, indtil alle bevægelige dele er standset, før du efterser udstyret, når du har ramt en genstand, eller hvis der opstår en unormal vibration i maskinen. Foretag alle nødvendige reparationer, inden driften genoptages.
Hold dine hænder og fødder væk fra klippeenhederne.
Hold alle dele i god driftsmæssig stand og alle beslag tilspændt. Udskift alle slidte eller beskadigede mærkater.
En slidt eller beskadiget skærekniv kan gå itu, og et stykke af den kan blive kastet mod dig eller omkringstående, hvilket kan forårsage alvorlige eller livsfarlige kvæstelser.
Efterse jævnligt skærekniven for slid og skader.
Vær forsigtig, når du efterser skæreknivene. Pak skæreknivene ind, eller bær handsker, og vær forsigtig når du efterser skæreknivene. Du må kun udskifte eller slibe skæreknivene. De må aldrig rettes ud eller svejses.
På maskiner med mange skæreknive skal du være meget forsigtig, da én skæreknivs rotation kan få andre skæreknive til at rotere.
Kontroller skæreknivens monteringsbolte hyppigt for at være sikker på, at de er tilspændt i henhold til specifikationen.
![]() |
Sikkerheds- og instruktionsmærkaterne kan nemt ses af operatøren og er placeret tæt på potentielle risikoområder. Beskadigede eller bortkomne mærkater skal udskiftes. |










Hvis du lader nøglen sidde i tændingen, kan andre personer utilsigtet komme til at starte motoren og forårsage alvorlig personskade på dig eller andre omkringstående.
Fjern nøglen fra tændingen, før vedligeholdelsesarbejde påbegyndes.
Hvis maskinen startes, og kraftudtagsakslen kan rotere, kan det medføre alvorlig personskade.
Du må ikke starte motoren og indkoble kraftudtagskontakten, når kraftudtagsakslen ikke er forbundet til gearkassen på klippeenheden.
Note: Maskinens venstre og højre side er som set fra den normale betjeningsposition.
Important: Hvis klippeenheden med sideudkast på 183 cm (model 31336) monteres på en traktionsenhed i modellerne 30307, 30308, 30309, 30343, 30344 eller 30345 med et serienummer før 311000301, skal justeringssættet til klippeenhed (delnr. 120-6599) monteres på klippeenheden, inden klippeenheden monteres på traktionsenheden.
En utildækket udblæsningsåbning kan resultere i, at maskinen udkaster genstande mod dig eller omkringstående, hvilket kan medføre alvorlig personskade. Der kan også opstå kontakt med skærekniven.
Betjen ikke maskinen uden at have monteret en dækplade, en kværnafskærmning eller en græssliske og et græsfang.
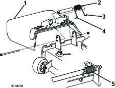
Sørg for, at græsdeflektoren er i den sænkede position.
Fjern kabelbåndet, der fastgør græsdeflektoren til skjoldets overside, og sænk deflektoren.
Placer fjederens venstre, J-formede krogende omkring skjoldets kant
Placer fjederens højre, J-formede krogende omkring græsdeflektoren (Figur 3).
Important: Du skal kunne sænke græsdeflektoren på plads. Løft deflektoren op for at sikre, at den kan sænkes helt ned.

Dele, der skal bruges til dette trin:
| Højre løftearm | 1 |
| Venstre løftearm | 1 |
På den ene side af traktionsenheden skal du løsne (men ikke fjerne) hjulmøtrikkerne, der fastgør hjul- og dæksamlingen til de forreste hjultappe.
Løft maskinen op med en donkraft, indtil forhjulet slipper jorden. Benyt støttebukke, eller bloker maskinen for at forhindre den i at falde ned ved et uheld.
Afmonter hjulmøtrikkerne, og skub hjul og dæk af tappene.
Fjern løftearmene fra pallen.
Fjern drejetappen og låseclipsen fra hver løftearm.
Monter løftearmen på drejebeslaget med en drejetap og låseclips (Figur 4). Monter løftearmen med bøjningen placeret udad.
Hægt bremsens returfjeder på tappen på løftearmen (Figur 4).

Monter hjul- og dæksamling. Tilspænd hjulmøtrikkerne med et moment på 102 til 108 Nm.
Gentag proceduren på den modsatte side af maskinen.
Fjern de to trykskiver, gaffelbolte og låseclips fra hvert af styrearmens beslag på klippeenheden (Figur 5).
Anbring klippeenheden på plads foran traktionsenheden.
Tryk løftekontakten frem til positionen FLOAT (flydeposition). Skub en løftearm ned, indtil hullerne i løftearmen flugter med hullerne i styrearmens beslag (Figur 5).

Fastgør løftearmen til styrehjulsarmen med de 2 trykskiver, en gaffelbolt og en låseclips.
Placer trykskiverne mellem løftearmen og styrearmens beslag (Figur 5), og sæt enden af låseclipsen ind i hullet på styrearmens tap for at fastgøre låseclipsen.
Gentag proceduren på den modsatte løftearm.
Start traktionsenheden, og hæv klippeenheden.
Skub handelen på kraftudtagsakslen ind i hundelen på kraftudtagsakslen, juster monteringshullerne i gearkassens indgangsaksel efter hullerne i kraftudtagsakslen, og skub dem sammen.

Fastgør dem med en valsetap.
Tilspænd bolte og møtrikker.
Før maskinen betjenes, skal den smøres for at sikre korrekte smøreegenskaber. Se Smøring. Hvis maskinen ikke smøres korrekt, kan det føre til for tidligt svigt i vigtige dele.
Note: Specifikationer og design kan ændres uden forudgående varsel.
| Klippebredde | 1,829 m |
| Klippehøjde | Kan justeres fra 25 til 127 mm i intervaller på 13 mm |
| Nettovægt | Model 31335: 251 kg Model 31336: 292 kg |
Der kan fås en række forskellige Toro-godkendte redskaber og tilbehør til brug sammen med maskinen, som gør den bedre og mere alsidig. Kontakt en autoriseret serviceforhandler eller gå ind på www.Toro.com for at få en liste over alt godkendt udstyr og tilbehør.
Brug kun originale Toro-reservedele og tilbehør for at sikre optimal ydelse og sikre, at maskinen fortsat overholder sikkerhedscertificeringen. Reservedele og tilbehør, der er fremstillet af andre producenter, kan være farlige, og brug heraf kan gøre garantien ugyldig.
Note: Maskinens venstre og højre side er som set fra den normale betjeningsposition.
Hvis du lader nøglen sidde i tændingen, kan andre personer utilsigtet komme til at starte motoren og forårsage alvorlig personskade på dig eller andre omkringstående.
Fjern nøglen fra tændingen, før vedligeholdelsesarbejde påbegyndes.
| Vedligeholdelsesintervaller | Vedligeholdelsesprocedure |
|---|---|
| For hver 50 timer |
|
| For hver 400 timer |
|
Gearkassen er konstrueret til drift med SAE 80-90-gearolie. Selvom gearkassen leveres med smøreolie fra fabrikken, skal oliestanden kontrolleres, før klippeenheden betjenes. Gearkassens kapacitet er 283 ml.
Parker maskinen og klippeenheden på en plan overflade.
Fjern målepinden/påfyldningsproppen, der sidder oven på gearkassen (Figur 7), og kontroller, at oliestanden er mellem mærkerne på målepinden. Hvis oliestanden er lav, skal du påfylde så megen olie, at oliestanden kommer op mellem mærkerne.

Klippehøjden kan justeres fra 25 til 127 mm i intervaller på 13 mm. For at justere klippehøjden skal du placere styrehjulsakslerne i de øverste eller nederste huller på styrehjulsgaflerne, og tilføje eller fjerne et lige stort antal afstandsklodser fra styrehjulsgaflerne.
Start motoren, og hæv klippeenhederne fra jorden, så klippehøjden kan ændres. Sluk motoren, og tag nøglen ud, når du har hævet klippeenheden.
Placer styrehjulsakslerne i de samme huller i alle styrehjulsgafler. Se Figur 8,Figur 9 og Figur 10 for at bestemme de korrekte huller til indstillingen.


Note: Når der arbejdes med en klippehøjde på 64 mm eller højere, skal akselbolten sættes i nederste rullegaffelhul for at forhindre ophobning af græs mellem hjulet og gaflen. Når der arbejdes med klippehøjder, som er lavere end 64 mm, og der konstateres ophobning af græs, skal maskinen køres baglæns for at trække græsafklippet væk fra området ved hjulet/gaflen.
Fjern strammehætten fra spindelakslen (Figur 8), og lad spindlen glide ud af styrehjulsarmen.
Sæt de to afstandsstykker (3 mm) på spindelakslen, som de sad oprindeligt. Disse afstandsstykker skal opnå et vandret plan på tværs af hele bredden af klippeenhederne. Sæt det passende antal afstandsklodser (½") på spindelakslen for at opnå den ønskede klippehøjde. Sæt derefter spændeskiven på akslen.
Se figur Figur 9 og for at bestemme kombinationen af afstandsklodser til indstillingen.
Skub styrehjulsspindlen gennem styrehjulsarmen. Monter afstandsstykkerne (som de sad oprindeligt) og de resterende afstandsklodser på spindelakslen. Monter strammehætten for at fastgøre enheden.
Note: Når der benyttes en klippehøjde på 25 mm, 38 mm eller lejlighedsvist på 51 mm, skal gliderne og rullen flyttes til de højeste huller.
Fjern strammehætten fra spindelakslen (Figur 10).

Note: Det er ikke nødvendigt at fjerne den bageste styrehjulsgaffel fra styrehjulsarmen for at ændre klippehøjden.
Fjern eller tilføj C-formede afstandsklodser ved den smalle del af spindelakslen under styrehjulsarmen for at opnå den ønskede klippehøjde. Sørg for, at afstandsstykkerne – ikke afstandsklodserne – er i kontakt med styrehjulsarmens øverste og nederste del.
Monter strammehætten for at fastgøre enheden.
Sørg for, at alle fire styrehjul er indstillet til den samme klippehøjde.
Note: Når der benyttes en klippehøjde på 25 mm, 38 mm eller lejlighedsvist på 51 mm, skal gliderne og rullen flyttes til de højeste huller.
Note: Hvis du bruger klippeenheden ved klippehøjdeindstillingen 25 mm eller 38 mm, skal klippeenhedens ruller flyttes til hullerne i det øverste beslag.
Juster frontrullerne som følger:
Fjern skruen og møtrikken, som fastgør rulleakslen til klippeenhedens beslag (Figur 11).

Skub akslen ud af beslagets nederste huller, ret rullen ind efter de øverste huller, og monter akslen.
Monter skruen og møtrikken for at holde alle dele på plads.
Juster de bageste (indvendige) ruller som vist i Figur 12.

Gliderne skal monteres i den nederste position, når du anvender klippehøjder på over 64 mm, og i den øverste position, når du anvender klippehøjder på under 64 mm.
Juster gliderne ved at fjerne flangebolt og møtrikker, idet de anbringes som ønsket, og monter fastgørelsesbeslagene (Figur 13).

Hver gang klippehøjden ændres, skal højden på antiskalperingsrullerne ligeledes justeres.
Når du har justeret klippehøjden, skal du justere rullerne ved at fjerne flangemøtrikken, bøsningen, afstandsklodsen og bolten (Figur 14).

Vælg et hul, så antiskalperingsrullen er placeret ved den nærmeste ønskede klippehøjde.
Monter flangemøtrikken, bøsningen, afstandsklodsen og bolten. Tilspænd til et moment på 54 til 61 Nm (Figur 14).
Plæneklipperens udblæsning kan justeres til forskellige typer klippeforhold. Placer knastlåse og skærm, så den bedste klippekvalitet opnås.
Knastlåsene justeres ved at svinge grebet op, så knastlåsen løsnes (Figur 15).
Juster skærm og knastlåse i rillerne, så den ønskede udblæsning opnås.
Sving grebet tilbage for at stramme skærm og knastlåse (Figur 15).
Hvis knastlåsene ikke låser skærmen på plads, eller den er for stram, skal grebet løsnes, og knastlåsen drejes. Juster knastlåsen, indtil det ønskede låsetryk er opnået.

Nedenstående tal er alene tænkt som anbefalinger. Justeringerne vil variere i henhold til græstype, fugtindhold og græssets højde.
Note: Hvis motoreffekten falder, og plæneklipperens hastighed er den samme, skal skærmen åbnes.
Dette er den allerbageste position. Den anbefalede anvendelse af denne position er som følger:
Benyttes ved klipning af kort, tyndtvoksende græs
Benyttes ved tørre forhold
Til mindre afklippede græsstykker
Blæser det afklippede græs længere væk fra plæneklipperen

Benyt denne position ved opsamling i pose. Placer den altid ud for blæserens åbning.

Dette er den helt åbne position. Den anbefalede anvendelse af denne position er som følger:
Benyttes ved klipning af højt, tæt græs
Benyttes ved våde forhold
Sænker motorens strømforbrug
Giver mulighed for øget hastighed ved tunge forhold

Klippeenhedernes hældning er forskellen i klippehøjde fra den forreste del af knivniveauet til den bageste del af knivniveauet. Benyt en skæreknivshældning på 8 mm. Det vil sige, at bagkanten af knivens skæreplan skal være 8 mm højere end forkanten.
Placer maskinen på en plan flade på værkstedets gulv.
Indstil klippeenheden til den ønskede klippehøjde.
Drej 1 kniv, så den peger lige fremad.
Brug en kort lineal til at måle afstanden fra gulvet og op til skæreknivens forreste spids. Drej knivspidsen, så den peger bagud, og mål afstanden fra gulvet og op til knivspidsen.
Træk det forreste mål fra det bageste mål for at beregne knivens hældning.
Juster afstandsstykkerne på de forreste eller bageste styrehjulsarme for at opnå den ønskede hældning på klippeenheden (Figur 19).

Det anbefales, at du på grund af forskelle i græsforholdene og traktionsenhedens modvægtsindstillinger testklipper et græsområde og kontrollerer dets udseende, før du begynder den formelle klipning.
Indstil klippeenheden i den ønskede klippehøjde. Se Justering af klippehøjden.
Kontroller og juster trykket i forreste og bageste traktordæk til 1,38 bar.
Kontroller og juster dæktrykket på alle styrehjul til 3,45 bar.
Kontrollér, om der er bøjede skæreknive. Se Kontrol for bøjet kniv.
Klip et testområde for at se, om alle klippeenhederne er indstillet til den samme klippehøjde.
Hvis der stadig er behov for at justere klippeenhederne, skal du finde en plan overflade ved hjælp af et retholt på 2 m eller længere.
For at lette målingen af knivniveauet skal du hæve klippehøjden til øverste position. Se Justering af klippehøjden.
Sænk klippeenheden ned på den plane overflade. Fjern dækslerne på klippeenhedernes overside.
Drej skærekniven på hver spindel, indtil enderne vender henholdsvis fremad og bagud.
Mål afstanden fra gulvet og op til den forreste spids af skæret.
Juster afstandsstykkerne på styrehjulsgaflen/-erne, så klippehøjden svarer til mærkaten. Se Justering af klippehøjden.
Plæneklipperen er udstyret med en hængslet græsdeflektor, der blæser det afklippede græs til siden og ned mod plænen.
Hvis ikke der er monteret græsdeflektor, udblæsningsdæksel eller komplet græsopsamler, udsætter du dig selv og andre for kontakt med skæreknivene og udslyngede genstande. Kontakt med plæneklipperens roterende skærekniv(e) og udslyngede genstande vil medføre personskade eller død.
Fjern ikke græsdeflektoren fra plæneklipperen, da deflektoren leder materialerne ned mod plænen. Hvis græsdeflektoren beskadiges, skal den straks udskiftes.
Placer aldrig hænder eller fødder under plæneklipperen.
Forsøg aldrig at rense udblæsningsområdet eller skæreknivene, medmindre kraftudtaget (kontakten til regulering af skæreknive) er i positionen OFF (fra). Drej tændingsnøglen til slukket position, og tag nøglen ud.
Sørg for, at græsdeflektoren er i den sænkede position.
Klip enten sidst på formiddagen for at undgå duggen, som får græsset til at klumpe sig sammen, eller sent om eftermiddagen for at undgå skader, som kan forårsages af direkte sollys på det følsomme, nyklippede græs.
Fjern ca. 25 mm eller højst ⅓ af græsstrået, når du klipper. I usædvanligt frodigt og tæt græs kan det muligvis være nødvendigt at hæve klippehøjdeindstillingen til næste hul.
Under de fleste normale forhold skal du klippe ca. hver 4.-5. dag. Men græs vokser med forskellig hastighed på forskellige tidspunkter. Det vil sige, at du for at bevare den samme klippehøjde, hvilket er god skik, skal klippe hyppigere tidligt om foråret. Da græsvæksten foregår langsommere midt om sommeren, skal du da kun klippe hver 8.-10. dag. Hvis du ikke kan klippe i længere tid på grund af vejrforholdene eller andre årsager, skal du først klippe med en højere klippehøjde og derefter igen 2-3 dage senere med en lavere højdeindstilling.
En skarp skærekniv skærer rent uden at rive græsstråene over eller få dem til at flosse, som det kan være tilfældet med en sløv skærekniv. Sønderrivning får græsset til at blive brunt i kanterne, hvilket forringer væksten og øger modtageligheden for sygdomme.
Rengør undersiden af plæneklipperhuset efter hver brug for at sikre optimal ydeevne. Hvis der får lov at samle sig bundfald i plæneklipperhuset, vil klippeydeevnen forringes.
Vi anbefaler en knivhældning på 8 mm. En hældning på mere end 8 mm vil medføre, at der kræves mindre drivkraft, at de afklippede græsstrå bliver længere, og at klippekvaliteten bliver dårligere. En hældning på mindre end 8 mm vil medføre, at der kræves mere drivkraft, at de afklippede græsstrå bliver kortere, og at klippekvaliteten bliver bedre.
| Vedligeholdelsesintervaller | Vedligeholdelsesprocedure |
|---|---|
| Efter de første 2 timer |
|
| Efter de første 10 timer |
|
| Hver anvendelse eller dagligt |
|
| For hver 50 timer |
|
| For hver 400 timer |
|
Hvis du lader nøglen sidde i tændingen, kan andre personer utilsigtet komme til at starte motoren og forårsage alvorlig personskade på dig eller andre omkringstående.
Fjern nøglen fra tændingen, før vedligeholdelsesarbejde påbegyndes.
| Vedligeholdelsesintervaller | Vedligeholdelsesprocedure |
|---|---|
| Hver anvendelse eller dagligt |
|
| For hver 50 timer |
|
Maskinen har smørenipler, som skal smøres jævnligt med litiumbaseret fedt nr. 2.
Smør følgende områder:
Parker maskinen og klippeenheden på et plant underlag, og sænk klippeenheden. Fjern målepinden/påfyldningsproppen, der sidder oven på gearkassen (Figur 24), og kontroller, at oliestanden er mellem mærkerne på målepinden. Hvis oliestanden er lav, skal der tilsættes SAE 80-90-gearolie, indtil niveauet er mellem mærkerne. Gearkassens kapacitet er 283 ml.

Important: Fastgørelsesanordningerne på dækslerne til denne maskine er designet til at blive på dækslet, når det fjernes. Løsn alle fastgørelsesanordningerne på hvert dæksel et par omgange, så dækslet sidder løst, men ikke falder af, og start derefter forfra, og løsn dem, indtil dækslet kan komme af. På denne måde kommer du ikke til at trække boltene fri af holderne.
Parker maskinen på en plan overflade, sænk klippeenheden ned på jorden, sæt løftearmen i positionen FLOAT (flydeposition), sluk motoren, og aktiver parkeringsbremsen.
Fjern låseclipsene og gaffelboltene, som fastgør løftearmene til styrearmens beslag (Figur 25).

Rul klippeenheden væk fra traktionsenheden, idet kraftudtagsakslens han- og hundel adskilles. (Figur 26).

Hvis motoren startes, og kraftudtagsakslen får lov at rotere, kan det medføre alvorlig personskade.
Hvis kraftudtagsakslen ikke er forbundet til gearkassen på klippeenheden, må du ikke starte motoren og indkoble kraftudtagets håndtag.
Stil maskinen på en plan overflade, og afbryd motoren.
Anbring klippeenheden på plads foran traktionsenheden.
Skub kraftudtagsakslens handel ind i kraftudtagsakslens hundel. (Figur 26).
Tryk løftekontakten frem til positionen FLOAT (flydeposition). Skub en løftearm ned, indtil hullerne i løftearmen flugter med hullerne i styrearmens beslag, og du kan sætte klippehøjdestangen ind i løftearmens skinner (Figur 27).
Fastgør løftearmen til styrehjulsarmen med 2 trykskiver, en gaffelbolt og en låseclips. Placer trykskiverne mellem løftearmen og styrearmens beslag (Figur 27), og sæt enden af låseclipsen ind i hullet i styrearmens tap for at fastgøre låseclipsen.
Gentag proceduren på den modsatte løftearm.
Start traktionsenheden, og hæv klippeenheden.

Styrehjulsarmene har bøsninger presset ind i den øverste og nederste del af røret. Efter mange driftstimer vil disse bøsninger blive slidt.
Bøsningerne kontrolleres ved at flytte styrehjulsgaflen frem og tilbage og fra side til side. Hvis styrehjulsspindlen er løs inde i bøsningerne, er bøsningerne slidte og skal udskiftes.
Hæv klippeenheden, så hjulene løftes af gulvet. Understøt klippeenheden, så den ikke kan falde ned ved et uheld.
Fjern strammehætten, afstandsklodsen/-klodserne og trykskiven fra den øverste del af styrehjulsspindlen.
Træk styrehjulsspindlen ud af monteringsrøret. Lad trykskiven og afstandsklodsen/-klodserne sidde på bunden af spindlen.
Sæt en uddriver ind i den øverste eller nederste del af monteringsrøret, og driv bøsningen ud af røret (Figur 28). Driv også den anden bøsning ud af røret. Rengør rørene indvendigt for at fjerne snavs.

Smør indersiden og ydersiden af de nye bøsninger med fedt. Brug en hammer og en flad plade til at føre bøsningerne ind i monteringsrøret.
Efterse styrehjulsspindlen for slid, og udskift den, hvis den er beskadiget.
Skub styrehjulspindlen gennem bøsningerne og monteringsrøret. Skub trykskiven og afstandsklodsen/-erne ind på spindlen, og monter strammehætten på styrehjulsspindlen.
| Vedligeholdelsesintervaller | Vedligeholdelsesprocedure |
|---|---|
| Efter de første 2 timer |
|
| Efter de første 10 timer |
|
| For hver 50 timer |
|
Skru låsemøtrikken af bolten, der holder styrehjulsenheden fast i styrehjulsgaflen (Figur 29). Tag fat i styrehjulet, og tag bolten ud af gaflen eller drejearmen.

Fjern lejet fra hjulnavet, og lad bøsningsafstandsstykket falde ud (Figur 29). Fjern lejet fra den modsatte side af hjulnavet.
Kontroller lejer, afstandsklods og hjulnavets inderside for slid. Udskift beskadigede dele.
Saml styrehjulet ved at skubbe lejet ind i hjulnavet. Tryk på lejets yderste løbering, når du monterer lejerne.
Skub lejeafstandsstykket ind i hjulnavet. Skub det andet leje ind i hjulnavets åbne ende, så lejeafstandsstykket holdes fast inden i hjulnavet.
Monter styrehjulsenheden i styrehjulsgaflen, og spænd den fast med bolten og låsemøtrikken.
Parker maskinen på en plan overflade. Hæv klippeenheden, aktiver parkeringsbremsen, sæt traktionspedalen i neutral position, sæt kraftudtagets håndtag i positionen OFF (fra), sluk for motoren, og tag tændingsnøglen ud. Understøt klippeenheden, så den ikke kan falde ned ved et uheld.
Drej kniven, indtil enderne vender fremad og bagud. Mål fra indersiden af klippeenheden til skæret foran på kniven (Figur 30), og husk dette mål.

Drej den modsatte ende af kniven fremad. Mål mellem klippeenheden og skæret på kniven samme sted som i trin 2. Forskellen mellem målene fra trin 2 og 3 må ikke overskride 3 mm. Hvis målet overskrider 3 mm, skal skærekniven udskiftes, da den er bøjet. Se Afmontering og montering af kniv(e).
Kniven skal udskiftes, hvis den rammer en fast genstand, eller hvis den er ude af balance, slidt eller bøjet. Brug altid originale Toro-knive ved udskiftning for at sikre sikkerheden og en optimal ydelse. Brug aldrig knive, der er fremstillet af andre producenter, da de kan være farlige at bruge.
Hæv klippeenheden til øverste position, aktiver parkeringsbremsen, stands motoren, og tag tændingsnøglen ud. Understøt klippeenheden, så den ikke kan falde ned ved et uheld.
Tag fat i enden af kniven med en klud eller en tyk handske. Fjern knivbolten, antiskalperingsskålen og skærekniven fra spindelakslen (Figur 31).

Monter klingeseglet, så det vender mod klippeenheden med antiskalperingskoppen og klingebolten. Spænd skæreknivsbolten til 115 til 149 Nm.
Important: Den buede del af skærekniven skal pege mod indersiden af klippeenheden for at sikre en god klipning.
| Vedligeholdelsesintervaller | Vedligeholdelsesprocedure |
|---|---|
| Efter de første 10 timer |
|
| Hver anvendelse eller dagligt |
|
| For hver 50 timer |
|
En slidt eller beskadiget skærekniv kan gå itu, og et stykke af den kan blive kastet mod dig eller omkringstående, hvilket kan forårsage alvorlige eller livsfarlige kvæstelser.
Efterse jævnligt skærekniven for slid og skader.
Forsøg aldrig at rette en bøjet kniv ud.
Svejs ikke en skærekniv, der er beskadiget eller revnet.
En slidt eller beskadiget skærekniv skal udskiftes med en ny Toro-skærekniv for at sikre produktets fortsatte sikkerhedscertificering.
Både skærene og seglen – som er den del, der vender opad, modsat skæret – bidrager til en klipning af god kvalitet. Seglet er vigtigt, fordi det løfter græsset lige op, hvilket giver en jævn klipning. Seglen slides dog gradvist ned under drift, hvilket er helt normalt. Efterhånden som seglen nedslides, forringes klippekvalitet i nogen grad, selvom skærene er skarpe. Knivens skær skal være skarpt, så græsset skæres af snarere end rives af. Et sløvt skær viser sig ved, at græssets spidser ser brune og sønderrevne ud. Slib skærene for at rette op på denne tilstand.
Parker maskinen på en plan overflade. Hæv klippeenheden, aktiver parkeringsbremsen, sæt traktionspedalen i neutral position, sæt kraftudtagets håndtag i positionen OFF (fra), sluk for motoren, og tag nøglen ud.
Undersøg omhyggeligt skæreknivens skær, især der hvor den flade side og den buede side mødes (Figur 32). Da sand og slibematerialer kan slide det metal, der forbinder den flade og den buede side af skærekniven, væk, skal skærekniven kontrolleres, før maskinen anvendes. Hvis du bemærker tegn på slid (Figur 32), skal skærekniven udskiftes. Se Afmontering og montering af kniv(e).

Hvis skærekniven får lov til at blive slidt, vil der danne sig en slids mellem seglen og den flade del af skærekniven (Figur 32). Før eller siden kan et stykke af skærekniven knække af og blive slynget ud fra husets underside, hvilket muligvis kan medføre alvorlig personskade for dig eller omkringstående personer.
Efterse jævnligt skærekniven for slid og skader.
En slidt eller beskadiget skærekniv skal udskiftes med en ny Toro-skærekniv for at sikre produktets fortsatte sikkerhedscertificering.
Undersøg alle knivenes skær. Slib skærene, hvis de er sløve eller hakkede. Slib kun oversiden af skærekanten, og bevar den oprindelige klippevinkel for at sikre, at kniven er skarp (Figur 33). Skærekniven bevarer balancen, hvis der fjernes samme mængde metal på begge skær.

Note: Fjern knivene og slib dem på en slibemaskine. Se Afmontering af skæreknivene. Når du har slebet skærene, skal kniven monteres igen sammen med antiskalperingskoppen og knivbolten. Knivenes segle skal være oven på kniven. Spænd skæreknivsbolten til 115 til 149 Nm.
| Vedligeholdelsesintervaller | Vedligeholdelsesprocedure |
|---|---|
| For hver 50 timer |
|
Skæreknivens drivrem, der holdes stram af den fjederbelastede styreremskive, er meget slidstærk. Efter mange timers drift vil remmen imidlertid begynde at vise tegn på slitage. Tegn på, at en rem er slidt, er, at den hviner, når den kører rundt, skæreknivene glider, når der klippes græs, flossede remkanter, brændemærker og revner. Hvis du bemærker nogen af disse forhold, skal du udskifte remmen.
Sænk klippeenheden ned på gulvet. Afmonter remskærmene for oven på klippeenheden, og sæt dem til side.
Brug en momentnøgle eller et lignende værktøj til at flytte styreremskiven (Figur 34) væk fra drivremmen for derved at løsne remspændingen og lade remmen glide af gearkassens remskive (Figur 35).


Fjern den gamle rem fra spindelremskiverne og styreremskiven.
Før den nye rem rundt om spindelremskiverne og styreremskivens samling som vist i Figur 36.

Monter remskærmene.
En utildækket udblæsningsåbning kan resultere i, at maskinen udkaster genstande mod dig eller omkringstående, hvilket kan medføre alvorlig personskade. Der kan også opstå kontakt med skærekniven.
Betjen ikke maskinen uden at have monteret en dækplade, en kværnafskærmning eller en græssliske og et græsfang.
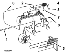
Sørg for, at græsdeflektoren er i den sænkede position.
Fjern låsemøtrikken, bolten, fjederen og afstandsklodsen, som fastholder græsdeflektoren til akselbeslagene (Figur 37). Fjern den beskadigede eller slidte græsdeflektor.
Placer afstandsklodsen og fjederen på græsdeflektoren. Placer fjederens L-formede ende bag skjoldets kant.
Note: Sørg for, at fjederens L-formede ende monteres bag skjoldets kant, før bolten monteres som vist i Figur 37.
Monter bolten og møtrikken. Placer fjederens J-formede krogende omkring græsdeflektoren (Figur 37).
Important: Du skal kunne sænke græsdeflektoren på plads. Løft deflektoren op for at kontrollere, at den kan sænkes helt ned.
