保守
機体のグリスアップ
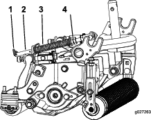
定期的に、各カッティングユニットの全部の潤滑個所にNo.2汎用リチウム系グリスを注入します(図 22)。
前ローラに2ヶ所、後ローラにも2ヶ所、そしてリールモータのスプラインに1ヵ所のグリスポイントがあります。
Note: カッティングユニットを水洗いした直後にグリスアップ作業を行うと、機械各部から水分を追い出してベアリングの寿命を延ばすことができます。
-
グリスニップルの周囲をウェスできれいに拭く。
-
きれいなグリスがローラのシールやベアリングの逃がしバルブからはみ出してくるまでグリスを注入する。
-
はみ出したグリスはふき取る。

リールの2番取り(リリーフ研磨)
リールは、ランド部の幅が 1.3-1.5 mm あり、30 °の逃げ角(2番角、リリーフ角)を付けてあります。
ランド部の幅が 3 mm を超えたら以下の作業を行ってください:
-
全部のリール刃に 30 °の角度で2番削りを行って、ランド部の幅を 1.3 mm にしてください (図 23 と 図 24)。


-
円筒研磨を行って各刃先の軌道円の差を 0.025 mm 未満にしてください。
Note: これにより、ランド部の幅がわずかに大きくなります。
Note: リールやベッドナイフの鋭利な刃先を長持ちさせるには、リールやベッドナイフを新たに研磨して使い始めたときに、フェアウェイを2面刈り込むごとに刃合わせのチェックを行い、刃先にバリが出ていたら除去してください。バリは刃と刃の接触を大きくして摩耗を早めます。
ベッドナイフの整備
ベッドナイフの使用限界を以下の表に示します。
Important: ベッドナイフの使用限界を超えてカッティングユニットを使用すると、刈り込みの見栄えが悪化したり、衝突に対してのベッドナイフの構造的な強度が不十分になる可能性があります。
| ベッドナイフの使用限界表 | ||||
| ベッドナイフ | パーツ番号 | ベッドナイフのリップの高さ* | 使用限界* | 研磨角度上面角/前面角 |
| ローカット(オプション) | 121–3167(18 インチ)110–4084(22インチ) | 5.6 mm | 4.8 mm | 10度/5 度 |
| EdgeMax® 低刈用(モデル 03485)(モデル 03487) | 137-0830(18 インチ)137-0832(22 インチ) | 5.6 mm | 4.8 mm | 10度/5 度 |
| 先長ローカット(オプション) | 120-1640(22 インチ) | 5.6 mm | 4.8 mm | 10度/10 度 |
| 先長ローカット EdgeMax®(オプション) | 119-4280(22 インチ) | 5.6 mm | 4.8 mm | 10度/10 度 |
| EdgeMax® (モデル 03484)(モデル 03486) | 137-0831(18 インチ)137-0833(22 インチ) | 6.9 mm | 4.8 mm | 10度/5 度 |
| スタンダード(オプション) | 121-3166(18 インチ)108-9096(22インチ) | 6.9 mm | 4.8 mm | 10度/5 度 |
| ヘビーデューティー(オプション) | 110-4074(22 インチ) | 9.3 mm | 4.8 mm | 10度/5 度 |
ベッドナイフの上面と前面の推奨研磨角度 (図 25)

Note: どのベッドナイフの場合も、使用限界の測定基準はベッドナイフの底面です(図 26)。

上面の研磨角度を点検する
ベッドナイフの研磨では、研磨角度が非常に重要です。
傾斜計(トロのパーツ番号 131-6828)と傾斜計マウント(トロのパーツ番号 131-6829)を使用して研磨機の設定角度を調べ、必要に応じて修正を行ってください。
ベッドバーの整備
ベッドバーの取り外し
ベッドバーの取り付け
-
ベッドバーアジャスタとスラストワッシャとの間にベッドバーの固定用「耳」を入れる。
-
ベッドバーボルト(とボルトについているナット)とワッシャ6枚で、ベッドバーを各サイドプレートに固定する。
Note: サイドプレートのボスの両側にナイロンワッシャを入れる。その外側からスチール製ワッシャを取り付ける(図 31)。
-
ベッドバーボルトを 37~45 N·m (3.7~4.6 kg.m = 27~33 ft-lb)にトルク締めする。
Note: 左右の遊びが完全になくなって外側のスチール製ワッシャが回らなくなるまで(ただし決して締めすぎになったりサイドプレートが変形したりしていない)ロックナットを締め付ける。内側のワッシャには遊びがあってかまいません。
-
スプリングがつぶれるまでテンションナットを締め、そこから半回転戻す(図 32)。

HD デュアルポイントアジャスタ(DPA)の整備
-
全部のパーツを取り外す;HD DPA キット(モデル 120–7230)の 取り付け要領書 および 図 33を参照。
-
カッティングユニットのセンターフレームのブッシュ挿入穴に固着防止コンパウンドを塗布する(図 33)。
-
フランジブッシュのキーとフレームのキー溝を揃えて、ブッシュを挿入する(図 33)。
-
アジャスタシャフトにウェーブワッシャを通し、アジャスタシャフトをカッティングユニットのフレームのフランジブッシュに通す(図 33)。
-
平ワッシャとロックナットでアジャスタシャフトを固定する(図 33)。ロックナットを 20~27N・m (2.1~2.6kg.m = 15~20ft-lb)にトルク締めする。
Note: ベッドバーアジャスタのシャフトは左ねじです。
-
アジャスタシャフトに嵌るベッドバー調整ねじのねじ山部分に固着防止コンパウンドを塗布するベッドバー調整ねじをアジャスタシャフトにはめ込む。
-
硬化ワッシャ、スプリング、スプリングテンションナットをアジャスタねじに仮止めする。
-
ベッドバーアジャスタとスラストワッシャとの間にベッドバーの固定用「耳」を入れる。
-
ベッドバーを各サイドプレートに固定する;ベッドバーボルト(とボルトについているナット)とワッシャ6枚を使用して以下の要領で行う:
-
サイドプレートのボスの両側にナイロンワッシャを入れる。
-
その外側からスチール製ワッシャを取り付ける(図 33)。
-
ベッドバーボルトを 37~45N·m(3.7~4.6kg.m = 27~33ft-lb)にトルク締めする。
-
左右の遊びが完全になくなって外側のスチール製ワッシャが回らなくなるまで(ただし決して締めすぎになったりサイドプレートが変形したりしていない)ロックナットを締め付ける。
Note: 内側のワッシャには遊びがあってかまいません(図 31)。
-
-
各ベッドバーアジャスタアセンブリを締め付けて圧縮スプリングを完全に圧縮し、そこから1/2回転だけ戻す(図 32)。
-
カッティングユニットの反対側についても同じ作業を行う。
-
リールと下刃の調整を行う

ローラの整備
ローラリビルドキットおよび、ローラリビルド工具キット(図 34)が販売されています。ローラリビルドキットは、ローラの分解組み立てに必要なすべてのベアリング、ベアリングナット、内側シール、外側シールをセットにしたキットです。ローラリビルドツールキットは、ローラリビルドキットをつかってローラの再組み立てを行うのに必要な工具と説明書のキットです。詳細は、パーツカタログをご覧になるか、代理店にお問い合わせください。


























