| Maintenance Service Interval | Maintenance Procedure |
|---|---|
| Yearly |
|
Read this manual carefully to learn how to operate and maintain your product properly. The information in this manual can help you and others avoid injury and product damage. Although Toro designs and produces safe products, you are responsible for operating the product properly and safely. You may contact Toro directly at www.Toro.com for product and accessory information, help finding a dealer, or to register your product.
Whenever you need service, genuine Toro parts, or additional information, contact an Authorized Service Dealer or Toro Customer Service and have the model and serial numbers of your product ready. Figure 1 illustrates the location of the model and serial numbers on the product.

This manual identifies potential hazards and has safety messages identified by the safety alert symbol (Figure 2), which signals a hazard that may cause serious injury or death if you do not follow the recommended precautions.

This manual uses 2 words to highlight information. Important calls attention to special mechanical information and Note emphasizes general information worthy of special attention.
The Multi-Pro® turf sprayer is a dedicated turf spray application vehicle and is intended to be used by professional, hired operators in commercial applications. It is primarily designed for spraying on well-maintained lawns in parks, golf courses, sports fields, and on commercial grounds.
The engine exhaust from this product contains chemicals known to the State of California to cause cancer, birth defects, or other reproductive harm.
Important: This engine is not equipped with a spark arrester muffler. It is a violation of California Public Resource Code Section 4442 to use or operate the engine on any forest-covered, brush-covered, or grass-covered land. Other states or federal areas may have similar laws.
The enclosed Engine Owner's Manual is supplied for information regarding the US Environmental Protection Agency (EPA) and the California Emission Control Regulation of emission systems, maintenance, and warranty. Replacements may be ordered through the engine manufacturer.
Improper use or maintenance by the operator or owner can result in injury. To reduce the potential for injury, comply with these safety instructions and always pay attention to the safety alert symbol, which means Caution, Warning, or Danger-“personal safety instruction." Failure to comply with the instruction may result in personal injury or death.
Supervisors, operators, and service persons should be familiar with the following standards and publications: (The material may be obtained from the address shown).
Flammable and Combustible Liquids Code:
ANSI/NFPA 30
National Fire Protection Association:
ANSI/NFPA #505; Powered Industrial TrucksNational Fire Prevention AssociationBarrymarch ParkQuincy, Massachusetts 02269 U.S.A.
SAE J2258 Light Utility VehicleSAE International400 Commonwealth Drive, Warrendale, PA 15096-0001, U.S.A.
ANSI/UL 558; Internal Combustion Engine Powered Industrial Trucks
American National Standards Institute, Inc.1430 Broadway New York, New York 10018 U.S.A.orUnderwriters Laboratories333 Pfingsten RoadNorthbrook, Illinois 60062 U.S.A.
The sprayer is an off-highway vehicle only and is not designed, equipped, or manufactured for use on public streets, roads, or highways.
Make sure that operators are thoroughly trained and familiar with the Operator's Manual, Engine Manual, and all labels on the sprayer.
Establish your own special procedures and work rules for unusual operating conditions (e.g. slopes too steep for sprayer operation).
Chemical substances used in the spray system may be hazardous and toxic to you, bystanders, animals, plants, soils or other property.
Carefully read and follow the chemical warning labels and Material Safety Data Sheets (MSDS) for all chemicals used and protect yourself according to the chemical manufacturer's recommendations. For example, use appropriate Personal Protective Equipment (PPE) including face and eye protection, gloves, or other equipment to guard against personal contact with the chemical.
Keep in mind that there may be more than one chemical used and information on each should be assessed.
Refuse to operate or work on the sprayer if this information is not available!
Before working on a spray system make sure the system has been triple rinsed and neutralized according to the recommendations of the chemical manufacturer(s) and all of the valves have been cycled three times.
Verify there is an adequate supply of clean water and soap nearby, and immediately wash off any chemicals that contact you.
Obtain proper training before using or handling chemicals.
Use the correct chemical for the job.
Follow the chemical manufacturer's instructions for the safe application of the chemical.
Handle chemicals in a well ventilated area.
Wear goggles and other protective equipment as instructed by the chemical manufacturer. Ensure that as little skin as possible is exposed while using chemicals.
Have clean water available especially when filling the spray tank.
Do not eat, drink, or smoke while working with chemicals.
Always wash your hands and other exposed areas as soon as possible after finishing the work.
Properly dispose of unused chemicals and chemical containers as instructed by the chemical manufacturer and your local codes.
Chemicals and fumes in the tanks are dangerous; never enter the tank or place your head over or in the opening.
Operate the machine only after reading and understanding the contents of this manual.
Never allow children to operate the sprayer.
Never allow other adults to operate the sprayer without first reading and understanding the Operator's Manual. Only trained and authorized persons should operate this sprayer. Make sure that all operators are physically and mentally capable of operating the sprayer.
This sprayer is designed to carry only you, the operator and one passenger in the seat provided by the manufacturer. Never carry any passengers on the sprayer.
Never operate the sprayer when under the influence of drugs or alcohol. Even prescription drugs and cold medicines can cause drowsiness.
Do not drive the sprayer when you are tired. Be sure to take occasional breaks. It is very important that you stay alert at all times.
Become familiar with the controls and know how to stop the engine quickly.
Keep all shields, safety devices, and decals in place. If a shield, safety device, or decal is malfunctioning, illegible, or damaged, repair or replace it before operating the machine.
Always wear substantial shoes. Do not operate the machine while wearing sandals, tennis shoes, or sneakers. Do not wear loose fitting clothing or jewelry which could get caught in moving parts and cause personal injury.
Wearing safety glasses, safety shoes, long pants, and a helmet is advisable and required by some local safety and insurance regulations.
Avoid driving when it is dark, especially in unfamiliar areas. If you must drive when it is dark, be sure to drive cautiously, use the headlights, and even consider adding additional lights.
Be extremely careful when operating around people. Always be aware of where bystanders might be and keep them away from the work area.
Before operating the sprayer, always check the designated areas of the sprayer that are stated in the Pre-Starting Checks in the Operation section. If the machine does not function correctly or is damaged in any way, do not use the sprayer. Make sure that the problem is corrected before the sprayer or attachment is operated.
Ensure that all fluid line connectors are tight and all hoses are in good condition before applying pressure to the system.
Since gasoline is highly flammable, handle it carefully.
Use an approved gasoline container.
Do not remove the cap from the fuel tank when the engine is hot or running.
Do not smoke while handling gasoline.
Fill the fuel tank outdoors, and fill it to about 25 mm (1 inch) below the top of the tank (the bottom of the filler neck). Do not overfill it.
Wipe up any spilled gasoline.
Engine exhaust contains carbon monoxide, which is an odorless, deadly poison that can kill you.
Do not run engine indoors or in an enclosed area.
The operator should remain seated whenever the sprayer is in motion. The operator should keep both hands on the steering wheel whenever possible. Keep your arms and legs within the sprayer body at all times.
Failure to operate the sprayer safely may result in an accident, tip over of the sprayer, and serious injury or death. Drive carefully. To prevent tipping or loss of control:
Use extreme caution, reduce speed, and maintain a safe distance around sand traps, ditches, creeks, ramps, unfamiliar areas, or any areas that have abrupt changes in ground conditions or elevation.
Watch for holes or other hidden hazards.
Use extra caution when operating the sprayer on wet surfaces, in adverse weather conditions, at higher speeds, or with a full load. Stopping time and distance will increase with a full load.
Avoid sudden stops and starts. Do not go from reverse to forward or forward to reverse without first coming to a complete stop.
Slow down before turning. Do not attempt sharp turns or abrupt maneuvers or other unsafe driving actions that may cause a loss of sprayer control.
Before backing up, look to the rear and ensure that no one is behind you. Back up slowly.
Watch out for traffic when you are near or crossing roads. Always yield the right of way to pedestrians and other vehicles. This sprayer is not designed for use on streets or highways. Always signal your turns or stop early enough so that other people know what you plan to do. Obey all traffic rules and regulations.
The electrical and exhaust systems of the sprayer can produce sparks capable of igniting explosive materials. Never operate the sprayer in or near an area where there is dust or fumes in the air which are explosive.
If you are ever unsure about safe operation, stop work and ask your supervisor.
Do not touch the engine or muffler while the engine is running or soon after it has stopped. These areas may be hot enough to cause burns.
If the machine ever vibrates abnormally, stop immediately, wait for all motion to stop, and inspect the sprayer for damage. Repair all damage before resuming operation.
Before getting off of the seat:
Stop the movement of the machine.
Remove your foot from the traction pedal and set the parking brake.
Turn the ignition key to Off.
Remove the ignition key.
Important: Do not park the machine on an incline.
Lightning can cause severe injury or death. If lightning is seen or thunder is heard in the area, do not operate the machine; seek shelter.
Slow down before you approach an obstacle. This gives you extra time to stop or turn away. Hitting an obstacle can damage the sprayer and its contents. More important, it can injure you.
Gross Vehicle Weight (GVW) has a major impact on your ability to stop and/or turn. Heavy loads and attachments make a sprayer harder to stop or turn. The heavier the load, the longer it takes to stop.
Turf and pavement are much more slippery when they are wet. It can take 2 to 4 times as long to stop on wet surfaces as on dry surfaces. If you drive through standing water deep enough to get the brakes wet, they will not work well until they are dry. After driving through water, you should test the brakes to make sure they work properly. If they do not, drive slowly while putting light pressure on the brake pedal. This will dry the brakes out.
Note: For each machine covered in this Operator’s Manual, a cab installed by Toro is a ROPS.
Do not remove the ROPS from the machine.
Fasten the seat belt and ensure that you can release it quickly in an emergency. Always wear your seat belt when the roll bar is up or on a machine with a cab installed by Toro.
Check carefully for overhead obstructions and do not contact them.
Keep the ROPS in safe operating condition by thoroughly inspecting it periodically for damage and keeping all the mounting fasteners tight.
Replace any damaged ROPS component. Do not repair or alter it.
Operating the sprayer on a hill may cause tipping or rolling of the sprayer, or the engine may stall and you could lose headway on the hill. This could result in personal injury.
Do not accelerate quickly or slam on the brakes when backing down a hill, especially with a load.
Never drive across a steep hill; always drive straight up or down or go around the hill.
If the engine stalls or you begin to lose headway while climbing a hill, gradually apply the brakes and slowly back straight down the hill.
Turning while traveling up or down hills can be dangerous. If you have to turn while on a hill, do it slowly and cautiously. Never make sharp or fast turns.
Heavy loads affect stability. Reduce the weight of the load and your speed when operating on hills.
Avoid stopping on hills, especially with a load. Stopping while going down a hill will take longer than stopping on level ground. If the sprayer must be stopped, avoid sudden speed changes, which may initiate tipping or rolling of the sprayer. Do not slam on the brakes when rolling backward, as this may cause the sprayer to overturn.
Reduce speed and load when operating on rough terrain, uneven ground, and near curbs, holes, and other sudden changes in terrain. Loads may shift, causing the sprayer to become unstable.
The weight of the cargo can change the sprayer center of gravity and sprayer handling. To avoid loss of control and personal injury, follow these guidelines:
Reduce the weight of the load when operating on hills and rough terrain to avoid tipping or overturning of the sprayer.
Liquid loads can shift. This shifting happens most often while turning, going up or down hills, suddenly changing speeds, or while driving over rough surfaces. Shifting loads can cause the sprayer to tip over.
When operating with a heavy load, reduce your speed and allow for sufficient braking distance. Do not suddenly apply the brakes. Use extra caution on slopes.
Be aware that heavy loads increase your stopping distance and reduce your ability to turn quickly without tipping over.
Only permit qualified and authorized personnel to maintain, repair, adjust, or inspect the sprayer.
Before performing any maintenance, ensure that the system has been thoroughly rinsed and cleaned.
Before servicing or making adjustments to the machine, stop the engine, set the parking brake, and remove the key from the ignition to prevent someone from accidentally starting the engine.
To make sure that the entire machine is in good condition, keep all nuts, bolts, and screws properly tightened.
To reduce the potential for fire, keep the engine area free of excessive grease, grass, leaves, and accumulation of dirt.
Never use an open flame to check the level or leakage of fuel or battery electrolyte.
If the engine must be running to perform a maintenance adjustment, keep your hands, feet, clothing, and any parts of your body away from the engine and any moving parts. Keep everyone away.
Do not use open pans of fuel or flammable cleaning fluids when cleaning parts.
Do not adjust the traction control speed. To ensure safety and accuracy, have an Authorized Toro Distributor check the ground speed.
Keep your body and hands away from pin hole leaks or nozzles that eject high pressure fluid. Use cardboard or paper to find leaks. Fluid escaping under pressure can penetrate skin and cause injury requiring surgery within a few hours by a qualified surgeon or gangrene may result.
If major repairs are ever needed or assistance is required, contact an Authorized Toro Distributor.
To be sure of optimum performance and safety, always purchase genuine Toro replacement parts and accessories. Replacement parts and accessories made by other manufacturers could be dangerous. Altering this sprayer in any manner that may affect sprayer operation, performance, durability, or its use, may result in injury or death. Such use could void the product warranty.
![]() |
Safety decals and instructions are easily visible to the operator and are located near any area of potential danger. Replace any decal that is damaged or lost. |























Note: Determine the left and right sides of the machine from the normal operating position.
Note: If you have questions or need additional information regarding the spray control system, refer to the Operator’s Manual supplied with the system.
Important: This sprayer is sold without nozzles and a controller. Either a Manual Spray Operation Kit or ProControl™ XPKit is necessary for the proper function of the machine.To use the sprayer, you must obtain and install nozzles. Contact your Authorized Toro Distributor for information on the available boom kit and accessories. After you install your nozzles and before using the sprayer for the first time (if you do not use Pro Control™XP Spray System), adjust the boom bypass valves so that the pressure and application rate remains the same for all booms when you turn one or more booms off. Refer to Calibrating the Boom Bypass Valves section in the Operation section.
Important: Operating the spray system with the boom hinge springs under the incorrect compression could damage the boom assembly. Measure the springs and use the jam nut to compress the springs to 4 cm (1.56 inches) if necessary.
The sprayer is shipped with the boom extensions swung forward to facilitate packaging of the machine. The springs are not fully tightened at the time of manufacture to allow the booms to be in this position for transit. Before operating the machine, the springs must be adjusted to the correct compression.
If necessary, remove the packing components that secure the right and left extension booms during shipping.
Support the booms while they are extended to the spray position.
At the boom hinge, measure the compression of the upper and lower springs while the booms are in their extended position (Figure 1).
All springs must be compressed until the measure 4 cm (1.56 inches).
Use the jam nut to compress any spring that measure greater than 4 cm (1.56 inches).

Repeat the procedure for each spring on both boom hinges.
Move the booms into the transport “X” position. See Driving the Sprayer.



The traction pedal (Figure 7) controls the movement of the machine, both forward and reverse. Using the heel and toe of the right foot, press the top of the pedal to move forward or the bottom of the pedal to move in reverse. Release the pedal to slow and stop.
Important: Ensure that you allow the sprayer to come to a stop before switching between the Forward and Reverse position.
Note: The farther you press the pedal in either direction, the faster the sprayer will travel. To obtain maximum forward speed, set the throttle lever to the Fast position and press the traction pedal all the way forward.
Note: To get maximum power under heavy load or when ascending a hill, have the throttle in the Fast position while pressing traction pedal slightly to keep the engine rpm high. When the engine rpm begins to decrease, release the traction pedal slightly to allow the rpm to increase.

Use the brake pedal to stop or slow the sprayer (Figure 7).
If you operate the sprayer with poorly adjusted or worn brakes, you could lose control of the sprayer, resulting in serious injury or death to you or bystanders.
Always check the brakes before operating the sprayer and keep them properly adjusted and repaired.
The parking brake is a pedal to the left of the brake (Figure 7). Engage the parking brake whenever you plan on leaving the seat to prevent the sprayer from accidently moving. To engage the parking brake, press the brake pedal and, while holding the brake, press the parking brake pedal. To disengage, press and release the brake pedal. If the sprayer is parked on a steep grade, apply the parking brake and place blocks on the downhill side of the wheels.
The ignition switch (Figure 7) is used to start and stop the engine, has 3 positions: Off, On/Preheat, and Start.
The throttle lever, located on the control panel between the seats (Figure 8), controls the speed of the engine. Push the lever forward to increase the engine speed and pull it rearward to decrease the engine speed.
The traction pedal locking switch locks the position of the traction pedal at the time the switch is engaged (Figure 8). This ensures the sprayer stays at a constant speed while driving on level ground.
Toggle the switch to operate the headlights (Figure 8). Push it forward to turn the lights on and rearward to turn them off.

The fuel gauge is located on top of the fuel tank (Figure 9), on the left side of the machine and shows the amount of fuel in the tank.

The hour meter (Figure 10) indicates the total number of hours the engine has run. The hour meter starts to function whenever the key is turned to the Run position.


The application rate switch is located on the dash to the right of the steering wheel (Figure 13). Press and hold the switch forward to increase the spray system pressure, or press and hold it rearward to decrease pressure.
The pressure gauge (Figure 11). is located on the dash. This gauge shows the pressure of the fluid in the system in psi and kPa.
The master boom switch is located on the floor board of the machine cab and to the left of the operator. It allows you to start or stop the spray operation. Press the switch with your foot to enable or disable the spray system (Figure 12).

The boom switches are located on the control panel to the right of the seat (Figure 13). Toggle each switch forward to turn the corresponding boom section on and rearward to turn them off. When the switch is turned on, a light on the switch illuminates. These switches will only affect the spray system when the master boom switch is on.
The pump switch is located on the control panel to the right of the seat (Figure 13). Toggle this switch forward to run the pump or rearward to stop the pump. When the switch is turned on, a light on the switch illuminates.
Important: Only engage the pump switch when the engine is at low idle to avoid damaging the pump drive.
The boom lift switches are located on the control panel to the right of the seat and used to raise the left and right booms respectively (Figure 13).

The agitation switch is located on the control panel to the right of the seat (Figure 13). Toggle this switch forward to turn on the agitation in the tank or rearward to stop the agitation. When the switch is turned on, a light on the switch illuminates. For agitation to work, the pump must be on and the engine must be running above an idle. The agitation valve is located behind the tank (Figure 14)

The agitation bypass valve redirects the fluid flow to the pump when you turn off agitation (Figure 15). It is located at the back of the agitation valve. You can adjust this valve to ensure that pressure remains constant during agitation. Refer to Calibrating the Agitation Bypass Valve.

The agitation control valve is a manual ball valve that controls flow to the agitation nozzles in the main tank (Figure 16). Using this valve allows the user further control over pressure at the agitation nozzles of the main tank when larger application rates are required.

These valves turn the 3 booms on or off (Figure 14). If you ever need to manually turn off a boom, rotate the knob on the valve clockwise to turn the valve off or counterclockwise to turn it on.
Note: Turning the boom valve manually can interfere with the function of the fuses. The fuses should be checked after manually rotating the valve.
If you install the Pro Foam Marker kit, you will add switches to the control panel for controlling their operation. The sprayer comes with plastic plugs in these locations.
If you install the Ultra Sonic Boom, you will add a switch to the dash for controlling its operation. The sprayer comes with a plastic plug in this location.
To the front of the tank cover is a hose receptacle with a threaded fitting, a 90° barbed fitting, and a short hose which you can direct toward the tank opening. This receptacle allows you to connect a water hose to it and fill the tank with water without contaminating the hose with the chemicals in the tank.
Important: Do not lengthen the hose to allow contact with the tank fluids. The distance from the end of the hose to the uppermost water level should be within local regulatory limits.

The tank cover is located in the center of the top of the tank. To open it, turn off the engine, then turn the front half of the cover to the left and swing it open. You can remove the strainer inside for cleaning. To seal the tank, close the cover and rotate the front half toward the right.
Note: Specifications and design are subject to change without notice.
| Base weight | 1,307 kg (2,882 lb) |
| Weight with standard spray system, empty, without operator | 1,307 kg (2,882 lb) |
| Weight with standard spray system, full, without operator | 2,499 kg (5,510 lb) |
| Maximum gross vehicle weight (GVW) (on level ground) | 3,023 kg (6,665 lb) |
| Tank capacity | 1,135.6 L (300 US gallons) |
| Overall width with standard spray system booms stored in the X position | 189 cm (74 3/4 inches) |
| Overall length with standard spray system | 391 cm (154 inches) |
| Overall length with standard spray system to the top of the booms stored in the X position | 442 cm (174 inches) |
| Overall height with standard spray system | 146 cm (57.5 inches) |
| Overall height with standard spray system to the top of the booms stored in the X position | 231 cm (91 inches) |
| Ground clearance | 18.4 cm (7.25 inches) |
| Wheel base | 198 cm (78 inches) |
Optional Equipment
The Toro Company has optional equipment and accessories that you can purchase separately and install on your sprayer. Contact your Authorized Service Dealer for a complete list of optional equipment that is currently available for your sprayer.
If you are using a sprayer attachment or accessory that requires the engine to run and the operator to leave the seat, perform the following actions first.
Park the machine on a level surface, set the parking brake, and put blocks at the front and rear of each tire.
Note: If the machine is not parked on a paved surface, ensure that nothing under the machine will catch fire. An optional heat shield kit is available for machines; contact your Authorized Toro Dealer for more information.
Reduce the engine speed to 50% or less.
Use your sprayer attachment or accessory.
Note: Determine the left and right sides of the machine from the normal operating position.
Please carefully read all of the safety instructions and decals in the safety section. Knowing this information could help you or bystanders avoid injury.
Note: The best time to check the engine oil is when the engine is cool, before it has been started for the day. If it has already been run, allow the oil to drain back down to the sump for at least 10 minutes before checking. If the oil level is at or below the Add mark on the dipstick, add oil to bring the oil level to the Full mark. Do not overfill. If the oil level is between the Full and Add marks, no oil addition is required.
The engine is shipped with oil in the crankcase; however, the level of oil must be checked before you first start the engine and after you have run it.
Position the machine on a level surface.
Remove the dipstick, located under the passenger seat, and wipe it with a clean rag (Figure 18).

Insert the dipstick into the tube and make sure it is seated fully. Remove the dipstick and check the oil level.
If the oil level is low, remove the filler cap from the valve cover (Figure 19) and pour oil into the opening until the oil level is up to the Full mark on the dipstick; refer to Servicing the Engine Oil, for the proper oil type and viscosity.
Note: Add the oil slowly and check the level often during this process. Do not overfill.

Install the filler cap.
Install the dipstick firmly in place.
Check the tire pressure every 8 hours or daily to ensure proper levels. Fill the tires to 124 kPa (18 psi). Also, check the tires for wear or damage.
In certain conditions, fuel is extremely flammable and highly explosive. A fire or explosion from fuel can burn you and others and can damage property.
Fill the fuel tank outdoors, in an open area, when the engine is cold. Wipe up any fuel that spills.
Do not fill the fuel tank completely full. Add fuel to the fuel tank until the level is 25 mm (1 inch) below the bottom of the filler neck. This empty space in the tank allows fuel to expand.
Never smoke when handling fuel, and stay away from an open flame or where fuel fumes may be ignited by a spark.
Store fuel in an approved container and keep it out of the reach of children. Never buy more than a 30-day supply of fuel.
In certain conditions during fueling, static electricity can be released causing a spark which can ignite the fuel vapors. A fire or explosion from fuel can burn you and others and can damage property.
Always place fuel containers on the ground away from your vehicle before filling.
Do not fill fuel containers inside a vehicle or on a truck or trailer bed because interior carpets or plastic truck bed liners may insulate the container and slow the loss of any static charge.
When practical, remove gas-powered equipment from the truck or trailer and refuel the equipment with its wheels on the ground.
If this is not possible, then refuel such equipment on a truck or trailer from a portable container, rather than from a fuel dispenser nozzle.
If a fuel dispenser nozzle must be used, keep the nozzle in contact with the rim of the fuel tank or container opening at all times until fueling is complete.
Recommended fuel
The engine runs on No. 2-D or 1-D automotive type diesel fuel with a minimum cetane rating of 40.
Note: Your engine may require a higher cetane-rated fuel if you operate the machine at high altitudes or in low atmospheric temperatures.
Biodiesel Ready
This machine can also use a biodiesel blended fuel of up to B20 (20% biodiesel, 80% petrodiesel). The petrodiesel portion should be low or ultra low sulfur. Observe the following precautions:
The biodiesel portion of the fuel must meet specification ASTM D6751 or EN14214.
The blended fuel composition should meet ASTM D975 or EN590.
Painted surfaces may be damaged by biodiesel blends.
Use B5 (biodiesel content of 5%) or lesser blends in cold weather.
Monitor seals, hoses, gaskets in contact with fuel as they may be degraded over time.
Fuel filter plugging may be expected for a time after converting to biodiesel blends.
Contact your distributor if you wish for more information on biodiesel.
Filling the Fuel Tank
The fuel tank capacity is approximately 40 L (10.6 US gallons).
Note: The fuel tank contains a gauge which shows the fuel level; check it frequently.
Position the sprayer on a level surface.
Set the parking brake, stop the pump, stop the engine, remove the ignition key, and allow the engine to cool.
Clean the area around the fuel tank cap (Figure 20).

Remove the fuel tank cap.
Fill the tank to about one inch below the top of the tank, (bottom of the filler neck).
Note: This space in the tank allows fuel to expand. Do not overfill.
Install the fuel tank cap securely.
Wipe up any fuel that may have spilled.
Check the following items each time you begin using the sprayer for the day:
Check the tire pressure.
Note: These tires are different than car tires; they require less pressure to minimize turf compaction and damage.
Check all fluid levels and add the appropriate amount of specified fluids, if any are found to be low.
Check the brake pedal operation.
Check to see that the lights are working.
With the engine off, check for oil leaks, loose parts, and any other noticeable malfunctions.
If any of the above items are not correct, notify your mechanic or check with your supervisor before taking the sprayer out for the day. Your supervisor may want you to check other items on a daily basis, so ask what your responsibilities are.
Sit on the operator’s seat and keep your foot off the traction pedal.
Ensure that the parking brake is engaged, the traction pedal is in the Neutral position, the throttle is in the Slow position.
Turn the ignition switch to the On/Preheat position.
Note: An automatic timer will control the preheat for approximately 6 seconds.
After preheating, turn the key to the Start position.
Crank the engine for no longer than 15 seconds.
Release the key when the engine starts.
If the engine requires additional preheating, turn the key to the Off position, then to the On/Preheat position.
Note: Repeat steps through as required.
Run the engine at idle speed or partial throttle until the engine warms up.
Press the traction pedal forward to drive forward or rearward to drive in reverse.
Important: Ensure that you allow the sprayer to come to a stop before switching between the Forward and Reverse positions.
To slowly stop the sprayer, release the traction pedal.
To stop quickly, press the brake pedal.
Note: Stopping distance may vary depending on the sprayer load and speed.
If you press the traction pedal locking switch and do not have your foot on the traction pedal, the traction unit may suddenly stop and cause you to lose control, possibly injuring you or bystanders.
Ensure that you have your foot on the traction pedal when you disengage the traction pedal locking switch.
Drive forward and attain the desired speed; refer to Driving the Sprayer.
Press the top of the traction pedal locking switch.
Note: The light on the switch illuminates.
Take your foot off the traction pedal.
Note: The sprayer will maintain the speed you set.
To release the traction pedal locking switch, either place your foot on the traction pedal and press the bottom of the switch or remove your foot from the traction pedal and press the brake pedal.
Note: The light on the switch turns off and the traction control returns to the traction pedal.
Move all the controls to the Neutral position.
Press the brake to stop the sprayer.
Set the parking brake.
Shift the throttle lever to the Idle position.
Turn the ignition key to the Off position.
Remove the key from the switch to prevent someone from accidentally starting the engine.
To provide proper performance and long sprayer life, follow these guidelines:
Check the fluid and engine oil levels regularly and be alert for indications of overheating in any component of the sprayer.
After filling the tank, check the tank straps for any play. Tighten as necessary.
After starting a cold engine, let it warm up for about 15 seconds before accelerating.
Avoid hard braking situations for the first several hours of new sprayer break-in operation. New brake linings may not be at optimum performance until several hours of use has caused the brakes to become burnished (broken-in).
Avoid racing the engine.
Refer to for any special low hour checks.
To operate the Multi-Pro Sprayer first fill the spray tank, then apply the solution to the work area, and finally clean the tank. It is important that you complete all three of these steps in succession to avoid damaging the sprayer. For example, do not mix and add chemicals in the spray tank at night and then spray in the morning. This would lead to separation of the chemicals and possible damage to the sprayer components.
Chemicals are hazardous and can cause personal injury.
Read the directions on the chemical labels before handling the chemicals and follow all manufacturer recommendations and precautions.
Keep chemicals away from your skin. Should contact occur, wash the affected area thoroughly with soap and clean water.
Wear goggles and any other protective equipment recommended by the chemical manufacturer.
The Multi-Pro Sprayer has been specifically designed to have high durability in order to give it the long sprayer life you need. Different materials have been chosen for specific reasons at different locations on your sprayer to meet this goal. Unfortunately there is no single material which is perfect for all foreseeable applications.
Some chemicals are more aggressive than others and each chemical interacts differently with various materials. Some consistencies (e.g. wettable powders, charcoal) are more abrasive and lead to higher wear rates. If a chemical is available in a formulation that would provide increased life to the sprayer, use this alternative formulation.
As always, remember to clean your sprayer thoroughly after all applications. This will do the most to ensure your sprayer has a long and trouble free life.
Note: If you have questions or need additional information regarding the spray control system, refer to the Operators Manual supplied with the system.
Always fill the fresh water tank with clean water before handling or mixing any chemicals.
The fresh water tank is located on the ROPS, behind the passenger seat (Figure 21). It supplies a source of fresh water for you to wash chemicals off of your skin, eyes, or other surfaces in the case of accidental exposure.
To fill the tank, unscrew the cap on the top of the tank and fill the tank with fresh water. Replace the cap.
To open the fresh water tank spigot, turn the lever on the spigot.

Important: Ensure that the chemicals you will be using are compatible for use with Viton (see the manufacturer's label; it should indicate if it is not compatible). Using a chemical that is not compatible with Viton will degrade the O-rings in the sprayer, causing leaks.
Important: The tank markings are for reference only and cannot be considered accurate for calibration.
Important: After filling the tank for the first time, check the tank straps for any play. Tighten as necessary.
Stop the sprayer on a level surface, stop the engine, and set the parking brake.
Determine the amount of water needed to mix the amount of chemical you need as prescribed by the chemical manufacturer.
Open the tank cover on the spray tank.
The tank cover is located in the center of the top of the tank. To open it, turn the front half of the cover counterclockwise and swing it open. You can remove the strainer inside for cleaning. To seal the tank, close the cover and rotate the front half clockwise.
Add 3/4 of the required water to the spray tank using the anti-siphon fill receptacle.
Important: Always use fresh clean water in the spray tank. Do not pour concentrate into an empty tank.
Start the engine, set the pump switch to the On position, and move the throttle lever to a higher idle.
Set the agitation switch to the On position.
Important: Prior to introducing wettable powders into any Toro Spray System mix the powders in a suitable container with sufficient fresh water to create a free flowing slurry. Failure to do so may result in chemical deposits on the bottom of the tank, degraded agitation, clogging of filters and improper agitation rates.Toro recommends using the approved Eductor Kit for this machine. Contact your Authorized Toro Dealer for more information.
Add the proper amount of chemical concentrate to the tank, as directed by the chemical manufacturer.
Add the remaining water to the tank.
The boom lift switches on the sprayer control panel allows you to move the booms between transport position and spray position without leaving the Operator's seat. It is recommended to change boom positions while the machine is stationary.
To change the boom position:
Stop the sprayer on level ground.
Use the boom lift switches to lower booms. Wait until the booms reach the full, extended spray position.
When the booms need to be retracted, stop the sprayer on level ground.
Use the boom lift switches to raise the booms. Raise the booms until they have moved completely into boom transport cradle forming the “X” transport position and the boom cylinders are fully retracted.
Important: To prevent damage to the boom actuator cylinder, make sure the actuators are fully retracted before transport.
Important: Release the actuator switch once the booms have reached the desired position. Running the actuators against the stops may cause damage to the cylinders and or other hydraulic components.
The sprayer is equipped with a boom transport cradle that has a unique safety feature. In the event of accidental boom contact with a low overhead object while in the transport position, the boom(s) can be pushed out of the transport cradles. If this occurs, the booms will come to rest in a near horizontal position to the rear of the vehicle. While the booms will not be damaged due to this movement, they should be immediately put back into the transport cradle.
Important: The booms can be damaged by transporting them in any position other than the “X” transport position using the boom transport cradle.
To put the booms back into the transport cradle, lower the boom(s) to the spray position, and then raise the boom(s) back into the transport position. Make sure the boom cylinders are fully retracted to prevent actuator rod damage during storage.
Important: In order to ensure that your solution remains well mixed, use the agitation feature whenever you have solution in the tank. For agitation to work, the pump must be on and the engine must be running above an idle.
Note: This procedure assumes that the pump is on from the Filling the Spray Tank procedure.
Set the master boom switch to the Off position.
Adjust the throttle to the desired position to spray at.
Drive to the location where you will be spraying.
Lower the booms into position.
Set the individual boom switches, as needed, to the On positions.
Use the application rate switch to achieve the desired pressure as indicated in the Nozzle Selection Guide provided with the sprayer.
Drive at the desired speed and then set the master boom switch to the On position to begin spraying.
Note: When the tank is nearly empty, the agitation may cause foaming in the tank. In this case, turn the agitation switch off. Alternatively, you can use an anti-foaming agent in the tank.
When finished spraying, set the master boom switch to the Off position to turn off all booms, then set the pump switch to the Off position.
Note: Return the booms to the transport position and drive the sprayer to the cleaning area.
Important: Always raise the booms until they have moved completely into boom transport cradle forming the “X” transport position and the boom cylinders are fully retracted whenever you move the sprayer from one spraying area to another or move to a storage or cleaning area.
Important: Under some conditions, heat from the engine, radiator, and muffler can potentially damage grass when operating the sprayer in a stationary mode. Stationary modes include tank agitation, hand spraying with a spray gun, or using a walking boom.
Use the following precautions:
Avoid stationary spraying when conditions are very hot and/or dry, as turf can be more stressed during these periods.
Avoid parking on the turf while stationary spraying. Park on a cart path whenever possible.
Minimize the amount of time the machine is left running over any particular area of turf. Both time and temperature affect how much the grass may be damaged.
Set the engine speed as low as possible to achieve the desired pressure and flow. This will minimize the heat generated and the air velocity from the cooling fan.
Allow heat to escape upward from the engine compartment by raising the seat assemblies during stationary operation rather than being forced out under the vehicle.
Do not overlap areas that you have previously sprayed.
Watch for plugged nozzles. Replace all worn or damaged nozzles.
Use the master boom switch to stop the spray flow before stopping the sprayer. Once stopped, use the neutral engine speed control to hold the engine speed up to keep the agitation running.
You will obtain better results if the sprayer is moving when you turn the booms on.
If a nozzle becomes clogged while you are spraying, you can clean it using a hand spray bottle of water or a toothbrush.
Stop the sprayer on a level surface, stop the engine, and set the parking brake.
Set the master boom switch to the Off position and then set the pump switch to the Off position.
Remove the clogged nozzle and clean it using a spray bottle of water or a toothbrush.
The turret bodies can accept up to 3 different nozzles. To select the desired nozzle:
Stop the sprayer on a level surface, stop the engine, and set the parking brake.
Set the master boom switch to the Off position and set the pump switch to the Off position.
Rotate the turret of the nozzles in either direction to the correct nozzle.
| Maintenance Service Interval | Maintenance Procedure |
|---|---|
| Yearly |
|
Important: You must always empty and clean the sprayer immediately after each use. Failure to do so may cause the chemicals to dry or thicken in the lines, clogging the pump and other components.
Toro recommends using the approved Rinse Kit for this machine. Contact your Authorized Toro Dealer for more information.
Clean the spray system after each spraying session. To properly clean the spray system:
Use 3 separate rinses.
Use the cleaners and neutralizers as recommended by the chemical manufacturers.
Use pure clean water (no cleaners or neutralizers) for the last rinse.
Stop the sprayer, set the parking brake, and turn off the engine.
Locate the tank drain valve on the rear of the machine (Figure 22). The valve is to the rear of pump, attached to the support bracket.

Open the valve to drain any unused material from the tank and dispose of it according to local codes and the material manufacturer's instructions (Figure 23). After draining, remove the lynch pin on the bracket securing the drain valve to the machine and let the valve rest on the ground . This allows any residual material in the line to drain.

When the tank has drained completely, install the valve to frame with the lynch pin removed previously and close the drain valve (Figure 23).
Fill the tank with at least 190 L (50 US gallons) of clean fresh water and close the cover.
Note: You can use a cleaning/neutralizing agent in the water as needed. On the final rinse, use only clean, clear water.
Lower the booms into the spray position.
Start the engine and move the throttle lever to a higher idle.
Ensure that the agitation switch is in the On position.
Set the pump switch to the On position and use the application rate switch to increase the pressure to a high setting.
Set the master boom switch and boom control switches to the On positions to begin spraying.
Allow all of the water in the tank to spray out though the nozzles.
Check the nozzles to ensure that they are all spraying correctly.
Set the master boom switch to the Off position, set the pump switch to the Off position, and stop the engine.
Repeat steps 4 through 12 at least 2 more times to ensure that the spray system is fully cleaned.
Important: You must always complete this procedure at least 3 times to ensure that the spray system is fully clean, preventing damage to the system.
Clean the strainer; refer to Cleaning the Suction Strainer.
Important: If you used wettable powder chemicals, clean the strainer after each tank.
Using a garden hose, rinse off the outside of the sprayer with clean water.
Remove the nozzles and clean them by hand.
Note: Replace damaged or worn nozzles.
Important: If you have the Pro Control™ Spray System installed, the boom bypass valves must be closed. Use the following adjustment only when you are not using the Pro Control Spray System.
Before using the sprayer for the first time or if the nozzles are changed, adjust the boom bypass valves so that the pressure and application rate remains the same for all booms when you turn one or more booms off.
Note: The boom bypass valves must be calibrated each time the nozzles are changed.
Select an open flat area to perform this procedure.
Fill the spray tank with clean water.
Put the extension booms down, if installed.
Set the parking brake and start the engine.
Move the throttle lever to the Spray position.
Set the pump switch to the On position to start the pump.
Set all three boom switches and the master boom switch to the On position.
Use the application rate switch to adjust the pressure as read on the pressure gauge until it is in the range for the nozzles you installed on the booms (typically 40 psi).
Record the reading on the pressure gauge.
Turn off one of the booms using the appropriate boom switch.
Adjust the boom bypass valve (Figure 24) on the backside of the boom control valve for the boom you turned off until the pressure reading on the gauge is the same as it was in step 7.

Turn the boom on and off to verify the pressure does not change.
Repeat steps 9 through 11 for the other booms.
Drive the sprayer at the desired speed while spraying and turn each boom off individually. The pressure on the gauge should not change.
| Maintenance Service Interval | Maintenance Procedure |
|---|---|
| Yearly |
|
Important: If you have the Pro Control™ XP Spray System installed turn the power switch to Off now. The following procedure should be performed only when the controller is not powered.
Select an open flat area to perform this procedure.
Fill the spray tank with clean water.
Verify the agitation control valve is open. If it has been adjusted open it completely at this time.
Set the parking brake and start the engine .
Move the throttle lever to the Fast position.
Set the pump switch and the agitation switch to the On position.
Use the application rate switch to adjust the pressure on the gauge reads 689 kPa (100 psi).
Turn the agitation switch to the Off position and read the pressure gauge.
If the reading remains at 689 kPa (100 psi) the agitation bypass valve is properly calibrated.
If the pressure gauge reads differently continue to the next step.
Adjust the agitation bypass valve (Figure 25) on the backside of the agitation valve until the pressure reading on the gauge is 689 kPa (100 psi).

Turn the pump switch to the Off position.
Shift the throttle lever to the Idle position and turn the ignition Off.
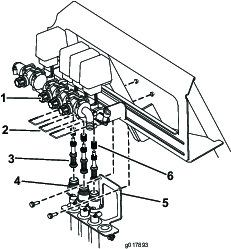
The pump is located near the back of the tank on the left side (Figure 26).

In case of an emergency, the sprayer can be towed for a short distance after you open the tow valve. However, we do not recommend this as a standard procedure.
Towing at excessive speeds could cause a loss of steering control, resulting in personal injury.
Never tow the sprayer faster than 4.8 km/h (3 mph).
Towing the sprayer is a two person job. If the machine must be moved a considerable distance, transport it on a truck or trailer; refer to Transporting the Sprayer.
Rotate the tow valve (Figure 29) 90° in either direction to open it.

Important: If you do not open the tow valve before towing the sprayer you will damage the transmission.
Affix a tow line to the frame. Refer to the front and rear towing points in Figure 30 and Figure 31.


Release the parking brake.
Tow the sprayer at less than 4.8 km/h (3 mph).
When finished, close the tow valve and torque it to no more than 7 to 11 N-m (5 to 8 ft-lb).
Note: Determine the left and right sides of the machine from the normal operating position.
Note: Looking for an Electrical Schematic or Hydraulic Schematic for your machine? Download a free copy of the schematic by visiting www.Toro.com and searching for your machine from the Manuals link on the home page.
| Maintenance Service Interval | Maintenance Procedure |
|---|---|
| After the first 5 hours |
|
| After the first 8 hours |
|
| After the first 50 hours |
|
| After the first 200 hours |
|
| Before each use or daily |
|
| Every 50 hours |
|
| Every 100 hours |
|
| Every 150 hours |
|
| Every 200 hours |
|
| Every 400 hours |
|
| Yearly |
|
Important: Refer to your engine Owner’s Manual for additional maintenance procedures.
| Inspection performed by: | ||
| Item | Date | Information |
| 1 | ||
| 2 | ||
| 3 | ||
| 4 | ||
| 5 | ||
| 6 | ||
| 7 | ||
| 8 | ||
| 9 | ||
| 10 | ||
If you leave the key in the ignition switch, someone could accidently start the engine and seriously injure you or other bystanders.
Remove the key from the ignition before you do any maintenance.
Whenever the engine is run for routine maintenance and/or engine diagnostics, the rear wheels of the sprayer should be 25 mm (1 inch) off the ground with the rear axle supported on jack stands.
A sprayer on a jack may be unstable and slip off the jack, injuring anyone beneath it.
Always remove the key from the ignition before getting off the sprayer.
Block the tires when the sprayer is on a jack.
The jacking point at the front of the sprayer is under the front axle, directly under the leaf springs (Figure 32)

The jacking point at the rear of the sprayer is on the rear side where the boom supports are Figure 33.

| Maintenance Service Interval | Maintenance Procedure |
|---|---|
| Every 50 hours |
|
Grease Type: No. 2 general-purpose lithium base grease. Toro Premium All Purpose Grease is available from your Toro Distributor.
Wipe the grease fitting clean so that foreign matter cannot be forced into the bearing or bushing.
Pump grease into the bearing or bushing.
Wipe off excess grease.
The grease fittings positions are illustrated in Figure 34 and Figure 35.


| Maintenance Service Interval | Maintenance Procedure |
|---|---|
| Every 100 hours |
|
Important: If the boom hinge is washed with water, all water and debris must be cleared from the hinge assembly and fresh grease must be applied.
Grease Type: No. 2 general-purpose, lithium-base grease.
Wipe the grease fittings clean so that foreign matter cannot be forced into the bearing or bushing.
Pump grease into the bearing or bushing at each fitting Figure 36.

Wipe off excess grease.
Repeat the procedure for each boom pivot.
| Maintenance Service Interval | Maintenance Procedure |
|---|---|
| Every 400 hours |
|
Grease Type: No. 2 general-purpose, lithium-base grease.
Extend the booms to the spray position.
Remove the cotter pin from the pivot pin (Figure 37).
Lift up on the boom and remove the pin (Figure 37). Slowly lower the boom to the ground.
Inspect the pin for any damage, replace if necessary.

Manipulate the actuator rod bearing end and apply grease into the bearing (Figure 38). Wipe off excess grease.

Lift up on the boom to align the pivot with the actuator rod. While holding the boom, insert the pin through both boom pivot and actuator rod (Figure 37).
With the pin in place, release the boom and secure the pin with the cotter removed previously.
Repeat the procedure for each actuator rod bearing.
| Maintenance Service Interval | Maintenance Procedure |
|---|---|
| Every 100 hours |
|
Check the air cleaner body for damage that could cause an air leak. Ensure that the dust cap is tightly sealed onto the air cleaner. Replace a damaged air cleaner body. Squeeze the valve (Figure 39) before each use to clear it of dust and debris.

Note: Service the air cleaner more frequently if operating conditions are extremely dusty or sandy.
| Maintenance Service Interval | Maintenance Procedure |
|---|---|
| Before each use or daily |
|
Important: Do not remove the air cleaner in an attempt to clean it. This increases the chance of dirt and debris entering the engine.
Set the parking brake, stop the pump, stop the engine, and remove the ignition key.
Raise the passenger seat.
Loosen the air cleaner strap that secures the air cleaner cover to the air cleaner body (Figure 39) and separate the cover from the body.
Use low pressure compressed air (40 psi, clean and dry), to remove dirt and debris from the inside of the air cleaner cover and around the air filter.
Important: Avoid high pressure compressed air which can force dirt through the filter and into the engine.
Inspect the filter and replace it if it is damaged.
Install the cover with the valve pointing down at a 5–7 o’clock position when viewed from the end.
Secure the straps (Figure 39).
Remove the rubber valve cover from the air cleaner cover.
Clean the valve and replace it on the air cleaner cover.
| Maintenance Service Interval | Maintenance Procedure |
|---|---|
| Every 100 hours |
|
If you are installing a new filter, inspect it for shipping damage. Check the sealing end of the filter.
Important: Do not install a damaged filter.
Gently slide the old filter out of the air cleaner body to reduce the amount of dust dislodged.
Note: Avoid knocking the filter against the air cleaner body.
Insert the filter into the air cleaner body. Ensure that the filter is sealed properly by applying pressure to the outer rim of the filter when installing. Do not press on the flexible center of the filter.
Install the cover with the valve pointing down and secure the straps (Figure 39).
Squeeze the element to distribute the oil.
| Maintenance Service Interval | Maintenance Procedure |
|---|---|
| Every 400 hours |
|
Change the engine oil and the oil filter after the first 50 operating hours and every 150 operating hours thereafter.
Crankcase Capacity is 4.6 L (4.9 qt) with the filter.
Use high-quality engine oil that meets the following specifications:
API Classification Level Required: CH-4, CI-4 or higher.
Preferred oil: SAE 15W40 (above 0° F)
Alternate oil: SAE 10W30 or 5W30 (all temperatures)
Toro Premium Engine Oil is available from your distributor in either 15W40 or 10W30 viscosity. See the Parts Catalog for part numbers.
| Maintenance Service Interval | Maintenance Procedure |
|---|---|
| Before each use or daily |
|
Note: The best time to check the engine oil is when the engine is cool, before it has been started for the day. If it has already been run, allow the oil to drain back down to the sump for at least 10 minutes before checking. If the oil level is at or below the Add mark on the dipstick, add oil to bring the oil level to the Full mark. Do not overfill. If the oil level is between the Full and Add marks, no oil addition is required.
The engine is shipped with oil in the crankcase; however, the level of oil must be checked before you first start the engine and after you have run it.
Position the machine on a level surface.
Remove the dipstick, located under the passenger seat, and wipe it with a clean rag (Figure 40).

Insert the dipstick into the tube and make sure it is seated fully. Remove the dipstick and check the oil level.
If the oil level is low, remove the filler cap from the valve cover (Figure 41) and pour oil into the opening until the oil level is up to the Full mark on the dipstick; refer to Servicing the Engine Oil for the proper oil type and viscosity.
Note: Add the oil slowly and check the level often during this process. Do not overfill.
Install the filler cap.
Install the dipstick firmly in place.

| Maintenance Service Interval | Maintenance Procedure |
|---|---|
| After the first 50 hours |
|
| Every 150 hours |
|
Start the engine and let it run until warm; this warms the oil so it drains better.
Set the parking brake, stop the pump, stop the engine, and remove the ignition key.
Raise the seats.
Components under the seat will be hot if the sprayer has been running. If you touch hot components you may be burned.
Allow the sprayer to cool before performing maintenance or touching components under the hood.
Place a pan below the oil drain.
Remove the drain plug (Figure 42).
Place a separate pan under the oil filter.

Remove the old oil filter (Figure 43).

Wipe the filter adapter gasket surface.
Apply a thin coat of new oil to the rubber gasket on the replacement filter.
Install the replacement oil filter to the filter adapter. Turn the oil filter clockwise until the rubber gasket contacts the filter adapter, then tighten the filter an additional 1/2 turn (Figure 43).
Note: Do not over tighten the filter.
When the oil has drained completely, replace the drain plug and torque it to 13.6 N-m (10 ft-lb).
Dispose of the used oil at a certified recycling center.
Remove the oil filler cap and slowly pour approximately 80% of the specified amount of oil into the engine at the oil filler (Figure 40).
Check the oil level.
Slowly add additional oil to bring the oil level to the full mark on the dipstick.
Important: Overfilling the crankcase with oil may cause engine damage.
Replace the oil filler cap.
Under certain conditions, diesel fuel and fuel vapors are highly flammable and explosive. A fire or explosion from fuel can burn you and others and can cause property damage.
Use a funnel and fill the tank outdoors, in an open area, when the engine is off and is cold. Wipe up any fuel that spills.
Do not fill the fuel tank completely full. Add fuel to the fuel tank until the level is 25 mm (1 inch) below the bottom of the filler neck. This empty space in the tank allows the fuel to expand.
Never smoke when handling fuel, and stay away from an open flame or where fuel fumes may be ignited by a spark.
Store fuel in a clean, safety-approved fuel container and keep the cap in place.
| Maintenance Service Interval | Maintenance Procedure |
|---|---|
| After the first 50 hours |
|
| Every 400 hours |
|
Inspect the lines and connections for deterioration, damage, or loose connections.
Park the machine on a level surface.
Ensure that the fuel tank is at least half full.
Open the vent plug on the fuel/water separator (Figure 44)

Turn the key in the ignition switch to the On position.
Note: The electric fuel pump will begin forcing air out around the air bleed screw.
Leave key in the On position until a solid stream of fuel flows out around the screw.
Tighten screw and turn the key to the Off position.
Open the air bleed screw on the fuel injection pump (Figure 45).

Turn key in ignition switch to the On position.
Note: Electric fuel pump will begin operation, thereby forcing air out around air bleed screw on fuel injection pump.
Leave the key in the On position until a solid stream of fuel flows out around the screw.
Tighten the screw and turn the key to the Off position.
Note: Normally, the engine should start after you bleed the fuel system. However, if the engine does not start, there may be air trapped between the injection pump and the injectors; refer to Bleeding Air from the Injectors.
You should perform this procedure only after you have purged the air in the system while you prime the engine and it does not start. Refer to Bleeding the Fuel System.
Loosen the pipe connection to the No. 1 nozzle and holder assembly.
Move the throttle to the Fast position.
Turn the key in the key switch to the Start position and watch the fuel flow around the connector.
Turn the key to the Off position when you observe a solid flow of fuel.
Tighten the pipe connector securely.
Repeat this procedure for the remaining nozzles.
| Maintenance Service Interval | Maintenance Procedure |
|---|---|
| Every 400 hours |
|
Drain and clean the fuel tank if the fuel system becomes contaminated or if you plan to store the machine for an extended period. Use fresh, clean fuel to flush out the tank.
Transfer the fuel from the tank into an approved fuel container using a siphon pump, or remove the tank from the machine and pour the fuel out of the tank fill spout into the fuel container.
Note: If you remove the fuel tank, you will need to remove the fuel and return hoses from the tank before removing the tank.
Replace the fuel filter; refer to the Servicing the Fuel Filters.
Flush the tank with fresh, clean fuel, if necessary.
Install the tank if you removed it in step 1.
Fill the tank with fresh, clean fuel.
The sprayer has 2 fuel filters, a fuel filter/water separator (located between the fuel pump and the carburetor) and an in-tank filter (located in the outlet tank fitting).
| Maintenance Service Interval | Maintenance Procedure |
|---|---|
| Every 400 hours |
|
Drain water or other contaminants from water separator (Figure 46) daily.
Place a clean container under the fuel filter.
Loosen the drain plug on the bottom of the filter canister.

Clean the area where the filter canister mounts.
Remove the filter canister and clean the mounting surface.
Lubricate the gasket on the filter canister with clean oil.
Install the filter canister by hand until the gasket contacts mounting surface, then rotate it an additional 1/2 turn.
Tighten the drain plug on the bottom of the filter canister.
| Maintenance Service Interval | Maintenance Procedure |
|---|---|
| Every 400 hours |
|
Note: The fuel filter is a part of the standpipe assembly.
Set the parking brake, stop the pump, stop the engine, and remove the ignition key.
Loosen the clamp that secures the fuel line hose to the elbow fitting on the top of the fuel tank.
Disconnect the hose from the elbow fitting, and allow any fuel in the hose to drain into an approved fuel container.
Remove the old standpipe assembly from the fuel tank.
Install a new standpipe assembly obtained from your local Authorized Toro Dealer.
Note: You may need a new grommet to secure the elbow fitting and standpipe assembly to the top of the fuel tank.
Connect the fuel line hose onto the elbow fitting, and secure the hose to the elbow fitting with a clamp.
Continue with Draining the Fuel Tank.
The fuse block for the electrical system is located beneath the operator's seat (Figure 47).

| Maintenance Service Interval | Maintenance Procedure |
|---|---|
| Every 50 hours |
|
Battery posts, terminals, and related accessories contain lead and lead compounds, chemicals known to the State of California to cause cancer and reproductive harm. Wash hands after handling.
Always keep the battery clean and fully charged. Use a paper towel to clean the battery and battery box. If the battery terminals are corroded, clean them with a solution of 4 parts water and 1 part baking soda. Apply a light coating of grease to the battery terminals to prevent corrosion.
Voltage: 12 volts with 690 cold cranking Amps at -18° C (0° F)
Position the sprayer on a level surface, set the parking brake, stop the pump, stop the engine, and remove the ignition key.
Remove the cover on the battery (Figure 48) and disconnect the negative (black) ground cable from the battery post.

Incorrect battery cable routing could damage the sprayer and cables causing sparks. Sparks can cause the battery gasses to explode, resulting in personal injury.
Always disconnect the negative (black) battery cable before disconnecting the positive (red) cable.
Always reconnect the positive (red) battery cable before reconnecting the negative (black) cable.
Battery terminals or metal tools could short against metal sprayer components causing sparks. Sparks can cause the battery gasses to explode, resulting in personal injury.
When removing or installing the battery, do not allow the battery terminals to touch any metal parts of the sprayer.
Do not allow metal tools to short between the battery terminals and metal parts of the sprayer.
Always keep the battery strap in place to protect and secure the battery.
Disconnect the positive (red) cable from the battery post.
Remove the battery.
Set the battery on the battery box so that the battery posts are away from the sprayer.
Connect the positive (red) cable to the positive (+) battery post and the negative (black) cable to the negative (–) battery post using the bolts and nuts. Slide the rubber boot over both battery posts.
install the battery cover and secure it with the strap removed previously (Figure 48).
Important: Always keep the battery retainer in place to protect and secure the battery.
Important: Always keep the battery fully charged. This is especially important to prevent battery damage when the temperature is below 0° C (32° F).
Remove the battery from the chassis; refer to Removing the Battery.
Connect a 3 to 4 amp battery charger to the battery posts. Charge the battery at a rate of 3 to 4 amperes for 4 to 8 hours (12 volts).
Note: Do not overcharge the battery.
Charging the battery produces gasses that can explode.
Never smoke near the battery and keep sparks and flames away from battery.
Install the battery in the chassis; refer to Installing the Battery.
If the machine will be stored for more than 30 days, remove the battery and charge it fully. Either store it on the shelf or on the machine. Leave the cables disconnected if it is stored on the machine. Store the battery in a cool atmosphere to avoid quick deterioration of the charge in the battery. To prevent the battery from freezing, ensure that it is fully charged.
| Maintenance Service Interval | Maintenance Procedure |
|---|---|
| Before each use or daily |
|
Check the tire pressure every 8 hours or daily to ensure proper levels. Fill the tires to 124 kPa (18 psi). Also, check the tires for wear or damage.
| Maintenance Service Interval | Maintenance Procedure |
|---|---|
| After the first 8 hours |
|
| After the first 200 hours |
|
| Every 100 hours |
|
| Every 400 hours |
|
Torque the front lug nuts to 75-102 N-m (55-75 ft-lb) and the rear lug nuts to 95-122 N-m (75-90 ft-lb).
Operating accidents, such as hitting curbs, can damage a tire or rim and also disrupt wheel alignment, so inspect tire condition after an accident.
| Maintenance Service Interval | Maintenance Procedure |
|---|---|
| After the first 8 hours |
|
| Every 400 hours |
|
Change the planetary gearbox fluid in each rear wheel after the first 8 hours and then after every 400 hours thereafter.
Use high quality, SAE 85W-140 weight gear lube.
Position the sprayer on a level surface with the rear wheels positioned for draining as illustrated in Figure 49.

Set the parking brake, stop the pump, stop the engine, and remove the ignition key.
Place a pan under the drain plugs and remove them from the wheel (Figure 49).
Place a pan under the inner drain plug and remove it (Figure 50).

Move the vehicle slowly until the wheel is positioned for filling as illustrated in Figure 51

Set the parking brake, stop the pump, stop the engine, and remove the ignition key.
Pour SAE 85W-140 weight gear lube into the upper hole until it begins to come out of the lower hole.
Replace and tighten all drain plugs.
Repeat 3 through 9 for the other rear wheel.
Dispose of the used oil at a certified recycling center.
| Maintenance Service Interval | Maintenance Procedure |
|---|---|
| Every 200 hours |
|
The toe-in should be 0 to 3 mm (0 to 1/8 inch).
Check and fill all tires; refer to Checking the Tire Pressure.
Measure the distance between both of the front tires at the axle height at both the front and rear of the front tires (Figure 52).
The distance between the front of the tires should be 0 to 3 mm (0 to 1/8 inch) less than the distance between the back side of the front tires.

If the measurement does not fall within the specified range, loosen the jam nuts at both ends of the tie rod (Figure 53).

Rotate the tie rod to move the front of the tire inward or outward.
Tighten the tie rod jam nuts when the adjustment is correct.
Ensure that there is full travel of the steering wheel in both directions.
| Maintenance Service Interval | Maintenance Procedure |
|---|---|
| Before each use or daily |
|
The cooling system is filled with a 50/50 solution of water and permanent ethylene glycol antifreeze. Check the level of coolant in the radiator and the expansion tank at the beginning of each day before starting the engine. The cooling system capacity is 5.5 L (5.8 qt).
If the engine has been running, the coolant may be hot and pressurized. If you open the radiator cap when the coolant is hot, it could spray out and severely burn you or bystanders.
Allow the engine to cool for at least 15 minutes before opening the radiator cap.
Position the sprayer on a level surface.
Set the parking brake, stop the pump, stop the engine, and remove the ignition key.
Carefully remove the radiator cap and the expansion tank cap (Figure 54).

Check the coolant level in the radiator and in the expansion tank.
Note: The radiator should be filled to the top of the filler neck and the expansion tank filled to the Full mark.
If coolant level is low, remove the expansion-tank cap and the radiator cap, and fill expansion tank to the Full mark and the radiator to the top of the filler neck.
Note: Do not overfill the expansion tank.
Important: Do not use water only or an alcohol/methanol-based coolant.
Install the radiator cap and the expansion-tank cap.
| Maintenance Service Interval | Maintenance Procedure |
|---|---|
| Every 100 hours |
|
| Every 200 hours |
|
| Every 400 hours |
|
Clean the radiator fins of all debris using low-pressure compressed air or a soft brush. Clean them more often if needed. Also check all coolant hoses and replace any that are worn, leaking, or damaged.
Important: Do not spray water into a hot engine compartment.
Important: Do not add coolant to an overheated engine until the engine has fully cooled. Adding coolant to an overheated engine may crack the engine block.
Check the engine coolant as directed by the manufacturer. Use 5.5 L (5.8 qt) of a solution of 50% water and 50% permanent ethylene glycol antifreeze.
Position the sprayer on a level surface, set the parking brake, stop the pump, stop the engine, and remove the ignition key.
If the engine has been running, the coolant may be hot and pressurized. If you open the radiator cap when the coolant is hot, it could spray out and severely burn you or bystanders.
Allow the engine to cool for at least 15 minutes before opening the radiator cap. The radiator cap must be cool to the touch.
When the engine is cool, remove the radiator cap (Figure 55).

Place a large drain pan under the radiator.
Open the drain (Figure 56) and drain the coolant into the pan.

Close the drain.
Remove the radiator cap.
Slowly fill the radiator with coolant to approximately 2.5 cm (1 inch) below the sealing surface of the cap.
Note: This will allow for the coolant to expand without it overflowing while the engine is warming up.
Use enough coolant to fill the engine and the system lines.
Start the engine with the cap loosely on the radiator.
Allow the engine to warm up until the thermostat opens.
Note: This usually occurs between 175° F and 190° F.
As the engine continues to run, the coolant will become hot and pressurized. If you open the radiator cap when the coolant is hot, it could spray out and severely burn you or bystanders.
Allow the engine to cool for at least 15 minutes before opening the radiator cap. The radiator cap must be cool to the touch.
Wear protective clothing and avoid contact with hot coolant as you open the radiator cap.
Once the coolant has warmed up, top off the coolant level to the sealing surface of the cap and tighten the cap.
Open the recovery bottle cap and fill with coolant to the Cold position after you tighten the radiator cap.
Check the coolant levels after several shut down and start up cycles and top off the coolant as needed.
| Maintenance Service Interval | Maintenance Procedure |
|---|---|
| Before each use or daily |
|
Before starting the sprayer, lightly press the brake pedal. If the pedal travels more than 2.5 cm (1 inch) before you feel resistance, adjust the brakes; refer to Adjusting the Brakes.
If you operate the sprayer with poorly adjusted or worn brakes, you could lose control of the sprayer, resulting in serious injury or death to you or bystanders.
Always check the brakes before operating the sprayer and keep them properly adjusted and repaired.
Check the brake adjustment daily. If the brake pedal travels more than 2.5 cm (1 inch) before you feel resistance, adjust the brakes.
Position the sprayer on a level surface, stop the pump, stop the engine, and remove the ignition key.
Set the parking brake.
Put the blocks under the wheels to prevent the machine from rolling.
Release the parking brake.
Loosen the front nuts on the brake cables under the front end of the sprayer (Figure 57).

Tighten the rear nuts equally until the brake pedal moves between 1 to 2 cm (1/2 to 1 inch) before you feel resistance (Figure 57).
Important: Ensure that you tighten both rear nuts equally so that the threaded ends of the brake cables in front of the front nuts are the same length.
Tighten the front nuts.
| Maintenance Service Interval | Maintenance Procedure |
|---|---|
| After the first 8 hours |
|
| Every 100 hours |
|
Check the condition and tension of the alternator/cooling fan belt. Replace the belt as necessary.
Position the sprayer on a level surface, set the parking brake, stop the pump, stop the engine, and remove the ignition key.
Check the tension by depressing the belt midway between the alternator and the crankshaft pulleys with 10 kg (22 lb) of force.
Note: The belt should deflect 10 to 12 mm (0.39 to 0.47 inches). If the deflection is not correct, go to 3. If it is correct, you may skip the remainder of this procedure and resume operating the sprayer.
Loosen the bolts that secure the brace to the engine and the bolt that secures the alternator to the brace (Figure 58).

Insert a pry bar between the alternator and the engine and carefully pry on the alternator.
When you achieve the proper tension, tighten the alternator and the bolts to secure the adjustment.
Tighten the locknut to secure the adjustment.
The machines reservoir is filled at the factory with approximately 56 L (15 US gallons) of high quality hydraulic fluid. Check the level of the hydraulic fluid before the engine is first started and daily thereafter. The recommended replacement fluid is as follows:
| Toro Premium All Season Hydraulic Fluid (Available in 5 gallon pails or 55 gallon drums. See parts catalog or Toro distributor for part numbers.) |
Alternate fluids: If the Toro fluid is not available, other fluids may be used provided they meet all the following material properties and industry specifications. We do not recommend the use of synthetic fluid. Consult with your lubricant distributor to identify a satisfactory product Note: Toro will not assume responsibility for damage caused by improper substitutions, so use only products from reputable manufacturers who will stand behind their recommendation.
| High Viscosity Index/Low Pour Point Anti-wear Hydraulic Fluid, ISO VG 46 | |||
| Material Properties: | |||
| Viscosity, ASTM D445 | cSt @ 40°C 44 to 48cSt @ 100°C 7.9 to 8.5 | ||
| Viscosity Index ASTM D2270 | 140 to 160 | ||
| Pour Point, ASTM D97 | -34°F to -49°F | ||
| Industry Specifications: | |||
| Vickers I-286-S (Quality Level), Vickers M-2950-S (Quality Level), Denison HF-0 | |||
Important: The ISO VG 46 Multigrade fluid has been found to offer optimal performance in a wide range of temperature conditions. For operation in consistently high ambient temperatures, 18° C (65° F) to 49° C (120° F), ISO VG 68 hydraulic fluid may offer improved performance.
Premium Biodegradable Hydraulic Fluid-Mobil EAL EnviroSyn 46H
Important: Mobil EAL EnviroSyn 46H is the only synthetic biodegradable fluid approved by Toro. This fluid is compatible with the elastomers used in Toro hydraulic systems and is suitable for a wide-range of temperature conditions. This fluid is compatible with conventional mineral oils, but for maximum biodegradability and performance the hydraulic system should be thoroughly flushed of conventional fluid. The oil is available in 19 L (5 US gallons) containers or 55 gallon drums from your Mobil Distributor.
Important: Many hydraulic fluids are almost colorless, making it difficult to spot leaks. A red dye additive for the hydraulic system oil is available in 20 ml (2/3 oz) bottles. One bottle is sufficient for 15-22 L (4-6 US gallons) of hydraulic oil. Order part no. 44-2500 from your authorized Toro distributor. This red dye is not recommended for use with biodegradable fluids. Use food coloring.
| Maintenance Service Interval | Maintenance Procedure |
|---|---|
| Before each use or daily |
|
Position the sprayer on a level surface, set the parking brake, stop the pump, stop the engine, and remove the ignition key.
Stop the pump, stop the engine, and remove the ignition key.
Clean the area around the hydraulic oil tank dipstick cap and remove it (Figure 59).

Important: Be very careful not to get dirt or other contaminants into the opening when checking the oil.
Wipe the dipstick clean with a cloth and replace it completely in the tank.
Remove the dipstick from the filler neck and check the fluid level. The fluid level should be within the safe operating range on the dipstick (Figure 60).

If the oil is low, fill the tank with the specified hydraulic fluid or equivalent to raise the level to the upper mark.
Install the dipstick cap into the tank and secure.
If the oil becomes contaminated, contact an Authorized Toro Distributor to have the system flushed.
Note: Contaminated oil looks milky or black when compared to clean oil.
| Maintenance Service Interval | Maintenance Procedure |
|---|---|
| After the first 5 hours |
|
| Every 400 hours |
|
Use the Toro replacement filter (See your Parts Manual for the correct part number).
Important: Use of any other filter may void the warranty on some components.
Hot hydraulic fluid can cause severe burns.
Allow the hydraulic oil to cool before performing any maintenance to the hydraulic system.
Position the sprayer on a level surface, set the parking brake, stop the pump, stop the engine, and remove the ignition key.
Locate the 2 hydraulic filters on the machine, 1 below the hydraulic oil tank and the other at the rear of the machine on the frame.
Forward filter, below the hydraulic tank.

Rear filter, located on the machine frame.

Clean the area around the filter mounting area.
Place a drain pan under the filter.
Remove the filter.
Lubricate the new filter gasket.
Ensure that the filter mounting area is clean.
Screw the filter on until the gasket contacts the mounting plate, then tighten the filter one-half turn.
Start the engine and let it run for about 2 minutes to purge air from the system.
Stop the engine and check the hydraulic oil level and for leaks.
Dispose of the used filter at a certified recycling center.
| Maintenance Service Interval | Maintenance Procedure |
|---|---|
| Every 400 hours |
|
Use 56 L (15 US gallons) of the specified hydraulic fluid or equivalent, see Hydraulic Fluid Specification.
Important: Using any other oil may void the warranty on some components.
Hot hydraulic fluid can cause severe burns.
Allow the hydraulic oil to cool before performing any maintenance to the hydraulic system.
Replace the hydraulic oil filter; refer to Replacing the Hydraulic-Oil Filter.
Clean the area around one hydraulic hose fitting on the bottom of the hydraulic oil tank (Figure 63).

Place a large pan under the fitting.
Remove the hose fitting from the tank, allowing the oil to drain into the pan (Figure 63).
Install the hose and fitting to the tank and tighten it securely.
Fill the hydraulic reservoir with approximately 53 L (14 US gallons) of specified hydraulic fluid or equivalent, see Hydraulic Fluid Specification.
Start the machine and run it at idle for 3 to 5 minutes to circulate the fluid and remove any air trapped in the system.
Stop the engine, check the hydraulic oil level, and check for leaks.
Dispose of the used oil at a certified recycling center.
Inspect the hydraulic lines and hoses daily for leaks, kinked lines, loose mounting supports, wear, loose fittings, weather deterioration and chemical deterioration. Make all necessary repairs before operating.
Hydraulic fluid escaping under pressure can penetrate skin and cause injury.
Ensure that all hydraulic fluid hoses and lines are in good condition and all hydraulic connections and fittings are tight before applying pressure to the hydraulic system.
Keep your body and hands away from pin hole leaks or nozzles that eject high pressure hydraulic fluid.
Use cardboard or paper to find hydraulic leaks.
Safely relieve all pressure in the hydraulic system before performing any work on the hydraulic system.
Get immediate medical help if fluid is injected into skin.
Chemical substances used in the spray system may be hazardous and toxic to you, bystanders, animals, plants, soils or other property.
Carefully read and follow the chemical warning labels and Material Safety Data Sheets (MSDS) for all chemicals used and protect yourself according to the chemical manufacturer's recommendations. For example, use appropriate Personal Protective Equipment (PPE) including face and eye protection, gloves, or other equipment to guard against personal contact with the chemical.
Keep in mind that there may be more than one chemical used and information on each should be assessed.
Refuse to operate or work on the sprayer if this information is not available!
Before working on a spray system make sure the system has been triple rinsed and neutralized according to the recommendations of the chemical manufacturer(s) and all of the valves have been cycled three times.
Verify there is an adequate supply of clean water and soap nearby, and immediately wash off any chemicals that contact you.
| Maintenance Service Interval | Maintenance Procedure |
|---|---|
| Every 200 hours |
|
| Every 400 hours |
|
Examine each hose in the spray system for cracks, leaks or other damage. At the same time, inspect the connections and fittings for similar damage. Replace any hoses and fittings if damaged.
| Maintenance Service Interval | Maintenance Procedure |
|---|---|
| Every 400 hours |
|
Note: The following machine components are considered parts subject to consumption through use unless found defective and are not covered by the Warranty associated with this machine.
Have an Authorized Toro Service Distributor check following internal pump components for damage:
Pump diaphragm
Pump check valves assemblies
Replace any components if necessary.
The following procedure can be used to adjust the length of the actuator rods.
Extend the booms to the spray position.
Remove the cotter pin from the pivot pin (Figure 64).

Lift up on the boom and remove the pin (Figure 64). Slowly lower the boom to the ground.
Inspect the pin for any damage, replace if necessary.
Use a wrench on the flat sides of the actuator rod to immobilize it then loosen the jam nut to allow for the eyelet rod to be manipulated (Figure 65).

Turn the eyelet rod in the actuator rod to shorten or lengthen the extended actuator to the desired position (Figure 65).
Note: The eyelet rod must be turned in half or complete revolutions to allow the reassembly of the rod to the boom.
Once the desired position has been achieved, tighten the jam nut to secure the actuator and eyelet rod.
Raise the boom to align the pivot with the actuator rod. While holding the boom, insert the pin through both boom pivot and actuator rod (Figure 64).
With the pin in place, release the boom and secure the pin with the cotter removed previously.
Repeat the procedure for each actuator rod bearing if necessary.
| Maintenance Service Interval | Maintenance Procedure |
|---|---|
| Every 400 hours |
|
Position the sprayer on a level surface, set the parking brake, stop the pump, stop the engine, and remove the ignition key.
Extend the booms to the spray position and support the booms using stands or straps from a lift.
With the weight of the boom supported, remove the bolt and nut securing the pivot pin to the boom assembly (Figure 66) and remove the pivot pin.

Remove the boom and pivot bracket assembly from the center frame to access the nylon bushings.
Remove and inspect the nylon bushings from the front and back sides of the pivot bracket (Figure 66).
Note: Replace any damaged bushings.
Place a small amount of oil on the nylon bushings and install them into pivot bracket.
Install the boom and pivot bracket assembly into the center frame, aligning the openings (Figure 66).
Install the pivot pin and secure it with the bolt and nut removed previously.
Repeat the procedure for each boom.
| Maintenance Service Interval | Maintenance Procedure |
|---|---|
| Before each use or daily |
|
Once the main tank has been filled with water, check to see if there is any play in the tank straps. If the straps are loose, tighten the fasteners at the top straps until they are flush with tank. Do not over tighten.
Important: Over tightening the tank strap fasteners can result in deforming and damaging the straps.
| Maintenance Service Interval | Maintenance Procedure |
|---|---|
| Before each use or daily |
|
Position the sprayer on a level surface, set the parking brake, stop the pump, stop the engine, and remove the ignition key.
Remove the retainer from the red fitting attached to the large hose on the top of the tank (Figure 67).

Disconnect the hose from the tank (Figure 67).
Pull the suction strainer out of the hole (Figure 68).

Clean the suction strainer with clean running water.
Replace the suction strainer, seating it fully into the hole.
Connect the hose to the top of the tank and secure it with the retainer.
Position the sprayer on a level surface, set the parking brake, stop the pump, stop the engine, and remove the ignition key.
Clean dirt and grime from the entire machine, including the outside of the engine's cylinder head fins and blower housing.
Important: You can wash the machine with mild detergent and water. Do not use high pressure water to wash the machine. Pressure washing may damage the electrical system or wash away necessary grease at friction points. Avoid excessive use of water, especially near the control panel, lights, engine, and the battery.
Clean the spray system; refer to .
Clean the pistons in the valve assembly as follows:
Position the valves in the Off position (shaft close to the hose barb).
Note: Make sure that there is no water in the tubing.
Remove the 3 forks securing the valve seats to the valve assembly (Figure 69).

Remove the 2 screws and nuts securing the hose loom bracket to the sprayer frame (Figure 69). Lower the hoses away from the valve assembly.
Using a 3 mm Allen wrench, remove the screws securing the piston assemblies in the valve assembly. Make sure to account for the springs in the valve (Figure 69).
Clean the pistons and replace any worn O-rings.
Coat all piston O-rings with vegetable oil and reinstall in the valve assembly with the screws previously removed. Make sure to install the springs into the valve assembly.
Secure the valve seats to the valve assembly with the 3 forks previously removed.
Mount the hose loom bracket to the sprayer frame with the 2 screws and nuts previously removed.
Add a rust inhibiting, non-alcohol based, RV antifreeze solution to the system and run the pump for a few minutes to circulate it through the system, then drain the spray system as completely as possible.
Use the boom lift switches to raise the booms. Raise the booms until have moved completely into boom transport cradle forming the “X” transport position and the boom cylinders are fully retracted.
Note: Make sure that the boom cylinders are fully retracted to prevent actuator rod damage.
Inspect the brakes; refer to Checking the Brakes.
Service the air cleaner; refer to Servicing the Air Cleaner.
Grease the sprayer; refer to Lubrication.
Change the crankcase oil; refer to Changing the Engine Oil and Filter.
Check the tire pressure; refer to Checking the Tire Pressure.
For storage over 30 days, prepare the fuel system as follows:
Start the engine and run it at idle speed for approximately 2 minutes.
Stop the engine.
Flush the fuel tank with fresh, clean fuel.
Secure all the fuel system fittings.
Use the electric starter to crank the engine and distribute the oil inside the cylinder.
Remove the battery from the chassis, check the electrolyte level, and charge it fully; refer to Servicing the Battery.
Note: Do not connect the battery cables to the battery posts during storage.
Important: The battery must be fully charged to prevent it from freezing and being damaged at temperatures below 0° C (32° F). A fully charged battery maintains its charge for about 50 days at temperatures lower than 4° C (40° F). If the temperatures will be above 4° C (40° F), check the water level in the battery and charge it every 30 days.
Check and tighten all bolts, nuts, and screws. Repair or replace any part that is damaged.
Check the condition of all spray hoses, replacing any that are damaged or worn.
Tighten all hose fittings.
Paint all scratched or bare metal surfaces.
Paint is available from your Authorized Service Dealer.
Store the machine in a clean, dry garage or storage area.
Remove the ignition key and put it in a safe place out of the reach of children.
Cover the machine to protect it and keep it clean.
| Problem | Possible Cause | Corrective Action |
|---|---|---|
| The starter does not crank. |
|
|
| The engine cranks, but will not start. |
|
|
| The engine starts, but does not keep running. |
|
|
| The engine runs, but knocks or misses. |
|
|
| The engine will not idle. |
|
|
| The engine overheats. |
|
|
| The engine loses power. |
|
|
| There is abnormal vibration or noise. |
|
|
| The machine does not operate or is sluggish in either direction because the engine bogs down or stalls. |
|
|
| The machine does not operate in either direction. |
|
|
| Problem | Possible Cause | Corrective Action |
|---|---|---|
| A boom section does not spray. |
|
|
| A boom section does not turn off. |
|
|
| A boom valve is leaking |
|
|
| A pressure drop occurs when you turn on a boom. |
|
|
| The boom actuator is not operating properly. |
|
|