Park the machine on a level surface, lower the mower deck, engage the parking brake, shut off the engine, and remove the key.
Ensure that the traction pedal is in the NEUTRAL position and the PTO lever is in the OFF position.
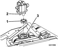
Remove the bolts securing the hydraulic motor to the mower deck (Figure 1).
Lift the motor off the mower deck and lay it on a clean, out of the way, surface.
Note: Ensure that you do not damage aluminum coupler.

Remove the elastomeric spider from inside the pulley coupler (Figure 2).
Inspect the elastomeric spider for wear and replace it if it is worn. Retain it for installation on the new front mower deck.

The lift arms raise up when the mower deck is removed and the machine is turned on.
Move the mower deck under the machine and connect it before turning the machine on.
Remove the hairpin cotters and the clevis pins securing the height-of-cut chains to the rear of the mower deck (Figure 3). Retain the hardware for installation on the new mower deck.

Remove bolts, washers, and locknuts securing each lift-arm mount to the caster-arm tube (Figure 4).

Move the mower deck away from the traction unit.
Move the new mower deck into position and mount it to each caster-arm tube by reversing the procedure.
Adjust the height of cut for the mower deck; refer to the procedure in the Operator’s Manual for the machine.