Parcheggiate la macchina su una superficie pianeggiante, abbassate il piatto di taglio, inserite il freno di stazionamento, spegnete il motore e togliete la chiave.
Accertatevi che il pedale della trazione sia in FOLLE e che la leva della PDF sia in posizione OFF.
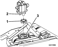
Rimuovete i bulloni che fissano il motore idraulico al piatto di taglio (Figure 1).
Sollevate il motore dal piatto, quindi posatelo su una superficie pulita e dove non sia di intralcio.
Note: Assicuratevi di non danneggiare l’accoppiamento in alluminio.

Estraete la crociera elastomerica dall’interno dell’accoppiamento delle pulegge (Figure 2).
Controllate che la crociera elastomerica non sia usurata e sostituitela se necessario. Conservatela per l’installazione sul nuovo piatto di taglio anteriore.

I bracci di sollevamento si alzano quando il piatto di taglio viene rimosso e la macchina messa in funzione.
Infilate il piatto di taglio sotto la macchina e collegatelo prima di mettere in funzione la macchina.
Togliete le coppiglie e i perni con testa che fissano le catene dell’altezza di taglio sul retro del piatto di taglio (Figure 3). Conservate la bulloneria per l’installazione sul nuovo piatto di taglio.

Rimuovete i bulloni, le rondelle e i dadi di bloccaggio che fissano ciascun supporto dei bracci di sollevamento al tubo del braccio della ruota orientabile (Figure 4).

Allontanate il piatto di taglio dal trattorino.
Fate scorrere in sede il nuovo piatto di taglio e fissatelo a ciascun tubo del braccio della ruota orientabile eseguendo la procedura in ordine inverso.
Regolate l’altezza di taglio del piatto di taglio; fate riferimento alla procedura contenuta nel Manuale dell'operatore della macchina.